耐火浇注料分类
- 格式:docx
- 大小:3.25 KB
- 文档页数:2
耐火浇注料成分一、前言耐火浇注料是一种用于高温环境下的建筑材料,具有优异的耐热性能和化学稳定性。
它主要由多种材料组成,不同成分的比例和配方会影响其性能和适用范围。
本文将详细介绍耐火浇注料的成分。
二、基础材料1. 氧化铝:是耐火浇注料中最常用的材料之一,具有优异的抗热性能和抗侵蚀性能。
氧化铝可分为普通氧化铝和高纯氧化铝两种,其中高纯氧化铝价格较高但更适用于高温环境。
2. 硅酸盐:硅酸盐是另一个常见的基础材料,可提供良好的耐侵蚀性和机械强度。
常见的硅酸盐包括膨胀珍珠岩、石英、长石等。
3. 碳素:碳素可以提供良好的导电性和导热性,并且可以降低整体密度。
在某些特殊应用场合下需要添加碳素。
4. 高岭土:高岭土是一种天然的粘土矿物,可以提供良好的塑性和可塑性,有助于提高耐火浇注料的可加工性。
5. 氧化钙:氧化钙是一种碱性氧化物,可以用于中和酸性物质。
在某些情况下需要添加氧化钙以调节pH值。
三、添加剂1. 硅酸铝盐水泥:硅酸铝盐水泥是一种高温水泥,可以提供良好的粘结强度和耐热性能。
在耐火浇注料中添加适量的硅酸铝盐水泥可以提高其机械强度。
2. 膨胀剂:膨胀剂可以促进耐火浇注料在加热过程中膨胀,从而减少因温度变化引起的应力和裂纹。
常见的膨胀剂包括膨胀珍珠岩、金属铝粉、硫酸铝等。
3. 粘结剂:粘结剂可以增加耐火浇注料的黏着力和可塑性,从而提高其加工性能。
常用的粘结剂包括陶瓷黏土、磷酸盐等。
4. 活性氧化铝:活性氧化铝可以提高耐火浇注料的抗侵蚀性和机械强度。
它具有较高的反应活性,可以与其他材料迅速反应生成新的化合物。
四、其他成分1. 水:水是制备耐火浇注料的必要成分之一,它可以将干粉状材料转化为可塑状态。
在制备过程中需要控制水的用量,以保证耐火浇注料的稳定性和可加工性。
2. 粉末状颗粒:粉末状颗粒是耐火浇注料中常见的填充物,可以降低整体密度并提高机械强度。
常见的粉末状颗粒包括碳化硅、碳酸钙、铝酸钙等。
3. 防水剂:防水剂可以降低耐火浇注料在潮湿环境下的吸水率,从而提高其抗冻性和耐久性。
耐火浇注料介绍
耐火浇注料是一种用于高温工业窑炉和炉膛等设备衬里的材料。
它具有高温稳定性、耐磨性、耐化学腐蚀性和抗冲击性等特点,能够经受高温、高压和化学侵蚀等恶劣环境的考验。
耐火浇注料根据其成分和用途,可分为多种类型,如以下几种:
1. 铝酸盐浇注料:主要成分为氧化铝和硅酸铝钙等,具有较高的抗渣、耐酸碱侵蚀能力,适用于铝电解槽、炼钢转炉等设备的内衬。
2. 硅酸盐浇注料:主要成分为硅酸盐和氧化铝等,具有良好的耐火性、抗冲击性和耐磨性,适用于陶瓷窑、玻璃窑等设备的内衬。
3. 镁质浇注料:主要成分为轻烧镁粉、重烧镁砂等,具有高强度、高温稳定性和较好的耐磨性,适用于高炉、电炉等设备的内衬。
除了以上几种类型的耐火浇注料,还有不同成分和用途的其他类型,如碳化硅浇注料、氧化铝碳化硅浇注料等。
在使用耐火浇注料时,需要根据具体的设备和工艺要求选择合适的材料,并进行正确的施工和维护,以保障设备的安全稳定运行。
浇注料又称耐火浇注料,是一种由耐火物料加入一定量结合剂制成的粒状和粉状材料,具有较高流动性,以浇注方式成型的不定形耐火材料。
同其他不定形耐火材料相比,结合剂和水分含量较高,流动性较好,故而浇注料应用范围较广,可根据使用条件对所用材质和结合剂加以选择。
既可直接浇注成衬体使用,又可用浇注或震实方法制成预制块使用。
接下来咱们就一起详细了解一下什么是浇注料。
一、什么是浇注料?浇注料是耐火材料中的一个种类,耐火材料分为定形制品和不定形制品,浇注料是不定形制品中的一个品种,所用材质和耐火砖一样,可以说是定形耐火制品均可制成不定形耐火材料中的浇注料,采用浇筑施工的不定形耐火制品绿色环保,正逐渐的代替定形耐材。
二、浇注料分类浇注料种类和名称有很多,可以按照骨料、主要成份、使用部位、化学性质及特点来进行命名,例如:按耐火骨料分有粘土质骨料(Al2O3 30%~45%)、高铝质骨料(Al2O3%26ge;45%)、硅质骨料(SiO2%26ge;85%、Al2O3%26lt;10%)、碱性骨料(有镁砂、白云石等)、特别骨料(有碳、碳化物、尖晶石、锆英石、氮化物等)和隔热骨料(有珍珠岩、蛭石、陶粒、漂珠、轻质砖砂、多孔熟料、氧化铝空心球等)。
按结合剂分有水硬性结合、化学结合、凝集结合耐火浇注料。
产品分类除了骨料还要按照气孔或比重进行分类,例如:按气孔率分有细密耐火浇注料和气孔率不低于45%的隔热保温耐火烧注料两种。
化学结合浇注料在常温下一般经过参加促硬剂构成化学反应而硬化,首要种类有水玻璃、硫酸铝、磷酸盐浇注料等。
凝集结合浇注料为在煅烧进程中经烧结效果而硬化,首要种类有粘土浇注料等。
水硬性结合浇注料在常温下凝集硬化并经过水化效果而硬化,首要种类有硅酸盐水泥、一般铝酸钙水泥、纯铝酸钙水泥、电熔纯铝酸钙水泥浇注料等。
二、浇注料如何施工?浇注料施工步骤:1、施工部位的清理及支模具;2、本产品属于混合制品,产品先干式搅拌;3、按照使用说明进行加水或调和剂,进行搅拌;4、在限制时间内进行浇筑施工并振捣均匀;5、养护及拆模;6、烘炉。
水泥窑中几种常见的耐火砖和浇注料水泥窑常用的耐火砖有低温带耐碱砖,高温带硅莫砖:火灾表面爆炸现象严重。
喷煤管浇筑材料:铝碳化硅系列:耐热冲击,耐碱性好。
刚玉尖晶石浇筑材料:高温折叠强度耐碱性好。
施工和维护:浇筑材料施工中加入过多的水,对耐火材料的性能产生不利影响。
从轻到降低强度,导致偏析。
浇筑材料严重分为颗粒层和浆层,导致离析,使浇筑材料受到内应力的影响。
前窑、炉排冷却器、喷煤管、窑头罩浇筑材料在强度末充分发挥时投入使用,耐磨冲刷性差,磨损加快,使用寿命短。
碳化硅(SiC):它是一种惰性材料,不与碱反应,具有较好的抗结皮性能和一级耐碱性能。
耐磨耐腐蚀,混合材料产品在高温下表面形成液相层,保护膜,可提高产品的耐碱性和使用寿命。
如硅莫砖、铝碳化硅系列浇筑材料。
硅莫红砖=硅莫砖红柱石。
以莫来石和碳化硅为主要矿物的烧砖。
高强度耐磨性和抗震稳定性良好。
红柱石:在高温下产生膨胀性,提高材料产品的抗蠕变性和高温强度,提高热震稳定性。
硅莫红砖:硅莫砖加入红柱石制成品。
耐磨性好,耐热冲击稳定性好。
膨胀均匀,热冲击稳定性好,荷载软化点高,强度高,耐化学腐蚀性好,导热系数低≤1.7W/m.k。
导热系数低,热损失低,煤耗低。
体积密度低,自重轻。
镁铁尖晶石砖:用水泥熟料生成CaO-AL2O3-Fe2O3系化合物,Fe2O3成份扩散,扩大反应部位,可使窑皮稳定。
优点:Fe2O3.砖结合组织发达,可提高窑皮的抗剥落性和附着力。
缺点:耐高温、耐腐蚀、抗氧化还原性差.由于没有窑皮保护,水泥窑上过渡带窑砖气缸温度高,损坏快,影响窑系统运行率。
镁铝尖晶石:导热系数高,煤耗高。
窑皮虽然性能好,但价格昂贵。
缺点是不耐腐蚀,对气氛变化敏感。
接触水泥熟料时,熟料中CaO镁铁砖中会有Fe2O作用,生成C2F如果杂质熔点低,对方镁石有很好的保湿效果。
由于窑皮的保护,镁铁砖避免了烧蚀能力差、对气氛变化敏感的缺点,使用寿命长。
水泥熟料的表面相导致窑皮粉化、窑皮和耐火材料脱落。
炼钢厂常用耐火砖及浇注料
以下是小编介绍的炼钢炉各个部位的作用及所用的耐火砖浇注料等耐火材料,从以下情况看出所用的耐火砖和浇注料比较多,其中高铝耐火砖、粘土耐火砖、高铝耐火浇注料用的更多一点:
1.混铁炉作用:使铁水均匀,并贮存和保温铁水
永久层:粘土耐火砖、漂珠砖、耐火陶瓷纤维毡
工作层:镁砖、镁铝砖、铝碳化硅砖、高铝砖、高铝浇注料、刚玉-莫来石浇注料、铝碳浇注料
2. 混铁车作用:盛装和贮运铁水
永久层:粘土耐火砖、高铝质浇注料、耐火陶瓷纤维毡
工作层:高铝砖、铝碳化硅炭砖、钢钎维浇注料
3. 铁水罐作用:盛装铁水
永久层:粘土耐火砖、高铝砖、浇注料
工作层:镁碳砖、镁铬捣打料、刚玉浇注料、镁碳捣打料
4. 炼钢电炉作用:将电能转为热能进行熔炼
永久层:高铝砖、镁砖
工作层:高铝砖、镁砖、镁炭砖、镁质捣打料、镁钙捣打料
5. 钢包作用:盛装钢水
永久层:高铝砖、高铝浇注料
工作层:高铝砖、铝炭砖、镁炭砖、镁钙砖、镁铝炭砖、高铝浇注料、刚玉浇注料。
6.炉外精炼炉作用RH炉VD炉LE炉作用:升温、净化钢水
永久层:轻质粘土砖高铝砖、镁砖轻质粘土砖耐火陶瓷纤维毡
工作层:镁砖、镁铬砖、刚玉浇注料高铝砖、高铝浇注、料刚玉浇注料
高铝浇注料、刚玉浇注料
7. 中间包作用:均匀钢水便于浇铸
永久层:粘土耐火砖、高铝砖、粘土浇注料、高铝浇注料
工作层:高铝砖、镁砖、硅质绝热板、镁质绝热板、镁钙绝热板、镁硅绝热板、高铝、镁质喷涂料、各类涂抹料、干式料。
阿里店铺:君道(河南)新材料。
耐火材料浇注料配方工艺
抗火材料浇注料配方工艺
一、组分:
1、粘土:炭铁粉、白土、骨料、氧化锰、蛭石等;
2、砂子:石英砂、砂砾、砂石、沙子等;
3、矿物添加剂:矿渣、合成材料粉、硅酸钾等;
4、填料:碳酸钙、石渣、膨润土等;
5、复合材料:还原性混凝土、高岭土、微晶石英漆等;
6、颜料:硅藻土、石灰、射玉砂、石英粉等;
7、凝结剂:钛白粉、氧化锰、活性粘土等;
二、抗火材料浇注料配方制作:
1、先将粘土类成分混合搅拌,将氧化锰、合成材料粉等添加剂,并加入少量凝结剂;
2、然后将混合物加入砂子,搅拌均匀;
3、最后再加入填料,同时加入颜料,混合成抗火材料浇注料;
三、浇注制作方法:
1.将抗火材料浇注料置于模具,用工具拉平其表面;
2.将模具放入高温炉内,高温炉进行淬火处理;
3.经过热处理,抗火材料浇注料形成稳定的结构;
4.取出后,抗火材料浇注料即可使用。
四、注意事项:
1.在抗火材料浇注料的制作过程中,湿度和温度都要控制在一定范围内,以保证配方的准确性;
2.热处理的温度和时间也要控制,防止材料超过终点温度,使浇注料受损;
3.抗火材料浇注料一旦成型,就不能随意更改。
否则会影响其性能和使用寿命。
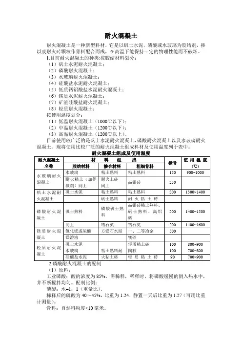
耐火混凝土耐火混凝土是一种新型料材,它是以矾士水泥,磷酸或水玻璃为胶结剂,掺以废耐火砖颗粒作骨料配合而成,在高温下能保持一定的物理性能而不破坏。
1.目前耐火混凝土的种类:按胶结材料划分:(1)矾士水泥耐火混凝土;(2)磷酸耐火混凝土;(3)水玻璃耐火混凝土;(4)硅酸盐水泥耐火混凝土;(5)低质钙铝酸盐水泥耐火混凝土;(6)镁质水泥耐火混凝土;(7)矿渣硅酸盐耐火混凝土;(8)轻质耐火混凝土;按使用温度划分:(1)低温耐火混凝土(1000℃以下);(2)中温耐火混凝土(1200℃以下);(3)高温耐火混凝土(1200℃以上)。
目前使用较广泛的是矾士水泥耐火混凝土,磷酸耐火混凝土以及水玻璃耐火混凝土。
现将使用比较广泛的耐火混凝土组成料材及使用温度列于表中。
(1)原料:工业磷酸:酸的浓度为85%,需稀释,稀释时,将磷酸缓慢的倒入热水中,并不断搅拌均匀。
配制比例:磷酸:水=1:1(重量比)。
稀释后的磷酸为40~45%,比重为1.24,静置一天后比重为1.27(可用比重计测量)。
骨料:自然料粒度<10毫米。
掺合料粒度:<0.008毫米,含量应大于85%。
促凝剂:400号矾士水泥。
(2)配料、混合:困料:按骨料:掺合料=70:30配制。
磷酸5~6%加入混合均匀。
在温度15~25℃地方堆放,困料时间要大于16小时。
困料的目的是使料中的铁质与磷酸充分作用,使产生的氢气在成型捣制前排除,以免混凝土成型后鼓胀。
二次混合:将困料按重量加2~3%的矾士水泥作促凝剂。
将上述料于混合搅拌半分钟后,再加磷酸至合适的稠度(约8~10%),两次加入的磷酸总量纳13~15%左右。
矾士水泥(促凝剂)加入量随气温而定。
当气温高时应适当少加或不加,如气温低应适当多加。
(3)养护:混凝土捣成型后,于20℃下的干燥环境中自然养护至凝固。
养护温度不能过低。
(4)烘烤:对成型后的炉体在使用前的烘烤是决定使用效果及炉体寿命的关键。
烘烤目的是排除混凝土中的水分。
耐火浇注料根据抗化学侵蚀不同分为酸性、碱性、中性浇注料;根据体积密度分为重质浇注料和轻质浇注料;根据使用材质分为硅酸铝质、镁质、镁铬质、刚玉质浇注料等。
种类很多,在没有明确的指标、使用温度的情况下,很难做出选择。
下面,就具体的选择方法给大家分享一下,以便大家进行参考。
1.需要满足窑炉的使用要求该产品都有一定的使用部位,使用要求,在选择时要根据浇注料的特性去选择。
如接触高温火焰的部位要选择耐高温性浇注料、接触高温溶液的部位要选择耐高温、抗渗透性强的浇注料、接触熔渣的部位要采用抗熔渣化学侵蚀性强的浇注料、接触各种物料冲击摩擦的部位采用高强度耐磨的浇注料、温度变化频繁的部位要采用抗热震性优良的浇注料等等,在选择时一定要满足主要的使用条件。
轻质耐火浇注料的主要使用部位就是隔热保温、降低承重结构、降低炉壳温度、减少热量损耗,从而达到节能效果。
2.成本的考虑在确定选择哪种耐火浇注料后,还要从经济上降低成本。
如使用温度在1500℃的部位,在浇注料能满足工况的条件下,就不去选使用温度大于1600℃的浇注料;耐磨损部位采用高铝矾土熟料为主要材料能满足耐磨性要求的情况下,就不去选择以刚玉为主材料的浇注料。
主要原因是耐火浇注料价格是根据使用的主材质含量不同而定价的,价格相差较大,没有必要为了最求更高品质而忽视经济条件。
尤其是日常损耗的部位对这一要求就显得特别重要。
3.粒度选择耐火浇注料施工的部位有厚有薄,采用的颗粒大小配比比例也是不同的。
比如浇注厚度大于100mm的内衬,需要加入的大颗粒粒径骨料就比较多,以提高结构强度和耐磨性,浇注或涂抹厚度10mm的部位,大颗粒骨料就使用较少,避免加入大骨料使之凸出衬体,不仅影响外观,而且在使用效果上大颗粒易磨损,容易造成衬体出现坑洞,进而影响使用寿命。
浇注厚度不同可采用浇注法施工或涂抹法施工,因此耐火浇注料的颗粒大小的选择也是比较重要的。
巩义市恩众耐材科技有限公司位于河南省会郑州与九朝古都洛阳之间的中国耐材名镇——巩义市北山口镇,南依嵩山,北临黄河,耐火材料资源丰富,陇海铁路,连霍高速,310国道,焦桐高速等穿境而过,地理位置优越,交通便利,为及时供货打下坚实基础。
耐火浇注料是不定形耐火材料的一种,因施工方式为浇注式,又叫浇筑料。
其种类众多,具体有以下这些可供大家选择:
1、根据化学性质分为:耐酸浇注料、中性浇注料和耐碱浇注料。
2、根据结合剂成分分为:有机结合浇注料和无机结合浇注料,如树脂结合浇注料、水泥结合浇注料。
3、根据选用的结合剂结合方式分为:水硬性结合浇注料、气硬性结合浇注料、热硬性结合浇注料和陶瓷结合浇注料。
4、根据密度可分为:轻质浇注料和重质浇注料。
5、根据耐火原料分为:粘土浇注料、高铝浇注料、硅质浇注料、莫来石浇注料、刚玉浇注料、镁质浇注料、碳化硅浇注料等不同耐火原料为主的浇注料。
6、根据特性分为:高强耐磨浇注料、耐高温浇注料、低水泥浇注料、钢纤维浇注料、耐酸耐热浇注料、抗渣耐磨浇注料等多种具有特性的耐火浇注料。
不同维度的划分,耐火浇注料的种类不同,适用于的工业窑炉环境也不同,如钢包用铝镁浇注料,高炉出铁沟用铝碳化硅碳浇注料,浇注料使用范围广,可
根据工业窑炉环境,选择合适材质的产品。
用户如需购买以上的产品,可联系巩义市恩众耐材科技有限公司。
【超全】一文让你了解耐火材料所有的浇注料,内附部分浇注料技术配比耐火浇注料是一种不经煅烧,加水搅拌后具有较好流动性的新型耐火材料,是不定形耐火材料中的一个重要品种。
由耐火骨料、耐火粉料和胶结剂(或另掺外加剂)按一定比例组成的混合料。
可以以散状形式出厂,也可制作成预制件。
耐火浇注料通常可按胶结剂种类、耐火骨料品种以及气孔率大小分类。
按胶结剂种类和结合方式分为:①水合结合的浇注料,如硅酸盐水泥结合耐火浇注料;铝酸盐水泥结合耐火浇注料;ρ-Al2O3结合耐火浇注料。
②水合结合加凝聚结合的浇注料,如低水泥结合耐火浇注料,超低水泥结合耐火浇注料。
③凝聚结合的浇注料,如黏土结合耐火浇注料,超微粉结合耐火浇注料,硅溶胶或铝溶胶结合耐火浇注料。
④化学结合的浇注料,如水玻璃结合耐火浇注料,磷酸及磷酸盐结合耐火浇注料,聚磷酸盐结合耐火浇注料,硫酸盐结合的耐火浇注料以及酚醛树脂结合的浇注料等。
按耐火原料品种分为硅质,半硅质,黏土质,髙铝质,刚玉质,镁质,尖晶石质以及特殊骨料耐火浇注枓(特殊骨料包括碳化硅、铬渣和锆英石等按气孔率分又为致密浇注料和轻质浇注料。
硅酸盐结合耐火浇注料是以普通硅酸盐水泥、矿渣硅酸盐水泥和硅酸盐耐热水泥等为胶结料,与耐火骨料、粉料配制而成。
其使用温度为700-1200℃,可用于整体承重耐热结构和窑炉内衬,特别是在热工设备基础和底板烟道、烟囱内衬以及热贮矿槽等工程中应用较多。
其材料组成与使用范围见下表。
按胶结剂种类不同可分为矾土水泥耐火浇注料、铝-60水泥耐火浇注料、低钙铝酸盐水泥浇注料利纯铝酸钙水泥耐火浇注料等。
铝睃盐水泥耐火浇注料具有快硬高强、热籐稳定性好、耐火度髙等特点,因此广泛应用于冶金、石油化工、水电、建材和机械等工业部门的一般工业窑炉和热工设备上,其最髙使用温度为1400-100℃,有的可达1800℃左右。
A 普通铝酸盐水泥结合耐火浇注料普通铝酸钙水泥结合耐火浇注料常用的胶结剂为矾土水泥、铝-60水泥、低钙铝酸盐水泥。
耐火浇注料是指由耐火集料、结合剂和外加剂组成的混合料,加水(或液状结合剂)调和成可用浇注法施工的泥料。
该浇注料施工便利,整体性好,可用于多种工业窑炉内衬,也可用来制造预制件。
它的种类有多种,可根据不同的维度划分,具体介绍如下:
1、根据化学性质分为:耐酸浇注料、中性浇注料和耐碱浇注料。
2、根据结合剂成分分为:有机结合浇注料和无机结合浇注料,如树脂结合浇注料、水泥结合浇注料。
3、根据选用的结合剂结合方式分为:水硬性结合浇注料、气硬性结合浇注料、热硬性结合浇注料和陶瓷结合浇注料。
4、根据密度可分为:轻质浇注料和重质浇注料。
5、根据耐火原料分为:粘土浇注料、高铝浇注料、硅质浇注料、莫来石浇注料、刚玉浇注料、镁质浇注料、碳化硅浇注料等不同耐火原料为主的浇注料。
6、根据特性分为:高强耐磨浇注料、耐高温浇注料、低水泥浇注料、钢纤维浇注料、耐酸耐热浇注料、抗渣耐磨浇注料等多种具有特性的耐火浇注料。
巩义市恩众耐材科技有限公司是冶金用耐火材料专业生产厂家拥有从产品研发,设计施工,生产销售,售后服务完整管理体系,以质量保证、长寿高效为宗旨,真诚欢迎各用户考察指导现场交流,合作共享。
铝镁浇注料:第一代—80年代初期的铝镁浇注料,含水玻璃结合剂;第二代无水玻璃的铝镁浇注料,之后则开展了尖晶石浇注料的研究,矾土尖晶石、铝镁尖晶石浇注料、铝尖晶石浇注料(矾土刚玉—尖晶石)耐火浇注料(refractory castables)浇注料是一种由耐火物质制成的粒状和粉状材料,并加入一定量结合剂和水分共同组成。
它具有较高的流动性,适宜用浇注方法施工,并无需加热即可硬化的不定形耐火材料。
由耐火骨料、粉料、结合剂、外加剂、水或其他液体材料组成。
一般在使用现场以浇注、震动或捣固的方法浇筑成型,也可以制成预制件使用。
简史耐火浇注料是不定形耐火材料的主要品种,在第二次世界大战时期美国以耐火浇注料作为锅炉或石油生产设备的异型砖代用品使用,日本于1950年开始研究生产此类材料。
20世纪50年代初期,苏联开始应用硅酸盐水泥耐火浇注料。
60年代以来,不定形耐火材料发展迅速,到90年代日、美、德等国家的不定形耐火材料产量已占耐火材料总产量的1/3以上,而耐火浇注料占不定形耐火材料的40%~50%。
中国在20世纪50年代初期开始应用硅酸盐水泥耐火浇注料,当时称为耐热混凝土,主要用于700℃以下(有时700~1200℃)的热工构筑物,1965~1975年普遍采用铝酸钙水泥和磷酸盐耐火浇注料,当时称为耐火混凝土,使用温度提高到1400~1600℃,在此期间建设了产品生产基地,1976年初建立了产品标准,1976年以后,产品种类迅速增加,质量也逐步提高,80年代中期中国又开发了新一代耐火浇注料,包括低水泥、超低水泥和无水泥耐火浇注料,其质量接近国际先进水平。
编辑本段耐火浇注料种类主要按气孔率、结合剂、骨料品种分类。
在实际使用中还经常以使用温度或功能特点进行分类。
按气孔率分有致密耐火浇注料和气孔率不低于45%的隔热耐火烧注料两种。
按结合剂分有水硬性结合、化学结合、凝聚结合耐火浇注料。
水硬性结合浇注料在常温下凝结硬化并通过水化作用而硬化,主要品种有硅酸盐水泥、普通铝酸钙水泥、纯铝酸钙水泥、电熔纯铝酸钙水泥浇注料等。
耐火材料耐火浇注料随着现代工业的发展,耐火材料的应用范围越来越广泛。
耐火材料是指能够在高温、高压和化学侵蚀等极端环境下保持稳定性能的材料。
在工业生产中,耐火材料主要用于高温炉窑、熔融金属的维护和修补、高温管道和烟囱的衬砌、高温反应器的内衬、高温保温等方面。
耐火材料中的一种重要种类就是耐火浇注料。
耐火浇注料是指将耐火材料粉料、粘结剂和添加剂等混合后浇注而成的一种材料。
它具有优异的耐高温、耐侵蚀和耐磨性能,广泛用于各种高温炉窑的内衬、熔融金属的浇注、高温管道和烟囱的衬砌等领域。
本文将从耐火浇注料的材料组成、生产工艺、应用领域和未来发展等方面进行介绍。
一、耐火浇注料的材料组成耐火浇注料的主要组成部分包括耐火材料粉料、粘结剂和添加剂三个方面。
1. 耐火材料粉料耐火材料粉料是耐火浇注料的主要原材料,它是由各种天然矿物和人工制品经过破碎、筛分、混合等工艺制成的。
根据不同的用途和要求,耐火材料粉料的种类和配比也有所不同。
常见的耐火材料粉料有高铝、硅酸铝、镁铝、碳化硅、氧化锆等。
其中,高铝粉是最常用的一种,它的主要成分是氧化铝,可以耐受高温和化学侵蚀。
2. 粘结剂粘结剂是耐火浇注料中的重要组成部分,它的作用是将耐火材料粉料粘结在一起形成坚固的结构。
常见的粘结剂有水玻璃、磷酸盐、硅酸盐等。
水玻璃是最常用的一种粘结剂,它可以增加耐火浇注料的粘度和硬度,使其更加稳定。
3. 添加剂添加剂是耐火浇注料中的辅助材料,它可以改善耐火浇注料的性能,如增加耐热性、降低收缩率、提高耐侵蚀性等。
常见的添加剂有金属铝、石墨、硅酸盐等。
金属铝可以增加耐火浇注料的耐热性和抗氧化性,石墨可以降低收缩率和提高耐磨性。
二、耐火浇注料的生产工艺耐火浇注料的生产工艺包括原料准备、混合、形成、干燥和烧结等过程。
1. 原料准备耐火浇注料的原材料需要经过破碎、筛分、混合等工艺处理后方可使用。
在原料准备过程中,需要按照一定的配比将各种原材料混合均匀。
2. 混合将各种原材料按照一定的配比混合均匀,加入适量的水玻璃等粘结剂,并进行充分搅拌,直至形成均匀的浇注料。
耐火材料浇注料
耐火材料浇注料是一种用于耐火材料制作的重要材料,它具有耐高温、耐侵蚀、耐磨损等优良性能,被广泛应用于冶金、建材、化工等行业。
本文将对耐火材料浇注料的特点、分类、应用领域和发展趋势进行介绍。
首先,耐火材料浇注料的特点。
耐火材料浇注料具有耐高温、耐侵蚀、耐磨损、抗震动等特点,能够在高温、酸碱腐蚀等恶劣环境下长期稳定工作。
其材料成分主要包括耐火骨料、粘结剂、添加剂等,通过科学配比和精密加工制备而成。
其次,耐火材料浇注料的分类。
根据不同的材料成分和工艺特点,耐火材料浇
注料可分为不同类型,如耐火浇注料、耐火充填料、耐火浇注料等。
每种类型的耐火材料浇注料都具有独特的特点和适用范围,能够满足不同工程的需求。
再者,耐火材料浇注料的应用领域。
耐火材料浇注料广泛应用于冶金、建材、
化工、电力等行业,用于高炉、炼钢炉、转炉、电炉、玻璃窑等设备的砌筑和修补。
在这些领域,耐火材料浇注料能够起到关键的作用,保障设备的正常运行。
最后,耐火材料浇注料的发展趋势。
随着科技的进步和工业的发展,耐火材料
浇注料的研发和生产技术不断提升,新型材料和工艺不断涌现。
未来,耐火材料浇注料将更加环保、节能、高效,同时具有更好的耐火性能和使用寿命。
综上所述,耐火材料浇注料作为耐火材料制作的重要材料,具有独特的特点、
多样的分类、广泛的应用领域和良好的发展趋势。
相信随着技术的不断创新和行业的不断发展,耐火材料浇注料将在未来发挥更加重要的作用,为工业生产和社会发展做出更大的贡献。
浇注料耐火材料浇注料是一种用于耐火材料的施工方法,通过将干粉料和水混合,形成可浇注的糊状物质,然后将其倒入模具中进行成型。
浇注料在耐火材料行业中应用广泛,其耐火性能和施工便利性使其成为建筑、冶金、化工等领域不可或缺的材料之一。
首先,浇注料的主要成分包括粘结剂、骨料和添加剂。
粘结剂通常采用水玻璃、硅酸盐水泥、磷酸盐水泥等,这些粘结剂能够在高温下形成坚固的结构,保证浇注料在使用过程中不会出现开裂或脱落的情况。
骨料则通常采用高铝骨料、膨胀珍珠岩等,这些骨料具有良好的耐火性能和抗压强度,能够增强浇注料的整体性能。
此外,添加剂的选择也至关重要,它们能够改善浇注料的流动性、抗震性和耐磨性,使其更适合各种工程环境的需求。
其次,浇注料的施工工艺也是影响其性能的重要因素。
在施工过程中,首先需要对模具进行清理和涂抹防粘剂,以便后续浇注料的顺利脱模。
然后将干粉料和水按照一定的比例混合搅拌,形成均匀的糊状物质。
接下来,将混合好的浇注料倒入模具中,并采用振实或振动的方式排除气泡,确保浇注料的致密性和均匀性。
最后,待浇注料凝固后,进行脱模和养护,使其达到设计要求的强度和耐火性能。
最后,浇注料的应用领域非常广泛。
在建筑行业中,浇注料常用于高炉、炼钢炉、转炉、电炉等工业炉窑的内衬、炉顶、炉墙等部位,以保证工业设备的正常运行和使用寿命。
在冶金行业中,浇注料常用于铁水包、钢水包、转炉等设备的内衬和修补,以抵御高温和腐蚀的侵蚀。
在化工行业中,浇注料常用于石油炼制炉、化肥炉、玻璃窑等设备的内衬和维修,以确保设备的安全和稳定运行。
总之,浇注料作为一种重要的耐火材料,其在工业生产和建筑领域中发挥着不可替代的作用。
通过合理选择材料、科学施工工艺和严格质量控制,能够保证浇注料具有良好的耐火性能和使用寿命,为各行业的发展提供坚实的保障。
耐火喷射浇注料产品分类目前,已开发出5大系列耐火喷射浇注料产品。
1)BZP-2耐火喷射浇注料为高温氧化铝耐火喷射浇注料,适用于硫磺制酸焚硫炉、硫铁矿或锌精矿制酸沸腾炉、废硫酸裂解炉及石膏煅烧炉的耐火内衬,以及炼铁热风管道和混风室内衬,作为新型整体炉衬替代传统耐火砖衬。
BZP-2耐火喷射浇注料主要化学组分为Al2O3,w(Al2O3)62%~73%,其物理性能见表1。
表1 BZP-2耐火喷射浇注料的物理性能2)BZP-5耐火喷射浇注料是一种铝硅质隔热喷射浇注料,适用于硫磺制酸焚硫炉、硫铁矿或锌精矿制酸沸腾炉、废硫酸裂解炉及石膏煅烧炉的隔热层,以及炼铁热风管道加热炉、石化二段炉及各种高温窑炉的保温隔热衬里,作为新型整体炉衬替代传统耐火保温砖衬。
己成功应用于多套由美国孟莫克设计的硫酸装置炉子内衬和国内某5800高炉热风总管内紂的整体修复。
BZP-5埘火喷射浇注料主要化学组分为Al2O3,w(Al2O3)30%~37%,其物理性能见表2。
表2 BZP-5耐火喷射浇注料的物理性能3)BZP-6刚玉质耐火喷射浇注料,适用于石化行业高温窑炉内衬,作为新型替代的整体炉衬。
BZP-6耐火喷射浇注料主要化学组分为Al2O3,w(Al2O3)94%~95%,其物理性能见表3。
表3 BZP-6耐火喷射浇注料的物理性能4) BZP-7耐火喷射浇注料是一种铝硅质隔热喷射浇注料,适用于合成氨变换炉内衬、石化二段炉及各种高温窑炉的保温隔热衬里,作为新型替代的整体炉衬。
BZP-7耐火喷射浇注料主要化学组分为Al2O3,w(Al2O3)45%~50%,其物理性能见表4。
表4BZP-7耐火喷射浇注料的物理性能5)BZP-9耐火喷射浇注料是一种氧化铝空心球隔热喷射浇注料,适用于高温薄壁炉窑的整体炉衬。
BZP-9耐火喷射浇注料主要化学组分为Al2O3,w(Al2O3)94%~95%,其物理性能见表5。
表5BZP-9耐火喷射浇注料的物理性能。
水泥生产耐火浇注料选用一、粘土结合耐火浇注料粘土结合耐火浇注料是用软质粘土作结合剂与铝硅质或刚玉莫来石质等耐火骨料、粉料和外加剂配制的可浇注耐火材料。
粘土结合耐火浇注料按耐火骨料品种分为粘土质、高铝质、刚玉莫来石质和高铝轻质等。
根据其性能特点又分为普通型和高强度型粘土结合耐火浇注料。
粘土结合耐火浇注料主要由结合剂、耐火骨料、粉料和外加剂等组成。
选用的结合粘土因产地不同,其化学成分、物理和耐火性能也不同。
作为耐火浇注料用的粘土结合剂技术要求是:耐火度且具有较宽的烧结温度范围。
在矿物组成中,应含有少量蒙脱石和云母等物质,使其具有较好的结合性能和可塑性。
粘土粉细度小于干法水泥生产常用耐火材料选用技术其用量为将煅烧合格的硅铝质熟料或刚玉莫来石经破碎或再经粉磨制成耐火骨料和粉料。
耐火骨料应用最多的是粘土熟料和高矾土熟料,最大颗粒尺寸一般为$&’’,用量为!&"左右,耐火粉料为粘土耐火浇注料重要组成材料,应选择特级或一级高铝矾土熟料进行粉磨,有时也掺加氧化铝粉或刚玉粉,耐火粉料细度小于& ( &))’’的应占)*"以上,其用量为$!" # +*"。
外加剂品种较多,根据粘土结合剂的特点和施工要求,主要选用分散剂和促硬剂。
在粘土胶体分散系中,添加碱金属离子时能形成碱离子, 粘土。
因为碱离子的正电性强,电位差大,粘土微粒间的斥力亦大,超过了范德华引力,即粘土的阳离子较多,微粒间隔增大,从而促进了粘土胶体的解胶,放出自由水,增强了粘土耐火浇注料的流动性,有利用于搅拌成型。
作为粘土耐火浇注料的促硬剂,一般选用高铝水泥或纯铝酸钙水泥,其用量为& ( +" # % ( &"(外加)。
粘土耐火浇注料混合搅拌时,两种外加剂同时添加,且要求在成型时保证有良好的流动性,在成型后限定的时间内,能使耐火浇注料获得足够的强度。
因此常选用迟效促硬剂,在拌和成型过程中不影响分散剂的作用,成型的才逐渐使耐火浇注料发生凝聚与硬化。
耐火浇注料分类
耐火浇注料是一种在高温环境下使用的特殊材料,通常用于制造高温设备的内衬和炉膛等部位。
根据不同的组成成分、用途和工艺要求,耐火浇注料可以分为多种类型。
1. 硅酸盐浇注料
硅酸盐浇注料是使用硅酸盐水玻璃为粘结剂的浇注料。
它具有耐高温、耐热震和抗化学侵蚀等优点,广泛应用于冶金、火力发电、石化等行业的高温设备中。
硅酸盐浇注料的主要成分是氧化硅、氧化铝和氧化钙等。
2. 铝酸盐浇注料
铝酸盐浇注料是使用铝酸盐水玻璃为粘结剂的浇注料。
它的耐火度比硅酸盐浇注料高,可在1400℃以上使用。
铝酸盐浇注料的主要成分是氧化铝、氧化镁和氧化钙等。
3. 磷酸盐浇注料
磷酸盐浇注料是使用磷酸盐水玻璃为粘结剂的浇注料。
它的主要成分是磷酸、氧化铝和氧化镁等。
磷酸盐浇注料的耐火度、耐热震性和抗化学侵蚀性都比硅酸盐浇注料和铝酸盐浇注料更好。
4. 氧化铝浇注料
氧化铝浇注料是以氧化铝为主要成分的浇注料。
它的耐火度极高,可在1700℃以上使用。
氧化铝浇注料的耐热震性和抗化学侵蚀性也
很好,但成本较高,通常用于高温工业领域的特殊需求。
5. 硅酸铝浇注料
硅酸铝浇注料是以硅酸铝为主要成分的浇注料。
它的耐高温性能好,耐热震性也较强。
硅酸铝浇注料还具有良好的抗腐蚀性和耐磨性,常用于炉膛、烧结机、冶金设备等高温设备的内衬。
6. 碳化硅浇注料
碳化硅浇注料是以碳化硅为主要成分的浇注料。
它具有极高的耐高温性能和耐热震性,且具有良好的抗氧化性和化学稳定性。
碳化硅浇注料通常用于高温熔融金属的冶炼过程中。
耐火浇注料的种类繁多,不同类型的浇注料在不同领域都有广泛的应用。
在选择和使用耐火浇注料时,需要根据具体的工艺要求和使用环境来选择最适合的材料,以确保设备的安全稳定运行。