冲压工技能鉴定考核试卷
- 格式:doc
- 大小:56.50 KB
- 文档页数:3
冲床操作工技能评定试题一:填空题:(每空2分,共22分)1、冲压生产主要是利用冲压设备和模具实现对金属材料(板材)的加工过程。
2、冷冲压工艺根据材料的变形特点分为分离工序和成形工序。
3、冲孔是使材料沿封闭曲线相互分离,封闭曲线以外的部分作为工件;即冲下的部分为废料。
4、落料是使材料沿封闭曲线相互分离,封闭曲线以外的部分作为废料;即冲下的部分为工件。
5、JA11—250型冲床公程力为2500 KN。
6、在压力机一次行程中,在模具不同部位上完成两道或两道以上的冲压工序的冲模叫进级模。
二:选择题(多选题每题4分,20共)1、冲压模具根据工序组合程度分类可分为( ABC )。
A单工序模 B复合模 C级进模 D冲裁模 E弯曲模2、下列选项中我公司长用的冲孔直径是( BCE )A 20mmB 35mmC 80mmD 85mmE 90mm3、根据工艺性质分类可分为( ABCD)。
A冲裁模 B弯曲模 C拉深模 D成形模4、冲压成形的优点有那些(ABC)。
A低耗、高效、低成本 B可加工薄壁、复杂零件C适宜批量生产5、冲压常见缺陷有那些(ABCD)。
A毛刺B、变形C、划伤D、尺寸不符6、操作冲床时,不应该:(ACD )A、坐着B、站着C、蹲着 D靠着三:判断题(每题4分,共40分)1、凸凹模位置不同心,导向精度差会造成工件毛刺过大。
(∨)2、冲压模具是在冲压加工中,将材料加工成零件(或半成品)的一种特殊工艺装备称为冲压模具(俗称冲模)(∨)3、冲床运转时严禁将身体任何部位伸入模具部区。
如需进入冲区内作业必需关闭电并确认离合器可够停在安全位置。
(∨)4、只要冲床制造厂通过了安全认证,他们生产的冲床就是不会伤人的冲床。
(×)5、冲模的压力中心必须与冲床滑块的中心点重合。
(∨)6、冲压工上班前,不得汹酒,不准穿拖鞋、凉鞋、高根鞋进入冲压车间工作。
(∨)7、工作中发现异常声音和震动,不必立即停机检查。
(×)8、冲模导向套终生不用加油润滑。
职业技能鉴定国家题库冲压工高级工理论知识试卷(A)注意事项1、考试时间:120分钟。
2、请首先按要求在试卷的标封处填写您的姓名、准考证号和所在单位的名称。
3、请仔细阅读各种题目的回答要求,在规定的位置填写您的答案。
4、不要在试卷上乱写乱画,不要在标封区填写无关的内容。
一、选择题:(第1题~第60题。
选择一个正确的答案,将相应的字母填入题内的括号中。
每题1分,满分60分。
)1.下列关于职业道德的说法中,正确的是()。
(A)职业道德与人格高低无关(B)职业道德的养成只能靠社会强制规定(C)职业道德从一个侧面反映人的道德素质(D)职业道德素质的提高与从业人员的个人利益无关2.《公民道德建设实施纲要》中明确提出并大力提倡的职业道德的五个要求是()。
(A)爱国守法、明礼诚信、团结友善、勤俭自强、敬业奉献(B)爱岗敬业、诚实守信、办事公道、服务群众、奉献社会(C)尊老爱幼、反对迷信、不随地吐痰、不乱扔垃圾(D)爱祖国、爱人民、爱劳动、爱科学、爱社会主义3.职业道德建设的核心是()。
(A)服务群众(B)爱岗敬业(C)办事公道(D)奉献社会4.从我国历史和国情出发,社会主义职业道德建设要坚持的最根本的原则是()。
(A)人道主义(B)爱国主义(C)社会主义(D)集体主义5.调质处理是指()的热处理。
A、淬火+高温回火B、淬火+中温回火C、淬火+低温回火6.球化退火是将珠光体中的渗碳体由片状转化为球状,主要用于()A、亚共析钢B、低碳钢C、过共析钢7.用拉伸试验可以测定材料的()性能指标。
A、强度B、硬度C、韧性D、疲劳强度8.板料冲压时 ( ) A需加热 B不需加热 C 需预热 D以上都不正确9.冲床的规格是 ( ) A冲压力大小表示 B 滑块与工作台距离表示 C 电动机效率 D 以上都不正确10.落料冲下来的部分是 ( )A 废料B 制件C 废料或制件D 以上都不正确11.拉深是 ( )A自由锻造工序 B 成型工序 C分离工序 D 模锻12.切割常用工具是 ( )A钢锯 B冲床 C锤击剁刀 D 冲模13.扭转是 ( )A锻造工序 B 冲压工序 C 模锻 D 胎模锻14.拉深是使用的模是 ( )A胎模 B模板 C冲裁模 D 成型模15.当工件出现较复杂变形时,其矫正步骤是:( )。
职业技能鉴定国家题库 冲压工高级工理论知识试卷(B ) 注 意 事 项 1.考试时间: 120分钟。
2.请首先按要求在试卷的标封处填写您的姓名、准考证号和所在单位的名称。
3、请仔细阅读各种题目的回答要求, 在规定的位置填写您的答案。
4、不要在试卷上乱写乱画, 不要在标封区填写无关的内容。
一、单项选择(第1题~第60题。
选择一个正确的答案, 将相应的字母填入题内的括号中。
每题1分, 满分60分。
) 1.属于职业道德范畴的内容是( )。
A.企业经营业绩 B 、企业发展战略 C.员工的技术水平 D.人们的内心信念 2.职业道德对企业起到( )的作用。
A.增强员工独立意识 B 、模糊企业上级与员工关系 C.使员工规规矩矩做事情 D.增强企业凝聚力 3.关于职业道德与人的事业成功的关系的正确论述是( )。
A.职业道德是人事业成功的重要条件 B.职业道德水平高的人肯定能够取得事业的成功 C.缺乏职业道德的人更容易获得事业的成功 D.人的事业成功与否与职业道德无关 4.对待职业和岗位,( )并不是爱岗敬业所要求的。
A.树立职业理想 B.干一行爱一行专一行 C.遵守企业的规章制度 D.一职定终身, 不改行 5.企业诚实守信的内在要求是( )。
A.维护企业信誉 B 、增加职工福利 C.注重经济效益 D.开展员工培训6.关于勤劳节俭的论述中,正确的选项是( )。
A.勤劳一定能使人致富B.勤劳节俭有利于企业持续发展 考 生 答 题 不 准超过此 线C.新时代需要巧干, 不需要勤劳D.新时代需要创造, 不需要节俭7.职业纪律是从事这一职业的员工应该共同遵守的行为准则,它包括的内容有()。
A.交往规则B.操作程序C.群众观念D.外事纪律8.企业生产经营活动中,促进员工之间平等尊重的措施是()。
A.互利互惠, 平均分配B、加强交流, 平等对话C.只要合作, 不要竞争D.人心叵测, 谨慎行事9.关于创新的正确论述是()。
中级冲压工技能鉴定理论复习题及其答案冲压工(中级)职业技能鉴定理论考试复题一、选择题1.金丰OCP-160T冲床电机启动延时时间是(A)。
A。
10秒 B。
5秒 C。
20秒2.半硬态的锡青铜带QSn6.5-0.1-Y2的抗拉强度和延伸率应为(A)。
A。
σb=440~569N/mm2.δ10≥10% B。
σb=539~687N/mm2.δ10≥8% C。
σb≥667N/mm2.δ10≥2%3.用Cr12制作的凸模淬火后需进行(B)以获得高硬度。
A。
高温回火 B。
中温回火 C。
低温回火4.冲床如发生连冲现象,应立即(D)。
A。
调整离合器 B。
调整闭合高度 C。
调整模具间隙 D。
切断电源5.形位公差“◎”表示(A)。
A。
同轴度 B。
位置度 C。
圆柱度6.发现机床漏电,应立即(D)。
A。
自己立即动手维修 B。
继续工作 C。
报告领班 D。
切断电源7.凸轮机构的压力角随凸轮基圆半径的增大而(C)。
A。
不变 B。
增大 C。
减小8.为了保证机床和模具正常工作,模具的压力中心应与冲床的中心(A)重合。
A。
B.不重合 C。
偏心 D。
大小相同9.冲裁模合理间隙的选择原则之一是,当冲裁件的断面质量要求很高时,在间隙允许范围内,应采用(B)较小的间隙。
A。
较大的间隙 B。
较小的间隙 C。
允许间隙的中间值10.冲床是下列设备的俗称(C)。
A。
油压机 B。
剪板机 C。
机械压力机 D。
空气锤11.冲孔间隙应取在(C)上。
A。
凸模 B。
凸模与凹模 C。
凹模12.模具零件组装时,若发现配合不良,首先采取的下列哪项步骤(B)。
A。
报告班B。
与工作图纸对比形状尺寸C。
自行修改D。
通知设计人员13.冲床连杆长度的调节量是等于(B)调节量。
A。
行程 B。
闭合高度 C。
冲压深度14.弯曲U件时,凸凹模具间隙越大,回弹角(B)越大。
A。
越小 B。
越大 C。
不变 D。
不能确定15.硬态的锡青铜带QSn6.5-0.1-Y的抗拉强度σb和延伸率δ10应为(B)。
选择题在进行冲压作业前,以下哪项检查是必不可少的?A. 冲压设备的润滑油量B. 冲压模具的紧固情况(正确答案)C. 工作台的整洁程度D. 冲压件的数量统计冲压操作中,当发现模具出现异常响声时,应首先采取的措施是?A. 继续生产,观察情况B. 立即停机检查(正确答案)C. 加快生产速度以平衡损失D. 调整冲压参数以下哪种情况可能导致冲压件产生裂纹?A. 冲压速度过快B. 模具间隙过大(正确答案)C. 润滑油使用过多D. 冲压件材料过厚冲压作业中,对于需要手动送料的情况,以下哪项操作是正确的?A. 使用夹具直接夹取冲压件B. 佩戴防护手套后直接用手送料C. 使用专用送料工具进行操作(正确答案)D. 无需任何防护措施直接送料在冲压机的日常维护中,以下哪项是不必要的?A. 清理冲压机上的杂物和油污B. 检查冲压机的紧固件是否松动C. 调整冲压机的冲压力度以适应不同材料(正确答案)D. 润滑冲压机的运动部件冲压作业中,为防止冲压件飞出伤人,应采取的措施是?A. 增加冲压速度以减少操作时间B. 在冲压区域设置安全防护罩(正确答案)C. 降低冲压机的噪音水平D. 提高操作人员的反应速度以下哪种情况可能导致冲压模具损坏?A. 冲压件材料过软B. 冲压速度过慢C. 模具安装不当或未紧固好(正确答案)D. 润滑油使用过少在进行冲压作业前,对操作人员的安全培训应包括以下哪项内容?A. 冲压机的详细构造和工作原理B. 冲压作业的安全操作规程和紧急应对措施(正确答案)C. 冲压件的质量检测和评估方法D. 冲压机的日常维护和保养技巧冲压作业中,当发现冲压件尺寸不符合要求时,应首先采取的措施是?A. 继续生产,期望后续冲压件尺寸恢复正常B. 停机检查模具和冲压参数设置(正确答案)C. 调整冲压速度以改善尺寸精度D. 更换冲压材料以适应当前模具。
冲压工模考试题与参考答案一、单选题(共50题,每题1分,共50分)1、设计带有导板和导柱的复合导向模具时,导板和导柱的关系是。
A、导板先导入B、导板和导柱同时导入C、导柱先导入正确答案:A2、将工件固定,使其在装配过程中保持位置不变的操作,称为()A、夹紧B、定位C、支撑正确答案:A3、以下不属于分离工序的是A、冲孔B、落料C、翻边D、切边正确答案:C4、径向积压又称横向挤压,及积压时,金属流动方向与凸缘运动方向。
A、平行B、垂直C、相交正确答案:B5、扣合包边的常见缺陷包括。
A、折叠B、毛刺C、爆边D、划伤正确答案:C6、碳的质量分数不大于0.25%的钢称为。
A、铸铁B、高碳钢C、中碳钢D、低碳钢正确答案:D7、螺纹连接应根据使用要求确定拧紧力矩或。
A、摩擦力B、预紧力C、螺纹材料D、摩擦力矩正确答案:B8、送料方向不仅影响工人操作的安全性和方便性,而且还影响定位的可靠性。
确定送料方向时,下面说法正确的是:A、工序件有大、小头的,一般是拿住大头往前送B、工序件一面是平直、一面带曲线的,一般是拿住平直面往前送C、工序件一面浅一面深的,一般是拿住深的一面往前送D、以上都是正确答案:D9、大型模具或上模座中开有推板孔的中、小型模具应选用模柄。
A、旋入式B、带凸缘式C、压入式D、以上都不对正确答案:B10、高碳钢硬度很高,耐磨性好,但塑性很差,(),不易加工。
A、不宜焊接B、强度高C、脆性大正确答案:A11、用于高速压力机的冲压材料是。
A、板料B、条料C、卷料D、以上都不对正确答案:C12、弯曲时,材料在不发生破坏的情况下,所能弯曲的最小半径,称为()弯曲半径。
A、最小B、最大C、一般D、A、B、C都对正确答案:A13、圆柱的圆度误差一般是反映在()变动上。
A、半径B、直径C、圆度正确答案:B14、矫正过程中,每加热一个点后应立即()加热点。
A、弯曲B、捶打C、切割正确答案:B15、卷边缘可分为夹丝卷边、()、单叠边、双叠边四种。
冲压工(冲床/油压)初级操作技能考核试卷01题1:根据考试要求,准备相应的工具。
考核要求:1.正确选择模具、金料及工具2.考核注意事项满分10分,考核时间5分钟题2:装模、机器调试、生产。
考核要求:1.模具选择正确,上下模对齐2.先调试合格,后生产3.按安全生产要求进行操作4.考核注意事项满分50分,考核时间20分钟题3:生产结束、现场整理。
考核要求:1.按要求拆卸模具,摆放整齐2.生产现场摆放整齐、关闭电源3.考核注意事项满分20分,考核时间10分钟题4:现场询问机器保养要求。
考核要求:1.每天擦拭机器2.检查机器螺丝等零配件3.机器定期打油保养工作由工程部统一负责4.考核注意事项满分20分,考核时间5分钟冲压工(压片)初级操作技能考核试卷02题1:根据考试要求,准备相应的工具。
考核要求:1.正确选择金料及相应工具2.考核注意事项满分10分,考核时间5分钟题2:按生产要求开料(男戒2mm、蛇介1.2mm、牛皮镯1.5mm左右的厚度)。
考核要求:1.根据料的厚度来调行程2.料的厚度误差在±5C内3.按安全生产要求进行操作4.考核注意事项满分50分,考核时间10分钟题3:生产结束、现场整理。
考核要求:1.关闭电源、整理现场2.考核注意事项满分20分,考核时间5分钟题4:现场询问机器保养要求。
考核要求:1.每天擦拭机器2.检查机器螺丝等零配件3.机器定期打油保养工作由工程部统一负责4.考核注意事项满分20分,考核时间5分钟。
冲压工试题库及参考答案一、单选题(共50题,每题1分,共50分)1、以下不属于提高伸长类变形成形极限的措施是。
A、减小变形不均匀程度B、减小材料厚度C、提高材料的塑性正确答案:B2、在矫正结构件变形时,由于受条件的限制,采用较多的矫正方法是()。
A、火焰矫正B、全加热矫正C、机械矫正正确答案:A3、线状加热时,横向收缩()纵向收缩,其收缩量随加热区宽度的增加而增。
A、等于B、小于C、不确定D、大于正确答案:D4、弯曲过程中,弯曲中性层受力,拉,压。
A、受拉,受压B、不受拉,受压C、受拉,不受压D、不受拉,不受压正确答案:D5、收边就是使工件单边起皱而()的方法。
A、卷曲成型B、弯曲成形C、收料成型正确答案:B6、物体质量的计算公式为密度乘以。
A、长度B、体积C、面积D、截面积正确答案:B7、铜属于重金属,在腐蚀性、导电、散热等方面和()相似。
A、铸铁B、铝C、不锈钢正确答案:B8、厚向异性系数r是指单向拉伸试样宽度应变和厚向应变的比值,下面对其描述错误的是A、当r<1时,板料宽度方向比厚度方向容易产生变形B、在拉深变形中,加大r值,板料宽度方向易于变形,毛坯切向易于收缩不易起邹,有利于提高变形程度和提高产品质量C、r值越大,板料抵抗变薄的能力越强正确答案:A9、碳的质量分数不小于0.6%的钢称为。
A、铸铁B、中碳钢C、高碳钢D、低碳钢正确答案:C10、圆柱的圆度误差一般是反映在()变动上。
A、直径B、半径C、圆度正确答案:A11、能进行三个方向送料,操作方便的模型结构是。
A、四导柱导架B、后侧导柱模架C、对角导柱模架D、中间导柱模架正确答案:B12、弹性变形发生时,应力与应变之间的关系是的A、线性可逆B、线性不可逆C、非线性可逆D、非线性不可逆正确答案:A13、以下对固定卸料板适用范围描述错误的是。
A、平直度要求不很高的冲裁件B、板料较厚(大于 0.5mm)C、质量要求较高的冲裁件或薄板冲裁D、卸料力较大正确答案:C14、阶梯冲裁时,大凸模长度应比小凸模长度长,可以保证冲裁时凸模先冲。
冲压工考试:冲压工考试考试题及答案(最新版) 考试时间:120分钟 考试总分:100分遵守考场纪律,维护知识尊严,杜绝违纪行为,确保考试结果公正。
1、填空题 冷冲压工序分为( )工序和( )工序两大类。
本题答案: 2、填空题 冷冲模按工序组合形式可分为( )和( )。
本题答案: 3、判断题 下料模具之冲剪间隙与工件无密切关系。
( ) 本题答案: 4、问答题 什么是冷冲压?什么是热冲压?各有什么优缺点? 本题答案: 5、单项选择题 冲制正三角形成品(材料厚度为1mm ),每边80mm ,材料的抗剪强度为360N/mm2冲裁力大概是多少( )。
A.7.8吨 B.8.7吨 C.9.2吨 D.10吨 本题答案: 6、判断题 板料的弯曲半径与其厚度的比值称为最小弯曲半径。
( )姓名:________________ 班级:________________ 学号:________________--------------------密----------------------------------封 ----------------------------------------------线----------------------本题答案:7、判断题冲压机床只能双手按钮。
()本题答案:8、单项选择题多工位级进模适合于冲件尺寸较()。
A.大B.小C.高D.低本题答案:9、判断题模具不用时,为了储存方便,最好是上、下模具折开,分别放置。
()本题答案:10、填空题模具安装前,应先检查机床台面上及冲枕底面是否有()或者()。
本题答案:11、填空题成形工序是指坯料在()而获得一定形状工件的加工方法。
本题答案:12、填空题冲压设备有很多种类,一般可分为()压力机、()压力机、()压力机和()压力机分类。
本题答案:13、填空题回复是指在不太高的加热温度下,金属的强度稍有(),塑性稍有()的现象。
这时晶粒的大小和形状都没有改变,只是由于加热后使原子活动能力增强,从不稳定的位置恢复到较为稳定的位置。
冲压工测试题(含答案)一、单选题(共54题,每题1分,共54分)1.结构件长期承受载荷和受外力作用后造成的变形属于()。
A、塑性变形B、弹性变形C、压力释放变形正确答案:A2.落料时,其刃口尺寸计算原则是先确定。
A、凸凹模B、凸模C、凸模和凹模D、凹模正确答案:B3.在乙炔气割中,切割面平面度指的是()。
A、切割面的凸凹程度B、波纹峰—谷之间的高度C、割口上边的烧塌程度正确答案:A4.带传动可适用于两轴中心距()的场合。
A、较大B、垂直C、较小正确答案:C5.采用拉弯工艺进行弯曲,主要适用于的弯曲件。
A、回弹小B、曲率半径大C、硬化大D、以上都不对正确答案:B6.线状加热时,横向收缩()纵向收缩,其收缩量随加热区宽度的增加而增。
A、等于B、小于C、大于D、不确定正确答案:C7.在热处理淬火后,凹模的硬度要比凸模的。
A、一样B、稍低C、随便D、稍高正确答案:D8.在冲裁模的结构类型中精度最高的是。
A、级进模B、单工序模C、复合模D、简易冲模正确答案:C9.拉延模B/H面设定:对大中型模具素材宽度一般加。
A、5㎜B、0-20㎜C、50㎜正确答案:B10.减小冲裁件毛刺的方法是。
A、提高刃口的硬度B、将模具冲裁刃口的间隙修到合理的范围C、采用斜刃口方式正确答案:B11.手工弯管不需要专用的弯管设备,制造成本低,调节使用方便,但劳动强度较大,效率低,适合()生产。
A、中批量B、小批量C、任意D、大批量正确答案:B12.卷边缘可分为夹丝卷边、()、单叠边、双叠边四种。
A、多叠边B、空心卷边C、实芯卷边正确答案:B13.四角导柱模架常用于。
A、自动模B、手工送料模C、横向送料手动模D、以上都不对正确答案:A14.某斜锲在工作时需要的复位力为f,该斜锲复位弹簧提供的力为F=kf,为使斜锲正常工作,常数k一般取值为A、k=3~5B、k=5~7C、k=2~3正确答案:A15.弯曲过程中,弯曲中性层受力,拉,压。
A、不受拉,不受压B、不受拉,受压C、受拉,不受压D、受拉,受压正确答案:A16.二氧化碳气体保护焊属于()。
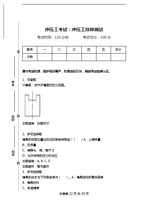
冲压工考试:冲压工技师测试考试时间:120分钟 考试总分:100分题号 一 二 三 四 五 总分 分数遵守考场纪律,维护知识尊严,杜绝违纪行为,确保考试结果公正。
1、问答题计算题:求作开槽圆柱的三视图。
本题答案:如图所示2、多项选择题模具的明显位置应标注的参数有哪些?( )A 、上模质量 B 、总质量C 、模具长、宽、高尺寸D 、允许使用的压力机吨位 本题答案:A, B, C, D 本题解析:暂无解析 3、多项选择题模具的成本与下列哪些有关( )。
A 、模具结构的复杂程度 B 、模具材料 C 、制造精度姓名:________________ 班级:________________ 学号:________________--------------------密----------------------------------封 ----------------------------------------------线----------------------D、加工方法本题答案:A, B, C, D本题解析:暂无解析4、问答题计算题:已知一薄板料需剪切成如下图所示形状,其抗剪切强度T=168Mpa,求剪切此板料所需的压机的最小压力,求此板料的质量。
(已知板料的密度为7.85kg/dm3)本题答案:切边线长度L=300mm12=3600m本题解析:切边线长度L=300mm12=3600mm所需压力机的最小压力F=KtL=1.33600mm1.4mm168MPa=1100.74kN由题知板料的密度为7.85kg/dm3此板料的表面积为3dm3dm5=45dm2板料的质量为45dm20.014dm7.85kg/dm3=4.95kg所需压力机的最小压力为1100.74kN,板料的质量为4.95kg。
5、填空题冲压设备离合器的作用是()与()。
本题答案:实现工作机构;传动系统的接合与分离本题解析:实现工作机构;传动系统的接合与分离6、问答题计算题:某冲压车间一板料尺寸如下图,现在进行降成本活动,在原有基础上左右各裁去一100mm×1600mm的三角形。
冲床操作工技能评定试题二
一、评定岗位:冲床操作工
二、理论试题:(30分)
1、冲压模具根据工序组合程度分类可分为( ABC )。
(3分)
A单工序模B复合模C级进模D冲裁模E弯曲模
2、下列选项中我公司长用的冲孔直径是(BCE )(3分)
A 20mm
B 35mm
C 80mm
D 85mm
E 90mm
3、冲压生产主要是利用冲压设备和模具实现对金属材料(板材)的加工过程。
(6分)
4、冷冲压工艺根据材料的变形特点分为分离工序和成形工序。
(6分)
5、冲孔是使材料沿封闭曲线相互分离,封闭曲线以外的部分作为工件;即冲下的部分为废料。
(6分)
6、落料是使材料沿封闭曲线相互分离,封闭曲线以外的部分作为废料;即冲下的部分为工件。
(6分)
三、实操评定
1、评定目的:考验工人识图能力、冲床操作能力及更换冲模速度。
2、评定内容:定位冲孔
①操作视图:
②操作时间:10分钟
③操作要求:
(1)先将草图看一遍,由工人自行选择首先要冲孔的模具安装到位,报告安装完成。
(2)将图纸和板料给操作员,开始计时。
(3)在规定的时间内用给出的板料冲出直径为25mm 的圆孔。
(4)冲完最后一个孔,关闭机床,操作完成。
3、评定工具:秒表、盒尺
4、评定标准:见下表。
冲压初级技师考试试卷姓名:部门:申报工种:申报等级:一、选择题(第1~10题。
请选择一个正确答案,将相应字母填入括号内。
每题3分,共30分。
)1.、冲裁工艺中,对于断面质量,起决定作用的是()A、冲裁力B、材料属性C、冲裁间隙D、模具制造精度2、以下不属于冲压作业三要素的是()A、冲床设备B、模具C、原材料D、压力3、模具装配的工艺方法有三种,以下哪一种不属于()A、修模法B、互换法C、修配法D、调整法4、以下全部为成形工序的一组是()A、侧整、翻边、侧冲孔、翻孔B、拉伸、弯曲、翻边、整形C、缩孔、胀形、弯曲、切边D、弯曲、落料、整形、卷边5、模具的压力中心就是冲压力()的作用点。
A、最大分力B、最小分力C、合力D、平均作用力6、淬火后再进行(),称为调质处理。
A、低温退火B、低温回火C、高温回火D、中温回火7、将金属制件放置在定温的加热介质中保温一段时间,然后缓慢冷却的热处理过程称为()A、淬火B、回火C、退火D、正火8、钢经退火处理后,可使其硬度,塑性()。
A、降低,提高B、提高,降低C、降低,降低D、提高,提高9、冷冲模的闭合高度h与压力机闭合高度H应满足以下关系()A、Hmax-5mm≥ h ≥ Hmin+5mmB、Hmax-10mm≥ h ≥ Hmin+10mmC、Hmax-10mm≥ h ≥ Hmin+5mmD、Hmax-5mm≥ h ≥ Hmin+10mm10、以下对减少回弹的措施表述有误的是()A、提高材料塑性B、提高变形程度与校正力C、增加凸凹模间隙D、采取校正弯曲二、填空题(第11~19题。
请将正确答案填入题内空白处。
每空1分,共40分。
)11、在弯曲变形区内,内层纤维切向受应变,外层纤维切向受应变,而中性层。
12、金属硬度的常用的表示方法分为、、,分别用英文、、表示。
13、材料的屈服强度与抗拉强度的比值称为屈强比。
屈强比,对所有的冲压成形工艺都有利。
14、预备热处理的目的是、、消除不良组织和防止白点产生。
冲压工考试:冲压工技师测考试题(最新版)考试时间:120分钟 考试总分:100分遵守考场纪律,维护知识尊严,杜绝违纪行为,确保考试结果公正。
1、判断题大批量生产基本上都采用模具,所以模具寿命越高越好。
( ) 本题答案: 2、单项选择题以下关于冲孔凸模固定凸台的描述正确的是( )。
A 、凸模固定凸台距压料板加强筋确保40mm 以上 B 、凸台高度无须限制C 、相邻两凸台高差很高时,可作成等高面,用垫片调整高度D 、受结构限制,凸模固定板许要部分切除时,必须保证最小壁厚处的强度 本题答案: 3、判断题弯曲时的主要质量问题有:回弹、偏移、弯裂、起皱。
( ) 本题答案: 4、单项选择题车覆盖件铸造模具,寿命为30万件以上的拉延模工作部件的材料选用( )。
A.(HT200) B.(HT300) C.(T10A. D.(GM241) 本题答案: 5、单项选择题姓名:________________ 班级:________________ 学号:________________--------------------密----------------------------------封 ----------------------------------------------线----------------------翻孔时,主要的变形是坯料()。
A、切向的伸长和厚度方向的收缩B、切向的收缩和厚度方向的收缩C、切向的伸长和厚度方向的伸长D、切向的收缩和厚度方向的伸长本题答案:6、判断题一般而言,弯曲件愈复杂,一次弯曲成形角的数量愈多,则弯曲时各部分互相牵制作用愈大,所以回弹就大。
()本题答案:7、判断题模具间隙过小,模具寿命会缩短,因此必须采用较大的间隙延长模具寿命。
()本题答案:8、单项选择题在设计冲裁模时,若计算出的冲裁力小于压机的吨位,最好采用()方法冲裁。
A.平刃口模具冲裁;B.材料加热冲裁;C.阶梯凸模冲裁;D.斜刃口模具冲裁。