冲压工考试:高级冲压工考考试题.doc
- 格式:doc
- 大小:212.50 KB
- 文档页数:43
冲压工考试:高级冲压工考试题及答案(最新版) 考试时间:120分钟 考试总分:100分遵守考场纪律,维护知识尊严,杜绝违纪行为,确保考试结果公正。
1、单项选择题 上模与下模使用导柱导向,原则上导柱固定在( )。
A 、下模 B 、上模 C 、以上均可 本题答案: 2、单项选择题 冷作结构件的表达方法一般分三类( )。
A.结构简图、简单结构图、简单部件图 B.结构简图、简单结构图、复杂部件图 C.简单结构图、复杂部件图、复杂结构图 D.结构简图、简单结构图、复杂结构图 本题答案: 3、填空题 材料的塑性愈好,它的冲压工艺性( )。
本题答案: 4、判断题 因为冲床的事故率高于其它机械行业的事故率,为了使业主不致因事故赔偿而破产,应适当降低经济赔偿费的额度。
( ) 本题答案: 5、单项选择题 正火能细化晶粒,改善低碳钢和低碳合金钢的( )性。
A 、可焊姓名:________________ 班级:________________ 学号:________________--------------------密----------------------------------封 ----------------------------------------------线----------------------B、切削加工C、机加工D、可锻本题答案:6、多项选择题采用弹压卸料板的普通冲裁模具,弹压卸料板具有作用是()。
A.压料B.导料C.顶料D.卸料本题答案:7、单项选择题工艺切口冲制的最佳时机是()。
A、反成型最深,即将产生开裂时B、离下死点5mm时C、反成型最深,即将产生开裂前5mm时D、离下死点10mm时本题答案:8、单项选择题板料弯曲时,内侧材料()作用。
A、受拉伸B、受压缩C、不受力本题答案:9、判断题高速和精密机床的滚动轴承可采用锂基润滑脂。
()本题答案:10、单项选择题国家标准规定,焊缝符号由()指引线及焊缝尺寸符号组成。
职业技能鉴定国家题库 冲压工高级工理论知识试卷(B ) 注 意 事 项 1.考试时间: 120分钟。
2.请首先按要求在试卷的标封处填写您的姓名、准考证号和所在单位的名称。
3、请仔细阅读各种题目的回答要求, 在规定的位置填写您的答案。
4、不要在试卷上乱写乱画, 不要在标封区填写无关的内容。
一、单项选择(第1题~第60题。
选择一个正确的答案, 将相应的字母填入题内的括号中。
每题1分, 满分60分。
) 1.属于职业道德范畴的内容是( )。
A.企业经营业绩 B 、企业发展战略 C.员工的技术水平 D.人们的内心信念 2.职业道德对企业起到( )的作用。
A.增强员工独立意识 B 、模糊企业上级与员工关系 C.使员工规规矩矩做事情 D.增强企业凝聚力 3.关于职业道德与人的事业成功的关系的正确论述是( )。
A.职业道德是人事业成功的重要条件 B.职业道德水平高的人肯定能够取得事业的成功 C.缺乏职业道德的人更容易获得事业的成功 D.人的事业成功与否与职业道德无关 4.对待职业和岗位,( )并不是爱岗敬业所要求的。
A.树立职业理想 B.干一行爱一行专一行 C.遵守企业的规章制度 D.一职定终身, 不改行 5.企业诚实守信的内在要求是( )。
A.维护企业信誉 B 、增加职工福利 C.注重经济效益 D.开展员工培训6.关于勤劳节俭的论述中,正确的选项是( )。
A.勤劳一定能使人致富B.勤劳节俭有利于企业持续发展 考 生 答 题 不 准超过此 线C.新时代需要巧干, 不需要勤劳D.新时代需要创造, 不需要节俭7.职业纪律是从事这一职业的员工应该共同遵守的行为准则,它包括的内容有()。
A.交往规则B.操作程序C.群众观念D.外事纪律8.企业生产经营活动中,促进员工之间平等尊重的措施是()。
A.互利互惠, 平均分配B、加强交流, 平等对话C.只要合作, 不要竞争D.人心叵测, 谨慎行事9.关于创新的正确论述是()。
冲压工试题考试和答案一、单项选择题(每题2分,共20分)1. 冲压加工的主要设备是()。
A. 车床B. 铣床C. 磨床D. 冲床答案:D2. 冲压加工中,材料的变形方式是()。
A. 弯曲B. 拉伸C. 剪切D. 以上都是答案:D3. 冲压加工中,材料的塑性变形主要发生在()。
A. 弹性变形阶段B. 塑性变形阶段C. 断裂阶段D. 以上都不是答案:B4. 在冲压加工中,材料的厚度变化主要取决于()。
A. 材料的强度B. 材料的硬度C. 材料的塑性D. 以上都不是答案:C5. 冲压加工中,材料的硬度对加工的影响主要表现在()。
A. 影响材料的塑性B. 影响材料的强度C. 影响材料的韧性D. 以上都是答案:D6. 冲压加工中,材料的表面质量对加工的影响主要表现在()。
A. 影响材料的塑性B. 影响材料的强度C. 影响材料的韧性D. 影响材料的表面粗糙度答案:D7. 冲压加工中,材料的表面粗糙度对加工的影响主要表现在()。
A. 影响材料的塑性B. 影响材料的强度C. 影响材料的韧性D. 影响材料的表面质量答案:D8. 冲压加工中,材料的表面粗糙度对加工的影响主要取决于()。
A. 材料的硬度B. 材料的塑性C. 材料的韧性D. 以上都不是答案:B9. 冲压加工中,材料的表面粗糙度对加工的影响主要取决于材料的()。
A. 硬度B. 塑性C. 韧性D. 以上都不是答案:B10. 冲压加工中,材料的表面粗糙度对加工的影响主要取决于材料的塑性()。
A. 硬度B. 塑性C. 韧性D. 以上都不是答案:B二、多项选择题(每题3分,共30分)1. 冲压加工的主要设备包括()。
A. 冲床B. 剪板机C. 折弯机D. 压力机答案:ABCD2. 冲压加工中,材料的变形方式包括()。
A. 弯曲B. 拉伸C. 剪切D. 挤压答案:ABCD3. 冲压加工中,材料的塑性变形主要发生在()。
A. 弹性变形阶段B. 塑性变形阶段C. 断裂阶段D. 以上都不是答案:ABC4. 在冲压加工中,材料的厚度变化主要取决于()。
冲压工考试:冲压工考试考试题及答案(最新版) 考试时间:120分钟 考试总分:100分遵守考场纪律,维护知识尊严,杜绝违纪行为,确保考试结果公正。
1、填空题 冷冲压工序分为( )工序和( )工序两大类。
本题答案: 2、填空题 冷冲模按工序组合形式可分为( )和( )。
本题答案: 3、判断题 下料模具之冲剪间隙与工件无密切关系。
( ) 本题答案: 4、问答题 什么是冷冲压?什么是热冲压?各有什么优缺点? 本题答案: 5、单项选择题 冲制正三角形成品(材料厚度为1mm ),每边80mm ,材料的抗剪强度为360N/mm2冲裁力大概是多少( )。
A.7.8吨 B.8.7吨 C.9.2吨 D.10吨 本题答案: 6、判断题 板料的弯曲半径与其厚度的比值称为最小弯曲半径。
( )姓名:________________ 班级:________________ 学号:________________--------------------密----------------------------------封 ----------------------------------------------线----------------------本题答案:7、判断题冲压机床只能双手按钮。
()本题答案:8、单项选择题多工位级进模适合于冲件尺寸较()。
A.大B.小C.高D.低本题答案:9、判断题模具不用时,为了储存方便,最好是上、下模具折开,分别放置。
()本题答案:10、填空题模具安装前,应先检查机床台面上及冲枕底面是否有()或者()。
本题答案:11、填空题成形工序是指坯料在()而获得一定形状工件的加工方法。
本题答案:12、填空题冲压设备有很多种类,一般可分为()压力机、()压力机、()压力机和()压力机分类。
本题答案:13、填空题回复是指在不太高的加热温度下,金属的强度稍有(),塑性稍有()的现象。
这时晶粒的大小和形状都没有改变,只是由于加热后使原子活动能力增强,从不稳定的位置恢复到较为稳定的位置。
冲压工考试:冲压工考试考试答案(最新版)考试时间:120分钟 考试总分:100分遵守考场纪律,维护知识尊严,杜绝违纪行为,确保考试结果公正。
1、问答题校平工艺的特点是什么? 本题答案: 2、填空题搭边是一种( )废料,但是可以补偿( )误差和( )误差,确抱零件合格:搭边还可以( ),提高生产率:此外还可避免冲裁时条料边缘的毛刺被( ),从而提高模具寿命。
本题答案: 3、填空题在V 形折弯时,V 形折弯的宽度会影响( )。
本题答案: 4、填空题回复是指在不太高的加热温度下,金属的强度稍有( ),塑性稍有( )的现象。
这时晶粒的大小和形状都没有改变,只是由于加热后使原子活动能力增强,从不稳定的位置恢复到较为稳定的位置。
本题答案: 5、单项选择题弯曲件在变形区的切向外侧部分( )。
A 、受拉应力 B 、受压应力 C 、不受力 D 、受回弹力姓名:________________ 班级:________________ 学号:________________--------------------密----------------------------------封 ----------------------------------------------线----------------------本题答案:6、填空题在进行直角弯曲时,如果弯曲的直角部分过小,将会产生()。
本题答案:7、判断题为维持冲压工件的良好的质量,通常逐渐测量尺寸。
()本题答案:8、单项选择题冲剪工件出现毛边,影响较小的原因为()。
A.冲头磨损B.工件太厚C.模孔刃口磨损D.间隙太大本题答案:9、单项选择题需要多次弯曲的弯曲件,弯曲的次序一般是(),前次弯曲后应考虑后次弯曲有可靠的定位,后次弯曲不能影响前次已成形的形状。
A、先弯中间部分,后弯两端B、先弯成V形,后弯成U形C、先弯两端,后弯中间部分本题答案:10、填空题压力机的闭合高度是指压力机滑块处于()位置时,滑块下表面到工作台(不包括垫板的厚度)的距离。
冲压工考试:高级冲压工考考试模拟考试卷考试时间:120分钟 考试总分:100分遵守考场纪律,维护知识尊严,杜绝违纪行为,确保考试结果公正。
1、判断题安全教育在冲压生产中不是很重要,一般要求而已。
( ) 本题答案: 2、单项选择题下列关于弯曲描述错误的是( )。
A 、窄板(B/t <3)内区宽度增加 B 、窄板(B/t <3)横截面几乎不变,仍为矩形 C 、宽板(B/t >3)横截面几乎不变,仍为矩形 D 、窄板(B/t <3)外区宽度减小 本题答案: 3、多项选择题冲裁模常见的送料定距方式有( )。
A.档料销档料 B.侧刃定距 本题答案: 4、单项选择题用拉伸试验可以测定材料的( )性能指标。
A 、强度 B 、硬度 C 、韧性 D 、疲劳强度 本题答案: 5、单项选择题位置公差中,对称度属于( )公差。
A 、定向姓名:________________ 班级:________________ 学号:________________--------------------密----------------------------------封 ----------------------------------------------线----------------------B、定位C、跳动本题答案:6、填空题现在最有效的安全措施是()。
本题答案:7、填空题单向顺序阀可作()用。
本题答案:8、填空题板料拉深时,起皱首先在()出现。
本题答案:9、问答题什么是最小相对弯曲半径?本题答案:10、判断题光电式安全装置能用在普通的转键离合器冲床上。
()本题答案:11、单项选择题方管的展开长度应以()尺寸为准。
A.里侧中性层B.里侧C.外侧中性层D.外侧本题答案:12、单项选择题用厚度为t的材料作圆筒拉延,若拉深前毛坯直径为D,拉深后零件直径为d ,则拉深系数m等于()。
A、t/(D-D.B、t/dC、d/D本题答案:13、问答题简述固定卸料装置与弹性卸料装置的选择方法。
冲压工考试:冲压工考试考试资料考试时间:120分钟 考试总分:100分遵守考场纪律,维护知识尊严,杜绝违纪行为,确保考试结果公正。
1、判断题板料的弯曲半径与其厚度的比值称为最小弯曲半径。
( ) 本题答案: 2、判断题一般的下料模具安装于冲床上模时,是先固定下模在合上模。
( ) 本题答案: 3、填空题冷冲模按工序组合形式可分为( )和( )。
本题答案: 4、单项选择题一般下料模具组合时,固定销的直径通常( )。
A.大 B.等 C.小D.0.5倍于螺丝直径 本题答案: 5、单项选择题采用自动送料方式作业批量生产零件时冲床操作方式切换开关在( )位置。
A.寸动脚踏B.安全一行程双手按钮C.连续双手按钮 本题答案:姓名:________________ 班级:________________ 学号:________________--------------------密----------------------------------封 ----------------------------------------------线----------------------6、单项选择题硬材料比软材料的搭边值()。
A.小B.大C.不同D.相同本题答案:7、单项选择题冲床如发生连冲现象,应立即()。
A.调整离合器B.调整闭合高度C.调整模具间隙D.切断电源本题答案:8、判断题下料模具构造简单,可不用压料板。
()本题答案:9、问答题简述冲压概念。
本题答案:10、单项选择题模具零件组装时,若发现配合不良,首先采取的下列哪项步骤()。
A.报告班B.与工作图纸对比形状尺寸C.自行修改D.通知设计人员本题答案:11、填空题圆形的垫圈的内孔属于()外形属于()。
本题答案:12、单项选择题模具容易磨损,其主要原因之一为()。
A.刚性B.绕性C.硬度D.扭力不足本题答案:13、填空题材料的表面的小缺陷可能造成()。
冲压工考试:高级冲压工考试卷及答案 考试时间:120分钟 考试总分:100分遵守考场纪律,维护知识尊严,杜绝违纪行为,确保考试结果公正。
1、填空题 冲压是对板料施加压力,使之产生( )或( ),从而获得( )或( )的加工方法。
本题答案: 2、判断题 型腔模按成形工作的性质不同,可以为拉深模、塑料模及锻模。
( ) 本题答案: 3、单项选择题 上模与下模使用导柱导向,原则上导柱固定在( )。
A 、下模 B 、上模 C 、以上均可 本题答案: 4、填空题 螺旋传动是利用内、外螺纹组成的( ),将主动件的回转运动转变为从动件的直线运动。
本题答案: 5、问答题 简述固定卸料装置与弹性卸料装置的选择方法。
本题答案: 6、填空题 冲模的精度,在相当程度上取决于( )、( )等导向零件的导向性能,姓名:________________ 班级:________________ 学号:________________--------------------密----------------------------------封 ----------------------------------------------线----------------------装配时必须保证其相对位置的准确性。
本题答案:7、多项选择题采用弹压卸料板的普通冲裁模具,弹压卸料板具有作用是()。
A.压料B.导料C.顶料D.卸料本题答案:8、单项选择题冲孔件上孔与边缘之间的距离不能过小,以避免工件变形、模壁过薄或因材料易被拉入凹模而影响模具寿命。
一般而言,孔边距取:圆孔()t,矩形孔()t。
A、(1-1.5),(2-2.5)B、(0.5-1),(1-1.5)C、(1-1.5),(1.5-2)本题答案:9、填空题冲压设备制动器的作用是在离合器断开时使()在所需要的位置上。
本题答案:10、填空题安装冲模时,一定要使冲床的封闭高度()冲模的封闭高度。
冲压工考试:冲压工考试测考试题(最新版)考试时间:120分钟 考试总分:100分遵守考场纪律,维护知识尊严,杜绝违纪行为,确保考试结果公正。
l 本题解析:单工序;复合模;侧刃;挡料销 5、判断题减少弯曲凸、凹模之间的间隙,增大弯曲力,可减少弯曲圆角处的塑性变形。
( ) 本题答案:错 本题解析:暂无解析 6、填空题每周需对冲床进行( )、( )、( )。
本题答案:排水;排油;排气 本题解析:排水;排油;排气 7、填空题冲模间隙的( )与冲压工件的( )有关。
本题答案:大小;厚度 本题解析:大小;厚度 8、填空题冲床开机前必须确认光电保护装置处于( ),保护范围安全可靠的状态。
本题答案:开启保护有效 本题解析:开启保护有效 9、判断题落料和弯曲都属于分离工序,而拉深、翻边则属于变形工序。
( ) 本题答案:错姓名:________________ 班级:________________ 学号:________________--------------------密----------------------------------封 ----------------------------------------------线----------------------本题解析:暂无解析10、单项选择题采用自动送料方式作业批量生产零件时冲床操作方式切换开关在()位置。
A.寸动脚踏B.安全一行程双手按钮C.连续双手按钮本题答案:C本题解析:暂无解析11、单项选择题冲裁模的凸、凹间隙增大时,冲裁力会()。
A.增大B.减小C.不变D.不能确定本题答案:C本题解析:暂无解析12、填空题V形折弯模具,折弯半径越小,回弹量()。
本题答案:越小本题解析:越小13、单项选择题弯曲的板料表面质量()时,容易产生应力集中,使塑性降低,弯曲时必须将有毛刺的一面向内,否则必须()弯曲圆角半径。
A、较好,减小;B、较差,加大;C、较好,加大、D、较差,减小本题答案:B本题解析:暂无解析14、单项选择题为使冲裁过程的顺利进行,将梗塞在凹模内的冲件或废料顺冲裁方向从凹模孔中推出,所需要的力称为()。
冲压工考试:高级冲压工考考试题考试时间:120分钟 考试总分:100分遵守考场纪律,维护知识尊严,杜绝违纪行为,确保考试结果公正。
l 电火花加工时,( )与( )直接接触。
本题答案: 6、判断题冲压设备好的企业发生人身伤害事故的可能性比设备差的企业来得少。
( ) 本题答案: 7、单项选择题机械图样上未标注单位的尺寸值的单位为( )。
A 、米 B 、厘米 C 、毫米 本题答案: 8、判断题链传动和带传动一样,也是借助中间挠性传动件传动,所以也具有吸振、缓冲、无噪声、传动平稳的特点。
( ) 本题答案: 9、单项选择题零件的形位公差可由尺寸公差、加工精度和( )予以保证。
A 、加工方法 B 、加工工艺 C 、生产工艺 D 、工艺过程 本题答案: 10、单项选择题姓名:________________ 班级:________________ 学号:________________--------------------密----------------------------------封 ----------------------------------------------线----------------------冲孔件上孔与边缘之间的距离不能过小,以避免工件变形、模壁过薄或因材料易被拉入凹模而影响模具寿命。
一般而言,孔边距取:圆孔()t,矩形孔()t。
A、(1-1.5),(2-2.5)B、(0.5-1),(1-1.5)C、(1-1.5),(1.5-2)本题答案:11、单项选择题过热现象降低了构件力学性能,特别是()。
A.刚性B.冲击韧性C.塑性D.弹性本题答案:12、填空题工艺尺寸链中的组成环是指那些在加工过程中直接获得的()。
本题答案:13、单项选择题冲模在()工作位置时,上模板的上平面至下模板的下平面的距离叫冲模的封闭高度。
A、最低B、最高C、中间本题答案:14、单项选择题排样时零件之间以及零件与条料之间留下的余料叫搭边,它主要用于补偿定位误差,保证零件尺寸精度;以下与搭边值大小无关的因素是()。
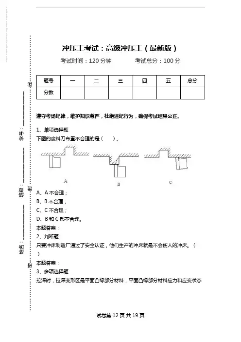
冲压工考试:高级冲压工(最新版)考试时间:120分钟 考试总分:100分题号 一 二 三 四 五 总分 分数遵守考场纪律,维护知识尊严,杜绝违纪行为,确保考试结果公正。
1、单项选择题下图的废料刀布置不合理的是( )。
A 、A 不合理;B 、B 不合理;C 、C 不合理;D 、B 和C 都不合理。
本题答案: 2、判断题只要冲床制造厂通过了安全认证,他们生产的冲床就是不会伤人的冲床。
( ) 本题答案: 3、多项选择题拉深时,拉深变形区是平面凸缘部分材料,平面凸缘部分材料应力和应变状态姓名:________________ 班级:________________ 学号:________________--------------------密----------------------------------封 ----------------------------------------------线----------------------是 ( )。
A.B.C.D.本题答案:4、多项选择题采用弹压卸料板的普通冲裁模具,弹压卸料板具有作用是()。
A.压料B.导料C.顶料D.卸料本题答案:5、单项选择题对冲压用的材料,进行材料验收时的主要内容有()。
A、外观检验B、机械性能检验C、化学成份检验D、内部组织检验本题答案:6、单项选择题平面图形中连接线段是指()的线段。
A.定位尺寸不全B.定形尺寸不全C.定位尺寸和定形尺寸都不全D.定位尺寸和定形尺寸都全本题l以下对弹性推件装置描述错误的是()。
A、推件力大B、出件力不大C、冲件质量较高D、出件平稳无撞击本题答案:12、填空题冲压是对板料施加压力,使之产生()或(),从而获得()或()的加工方法。
本题答案:13、填空题冲压设备制动器的作用是在离合器断开时使()在所需要的位置上。
本题答案:14、多项选择题影响材料塑性的主要因素有()。
A、材料的化学成分B、金相组织C、机械性能本题答案:15、单项选择题冷作结构件的表达方法一般分三类()。
冲压工考试:冲压工考试考试题及答案模拟考试卷 考试时间:120分钟 考试总分:100分遵守考场纪律,维护知识尊严,杜绝违纪行为,确保考试结果公正。
1、填空题 小冲床滑块模柄尺寸,决定了( )。
本题答案: 2、判断题 为维持冲压工件的良好的质量,通常逐渐测量尺寸。
( ) 本题答案: 3、单项选择题 冲裁间隙与下列那个无关( )。
A.冲裁力 B.料片撕裂部位 C.料片变形情形 D.料条布局 本题答案: 4、填空题 冲床操作工在暂时不操作设备时必须( )。
本题答案: 5、判断题 拉伸属于分离工序。
( ) 本题答案: 6、判断题 模具不用时,为了储存方便,最好是上、下模具折开,分别放置。
( ) 本题答案:姓名:________________ 班级:________________ 学号:________________--------------------密----------------------------------封 ----------------------------------------------线----------------------7、填空题冲床工作时,压缩空气的压力值应为()之间。
本题答案:8、单项选择题国家标准规定,工厂应该安排冲压工在上、下午各有一次集中停机工间休息时间为()。
A、5~10min;B、10~15min;C、10~20min;D、15~30min。
本题答案:9、单项选择题弯曲件在变形区的切向外侧部分()。
A、受拉应力B、受压应力C、不受力D、受回弹力本题答案:10、填空题冲压设备有很多种类,一般可分为()压力机、()压力机、()压力机和()压力机分类。
本题答案:11、填空题冲压加工的三要素:()、()、()。
本题答案:12、判断题经冷作硬化的弯曲件,其允许变形程度较大。
()本题答案:13、填空题搭边是一种()废料,但是可以补偿()误差和()误差,确抱零件合格:搭边还可以(),提高生产率:此外还可避免冲裁时条料边缘的毛刺被(),从而提高模具寿命。
冲压工高级考试题库及答案一、单选题1. 冲压加工中,下列哪个因素是影响材料变形抗力的主要因素?A. 材料的厚度B. 材料的硬度C. 材料的化学成分D. 材料的塑性答案:D2. 在冲压过程中,为了减少材料的弹性回弹,应采取以下哪种措施?A. 提高冲压力B. 增加冲压速度C. 降低模具间隙D. 增加材料的硬度答案:C3. 冲压模具的刃口磨损后,会导致以下哪种情况?A. 冲压件尺寸变大B. 冲压件尺寸变小C. 冲压件形状不规则D. 冲压力增加答案:C二、多选题1. 冲压加工中,常见的冲压设备包括以下哪些?A. 压力机B. 折弯机C. 剪板机D. 冲孔机答案:A, B, C, D2. 冲压模具设计时,需要考虑的因素包括:A. 材料的力学性能B. 模具的强度和刚度C. 模具的使用寿命D. 冲压件的精度要求答案:A, B, C, D三、判断题1. 冲压加工是一种利用外力使金属板料发生塑性变形或分离,从而获得所需形状和尺寸的加工方法。
(对)2. 冲压加工过程中,材料的塑性越大,所需的冲压力越小。
(错)3. 冲压模具的刃口间隙越小,冲压件的尺寸精度越高。
(对)四、填空题1. 冲压加工中,材料的______是影响冲压力大小的重要因素之一。
答案:塑性2. 冲压模具的刃口间隙过大,会导致冲压件的______变大。
答案:毛刺3. 在冲压加工中,为了减少冲压件的弹性回弹,可以采取______和______的措施。
答案:增加冲压力;降低模具间隙五、简答题1. 简述冲压加工中常见的几种冲压缺陷及其产生原因。
答案:常见的冲压缺陷包括毛刺、皱纹、变形等。
毛刺是由于模具刃口间隙过大或刃口磨损造成的;皱纹是由于材料在冲压过程中受到不均匀的应力造成的;变形是由于材料的塑性不足或冲压力过大造成的。
2. 描述冲压模具的维护和保养的一般步骤。
答案:冲压模具的维护和保养步骤包括:清洁模具表面,检查模具刃口的磨损情况,必要时进行刃口的修磨或更换;检查模具的紧固件,确保紧固;润滑模具的滑动部件,减少摩擦和磨损;定期检查模具的尺寸精度,确保冲压件的质量。
冲压工考试:高级冲压工考试题及答案(最新版) 考试时间:120分钟 考试总分:100分遵守考场纪律,维护知识尊严,杜绝违纪行为,确保考试结果公正。
1、单项选择题 上模与下模使用导柱导向,原则上导柱固定在( )。
A 、下模 B 、上模 C 、以上均可 本题答案: 2、单项选择题 冷作结构件的表达方法一般分三类( )。
A.结构简图、简单结构图、简单部件图 B.结构简图、简单结构图、复杂部件图 C.简单结构图、复杂部件图、复杂结构图 D.结构简图、简单结构图、复杂结构图 本题答案: 3、填空题 材料的塑性愈好,它的冲压工艺性( )。
本题答案: 4、判断题 因为冲床的事故率高于其它机械行业的事故率,为了使业主不致因事故赔偿而破产,应适当降低经济赔偿费的额度。
( ) 本题答案: 5、单项选择题 正火能细化晶粒,改善低碳钢和低碳合金钢的( )性。
A 、可焊姓名:________________ 班级:________________ 学号:________________--------------------密----------------------------------封 ----------------------------------------------线----------------------B、切削加工C、机加工D、可锻本题答案:6、多项选择题采用弹压卸料板的普通冲裁模具,弹压卸料板具有作用是()。
A.压料B.导料C.顶料D.卸料本题答案:7、单项选择题工艺切口冲制的最佳时机是()。
A、反成型最深,即将产生开裂时B、离下死点5mm时C、反成型最深,即将产生开裂前5mm时D、离下死点10mm时本题答案:8、单项选择题板料弯曲时,内侧材料()作用。
A、受拉伸B、受压缩C、不受力本题答案:9、判断题高速和精密机床的滚动轴承可采用锂基润滑脂。
()本题答案:10、单项选择题国家标准规定,焊缝符号由()指引线及焊缝尺寸符号组成。
冲压工高级考试题库及答案1. 冲压加工中,材料的塑性变形主要发生在哪个阶段?A. 弹性变形阶段B. 塑性变形阶段C. 断裂阶段D. 恢复阶段答案:B2. 以下哪种材料最适合用于冲压加工?A. 铸铁B. 木材C. 铝材D. 混凝土答案:C3. 在冲压过程中,为了减少材料的弹性回弹,可以采取哪些措施?A. 提高冲压力B. 增加冲压速度C. 增加材料的厚度D. 使用合适的润滑剂答案:D4. 冲压模具的寿命通常受哪些因素影响?A. 材料的硬度B. 模具材料的选择C. 冲压力的大小D. 所有上述因素答案:D5. 冲压加工中,材料的厚度对产品质量有何影响?A. 厚度增加,产品质量提高B. 厚度减少,产品质量提高C. 厚度对产品质量无影响D. 厚度适中,产品质量最佳答案:D6. 在冲压加工中,如何减少材料的浪费?A. 增加冲压次数B. 优化模具设计C. 使用更厚的材料D. 减少冲压力答案:B7. 冲压加工中,材料的表面处理对产品质量有何影响?A. 无影响B. 表面处理不良,产品质量下降C. 表面处理良好,产品质量提高D. 表面处理只影响外观答案:C8. 冲压加工中,如何提高生产效率?A. 减少冲压次数B. 增加冲压速度C. 使用手动操作D. 减少材料厚度答案:B9. 冲压加工中,材料的热处理对产品性能有何影响?A. 无影响B. 热处理不当,产品性能下降C. 热处理得当,产品性能提高D. 热处理只影响材料硬度答案:C10. 在冲压加工中,如何确保产品的尺寸精度?A. 使用高精度的测量工具B. 严格控制材料的厚度C. 优化模具设计D. 所有上述因素答案:D。
冲压工考试:高级冲压工考考试题考试时间:120分钟 考试总分:100分遵守考场纪律,维护知识尊严,杜绝违纪行为,确保考试结果公正。
l 电火花加工时,( )与( )直接接触。
本题答案: 6、判断题冲压设备好的企业发生人身伤害事故的可能性比设备差的企业来得少。
( ) 本题答案: 7、单项选择题机械图样上未标注单位的尺寸值的单位为( )。
A 、米 B 、厘米 C 、毫米 本题答案: 8、判断题链传动和带传动一样,也是借助中间挠性传动件传动,所以也具有吸振、缓冲、无噪声、传动平稳的特点。
( ) 本题答案: 9、单项选择题零件的形位公差可由尺寸公差、加工精度和( )予以保证。
A 、加工方法 B 、加工工艺 C 、生产工艺 D 、工艺过程 本题答案: 10、单项选择题姓名:________________ 班级:________________ 学号:________________--------------------密----------------------------------封 ----------------------------------------------线----------------------冲孔件上孔与边缘之间的距离不能过小,以避免工件变形、模壁过薄或因材料易被拉入凹模而影响模具寿命。
一般而言,孔边距取:圆孔()t,矩形孔()t。
A、(1-1.5),(2-2.5)B、(0.5-1),(1-1.5)C、(1-1.5),(1.5-2)本题答案:11、单项选择题过热现象降低了构件力学性能,特别是()。
A.刚性B.冲击韧性C.塑性D.弹性本题答案:12、填空题工艺尺寸链中的组成环是指那些在加工过程中直接获得的()。
本题答案:13、单项选择题冲模在()工作位置时,上模板的上平面至下模板的下平面的距离叫冲模的封闭高度。
A、最低B、最高C、中间本题答案:14、单项选择题排样时零件之间以及零件与条料之间留下的余料叫搭边,它主要用于补偿定位误差,保证零件尺寸精度;以下与搭边值大小无关的因素是()。
A.材料的机械性能B.冲裁速度C.材料厚度本题答案:15、单项选择题()刃口磨钝,冲孔件孔边会出现较高而薄的毛刺。
A、凸模B、凹模C、凸、凹模本题答案:16、单项选择题为防止淬硬性比较敏感的钢种冷滚弯时弯裂,滚弯前应进行()处理。
A.淬火B.回火C.退火D.正火本题答案:17、问答题计算题:计算下图零件的冲裁力,材料10#钢,料厚2mm(已知=34Kg/mm2),若取保险系数1.3应该选用多大吨位的冲床生产此零件?本题答案:18、判断题因为凸、凹模间的间隙对冲裁来说非常重要,所以必须选择一个绝对合理的间隙值。
()本题答案:19、填空题冲压设备制动器的作用是在离合器断开时使()在所需要的位置上。
本题答案:20、填空题低熔点合金的优越性在于使()调整变得更容易些。
本题答案:21、填空题冷冲模装配后必须安装到冲床上进行试模,以()、()和()模具在实际工作时可以暴露的各种缺陷。
本题答案:22、单项选择题气焊时,焊丝成分应与焊件()。
A.绝对相同B.绝对不同C.相同或相近D.视情况而定本题答案:23、填空题串联电路中,总电压等于( ),即U=U1+U2+…。
本题答案:24、填空题()可以使几个液压缸实现按预定的顺序动作。
本题答案:25、单项选择题不属于工艺零件的有()。
A、工作零件B、定位零件C、卸料与推件零部件D、连接与固定零件本题答案:26、多项选择题拉深时,拉深变形区是平面凸缘部分材料,平面凸缘部分材料应力和应变状态是 ( )。
A.B.C.D.本题答案:27、问答题简述固定卸料装置与弹性卸料装置的选择方法。
本题答案:28、填空题零件装配的三要素为()、()、()。
本题答案:29、判断题圆锥形表面必须用放射线方法展开。
()本题答案:30、填空题百分表盘有100个刻度,两条刻线之间代表()。
本题答案:31、单项选择题在拉深筒件或者方筒件,在制品的壁部会产生细小的皱折,主要的消除方法有()。
A、将凹模的圆角半径ra适当减少B、提高拉深模的压边力C、修整凹模平面本题答案:32、判断题塑性好的材料利于冲孔、落料和成型。
()本题答案:33、判断题火焰矫正时一般钢材的加热温度应在900℃—1000℃左右,低碳钢不大于1000℃。
()本题答案:34、单项选择题冲床是下列设备的俗称:()。
A、油压机;B、剪板机;C、机械压力机;D、空气锤。
本题答案:35、单项选择题用拉伸试验可以测定材料的()性能指标。
A、强度B、硬度C、韧性D、疲劳强度本题答案:36、判断题销通常用于零件的连接,不能用来定位。
()本题答案:37、单项选择题冲裁时,材料的()决定了材料的弹性变形量的大小。
A、刚度B、性质C、弹性D、塑性本题答案l冲裁件的加工误差,主要取决于()及其()。
本题答案:42、单项选择题一般情况下,当模具部件超过()时,均应布置起吊螺纹孔或其他起吊机构?A、5KGB、15KGC、10KG本题答案:43、单项选择题对于强度较高的钢材,可将钢材加热到()后进行矫正。
A.500℃~750℃B.750℃~1000℃C.250℃~500℃D.150℃~300℃本题答案:44、填空题游标高度尺与游标卡尺的()相同。
本题答案:45、问答题计算题:计算下图所示的零件的展开图,材料厚度T=2mm。
本题答案:46、填空题剪切和冲裁都属于()。
本题答案:47、单项选择题用厚度为t的材料作圆筒拉延,若拉深前毛坯直径为D,拉深后零件直径为d ,则拉深系数m等于()。
A、t/(D-D.B、t/dC、d/D本题答案:48、判断题模具必须保证操作方便,安装和维修方便与否可不考虑。
()本题答案:49、问答题计算题:计算如图所示钢板制工件的质量。
(已知材料的密度为为7.85kg/dm3)本题答案:50、单项选择题板料弯曲时,内侧材料()作用。
A、受拉伸B、受压缩C、不受力本题答案:51、单项选择题在冲压零件的总成本中,材料费用占()%。
A、20~40B、40~60C、60~80本题答案:52、单项选择题材料的(),容易获得合格的冲裁件。
A.剪切强度高B.组织不均匀C.表面光洁平整D.有机械性损伤本题答案:53、填空题螺旋传动是利用内、外螺纹组成的(),将主动件的回转运动转变为从动件的直线运动。
本题答案:54、填空题用六个适当分布的定位支承点,限制工件的六个自由度,即简称为“()”。
本题答案:55、单项选择题在零件成形过程中,当不变形区域受到力的作用时称为传力区,在下图所示的弯曲变形中,属于传力区的是()。
A.A区域B.B区域C.C区域本题答案:56、单项选择题提高冲裁材料利用率的途径是减少()。
A、结构废料B、工艺废料C、搭边本题答案:57、填空题冲压设备离合器的作用是实现()与()的接合与分离。
本题答案:58、判断题游标卡尺有内外两对量抓,可利用它们在工件表面划线。
()本题答案:59、单项选择题废料切刀刃口高度:比凸模刃口低,h大约为板料厚度的2.5~4倍,且不小于()。
A、1mmB、2mmC、3mmD、4mm本题答案:60、判断题为了发展生产,在安全问题难以避免的情况下,只能由操作者作出一定的牺牲。
()本题答案:61、填空题当冲裁孔的直径小于或等于材料厚度时,称为()。
本题答案:62、问答题计算题:某冲压车间一板料尺寸如下图,现在进行降成本活动,在原有基础上左右各裁去一100mm1600mm的三角形。
按材料价格7元/kg,年产量25万个冲压件,求单件材料的利用率提高了多少,每年节约的材料成本。
(已知材料的密度为7.85kg/dm3lC、冲件质量较高D、出件平稳无撞击本题答案:67、单项选择题对冲压用的材料,进行材料验收时的主要内容有()。
A、外观检验B、机械性能检验C、化学成份检验D、内部组织检验本题答案:68、判断题板料发生弯曲变形时,材料的屈服点越大,弯曲时回弹越小。
()本题答案:69、单项选择题正火能细化晶粒,改善低碳钢和低碳合金钢的()性。
A、可焊B、切削加工C、机加工D、可锻本题答案:70、判断题千分尺的制造精度主要由它的刻线精度来决定。
()本题答案:71、单项选择题不是搭边的作用有:()。
A、补偿定位误差和剪板误差B、增加材料利用率C、增加条料刚度,方便条料送进,提高劳动生产率D、搭边还可以避免冲裁时条料边缘的毛刺被拉人模具间隙本题答案:72、填空题常见工件定位方法有()、()和()。
本题答案:73、多项选择题采用弹压卸料板的普通冲裁模具,弹压卸料板具有作用是()。
A.压料B.导料C.顶料D.卸料本题答案:74、单项选择题如图所示锐角修边,15度以下可直接修边;倾斜角大于15度时要考虑凸、凹模刃口处设2mm宽平台,但凸模刃口和修边面角度最大不超过(),以免影响刃口强度。
A、30度B、40度C、50度D、60度本题答案:75、单项选择题设计翻边退料器位置时错误的是()。
A、设计在零件平直的位置,转弯处不用设置;B、设计的位置要保证零件退料平衡;C、设计在零件刚性好的位置。
本题答案:76、填空题装配时零件之间保留必要的(),保证部件组装时的()。
本题答案:77、单项选择题国家标准规定,焊缝符号由()指引线及焊缝尺寸符号组成。
A.基本符号、辅助符号B.辅助符号、补充符号C.基本符号、补充符号D.基本符号、辅助符号、补充符号本题答案:78、单项选择题关于工艺切口说法错误的是()。
A、工艺切口一般作在拉延件的废料区域B、废料不分离,和拉延件一起退出模具C、工艺切口一般在拉延到底时做出本题答案:79、单项选择题冲裁是将板料按()轮廓分离的工序。
A、封闭B、不封闭C、不规则本题答案:80、问答题解释什么是拉深?本题答案:81、单项选择题上、下模座的导套、导柱安装孔中心距精度在()以下。
A、0.01mmB、0.02mmC、0.03mmD、0.04mm本题答案:82、单项选择题冲压对材料的要求是()。
A、满足产品的使用性能B、满足冲压工艺性要求C、价格便宜本题答案:83、多项选择题下列因素对拉深系数有影响的有()。
A、材料的力学性能B、材料的相对厚度C、模具状况D、拉深方式本题答案:84、填空题材料的最小弯曲半径,不但与()有关,而且与()有关。
本题答案:85、填空题在冲压生产中所采用的工序很多,概括起来基本上可分为两大类,即()和()。
本题答案:86、单项选择题与倒装复合模相比不属于正装复合模的特点是:()。
A、凸凹模在上模B、除料、除件装置的数量为三套C、可冲工件的孔边距较大D、工件的平整性较好本题答案:87、填空题弯曲模的角度必须比弯曲件成品的角度小()。
本题答案:88、判断题在任何环境使用36V电压都是安全的。