最新施工现场配电箱检查表
- 格式:doc
- 大小:43.00 KB
- 文档页数:1
施工现场临时用电检查表工程名称油铺街福善园棚改安置房源建设项目检查部位基坑四周以及办公室和宿舍检查日期年月日检查人员张中栋、陈龙序号检查项目检查内容及隐患类型检查结果1外电防护安全距离及防护措施(包括局面措施及现场措施)是否符合要求、封闭是否严密(侧面用密目网等)是否设置警示标志、在高压线下是否搭宿舍、堆料、施工等现场安全距离到位、防护措施齐全、弥补比、封闭严密、在用电位置已设置警示标志、未在高压线下搭宿舍、堆料、施工。
2接地与接零保护系统工作接地与重复接地是否符合要求(材质、组数及阻值)是否采用TN-S系统(或TN-C-S系统即局部三相五线系统)专用保护零线设置是否符合要求、是否有零线接线端子板保护零线与工作零线是否混接接地与接零保护系统符合安全用电规范路电杆、横担是否符合要求架空线路是否符合要求是否使用五芯线(电缆)是否使用四芯电缆外加一根替代五芯电缆电缆架设或埋设是否符合要求使用五芯线6电器装置闸具、熔断器、漏电保护器参数与设备容量是否匹配、安装是否符合要求电器装置符合安全用电规范7变配电装置是否符合安全规定符合规范8用电档案有无专项用电组织设计用电组织设计内容是否齐全、有无针对性或审批手续是否齐全有无接地电阻或绝缘电阻摇测记录有无电工巡检维修记录或填写是否真实用电档案均已齐备9其他复查接地电阻和绝缘电阻值是否符合要求或其他电气安全隐患符合要求检查结情况及处理意见:单位盖章:日期。
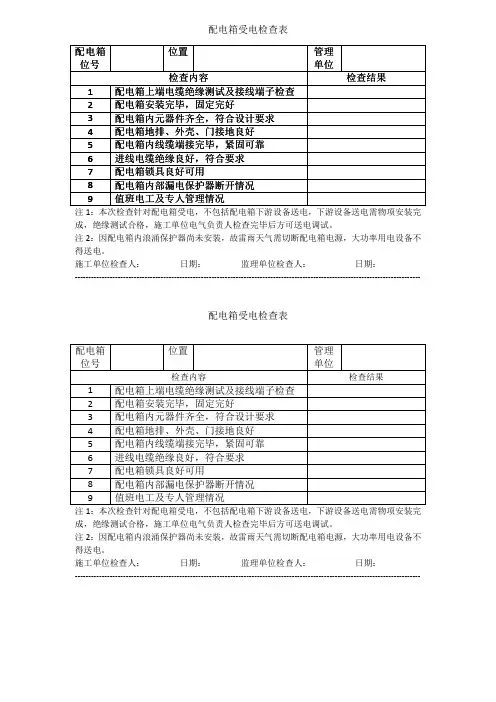
配电箱受电检查表
注1:本次检查针对配电箱受电,不包括配电箱下游设备送电,下游设备送电需物项安装完成,绝缘测试合格,施工单位电气负责人检查完毕后方可送电调试。
注2:因配电箱内浪涌保护器尚未安装,故雷雨天气需切断配电箱电源,大功率用电设备不得送电。
施工单位检查人:日期:监理单位检查人:日期:
---------------------------------------------------------------------------------------------------------------------------------
配电箱受电检查表
注1:本次检查针对配电箱受电,不包括配电箱下游设备送电,下游设备送电需物项安装完成,绝缘测试合格,施工单位电气负责人检查完毕后方可送电调试。
注2:因配电箱内浪涌保护器尚未安装,故雷雨天气需切断配电箱电源,大功率用电设备不得送电。
施工单位检查人:日期:监理单位检查人:日期:
---------------------------------------------------------------------------------------------------------------------------------。