施工现场临时用电检查表
- 格式:xls
- 大小:24.00 KB
- 文档页数:1
建筑施工现场临时用电安全检查表项目基本信息- 项目名称:___________________- 工程地址:___________________- 项目负责人:___________________- 安全检查日期:___________________临时用电检查1. 电线和电缆- [ ] 所有电线和电缆是否存放在干燥、通风且不易受到物理损坏的位置?- [ ] 电线和电缆的绝缘层是否完好,无明显破损和裸露?- [ ] 电线和电缆的接头是否牢固可靠,无松动现象?2. 插座和电源- [ ] 插座是否安装在易于操作和维修的位置?- [ ] 每个插座是否带有漏电保护器,并能正常工作?- [ ] 插座和电源是否有过载保护措施,能够正常断路?3. 电源线和配电箱- [ ] 电源线和配电箱是否安装牢固,固定可靠?- [ ] 配电箱是否采用防雷、防水、防尘措施?- [ ] 电源线和配电箱周围是否有明显的违章堆放物或火源?4. 用电设备- [ ] 所有用电设备是否正常运行,无损坏和故障?- [ ] 用电设备是否采取接地保护措施,并能正常工作?- [ ] 用电设备是否有过载保护措施,能够正常断路?5. 临时用电管理- [ ] 临时用电设备是否明确标识,符合规定的色彩标识?- [ ] 电线、电缆和设备周边是否有足够的明显标识和安全警示牌?- [ ] 使用临时用电设备是否遵守相关安全操作规程和操作步骤?填报人:___________________ 审核人:___________________ 日期:___________________注意:以上为基本的建筑施工现场临时用电安全检查表,根据实际情况可能需要补充和修改。
临时用电电源安全检查表检查项目
1. 临时用电器具是否符合标准规定
2. 电焊机、电刨、电锯、电钻、打磨机等特殊用电设备是否经过合理安装和维护
3. 用电设备是否正常运行,电源插座是否牢固
4. 电源线路是否有损坏或过载现象
5. 电线电缆是否存在绝缘破损和过度老化
6. 电源插座是否有电击风险
7. 临时用电设备是否安装漏电保护开关
8. 电源线路是否合理敷设,是否与其他线路交叉敷设
9. 电源线路是否有防潮措施
检查方法
1. 对临时用电器具进行目视检查,确认其外观是否完好,是否有明显的破损
2. 检查特殊用电设备的安装情况,包括设备是否放置在坚固的台面上,是否与其他物体相隔适当距离
3. 打开临时用电设备,观察其运行状态是否正常,检查电源插座是否牢固稳定
4. 检查电源线路是否有明显的损坏,是否过载,使用合适的仪器测量电线电缆绝缘状况
5. 使用电压表或触电检测仪测量电源插座的电压和是否存在电击风险
6. 检查临时用电设备是否安装了漏电保护开关,并测试其功能是否正常
7. 检查电源线路的敷设情况,确保线路清晰可见,避免与其他线路交叉敷设
8. 检查电源线路的防潮措施,包括是否使用了防潮胶布或密封胶带
检查记录
结论
根据以上检查结果,对于发现的问题,应及时采取相应的整改措施,并确保临时用电电源的安全可靠。
临时用电检查表
简介
在建筑工地、户外活动、临时性厂房等场所,经常需要使用临时用电。
由于使用的电缆较多,运行情况较为复杂,容易出现安全隐患。
检查临时用电设备的安全性和稳定性,是保障安全生产的重要措施。
为了方便检查,制作了以下临时用电检查表。
临时用电检查表
项目1:设备外表及接线检查
项目检查情况
配电箱外观
配电箱接地线
电缆接头
分配箱外观
分配箱接地线
电缆分支接头
项目2:电气绝缘检查
项目检查情况
线缆电气绝缘
插头夹具
项目3:电缆及连接器检查
项目检查情况
电缆的固定
电缆及连接器的磨损
项目4:环境温度和湿度检查
项目检查情况
环境温度
环境湿度
项目5:设备地面与接地检查
项目检查情况
设备的支架及支持面
设备工作位置的接地
检查流程
1.对照检查表,逐项检查和标记。
2.对于存在的问题,记录在检查表上并及时修复。
3.检查完成后,将检查表归档,下次使用前需重新检查。
注意事项
1.在使用临时用电设备前,必须进行定期检查。
2.安装和拆除临时用电设备的操作必须由专业人员完成。
3.使用临时用电设备过程中,应注意环境温湿度的变化,随
时对设备进行调整和维护。
4.在现场完成检查并修复之前,对使用临时电源的场所禁止
使用。
结语
以上就是本次制作的临时用电检查表,希望能起到检查、维护和保障安全生产的作用。
同时,也希望大家能够加强对临时用电设备的安全宣传和管理,共同构建安全、健康、可持续的工作和生活环境。
编号:
编号:002
说明:定期检查执行周期最长可为:施工现场每星期一次,施工企业每月一次
编号:003
说明:定期检查执行周期最长可为:施工现场每星期一次,施工企业每月一次
编号:004
说明:定期检查执行周期最长可为:施工现场每星期一次,施工企业每月一次。
编号:005
说明:定期检查执行周期最长可为:施工现场每星期一次,施工企业每月一次。
施工现场临时用电定期检(复)查表
编号:006
续表
说明:定期检查执行周期最长可为:施工现场每星期一次,施工企业每月一次。
施工现场临时用电定期检(复)查表
编号:007
续表
说明:定期检查执行周期最长可为:施工现场每星期一次,施工企业每月一次。
施工现场临时用电定期检(复)查表
编号:008
续表
说明:定期检查执行周期最长可为:施工现场每星期一次,施工企业每月一次。
施工现场临时用电定期检(复)查表
编号:009
续表
说明:定期检查执行周期最长可为:施工现场每星期一次,施工企业每月一次。
施工现场临时用电安全检查表检查时间检查单位/人检查地点受检单位/负责人资料检查方案5台及以上设备或总容量在50k W及以上有设计并符合规范要求□5台以下设备或总容量在50k W以下有措施□经过审批□验收单人员签字□内容量化□测试报告接地电阻至少每月测试一次。
工作接地≤4Ω,重复接地≤10Ω,防雷接地□≤30Ω。
人员电工人,持证上岗人。
其它问题现场检查外电防护最小安全操作距离大于:1kV以下4m;1~10kV6m;35~110kV8m□达不到最小安全操作距离时,采取有效防护措施并悬挂警告牌。
□防护设施与外电线路之间的最小安全距离大于:10kV以下1.7m;35kV,2m。
□接零与接地在施工现场专用的中性点直接接地的电力线路中,采用TN-S接零保护系统。
□PE线由工作接地线、配电室或总漏电保护器电源侧零线引出。
□电气设备不带电的金属外壳和配电箱体与PE线做电气连接。
□PE线为绿/黄双色绝缘多股铜芯线。
与电气设备连接线截面≥2.5mm2□PE线与N线不混接□PE线不少于3次重复接地□做防雷接地的设备,PE线应同时做重复接地,接地电阻□值≤10Ω。
三级配电二级保护使用总配电箱、分配电箱、开关箱三级配电。
□总配电箱和开关箱装设漏电保护器,且参数匹配。
□漏电保护器安装在配电箱、开关箱隔离开关的负荷侧。
□开关箱内的漏电保护器额定漏电动作电流≤30mA,额定漏电动作时间<0.1S。
□电箱设置开关箱实行“一机一闸一漏一箱”制。
动力、照明开关箱分设。
□分配电箱与开关箱水平距离≤30m,开关箱与固定式用电设备水平距离≤3m。
□配电箱内的电器安装在金属或非木质阻燃绝缘板上□箱体用钢板或阻燃绝缘材料制作并防雨。
箱内分别设置N线和PE线端子板。
□熔断器的熔体符合规格,不用铝、铜等其它金属丝代替。
□照明隧道、高温、潮湿等特殊场所使用规范规定的安全电压照明。
□电器、灯具的相线经过开关控制□架空线路架空线路设在专用电杆上。
线路设有短路保护和过载保□护。
临时用电专项检查表(可以直接使用,可编辑实用优秀文档,欢迎下载)
临时用电专项检查表
施工现场临时用电检查表
施工现场临时用电验收表(续表)
施工现场临时用电定期检(复)查表
编号:001
续表
说明:定期检查执行周期最长可为:施工现场每星期一次,施工企业每月一次
施工现场临时用电定期检(复)查表
编号:002
续表
说明:定期检查执行周期最长可为:施工现场每星期一次,施工企业每月一次
施工现场临时用电定期检(复)查表
编号:003
说明:定期检查执行周期最长可为:施工现场每星期一次,施工企业每月一次
编号:004
说明:定期检查执行周期最长可为:施工现场每星期一次,施工企业每月一次。
编号:005
说明:定期检查执行周期最长可为:施工现场每星期一次,施工企业每月一次。
编号:006
说明:定期检查执行周期最长可为:施工现场每星期一次,施工企业每月一次。
编号:007
说明:定期检查执行周期最长可为:施工现场每星期一次,施工企业每月一次。
编号:008
续表
说明:定期检查执行周期最长可为:施工现场每星期一次,施工企业每月一次。
施工现场临时用电定期检(复)查表
编号:009
续表
说明:定期检查执行周期最长可为:施工现场每星期一次,施工企业每月一次。
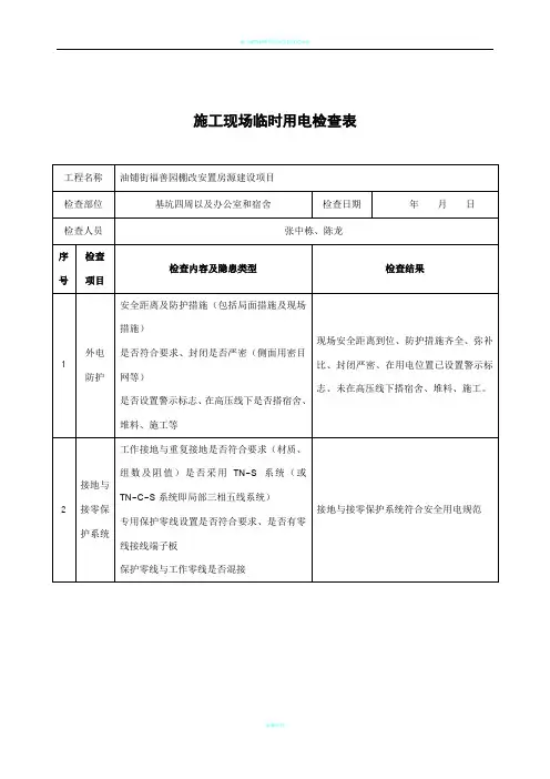
施工现场临时用电检查表工程名称油铺街福善园棚改安置房源建设项目检查部位基坑四周以及办公室和宿舍检查日期年月日检查人员张中栋、陈龙序号检查项目检查内容及隐患类型检查结果1外电防护安全距离及防护措施(包括局面措施及现场措施)是否符合要求、封闭是否严密(侧面用密目网等)是否设置警示标志、在高压线下是否搭宿舍、堆料、施工等现场安全距离到位、防护措施齐全、弥补比、封闭严密、在用电位置已设置警示标志、未在高压线下搭宿舍、堆料、施工。
2接地与接零保护系统工作接地与重复接地是否符合要求(材质、组数及阻值)是否采用TN-S系统(或TN-C-S系统即局部三相五线系统)专用保护零线设置是否符合要求、是否有零线接线端子板保护零线与工作零线是否混接接地与接零保护系统符合安全用电规范路电杆、横担是否符合要求架空线路是否符合要求是否使用五芯线(电缆)是否使用四芯电缆外加一根替代五芯电缆电缆架设或埋设是否符合要求使用五芯线6电器装置闸具、熔断器、漏电保护器参数与设备容量是否匹配、安装是否符合要求电器装置符合安全用电规范7变配电装置是否符合安全规定符合规范8用电档案有无专项用电组织设计用电组织设计内容是否齐全、有无针对性或审批手续是否齐全有无接地电阻或绝缘电阻摇测记录有无电工巡检维修记录或填写是否真实用电档案均已齐备9其他复查接地电阻和绝缘电阻值是否符合要求或其他电气安全隐患符合要求检查结情况及处理意见:单位盖章:日期。
施工现场临时用电检查表一、工程概况本工程为XX建设项目,位于XX地区,占地面积XX平方米,主要包括XX栋建筑物、XX配套设施以及相关室外工程。
工程临时用电需求较大,为确保施工现场用电安全、可靠,特制定本临时用电检查表,对施工现场临时用电进行严格管理。
二、用电管理1. 用电管理制度(1)建立健全临时用电管理制度,明确各级管理人员职责;(2)定期对临时用电设施进行检查,确保用电安全;(3)严格执行临时用电设施的操作规程,防止电气事故发生。
2. 用电负荷(1)根据工程需求,合理计算临时用电负荷,确保用电设备正常运行;(2)合理分配用电负荷,避免过载现象;(3)定期对用电负荷进行监测,发现异常及时处理。
3. 用电设备(1)选用符合国家标准的用电设备,保证设备质量;(2)定期对用电设备进行检查、维护,确保设备正常运行;(3)禁止使用老化、破损、不符合安全规定的用电设备。
三、电工1. 电工人员(1)配备具有电工操作证的专职电工;(2)电工人员应熟悉施工现场临时用电设施,掌握操作规程;(3)电工人员应定期参加培训,提高业务水平。
2. 电工职责(1)负责施工现场临时用电设施的安装、维护和拆除;(2)负责对临时用电设施进行定期检查,发现问题及时整改;(3)负责对用电设备进行操作、调试,确保设备正常运行。
四、安全距离与外电防护1. 安全距离(1)根据国家相关规定,确保临时用电设施与其他设施、构筑物之间的安全距离;(2)在临时用电设施周围设置警示标志,提醒人员注意安全;(3)对于无法满足安全距离要求的部位,采取隔离、防护等措施。
2. 外电防护(1)对临近的外电线路进行监测,发现安全隐患及时报告;(2)在施工过程中,严格遵守外电防护规定,防止发生触电事故;(3)对于可能受到外电影响的施工区域,采取可靠的防护措施,确保施工安全。
五、电缆线路1. 电缆线路设计(1)根据用电负荷和设备分布,合理设计电缆线路走向;(2)选用符合国家标准的电缆,确保电缆质量和安全性能;(3)根据电缆类型和敷设方式,确定电缆的敷设深度和防护措施。