RS232-RS485转换
- 格式:doc
- 大小:43.50 KB
- 文档页数:4
RS-232/RS-485转换器使用说明书一、产品介绍HEXIN-III型转换器是RS-232与RS-485之间的双向接口的转换器、应用于主控机之间,主控机与单片机或外设之间构成点到点,点到多点远程多机通讯网络,实现多机应答通讯,广泛地应用于工业自动化控制系统、一卡通、门禁系统、停车场系统、自助银行系统、公共汽车收费系统。
饭堂售饭系统、公司员工出勤管理系统、公路收费站系统等等。
HEXIN-III型转换器、能够将RS-232串行口的TXD和RXD信号转换成两线平衡半双工的RS-485信号。
无需未接外接电源,可直接从RS-232端口的3脚窃电,同时由7脚请求发送(RTS),4脚数据终端准备好(DTR)给HEXIN-III 辅助供电,自动的流控使你不必重新设置,硬件与安装使用非常简单。
二、性能参数1、串口特性:接口兼容EIA/TIA的RS-232C,RS-485标准;2、电气接口:RS-232C端DB9孔型、连接口,RS-485端口DB9针型连接口、配接线柱(四位接线或六位接线);3、工作方式:异步半双工;4、传输介质:普通线、双绞线或屏蔽线;5、传输速率:300~11520BPS;6、传输距离:5m(RS-232c端)1200m(RS-485端);7、通讯协议:透明;8、工作环境:-10℃到85℃相对湿度为5%到95%;9、信号:RS-232:TXD、RXD、RTS、CTS、DTR、DSR、DCD、GND;RS-485:Date+/Date-,GND;三、接线和信号HEXIN-III转换器采用DB9型的母头连接口与RS232接口相连,另一端DB9公头连接器与RS485接口相连。
RS232C型引脚定义DB9Femsle 1 2 3 4 5 6 7 8RS232C DCD RXD TXD DTR GND DSR RTS CTS RS485引脚定义DB9Msle 1 2 3 4 5 6 RS485 Date- Date+ GND +5V-12V其他工作电源有两种情况:直接从RS232端口向3脚供电,同时由7(RTS)、4(DTR)脚给HEXIN-III型辅助供电,当RS232不能正常供电时,可由RS485端的DB9M6脚(+5V―+12V)和5脚(GND)供电。
产品资料:RS232/422/485光纤调制解调器/sort.asp 电路资料:电子发烧友网站(转载)RS232转RS485电路图/article/88/131/101/2007/200706095360.html本图为R232转RS485的通讯电路转换图点击查看放大的图纸自制无源RS232-485转换器一、RS-232、RS-422与RS-485的简单介绍RS-232、RS-422与RS-485都是串行数据接口标准,最初都是由电子工业协会(EIA)制订并发布的。
RS-232在1962年发布,命名为EIA-232-E,作为工业标准,以保证不同厂家产品之间的兼容。
其传送距离最大约为15米,最高速率为20kb/s,并且RS-232是为点对点(即只用一对收、发设备)通讯而设计的。
所以,RS232只适合于本地通讯使用。
RS-422由RS-232发展而来,它是为弥补RS-232之不足而提出的。
为改进RS-232通信距离短、速率低的缺点,RS-422定义了一种平衡通信接口,将传输速率提高到10Mb/s,传输距离延长到1200米(速率低于100kb/s时),并允许在一条平衡总线上连接最多10个接收器。
RS-422是一种单机发送、多机接收的单向、平衡传输规范,被命名为TIA/EIA-422-A标准。
为扩展应用范围,EIA又于1983年在RS-422基础上制定了RS-485标准,增加了多点、双向通信能力,即允许多个发送器连接到同一条总线上,同时增加了发送器的驱动能力和冲突保护特性,扩展了总线共模范围,后命名为TIA/EIA-485-A标准。
由于EIA提出的建议标准都是以RS作为前缀,所以在通讯工业领域,仍然习惯将上述标准以RS作前缀称谓。
RS-232、RS-422与RS-485标准只对接口的电气特性做出规定,而不涉及接插件、电缆或协议,在此基础上用户可以建立自己的高层通信协议。
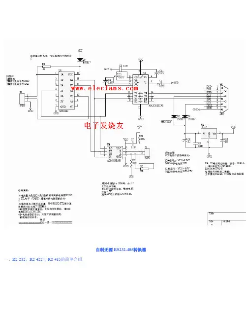
二、自制RS232-485转换器电路图:RS232-485转换器主要包括了电源、232电平转换、485电路三部分。
RS232转RS485串口远距离多机通信
应用客户企业:河南某煤矿有限公司
现场应用要求:
1.将5 台RS232 接口设备信号转换为RS485 信号进行通信。
2.通信距离最远1200 米左右。
3.通信速率在4800bps。
4.应用环境为地下矿井通信控制系统。
波仕提供的解决方案:
1.采用波仕485A 型RS232/485 转换器。
2.因为客户通信距离较远,节点较多。
故建议选用2~4 个端点式485A 和3~1 个节点式485A 无源串口转换器。
同时为了保证通信效果,避免外部环境电磁干扰的影响,故此建议选用带屏蔽的4 芯电缆。
屏蔽层作为地线、每2 股线并为一股,分别接信号A 和B。
波仕485A 的主要性能参数如下:
电源电压
无须供电
电气
接口
RS-232(DB-9 孔)
传输介质
双绞线(最好带屏蔽层并做为地线)。
RS232-RS485转换RS232接口与单片机AT89C51的电路连接RS 232是一种串行数据接口标准,是目前最常用的串行接口标准,用于计算机与计算机之间、计算机与外设之间的数据传输。
RS 232串行接口总线适用于设备之间通信距离不大于15 m,传输速率最大为20 KB/s。
RS 232串口是通过ST公司生产的ST3232EAR来实现的。
ST3232EAR是一种把电脑的串行口RS 232信号电平(-10V,+10 V)转换为单片机所用到的TTL信号电平(O V,+3.3 V)的芯片。
它的内部结构由三部分组成:第一部分是电荷泵电路,由1~6脚和4只电容构成。
其功能是产生+12 V和-12 V两个电源,为RS 232串口提供电平的需要。
第二部分是数据转换通道,由7~14脚构成2个数据通道。
其中,13脚(RR-IN1)、12脚(R-OUT1)、11脚(T-IN1)、14脚(RT-OUT1)为第一数据通道;8脚(RR-IN2)、9脚(R-OUT2)、10脚(T-IN3)、7脚(T-OUT2)为第二数据通道。
TTL/CMOS数据从TR-IN1,T-IN2输入转换成RS 232数据,从RT-OUT1,RT-0UT2送到电脑DP9插头;DP9插头的RS 232数据从RR-IN1,RR-IN2输入转换成TTL/CMOS数据后,从RT-OUT1,RT-OUT2输出。
第三部分是供电,由15脚GND、16脚VCC(+5 V)构成。
图7.2 通信模块(2)RS232接口与RS485接口的转换RS232-485转换器主要包括了电源、232电平转换、485电路三部分。
本电路的232电平转换电路采用了NH232或者也可以直接使用MAX232集成电路,485电路采用了MAX485集成电路。
为了使用方便,电源部分设计成无源方式,整个电路的供电直接从PC机的RS232接口中的DTR(4脚)和RTS(7脚)窃取。
PC串口每根线可以提供大约9mA的电流,因此两根线提供的电流足够供给这个电路使用了。
R S232/RS485转换器使用说明书一、 产品简介HEXIN-III 型转换器之间的双向接口的转换器,应用于主控机之间,主控机与单片机或外设之间构成点到点,点到多点远程多机通信网络,实现多机应答通信通信,广泛地应用于工业自动化控制系统,一卡通、门禁系统、停车系统、自助银行系统、公共汽车收费系统、饭堂售饭系统、公司员工出勤管理系统、公路收费站系统等等。
HEXIN-III 型转器,能够将RS-232串行口的TXD 和RXD 信号转换成两衡半双工的RS-485信号。
无需外接电源,可直接从RS-232端口的3脚窃电,同时由7脚请求发送(RTS ),4脚数据终端准备好(DTR )给HEXIN-III 辅助供电,自动的流控使你不必重新设置,硬件与安装软件使用非常简单。
二、 性能参数1、 串口特性:接口兼容EIA/TIA 的RS-232C ,RS-485标准。
2、 电气接口:RS-232端DB9孔型边接口,RS-485端DB9针型连接器、配接线柱(五位接线)。
3、 工作方式:异步半双工。
4、 传输介质:普通线、双绞线或屏蔽线。
5、 传输速率:300~115-21BDS 。
6、 传输距离:5米(RS-232端)1.200米(RS-485端)。
7、 通信协议:透明。
8、 工作环境:-10℃到85℃相对湿度为5%到95%。
9、 信号:RS-232:TXD 、RXD 、RTS 、CTS 、DTR 、DSR 、DCD 、CND ;RS-485:Date+、Date-。
GND 三、接线和信号:RS232端(DB9母头) RS485(DB9M 公头)HEIN-III 转换器采用DB9型的母头连接口与RS232接口相连,另一端DB9的公头连接器与RS485接口相连。
RS232引脚定义RS485引用脚定义其工作电源有两种情况:直接从RS232端口向3脚供电,同时,由7(RTS )、4(DTR )脚给HEXIIN-III 型辅助供电,当RS232不能正常供电时,可由RS485端的DB9M6(+12V )和5脚(GND )供电。
RS232与RS485串行接口转换电路及编程实现RS232和RS485都是串行通信接口,但它们在信号电平、传输距离和通信方式等方面有所不同。
RS232是一种单向通信的接口,常用于连接个人计算机和外部设备,如打印机、调制解调器等,信号电平为正负12V。
而RS485是一种半双工通信的接口,常用于远距离和多点通信,信号电平为正负2-6V。
为了实现RS232与RS485之间的转换,我们需要使用特定的电路和编程实现。
电路设计:1.信号电平转换:由于RS232和RS485的信号电平不同,所以我们需要使用电平转换电路将RS232的正负12V转换为RS485的正负2-6V。
这可以通过使用MAX202芯片来实现。
MAX202芯片是一个双向转换器,可以将RS232信号转换为RS485信号。
2.数据方向控制:RS485是一种半双工通信接口,需要通过数据方向控制线来实现发送和接收的切换。
可以使用一个双四极开关(如74HC4053)来控制数据方向。
其中A路和B路分别连接到RS485的A线和B线上,控制端连接到MCU的IO口。
3.电源供电:RS485通信线需要提供独立的5V供电,可以使用一个稳压芯片(如LM7805)来为RS485提供稳定的电源。
编程实现:1.初始化串口:在MCU上初始化串口,设置波特率、数据位、停止位等参数。
根据不同的MCU,具体的初始化方法会有所不同。
2.设置数据方向:根据发送或接收操作,通过控制IO口的电平来控制数据方向,将数据发送到RS485或从RS485接收数据。
3.发送数据:将要发送的数据写入串口缓冲区,并发送出去。
4.接收数据:通过轮询串口缓冲区检查是否有数据到达,若有数据则读取并进行相关处理。
总结:通过以上电路设计和编程实现,我们可以实现RS232与RS485之间的串行接口转换。
这样可以实现单向通信接口与远距离多点通信接口之间的互联。
在实际应用中,我们需要根据具体的系统需求和MCU的特性进行具体的电路和编程设计。
被控制232转换485的方法
在工业自动化控制系统中,常常需要通过串口进行数据通信。
其中,RS232和RS485是两种常见的串口通信标准。
由于RS485串口具备较长的传输距离和较高的抗干扰性能,因此在一些工业场合中被广泛应用。
然而,由于RS232和RS485之间的通信协议存在差异,因此需要使用转换器将RS232信号转换为RS485信号。
下面介绍一种被控制232转换485的方法:
1. 首先,需要选择一款合适的RS232转RS485转换器,并将其连接到需要进行通信的设备上。
2. 然后,需要在计算机或控制器中设置RS232串口的通信参数,包括波特率、数据位、停止位和校验位等。
3. 接下来,需要编写相应的程序代码,在程序中使用串口通信库进行数据的发送和接收。
在发送数据时,需要将数据通过RS232串口发送到转换器上,再由转换器将数据转换为RS485信号发送到目标设备上;在接收数据时,需要从RS485信号中获取数据,再通过转换器将数据转换为RS232信号发送到计算机或控制器上。
4. 最后,需要对通信进行测试,确保数据的准确传输和接收。
总之,被控制232转换485的方法需要选择合适的转换器、设置串口通信参数、编写程序代码和进行测试等多个步骤。
只有在每个步骤都正确操作,才能保证数据的可靠传输和接收。
- 1 -。
自制无源RS232-485转换器一、RS-232、RS-422与RS-485的简单介绍RS-232、RS-422与RS-485都是串行数据接口标准,最初都是由电子工业协会(EIA)制订并发布的。
RS-232在1962年发布,命名为EIA-232-E,作为工业标准,以保证不同厂家产品之间的兼容。
其传送距离最大约为15米,最高速率为20kb/s,并且RS-232是为点对点(即只用一对收、发设备)通讯而设计的。
所以,RS232只适合于本地通讯使用。
RS-422由RS-232发展而来,它是为弥补RS-232之不足而提出的。
为改进RS-232通信距离短、速率低的缺点,RS-422定义了一种平衡通信接口,将传输速率提高到10Mb/s,传输距离延长到1200米(速率低于100kb/s时),并允许在一条平衡总线上连接最多10个接收器。
RS-422是一种单机发送、多机接收的单向、平衡传输规范,被命名为TIA/EIA-422-A标准。
为扩展应用范围,EIA又于1983年在RS-422基础上制定了RS-485标准,增加了多点、双向通信能力,即允许多个发送器连接到同一条总线上,同时增加了发送器的驱动能力和冲突保护特性,扩展了总线共模范围,后命名为TIA/EIA-485-A标准。
由于EIA提出的建议标准都是以RS作为前缀,所以在通讯工业领域,仍然习惯将上述标准以RS作前缀称谓。
RS-232、RS-422与RS-485标准只对接口的电气特性做出规定,而不涉及接插件、电缆或协议,在此基础上用户可以建立自己的高层通信协议。
二、自制RS232-485转换器电路图:RS232-485转换器主要包括了电源、232电平转换、485电路三部分。
本电路的232电平转换电路采用了NIH232或者也可以直接使用MAX232集成电路,485电路采用了MAX485集成电路。
为了使用方便,电源部分设计成无源方式,整个电路的供电直接从PC机的RS232接口中的DTR(4脚)和RTS(7脚)窃取。
RS232转RS485转换器∙无源RS232转RS485转换器,无需外部供电。
∙独特设计的整体外壳结构,RS485接线稳定可靠。
∙支持高达230400bps的串口波特率。
∙CE认证标准设计。
∙经多种RS232接口兼容测试。
概述ZLAN9223E是一款先进的无源RS232转RS485转换器。
与市面上其它无源的RS232-485转换器相比具有如下优点:1.支持最高达230400bps的波特率。
高波特率下供电能力强,长时间通信不产生任何误码。
市面上一般的RS232-485转换最高只能达到57600bps,在115200bps下将无法工作。
2.独特的外观设计,无外露的电路板。
传统的RS23/485转换器,RS485这端采用DB9转端子,这种方式会将电路板裸露在外,不仅不好看也容易漏电、腐蚀。
ZLAN9223E采用整体式外壳,端子式RS485接线加法兰安装,外形美观、坚固又安全。
3.强大的各类RS232接口兼容性,内置4路电荷泵充电电路,不仅从两个流控引脚上窃电而且从TXD引脚上窃电。
可以兼容如下的RS232设备:(1)各类具有标准RS232电平(比如具有MAX232接口芯片)和流控脚(DTR和RTS)的RS232仪器设备。
包括双芯片的USB转RS232转换器,例如PL2303双芯片USB线。
(2)某些不含有流控脚(DTR和RTS都悬空),只有RXD、TXD、GND这3根线的RS232设备。
只要这RXD、TXD、GND是标准的RS232电平,即可工作。
(3)某些非标准RS232电平的USB转串口线,比如用单芯片的CH340的USB转232线。
只要流控线存在,即可和ZLAN9223E通信。
只有一种情况的RS232接口无法和ZLAN9223E通信,那就是使用TTL电平的RS232接口(比如单芯片CH340的USB转232),且没有流控线引出来的。
但是这种RS232很少见。
4.通过CE认证,按出口欧洲的标准设计。
232转485原理图232转485原理图是指将RS-232接口信号转换为RS-485接口信号的电路原理图。
RS-232接口是一种常见的串行通信接口标准,而RS-485接口则是一种多点传输的半双工通信标准。
在实际应用中,由于RS-485接口的抗干扰能力强、传输距离远等优点,因此需要将RS-232接口信号转换为RS-485接口信号,以满足特定的通信需求。
232转485原理图的设计需要考虑到信号的转换、电气特性匹配、抗干扰能力等因素。
首先,需要将RS-232接口的信号转换为RS-485接口的信号。
这涉及到信号的电平、波特率、数据位、停止位等参数的转换和匹配。
其次,还需要考虑到RS-485接口的多点传输特性,以及在多点传输时可能出现的信号冲突、抗干扰能力等问题。
因此,在设计232转485原理图时,需要综合考虑这些因素,确保转换后的信号能够稳定可靠地传输。
在实际的232转485原理图设计中,通常会采用电平转换芯片、驱动芯片、线路终端电阻等元器件。
电平转换芯片用于将RS-232接口的信号转换为RS-485接口的信号,同时进行电平匹配和逻辑电平转换。
驱动芯片用于驱动RS-485接口的发送端,提供足够的驱动能力和抗干扰能力。
线路终端电阻则用于匹配传输线路的特性阻抗,提高信号的抗干扰能力和传输稳定性。
除了硬件电路设计外,232转485原理图的设计还需要考虑到软件控制和通信协议。
在实际应用中,通常会使用特定的通信协议来规定数据的格式、传输方式、错误检测和纠正等内容。
同时,还需要在微控制器或单片机中编写相应的驱动程序,实现对232转485原理图的控制和数据传输。
总的来说,232转485原理图的设计涉及到硬件电路设计、电气特性匹配、抗干扰能力、软件控制和通信协议等多个方面。
在设计过程中,需要综合考虑这些因素,确保转换后的信号能够稳定可靠地传输,满足特定的通信需求。
同时,还需要对设计的232转485原理图进行严格的测试和验证,确保其在实际应用中能够正常工作。
IRFP250自制无源RS232-485转换器一、RS-232、RS-422与RS-485的简单介绍RS-232、RS-422与RS-485都是串行数据接口标准,最初都是由电子工业协会(EIA)制订并发布的。
RS-232在1962年发布,命名为EIA-232-E,作为工业标准,以保证不同厂家产品之间的兼容。
其传送距离最大约为15米,最高速率为20kb/s,并且RS-232是为点对点(即只用一对收、发设备)通讯而设计的。
所以,RS232只适合于本地通讯使用。
RS-422由RS-232发展而来,它是为弥补RS-232之不足而提出的。
为改进RS-232通信距离短、速率低的缺点,RS-422定义了一种平衡通信接口,将传输速率提高到10Mb/s,传输距离延长到1200米(速率低于100kb/s时),并允许在一条平衡总线上连接最多10个接收器。
RS-422是一种单机发送、多机接收的单向、平衡传输规范,被命名为TIA/EIA-422-A标准。
为扩展应用范围,EIA又于1983年在RS-422基础上制定了RS-485标准,增加了多点、双向通信能力,即允许多个发送器连接到同一条总线上,同时增加了发送器的驱动能力和冲突保护特性,扩展了总线共模范围,后命名为TIA/EIA-485-A标准。
由于EIA提出的建议标准都是以RS作为前缀,所以在通讯工业领域,仍然习惯将上述标准以RS作前缀称谓。
RS-232、RS-422与RS-485标准只对接口的电气特性做出规定,而不涉及接插件、电缆或协议,在此基础上用户可以建立自己的高层通信协议。
二、自制RS232-485转换器电路图:RS232-485转换器主要包括了电源、232电平转换、485电路三部分。
本电路的232电平转换电路采用了NIH232或者也可以直接使用MAX232集成电路,485电路采用了MAX485集成电路。
为了使用方便,电源部分设计成无源方式,整个电路的供电直接从PC机的RS232接口中的DTR(4脚)和RTS(7脚)窃取。
工业现场应用中存在诸多总线应用情况,例如RS-232和RS-485转换且双向隔离、RS-485与RS-422接口共用,本文将为大家介绍这一类应用的方案,不仅简单方便,而且可以提高通信的可靠性。
一、高性能的RS-232与RS-485双向转换电路图1:RS-232/RS-485双向转换模块图1右侧所示为RS-232/RS-485总线双向转换模块,不仅体积大速度慢,而且RS-232和RS-485总线之间也没有实现隔离。
图1左侧所示为MPM11T 模块,通过如图2所示的简单连接即可实现RS-485与RS-232总线的自动切换。
图2 RS-232转RS-485接口MPM11(A)T 是集成RS-232和RS-485收发器,体积仅为24.98mm×16.9mm×7.1mm ,其RS-485接口通信速度为250kbps ,RS-232的通信速度为120kbps ,因此使用MPM11(A)T 可以实现最高120kbps 的RS-232与 RS-485双向转换速度,如图3、图4和图5所示为使用MPM11T 实现RS-232和RS-485双向转换的通信波形,可以看出总线波形质量良好。
图3:MPM11T 实现RS-485与RS-232双向转换通信波形1简单易用的RS -232、RS -485与RS -422转换方案图4:MPM11T 实现RS-485与RS-232双向转换通信波形2图5:MPM11T 实现RS-485与RS-232双向转换通信波形3MPM11(A)T 模块不仅输入与输出之间隔离,输出RS-232通道与RS-485通道之间也相互隔离,并且具有较高的EMC 防护能力,裸机情况下,RS-485接口和RS-232接口可以承受接触静电±4kV ,共模浪涌±2kV 。
如果需要更高等级可以参考MPM11(A)T 数据手册推荐保护电路,使用推荐保护电路后RS-485接口和RS-232接口可以承受接触静电±8kV ,共模浪涌±4kV ,差模浪涌±2kV 。
产品外形及端子信号定义:RS485/422接线端子信号定义信号名说明针号信号名说明D+ RS485信号正 1 +5V 外接5V辅助电源,可不用D- RS485信号负 2 RXD RS232信号接收TXD+ RS422信号发送正 3 TXD RS232信号发送TXD- RS422信号发送负 4 DTR 数据终端准备好,已与6短接RXD+ RS422信号接收正 5 GND 信号地RXD- RS422信号接收负 6 DSR 据设备准备好,已与4短接SG 信号地7 RTS 请求发送,已与8短接FG 屏蔽地(机壳地)8 CTS 允许发送,已与7短接9 不用不用FS-485C与设备的RS232口的连接:FS-485C可连接任何RS232串口,本产品的RS232插座是按标准的DTE接口定义的,连接标准DCE接口可用直通电缆连接,连接象电脑这样的DTE接口需做一条交叉电缆,如下图所示,随产品已配有该电缆。
对于其它未按标准信号排列的RS232口,用户按照"发送连接收,接收连发送"的原则连接即可。
FS-485C可用于点到点通信和多点通信,除可连接多个其它RS485/422接口外,也可将多达128个RS232口组成RS485或RS422通信网络,其通信距离可达2公里,各节点的地址由设备的内部程序确定。
如使用屏蔽双绞线,请将屏蔽层接到产品的"FG"端子上。
1、二线半双工RS485通信网络:将FS-485C转换器上的RS485和RS422选择开关K1拨到"485",将网络的始端和终端的FS-485C上的终端电阻设置开关K2拨到"R",网络上的其它FS-485C上的终端电阻设置开关K2拨到"OFF"。
2、四线全双工RS422通信网络将FS-485C转换器上的RS485和RS422选择开关K1拨到"422",将网络的始端和终端的FS-485C上的终端电阻设置开关K2拨到"R",网络上的其它FS-485C 上的终端电阻设置开关K2拨到"OFF"。
初学习西门子S7-200PLC时,没有编程线缆,我都是用这种方法连接S7-200的PLC进行在线连接的。
一般工控机都是带232的COM口,当时我用232转485的转换器一个,D型9针公插头,3接正,8接负,自己焊就行。
如果有条件,232转485的转换器最好选一好的,带隔离的。
当时测试了好几个厂家有源和无源的转换器,大部分都通信不正常,但和西门子MM4系列变频器通信都很正常,可能存在点兼容性,所以楼主的232/485转换器还需要进行实际测试才能知道能用不能用,通信不正常时可以多试几个厂家。
我最后用的是研华ADAM4520,缺点就是4520体积有点大,加个串口延长线就方便多了。
有条件的,插头可选DP接头,正接绿色B1,负接红色A1。
PG/PC接口选择PC/PPI?cable(PPI).如果你是笔记本,没用串口,可以买条力特的USB转串口的线缆,我用的是力特的533A线缆,测试没问题,一直在用。
Rs232 转Rs485 接线图
rs232 是个人计算机上的通讯接口之一,由电子工业协会(Electronic Industries AssociaTIon,EIA)所制定的异步传输标准接口。
通常RS-232 接
口以9 个引脚(DB-9)或是25 个引脚(DB-25)的型态出现,一般个人
计算机上会有两组RS-232 接口,分别称为COM1 和COM2。
智能仪表是随着80 年代初单片机技术的成熟而发展起来的,现在世界仪表市场基本被智能仪表所垄断。
究其原因就是企业信息化的需要,企业在仪表选型时其中的一个必要条件就是要具有联网通信接口。
最初是数据模拟信号输出简单过程量,后来仪表接口是RS232 接
口,这种接口可以实现点对点的通信方式,但这种方式不能实现联网功能。
随后出现的RS485 解决了这个问题。
RS232 TO RS485 连接口电路图介绍:。
RS232-RS485无源转换器将RS-232接口转换成两线半双工RS-485接口,串口取电技术,无需外供电源。
一、产品特性●串口取电,无需RTS、DTR辅助供电;●独有的串口保护电路,可带电热插拔;●通信距离可达1千米(9.6Kbps);●支持128节点轮询网络结构;二、产品图片及接口介绍如上图所示:RS-232端(DB9孔):连接到计算机DB9Z针RS-232接口,也可以与其它RS-232串口连接串口RS-485端(蓝色欧式端子):信号介绍如上图所示。
跳线J1:120欧终端电阻跳线。
断开(OPEN):终端电阻断开。
短接(CLOSE):终端电阻接入。
匹配电阻,RS-485是差分电平通信,在距离较长或速率较高时,线路存在回波干扰,此时需要在通信线路首末两端并联120Ω匹配电阻。
匹配电阻会降低线路带负载能力,我们推荐在通信速率大于19.2K或线路长度大于200米时,才需加接匹配电阻。
接地说明,RS-485要求通信双方的地电位差小于1V,所以建议一定要将两边的信号地相连,但该信号地不要接大地。
三、应用示例:1、点到点两线半双工通讯2、点到多点两线半双工通讯为防止信号的反射和干扰,长距离传输时需在线路的终端加装匹配电阻。
四、附赠救火车工作室串口调试软件1.2。
使用电脑和485总线连接,进行通讯调试时,可以使用本软件,软件界面如下图:五、技术支持联系方式秦皇岛千目电子有限公司地址:河北省秦皇岛市海港区和平大街和平E站424室技术服务QQ:849046309(救火车)主要技术支持方式邮箱:**************MSN:***************。
RS232与RS485的转换方法核心提示:有三种方法可以使用。
1:简单的转换方式。
2:接收端缓冲存储器控制转换方式。
3:接收端缓冲存储器加RTS信号控制转换方式。
两线连接的RS485控制方式只能采用(2)或(3)方式。
不能用第1种方式。
四线连接方式可以任意使用以上3种方式转换。
图2表示第2种转换方式。
其有三种方法可以使用。
1:简单的转换方式。
2:接收端缓冲存储器控制转换方式。
3:接收端缓冲存储器加RTS信号控制转换方式。
两线连接的RS485控制方式只能采用(2)或(3)方式。
不能用第1种方式。
四线连接方式可以任意使用以上3种方式转换。
图2表示第2种转换方式。
其中(a)是接收缓冲存储器接收控制端。
当PC机发送数据时,(a)控制端可以避免RS485产生数据冲突。
图3表示第3种转换方式。
图中(b)是RTS控制端,当PC机接受数据时,RTS信号被机活因此PC机发送数据被延迟。
总之,通过(a)和(b)信号的控制,可以避免数据在发送和接受时发生冲突。
图1:简单转换方式:图2:接收端缓冲存储器控制方式。
图3:接收端缓冲存储器加RTS信号控制转换方式。
一、RS-232、RS-422与RS-485的简单介绍RS-232、RS-422与RS-485都是串行数据接口标准,最初都是由电子工业协会(EIA)制订并发布的。
RS-232在1962年发布,命名为EIA-232-E,作为工业标准,以保证不同厂家产品之间的兼容。
其传送距离最大约为15米,最高速率为20kb/s,并且RS-232是为点对点(即只用一对收、发设备)通讯而设计的。
所以,RS232只适合于本地通讯使用。
RS-422由RS-232发展而来,它是为弥补RS-232之不足而提出的。
为改进RS-232通信距离短、速率低的缺点,RS-422定义了一种平衡通信接口,将传输速率提高到10Mb/s,传输距离延长到1200米(速率低于100kb/s时),并允许在一条平衡总线上连接最多10个接收器。
RS232/RS485应用分析
一、通信概述
通信设备从早期的邮件,电报,电话,传真,传呼机,手机,电脑,一路发展下来,而且随着科技的发展,世界必将由一个网络组成,所以,在未来开发的设备中,也必然要求大部分的设备都带有通信的功能。
设备与设备之间互相通信,就要有一座桥梁把二者连接起来,那就是传输通路与通信协议。
传输通路由传输介质与传输接口组成,传输介质可分为有线和无线传输介质两大类。
有线传输介质在数据传输中只作为传输介质,而非信号载体。
计算机网络中流行使用的有线传输介质为:铜线和玻璃纤维。
铜线具有便宜,安装容易的特点,在现在工业应用中普遍应用,在应用中主要有两种基本的铜线类型:双绞线和同轴电缆。
双绞线可减小流过电流所辐射的能量,也可防止来自其他通信线路上信号的干扰,对于一些要求比较高的项目上,还需要给双绞线加上屏蔽层;同轴电缆由一对同轴导线组成。
同轴电缆频带宽,损耗小,具有比双绞线更强的抗干扰能力和更好的传输性能。
按阻抗值不同,同轴电缆可分为基带和宽带两种,同轴电缆是目前局域网与有线电视网中普遍采用的比较理想的传输介质。
所谓玻璃纤维介质,就是指现在所流行的光纤传输,他的两边有一个激光发生器与一个激光接收器,组成一整套通信线路,由于光纤传输距离远,因此现很多在工程都是采用“光端机+光纤”的模式。
结合我在工程中经常应用的通信模式,与“51CPLD开发板”上具有的RS232通信、RS485通信两种,详细讲解下这两种通信方式的应用。
二、什么是RS232接口
首先介绍下什么是RS232接口,什么是RS485接口。
RS232接口是1970年由美国电子工业协会(EIA)联合贝尔系统、调制解调器厂家及计算机终端生产厂家共同制定的用于串行通讯的标准。
它的全名是“数据终端设备(DTE)和数据通讯设备(DCE)之间串行二进制数据交换接口技术标准”该标准规定采用一个25个脚的 DB25连接器,对连接器的每个引脚的信号内容加以规定,还对各种信号的电平加以规定。
DB25的串口一般只用到的管脚只有2(RXD)、3(TXD)、7(GND)
这三个,随着设备的不断改进,现在DB25针很少看到了,代替他的是DB9的接口,DB9所用到的管脚比DB25有所变化,是2(RXD)、3(TXD)、5(GND)这三个。
因此现在都把RS232接口叫做DB9。
元器件常识:市场上把公头的接插件叫做DRXX,母头的叫DBXX,比如我们电脑上的串口,在市场上叫做DR9,不是DB9,很多人都误叫做DB9,实际上的DB9是两个把两个DR9互相连接在一起的接口。
在文章中,我把所有的串口设备接口都统一叫做RS232接口。
三、什么是RS485接口
由于RS232接口标准出现较早,难免有不足之处,主要有以下四点:(1)接口的信号电平值较高,易损坏接口电路的芯片,又因为与TTL 电平不兼容故需使用电平转换电路方能与TTL电路连接。
(2)传输速率较低,在异步传输时,波特率为20Kbps;因此在“51CPLD开发板”中,综合程序波特率只能采用19200,也是这个原因。
(3)接口使用一根信号线和一根信号返回线而构成共地的传输形式,这种共地传输容易产生共模干扰,所以抗噪声干扰性弱。
(4)传输距离有限,最大传输距离标准值为50英尺,实际上也只能用在50米左右。
针对RS232接口的不足,于是就不断出现了一些新的接口标准,RS-485就是其中之一,它具有以下特点:
1. RS-485的电气特性:逻辑“1”以两线间的电压差为+(2—6) V表示;逻辑“0”以两线间的电压差为-(2—6)V表示。
接口信号电平比RS-232降低了,就不易损坏接口电路的芯片,且该电平与TTL电平兼容,可方便与TTL 电路连接。
2. RS-485的数据最高传输速率为10Mbps 。
3. RS-485接口是采用平衡驱动器和差分接收器的组合,抗共模干能力增强,即抗噪声干扰性好。
4. RS-485接口的最大传输距离标准值为4000英尺,实际上可达 3000米,另外RS-232接口在总线上只允许连接1个收发器,即单站能力。
而RS-485接口在总线上是允许连接多达128个收发器。
即具有多站能力,这样用户可以利用单一的RS-485接口方便地建立起设备网络。
因为RS485接口组成的半双工网络,一般只需二根连线(我们一般叫AB线),所以RS485接口均采用屏蔽双绞线传输。
四、RS232/RS485转换电路
由于有的设备是232接口的,有的是485接口的,如果有一台232接口的设备与一台485接口的设备通信,那就需要一个转换器,把232接口的设备的232信号转换成485信号,然后再与485接口的设备通信,这个转换器就是RS232/RS485转换电路。
如果是两台232接口的设备要进行远距离的通信,那只要加上两个RS232/RS485转换电路就可以了。
以上的RS232/RS485转换电路上采用从计算机串口偷电技术,市场上称之为“无源RS232/RS485转换电路”,而“有源RS232/RS485转换电路”,电路原理图与上图差不多,只是电源部分改点而已,有兴趣的朋友可以到网上搜索下这方面的资料,很多的。
面对市场,我们提供“无源RS232/RS485转换电路”、“有源RS232/RS485转换电路”,对于工程应用上,我们还有导轨式的安装方式,工程上安装、维护都比较方便。
有做工程的朋友如果有需要,可以跟我或者我们公司销售部联系。
五、485工作站
由于232是点对点的通信,不能实现多机之间互相通信,而485就可以实现多机通信,因此,越来越被多数工程师所采用。
485工作站示意图如图
现在市场上有很多设备都同时带有232接口与485接口,比如华为的光端机。
很多设备都说带485接口,其实就是把S232/RS485转换电路集成到设备上。
示意图中,也可以把PC机当成一个终端设备。
在整个工作站中,只要终端设备具有共同收与发的协议,中间的区别只是设备地址不同的话,那任意一个终端设备都可以对其他终端设备进行操作。
这个跟我们电脑网络中的局域网很像吧,时不时的到“网上邻居”玩玩也是挺好玩的。
六、工程应用案例一:高速公路监控系统
在高速公路收费站,一般在它附近两公里内,必然要安装一些必要的监控设备,以便及时掌握路况信息,并对突发事件进行处理。
监控设备到监控中心,通信线路很多采用多种方式,有光纤传输,232接口加猫,485工作站方式等等。
这里主要对工作站方式做个说明。
第一,监控中心有PC机,PC机主要是对底下终端设备操作,有下发指令与读取数据的功能。
第二,终端设备一般有线圈式车辆检测器,微波车检器,广场云台摄像机,气象仪,可变情报板,可变限速标志,外场监视摄像机,等等。
第三,PC机通过不同的协议就可以跟这些终端设备进行通信。
实际上,在工程上很多都是采用光端机传送的,加入光端机的方法也是非常简单的,只要串在AB线两端即可。