灌砂法密度
- 格式:xls
- 大小:39.00 KB
- 文档页数:2
灌砂法
(倒算顺序)
《1》、相对密度根据图纸提供,一般在≥0.75或者≥0.80左右,
再以实验室给出的最大最小干密度以及控制密度计算
公式:(实测干密度—最小干密度)×最大干密度
————————÷—————————=相对密度
(最大干密度—最小干密度)×实测干密度
《2》、控制干密度最值按实验室给出的间距值随意取出,不等超出或小于给出的数值。
《3》、平均含水率最值(灌砂法)一般在4~8之间(保留一位小数。
例:4.5)。
《4》、含水率取值同样在4~8之间(保留一位小数),两个含水率差值不得大于0.5。
《5》、干试样质量(干土质量)最值(灌砂法)一般在500左右。
《6》、水质量=干试样质量×含水率÷100
《7》、盒质量+干试样质量=干试样质量+盒质量
注:盒质量根据盒号现场称重得出盒质量。
《8》、盒质量+湿土质量=盒质量+干试样质量+水质量。
《9》、湿密度=〔(平均含水率×0.01〕+1〕×干密度
《10》、试坑内湿土质量取值(灌砂法)一般在6000~8000左右。
《11》、试坑体积=试坑内湿土质量÷湿密度
《12》、试坑耗砂质量=试坑体积×标准砂密度
《13》、量砂容器质量+原有量砂质量取值一般在10000以上。
《14》、量砂容器质量+剩余量砂质量=量砂容器质量+原有量砂质量—试坑耗砂质量
实验员:石志强(著)。
灌砂法及环刀法测压实度(带计算过程)灌砂法测压实度最大干密度1.861g/cm³最佳含水率10.6%椎体砂质量728克标准砂密度1.344g/cm³环刀体积200cm³一、灌砂法1、(灌砂筒质量+砂质量)-(剩余筒+砂质量)-椎体砂质量=洞内砂质量2、洞内砂质量÷标准砂密度=洞体积3、湿土质量÷洞体积=湿密度4、湿密度÷(1+含水率%)=干密度5、干密度÷最大干密度=压实度二、环刀法1、称量环刀质量2、(环刀+湿土质量)-环刀质量=刀内湿土质量3、刀内湿土质量÷环刀体积=湿密度4、湿密度÷(1+含水率%)=干密度5、干密度÷最大干密度=压实度三、测含水率简易方法1、先称量铁盒质量;2、把取得的湿土,取出适当量放进铁盒内称量(盒+湿土)质量;3、(铁盒+湿土)-铁盒=湿土质量4、把酒精倒进铁盒刚没过湿土,点燃酒精可以轻轻搅拌。
待酒精熄灭后再次加入酒精点燃。
观察土是否已干。
5、称量(铁盒+干土)质量6、(铁盒+湿土)-(铁盒+干土)=水质量7、(铁盒+干土)-铁盒质量=干土质量8、水质量÷干土质量=含水率一、试验内容及要求:路基路面施工或验收时对其施工压实质量进行检测,通过试验要求学生掌握路基路面压实度检测的各种方法,并能熟练进行现场检测。
灌砂法是利用均匀颗粒的砂去置换试洞的体积,它是当前最通用的方法,很多工程都把灌砂法列为现场测定密度的主要方法。
该方法可用于测试各种土或路面材料的密度,它的缺点是:需要携带较多的量砂,而且称量次数较多,因此它的测试速度较慢。
采用此方法时,应符合下列规定:(1)当集料的最大料径小于15cm、测定层的厚度不超过150mm时,宜采用100mm的小型灌砂筒测试。
(2)当集料的粒径等于或大于15mm,但不大于40mm,测定层的厚度超过150mm,但不超过200mm时,应用150mm的大型灌砂筒测试。
灌砂法1目的与适用范围:适用于现场测定细粒土、砂类土和砾类土的密度。
试样的最大粒径一般不得超过15mm,测定密度层的厚度为150~200mm。
2仪器标定:2.1确定灌砂筒下部圆锥体内砂的质量2.1.1在储砂筒内装满砂,筒内砂的高度与筒顶的距离不超过15mm,称筒内砂的质量m1,准确至1g。
每次标定及以后的试验都维持该质量不变。
2.1.2 将开关打开,让砂流出,并使流出砂的体积与工地所挖试洞的体积相当(或等于标定罐的容积);然后关上开关,并称量筒内砂的质量m5,准确至1g。
2.1.3 将灌砂筒放在玻璃板,打开开关,让砂流出,直到筒内砂不再下流时,关上开关,并小心地取走灌砂筒。
2.1.4 收集并称量留在玻璃板上的砂或称量筒内的砂,准确至1g。
玻璃板上的砂就是填满灌砂筒下部圆锥体的砂。
2.1.5 重复上述测量,至少3次;最后取平均值m2,准确至1g。
2.2确定量砂的密度2.2.1用水确定标定罐的容积V。
(1)将空罐放在台秤上,使罐的上口处于水平位置,读记罐质量m7,准确至1g。
(2)向标定罐中灌水,注意不要将水弄到台秤上或罐的外壁;将一支持放在罐顶,当罐中水面快要接近直尺时,用滴管往罐中加水,直到水面接近直尺;移去直尺,读记罐和水的总质量m8。
(3)重复测量时,仅需用吸管从罐中取出少量水,并用滴管重新将水加满到接触直尺。
(4)标定罐的体积按下式计算:V=(m8-m7)/ρW2.2.2 在储砂筒中装入质量为m1的砂,并将罐砂筒放在标定罐上,打开开关,让砂流出,直到储砂筒内的砂不再下流时,关闭开关;取下灌砂筒,称筒内剩余的砂质量,准确至1g。
2.2.3 重复上述测量,至少3次,最后取其平均值m3,准确至1g。
2.2.4 按下式计算填满标定罐所需砂的质量ma;ma =m1-m2-m3m1——罐砂入标定罐前,筒内砂的质量(g);m2——罐砂筒下部圆锥体内砂的平均质量(g);m3——罐砂入标定罐后,筒内剩余砂的质量(g)2.2.5 按下式计算量砂的密度ρs:ρs =ma/V3试验步骤:3.1在试验地点,选一块约40cm×40cm的平坦表面,并将其打扫干净;将基板放在此平坦表面上;如此表面的粗糙度较大,则将盛有量砂m5的灌砂筒放在基板中间的圆孔上;打开罐砂筒开关,让砂流入基板的中孔内,直到储砂筒内的砂不再下流时关闭开关;取下罐砂筒,并称筒内砂的质量m6,准确至1g。
公式:试样的密度(ρо)=试样的质量(MP)÷(所用标准砂的质量(MS)÷标准砂的密度(PS));试样的干密度(ρd)={试样的质量(MP)÷(1+0.01ω)} / (标准砂的质量(MS)÷标准砂的密度(PS))。
注:ω—试样含水率,%。
1、按灌水法试验中挖坑的步骤依据尺寸挖好试坑,称试样质量,测定试样的含水率;2、向容砂瓶内注满砂,关阀门,称容砂瓶,漏斗和砂的总质量,准确至10g;3、密度测定器倒置于挖好的空口上,打开阀门,使砂注入试坑。
在注砂过程中不应震动。
当砂注满试坑时关闭阀门,称容砂瓶、漏斗和余砂的总质量,准确至10g,并计算注满试坑所用的标准砂质量;扩展资料:灌砂法的使用条件:本试验适用于现场测定细粒土、砂类土、和砾类土的密度。
试样最大粒径一般在5mm-60mm之间。
测定密度层的厚度为150mm—200mm。
(标准方法,但不适用于填石路堤等有大孔洞或大孔隙材料的压实度检测)基本原理是利用粒径0.30~0.60mm或0.25~0.50mm清洁干净的均匀砂,从一定高度自由下落到试洞内,按其单位重不变的原理来测量试洞的容积(即用标准砂来置换试洞中的集料),并结合集料的含水量来推算出试样的实测干密度。
注意:①在试验地点,选一块平坦表面,并将其清扫干净,其面积不得小于基板面积。
②将基板放在平坦表面上。
当表面的粗糙度较大时,则进行现场锥体填砂的标定。
③将基板放回清扫干净的表面上,沿基板中孔凿洞(洞的直径与灌砂筒一致)。
在凿洞过程中,应注意勿使凿出的材料丢失,并随时将凿出的材料取出装入塑料袋中,不使水分蒸发,也可放在大试样盒内。
试洞的深度应等于测定层厚度,但不得有下层材料混入,最后将洞内的全部凿松材料取出。
对土基或基层,为防止试样盘内材料的水分蒸发,可分几次称取材料的质量。
全部取出材料的总质量为,准确至1g。
灌砂法标准砂密度灌砂法是一种用于测定土壤孔隙比的方法,通过对土壤进行灌砂,然后测定灌砂后土壤的密度,从而计算出土壤的孔隙比。
而砂密度则是灌砂法中非常重要的参数之一,它直接影响着土壤的孔隙比计算结果。
因此,正确测定和控制砂密度对于灌砂法的准确性和可靠性至关重要。
首先,砂密度的测定需要进行一系列的准备工作。
在进行实验之前,需要准备好所需的设备和材料,包括灌砂装置、砂子、土壤样品、天平、容器等。
同时,还需要对实验环境进行合理的调节和控制,确保实验的准确性和可重复性。
这些准备工作的质量和细致程度直接影响着后续实验结果的可靠性。
其次,进行砂密度的测定实验时,需要严格按照标准操作规程进行。
首先,将土壤样品放入容器中,并用灌砂装置进行灌砂,直到砂子完全填满土壤孔隙。
然后,测量灌砂前后容器的重量差,再根据容器的体积和砂子的质量计算出土壤的砂密度。
在进行实验时,需要注意操作的细节和精度,确保实验结果的准确性。
此外,砂密度的测定结果需要进行合理的分析和处理。
在实验结束后,需要对实验数据进行统计和分析,计算出平均值和标准差等统计参数,评估实验结果的可靠性和稳定性。
同时,还需要将实验结果与标准要求进行比较,判断实验是否符合要求,是否需要进行修正和改进。
最后,砂密度的测定结果需要进行合理的记录和报告。
在实验结束后,需要将实验过程、数据和结果进行详细的记录和整理,形成实验报告。
实验报告应包括实验目的、方法、数据、结果、分析和结论等内容,清晰地展现实验过程和结果。
同时,还需要对实验中存在的问题和不确定性进行讨论和总结,为后续工作提供参考和借鉴。
总之,灌砂法标准砂密度的测定是灌砂法实验中非常重要的一环,它直接影响着土壤孔隙比的计算结果。
正确测定和控制砂密度对于保证灌砂法实验结果的准确性和可靠性至关重要。
因此,在进行砂密度的测定时,需要进行充分的准备工作,严格按照标准操作规程进行,合理分析和处理实验结果,并进行详细的记录和报告。
灌砂法压实度计算公式路基压实度K=ρ干密度/ρ最大干密度×100最大干密度为最佳含水率对应的密度;ρ干密度=ρ湿密度/(1+0.01ω);ω为路基现场土的含水率;ρ湿密度=m土/v土,其中m土由天平现场称得,v土通过量砂获得,具体公式为ρ湿密度=m土×ρ砂/m砂;ρ砂为之前就通过量砂标定确定好的量砂密度;m砂为试坑中量砂的质量;m土为试坑中土的质量;具体可以查看相关规范.压实度是一个干密度比较值。
先在实验中测定标准干密度,再计算工地取样的干密度,进行比较。
压实度=工地试件干密度/标准干密度(100%)干密度土的孔隙中完全没有水时的密度,称干密度;是指土单位体积中土粒的重量,即:固体颗粒的质量与土的总体积之比值。
干密度反映了土的孔隙生,因而可用以计算土的孔隙率,它往往通过土的密度及含水率计算得来,但也可以实测。
土的干密度一般常在1.4~1.7 g/cm3。
在工程上常把干密度作为评定土体紧密程度的标准,以控制填土工程的施工质量。
湿密度岩石的密度与组成岩石矿物密度,空隙和吸水有关。
根据岩石试样含水状态不同,可分为天然密度,饱和密度和干密度三种,前两种称为岩石的湿密度。
天然密度是指岩石在天然状态下的密度,饱和密度指岩石在吸水饱和状态下的密度。
干密度是在105‘C到110’C下干燥24小时后的密度。
1.土力学中的湿密度(天然密度)天然密度以下式表示:g/cm3土的密度取决于土粒的密度,孔隙体积的大小和孔隙中水的质量多少,它综合反映了土的物质组成和结构特征。
砂土一般是1.4 g/cm3粉质砂土及粉质粘土1.4 g/cm3粘土为1.4 g/cm3泥炭沼泽土:1.4 g/cm3土的密度可在室内及野外现场直接测定。
室内一般采用“环刀法”测定,称得环刀内土样质量,求得环刀容积;两者之比值。
压实度是一个干密度比较值。
先在实验中测定标准干密度,再计算工地取样的干密度,进行比较。
压实度=工地试件干密度/标准干密度(100%)干密度土的孔隙中完全没有水时的密度,称干密度;是指土单位体积中土粒的重量,即:固体颗粒的质量与土的总体积之比值。
(1).测定土的密度方法有:环刀法,灌砂法,电动取土器法,封蜡法,灌水法。
(2).灌砂法实验步骤:1.应先标定灌砂筒内的质量m1,量砂密度þs。
2.在实验地点,选一块40cm*40cm的平坦表面,并将其清扫干净。
将基板放在此平坦便面上,如此表面的粗糙度较大,则将盛有量砂m5的砂筒放在基板中间的圆孔上,打开灌砂筒开关,让砂流入基板的中孔,直到灌砂筒内的砂不也在下流时关闭开关,成筒内砂的质量m6。
3.取走基板,将留在试验地点的量砂收回,将基板放在清扫干净的表面上,沿基板中孔凿洞,并随着将凿松的材料取出,放在塑料袋内,密封,试洞的适度应等于碾压层的厚度,称塑料袋内全部试验的质量m1。
4.从挖出的试样中取有代表性的样品,测含水率。
5.将基板放在试坑上,将灌砂筒法在基板中间,打开灌砂筒开关,让砂流入试洞内。
待砂不再流动时,关闭开关,称量筒内剩余砂的质量m4。
6.如清扫干净的平坦表面,将灌砂筒放在基板中间,打开灌砂筒直接放在以挖好的试洞内,打开筒的开关,让砂流入试洞内。
余砂记m27.整理结果:有基板mb=m1-m4-(m5-m6) 无基板mb=m1-m4-m2湿密度:þ=mt/mb*þs 干密度:þd=þ/(1+含水率)环刀法实验步骤:1.按工程需要取原状土或制备所需状态达到扰动土样,整平两端,环刀内壁涂一薄膜层凡士林,刀口向下放在土样上。
用修土刀将土样上部削成略大于环刀直径的土柱,然后将环刀垂直下压,边压边削,至土样伸出环刀上部为止,削去两端余土,使与环刀口面齐平,并用剩余土样侧含水率。
擦净环刀外壁,称环刀与土的重质量m1。
环刀质量m2,容积为V。
2.密度计算式:þ=(m1-m2)/V3.。
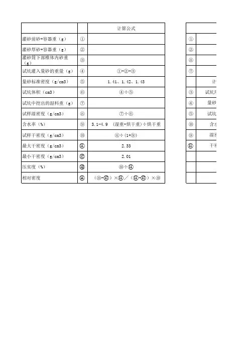
压实度计算方法(灌砂法)1、称取一定量的标准砂重m千克2、称取土的重量m1千克3、称取剩余砂的重量m2千克4、试坑内实际消耗砂重M=m- m2- m3 (m3圆锥体砂重)5、试坑体积V=M/P砂(P砂为标准砂的密度),则V即为土的体积6、试样土的密度为P土湿= m1/V ( g/cm3)7、求出试样土含水量W水(称取30~40克湿试样土,烧干后再称取重量,土中水的重量与干后土的重量比用百分数表示)8、求试样干密度P干=P土湿/1+W水(1+W水通常用湿试样土重与干后土重之比求得)9、压实度是干密度与最大干密度(试验求得)之比用百分数表示K=P干*100%/P大10、例:灌砂筒与原有砂重为4000克,圆锥体内砂重为270克,灌沙筒与剩余砂重m2=2720克,量砂密度为1.42g/cm3,试坑内湿试样重1460克,求压实度。
(称取30克试样,用酒精烧两遍后称重量为25.9克,P大为1.89g/ cm3)解:M=4000-2720-270=1010克V=M/ P砂=1010/1.42=711.3 cm3P土湿= m1/V=1460/711.3=2.05 g/ cm3W水=(30-25.9)*100%/25.9=15.8%1+ W水=30/25.9=1.158P干=P土湿/1+W水=2.05/1.158=1.77 g/ cm3压实度K= P干*100%/P大=1.77*100%/1.89=93.7%压实度计算方法(环刀法)一、环刀法适用于细粒土,所需仪器、设备为:1、环刀:内径6~8cm 高2~3cm2、天平:称量500g 感量0.1g ;称量200g 感量0.01g3、其它:切土刀、钢丝锯、凡士林、小铁锤二、操作步骤:1、测出环刀的容积V,在天平上称出环刀质量。
2、按工程需要取原状土或人工制备所需要求的扰动土样,其直径和高度应大于环刀的尺寸,整平两端放在玻璃板上。
3、将环刀的刀口向下放在土样上面,然后用手或小铁锤将环刀垂直下压,边压边削使之土样上端伸满环刀为止,削去两端余土修平,两端盖上平滑的园玻璃片,以免水分蒸发。
确定量砂的密度(用水确定标定罐的容积V)1、①将空罐放在台秤上,使罐的上口处于水平位置,读记罐质量m7(标定罐的质量),准确至1g.②、向标定罐中灌水,注意不要将水弄到台秤上或罐的外壁;将一直尺放在罐顶,当罐中水面快要接近直尺时,用滴管往罐中加水,直到水面接触直尺;移去直尺,读记罐和水的总质量m8(标定罐和水的总质量)。
③、重复测量时,仅需用吸管从罐中取出少量水,并用滴管重新将水加满到接触直尺。
④、标定罐的体积V计算:V=(m8-m7)/ρw2、在储砂筒内装入质量为m1(罐砂入标定罐前,筒内砂的质量)的砂,并将罐砂筒放在标定罐上,打开开关,砂不再下流时关闭开关;取下罐砂筒,称筒内剩余砂的质量,准确至1g。
重复上述测量,至少三次,后取平均值m3(罐砂入标定罐后,筒内剩余砂的质量)3、填满标定罐所需砂的质量:m a(砂质量)=m1-m2-m34、砂密度:ρs(砂密度g/cm3)=m a/v灌砂法测定路基压实度:首先在试验室标定好灌砂筒的的锥体,或者在现场进行标定。
(其中量砂也要进行标定其密度)。
1、在碾压合格的路基上,选择一块平整的平面并清扫干净,固定好基板。
2、然后利用基板中心的圆孔,用锤子和洛阳铲,沿圆边进行凿挖,凿挖15cm。
在过程中,应保证圆柱型,不可以上大下小,也不可以上小下大,保证垂直。
与基板的圆孔同样,用毛刷清理好试坑。
3、把所有从孔中取出的试样,用袋子装好,防止水分流失,立即称重。
(拿回试验室测其含水率;细粒土≥100g、粗粒土≥500g)4、把标准砂倒入灌砂筒内称其灌砂筒与量砂的质量,进行记录。
5、在试坑上进行灌砂,放在正好圆孔的上方,打开灌砂开关,在此期间不的有晃动和振动,观察筒内的砂不下流动时,立即关闭开关。
6、称其筒+剩余砂,进行称重,记录。
得出试坑的湿密度和试样的含水率。
已知标准击实,计算其压实度。
计算填满试洞所需砂的质量:罐砂时试洞放基板的情况:m b=m1-m4-(m5-m6)罐砂时试洞不放基板的情况:m b=m1-m'4-m2m b—砂的质量m1—罐砂入试洞前筒内砂的质量m2—罐砂筒下部圆锥体内砂的平均质量m 4、m4—罐砂入试洞后,筒内剩余砂的质量(m5-m6)—罐砂筒下部圆锥体内及基板和粗糙表面间砂的总质量湿密度:ρ=m t/m b*ρsm t—试洞中取出的全部土样的质量m b—填满试洞所需砂的质量ρs—量砂的密度干密度=湿密度/1+含水率。
一、实验目的1. 了解灌砂法测定土的干密度的原理和方法。
2. 掌握灌砂法测定土的干密度的操作步骤。
3. 通过实验,提高对土的性质的认识和测定技能。
二、实验原理灌砂法是一种现场快速测定土的干密度的方法。
其原理是:在一定体积的土样中,通过灌砂法向土样中灌入一定量的砂,使砂填满土样孔隙,并使土样表面平整。
通过称量灌入砂的质量和土样的体积,可以计算出土样的干密度。
三、实验仪器与材料1. 灌砂筒:容积为1000ml。
2. 砂:粒径为0.15-0.25mm的河砂。
3. 天平:精度为0.01g。
4. 量筒:容积为1000ml。
5. 容器:用于盛放土样。
6. 砂筛:筛孔尺寸为0.15-0.25mm。
7. 木质尺:用于测量土样高度。
8. 砂泵:用于灌砂。
四、实验步骤1. 准备工作(1)将砂过筛,确保砂的粒径符合要求。
(2)将灌砂筒清洗干净,并用湿布擦拭干净。
(3)将容器准备好,放入土样。
2. 测定初始干密度(1)将灌砂筒放置在土样上方,使砂面与土样表面平行。
(2)打开砂泵,向灌砂筒中灌砂,直到砂面与土样表面齐平。
(3)关闭砂泵,将灌砂筒连同砂一起放入容器中。
(4)用木质尺测量土样高度,记录数据。
(5)将灌砂筒连同砂一起称量,记录质量。
(6)计算初始干密度:ρ1 = m1 / V1,其中m1为灌砂筒连同砂的质量,V1为土样体积。
3. 测定最终干密度(1)将灌砂筒连同砂一起取出,并将砂倒出。
(2)将土样搅拌均匀,再次放入容器中。
(3)重复步骤2中的操作,测定最终干密度:ρ2 = m2 / V2,其中m2为灌砂筒连同砂的质量,V2为土样体积。
4. 计算干密度(1)计算土样的干密度:ρ = (ρ1 + ρ2) / 2。
五、实验结果与分析1. 实验数据土样高度:h1 = 10cm,h2 = 10cm灌砂筒连同砂的质量:m1 = 200g,m2 = 150g土样体积:V1 = 1000ml,V2 = 1000ml2. 计算结果初始干密度:ρ1 = 0.2g/cm³最终干密度:ρ2 = 0.15g/cm³干密度:ρ = (0.2 + 0.15) / 2 = 0.175g/cm³3. 结果分析通过实验,测定得到的土样干密度为0.175g/cm³,与理论值相近。