自然工质制冷剂应用及发展
- 格式:doc
- 大小:64.50 KB
- 文档页数:7
浅析自然工质在制冷空调中的运用摘要:近年来,随着各类污染问题的不断加剧,使得自然生态环境日趋恶化,其中又以臭氧层破坏最为严重,这一问题已经逐渐引起全球性的关注。
臭氧层的破坏不但会给生态环境带来相当巨大的危害,而且还会对人体健康造成也十分严重的影响。
臭氧层遭到如此严重破坏与制冷空调中使用的人工合成制冷剂有着密切的关联。
为了保护人类的生存环境,必须采取有效的措施降低制冷剂对臭氧层的破坏。
基于此点,本文首先简要介绍几种常见的自然工质及其特点,并在此基础上提出自然工质在制冷空调中的具体运用。
关键词:自然工质;制冷空调;氨;水;制冷剂就制冷空调而言,其历经了三代制冷剂的应用,其中第一代是以co2和nh3为代表的原生代,也就是我们所说的自然工质;随后出现的第二代制冷剂主要是以含氯的合成制冷剂为主,如cfcs、hcfcs等,正是由于这类制冷剂的使用,致使臭氧层的破坏日益加剧;经过人们的不断改良,第三代制冷剂随之出现,其以含氢和氟的合成制冷剂为主,其中比较有代表性是hfcs等。
虽然第三代制冷剂有效地解决了臭氧层的破坏问题,但却带来了严重的温室效应,故此这类制冷剂也必将遭致淘汰。
此时我们所要面临的是第四代制冷剂的研发,其最基本的要求是gwp值和odp值均为零。
而想要研制出这样一种新的合成物必然要经过漫长的时间,并且需要科研人员的不断努力,与其如此,不如退回到第一代自然工质的研究上,挖掘出自然工质在制冷空调中的潜力。
借此本文就自然工质在制冷空调的运用展开探讨。
一、几种常见的自然工质及其特点(一)氨氨(nh3)作为一种自然工质被使用约有120年左右的历史,氨具有良好的热力性质、成本相对比较便宜、gwp及odp值均为0等优点。
氨压缩制冷系统的运行效率比较高,并且系统结构也较为紧凑,这种制冷系统的特点具体可概括为两方面:一方面是在相同制冷容量的前提下,氨制冷压缩机的容积仅为r22的50%左右,并且管路系统的容积也会以相同的比例减少;另一方面,因为氨具有良好的传热性,从而使得冷凝器与蒸发器的换热面积也可相对减少。
制冷空调领域中自然工质的运用摘要:本文开展制冷空调领域中自然工质的运用研究,在对自然工质从事分析后,围绕氨、二氧化碳、碳氢化合物进行常见自然工质分析,并对自然工质应用于制冷空调的实际情况开展分析,仅以本次研究成果,促进自然工质对人工制造工质的替代,降低制冷空调对自然环境的破坏。
关键词:自然工质;制冷空调;NH3、二氧化碳社会公众、企业日常生活与运作阶段必不可少的电气设备,制冷空调承担着夏日建筑物室内制冷的工作,而传统制冷空调中所采用的制冷剂均为人工制造工质,如氟利昂等,这些人工工质站在远期发展而言,将对自然产生不可逆严重损坏。
故探索制冷空调领域中自然工质的应用,不仅可促进我国产业行业进步,同时也是促进人、自然和谐相处的重要研究举措。
一、自然工质概述自然工质中,一些特定的自然工质可应用于制冷空调领域,如氨、碳氢化合物、二氧化碳等,上述三类物质均可在制冷温度为-50°C至10°C范围内合理运用,且三类物质不仅是目前最具应用前景的工质,且能够良好适应制冷空调领域下任何场景。
此外,大量运行实践记录以及理论研究,均表明采取将自然工质应用于制冷空调,配合有效的技术与先进的设备完全可以使自然工质循环效率接近甚至达到常规质工质[1]。
表1为制冷空调领域制冷工质性质分析表:表1 制冷空调领域制冷工质性质分析表二、常见自然工质与特点分析常见自然工质包括氨、二氧化碳、碳氢化合物。
(一)氨NH3氨作为自然工质,目前已被使用超过100年,在成本较低情况下具有较为良好的热力性质。
同时NH3的GAP值、ODP值均为0。
在制冷系统领域中,氨压缩制冷具有较高的效率,且系统结构足够紧凑,在相同制冷容量背景下,氨制冷压缩机对比R22节约超过50%左右,同时会以相同比例节约管线的容积。
同时,基于NH3良好传热性能,蒸发器、冷凝器换热面积可得到有效降低,进一步降低氨制冷系统的建设成本。
然而,尽管NH3具有诸多优势,但不可忽略的是NH3本身具有较强可燃性、毒性,因此NH3在使用领域维度受到了极大的制约,一旦制冷系统中空气含量达到一定水平,便会带来爆炸风险,因此,通常氨制冷系统均配有空气分离装置。
制冷剂的发展历史和应用摘要社会生产力的随着快速发展和人民生活水平的显著提高,制冷技术在工程和生活中的应用越发的深入和广泛。
而在蒸汽压缩式制冷系统中,制冷剂被形象的称之为“血液”。
本文对制冷剂的发展历史进行了简单的介绍,并列举出了一些制冷剂在各个应用领域的最新研究和进展。
制冷剂随着制冷技术的发展而不断变迁,大致可分为4个阶段。
从最初能用即可的原则,因为工业发展的需要,进入到以安全及耐久性为主的第二阶段。
随着环境问题的加剧,制冷剂步入围绕臭氧层保护的第三阶段。
而今,对制冷剂的探索没有停止,防止全球变暖,低ODP,低GWP,短寿命,高效是我们对制冷剂的目标。
制冷剂在各个领域应用广泛,家用空调,中大型冰库,车载空调等,都可以看到制冷剂活跃的身影,而针对各个领域的制冷剂的技术革新研究也将会被提及。
关键词制冷剂发展阶段应用环境问题发展方向引言当前世界的环境问题主要是臭氧层遭受破坏和全球范围的变暖。
然而,CFC 与HCFC类制冷剂在制冷空调热泵等行业广泛的采用,它对臭氧层有一定的破坏作用还是温室效应的一个重要因素。
它对环境的负面影响使得这一行业在全世界都面临重大的压力。
但是,到现在为止,一些在国外使用的HFC类和碳氢类替代制冷剂还不太理想,多多少少都存在一些瑕疵。
比如说大部分的HFC类制冷剂及其混合制冷剂的GWP还是相当的高,对温室效应影响显著,对排放量还需要严格的控制;而碳氢类制冷剂的安全问题也普遍存在,它的强可燃性令人担忧,当在大中型制冷空调热泵设备使用时,安全措施很技术的要求很高。
所以,从制冷剂的发展历史中探索,吸收经验,寻求科学、正确地解决满足环保要求的制冷剂在各种生产和生活的应用的替代问题,避免我们走弯路是非常重要的。
为此,本文回顾了制冷剂的发展历史,综述了制冷剂在各个领域的应用及其相关最新研究,探讨了未来发展趋势。
根据J . M . Calm[1-2]的描述,目前人们将制冷剂的发展分为4个阶段,各阶段的特征如表1所示,以下对各发展时期的情况做一简述。
新一代制冷剂趋势目前,人们认为制冷技术已经历了三代制冷剂。
第一代是1930年以前的原生代,以NH3和CO2等自然工质为主;第二代是含氯的合成制冷剂,即CFCs(R11、R12、R114等)和HCFCs(R22、R142b),从诞生开始就逐渐取代了原生代,被广泛推广应用。
随着人类对臭氧层破坏的发现和认识,发现是这两类化合物中的氯原子或溴原子与大气上空的平流层的臭氧发生反应,消耗了臭氧。
自从1987年国际上签订了蒙特利尔议定书,便逐步削减并停止生产严重破坏臭氧层的CFC等,并开发第三代替代制冷剂。
第三代制冷剂解决了臭氧层破坏问题,在当时被称为"环保工质"、"绿色工质"等,被称之为中长期替代物。
但随后人们又发现,这些第三代制冷剂具有强烈的温室效应,成为1997年《京都议定书》中受限物质之一。
目前,欧盟对此的淘汰已经提上了日程,出台了相应的限制和淘汰氟化气体的规章制度。
这预示着人们面临着研发第四代制冷工质:零ODP并低GWP。
在第四代制冷剂的发展方向上,存在着两个方向。
一个是再寻找更难于合成的新化合物,另一是退回第一代制冷剂,即自然工质。
自然工质主要包括氨、二氧化碳及丙烷等碳氢化合物,还包括水、空气以及用于低温制冷的甲烷、氦、氮等,这些自然工质过去早被熟悉和使用,有些目前仍在使用。
低沸点物质,即氦、氮和甲烷在低达-120℃的深冷和气体液化等应用中被广泛采用,但它们由于有太高的可用能损失而不适合中等温度范围的制冷。
从近10年替代物的发展看,无论从理论上或从实践上,很难找到一种不影响环境的完全理想的替代物(消耗臭氧潜能值ODP=0,GWP值小于100),高效、安全且价格不贵。
因此,许多专家提出,第四代制冷剂退回自然工质是必然的趋势。
间接冷却制冷系统载冷剂的选择非常重要,会影响系统安全性与综合性能。
一些非专业载冷剂对系统有腐蚀性,存在安全隐患。
间接制冷系统载冷剂的选择非常重要。
制冷剂种类名称分子式
摘要:
一、制冷剂的定义与分类
二、制冷剂的命名规则
三、制冷剂种类与分子式介绍
四、制冷剂的应用领域
五、未来制冷剂的发展趋势
正文:
一、制冷剂的定义与分类
制冷剂,又称制冷介质,是在制冷系统中进行吸热和放热过程的介质。
根据制冷剂的性质和制冷方式的不同,制冷剂可分为多种类型,如氟利昂、氨、水等。
二、制冷剂的命名规则
制冷剂的命名通常由两部分组成:一部分是表示制冷剂类型的字母或符号,另一部分是表示制冷剂成分的分子式。
例如:R22 表示氟利昂22,NH3 表示氨。
三、制冷剂种类与分子式介绍
1.氟利昂类制冷剂
氟利昂类制冷剂是目前使用最广泛的制冷剂,其分子式通常为R(F-)x (Cl-)y(Br-)z,其中x、y、z 为整数。
例如:R22(氟利昂22)、R134a (氟利昂134a)等。
2.氨制冷剂
氨(NH3)是一种自然工质制冷剂,具有良好的热力学性能,广泛应用于工业制冷和空调系统。
3.水制冷剂
水(H2O)作为一种环保、可再生的制冷剂,在自然冷源和人工制冷系统中都有广泛应用,如水冷空调、地源热泵等。
4.碳氢制冷剂
碳氢制冷剂主要包括丙烷(C3H8)、丁烷(C4H10)等,具有可燃、无毒、环保等特点,适用于小型制冷系统和移动制冷设备。
四、制冷剂的应用领域
制冷剂广泛应用于空调、冰箱、冷冻冷藏、工业冷却等领域,为现代社会提供舒适的生活环境和高效的生产条件。
五、未来制冷剂的发展趋势
随着环境保护意识的增强和节能减排的需求,未来制冷剂将朝着环保、节能、低毒的方向发展。
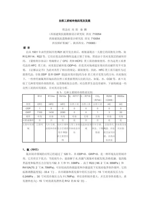
自然工质制冷剂应用及发展程念庆刘阳秦鹏(西部建筑抗震勘察设计研究院西安710054西部建筑抗震勘察设计研究院西安710054西安探矿机械厂,陕西西安,710065)前言自从1931年卤代烃制冷剂R21被开发出来后,相继涌现出一大批它的同族化合物,如R12,R114,R22等。
它们以优良的热物性迅速占领了市场。
然而由于其对臭氧层的破坏作用,《蒙特利尔协议》明确禁止了CFC 类和HCFC 类工质的继续使用。
作为这类工质替代品的HFC 类工质,对臭氧层破坏值ODP=0,但是其对地球温室效应的贡献作用不可忽视,《京都议定书》为此对其作了相应的规定,限制使用。
因此,HFC类工质只能作为过渡替代品,寻找ODP 值和GWP 值(温室效应值)均为0 的工质才是努力的方向。
在此情况下,一些曾经被氟利昂淘汰的自然工质重新得到人们的关注,如氨、水、CO2等。
表1比较了几种常用制冷剂的性质,这类物质取自自然,对自然界生态没有破坏。
下面将阐述一些自然工质的应用现状,并对其讨论分析。
1、氨(NH3)氨在制冷领域的应用已经超过了120年,其ODP=0、GWP=0,是一种环境友好的制冷剂。
它具有以下优点:节流损失小,能溶解于水,有漏气现象时易被发现,价格低廉。
氨的临界温度和临界压力分别为132. 3 ℃和11. 33MPa ,高于R22 ( 96. 2 ℃/4. 99MPa ) 和R410A(70. 2 ℃/4. 79MPa),可在较高的热源温度和冷源温度下实现亚临界制冷循环。
它的标准沸腾温度低( - 33.4 ℃) 。
在冷凝器和蒸发器中的压力适中( - 15 ℃时的蒸发压力为0.24MPa ,30 ℃时的冷凝压力为11.7MPa),单位容积制冷量大,并且其导热系数大,蒸发潜热也大( - 15 ℃时的蒸发潜热是R12 的8.12 倍) 。
因其优良的传热特性及其低摩尔质量,在相同制冷量下与R12等传统制冷剂相比,氨制冷系统换热器能设计的更为紧凑,管道采用更小直径,因此能使系统建造成本有效减少。
制冷剂的发展现状与趋势摘要:本文主要论述制冷剂的发展和分类及目前使用最广泛的几种制冷剂,制冷剂对环境的影响,制冷剂的发展趋势。
关键词:制冷剂环保发展趋势1 制冷剂的概述制冷剂是制冷系统中的工作流体,它在制冷系统中循环流动,通过自身热力状态的循环变化不断与外界发生能量交换,达到制冷的目的,制冷剂又被称为制冷工质。
制冷系统中必须要有制冷剂才能连续不断地稳定地向外界供冷。
制冷剂主要可以分为几大类:无机化合物制冷剂(如水、氨、二氧化碳等)、氟利昂类制冷剂(如R12、R22和R134a等)和碳氢化合物类制冷剂(如丙烷、异丁烷、乙烯、丙烯等)。
制冷剂又可分为单一制冷剂和混合制冷剂(如R502、R407C等)。
2 制冷剂的发展早期使用的制冷剂有乙醚、二氧化碳、氯化钾、二氧化硫等。
由于其本身的缺点,现在除了二氧化碳还是用于制冷系统外,其余的均被淘汰。
一般认为,制冷剂的发展主要分为三个阶段:第一阶段,从1830年到1930年,主要采用氨、二氧化碳、水等作为制冷剂,它们有的有毒,有的可燃,有的效率低,用了约有100年。
第二阶段,从1930年到1990年,主要使用CFCs和HCFCs制冷剂,使用了约60年。
第三阶段,从1990年至今,出现了多种制冷剂,但主要是以HFCs制冷剂。
3 简述几种制冷剂的现状氨的性质简介氨,制冷剂代号R717,是一种理想的制冷工质,具有良好的热力学性质。
在限制和禁止使用CFC物质的形势下,氨由于对臭氧层无破坏作用,使用较广泛。
氨(NH3)为无色、有剌激性辛辣味恶臭的气体,分子量17.03。
比重0.597。
沸点―33.33℃。
溶点―77.7℃。
爆炸极限为15.7%~27%(容积)。
急性毒性:LD50350mg/kg(大鼠经口);LC501390mg/m3,4小时,(大鼠吸入)。
氨在常温下加压易液化,称为液氨,接触液氨可引起严重冻伤。
与水形成氨水(NH3+H2O=NH3·H2O),呈弱碱性。
制冷剂替代技术研究及应用一、前言随着全球气候变暖、臭氧层破裂等环境问题的愈演愈烈,对于空调、冰箱等制冷设备的环保性和能效性提出了更高的要求。
传统的制冷剂,尤其是氟利昂,不仅在生产过程中对环境产生危害,而且在使用中还可能破坏大气臭氧层并导致全球变暖。
为此,开发绿色环保的制冷剂替代技术成为了当前制冷行业的重点研究方向。
二、制冷剂替代技术1.自然制冷剂自然界中的一些物质,如空气、水、二氧化碳等,可以在一定程度上替代传统的制冷剂。
比如,空气可以用于制作空调和制冷设备中的传热器,水可以被用于制冷系统中,而二氧化碳则被认为是最具潜力的制冷剂替代品之一。
使用自然制冷剂不仅可以有效地降低制冷设备对环境的污染,而且可以提高能效和降低生产成本。
2.混合制冷剂混合制冷剂是由两种或多种单一制冷剂混合而成的制冷剂。
这种制冷剂的性能可以根据实际需要进行调整,同时可以大大降低对环境的影响。
但是使用混合制冷剂需要注意不同制冷剂混合的比例,否则可能会对制冷设备的性能和环境造成不良影响。
3.新型制冷剂新型制冷剂是一类新型环保制冷剂,通常指的是HFC、HCFC、HFO等非危险化学物质。
这些新型制冷剂具有无毒性、无燃性、卓越的制冷效果等特点,可完全替代传统危险化学制冷剂。
在使用过程中,这些制冷剂不会造成任何对大气层的危害,并且可以有效提高制冷设备的能效性能。
三、制冷剂替代技术的应用1.空调空调作为家用及商用建筑必备的制冷设备,其制冷剂替代技术的应用非常重要。
在现代空调技术中,混合制冷剂及新型制冷剂已经广泛应用。
同时,利用大楼外窗或者空气能技术等方式,将空调的使用变得更加便捷和良性。
2.冰箱冰箱也是制冷设备中需替代制冷剂的设备之一。
当前,国内外制冷厂商已经研发出新型环保的制冷剂,如HFC、HCFC、HFO 等,并且成功地应用到了冰箱中。
与传统制冷设备相比,新型环保制冷剂大大降低了冰箱对环境的影响,减少了对臭氧层的破坏和对全球气候的影响。
R290制冷剂的使用前景及发展趋势摘要:天然制冷剂是家用空调后续发展的可持续方向,通过对于R290和R22进行力学分析,能够发现使用R290具有着更为完全的作用效应。
在当前的智能机发展层面,R290制冷剂在家用空调器的性能体现过程中具有着更加完全的效应,本文通过对于R290制冷剂的使用前景以及发展趋势做出剖析,总结出R290的性能特点,并针对性的比对。
基于R22的使用关系,以此分析R290制冷剂基本特性,对其后续的安全使用以及生产提出相应的措施。
关键词:R290制冷剂;使用前景;发展趋势自上个世纪开始,通过研究已经发现卤代烃物质对于大气层中分解出的氯元素会对大气的臭氧层产生严重的破坏,这也会增加地球上有害紫外线数量。
在当前的使用过程中,大多数时候空调制冷剂内容也发生了改变,世界各国加快了代替氟化氢的步伐。
我国在发展过程中也主张利用各类新物质代替氟化氢制冷剂,在其中R290制冷剂就是一种常使用的制冷剂,它能够满足当前的制冷需求。
1家用空调制冷剂使用发展状况1.1R22制冷剂基本状况从历史角度进行考究来看,当前卤代烃物质的确破坏了大气原有的结构,这也使得大气臭氧层无法保持其作用效果。
为了保护大气臭氧层,《蒙特立耳协议书》要求禁止使用CFC类制冷剂,逐渐淘汰HCFC类制冷剂,由此这也开始了全世界范围内的制冷剂替代工作。
虽然HCFCs制冷剂规定日期为2030年,但是基于对于环境保护过程的进一步认知,这也逐渐的加快了HCFCs的替代步伐。
在当前结合2020年的空调制冷剂使用量,寻找R22替代工作迫在眉睫。
1.2HCFCs替代过程对于HCFCs的替代过程,它是包括两种主要线路。
第一是通过美国和日本为主的HCF替代道路,其中两元进共沸混合制冷工质R140a已经得到较为广泛的应用。
R140a的排气压力比R22高上50%,这也必须提高压缩机运动部分的耐磨性以及细管通路的整体稳定性。
而HCF类制冷剂虽然能够在臭氧抗衰指数方面保持不为零,但是其温度指数却较高,后续它仍然成为了需要做好节能减排的一类气体。
文献综述题目_环保型制冷机R600a的分析与应用学生姓名赵文彬专业班级建筑环境与设备工程学号540902040155院(系)机电工程学院指导教师(职称)胡春霞(讲师)完成时间 2013 年6 月 1 日环保型制冷剂R600a的分析与应用摘要:介绍了我国替代制冷剂二氟一氯甲烷(R22)所做的工作,叙述了制冷剂R600a性质及其应用,比较了R134a与R12制冷剂的性能。
认为R600a是一种自然工质下的环保高效制冷剂,替代成本较为低廉,适合我国国情。
虽然R600a具有可燃性,但只要减少灌注量并采取有效的安全措施可以达到安全使用的要求。
Abstract: The work done by our alternative refrigerants difluoro mono chloro methane (R22), describes the nature of the refrigerant R600a, performance compared R134a refrigerant. R600a is a natural working fluids environmentally efficient refrigerant, the replacement cost is relatively cheap, suitable for China's national conditions. While R600a is flammable, but reduce perfusion and to take effective security measures can achieve the security requirements.关键词:R600a;制冷剂;环保;自然工质Keywords: of R600a were; refrigerant; environmental protection; natural working fluids引言臭氧层破坏和气候变化,是当前全球所面临的主要环境问题之一。
制冷剂的发展历程与展望摘要:介绍了制冷剂发展史中三个具有代表性的阶段,提供了几种常用制冷剂的替代方案并展望了制冷剂的未来。
关键词:发展天然制冷剂CFC替代0 前言制冷剂就是制冷循环中的工作流体。
在制冷系统运转时,它在其中循环流动,通过自身热力状态的循环变化,不断与外界发生能量交换,以达到制冷的目的。
习惯上,人们又称制冷剂为制冷工作介质,或直接简称为工质。
曾经被人类选作制冷剂的物质多达上百种,现实中常用的制冷剂也有二、三十种。
目前制冷空调行业中使用的制冷剂多为CFC(氯氟烃的统称)和HCFC(含氢氯氟烃)。
这些物质由于对臭氧层具有破坏作用并产生温室效应,致使全世界的这一行业面临严重的挑战,因此CFC与HCFC的替代已成为当前国际性的热点课题。
制冷剂本身所必须具备的特性和所要遵循的原则决定了制冷剂的发展方向和演变过程。
同时,正因为这样也决定了寻找理想的、环保的制冷剂之路是非常困难和漫长的。
为此,本文回顾了制冷剂的发展历史,探讨了其未来发展趋势。
1 制冷剂发展历程从时间上看,制冷剂的发展经历了三个阶段:1.1 早期的制冷剂(1830~1930年)主要采用NH3、CO2、H2O等作为制冷剂,它们有的有毒,有的可燃,有的效率低,某些物质还有很强的反应性,以致造成了当时事故频发。
随着制冷机的产量增加,筛选制冷剂的原则转向了安全可靠和性能优良上。
尽管使用了100年之久,当出现了CFC和HCFC制冷剂后,还是当机立断,实现了重大的第一次转轨。
1.2 CFC和HCFC(1930~1990年)主要采用CFC和HCFC制冷剂,它安全、无毒、性质优越,极大地促进了空冷行业的发展,真正地开创了繁荣的“氟里昂时代”。
但使用了60年后,发现这些制冷剂破坏臭氧层,出于环保的需要,不得不被迫实现第二次转轨。
1.3 HFC和天然制冷剂(1990s~)CFC类物质会产生改变自然界臭氧生长和消亡平衡的氯,由此引发了人们对由于人造化合物中含有氯元素而引起的臭氧层变薄的关注。
CO2冷媒应用及技术发展趋势1引言节能、环保、低碳是当今相关技术发展的方向,作为自然冷媒的CO2由于其环保、无毒,及特别的跨临界循环,又开始被人们较关注及大范围的使用,日本、欧洲等过相关法规已逐步建立,CO2热泵热水器产品也投入市场,此外环保要求CO2也在欧洲被应用于冷冻、冷藏,而对于中国来说,CO2相关技术及产品处于孕育阶段,今后需大力发展。
2 CO2冷媒特性2.1 冷媒特性作为自然工质的CO2,在19世纪80年代到20世纪30年代被广泛于制冷空调领域,与氨(NH3)一样。
作为一种已经被使用过,可以取自于环境并被证明是对生态环境无害的制冷工质,后被性能较好的HCFC、CFD类人工合成冷媒替代;最近一段时间,由于环保、节能的要求,CO2冷媒凭其环保、安全、稳定、热力性质佳等优势,又一次受到了广泛的重视,尤其是在热泵热水器领域,产业化的商品发展较为迅速。
应用于制热循环时,由于其自身物性特点,CO2与现有常用的R22、R410A及R134a等工质的特性存在较大的差异。
表1环保性:如表1,R410A,R134a与CO2都是对大气臭氧层没有破坏作用,即其ODP值为0。
但R410A和R134a的GWP仍较高,分别为CO2的1700和1300倍,属于需要减排的温室气体,只能作为替代工质,而不能长久使用。
CO2作为一种在地球生物圈内自然存在的,ODP值为0,GWP值为1(CO2被定义为1,作为基准值),并已经被证明是对人类无害的物质,目前受到了制冷学术及行业界的一致关注;制冷剂名称R744(CO2)R22 R410A工作压力范围(MPa) 高压:9~12 高压:2~3 高压:3~5低压:2~4.5 低压:0~0.7 低压:0~1.5单位容积制冷量(kJ/m3) 51868 11385 16759表2热力学特性:CO2冷媒单位容积制冷量大,3~5倍于R410A及R22(见表2);CO2处于超临界流体状态,比热大、导热系数高、动力粘度低的性质,使其具有比液体和气体更佳的传输性能和传热特性,传热效率高,如表3。
制冷系统中新型制冷剂的研究与应用在现代社会,制冷设备广泛应用于各行各业,包括工业、商业、医疗、生活等领域。
制冷剂是制冷系统的关键组成部分,对制冷效率和环境保护都有重要影响。
随着环境问题日益引起人们的关注,传统制冷剂因其对臭氧层的破坏和温室气体的排放,已经逐渐淘汰。
近年来,新型制冷剂的研制和应用成为了制冷系统发展的重要方向。
一、新型制冷剂的分类新型制冷剂主要分为两类:一是HFCs(氢氟碳化物),包括R404A、R410A、R407C等;二是Naturals(自然制冷剂),包括R744(二氧化碳)、R717(氨气)、R290(丙烷)等。
HFCs以其较低的毒性、易用性和相对较高的效率,在一段时间内被广泛应用。
然而,由于HFCs中仍含有氟元素,会在使用过程中逸散到大气中,造成温室效应。
自然制冷剂则能很好地解决环境问题,但在使用过程中也存在着安全隐患,如氨气具有毒性、易燃易爆等特点,不宜在家庭中使用。
因此,在实际使用中,需要根据具体场景选择合适的制冷剂。
二、新型制冷剂的应用1、二氧化碳制冷剂R744由于其具有零Ozone Depleting Potential(OPD)、零温室气体排放的特点,R744已经成为自然制冷剂中的佼佼者。
同时,二氧化碳在大气下无毒、无味、无色,具有较高的比热和汽化潜热,能够很好地适应低温制冷环境。
现在,在某些超市和家用制冷设备中,已经开始使用R744制冷剂。
2、丙烷制冷剂R290丙烷具有绿色环保、高效节能的特点,是自然制冷剂中的一种。
近年来,在一些国家的家用制冷设备中,开始大量使用丙烷制冷剂。
相比传统制冷剂,丙烷的安全性能更好,适合在家庭中使用。
3、氨气制冷剂R717氨气作为自然制冷剂中的老大哥,具有较高的制冷效率和低的工作压力,被广泛应用于冷库、制冰机等工业领域。
然而,在家庭等场景中,由于氨气的毒性、易燃易爆等特点,不宜使用。
三、新型制冷剂的研究1、混合制冷剂的研究为了综合各种制冷剂的优势,近年来,越来越多的研究关注混合制冷剂的研究。
浅谈制冷剂的使用和发展王黛娜07建筑环境与设备工程专业0723203摘要:本文简要介绍了制冷剂的使用历史,及其种类和应用场合,也展望了制冷剂的替代物的发展前景。
关键词:制冷剂ODP GWP 氟利昂1 制冷剂的发展历史美国机械工程协会( ASME)评出20世纪十大工程成就,其中制冷空调技术名列第七,可见制冷空调的行业地位非常重要。
制冷剂作为空调制冷设备的“血液”,从20世纪80年代至今经历3个阶段的发展。
第一阶段:早期的制冷剂( 1 8 3 0 —1 9 3 0 年),1834年帕金斯第一次开发蒸汽压缩制冷循环,其制冷剂为二乙醚( 乙基醚),后来又有CO2 ,CCL4,SO2等作为制冷剂,然而,它们多数是可燃的或有毒的,或者两者兼有,甚至有很强的腐蚀和不稳定性,经常发生事故。
因此制冷剂的注意力转向安全性能方面。
第二阶段:氟利昂阶段。
1931年梅杰雷从众多碳氢化合物中选出R12,它的出现解决了当时对制冷剂各种需求的问题。
然而,随后科学家发现氟利昂对臭氧层有极大的破坏作用,于是人们又开始寻找新的制冷剂替代物。
第三阶段:绿色环保类制冷剂。
目前该阶段的研究还没有完全定型,各种研究试验都在积极进行。
2 制冷剂的性质及分类2.1 制冷剂的性质一种物质要成为制冷剂需要满足一定的热力学和物理性质。
⑴制冷效率高,提高制冷的经济性。
⑵压力适中。
制冷剂在低温状态下的饱和压力最好接近大气压力,甚至高于大气压力。
⑶单位容积制冷能力大。
产生一定制冷量时,所需的制冷剂的体积循环量就小,可以减少压缩机的尺寸。
⑷临界温度高,可以使用一般冷却水进行冷却。
⑸与润滑油的互溶性。
⑹导热系数,放热系数高。
⑺密度,粘度小。
⑻相容性好,对金属和其他材料应无腐蚀作用2.2制冷剂的分类⑴氟利昂氟利昂是饱和碳氢化合物卤族衍生物的总称。
是20世纪30年代出现的一种合成制冷剂,它的出现解决了对制冷剂的各种要求的问题。
由于对臭氧层的影响不同,根据氢氟氯组成情况可将氟利昂分成全卤化氯氟烃(CFCs),不完全卤化氯氟烃(HCFCs)和不完全卤化氟烃化合物(HFCs)。
自然工质制冷剂应用及发展程念庆刘阳秦鹏(西部建筑抗震勘察设计研究院西安710054西部建筑抗震勘察设计研究院西安710054西安探矿机械厂,陕西西安,710065)前言自从1931年卤代烃制冷剂R21被开发出来后,相继涌现出一大批它的同族化合物,如R12,R114,R22等。
它们以优良的热物性迅速占领了市场。
然而由于其对臭氧层的破坏作用,《蒙特利尔协议》明确禁止了CFC 类和HCFC 类工质的继续使用。
作为这类工质替代品的HFC 类工质,对臭氧层破坏值ODP=0,但是其对地球温室效应的贡献作用不可忽视,《京都议定书》为此对其作了相应的规定,限制使用。
因此,HFC类工质只能作为过渡替代品,寻找ODP 值和GWP 值(温室效应值)均为0 的工质才是努力的方向。
在此情况下,一些曾经被氟利昂淘汰的自然工质重新得到人们的关注,如氨、水、CO2等。
表1比较了几种常用制冷剂的性质,这类物质取自自然,对自然界生态没有破坏。
下面将阐述一些自然工质的应用现状,并对其讨论分析。
1、氨(NH3)氨在制冷领域的应用已经超过了120年,其ODP=0、GWP=0,是一种环境友好的制冷剂。
它具有以下优点:节流损失小,能溶解于水,有漏气现象时易被发现,价格低廉。
氨的临界温度和临界压力分别为132. 3 ℃和11. 33MPa ,高于R22 ( 96. 2 ℃/4. 99MPa ) 和R410A(70. 2 ℃/4. 79MPa),可在较高的热源温度和冷源温度下实现亚临界制冷循环。
它的标准沸腾温度低( - 33.4 ℃) 。
在冷凝器和蒸发器中的压力适中( - 15 ℃时的蒸发压力为0.24MPa ,30 ℃时的冷凝压力为11.7MPa),单位容积制冷量大,并且其导热系数大,蒸发潜热也大( - 15 ℃时的蒸发潜热是R12 的8.12 倍) 。
因其优良的传热特性及其低摩尔质量,在相同制冷量下与R12等传统制冷剂相比,氨制冷系统换热器能设计的更为紧凑,管道采用更小直径,因此能使系统建造成本有效减少。
相比于传统氟利昂制冷剂,氨制冷剂中含有少量水,并不影响系统运行。
氨制冷系统中的水分会积聚在系统低压侧,降低系统效率,但并不会使整个工厂无法运行。
因为氨中允许的含水量为0. 2%,如果有少量水存在,并不会想氟利昂那样出现‗冰塞‘现象。
Gigiel指出,如果综合考虑水分、油以及压缩机的磨损因素,一个运行了多年的冷冻厂氨制冷系统功耗将增加43%。
即便如此,该系统也比完成同样任务下配备有电除霜设备的R22 制冷系统有效。
NH3/CO2复叠式制冷系统避免氨与食品、人群等直接接触, 降低氨制冷系统的危险性, 并大大降低了系统氨的充注量,增加系统运行的安全性。
其节能效果显著,满负荷-31.7o C时,NH3/CO2复叠式制冷系统比氨单级制冷系统在制取单位冷吨的冷量耗功少25%,比氨双级制冷系统少7%。
氨用CO2载冷系统采用液态CO2为载冷剂,解决了直接蒸发冷却引起的不安全问题,相比于其它载冷剂,CO2减少了载冷剂侧的管道管径,并减少了氨的冲注量。
随着人们对环境的重视,氨冷水机组在欧洲和我国也都得以应用,如法国广播大厦和珠海机场都采用了氨冷水机组。
存在问题及解决措施:氨的毒性、易燃性和腐蚀性往往成为人们容易担心的问题,这也限制了它在民用制冷中的推广。
所以在使用氨制冷系统的地方应保证通风性,并在制冷机房安装浓度监视器和氨泄漏报警器,在氨泄漏时及时用水将氨吸收。
当氨中含有水分时,则对锌、铜、铜合金有腐蚀作用,所以氨制冷系统中应避免使用铜制设备。
由于压缩机是系统中泄漏的主要部件,因此研发无轴封的密闭型压缩机显得尤为重要。
氨与矿物油不相溶,因此,在氨制冷系统中必须有油分离器、集油器等设备,致使整个油路系统过于复杂,增加机组自动控制难度。
找到与氨互溶的润滑油(如PAG 油)可简化油路系统。
国际上已有相关产品。
2、水水是我们日常生活中最常见的物质之一,它无毒、不可燃、廉价且易获得。
因为水在常压下的沸点很低,所以以水为制冷剂的压临界循环的运行压力要低于大气压。
水作为工质的基本特点是:运行压力低,但压缩比较大;单位容积的制冷量小,压缩机的排气量大,压缩机的压比也较常规制冷工质大很多。
由于水的单位容积制冷量较小,需要的压缩机排量大,因而,用于水压缩制冷循环的压缩机宜采用离心式。
由于压比过大会导致压缩机效率降低,因此水制冷循环最好采用多级压缩。
袁卫星等对以水为制冷剂的蒸汽压缩制冷机进行了理论分析和研究。
计算结果表明,当蒸发温度为7 ℃,冷凝温度为40 ℃时,等熵压缩的水蒸汽压缩制冷机的性能系数COP 为7. 5 ,而饱和多变压缩的水蒸汽压缩制冷机的性能系数COP 为9.0。
可见采用不同压缩过程的水蒸汽压缩机的耗功有明显差别。
Kilicarslan 和Muller比较了水与其它一些常用制冷剂(R134a, R290, R22 等)在系统COP、运行成本、制冷量以及对环境的影响等方面的不同。
在系统其他参数相同,蒸发温度20℃以上、冷凝温度和蒸发温度为5K 时,水作为制冷剂的压缩系统COP 值最高.Brandon 等人对容量为3250kW 的水蒸汽压缩冷水机组的可行性进行了研究。
水蒸汽压缩系统的COP 值与R134a 相当,但等熵压缩终了温度远远高于R134a。
水蒸汽压缩系统对于压缩机入口处的过热度非常敏感,其造成的不可逆损失)占系统(由过热度损失和节流损失组成)的98%,而R134a 只有23%。
压缩机进口的比容3/kg)远远大于R134a(0.055m3/kg),因此,水蒸汽压缩系统中采用满足大容积流量的离心压缩机或者轴流压缩机。
同时,由于离心压缩机压比较小,因此采用多级压缩。
考虑到过热度对系统性能的巨大影响,整个系统采用多级压缩中间冷却的结构。
闪蒸中间冷却(flashed intercooled)方式,可以大幅度降低压缩机级间蒸汽温度,相比于没有中间冷却的结构,COP 值得到很大提高。
但此种方式,会增加下一级压缩机入口的质量流量。
存在问题及解决措施:找到换热器结构最优设计参数是个关键问题。
为避免压力损失影响,水蒸汽压缩系统中可以考虑采用直接接触式(direct‐contact)换热器,但同时,也要考虑到由此可能带入系统的杂质和一些不凝性气体对整个系统性能的影响。
因为压比大,找到合适压缩方式和研制适用于水的压缩机是关键。
3、碳氢化合物目前应用较多的碳氢化合物主要有丙烷(R290),丁烷(R600)和异丁烷(R600a),它做为绿色环保型制冷剂,首先在欧洲得到广泛应用。
它们的ODP为0,GWP值可以忽略,是环境友好型制冷剂,热力学性能优良且价格低廉,但具有可燃性。
德国90%的冷藏箱和冷冻箱采用碳氢化合物作为制冷剂,在全欧洲新生产的家用冷藏/ 冷冻箱中,25 %的制冷剂为碳氢化合物。
在日本,家用电冰箱制冷剂的替代工作已取得显著成效,所用的制冷剂已从HFCs全部过渡到了HCs。
在欧洲碳氢化合物制冷剂的应用几乎涵盖了所有的空调装置,包括窗式空调器。
在余热回收热泵中,碳氢化合物制冷剂也有应用。
在石油化工行业中,丙烷作为制冷剂的应用已有多年历史。
由于它和R22的热物性相近,有着优良的热力学性能,并对现有的常用材料及润滑油都兼容,所以主要用做R22的替代制冷剂。
R600a可在较高的冷凝温度下工作,而其效率又不会有大的降低。
R600a的临界温度高,这样可将冰箱的冷凝器做得更小;其次它的运行压力低,可以大大降低冰箱噪音。
但其容积制冷量低,所以单一采用R600a的系统需重新设计压缩机。
Eric Granryd研究了碳氢化合物制冷剂的系统循环特性,并与R22进行了对比研究。
冷凝温度一定0℃),蒸发温度改变的情况下,丁烷和异丁烷的压力比高于R22,丙烷和环丙烷的压力比则较低。
压缩机压缩终了温度除少数碳氢化合物(所列碳氢化合物中除环丙烷)外,稍低于R22。
丙烯的单位体积制冷量与R22接近,丙烷比R22低15% ,而异丁烷的单位体积制冷量则只有R22的一半。
Eric Granryd和Pelletior O分别都对碳氢化合物的传热特性进行了研究。
通过丙烷(R290)在家用热泵空调器的传热特性研究分析,Pelletior O发现,制冷剂侧的压力降低于R22大约40%~50%,因此,可通过优化设计换热器结构,获得最佳的压力降与传热系数。
大量学者对碳氢化合物混合制冷剂,进行了研究。
周启瑾等提出了如何确定替代R12的丙烷/ 异丁烷的最佳成分及混合物饱和特性的计算方法。
并且认为,在小型蒸汽压缩式制冷系统中用丙烷56%,异丁烷44%的混合物替代R12较有前景。
Richardson和Butterworth的试验研究发现48%丙烷和52%丁烷组成的混合物,在相当大温度范围内其热力特性与R12 相当。
Alsaad 和Hammad在家用冰箱中使用LPG(丙烷24.4%, 丁烷58.4%, 异丁烷17.2 %的混合物)作为R12的替代制冷剂,研究系统的制冷量、COP和压缩机功耗。
在蒸发温度为-15℃,冷凝温度为27℃,环境温度20℃的条件下其COP值达3.4。
替代过程中,这个系统并未做任何调整。
他们在另一工作中,对四种不同混合比例的丙烷、丁烷、异丁烷混合物替代家用冰箱R12制冷剂进行研究。
结果表明,混合比例为丙烷50%,丁烷38.3%,异丁烷11.7%的混合物,性能最佳。
存在的问题及解决措施:HC最令人不满意的地方在于它的可燃性。
所以得保证良好的通风,以及具备检漏和报警设备。
并提高设备的密封性,减少泄漏可能性。
在减小安全隐患的同时,扩大碳氢化合物的应用范围。
如汽车空调中的应用,由于其充填量小,爆炸机率很小,目前已有20万辆汽车的空调系统使用HC类物质作制冷剂.在建筑空调系统中采用HC 类物质作制冷剂,内部循环考虑用其他载冷剂也可以很好地解决安全问题。
4、CO2CO2作为一种绿色环保天然工质(ODP=0,GWP=1),以及它优良的物性,如:无毒.不可燃.化学稳定性好;单位容积制冷量高;优良的流动和传热特性等,使它在氟利昂替代过程中为人们所发现并重视。
前国际制冷学会科技理事会主席、挪威的Lorentzen认为CO2是―无可替代的制冷剂‖。
CO2的临界压力为7.377MPa,临界温度为304.13K。
CO2制冷系统与普通制冷系统最大的区别就在于其放热过程为超临界过程。
它用于制冷剂的使用范围广,CO2制冷系统的低温侧温度可低于-20℃,高温侧可高于60℃,跨临界循环技术在较宽的运行范围,可以经济地取得80℃的热水,显著优于采用碳氟制冷剂的同类产品。
在日本,热泵热水器以其良好的节能生态性能赢得了‗Eco Cute(生态精灵)‘的称号。
现今日本市场上有16种不同类型的CO2热泵热水器,代表性产品包括:大金公司的新产品4601,依靠其压缩机良好密封性及共振元件的频率特性的迁移等技术,大大降低了压缩机的噪声,噪声降为42dB。