CAD制图 油浸式变压器装配图
- 格式:doc
- 大小:685.50 KB
- 文档页数:14
结构图解1-铭牌;2-信号式温度计;3-吸湿器;4-油标;5-储油柜;6-安全气道7-气体继电器;8-高压套管;9-低压套管;10-分接开关;11-油箱;12-放油阀门;13-器身;14-接地板;15-小车电力变压器概述电力变压器是一种静止的电气设备,是用来将某一数值的交流电压(电流)变成频率相同的另一种或几种数值不同的电压(电流)的设备。
当一次绕组通以交流电时,就产生交变的磁通,交变的磁通通过铁芯导磁作用,就在二次绕组中感应出交流电动势。
二次感应电动势的高低与一二次绕组匝数的多少有关,即电压大小与匝数成正比。
主要作用是传输电能,因此,额定容量是它的主要参数。
额定容量是一个表现功率的惯用值,它是表征传输电能的大小,以kVA或MVA表示,当对变压器施加额定电压时,根据它来确定在规定条件下不超过温升限值的额定电流。
现在较为节能的电力变压器是非晶合金铁心配电变压器,其最大优点是,空载损耗值特低。
最终能否确保空载损耗值,是整个设计过程中所要考虑的核心问题。
当在产品结构布置时,除要考虑非晶合金铁心本身不受外[3]力的作用外,同时在计算时还须精确合理选取非晶合金的特性参数。
国内生产电力变压器较大的厂家有特变电工等。
供配电方式:10KV高压电网采用三相三线中性点不接地系统运行方式。
用户变压器供电大都选用Y/Yno结线方式的中性点直接接地系统运行方式,可实现三相四线制或五线制供电,如TN-S系统。
电力变压器主要部件及作用①、普通变压器的原、副边线圈是同心地套在一个铁芯柱上,内为低压绕组,外为高压绕组。
(电焊机变压器原、副边线圈分别装在两个铁芯柱上)变压器在带负载运行时,当副边电流增大时,变压器要维持铁芯中的主磁通不变,原边电流也必须相应增大来达到平衡副边电流。
变压器二次有功功率一般=变压器额定容量(KVA)×0.8(变压器功率因数)=KW。
②、电力变压器主要有:A、吸潮器(硅胶筒):内装有硅胶,储油柜(油枕)内的绝缘油通过吸潮器与大气连通,干燥剂吸收空气中的水分和杂质,以保持变压器内部绕组的良好绝缘性能;硅胶变色、变质易造成堵塞。
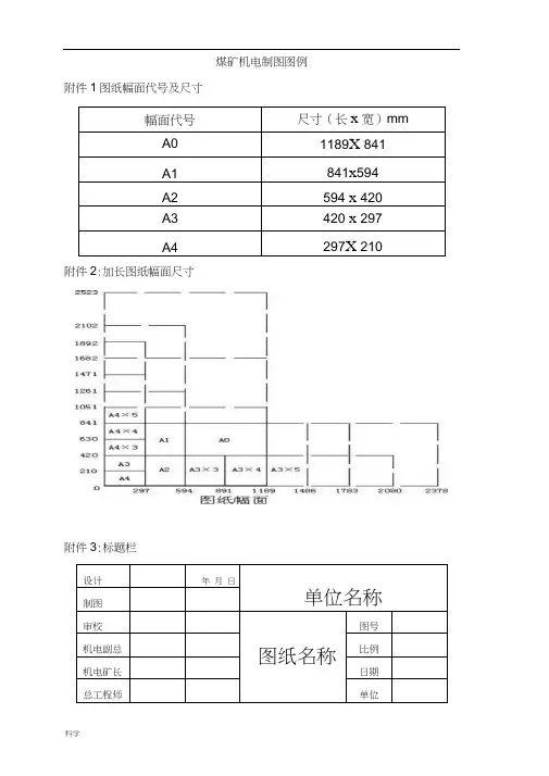
煤矿机电制图图例附件1图纸幅面代号及尺寸附件2:加长图纸幅面尺寸附件3:标题栏地面、井下变配电设备设施图形符号附件6:开关、起动器和保护装置图形符号注:1和2的图形符号,当需要分交直流时,在字线下方加限定符号〜或-附件7:附件8井下运输机械设备图形符号附件9:矿井通风、排水机械设备图形符号管道及管路设施图形符号矿井通讯系统图图例矿井安全监测监控系统图图例方框:长30宽15,线宽0.5设备名称 图例符号 图例尺寸(mrh传感器的种类标注在弧形框内CH —甲烷传感器;Q —氧气传感器传咸煤矿井下监测监控用传感器 器 CQ-—氧化碳传感器;2—二氧化碳传感器; F —负压传感器;T —温度传感器KD —馈电传感器;V —风速传感器KB —风门开关传感器;KT-开停传感器;分站(干线扩展器) X卜 方框:长12宽4,线宽0.5 (注型号和模、开数)井下设备 分站(干线扩展器)电源箱 方框:长12宽4,线宽0.5 断电仪 风、电、瓦斯闭锁装置 直径8,线宽0.5直径8,线宽0.5 光纤 ------ 在光纤上标注型号,线宽0.5 线主通讯电缆 在电缆上标注型号,线宽0.5传感器电缆 ------ 在电缆上标注型号,线宽0.3防雷器(通讯、电源)防豔 方框:长12宽4,线宽0.5监测中心矿井安全监测监控系统图图例机电运输图纸主要包括:1.矿井供电系统图(井上、下供电系统);2.井下机电设备布置图;3.提升运输系统图(原煤、矸石、材料运输系统); 4.压风(自救)系统图;5.矿井排水系统图;6.井下供水(防尘)管路系统图;7.安全监测监控系统图;8.瓦斯抽放系统图;9.矿井通讯系统图;10.人员定位系统图等。
变压器 油浸式电力变压器 HBXS.GY-GC-01-A-LC-02
有限公司
作业工艺流程图
共1页
第1页
半成品检测
OK
铁芯叠装
半成品检测
半成品检测
OK
OK 干燥
OK
半成品检测
半成品检测
线圈绕制
次整理
OK
器身干燥
线圈套装 插片
OK
静放
器身总装
成品入库
成品检测
半成品检测
夹件0K
酸洗、磷化
油箱0K
器身装配 _
整形、恒压干—
线圈制造
真空注油
I
半成品检测 I
I
V
歹■W 壬
引线连接 — -OK
---------------- i 、
半成品检测
油箱制作
”油箱、夹件制造\
夹件制作
半成品检测
铁芯制造
1
硅钢片纵剪 \ 硅钢片横剪 \
• _ 丿
—_纵'
—
—*
I
铁芯绝缘制作
卜
装配绝缘制作
线圈绝缘制作
绝缘制造
资料来源 提出部门
标记
处数
更改文件号
签字
日
期
编制 校对 标准化 审定
批准。
变压器结构图解变压器的基本结构部件是铁心和绕组,由它们组成变压器的器身。
为了改善散热条件,大、中容量变压器的器身浸入盛满变压器油的封闭油箱中,各绕组与外电路的连接则经绝缘套管引出。
为了使变压器平安牢靠地运行,还设有储油柜、气体继电器和平安气道等附件。
(一)铁心铁心既作为变压器的磁路;又作为变压器的机械骨架。
为了提高导磁性能、削减交变磁通在铁心中引起的损耗,变压器的铁心都采纳厚度为0.35-0.5mm的电工钢片叠装而成。
电工钢片的两面涂有绝缘层,起绝缘作用。
大容量变压器多采纳高磁导率、低损耗的冷轧电工钢片。
电力变压器的铁心一般都采纳心式结构,其铁心可分为铁心柱(有绕组的部分)和铁轭(联接两个铁心柱的部分)两部分。
绕组套装在铁心柱上,铁轭使铁心柱之间的磁路闭合。
在铁心柱与铁轭组合成整个铁心时,多采纳交叠式装配,使各层的接缝不在同一地点,这样能削减励磁电流,但缺点是装配简单,费工费时。
在一般变压器中,铁心柱截面采纳外接圆的阶梯形。
只有当变压器容量很小时才采纳方形。
沟通磁通在铁心中会引起涡流损耗和磁滞损耗,使铁心发热。
在大容量变压器的铁心中,往往设置油道。
铁心浸在变压器油中,当油从油道中流过时,可将铁心中的热量带走。
(二)绕组绕组是变压器的电路部分,用来传输电能,一般分为高压绕组和低压绕组。
接在较高电压上的绕组称为高压绕组;接在较低电压上的绕组称为低压绕组。
从能量的变换传递来说,接在电源上,从电源汲取电能的绕组称为原边绕组(又称一次绕组或初级绕组);与负载连接,给负载输送电能的绕组称副边绕组(又称二次绕组或次级绕组)。
绕组一般是用绝缘的铜线绕制而成。
高压绕组的匝数多、导线横截面小;低压绕组的匝数少、导线横截面大。
为了保证变压器能够平安牢靠的运行以及有足够的使用寿命,对绕组的电气性能、耐热性能和机械强度都有肯定的要求。
绕组是根据肯定规律连接起来的若干个线圈的组合。
依据高压绕组和低压绕组相互位置的不同,绕组结构型式可分为同心式和交叠式两种。
1、电特性原理图2、绕制结构图3、绕组说明在左侧使用3.00 mm边距(材料项[3])。
在右侧使用3.00 mm边距(材料项[3])。
取消屏蔽1绕组以引脚1作为起始引脚,在起始端使用材料项[5],再使用材料项[7]绕14圈(x 2线),从左到有刚好一层。
沿与初级绕组相同的旋转方向进行绕制。
保持取消屏蔽绕组的这一端不连接。
将末端弯折90度,在骨架中部切断导线。
添加1层胶带(材料项[4])以将绕组固定到位。
初级绕组以引脚2作为起始引脚,在起始端使用材料项[5],再使用材料项[7]绕59圈(x 1线) 在2层中从左向右。
在第1层结束时,继续从右向左绕下一层。
在最后一层上,使绕组均匀分布在整个骨架上。
以引脚1作为结束引脚,使用材料项[5]在此引脚上结束该绕组。
添加1层胶带(材料项[4])以进行绝缘。
偏置绕组以引脚5作为起始引脚,在起始端使用材料项[5],再使用材料项[7]绕9圈(x 2线)。
沿与初级绕组相同的旋转方向进行绕制。
使绕组均匀分布在整个骨架上。
以引脚4作为结束引脚,使用材料项[5]在此引脚上结束该绕组。
添加1层胶带(材料项[4])以进行绝缘。
初级屏蔽2绕组保持该绕组起始点不连接,绕1圈(使用材料项[8])。
沿与初级绕组相同的旋转方向进行绕制。
以引脚1作为结束引脚,使用材料项[5]在此引脚上结束该绕组。
添加3层胶带(材料项[4])以进行绝缘。
次级绕组以引脚8作为起始引脚,在起始端使用材料项[5],再使用材料项[9]绕3圈。
沿与初级绕组相同的旋转方向进行绕制。
以引脚10作为结束引脚,使用材料项[5]在此引脚上结束该绕组。
添加1层胶带(材料项[4])以进行绝缘。
以引脚6作为起始引脚,在起始端使用材料项[5],再使用材料项[10]绕7圈(x 2线)。
使绕组均匀分布在整个骨架上。
沿与初级绕组相同的旋转方向进行绕制。
以引脚8作为结束引脚,使用材料项[5]在此引脚上结束该绕组。
变压器结构图_变压器构造图_变压器结构示意图
图1变压器外形
(1)铁心:它是变压器的磁路,它分为心柱和
铁轭两部分。
图2 变压器铁心
(2)绕组:它是变压器的电路部分,与交流电源连接的绕组称为原绕组或一次绕组,简称为原边;与负载连接的绕组称为副绕组
或二次绕组,简称副边。
图3 变压器绕组
铁心和绕组都浸放在盛满变压器油的油箱之中。
(3)变压器油:用于绝缘和散热。
(4)油箱:正常情况下承受铁芯、绕组和变压器油的重量和对箱壁的压力。
箱壁外有散热扁油管;容量很大的变压器,油箱外有风扇等一些散热组件。
(5)绝缘套管:使带电的引出线与油箱绝缘,并使其固定。
绝缘套管的结构尺寸与电压等级有关,电压等级高的绝缘套管的尺寸大,反之则小。
油浸式试验变压器接线图及使用方法
YDJ 试验变压器做被试品的工频耐压试验使用接线原理图见下图。
被试品工频耐压试验接线图
图中:R1–限流电阻RCF –阻容分压器R F–球间隙保护电阻
G –球间隙C X–被试品
注:高压尾必须可靠接地。
工频耐压试验中限流电阻R1应根据试验变压器的额定容量来选择。
如高压侧额定输出电流在100 – 300mA时,可取0.5 - 1Ω∕ⅴ(试验电压);高压侧额定输出电流为1A以上时,可取1Ω∕ⅴ(试验电压)。
常用水电阻作为限流电阻,管子长度可按150KV∕m考虑,管子的粗细应具有足够的热容量(水阻液配制方法:用蒸馏水加入适量硫酸铜配制成各种不同的阻值)。
球间隙及保护电阻:当电压超过球间隙整定值时(一般取试验电
压的110% - 120%)球间隙放电,对被试品起到保护作用。
球间隙保护电阻可按1Ω∕ⅴ(试验电压)选取。
在工频耐压试验中,低压侧测量电压(仪表电压)不是非常准确的,其原因是由于试验变压器存在着漏坑,在这上个漏抗上必然存在着压降或容升,使试品上的电压低于或高于低压侧测量电压表上反映出来的电压。
工频耐压试验时,被试品上的电压高于试验变压器的输出电压,也就是所谓容升现象。
感应耐压试验时,试验变压器的漏抗必须存在着压降。
为了准确测量被试品上所施加的电压,因此常在高压侧接入FRC阻容分压器来测量电压。
某工业园区路灯配电工程160KVA欧式箱变全套电气原理图
工程简介:某工业园区路灯供电工程,设计1台变压器容量为160KVA的欧式箱变;高压侧采用压气式负荷开关与高压熔断器组合电器对变压器进行过载短路保护;变压器选用S11-M型油浸式变压器;低压侧设计1台进线柜,选用塑壳断路器进行过载短路保护;1台补偿柜,可手动自动投切,实现无功功率补偿;1台出线柜,由时控开关和接触器组合实现对路灯的自动控制。
一次系统图
高压柜二次原理图
低压进线柜二次原理图
低压补偿柜二次原理图低压出线柜二次原理图
电气元件采购清单
园区路灯160KVA欧变GGD(3台)采购单
园区路灯160欧变HXGN-12(1台)采购单。
油浸式试验变压器接线图及使用方法
YDJ 试验变压器做被试品的工频耐压试验使用接线原理图见下图。
被试品工频耐压试验接线图
图中:R1–限流电阻RCF –阻容分压器R F–球间隙保护电阻
G –球间隙C X–被试品
注:高压尾必须可靠接地。
工频耐压试验中限流电阻R1应根据试验变压器的额定容量来选择。
如高压侧额定输出电流在100 – 300mA时,可取0.5 - 1Ω∕ⅴ(试验电压);高压侧额定输出电流为1A以上时,可取1Ω∕ⅴ(试验电压)。
常用水电阻作为限流电阻,管子长度可按150KV∕m考虑,管子的粗细应具有足够的热容量(水阻液配制方法:用蒸馏水加入适量硫酸铜配制成各种不同的阻值)。
球间隙及保护电阻:当电压超过球间隙整定值时(一般取试验电
压的110% - 120%)球间隙放电,对被试品起到保护作用。
球间隙保护电阻可按1Ω∕ⅴ(试验电压)选取。
在工频耐压试验中,低压侧测量电压(仪表电压)不是非常准确的,其原因是由于试验变压器存在着漏坑,在这上个漏抗上必然存在着压降或容升,使试品上的电压低于或高于低压侧测量电压表上反映出来的电压。
工频耐压试验时,被试品上的电压高于试验变压器的输出电压,也就是所谓容升现象。
感应耐压试验时,试验变压器的漏抗必须存在着压降。
为了准确测量被试品上所施加的电压,因此常在高压侧接入FRC阻容分压器来测量电压。
课 程 设 计
课程名称 电气工程制图
课题名称 油浸式变压器装配图
专 业 电气工程及其自动化
班 级
学 号
姓 名
指导教师
2013 年 10 月 21 日
湖南工程学院
课 程 设 计 任 务 书
课题名称 电气工程制图
题 目
油浸变压器装配图绘制
专业班级 电气工程及其自动化
学生姓名
指导老师
审 批
任务书下达日期 2013年 10月 14日
设计完成日期 2013年 10月 21日
设计内容与设计要求
一.课程性质与目的:
1、 性质
《电气工程制图课程设计》是整个教学计划中一个重
要的实践性教学环节,是AutoCAD知识的强化训练,它对
进一步优化学生的知识能力结构、加强专业技术应用能力
培养有重要意义。
2 、目的
通过该课程设计应使学生具备以下基本操作技能:
① 能正确无误地读懂所给图纸,进一步熟悉机械标准;
② 熟悉AutoCAD命令,灵活并综合运用CAD命令绘图,
进一步加深对CAD软件的熟练程度;
③ 对图纸所表现的产品结构有一个初步的认识。
二.课程设计教学基本内容
用CAD软件绘制油浸变压器的装配图。
三.课程设计的基本要求
独立完成所布置的任务,不得拷贝。
主要设计条件
1、提供电机/接触器/变压器装配图一张。
2、提供上机条件。
说明书格式
1、 课程设计封面
2、 课程设计任务书
3、 说明书目录
4、 概述
5、 绘图过程
6、 总结与体会
7、 参考文献
8、 附录(图纸);
进度安排
设计时间:1周
星期一上午:下达任务,上课
星期一下午至星期四:绘图
星期五上午:准备说明书
星期五下午:答辩
参考文献
《AutoCAD2007 中文版应用教程》, 机械工程出版社,
周健编著。
百度百科
百度知道
目 录
1 概述···········································1
2 绘图过程·······································3
3 总结与体会·····································6
4 参考文献·······································7
5 附录(图纸)
一、概 述
AutoCAD(Auto Computer Aided Design)是Autodesk(欧
特克)公司首次于1982年开发的自动计算机辅助设计软件,用于
二维绘图、详细绘制、设计文档和基本三维设计。 现已经成为国
际上广为流行的绘图工具。AutoCAD具有良好的用户界面,通过交
互菜单或命令行方式便可以进行各种操作。它的多文档设计环境,
让非计算机 专业人员也能很快地学会使用。在不断实践的过程中
更好地掌握它的各种应用和开发技巧,从而不断提高工作效率。
AutoCAD具有广泛的适应性,它可以在各种操作系统支持的微型计
算机和工作站上运行。
它的基本功能有:
平面绘图:能以多种方式创建直线、圆、椭圆、多边形、样条
曲线等基本图形对象。绘图辅助工具。AutoCAD提供了正交、对象
捕捉、极轴追踪、捕捉追踪等绘图辅助工具。正交功能使用户可以
很方便地绘制水平、竖直直线,对象捕捉可 帮助拾取几何对象上
的特殊点,而追踪功能使画斜线及沿不同方向定位点变得更加容
易。
编辑图形:AutoCAD具有强大的编辑功能,可以移动、复制、
旋转、阵列、拉伸、延长、修剪、缩放对象等。标注尺寸。可以创
建多种类型尺寸,标注外观可以自行设定。书写文字。能轻易在图
形的任何位置、沿任何方向书写文字,可设定文字字体、倾斜角度
及宽度缩放比例等属性。图层管理功能。图形对象都位于某一图层
上,可设定图层颜色、线型、线宽等特性。
三维绘图:可创建3D实体及表面模型,能对实体本身进行编
辑。网络功能。可将图形在网络上发布,或是通过网络访问AutoCAD
资源。数据交换。AutoCAD提供了多种图形图像数据交换格式及相
应命令。
二次开发。AutoCAD允许用户定制菜单和工具栏,并能利用内
嵌语言Autolisp、Visual Lisp、VBA、ADS、ARX等进行二次开发。
这次课程设计里,我使用的是AutoCAD2012版本,这个版本是
我学习中最熟悉的版本,便于我的操作,更好的绘图。
二、 绘图过程
1.打开预先装好的软件AutoCAD2012
2.左上角新建文件,然后打开新建模版
3.在开始正式绘图之前,我们需要做好一些准备工作,先要建立好
图层,粗实线,中心线,虚线等,然后根据图纸确定线的粗细。
3.我所绘制的是《油浸变压器装配图》,图纸分为三个部分,左视
图、主视图和俯视图。我先画的是油浸式变压器俯视图。
我发现它的散热片由四个同样的部分组成于是我使用了外部块(按
W进入构建块的模式,选择基准点和对象,修改保存文件名字即可。)
来构造。
同样主视图和左视图也有同样的结构我也使用了外部块来画。
构建好
外部块以后选择插入中的块来插入。
4.其他部分则由圆、直线、倒角的镜像、平移、修剪等工具来实现,
不懂的地方通过询问同学和百度来查找,最终画好各视图后便如下
图。
5.书写部件技术参数和保存即可(如下图)。
三、实习心得与体会
在这一周的绘图中我收获其实挺多的,首先我加深了对
AutoCAD的认识,基本懂得了如何使用AutoCAD软件绘图等。另外在
绘图中我知道了如何简单明了的画出图纸是非常重要的。
而在学习AutoCAD命令时始终要与实际应用相结合,不要把主
要精力花费在各个命令孤立地学习上;死记硬背是没有效果的,要
把学以致用的原则贯穿整个学习过程,多用才会知道和熟记快捷键
的使用,以此培养自己应用AutoCAD独立完成绘图的能力。
虽然我也有许多不懂的地方,但是灵活的运用百度能够解决许
多的问题,比如引线的标注开始的时候总不在横线上,怎么调整都
没有用,而通过百度后便马上能够知道如何修改,已达到自己想要
的结果。
再有画图的时候一定要沉下心不能浮躁,浮躁是画不好图的,
每当我有画不出的地方,我便冷静的思考与捉摸来找到解决的方
法,而如果急躁的弄一定会出现一些难以挽回的错误。
其实AutoCAD这门课程重要的自己领悟和掌握,俗话说的好
“师父领进门修行在个人”,要想学好AutoCAD,能够灵活运用它
需要我们自己勤学苦练才能真正掌握。
四、参考文献
《AutoCAD2007 中文版应用教程》, 机械工程出版社,周健编著。
百度百科
百度知道
电气与信息工程系课程设计评分表
项 目 评 价
设计方案的合理性与创造性
硬件制作或软件编程完成情况*
硬件制作测试或软件调试结果*
设计说明书质量
设计图纸质量
答辩汇报的条理性和独特见解
答辩中对所提问题的回答情况
完成任务情况
独立工作能力
组织纪律性(出勤率)
综合评分
指导教师签名:________________
日 期:________________
注:①表中标*号项目是硬件制作或软件编程类课题必填内容;
②此表装订在课程设计说明书的最后一页。课程设计说明书装订顺序:
封面、任务书、目录、正文、评分表、附件(非16K大小的图纸及程序清单)。