锚具尺寸图
- 格式:pdf
- 大小:27.12 KB
- 文档页数:1
HVM 型锚固体系1 产品名称 HVM 型锚固体系锚具2 适用范围 它是一种高性能的锚具,能可靠地锚固2000MPa 及以下各种强度级别的直径为φ12.7、φ12.9、φ15.24、φ15.7mm 的预应力钢绞线。
适用的钢绞线根数为1根至55根,还可以根据用户的需要增加钢绞线根数。
广泛应用于工业与民用建筑、公路、铁路、核电站安全壳等结构工程及水利水电、岩土锚固、超重超高构件整体提升用的预应力钢绞线的锚固。
3 产品技术性能指标、执行标准 其锚固效率系数和延伸率均能达到GB/T14370-2002《预应力筋用锚具、夹具和连接器》的要求,其中:锚固效率系数ηA ≥0.95,极限延伸率εapu ≥2%;疲劳寿命≥200万次。
4 产品种类和基本尺寸HVM 锚固体系由HVM 锚板、夹片、锚垫板、螺旋筋、钢绞线、波纹管组成。
根据不同的用途,分成HVM15/13圆形锚具、BM15/13型扁形锚具、P15/13型挤压锚具和L 型15/13连接器等。
4.1 HVM 圆形锚具 见图1尺寸参数详见图2和表1。
灌浆孔M27×2图2 锚具结构示意及尺寸参数表1 HVM15圆形锚具参数表图1 HVM 圆形锚具1.夹片2.锚板3.锚垫板4.螺旋筋5.金属波纹管6.预应力钢绞线4.2 BM 型扁形锚具当预应力钢绞线配置在板式结构内时,为避免因配索而增大板厚,可采用BM 型扁锚而将预应力钢绞线布置成扁平放射状。
见图3和表2。
4.3 P 型挤压锚具P 型挤压锚具是在钢绞线头部套上挤压套,通过专用机具挤压,使挤压套产生塑性变形后握紧钢绞线,钢绞线的张拉力通过挤压套由专用垫板传递给构件。
它主要包括挤压套(含挤压簧)、螺旋筋、固定端锚板、约束圈等。
见图5和表3。
表2 BM 型扁形锚具参数表 (mm)图3 扁形锚具结构示意图图4 BM 型扁形锚具1-波纹管;2-约束圈;3-排气管;4-螺旋筋;5-预应力筋;6-固定锚板;7-挤压套图5 P 型挤压锚具结构示意图图6 GYJA 型挤压器(mm )(续表)表3 P 型挤压锚具参数表(mm)4.4 连接器钢绞线束连接器从构造分,有成束群锚型和单根连接型两种。
锚具产品配套说明(国内用2011年版)由于公司目前锚具种类较多,为了便于成本核算、生产、销售及发货,现针对销售最常用的锚具产品,将其配套使用列表、说明如下:一、圆锚注:工具锚G15-(1~55)T.0 ;限位板M15-nXT(限位尺寸为6.6mm);2~19孔限位尺寸为5.8 、6.2、7.0、7.4、7.8、8.2的限位板对应的图号为M15-nXT(a~f),a~f对应各限位尺寸。
应用说明:1、该体系为我公司CRCC认证锚具系列,主要应用于铁路工程,符合TB/T 3193-2008《铁路工程预应力筋用夹片式锚具、夹具和连接器技术条件》的要求;2、M15E-nDTB锚垫板和M15-nLTB螺旋筋是最新优化的,只能在新铁路工程中应用。
对于原已供货的铁路工程,还是采用原M15E-nDT锚垫板和M15-nLT螺旋筋;3、M15ET-nD型同种孔位的锚垫板(方形),又根据所使用的抽拔管或波纹管的不同而选择不同止口大小的锚垫板,具体的图号需查看图纸或产品使用说明书。
由于该锚垫板是针对铁路工程中特殊订货要求而设计,没有特殊要求尽可能不采用。
4、在发M15ET-nD锚垫板的,为方便客户使用,请经营公司发货时,一个合同配一本《YJM15-(1~37)OVM工作锚》产品使用说明书发货,夹片包装箱中的锚具使用说明不再修改。
√2、OVM.M15-C型锚具公路注:工具锚G15T-(1~55).0 限位板M15-nXT应用说明:该体系为我公司CCPC认证锚具系列,主要应用于公路工程。
√3、DSM15-1型低回缩锚具(张拉端)铁路应用说明:该套锚具为我公司CRCC认证产品。
固定端常用YJM15-1OVM锚具,也可使用DSM15-1。
张拉装置为:千斤顶YDC240QX;撑脚(需要时出图)。
应用说明:该套锚具为我公司CRCC认证产品。
张拉装置为:千斤顶YDC240QX;撑脚(需要时出图)。
√5、DSM15-3型低回缩锚具(张拉端)铁路应用说明:该套锚具为我公司CRCC认证产品。
固定端P型锚具
当需要把后张力直接传至梁端时,可采用P型锚具。
与群锚配套使用的是ATM15P型;与扁锚配套使用的是ABM15P型。
它包括挤压套、挤压簧、垫板、约束圈、螺旋筋、钢绞线。
配用ZB4—500型电动油泵,用专用挤压机把挤压套、挤压簧与钢绞线挤压成锚固头。
其锚固效率系数≥95%。
ATM15固定端P型锚具结构图
1.挤压套(含挤压簧)
2.垫板
3.钢绞线
4.螺旋筋
5.排气管
6.约束圈
7.波纹管ATM15固定端P型锚具参数表单位:mm
ABM15固定端P型锚具结构图
1.挤压套
2.扁垫板
3.钢绞线
4.螺旋筋
5.约束圈
6.波纹管
ABM15固定端P型锚具参数单位㎜。
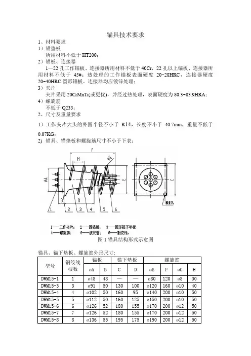
锚具技术要求1、材料要求1)锚垫板所用材料不低于HT200;2)锚板、连接器1—22孔工作锚板、连接器所用材料不低于40Cr,22孔以上锚板、连接器所用材料不低于45#;热处理的工作锚板表面硬度20~28HRC,连接器硬度20~40HRC圆形锚板、连接器均应镀锌处理;3)夹片夹片采用20CrMnTi(或更优),并经过热处理,表面硬度为80.3~83.9HRA;4)螺旋筋不低于Q235;2、尺寸及重量要求1)工作夹片大头的外圆半径不小于R14,长度不小于40.7mm,重量不低于0.07KG;2)锚具、锚垫板和螺旋筋尺寸不小于下表:图1锚具结构形式示意图型号钢绞线根数锚板锚下垫板螺旋筋øA B C D øE F øG HDWM15-1 1 ø4848 ——ø80120 ø830 DWM15-3 3 ø9150 130 100 ø120160 ø1040 DWM15-4 4 ø10250 160 95 ø140200 ø1050 DWM15-5 5 ø11250 160 125 ø150200 ø1050 DWM15-6 6 ø12652 180 155 ø170200 ø1250 DWM15-7 7 ø12652 180 155 ø170200 ø1250 DWM15-8 8 ø13655 195 175 ø190200 ø1250DWM15-9 9 ø14655 205 190 ø200200 ø1250 DWM15-10 10 ø15658 210 210 ø205240 ø1460 DWM15-11 11 ø16658 210 210 ø205240 ø1460 DWM15-12 12 ø16660 270 190 ø230240 ø1460 DWM15-13 13 ø17063 235 210 ø230240 ø1460 DWM15-14 14 ø17665 245 210 ø240240 ø1460 DWM15-15 15 ø18668 305 260 ø260300 ø1660 DWM15-16 16 ø19670 280 230 ø260300 ø1660 DWM15-17 17 ø196 73 285 270 ø280300 ø1660 DWM15-18 18 ø20675 285 275 ø280300 ø1660 DWM15-19 19 ø20675 340 280 ø280300 ø1660 DWM15-20 20 ø22680 300 285 ø290300 ø1660 DWM15-21 21 ø22680 300 285 ø290300 ø1660 DWM15-22 22 ø22680 320 260 ø290300 ø1860 DWM15-23 23 ø22685 330 300 ø330300 ø1870 DWM15-24 24 ø23585 330 300 ø330350 ø1870 DWM15-25 25 ø24585 365 425 ø330350 ø1870 DWM15-26 26 ø24590 365 425 ø330350 ø1870 DWM15-27 27 ø24590 365 425 ø330350 ø18703)锚垫板重量不小于每孔1KG:4)连接器最尺寸不小于下表:图2 连接器的结构示意图。
锚具技术要求1、材料要求1)锚垫板所用材料不低于HT200;2)锚板、连接器1—22孔工作锚板、连接器所用材料不低于40Cr,22孔以上锚板、连接器所用材料不低于45#;热处理的工作锚板表面硬度20~28HRC,连接器硬度20~40HRC圆形锚板、连接器均应镀锌处理;3)夹片夹片采用20CrMnTi(或更优),并经过热处理,表面硬度为80.3~83.9HRA;4)螺旋筋不低于Q235;2、尺寸及重量要求1)工作夹片大头的外圆半径不小于R14,长度不小于40.7mm,重量不低于0.07KG;2) 锚具、锚垫板和螺旋筋尺寸不小于下表:图1锚具结构形式示意图锚具、锚下垫板、螺旋筋外形尺寸:型号钢绞线根数锚板锚下垫板螺旋筋øA B C DøE FøG HDWM15-11ø4848—— ø80120ø830 DWM15-33ø9150130100ø120160ø1040 DWM15-44ø1025016095ø140200ø1050DWM15-55ø11250160125ø150200ø1050DWM15-66ø12652180155ø170200ø1250DWM15-77ø12652180155ø170200ø1250DWM15-88ø136********ø190200ø1250DWM15-99ø14655205190ø200200ø1250DWM15-1010ø156********ø205240ø1460DWM15-1111ø166********ø205240ø1460DWM15-1212ø166********ø230240ø1460DWM15-1313ø17063235210ø230240ø1460DWM15-1414ø176********ø240240ø1460DWM15-1515ø186********ø260300ø1660DWM15-16ø19670280230ø260300ø166016DWM15-17ø19673285270ø280300ø1660 17DWM15-18ø20675285275ø280300ø1660 18DWM15-19ø20675340280ø280300ø1660 19DWM15-20ø22680300285ø290300ø1660 20DWM15-21ø22680300285ø290300ø1660 21DWM15-22ø22680320260ø290300ø1860 22DWM15-23ø22685330300ø330300ø1870 23DWM15-24ø23585330300ø330350ø1870 24DWM15-25ø24585365425ø330350ø1870 25DWM15-26ø24590365425ø330350ø1870 26DWM15-27ø24590365425ø330350ø1870 273)锚垫板重量不小于每孔1KG:4)连接器最尺寸不小于下表:图2 连接器的结构示意图连接器型号连接器L A DDWM15-3L59070160 DWM15-4L62970164 DWM15-5L722701845 DWM15-6L/7L72270198 DWM15-8L73970212 DWM15-9L78370222 DWM15-10L/11L80970238 DWM15-12L70070230 DWM15-13L80970238 DWM15-14L80970248 DWM15-15L88670262 DWM15-16L88570268DWM15-17L91570272 DWM15-18L91570276 DWM15-19L91570268 DWM15-20L98070288 DWM15-21L98070288 DWM15-22L98070288 DWM15-23L105670318 DWM15-24L105670318 DWM15-25L105670318 DWM15-26L105670318 DWM15-27L105670318。
LZM5 、LZM7型冷铸锚具冷铸锚构造图1.后盖2.分丝板3.张拉端锚杯4.螺母5.约束圈6.连接筒7.钢丝8.密封盖9.固定端锚环LZM5型冷铸锚尺寸表单位:mmLZM7型冷铸锚具尺寸表单位:mm文- 汉语汉字编辑词条文,wen,从玄从爻。
天地万物的信息产生出来的现象、纹路、轨迹,描绘出了阴阳二气在事物中的运行轨迹和原理。
故文即为符。
上古之时,符文一体。
古者伏羲氏之王天下也,始画八卦,造书契,以代结绳(爻)之政,由是文籍生焉。
--《尚书序》依类象形,故谓之文。
其后形声相益,即谓之字。
--《说文》序》仓颉造书,形立谓之文,声具谓之字。
--《古今通论》(1) 象形。
甲骨文此字象纹理纵横交错形。
"文"是汉字的一个部首。
本义:花纹;纹理。
(2) 同本义[figure;veins]文,英语念为:text、article等,从字面意思上就可以理解为文章、文字,与古今中外的各个文学著作中出现的各种文字字形密不可分。
古有甲骨文、金文、小篆等,今有宋体、楷体等,都在这一方面突出了"文"的重要性。
古今中外,人们对于"文"都有自己不同的认知,从大的方面来讲,它可以用于表示一个民族的文化历史,从小的方面来说它可用于用于表示单独的一个"文"字,可用于表示一段话,也可用于人物的姓氏。
折叠编辑本段基本字义1.事物错综所造成的纹理或形象:灿若~锦。
2.刺画花纹:~身。
3.记录语言的符号:~字。
~盲。
以~害辞。
4.用文字记下来以及与之有关的:~凭。
~艺。
~体。
~典。
~苑。
~献(指有历史价值和参考价值的图书资料)。
~采(a.文辞、文艺方面的才华;b.错杂艳丽的色彩)。
5.人类劳动成果的总结:~化。
~物。
6.自然界的某些现象:天~。
水~。
7.旧时指礼节仪式:虚~。
繁~缛节(过多的礼节仪式)。
8.文华辞采,与“质”、“情”相对:~质彬彬。
9.温和:~火。