钢结构厂房预算书范本
- 格式:doc
- 大小:157.00 KB
- 文档页数:7
钢结构厂房工程预算范本第一章:引言1.1简介本文档为钢结构厂房工程预算范本,主要包括项目背景、预算目的、预算范围和编制依据等内容。
1.2项目背景本项目是针对一家制造商的工厂进行的钢结构厂房工程建设。
工厂位于城市郊区,总占地面积为X平方米,拟建设一栋X层楼的厂房。
预计该工厂将用于生产和存储产品,并提供员工办公和生活设施。
1.3预算目的本预算的目的是对钢结构厂房工程的建设费用进行全面的估算和预测,以便为投资决策提供依据。
该预算将包括土地购置费、建筑和设备费、人工和材料费、施工及监理费用等方面的成本估算。
1.4预算范围本预算的范围包括但不限于以下内容:-土地购置费-建筑设计和施工费用-设备购置和安装费用-建设期间的人工和材料费用-工程管理和监理费用-其他相关费用。
1.5编制依据本文档的编制依据如下:-相关设计文件和图纸-建筑和结构工程的相关规范和标准-厂房工程的行业经验和成本数据-市场调研和报价信息-需要提前与厂房建设有关的其他相关文件和信息。
第二章:土地购置费2.1土地购置费用估算根据市场调研和相关政策,预计购置工厂用地的费用约为X元/平方米,预计总土地购置费用约为X元。
第三章:建筑设计和施工费用3.1建筑设计费用估算根据与设计师的协商和市场调研,预计建筑设计费用约为X元。
3.2建筑施工费用估算根据施工方的报价和市场调研,预计建筑施工费用约为X元。
第四章:设备购置和安装费用4.1设备购置费用估算根据厂房的用途和设备需求,预计设备购置费用约为X元。
4.2设备安装费用估算根据供应商的报价和市场调研,预计设备安装费用约为X元。
第五章:人工和材料费用5.1人工费用估算根据工程施工方案和市场调研,预计人工费用约为X元。
5.2材料费用估算根据工程材料清单和市场调研,预计材料费用约为X元。
第六章:施工及监理费用6.1施工费用估算根据工程施工方案和市场调研,预计施工费用约为X元。
6.2监理费用估算根据工程监理方案和市场调研,预计监理费用约为X元。
钢结构厂房预算书范本【钢结构厂房预算书范本】一、项目概述:本预算书针对建设一个钢结构厂房进行详细预算,包括建筑材料、人工费用、设备和其它相关费用等各项成本,并提供相应的预算金额。
二、材料费用预算:1. 钢材费用:根据厂房设计图纸及面积预估,计算所需的各类钢材数量及相应价格,并加以合计。
2. 混凝土及砂石费用:预估厂房地基混凝土用量,计算所需混凝土及砂石的数量及价格,并进行总计。
3. 砖瓦及油漆费用:预算钢结构厂房内部砖瓦、油漆等装修材料的数量及价格,并进行总计。
4. 绝热材料费用:估算钢结构厂房所需绝热材料的数量及价格,并进行总计。
三、人工费用预算:1. 建筑工人费用:预估建筑工人数量和工作时间,并计算相应的工资及社会保险等费用。
2. 钢结构安装工人费用:根据钢结构厂房安装难度及工时,预估所需人数和工作时间,并计算相应的工资及社会保险等费用。
3. 其他人员费用:预算配套人员(如监理、设计师等)的工资及社会保险等费用,并进行总计。
四、设备费用预算:1. 钢结构制造设备费用:预估所需的钢结构制造设备数量和相应价格,并进行总计。
2. 建筑设备费用:预算建筑过程中所需的各类设备数量及价格,并进行总计。
3. 办公设备及其他设备费用:预估办公设备及其他设备所需数量和价格,并进行总计。
五、其他费用预算:1. 管理费用:预估项目管理所需的费用,包括管理人员工资、行政办公用品等。
2. 各项手续费用:预算办理钢结构厂房相关手续所需的费用,包括审批费、登记费等。
3. 环境保护费用:预估建设过程中需要进行的环境保护措施及费用,并进行总计。
六、预算总计及报告:1. 所有费用预算总计:将以上各项费用进行汇总,计算出预算的总金额,并查漏补缺。
2. 预算报告:将预算结果列入报告中,详细说明各项费用的来源和计算方式,并提供合适的图表和说明材料支持。
七、结语:本预算书按照钢结构厂房的建设需求进行详细预算,包括材料、人工、设备和其他费用。
钢结构预算范本.关键信息项:1、钢结构工程的具体项目和范围2、预算编制的依据和标准3、预算涵盖的费用明细,包括材料、人工、运输等4、预算的总金额及价格调整机制5、付款方式和时间节点6、工程进度安排及对应的预算支出计划7、质量标准和验收要求8、违约责任和争议解决方式1、钢结构工程预算概述11 本预算旨在为钢结构工程提供详细的费用估算和成本分析。
12 工程范围包括但不限于钢结构主体的设计、制造、运输和安装。
2、预算编制依据21 工程设计图纸和技术规格要求。
22 现行的钢结构工程施工及验收规范。
23 市场上相关材料和设备的价格调研。
3、预算涵盖的费用明细31 材料费用311 钢材采购成本,包括各类型钢、钢板等。
312 连接材料,如高强度螺栓、焊条等。
313 防腐、防火涂料的费用。
32 人工费用321 钢结构制造工人的工资。
322 安装工人的薪酬。
33 运输费用331 材料运输至施工现场的费用。
34 设备租赁费用341 施工过程中所需的起重机、电焊机等设备的租赁成本。
35 间接费用351 施工现场的水电费。
352 管理费用和保险费用。
4、预算总金额41 本钢结构工程预算总金额为具体金额元。
42 此金额为初步估算,可能会根据实际情况进行调整。
5、价格调整机制51 如遇原材料价格大幅波动,超过具体百分比,双方将协商调整预算。
52 因工程变更导致工作量增加或减少,将相应调整预算。
6、付款方式和时间节点61 预付款:合同签订后,甲方支付预算总金额的具体百分比作为预付款。
62 进度款:根据工程进度,分阶段支付相应的款项。
63 竣工款:工程竣工验收合格后,支付至预算总金额的具体百分比。
64 质保金:预留预算总金额的具体百分比作为质保金,在质保期满后无质量问题支付。
7、工程进度安排及对应的预算支出计划71 详细列出工程的各个阶段及预计完成时间。
72 对应每个阶段的预算支出金额和用途。
8、质量标准和验收要求81 钢结构工程应符合国家和行业的相关质量标准。
钢结构的预算例范本.doc 范本一:***钢结构的预算例范本1. 项目概述1.1 项目名称1.2 项目地点1.3 工程规模1.4 工期要求2. 预算分析2.1 施工材料2.1.1 钢材价格2.1.2 焊接材料价格2.1.3 防腐涂料价格2.2 人工费用2.2.1 施工人员工资2.2.2 建设期间的日常费用2.3 设备租赁费用2.3.1 塔吊租赁费用2.3.2 施工机械租赁费用2.4 装修材料费用2.4.1 地板铺设费用2.4.2 墙面涂料费用2.4.3 窗户和门的费用3. 工程量清单3.1 钢材工程量3.1.1 结构钢梁数量3.1.2 结构钢柱数量3.1.3 结构钢梁和柱连接件数量 3.2 施工人员工作量3.2.1 梁柱的安装工作量3.2.2 焊接工作量3.2.3 防腐涂料施工工作量4. 费用估算4.1 施工成本4.1.1 材料费用4.1.2 人工费用4.1.3 设备租赁费用4.1.4 装修材料费用4.2 项目管理费用4.2.1 施工组织设计费用 4.2.2 监理费用4.3 其他费用4.3.1 质量检测费用4.3.2 保险费用5. 预算总结5.1 总投资费用5.2 预算变更管理5.3 风险控制措施6. 附件---本文档涉及附件:- 钢材价格表- 焊接材料价格表- 防腐涂料价格表- 施工人员工资表- 设备租赁费用表- 装修材料费用表- 施工组织设计费用表- 监理费用表- 质量检测费用表- 保险费用表法律名词及注释:- 施工组织设计:根据施工项目的特点,制定合理的施工方案,包括人员组织、机械设备配置、工程量计算等。
- 监理:对施工过程中的质量、安全、进度等进行监督和管理的工作。
- 预算变更管理:对工程项目的预算进行调整和管理,并进行相应的审核和批准程序。
范本二:***钢结构的预算例范本1. 项目概述1.1 项目名称1.2 项目地点1.3 工程规模1.4 工期要求2. 预算分析2.1 施工材料2.1.1 钢材价格2.1.2 焊接材料价格2.1.3 防腐涂料价格2.2 人工费用2.2.1 施工人员工资2.2.2 建设期间的日常费用2.3 设备租赁费用2.3.1 塔吊租赁费用2.3.2 施工机械租赁费用2.4 装修材料费用2.4.1 地板铺设费用2.4.2 墙面涂料费用2.4.3 窗户和门的费用3. 工程量清单3.1 钢材工程量3.1.1 结构钢梁数量3.1.2 结构钢柱数量3.1.3 结构钢梁和柱连接件数量 3.2 施工人员工作量3.2.1 梁柱的安装工作量3.2.2 焊接工作量3.2.3 防腐涂料施工工作量4. 费用估算4.1 施工成本4.1.1 材料费用4.1.2 人工费用4.1.3 设备租赁费用4.1.4 装修材料费用4.2 项目管理费用4.2.1 施工组织设计费用 4.2.2 监理费用4.3 其他费用4.3.1 质量检测费用4.3.2 保险费用5. 预算总结5.1 总投资费用5.2 预算变更管理5.3 风险控制措施6. 附件---本文档涉及附件:- 钢材价格表- 焊接材料价格表- 防腐涂料价格表- 施工人员工资表- 设备租赁费用表- 装修材料费用表- 施工组织设计费用表- 监理费用表- 质量检测费用表- 保险费用表法律名词及注释:- 施工组织设计:根据施工项目的特点,制定合理的施工方案,包括人员组织、机械设备配置、工程量计算等。
引言概述:钢结构预算是进行工程项目前期预算的重要环节,它在项目的可行性研究、设计和施工阶段起到了至关重要的作用。
钢结构预算的编制需要综合考虑多个因素,包括项目的规模、材料和劳动力成本、施工难度等。
本文将从不同角度对钢结构预算的编制范本进行详细讨论,以提供一个参考和指导。
正文内容:一、项目指标要求1.工程规模:钢结构预算的编制首先要明确项目的规模,包括建筑面积、层数、高度等,这些指标将直接影响到预算的编制结果。
2.施工难度:项目的施工难度也是钢结构预算的重要考量因素,包括场地条件、环境要求、施工周期等,这些因素将直接影响到预算中的劳务和材料成本。
3.质量要求:钢结构的质量要求是预算编制中的重要考虑因素之一,包括承载能力、耐久性、防火性能等方面的要求都需要在预算中有所体现。
二、预算编制步骤1.收集资料:钢结构预算的编制首先需要收集项目相关的资料,包括设计图纸、规范要求、施工方案等,这些资料将为预算的编制提供重要依据。
2.制定量清单:根据项目的规模和具体要求,编制钢结构的量清单,包括各种构件的数量、规格、材料等信息。
3.估算材料和劳务成本:根据量清单,估算钢材、连接件、焊接材料等的数量和价格,并结合施工难度和工期,计算劳务成本。
这些成本会在后续计算中得到体现。
4.编制施工进度表:根据项目的工期和施工要求,编制钢结构的施工进度表,包括各个施工阶段的工作量、时间和人力分配等。
三、成本控制策略1.按需采购:在采购材料和设备时,根据实际需要,减少库存,以减少存货成本。
2.合理施工进度:合理安排施工进度,避免临时加班和战时补救措施,以降低人力成本。
3.精准市场调研:及时了解市场价格的波动情况,以合理控制材料价格。
4.定期维护保养:钢结构需要定期维护保养,以延长使用寿命,减少维修费用。
5.设备投资合理化:选择性投资设备,避免过度投资,减少负担。
四、风险评估和应对措施1.施工风险:钢结构工程施工过程中存在各种风险,如工人安全、设备故障等,需要制定相应的应对措施,确保施工进度和质量。
[ 宝典] 钢结构厂房预算书范本钢结构厂房预算书范本、钢结构制作单价序号材料名称及规格数量(吨)金额(元)(元/吨)主钢构件(Q345B) 1 6500吊车梁(345C) 2 816.015 6500 5304097.5钢天窗 3 442.88 6500 2878720屋面檩条(Q235A镀锌)C220*75*20*2.5 4 5900墙面檩条(Q235B)钢檩条C220*75*20*2.5 5 5900支撑系统及附件(Q235B) 6 5800钢天沟(镀锌)1mm厚是不是太薄,,7 7500地脚螺栓Q235B包括3个螺母)8 抛丸、除锈9 300底漆两度10 150红丹底漆两度11 300钢结构安装费12 500小计、墙面系统单价序号材料名称及规格数量(m2)金额(元)(元/m2)雨篷1 357.12 三、运输费序号材料名称及规格数量单价金额(元)钢构件运输费(吨) 1 3813.30 200 762660四、五金件单价 序号 材料名称及规格 数量(套) 金额(元) ( 元/套) M24*70 高强螺栓高强螺栓(10.9S) 2 4560 9.5 43320 M20*70 普通螺栓 4 60000 1.2 72000 普通螺母序号 项 目 总价 ( 元) 钢结构制作1 屋面彩板系统2 墙面彩板系统3 费4 762660 五金件5 检测费6 临建费 7小 计 管理费 1% 8利润 4% 9 税金 3.41% 10 合 计 建筑面积(平米) 11 单方造价(元/平米) 12 1 、嘉酒地区无阻燃成型保 温夹心板生产设备,建议采用现场复合,既能降低造价也可满 足使用要求。
现场复合价格我公司还是遵循内蒙报价 82/m2,可降低144.6万元。
注 2、因甘肃城市钢结构加工厂少,酒钢只有一个大型加工厂, 201 1年的加工 合同现已排满,因此钢结构加工本地不能实现,使运输费用有所增加。
甘肃酒泉航天风电工程预算书、钢结构制作单价 序号 材料名称及规格 数量(吨)金额(元)(元/吨)主钢构件(Q235B ) 1 562.4 5850 3290040.00 吊车梁(345C) 2 131.82 5950 784329.00 自动梁(AL) 3 59.8 5600 334880.00檩条(Q235B)C160*70*20*3.0 4 66.69 5600 373464.00檩条(Q235B)薄壁 H 型 钢檩条 5 26.01 5650 146956.00 支撑系统(Q235B) 6 56 5550 310800.00 钢天沟 7 6.75 5500 37125.00 地脚螺栓 Q235B(包括 3 个螺母)8 14.7 6300 92610.0042050 0.8 33640小计 甘肃广银铝业有限公司 580X 112m 钢结构厂房预算书汇总表 (10.9S) 1 2480 9 22320 M27*70强螺栓(10.9S) 3 2432 8.5 20672运输抛丸、除锈9 924.17 0 0.00 底漆两度10 902.72 100 90272.00 23-25 轴线钢承板(m2) 11 2160 120 259200.00 防火涂料钢柱2.5h(m2)( 钢结构展12 2760 20 55200.00 开面积)红丹底漆两度11 醇酸调和面漆两度12 钢结构安装费13 防火涂料钢柱、梁2.5H(m2) 14 防火涂料吊车梁2.5H(m2) 15 防火涂料其它1.5H(m2) 16 防火涂料钢柱、梁 2.0h(m2)( 钢结17 构展开面积)防火涂料钢梁部分 2.0h(m2) 13 3900 16 62400.00 防火涂料其它部分0.5h(m2) 14 3078 16 49200.00 钢结构安装费(吨) 15 902.72 400 361088.00小计6247564.00、屋面系统单价序号材料名称及规格数量(m2)金额(元)(元/m2)80mn厚阻燃820型保温夹芯板1 6410 220 1410200.00 泛水、收边包角等(0.6mm) 3 610 45 27450.00 彩板密封件5 6410 1.5 9615.00 配件6 6410 3 19230.00 屋面彩板安装费7 6410 18 115380.00小计1581875.00三、墙面系统单价序号材料名称及规格数量(m2)金额(元)(元/m2) 80mm厚阻燃820型保温夹芯板 1 4070 220 895400.00 雨篷 2 30 220 6600.00 泛水、收边包角等3 180 45 8100.00 配件4 4070 3 12210.00 铝合金推拉窗5 174 260 45240.00带型窗 6 381 200 76200.00 彩板门7 194 260 50440.00 墙面彩板安装费8 4070 16 65120.00小计1159310.00四、运输费序号材料名称及规格数量单价金额(元)钢构件运输费(吨) 1 902.72 500 451360.00彩钢板运输费(平米)(双层) 2 10480 10 104800.00 窗运输费(平米) 3 575 0 0.00小计556160.00五、五金件单价序号材料名称及规格数量(套)金额(元)(元/套) M20*70 高强螺栓(10.9S) 1 1188 7.5 8910.00 M20*55 高强螺栓(1 0.9S) 2 3470 7.3 25331.00M16*45普通螺栓3 1680 1.2 2016.00 M14*35 普通螺栓4 5360 0.8 4288.00 M14 普通螺母 5 3080 0.3 924.00小计41469.00******序号项目总价(元)钢结构制作 1 6247564.00 屋面彩板系统 2 1581875.00 墙面彩板系统 3 1159310.00 运输费 4 556160.00 五金件 5 41469.00 检测费 6 30000.00 临建费7 15000.00小计9631378.00 管理费1% 8 96313.78 利润4% 9 385255.12 税金3.41%10 328429.99合计10441376.89 建筑面积(平米) 11 7140 单方造价(元/平米) 12** 地区无阻燃成型保温夹心板生产设备,建议采用现场复合,既能降低1462.37 1 、造价也可满足使用要求。
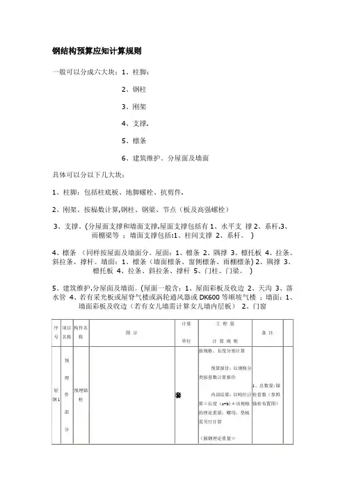
钢结构预算应知计算规则
一般可以分成六大块:1、柱脚:
2、钢柱
3、刚架
4、支撑.
5、檩条
6、建筑维护。
分屋面及墙面
具体可以分以下几大块:
1、柱脚:包括柱底板、地脚螺栓、抗剪件.
2、刚架。
按榀数计算,钢柱、钢梁、节点(板及高强螺栓)
3、支撑。
(分屋面支撑和墙面支撑.屋面支撑包括有1、水平支撑2、系杆.3、
雨棚梁等;墙面支撑包括:1、柱间支撑2、系杆。
)
4、檩条(同样按屋面及墙面分。
屋面:1、檩条2、隅撑3、檩托板4、拉条、斜拉条、撑杆。
墙面:1、檩条(墙面檩条、窗侧檩条、雨棚檩条) 2、隅撑3、檩托板4、拉条、斜拉条、撑杆
5、门柱、门梁。
)
5、建筑维护.分屋面及墙面。
(屋面一般含:1、屋面彩板及收边2、天沟3、落水管4、若有采光板或屋脊气楼或涡轮通风器或DK600等顺坡气楼;墙面:1、墙面彩板及收边(若有女儿墙需计算女儿墙内层板)2、门窗
(一)板材工程量计算规则
(二)门窗工程量计算规则
(三)防腐、防火工程量计算规则。
钢结构预算范本范文一.引言钢结构是一种主要用于楼层、屋顶和其他种类建筑的结构材料。
使用钢结构可以提供更高的强度和稳定性,同时降低施工时间和成本。
该预算范本旨在提供一个全面的钢结构预算,以确保项目的顺利实施和预算的合理使用。
二.预算项目1.材料成本在预算中,材料成本是指使用的钢材、连接件和其他相关的材料。
根据设计图纸和建筑规范,确定每种材料的数量和价格。
考虑到材料的质量和供应情况,在预算中应进行充分的市场调研。
2.工程费用工程费用是指建筑工程中的直接和间接费用。
直接费用包括劳动力成本、机械设备租赁费用和其他直接费用。
间接费用包括管理费用、行政费用、税费等。
在预算中,应根据实际情况和固定的费率进行合理估算。
3.施工计划施工计划是钢结构项目实施的重要组成部分。
它包括项目时间表、施工流程和人员配置等。
在预算中,应考虑到施工计划对项目成本的影响,如加班费用、时间成本等。
4.技术支持技术支持是指为项目提供专业建议和技术指导的费用。
这包括设计师、工程师和其他技术人员的费用。
在预算中,应根据技术支持的数量和质量进行合理的费用估算。
5.保险费用保险费用是为了保护项目在施工和运营过程中可能发生的损失而支付的费用。
它包括施工期风险和运营期风险。
在预算中,应根据项目的规模和风险程度进行合理的费用预估。
三.预算编制步骤1.确定项目需求和目标在预算编制之前,必须明确项目的需求和目标。
这包括项目的规模、用途、设计要求等。
只有明确项目需求和目标,才能编制出全面、准确的预算。
2.收集资料和数据在编制预算之前,需要收集项目相关的资料和数据。
这包括设计图纸、建筑规范、材料供应商的报价等。
只有充分收集并准确分析这些资料和数据,才能制定出可行的预算。
3.编制预算表根据收集到的资料和数据,编制预算表格。
在预算表格中,详细列出每一项预算项目和费用。
包括材料成本、工程费用、技术支持、保险费用等。
确保预算表格的准确性和完整性。
4.审查和调整预算在编制预算之后,需要对其中的每一项进行审查和调整。
引言概述:正文内容:一、项目概述1.项目背景2.构造形式3.工程规模4.结构特点5.项目要求二、施工工艺和方法1.组织管理与协调2.施工工艺规划3.施工方法与流程4.施工标准与要求5.施工安全与环保措施三、材料要求与成本估算1.材料选择与规格2.材料价格与供应商选择3.其他材料费用的估算4.材料成本的控制与调整5.材料清单与采购计划四、人工费用及施工周期估算1.施工人员的数量与专业分工2.人工费用的计算方法3.人工费用的调整与控制4.施工周期的确定与调整5.人工费用与施工周期的综合估算五、设备与机械租赁费用估算1.设备与机械的选择与规格2.设备与机械的租赁费用计算3.设备与机械租赁费用的调整与控制4.设备与机械使用周期的确定与调整5.设备与机械租赁费用的综合估算总结:本文对钢结构预算范本进行了全面的介绍,包括了项目概述、施工工艺和方法、材料要求与成本估算、人工费用及施工周期估算、设备与机械租赁费用估算等五个大点。
在每个大点下都详细阐述了相应的小点,帮助读者全面了解钢结构预算的内容和流程。
通过详细的阐述,希望能够为读者提供一个专业的指导,帮助他们在进行钢结构预算时更加准确和有效地进行工作。
【引言】钢结构预算是钢结构工程项目进行施工前的重要环节,它将对项目的投资、施工进度和质量产生重要的影响。
合理编制和执行钢结构预算可以帮助项目经理有效控制成本,确保工程质量,实现项目的目标与利益最大化。
本文将对钢结构预算的范本进行详细分析与阐述,以期提供给读者在实际工作中参考与借鉴。
【概述】钢结构预算范本是根据工程项目的实际需求和施工过程中的要求,编制成的一份综合性预算模板。
它包括了项目的费用构成、数量计算、单位工程预算等内容,为项目管理人员准确评估项目成本提供了依据。
一个合理的钢结构预算范本应当具备全面、准确、实用等特点,并能够满足各类工程项目的需求。
【正文内容】1.费用构成1.1材料费用1.2人工费用1.3设备费用1.4运输费用1.5管理费用材料费用是指工程中所使用的钢材、焊材、涂料等材料的采购成本。
钢结构预算范本一、工程概述首先,对钢结构工程进行简要描述,包括工程名称、地点、规模、用途等。
例如:本钢结构工程位于_____市_____区,为一座_____平方米的工业厂房,用于_____生产。
二、设计图纸及技术要求详细列出钢结构的设计图纸编号、版本以及相关的技术规范和标准。
这部分内容是预算编制的重要依据。
例如:设计图纸包括结构平面图、立面图、节点详图等,编号分别为_____、_____、_____。
遵循的技术规范有《钢结构设计规范》(GB 50017-2017)、《建筑钢结构焊接技术规程》(JGJ 81-2002)等。
三、材料清单1、钢材钢梁、钢柱:分别列出其规格(如 H 型钢、箱型柱等)、材质(如 Q235B、Q355B 等)、长度、数量、单重和总重。
支撑构件:包括水平支撑、垂直支撑等,同样列出规格、材质、长度、数量等信息。
钢板:用于屋面板、墙面板等,注明厚度、材质、面积和数量。
2、连接材料高强度螺栓:列出规格(如 M20、M24 等)、强度等级(如 88 级、109 级)、数量。
普通螺栓:规格、数量。
焊接材料:焊条、焊丝的型号、规格和数量。
3、其他材料隅撑、系杆、拉条等小型构件的材料和数量。
防腐涂料、防火涂料的种类、规格和用量。
四、加工制作费用1、钢材切割、焊接、打孔等加工费用,根据工艺难度和工作量计算。
2、构件的矫正、除锈、喷漆等表面处理费用。
五、运输及安装费用1、运输费用:根据运输距离、构件重量和体积计算运输成本。
2、安装费用:包括吊车租赁费用、安装工人工资、安装工具使用费等。
安装费用通常按照每吨或每平方米的价格计算。
六、直接费用汇总将上述各项材料、加工制作、运输及安装费用相加,得出钢结构工程的直接费用。
七、间接费用1、管理费:按照直接费用的一定比例(通常为 5%-10%)计算。
2、利润:根据市场行情和企业预期,一般为直接费用的 8%-15%。
3、规费:根据当地规定缴纳的各项费用,如社会保障费、住房公积金等。
钢结构预算应知计算规则
一般可以分成六大块:1、柱脚:
2、钢柱
3、刚架
4、支撑。
5、檩条
6、建筑维护。
分屋面及墙面
具体可以分以下几大块:
1、柱脚:包括柱底板、地脚螺栓、抗剪件。
2、刚架。
按榀数计算,钢柱、钢梁、节点(板及高强螺栓)
3、支撑.(分屋面支撑和墙面支撑。
屋面支撑包括有1、水平支撑2、系杆。
3、
雨棚梁等;墙面支撑包括:1、柱间支撑2、系杆。
)
4、檩条(同样按屋面及墙面分.屋面:1、檩条2、隅撑3、檩托板4、拉条、斜拉条、撑杆。
墙面:1、檩条(墙面檩条、窗侧檩条、雨棚檩条)2、隅撑3、檩托板4、拉条、斜拉条、撑杆
5、门柱、门梁。
)
5、建筑维护。
分屋面及墙面。
(屋面一般含:1、屋面彩板及收边2、天沟3、落水管4、若有采光板或屋脊气楼或涡轮通风器或DK600等顺坡气楼;墙面:
1、墙面彩板及收边(若有女儿墙需计算女儿墙内层板)
2、门窗
(一)板材工程量计算规则
(二)门窗工程量计算规则
(三)防腐、防火工程量计算规则。