施工顺序、总进度安排及总形象进度示意图
- 格式:docx
- 大小:343.56 KB
- 文档页数:6
.文章由情难枕精心整理,希望对大家的学习和工作带来帮助整理人:情难枕整理时间:2011-4-10'.工程标尺月日进度标尺星期工程周0102030405060708090100110120 2005.82005.926291471013161922252814710131619222528313691215182124273036912151821242730铝型材、钢材龙骨资料采玻璃、石材、铝板等面型材订单购面板订单板资料采买14说明:总工期140天(~),工程名称后的日期为最迟开始和达成的时间。
9681017915施工部署幕墙施工图设计7型材加工设计面板加工设计53111620141711层采光天顶5-11层幕墙面板加1-4层幕墙面板7层采光顶龙幕墙性能1-4层幕墙龙骨资料加5-11层幕墙龙骨加工幕墙龙骨及面骨及面板加试验设计5幕墙性能试验15板加工18工20加工22工265715工121591211915完工图3-4层面板施145-7层龙骨施工(8-11层面板施工5-7层面板施工工(1-2层面板施工丈量放后埋件施工(最迟开始及结束~1-2层龙骨施工(3-4层龙骨施工(~8-11层幕墙龙骨施工((~(~~(~1线4)~)13~17)19~)23)27)29)31 528915)131********1411层采光顶龙骨11层采光顶7层采光顶龙骨7层采光顶面板施工(面板施工(施工(~安装(其余零星~)21)24~)~工程计划动工日期:91128)30完工1187'..。
施工顺序、总进度安排及总形象进度示意图一、施工顺序在对一个建筑项目进行施工时,首先需要确定的就是施工的顺序安排。
这是因为一些工序的完成,往往需要借助于其他的工序,如果没有一个清晰的施工顺序,就会导致工程延误、浪费资源等问题。
针对本项目,施工顺序如下:1.地基与基础工程施工,包括土方开挖、土工处理、混凝土浇筑等。
2.主体结构施工,包括钢筋工程、混凝土浇筑、检查验收等。
3.安装工程施工,包括电气安装、水暖安装、通风设备安装等。
4.装饰工程施工,包括涂料装修、石材安装、门窗安装等。
5.配套设施施工,包括电梯安装、消防设备安装、通道施工等。
二、总进度安排总进度安排是为了保证工程按时按量完成,同时避免由于工期安排不妥而导致的工程质量问题。
通常情况下,总进度安排需要考虑到各个工序之间的关系,避免出现疏漏和错误。
总进度安排如下:工程任务任务时间完成百分比地基与基础工程施工2个月20%主体结构施工4个月50%安装工程施工2个月70%装饰工程施工2个月90%配套设施施工1个月100%三、总形象进度示意图总形象进度示意图是为了让业主和相关人员更直观地了解工程的进展情况。
通过图表的形式展现出来,可以更清晰地展示每个工序的完成情况和剩余部分的工作量。
同时,总形象进度示意图也为后续的进度安排提供了依据。
总形象进度示意图总形象进度示意图通过上图,我们可以看到每个工序的完成情况和剩余部分的工作量。
从图中可以看出,我们的工程进展是非常顺利的,按照我们的计划,预计在规定的时间内完工。
四、从以上内容来看,施工顺序、总进度安排及总形象进度示意图是建筑项目中非常重要的一环。
通过对施工顺序和总进度的安排,可以有效地提高工程的质量,避免出现浪费和延误的问题。
同时,对于业主来说,总形象进度示意图则是一个更直观的工程进展情况的展示,可以让业主更加了解工程进展情况,同时提高了业主对工程进度安排的信心。
整套施工进度计划网络图、横道图、平面图及相关附表基础分部工程施工进度计划表分部分项工程名称工程量计划天数施工进度备注2 4 6 8 10 12 14 16 18 20 22 24 26 28 30 32 34 36 38 40放样钉设龙门板/ 1 机械开挖土方2000m3 4 人工修整土方/ 2 浇灌垫层混凝土20m3 1 分中放样弹线/ 1 柱基模板安装450m2 3 地网柱基钢筋安装15t 2 柱基础混凝土浇灌530m3 3 拆模板及再次分中/ 1 短柱的模板安装150m2 1 浇灌短柱混凝土12m3 1 拆模及清理基底/ 1 组织基础结构验收/ 1 对基础混凝土养护/ 7 基础土方回填夯实1450m3 3 地梁模板安装430m3 3 地梁钢筋安装11t 2 地梁混凝土浇灌23m3 1主体分部工程施工进度计划表分部分项名称工程量计划天数施工进度05 10 15 20 25 30 35 40 45 50 55 60 65 70 75 80 85 90 95 100 105 110 115 120一层结构工程模板1600m2钢筋22t砼145m38二层结构工程模板1400m2钢筋20t砼135m38三层结构工程模板1400m2钢筋20t砼135m38四层结构工程模板1400m2钢筋20t砼135m38五层结构工程模板1400m2钢筋20t砼135m38六层结构工程模板1400m2钢筋20t砼135m38七层结构工程模板1400m2钢筋20t砼135m38屋面梯盖水箱模板200m2钢筋4t砼13m37一层填充砖墙内墙25m3、外墙18m3 5二层填充砖墙内墙75m3、外墙20m37三层填充砖墙内墙75m3、外墙20m37四层填充砖墙内墙75m3、外墙20m37五层填充砖墙内墙75m3、外墙20m37六层填充砖墙内墙75m3、外墙20m37七层填充砖墙内墙75m3、外墙20m37屋面栏杆栏板混凝土8m3、砌体8m38楼层栏杆栏板混凝土30m3、砌体458m310主体结构验收注:填充墙的砌筑可数层同时同步进入施工,屋面栏杆、栏板也可在砌筑填充墙的时候同时插入施工,这样主体分部施工时间可缩短为100天。
加油站提量改造及双罐双线改造项目施工顺序总进度安排及总形象进度示意图(一)、施工顺序施工平面流水段的划分为加快施工进度而又不至于造成窝工现象,在基础及主体施工过程中,各工种间相互穿插,流水施工。
按照“先地下,后地上;先结构,后装修;先土建,后安装”的程序合理穿插,逐步展开。
(一)基础按以下工序程序施工放线一土方开挖f地基钎探一基础一钢筋混凝土地圈梁一土方回填(二)主体结构施工程序放线一构造柱立筋一砖墙砌筑一构造柱支模浇筑一梁、板支模一梁、板扎筋一梁板碎浇筑一碎养护一进入上一层结构施工(三)屋面工程一次施工,每道工序按流向全面做完每一个分项。
施工程序一般为:接受任务阶段-开工前准备阶段-全面施工阶段-交工验收阶段,每一阶段都必须完成规定的工作内容,并为下一阶段工作创造条件。
在具体施工中应遵循的施工总顺序是:先地下后地上、先主体后围护、先结构后装饰、先土建后安装。
先地下后地上是指首先完成管道、管线等地下设施、土方工程和基础工程,然后开始地上工程施工,对于地下工程应按先深后浅的顺序进行。
先主体后围护是指先施工主体结构,再进行围护结构的施工。
先结构后装饰是指先进行主体结构施工,后进行装饰工程的施工。
先土建后安装是指先进行一般土建工程的施工,后进行安装工程的施工。
(二”各分部工程施工段的划分及施工流向的确定1基础施工以后以伸缩缝为界分区作业:基础碎承台采用薄层浇筑,斜面分层、循序渐进、一次到顶、专人定位振捣的方法施工,届时协调好交通,环保等工作,确保材料及时到位杜绝由于施工造成的冷缝及图纸、方案之外施工缝的产生。
2结构施工:拟配一台QT350塔吊(具体位置见平面图)负责材料的垂直输送,碎采用商品碎,做好计量工作,钢筋集中配制,原位绑扎,模板采用胶合板早拆体系。
为加快施工进度,塔吊在基础施工前安装,以充分发挥机械利用率,此阶段机械、劳动力达到高峰,随着建筑升高,扎实落实生产安全保证措施,以确保各项目标的实现。
外墙保温装饰工程招标施工顺序总进度安排及总形象进度示意图
一、施工顺序
清理基层-墙面测量、弹线、挂线-粘贴翻包网格布-粘贴聚苯板(防火隔离带、破化微珠)-锚固件固定-抹底层抹面砂浆-铺贴网格布-外墙饰面
二、总进度安排
自接到甲方开工令后50日历天内完成所有工作。
三、总形象进度示意图
本工程施工楼号多,有利于扩大工作面进行流水施工。
本工程进度计划安排综合考虑了各工序之间的平行安排、流水作业、交叉作业、雨季施工影响等因素,总形象进度示意图如下:。
施工总进度安排及附图4.1编制依据和编制原则4.1.1 编制依据⑴招标文件对施工进度的有关文件要求。
⑵设计图纸。
⑶有关施工及验收规范。
⑷工程量清单。
⑸主要施工方法。
⑹招标文件对工期的要求。
⑺现场实际情况。
⑻本单位施工力量情况。
4.1.2 编制原则⑴施工进度计划必须服从总工期的要求;⑵施工总进度计划必须服从地基稳定的大局,在确保地基稳定的前提下,配置满足施工进度计划要求的施工资源,大强度施工;⑶在认真分析现场情况和本单位情况的基础上,尽可能采用先进的施工技术、设备,充分发挥机械效率和尽量减少准备,辅助和停待等非生产时间,最大限度地做到连续施工和均衡施工,加快施工进度。
同时,应注意留有适当余地,保证工程质量和安全文明施工。
当施工情况发生变化时,以便及时调整进度计划,保证工期目标的实现。
4.2 施工总进度计划4.2.1 施工总工期安排根据招标文件,本工程工期目标为210日历天,计划于监理下达开工令日开工,用210个日历天完工,即xx年6月10日竣工。
xx年11月10日~xx年12月10日按照本工程的施工图设计要求,完成工程筹建、施工招投标、三通一平、建筑材料准备等前期工作。
xx年12月11日~xx年6月1日完成灌主体工程施工任务。
xx年6月2日~xx年6月10日完成全部设计项目并通过竣工验收。
本工程采用分段按工程项目平行流水搭接作业施工方法,利用电脑进行严格的项目进度管理,不断提高项目机械化程度和劳动生产率,组织有节奏、均衡和连续的施工。
施工程序遵循先基础再上部、先完成渠道衬砌工程和渠道垮方治理工程;确定关键线路,并采取有效措施确保关键工序按计划施工,同时采用提前插入、交叉作业等综合措施,充分利用时间和空间。
对非关键工序则应根据工地实际情况优化穿插安排,相互衔接。
4.2.2 施工总进度计划说明(一)、施工准备工作:包括机械和人员进场、施工场地平整、施工道路修筑、水电系统、施工辅助生产企业和其他临建设施建设,10日内陆续完成。
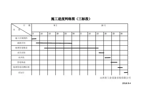
施工进度网络图(三标段)
山西省工业设备安装有限公司
2016.9.4
北新接与原DN1200管道接口位置对原管道进行排水
对北新街接头位置管道开始进行预制
如果我是山,就要站成一种尊严,让山花灿烂,山风拂面,让每一处角落都渗透梦语言,让我价值在太阳底下展现;如果我是水,就要流成一种磅礴,让小船远航,鱼儿欢畅,让每一股细流都一往无前,让我价值迎风吟
唱
鱼儿,在水中串上串下,吐着顽皮的泡泡;鸟儿从荷叶上空飞过,想亲吻荷花姑娘的芳泽。
四周的花儿,紫的,黄的,白的,红的,竞相开放。
大红花儿,张着大嘴,放声歌唱;灯笼花儿,随风摇坠,四处飘香;剑兰花儿,形态独特,毫不逊色。
它们与荷塘之景交相辉映,美不胜收此时,我的心情兴奋到极点,好久好久没有看过如此美的景色了。
若果我有一双会画画的手,我定把这如痴如醉的荷塘活色生香的描绘一番;若果我有一部高像素的相机,我定不放过每个花开的镜头;若果我是一个诗人,我定把这荷塘每片光鲜艳丽的色泽融入人生的诗篇。
我更期待,期待盛夏的荷塘色,期待那更加妖娆多姿,色泽鲜艳的荷花,期待初夏生机勃勃、挥汗如雨的激情生活!。
1 工程形象进度计划的安排及网络图1.1施工横道图进度计划1.2施工网络图进度计划2 总体部署与施工安排2.1施工总体安排2.1.1脚手架裙房采用落地式钢管扣件脚手架,塔楼主体采用工字钢悬挑脚手架,一次悬挑高度为5层(不超过20m)。
裙房外檐装修仍使用主体外脚手架,塔楼外檐装修采用吊篮,由于二十一层至顶层为外挑结构,需要分别从二十层和顶层设置吊篮。
2.1.2模板与混凝土浇筑本工程结构施工总体采用木胶合板模板,钢管扣件硬架支顶体系。
混凝土采用商品混凝土泵送,现场设置混凝土拖泵一台用于塔楼高层结构,地下室和裙房主要使用泵车,地下室地板浇筑采用地泵+2台泵车。
2.1.3垂直运输本工程塔楼垂直运输采用一台56m臂杆塔式起重机和一部双笼施工升降机,裙房采用物料提升机,由于物料提升机基础需要设置于地下室顶板上,因此不宜多设,拟先设置一部,塔楼施工升降机可以用于裙楼,由于裙房大部分在塔吊施工范围以外,拟配备两台50t吊车解决裙房主体上料问题。
2.1.4梁柱节点本工程墙柱混凝土强度等级均比同一层梁板高,分两种情况考虑:一、裙房墙柱混凝土强度等级C40,梁板C35,相差一级,可在柱顶梁底留设水平施工缝,柱节点部位混凝土同梁板采用C35混凝土。
二、塔楼墙柱混凝土普遍比梁板混凝土强度等级高出两级以上,相差大于C10,应分开浇注,即浇注前在节点的周边用钢丝网插入梁端,先浇注柱,再及时浇注梁、板。
节点核心区柱子部位混凝土采用塔吊料斗浇筑。
对梁柱节点钢筋密集的核心区用小型插入振捣器加强振捣,杜绝漏振死角。
施工中加强现场管理,避免浇筑时梁柱混凝土用错。
2.1.5现场平面本工程现场相对紧张,临时设施(主要为项目办公区和民众住宿区)均采用双层彩板搭设,现场做硬化处理,施工主干道采用150厚C15混凝土硬化路面。
现场围挡采用砖墙砌筑,分别在两条主干道上设置出入口。
沿围挡挖电缆沟埋深施工临设水电管路,具体详见施工现场平面布置图。
2.2施工总体部署2.2.2项目经理部岗位职责2.2.2.1项目经理职责(1)在公司指导下,选配项目经理部组成人员,明确各成员的职责分工,组织开展工作。
附图:景洪市教育局2010年廉租住房建设项目——景洪市嘎洒镇嘎栋曼典小学(施工招标)
施工进度计划网络图总工期56日历天
一层装修二层装修
○○○
8天8天
一层内粉二层内粉
○○○
5天 5天
施工放线基础土方独立基础地梁砼土方回填一层墙柱二层板二层墙柱屋面板屋面防水外墙装饰室外附属球场竣工验收
○1○2○3○4○5○6○7○8○9○10○11○12○13○14 1天 3天 5天 2天 2天 6天 6天 6天 6天 6天 6天 4天 3天
浇灌运输道、脚手架搭拆
○○
52天
水电安装、调试、清洗
○○
55天
(十)、景洪市教育局2010年廉租住房建设项目——景洪市嘎洒镇嘎栋曼典小学(施工招标)
施工平面布置图1:400
图例说明:
表示井架。
总进度计划、横道图、网络图、平面图基础分部工程施工进度计划表分部分项工程名称工程量计划天数施工进度备注2 4 6 8 10 12 14 16 18 20 22 24 26 28 30 32 34 36 38 40放样钉设龙门板/ 1机械开挖土方2000m34人工修整土方/ 2浇灌垫层混凝土20m3 1分中放样弹线/ 12柱基模板安装450m23地网柱基钢筋安装15t 2柱基础混凝土浇灌530m33拆模板及再次分中/ 1短柱的模板安装150m21浇灌短柱混凝土12m3 1拆模及清理基底/ 13组织基础结构验收/ 1 对基础混凝土养护/ 7基础土方回填夯实1450m33地梁模板安装430m33地梁钢筋安装11t 2地梁混凝土浇灌23m3 1主体分部工程施工进度计划表分部分工程计施工进度4项名称量划天数05 10 15 20 25 30 35 40 45 50 55 60 65 70 75 80 85 90 95 101051111512一层结构工程模板1600m2钢筋22t砼145m38二层结构工程模板1400m2钢筋20t砼135m38三层结构工程模板1400m2钢筋20t砼135m38四层结构工程模板1400m2钢筋20t砼135m38五层结构工程模板1400m2钢筋20t砼135m385六层结构工程模板1400m2钢筋20t砼135m38 七层结构工程模板1400m2钢筋20t砼135m38 屋面梯盖水箱模板200m2钢筋4t砼13m37一层填充砖墙内墙25m3、外墙18m35二层填充砖墙内墙75m3、外墙20m37三层填充砖墙内墙75m3、外墙20m37四层填充砖墙内墙75m3、外墙20m376五层填充砖墙内墙75m3、外墙20m37六层填充砖墙内墙75m3、外墙20m37七层填充砖墙内墙75m3、外墙20m37屋面栏杆栏板混凝土8m3、砌体8m38楼层栏杆栏板混凝土30m3、砌体458m310主体结构验收注:填充墙的砌筑可数层同时同步进入施工,屋面栏杆、栏板也可在砌筑填充墙的时候同时插入施工,这样主体分部施工时间可缩短为100天。
浇灌混凝土 浇水养护不少于7d转入上一层结构施工混凝土浇灌令基槽放线钢筋隐蔽验收梁板钢筋绑扎土方开挖地基处理垫层施工防水施工 底板钢筋模板砼施工墙钢筋模板施工基础顶梁板模板施工地基检测防水施工验收施工顺序、总进度安排及总形象进度示意图1、施工组织顺序1.1 土建施工区划分及施工组织顺序施工区域的划分及施工组织根据本工程的特点,1#、2#住宅楼及地下车库为一个施工区域,12-14#省级住宅楼及16#综合楼为一个施工区域。
根据施工区域的划分安排施工任务和工程进度。
各个区域按单位工程模式由相对独立的施工队伍进行同步施工。
并在各自的施工区域内组织流水施工。
1.2.基础及地下室工程施工顺序土方开挖→清槽→地基处理→基础垫层→防水及保护层施工→底板及梁板柱施工。
1.3 主体工程顺序采用先施工竖向构件,再施工水平结构。
施工顺序见示意图。
主体阶段施工顺序流程图测量放线墙柱钢筋连接墙柱钢筋下料制作 浇混凝土浇水养护不少于7d转入上一层结构施工 拆除梁板、墙模板混凝土浇灌令上一层结构测量放线 转入上一层结构施工转入上一层钢筋制作 墙柱钢筋绑扎 墙柱内安装预留预埋墙柱模板安装 墙柱钢筋安装隐蔽验收墙柱模板验收搭设梁板满堂架 安装预留预埋梁板钢筋下料制作 铺平台模板梁板钢筋绑扎1.4 装饰阶段施工顺序图装饰阶段施工顺序流程图砖墙隐蔽验收物料提升机安装楼层抄平放线砖墙砌筑构造柱圈梁支模浇砼楼层清理、施工准备竣工验收室内涂料底层室内门窗扇油漆五金室内涂料面层清理修补室内抹灰楼地面门窗框安装外墙保温施工外墙面砖及涂料施工2、总进度安排根据本工程设计文件,依照建设单位对工期的要求,结合我公司的实际施工能力,公司初步制定了该项目工程总的施工进度计划,即暂定2010年1月1日开工,2011年3月26日竣工,总工期为15个月。
(后附施工进度网络图),为确保工程如期竣工,设施工进度计划控制点如下:注:施工网络进度计划图附后。
3、总形象进度示意图。
钢框架结构厂房项目施工顺序总进度安排及总形象进度网络图
1、总体施工程序
根据本工程的实际情况,施工程序安排如下图:
2、土建工程
土建工程本着先地下、后地上,框架结构砼施工与填充墙封闭的相结合的原则,主体施工阶段脚手架按规范及有关要求,随建筑物升高随时搭设。
3、钢构工程
在主体结构施工过程中,要及时进行备料,按照图纸进行下料加工。
在主体结构完成具备条件后及时进行钢构的安装。
4. 安装工程
在结构工程施工期间,安装各专业应与土建各专业密切配合,安排专人负责预留洞、预埋件的预留、预埋,并应与装修各专业协调好关系,并注意成品保护。
5、装饰工程按照先室外后室内,先上后下,先土建后安装,依据网络计划要求按时组织施工力量进场施工。
地上主体结构施工中,工种较多,一定要组织好工序的穿插和各工种之间的协调,并制定切实可行的成品保护措施,加强成品保护工作。
5、进度计划根据本工程设计图纸、招标文件及答疑文件,参照建设单位对工期的要求,初步制定了该工程总体施工进度网络计划图(见附图),预定施工时间为2015 年3 月10 日,竣工时间为2015 年 6 月30 日,总日历天数111 天。
施工顺序、总进度安排及总形象进度示意
图
1、施工组织顺序
1.1 土建施工区划分及施工组织顺序
施工区域的划分及施工组织根据本工程的特点,1#、2#住宅楼及地下车库为
一个施工区域,12-14#省级住宅
楼及16#综合楼为一个施工区域。
根据施工区域
的划分安排施工任务和工程进度。
各个区域按单位工程模式由相
对独立的施工队伍进行同步施工。
并在各自的施工区域内组织流水
施工。
1.2. 基础及地下室工程施工
顺序
土方开挖→清槽→地基处理→
基础垫层→防水及保护层施工→底
板及梁板柱施工。
1.3 主体工程顺序采用先施工竖向构件,再施工水平结构。
施工顺序见示意图
主体阶段施工顺序流程图
1.4 装饰阶段施工顺序
图
装饰阶段施工顺序流程
图
2、总进度安排
根据本工程设计文件,依照建设单位对工期的要求,结合我公司的实际施工能力,公司初步制定了该项目工程总的施工进度计划,即暂定2010年1月1
日
开工,2011年3月26日竣工,总工期为15个月。
(后附施工进度网络图),
为确保工程如期竣工,设施工进度计划控制点如下:
注:施工网络进度计划图附后
序号节点
±0 以
下
工程3、总形象进度示
意图
形象示
意
时间
2010年
3 月26
日
装饰3
工程2011年1 月20 日
4 竣工2011年3 月26 日。