危大工程验收表--适用版
- 格式:doc
- 大小:380.00 KB
- 文档页数:18
危险性较大工程验收表(简称危大工程,共18张表)一、编制依据:1.《危险性较大的分部分项工程安全管理规定》住建部令第37号2.广东省住建厅《危险性较大的分部分项工程安全管理办法》实施细则二、主要内容1.基坑工程(基坑支护工程验收表、基坑开挖检查表)2.人工外孔桩(人工挖孔桩开孔前检查表、人工挖孔桩防护检查表)3.高大模板工程(高大模板工程支撑系统起步验收单、高大模板工程施工最终验收单)4.落地式脚手架(落地式脚手架搭设起步验收表、落地式脚手架搭设验收表(分阶段搭设))5.附着式脚手架(附着式脚手架使用前验收表、附着式升降脚手架爬升/下降前检查表)6.悬挑式脚手架(悬挑脚手架验收记录表(锚固环安装)、悬挑脚手架验收记录表(悬挑梁安装)、悬挑脚手架验收记录表(分段搭设))7.吊篮工程验收(吊蓝验收表、吊蓝使用时检查表)8.卸料平台(落地式转料平台验收表、悬挑式转料平台加工验收表、悬挑式转料平台使用检查表)三、另注:关于大型机械设备方面涉及的相关验收与定期检查记录在设备管理系统已经比较完善,其中塔吊、施工电梯、井架的安装、加节、拆除所涉及的验收、定期检查在设备管理方面都已经体现。
安全管理方面要求现场安全员要对这部分资料进行整理存档,就不在安全管理系统内体系了。
基坑支护工程验收表基坑开挖检查表检查记录:JKKWJCB**人工挖孔桩开孔前检查表人工挖孔桩防护检查表检查编号:RGWKZJCB**B**高大模板工程施工最终验收单验收记录编号:GDMBZYSB**验收记录编号:LDJQBYSB**落地式脚手架搭设验收表(分阶段搭设)验收记录编号:LDJJDYSB**悬挑脚手架验收记录表(锚固环安装)验收记录编号:XTHAZYSB**悬挑脚手架验收记录表(悬挑梁安装)验收记录编号:XTLAZYSB**悬挑脚手架验收记录表(分段搭设)验收记录编号:XTJJDYSB**附着式脚手架使用前验收表(安装/爬升/下降完成后)验收编号:FZJSYQYSB**附着式升降脚手架爬升/下降前检查表检查编号:FZJQJCB**吊蓝验收表验收编号:DL YSB**吊蓝使用时检查表检查编号:DLSYJCB**落地式转料平台验收表检查编号:LDPTYSB**悬挑式转料平台加工验收表检查编号:XTPTJGYSB**悬挑式转料平台使用检查表检查编号:XTPTSYJCB**。
建筑工程深基坑工程土方开挖安全验收表注:1.土方开挖工程验收应根据施工方案要求进行开挖后分段验收。
2.超规模危大工程应经专家验收。
高大模板支撑安全验收表注:1.高支模工程工程分段搭设时,应根据施工方案要求进行分段验收。
2. 超规模危大工程应经专家验收。
落地式钢管扣件脚手架搭设验收表(危大工程)注:1.落地脚手架应按搭设次数分段逐次验收。
2.超规模危大工程应经专家验收。
悬挑式脚手架验收表表7.3.4-2注:1.悬挑脚手架应按搭设次数分段逐次验收。
2.超规模危大工程应经专家验收。
门式脚手架验收表(危大工程)表7.3.4-3注:1.门式脚手架应按搭设次数分段逐次验收。
2.超规模危大工程应经专家验收。
悬挑式卸料平台验收表表7.3.4-4注:l、悬挑式钢平台,每移位一次须重新验收。
精品文档落地操作平台搭设验收单表7.3.4-5注:1.移动式操作平台面积不应超过10 m2,高度不超5 m。
危大工程验收表建筑施工起重机械(塔式起重机)安装验收记录表(续表)注:首次安装及每次附着顶升后,施工总承包单位应组织有关单位按此表对塔式起重机进行验收。
建筑施工起重机械(施工升降机)安装验收记录表(续表)注:1.对不符合要求的项目在备注栏具体说明,对要求量化的参数应填写实测值。
2.每次附着加节后,施工总承包单位应组织有关单位按此表对施工升降机进行验收。
建筑施工起重机械(物料提升机)安装验收记录表(续表)注:1.每次加节后,施工总承包单位应组织有关单位按此表对物料提升机进行验收。
高处作业吊篮使用验收表附着式升降脚手架首次安装完毕及使用前检查验收表注:1.本表由施工单位填报,监理单位、施工单位、租赁单位、安拆单位各存一份。
2. 超规模危大工程应经专家验收。
危险性较大工程验收表(简称危大工程,共18张表)一、编制依据:1.《危险性较大的分部分项工程安全管理规定》住建部令第37号2.广东省住建厅《危险性较大的分部分项工程安全管理办法》实施细则二、主要内容1.基坑工程(基坑支护工程验收表、基坑开挖检查表)2。
人工外孔桩(人工挖孔桩开孔前检查表、人工挖孔桩防护检查表)3。
高大模板工程(高大模板工程支撑系统起步验收单、高大模板工程施工最终验收单)4。
落地式脚手架(落地式脚手架搭设起步验收表、落地式脚手架搭设验收表(分阶段搭设))5.附着式脚手架(附着式脚手架使用前验收表、附着式升降脚手架爬升/下降前检查表)6。
悬挑式脚手架(悬挑脚手架验收记录表(锚固环安装)、悬挑脚手架验收记录表(悬挑梁安装)、悬挑脚手架验收记录表(分段搭设))7。
吊篮工程验收(吊蓝验收表、吊蓝使用时检查表)8.卸料平台(落地式转料平台验收表、悬挑式转料平台加工验收表、悬挑式转料平台使用检查表)三、另注:关于大型机械设备方面涉及的相关验收与定期检查记录在设备管理系统已经比较完善,其中塔吊、施工电梯、井架的安装、加节、拆除所涉及的验收、定期检查在设备管理方面都已经体现。
安全管理方面要求现场安全员要对这部分资料进行整理存档,就不在安全管理系统内体系了。
基坑支护工程验收表基坑开挖检查表检查记录:JKKWJCB**人工挖孔桩开孔前检查表人工挖孔桩防护检查表检查编号:RGWKZJCB**高大模板工程支撑系统起步验收单验收记录编号:GDMBQBYSB**高大模板工程施工最终验收单验收记录编号:GDMBZYSB**落地式脚手架搭设验收表(分阶段搭设)验收记录编号:LDJJDYSB**悬挑脚手架验收记录表(锚固环安装)验收记录编号:XTHAZYSB**悬挑脚手架验收记录表(悬挑梁安装)验收记录编号:XTLAZYSB**悬挑脚手架验收记录表(分段搭设)验收记录编号:XTJJDYSB**附着式脚手架使用前验收表(安装/爬升/下降完成后)验收编号:FZJSYQYSB**附着式升降脚手架爬升/下降前检查表检查编号:FZJQJCB**吊蓝验收表验收编号:DL YSB**吊蓝使用时检查表检查编号:DLSYJCB**落地式转料平台验收表检查编号:LDPTYSB**悬挑式转料平台加工验收表检查编号:XTPTJGYSB**悬挑式转料平台使用检查表检查编号:XTPTSYJCB**。
危大工程验收记录表(可以直接使用,可编辑实用优秀文档,欢迎下载)危大工程验收记录表(基坑工程)一、分项工程质量验收记录表(八个分部)1.结构工程2.防水工程3.孔口防护分项工程4.建筑装修工程5.给水排水工程6.采暖、通风与空调工程7.建筑电气安装8.防火设备安装工程(RFJ01-2002)4.8—1模板分项工程质量验收记录表(RFJ01-2002)4.9-1钢筋绑扎分项工程质量验收记录表(RFJ01-2002)4.9-2钢筋焊接分项工程质量验收记录表(RFJ01-2002)4.10-1混凝土分项工程质量验收记录表注:1.H为电梯井筒全高。
2.蜂窝、孔洞、露筋、缝隙夹渣层等缺陷,在装饰前应按施工规范规定进行修理。
(RFJ01-2002)6.1-1防护门、防护密闭门、密闭门门框墙制作分项工程质量验收记录表(RFJ01-2002)6.2-1钢筋混凝土防护门、防护密闭门、密闭门安装分项工程质量验收记录表注:L为门孔长边尺寸(mm)。
(RFJ01-2002)6.2-2钢质防护门、防护密闭门、密闭门安装分项工程质量验收记录表注:L为门孔长边尺寸(mm)。
(RFJ01-2002)6.3-1防爆波活门、防爆超压排气活门安装分项工程质量验收记录表(RFJ01-2002)6.4-1进、出工程管线的防护密闭分项工程质量验收记录表(RFJ01-2002)8.1-1给水管道安装分项工程质量验收记录表注:δ为隔热层厚度。
(RFJ01-2002)8.4-1排水管道安装分项工程质量验收记录表(RFJ01-2002)9.9-1过滤器、除尘器、过滤吸收器安装分项工程质量验收记录表(RFJ01-2002)9.10-1密闭阀门安装分项工程质量验收记录表(RFJ01-2002)10.1-1电缆线路分项工程质量验收记录表注:d为电缆外径。
(RFJ01-2002)11.3-1防烟排烟部件的制作与安装分项工程质量验收记录表二、分部工程质量验收记录表(RFJ01-2002)3.4.2分部工程质量验收记录表三、单位工程质量验收记录表(RFJ01-2002)-1单位工程质量验收记录表(RFJ01-2002)-2单位工程质量控制资料核查记录表(RFJ01-2002)-3单位工程观感质量检查记录表YB1隐蔽工程检查验收记录工程名称:建设单位:图号:隐蔽部位:施工单位:隐蔽日期:年月日专业技术负责人:质量检查员:填表人:注:本表适用于砼、钢筋、砌体埋筋、防水、回填土等隐蔽工程。
危大工程验收表--适用版建筑工程深基坑工程土方开挖条件验收记录工程名称:R项目二期B标段建设单位:XXX施工单位:XXX监理单位:XXX设计单位:XXX勘察单位:XXX计划开工时间:待定验收项目:1.基坑支护、基底加固是否按设计及规范要求完成,强度是否达到设计要求。
2.降水井是否已完成且降水深度达到设计要求。
3.基坑周边建筑物、构造物、管线是否已得到保护。
4.基坑及周边环境监测点是否已按监测方案布置完成,是否符合设计及规范要求且取得初始值。
5.施工方案、安全技术和管线交底及各项应急工作的准备是否就绪。
6.法律、法规、规章制度规定的其他条件。
验收意见:经验收,发现以下问题:1.方案应有针对性的,应按方案实施。
2.积土、机具设备、临建设施等荷载与槽边距离大于设计规定。
3.基坑施工应设置有效的降排水和防止坑外的水流入基坑的措施,应有保护临近建筑物、管线、道路等措施,基坑应有护壁措施。
4.基坑支护应按照设计文件、监测方案和规范要求进行监测并做好记录,对临近建筑和重要管线、道路也应进行监测。
5.施工机械进场应经验收合格,司机操作应接受交底,持证上岗,机械作业应符合安全操作规程,开挖程序、分层开挖的深度应符合方案要求。
6.超过2m深的基坑四周要有二道防护栏杆,并自上而下用安全立网封闭。
验收结果:不符合开挖条件。
施工总承包单位:企业技术负责人或授权委派的专业技术人员:项目负责人:项目技术负责人:方案编制人员:项目专职安全员:其他相关人员:年月日勘察单位:项目技术负责人:年月日分包单位:企业技术负责人或授权委派的专业技术人员:项目负责人:项目技术负责人:方案编制人员:安全员:其他相关人员:年月日设计单位:项目技术负责人:年月日监理单位/监测单位:专业监理工程师:项目技术负责人:项目XXX工程师:年月日/年月日建设单位:专家论证组组长:项目负责人:年月日/年月日验收单位:项目名称:建设单位:施工单位:分包单位:序号项目验收时间验收部位验收要求验收结果1 支护、土方、降水、监测方案年月日设计单位符合开挖条件2 坑壁荷载年月日监理单位不符合开挖条件3 降排水措施年月日施工单位不符合开挖条件4 基坑支护及周边环境监测年月日监测单位不符合开挖条件5 土方开挖年月日施工单位不符合开挖条件经验收后,发现基坑开挖存在多项问题,不符合开挖条件。
危大工程联合验收表格一、工程概况本工程位于________,工程名称:________。
建设单位:________。
设计单位:________。
施工单位:________。
监理单位:________。
建筑面积:________平方米,结构类型:________,层数:________层,总高度:________米,基础类型:________,基础埋深:________米。
二、施工组织设计本工程已经编制了详细的施工组织设计,明确了施工工艺、施工顺序、质量标准、安全技术措施等内容。
施工过程中严格按施工组织设计要求组织施工。
三、施工进度计划本工程自______年______月______日开工至______年______月______日完工,其中______年______月至______月为地下部分施工,______年______月至______月为地上部分施工,______年______月至______月为装修及安装部分施工。
施工过程中未出现因设计变更、不可抗力等因素影响施工进度的情况。
四、施工材料检验本工程使用的钢筋、水泥、砂石等主要材料均已经过检验,质量符合设计和规范要求。
进场材料均有合格证、质保书和检测报告等质量证明文件。
施工过程中未发现不合格材料的使用情况。
五、隐蔽工程验收本工程的隐蔽工程包括桩基、钢筋、防水、保温等。
隐蔽工程验收均已通过建设、设计、监理和施工单位验收合格,验收资料齐全。
六、施工过程记录施工过程中对每个分项工程的质量控制、安全措施和施工情况进行详细记录,并形成相应的验收资料和技术档案。
所有资料均真实、准确、完整。
七、工程质量检测本工程已经按照相关规范要求进行了各项检测,包括混凝土强度、钢筋保护层厚度、楼板厚度等内容,检测结果均符合设计和规范要求。
八、联合验收申请本工程已经完成了所有设计和合同约定的内容,自检合格,具备验收条件,特此申请联合验收。
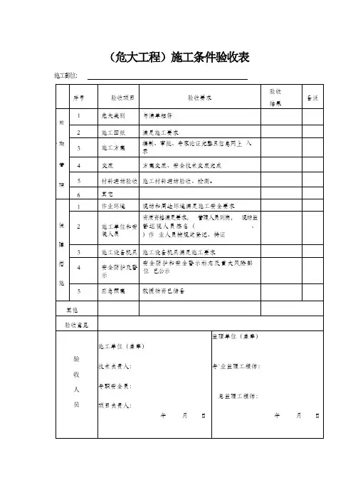
危险性较大的建筑工程验收表项目概要本验收表适用于危险性较大的建筑工程项目。
通过对相关安全要求和标准的检查和评估,能够确保建筑工程达到安全可靠的验收标准。
项目信息- 项目名称:- 项目地点:- 建设单位:- 施工单位:- 监理单位:验收标准安全设施- [ ] 项目是否按照相关规范和要求设置了必要的安全设施(如防护网、警示标志等)?- [ ] 安全设施是否符合相关标准和要求的规格和性能?- [ ] 安全设施是否有明显的破损或损坏,需要修复或更换?防火安全- [ ] 项目是否按照相关规范和要求设置了必要的防火设施(如灭火器、防火门等)?- [ ] 防火设施是否符合相关标准和要求的规格和性能?- [ ] 防火设施是否有明显的缺陷或故障,需要修复或更换?电气安全- [ ] 项目的电气设备是否符合相关电气安全标准和要求?- [ ] 电气设备是否正常运行,无明显的电气故障或安全隐患?- [ ] 是否落实了电气设备的安全操作和维护管理制度?高空坠落防护- [ ] 高空的施工区域是否有必要的坠落防护设施(如安全网、防护栏杆等)?- [ ] 坠落防护设施是否符合相关标准和要求的规格和性能?- [ ] 是否有明显的缺陷或破损,需要修复或更换?物料储存和运输- [ ] 物料储存区域是否按照相关规范和要求进行了合理划分和标识?- [ ] 储存的物料是否符合相关标准和规范的质量要求?- [ ] 物料运输的工具和设施是否安全可靠,符合相关要求?验收结论本次验收根据以上标准对建筑工程进行了检查评估,得出以下结论:- 项目中存在以下问题需要整改:(列举具体问题)- 项目中存在以下问题需要修复或更换:(列举具体问题)- 项目中不存在严重安全隐患,符合验收标准。
本验收表作为建筑工程的验证和记录,用于确保项目在完工前达到安全可靠的要求,保障工程施工过程中的安全性和质量。
> 注:本验收表仅供参考,具体验收标准和要求应根据项目所在国家或地区的相关法规法规定。
危险性较大的施工工程验收表1. 背景本验收表旨在评估和确认危险性较大的施工工程的完成情况。
根据相关法律法规和安全要求,施工工程需要经过严格的验收程序,以确保工程质量和安全性。
2. 验收流程2.1 施工工程准备阶段- 确认施工工程的设计方案和施工计划,包括安全措施的布置。
- 确保施工人员具备相应的资质和培训。
- 指定专人负责危险性较大的施工工程的验收工作。
2.2 施工工程过程中的监管和记录- 监督施工工程的实施过程,包括安全措施的执行情况。
- 记录施工过程中的关键环节、安全事件和事故,并采取相应的应对措施。
2.3 施工工程完成阶段的验收- 检查施工工程的完工质量,包括结构安全、电气安全、消防安全等方面。
- 验证施工工程是否符合设计方案和相关标准要求。
- 检查危险性较大的施工工程所涉及的设备和材料的合格证明和检测报告。
- 检查施工工程的安全措施是否完善,是否符合安全要求。
3. 验收标准根据危险性较大的施工工程的性质和具体情况,制定相应的验收标准,包括但不限于以下方面:- 结构安全:确保建筑物、桥梁等结构的稳定性和承载能力。
- 电气安全:确保电气设备和线路的安全可靠。
- 消防安全:确保施工工程符合消防安全要求。
- 环境保护:确保施工工程对环境的影响符合相关要求。
- 人身安全:确保施工现场的人身安全得到保障。
4. 验收记录和报告针对每个危险性较大的施工工程,验收人员需做好相关记录和报告工作,包括但不限于以下内容:- 验收日期、地点和验收人员的基本信息。
- 施工工程的基本情况和完成情况。
- 验收过程中发现的问题和存在的风险,并提出整改建议。
- 验收结果和意见。
5. 验收后的整改和监督根据验收结果和意见,相关部门需要及时进行整改,并进行监督和跟踪,确保问题得到解决。
6. 验收的法律意义和责任验收人员需充分了解相关法律法规和责任,并严格按照相关要求进行验收工作,对不合格的施工工程及时作出处理,并追究相应责任。
危险性较大工程验收表(简称危大工程,共18张表)一、编制依据:1.《危险性较大的分部分项工程安全管理规定》住建部令第37号2.广东省住建厅《危险性较大的分部分项工程安全管理办法》实施细则二、主要内容1.基坑工程(基坑支护工程验收表、基坑开挖检查表)2.人工外孔桩(人工挖孔桩开孔前检查表、人工挖孔桩防护检查表)3.高大模板工程(高大模板工程支撑系统起步验收单、高大模板工程施工最终验收单)4.落地式脚手架(落地式脚手架搭设起步验收表、落地式脚手架搭设验收表(分阶段搭设))5.附着式脚手架(附着式脚手架使用前验收表、附着式升降脚手架爬升/下降前检查表)6.悬挑式脚手架(悬挑脚手架验收记录表(锚固环安装)、悬挑脚手架验收记录表(悬挑梁安装)、悬挑脚手架验收记录表(分段搭设))7.吊篮工程验收(吊蓝验收表、吊蓝使用时检查表)8.卸料平台(落地式转料平台验收表、悬挑式转料平台加工验收表、悬挑式转料平台使用检查表)三、另注:关于大型机械设备方面涉及的相关验收与定期检查记录在设备管理系统已经比较完善,其中塔吊、施工电梯、井架的安装、加节、拆除所涉及的验收、定期检查在设备管理方面都已经体现。
安全管理方面要求现场安全员要对这部分资料进行整理存档,就不在安全管理系统内体系了。
基坑支护工程验收表基坑开挖检查表检查记录:JKKWJCB**人工挖孔桩开孔前检查表#+人工挖孔桩防护检查表检查编号:RGWKZJCB**高大模板工程支撑系统起步验收单验收记录编号:GDMBQBYSB**高大模板工程施工最终验收单验收记录编号:GDMBZYSB**落地式脚手架搭设起步验收表验收记录编号:LDJQBYSB**落地式脚手架搭设验收表(分阶段搭设)验收记录编号:LDJJDYSB**悬挑脚手架验收记录表(锚固环安装)验收记录编号:XTHAZYSB**悬挑脚手架验收记录表(悬挑梁安装)验收记录编号:XTLAZYSB**悬挑脚手架验收记录表(分段搭设)验收记录编号:XTJJDYSB**附着式脚手架使用前验收表(安装/爬升/下降完成后)验收编号:FZJSYQYSB**附着式升降脚手架爬升/下降前检查表检查编号:FZJQJCB**吊蓝验收表验收编号:DL YSB**吊蓝使用时检查表检查编号:DLSYJCB**落地式转料平台验收表检查编号:LDPTYSB**悬挑式转料平台加工验收表检查编号:XTPTJGYSB**#+ 悬挑式转料平台使用检查表检查编号:XTPTSYJCB**。
危险性较大工程验收表(简称危大工程,共18张表)一、编制依据:1.《危险性较大的分部分项工程安全管理规定》住建部令第37号2.广东省住建厅《危险性较大的分部分项工程安全管理办法》实施细则二、主要内容1.基坑工程(基坑支护工程验收表、基坑开挖检查表)2.人工外孔桩(人工挖孔桩开孔前检查表、人工挖孔桩防护检查表)3.高大模板工程(高大模板工程支撑系统起步验收单、高大模板工程施工最终验收单)4.落地式脚手架(落地式脚手架搭设起步验收表、落地式脚手架搭设验收表(分阶段搭设))5.附着式脚手架(附着式脚手架使用前验收表、附着式升降脚手架爬升/下降前检查表)6.悬挑式脚手架(悬挑脚手架验收记录表(锚固环安装)、悬挑脚手架验收记录表(悬挑梁安装)、悬挑脚手架验收记录表(分段搭设))7.吊篮工程验收(吊蓝验收表、吊蓝使用时检查表)8.卸料平台(落地式转料平台验收表、悬挑式转料平台加工验收表、悬挑式转料平台使用检查表)三、另注:关于大型机械设备方面涉及的相关验收与定期检查记录在设备管理系统已经比较完善,其中塔吊、施工电梯、井架的安装、加节、拆除所涉及的验收、定期检查在设备管理方面都已经体现。
安全管理方面要求现场安全员要对这部分资料进行整理存档,就不在安全管理系统内体系了。
基坑支护工程验收表基坑开挖检查表检查记录:JKKWJCB**人工挖孔桩开孔前检查表人工挖孔桩防护检查表检查编号:RGWKZJCB**高大模板工程支撑系统起步验收单验收记录编号:GDMBQBYSB**高大模板工程施工最终验收单验收记录编号:GDMBZYSB**验收记录编号:LDJQBYSB**落地式脚手架搭设验收表(分阶段搭设)验收记录编号:LDJJDYSB**悬挑脚手架验收记录表(锚固环安装)验收记录编号:XTHAZYSB**悬挑脚手架验收记录表(悬挑梁安装)验收记录编号:XTLAZYSB**悬挑脚手架验收记录表(分段搭设)验收记录编号:XTJJDYSB**附着式脚手架使用前验收表(安装/爬升/下降完成后)验收编号:FZJSYQYSB**附着式升降脚手架爬升/下降前检查表检查编号:FZJQJCB**吊蓝验收表验收编号:DL YSB**吊蓝使用时检查表检查编号:DLSYJCB**落地式转料平台验收表检查编号:LDPTYSB**悬挑式转料平台加工验收表检查编号:XTPTJGYSB**悬挑式转料平台使用检查表检查编号:XTPTSYJCB**。
建筑工程深基坑工程土方开挖安全验收表
注:1.土方开挖工程验收应根据施工方案要求进行开挖后分段验收。
2.超规模危大工程应经专家验收。
高大模板支撑安全验收表
注:1.高支模工程工程分段搭设时,应根据施工方案要求进行分段验收。
2. 超规模危大工程应经专家验收。
落地式钢管扣件脚手架搭设验收表(危大工程)
注:1.落地脚手架应按搭设次数分段逐次验收。
2.超规模危大工程应经专家验收。
悬挑式脚手架验收表表
注:1.悬挑脚手架应按搭设次数分段逐次验收。
2.超规模危大工程应经专家验收。
门式脚手架验收表(危大工程)表
注:1.门式脚手架应按搭设次数分段逐次验收。
2.超规模危大工程应经专家验收。
悬挑式卸料平台验收表表
注:l、悬挑式钢平台,每移位一次须重新验收。
落地操作平台搭设验收单表类型:固定
注:1.移动式操作平台面积不应超过10 m2,高度不超5 m。
建筑施工起重机械(塔式起重机)安装验收记录表
(续表)
注:首次安装及每次附着顶升后,施工总承包单位应组织有关单位按此表对塔式起重机进行验收。
建筑施工起重机械(施工升降机)安装验收记录表
(续表)
注:1.对不符合要求的项目在备注栏具体说明,对要求量化的参数应填写实测值。
2.每次附着加节后,施工总承包单位应组织有关单位按此表对施工升降机进行验收。
建筑施工起重机械(物料提升机)安装验收记录表
(续表)
注: 1.每次加节后,施工总承包单位应组织有关单位按此表对物料提升机进行验收。
高处作业吊篮使用验收表
注:本表由施工单位填报,监理单位、施工单位、租赁单位、安拆单位各存一份。
附着式升降脚手架首次安装完毕及使用前检查验收表
注:1.本表由施工单位填报,监理单位、施工单位、租赁单位、安拆单位各存一份。
2. 超规模危大工程应经专家验收。