工程测量员职业技能鉴定实操考试知识讲解
- 格式:doc
- 大小:83.00 KB
- 文档页数:7
第一章高程放样高程放样就是以已知高程点为依据,测设高差后标出设计高程的位置,它与距离、水平角放样一样,也是最基本的放样工作。
如下图如示,A点为已知高程点,其高程为Ha,B点为待设点,其设计高程为Hb。
若B 点的高度已被定出,在A、B之间安置水准仪,分别读取这两个点上的标尺读数a和b,则根据几何水准测量原理可得下列关系式:b=Ha-Hb+a即:放样点的标尺读数=已知点高程-放样点高程+后视读数若按上式求得待设点上的标尺读数(b)为负值,此时可将待设处的标尺倒立,并指挥该尺上、下移动,当仪器视线正好对准标尺上读数b时,在标尺顶端(零点)做标志,此即为待放样的高程位置。
第二章建筑工程施工测量第一节概述一、开工前的测量工作1)建立施工控制网;2)场地平整测量;3)建(构)筑物的定位、放线测量。
二、施工过程中要进行的测量工作1)基础施工测量;2)建筑物轴线的投测和高程传递;3)工业厂房构件安装测量;4)工业厂房设备安装测量;5)某些重要工程的基础沉降观测;6)阶段性竣工验收测量。
三、竣工后要进行的测量工作1)测绘竣工图;2)配合竣工验收、检查工程质量的测量。
在施工测量中必须遵循“由整体到局部,先控制后细部”的原则。
对于建(构)筑物的放样精度要求一般有两种:一是对各建(构)筑物相互位置的要求,即各建筑物主轴线间的位置精度;二是建(构)筑物本身各部分间的位置的位置精度,即主轴线与其它轴线以及各细部结构间的位置精度。
第二节建筑施工控制网的形式和点位布置用于控制建筑物内部相对位置的厂房控制网,一般都布设成矩形,所以亦称之为矩形控制网。
对于场区(或场地)控制网来说,其布设形式一般可采用下列几种:1)建筑方格网:是一种特殊形式的施工控制网,其相邻点的连线平行或垂直于建筑物主轴线,组成正方形或矩形的格网,控制点即位于格网的交点上。
所以建筑场地上,大多采用方格网形式作为施工控制网,特别是在地势较为平坦、建筑物布置规则且密集的建筑物场地上更为适用。
工程测量必考知识点总结一、地形测量地形测量是工程测量中的一个重要内容,它主要是指对地表地貌、地形特征以及地形变化进行测量和记录。
地形测量的目的是为了为工程规划和设计提供依据,以及为地质勘探等活动提供有关信息。
地形测量主要包括以下内容:1. 高程测量高程测量是地形测量中的重要内容,它主要是对地面或地物的高度进行测量。
高程测量通常采用水准测量法和GPS测量法等方法进行。
水准测量法是通过水准仪进行测量,通过设立水准点测量高程。
GPS测量法则是利用全球定位系统进行高程测量,通过接收卫星信号来确定地面高程。
2. 地形图测绘地形图测绘是地形测量的另一个重要内容,它是通过测量地表地貌、地形特征等信息,绘制出反映实际地形情况的地图。
地形图测绘通常采用遥感测绘技术和地形测量仪器进行。
二、建筑测量建筑测量是工程测量的重要领域之一,它主要是指对建筑物的位置、尺寸、形状等进行测量和记录。
建筑测量的目的是为了为建筑设计和建设提供依据,以及为房地产开发等活动提供有关信息。
建筑测量主要包括以下内容:1. 建筑物的平面测量建筑物的平面测量是建筑测量的重要内容,它主要是对建筑物的平面位置、尺寸等进行测量和记录。
建筑物的平面测量通常采用测绘仪器进行,如全站仪、测距仪等。
2. 建筑物的立面测量建筑物的立面测量是建筑测量的另一个重要内容,它主要是对建筑物的立面形状、高度等进行测量和记录。
建筑物的立面测量通常也采用测绘仪器进行。
三、工程测量方法工程测量方法是工程测量的关键内容,它主要是指在实际测量中应用的各种测量技术和方法。
在工程测量中,需要根据具体情况选择合适的测量方法,以实现高精度的测量结果。
工程测量方法主要包括以下内容:1. 静态测量方法静态测量方法是指在不动的情况下进行测量的方法,通过在地面或建筑物上设置控制点,使用测绘仪器进行测量。
静态测量方法主要包括水准测量法、全站仪测量法、测距仪测量法等。
2. 动态测量方法动态测量方法是指在运动的情况下进行测量的方法,通过移动式的测量仪器进行测量。
测量员资格考试理论知识点重点一、测量的基本概念和分类在测量员资格考试中,理解测量的基本概念和分类是非常重要的。
测量是指利用相关仪器、设备和方法,对地球表面及其相关空间对象进行测定和记录的过程。
测量可以分为以下几个分类:地面测量、高程测量、平面测量、工程测量和控制测量。
地面测量是对地表进行测量的一种方法,常用于绘制地图、规划城市和农田的设计。
高程测量是指对地表高度的测定,通过测量地面上不同点的高度差,可以确定地形和地貌的特征。
平面测量是指对地表上的水平位置进行测定,用于绘制地图、规划道路和建筑物。
工程测量是为了实施特定工程项目进行的测量,如建筑施工、道路修建等。
控制测量是为其他测量工作提供参考和基准的测量,常用于建立地理坐标系、确定地理位置等。
二、测量仪器的基本原理和使用方法测量员需要熟悉常用的测量仪器的基本原理和使用方法。
常见的测量仪器包括经纬仪、水平仪、GPS导航仪等。
经纬仪是一种用来测量方位角和俯仰角的仪器,通常用于确定地理位置和绘制地图。
在使用经纬仪时,需要先调整仪器的平衡和水平度,再利用经纬仪的指南针和刻度进行测量。
水平仪是一种用来确定水平方向的仪器,常用于建筑施工和道路测量。
使用水平仪时,需要先确定基准点,然后把水平仪放置在基准点上进行测量。
GPS导航仪是一种利用卫星导航系统进行定位和测量的仪器,常用于车辆导航和航海导航。
在使用GPS导航仪时,要先找到足够的卫星信号,然后输入目标位置进行测量。
三、误差分析和测量精度评定测量误差是无法避免的,测量员需要具备误差分析和测量精度评定的能力。
误差可以分为系统误差和随机误差两种。
系统误差是由于测量仪器本身的固有缺陷或操作不当引起的误差,常常出现在测量结果上的偏差。
测量员需要通过定期校准和检验仪器,减小系统误差的影响。
随机误差是由于测量过程中的不确定性造成的误差,通常以测量结果的离散程度来评估。
测量员可以采用多次测量取平均值的方法来减小随机误差的影响。
第 1 页 共 1 页 考试知识点1、等高线的特征。
2、试述测回法操作步骤、记录计算及限差规定。
3、经纬仪联合平板测绘地形图中,对某个碎步点的数据采集和处理方法。
4、简述DJ6级方向式光学经纬仪对中、整平的操作过程。
5、闭合导线坐标(内业)计算的一般步骤是什么。
6、简述DJ6级方向式光学经纬仪进行角度测量时,竖直角计算公式的确定方法。
7、详述DS3级微倾式水准仪的使用步骤。
8、试述用 光学经纬仪按一般方法进行角度放样的基本步骤。
9、直线定向与直线定线有何区别?钢尺量距一般方法。
10、何谓坐标正算和坐标反算?坐标反算时应注意什么?11、试述测量工作平面直角坐标系与教学计算中平面直角坐标系的不同点?12、用中丝读数法进行四等水准测量时,每站观测顺序是什么?13、在水准点B a M 和b BM 之间进行水准测量,所测得的各测段的高差和水准路线长如图所示。
已知B a M 的高程为5.612m ,b BM 的高程为5.400m 。
试将有关数据填在水准测量高差调整表中,最后计算水准点1和2的高程。
14、如图,已知地面水准点A 的高程为A H =4000m , 若在基坑内B 点测设B H =30.000m ,测设时 =1.415m ,b=11.365m , 1a =1.205,问当1b 为多少时,其尺底即为设计高程B H ?15、已知A 点高程A H =l82.232m ,在A 点观测B 点得竖直角为18°36′48″,量得A 点仪器高为l.452m ,B 点棱镜高l.673m 。
在B 点观测A 点得竖直角为-18°34′42″,B 点仪器高为l.466m ,A 点棱镜高为l.6l5m ,已知AB D =486.75lm ,试求AB h 和B H 。
测绘工程技术专业实操测绘工程技术实操训练的重点与难点解析测绘工程技术专业实操是培养测绘工程技术人才的重要环节之一。
通过实操训练,学生可以将理论知识应用到实践中,提高实际操作能力。
然而,实操训练中存在一些重点和难点,需要学生和教师共同努力克服。
本文将对测绘工程技术专业实操中的重点与难点进行解析。
一、实操训练的重点1. 测量装置的使用与调整实操训练中,学生需要熟练掌握各类测量装置的使用方法,并能根据实际情况进行调整。
例如,全站仪的正确使用和调整是测绘实操的重点之一。
学生需要了解全站仪的各项功能和操作方法,并能根据需要进行准确的调整,以确保测量结果的准确性。
2. 地形测量技术地形测量是测绘工程技术的核心内容之一。
实操训练中,学生需要学会使用不同的地形测量方法和仪器。
例如,学生需要掌握点高仪的使用方法和测量原理,能够准确测量地面点的高程,并正确记录和处理数据。
3. 测量数据的处理与分析实操训练的另一个重点是测量数据的处理与分析。
学生需要学会使用计算机软件进行数据处理,绘制测量结果图和地形图。
此外,学生还需要能够对测量数据进行合理的分析,发现其中的规律和问题,并提出相应的解决方案。
二、实操训练的难点1. 环境因素的干扰实操训练常常需要在室外进行,在野外环境中进行测量。
然而,环境因素会对测量结果产生一定的干扰,给实操训练带来一定的难度。
例如,风力、气温等因素都会对全站仪测量的准确性产生影响,学生需要能够辨识这些干扰因素,并采取相应的措施来消除或减小其影响。
2. 数据处理与分析的复杂性实操中获得的测量数据往往庞大且复杂,需要学生具备较强的数据处理和分析能力。
学生需要熟练掌握相关计算机软件的使用方法,能够高效地对数据进行处理,提取有用信息,并进行合理的分析。
这对学生的数学基础和计算机应用能力提出了较高的要求。
3. 软实力的培养实操训练中,除了技术能力的培养外,还需要注重学生的软实力培养。
例如,团队合作能力、沟通能力、问题解决能力等都是实操训练中需要培养的重点。
职业技能鉴定考试工程测量员中级操作技能考核试卷注意事项 60分钟1.考试时间年颁布的《工程测量工国家职业标准》命题本试卷依据20082.请首先在试卷的指定处填写你的姓名、准考证号、单位3.请仔细阅读各题的内容和要求,在规定位置填写你的答案4. 考场编号:姓名:准考证号:单位:第一题:测回法测量三边形内角分钟) 30(本题考试时间:1.考核内容(1)用DJ型经纬仪测回法完成一个三边形三个内角的观测;6(2)完成必要记录和计算;并求出三边形内角和闭合差;(3)对中误差≤±1mm,水准管气泡偏差﹤1格。
2.考核要求(1)严格按测回法的观测程序作业;(2)记录、计算完整、清洁、字体工整,无错误;(3)上、下半测回角值之差≤±40n″24 ≤±f4()内角和闭合差β允3.考核标准(此题满分100分,占总成绩的50%)(1)以时间t(分钟数)为评分主要依据(详见下表)。
评分标准分四个等级,具体得分分数由所在等级内插评分,表中M代表成绩分数。
即每少1′加1分,30′以内每少1′加1分。
(2)根据点位对中误差情况,扣1~3分。
(3)根据水准管气泡偏差情况,扣1~2分。
(4)根据角度及闭合差计算情况,扣20~30分。
)分。
5分,合计不超过1处,扣1(记录划去分。
1~5)根据卷面整洁情况,扣5(.4.考核说明(1)考核过程中任何人不得提示,各人独立完成仪器操作、记录、计算及校核工作;(2)主考人有权随时检查是否符合操作规程及技术要求,但应相应折减所影响的时间;(3)若有作弊行为,一经发现一律按零分处理;(4)考核前考生应准备好中性笔或HB铅笔、计算器,并应提前自行找好前后视人;(5)考核时间自架立仪器开始,至递交记录表并拆卸仪器放进仪器箱为终止;(6)数据记录、计算及校核均填写在相应记录表中,记录表不可用橡皮檫修改,记录表以外的数据不作为考核结果;(7)主考人应在考核结束前检查并填写经纬仪对中误差及水准管气泡偏差情况,在考核结束后填写考核所用时间并签名。
测绘工程技术专业实操指南关键实践技巧的详解测绘工程技术专业的实操环节是培养学生实际操作能力的重要部分。
本文将详细介绍测绘工程技术专业实操的关键技巧,帮助学生更好地掌握实践操作。
一、测量工具使用技巧在测绘工程技术专业中,使用测量工具是不可或缺的一环。
以下是几个常用工具的使用技巧:1. 测量仪器的正确使用测绘工程中常用的测量仪器包括全站仪、测距仪、水准仪等。
在使用这些仪器时,需要注意正确的操作方法、仪器的校准和调试,以确保测量结果的准确性。
2. 利用双目观测法提高测量精度使用双目观测法可以提高测量的准确性。
在测量时,通过同时使用两只眼睛观测目标物体,可以减少因单眼视觉引起的误差。
3. 测量工具的保养与维护测量工具的保养与维护是保证测量准确性的重要环节。
在使用后需要及时清洁、校准,并进行定期检查和维护,以确保工具的正常使用和长期稳定性。
二、地图绘制技巧地图绘制是测绘工程技术专业的重要内容。
以下是地图绘制的一些关键技巧:1. 绘图准备工作在开始地图绘制前,需要进行一些准备工作,包括确定坐标系、选择绘图比例尺、收集测量数据等。
这些工作的准确性和完整性将直接影响到最终绘制的地图质量。
2. 符号使用规范地图上的符号是表达地理信息的重要手段。
在绘制地图时,需要遵循一定的符号使用规范,确保地图的清晰度和美观度。
同时,需要注意符号的大小、颜色、形状等方面的统一性。
3. 注记的设置与标注地图的注记和标注是辅助说明地图内容和信息的重要元素。
在设置注记和标注时,需要注重字体的清晰度和规范性,以便读者能够清楚地理解地图上的信息。
三、测量数据处理技巧在测绘工程技术中,测量数据处理是实践操作的关键环节之一。
以下是一些测量数据处理的常用技巧:1. 数据分析与筛选在处理测量数据时,需要对数据进行分析和筛选,排除异常值和误差数据。
通过合理的数据处理方法,可以提高数据的准确性和可靠性。
2. 数据平差与校正测量数据的平差和校正是确保测量结果准确性的重要步骤。
测绘工程技术专业实操备考指南导言:测绘工程技术专业实操是测绘工程技术专业考试的一项重要内容。
实操考试旨在考察考生在测绘工程实际操作中的技能和综合应用能力。
本文将为大家介绍测绘工程技术专业实操备考指南。
一、组织备考材料备考前,考生需要将相关实操知识和技能整理成备考资料。
备考资料应包括测绘工程相关的常用仪器设备的操作方法、仪器使用注意事项以及实操中可能遇到的常见问题和解决方法等内容。
同时,考生还应阅读相关的教材,深入理解测绘工程技术实操的原理和方法。
二、模拟实操练习模拟实操练习是备考中至关重要的一环。
考生可以通过实验室模拟实操环境,使用真实的测绘仪器和设备进行练习。
在模拟实操练习中,考生应熟练掌握测绘仪器的使用方法,包括调试仪器、校正仪器以及正确操作测量仪器的步骤。
考生还需要注意仪器的维护和保养,以确保仪器的正常使用。
三、实操技巧的提升在实操备考中,考生需要注重实操技巧的提升。
首先,熟练掌握测绘实操中常用的测量方法和技巧,如准备测量仪器、选择测量位置、进行测量操作、处理数据等。
其次,考生需要培养严密的思维和观察力,以确保测量结果的准确性。
此外,合理的时间管理和团队协作能力也是实操备考中需要重点培养的技能。
四、实操问题的解决在实操备考中,考生可能会遇到各种各样的问题,如仪器故障、数据处理错误等。
考生应具备分析和解决问题的能力。
当遇到仪器故障时,考生可以咨询老师或者仪器操作手册,尝试进行简单的维修。
在数据处理中出现错误时,考生需仔细检查数据记录和计算步骤,找出错误的原因并进行修正。
五、交流与合作实操备考过程中,考生可与同学、老师进行交流与合作,共同探讨和解决实操中遇到的问题。
交流与合作能够帮助考生更好地理解和应用测绘工程技术相关知识和技能,还能培养考生的团队合作和沟通能力。
结语:测绘工程技术专业实操备考是考察考生综合应用能力的重要环节。
通过组织备考材料、模拟实操练习、提升实操技巧、解决实操问题以及积极交流与合作,考生可以更好地备战测绘工程技术专业的实操考试。
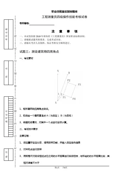
考件编号:第1页 共6页 注 意 事 项一、本试卷依据2019年颁布的《工程测量员》国家职业标准命制。
二、请根据试题考核要求,完成考试内容。
三、请服从考评人员指挥,保证考核安全顺利进行。
试题三:测设建筑物四周角点一、考试素材1、矩形建筑物四周角点测设。
2、现场给一个建筑基准点A (为测站)、B (为后视)3、根据现场情况,对其中一个点进行坐标计算。
二、考试技术要求 主要过程:1、 测站置好全站仪后,调用放样功能,并输入测站定向信息2、 对未知点进行放样3、 用钢卷尺对测设相邻点位之间的水平距离进行实测检核,与所给的的水平距离比较,其相对误差不大于考 生 答 题 不 准 超 过 此 线地 区 姓 名单 位 名 称准 考 证 号考件编号:4、提交考试成果三、考试时间放样考试时间90分钟,超出时间成绩无效。
四、考试需要的设备仪器和物品1、每组都按照下面表格领取仪器2、木桩若干,铅笔若干、记录纸若干,钢卷尺,花杆和测钎各一根等已知数据和点坐标五、工程测量员技能操作评分标准考件编号:考评员:核分员:年月日考件编号:试题四:测设圆曲线起点、中点、终点1、准备要求(1)材料准备(2)设备准备(3)工、用、量具准备2、操作考核规定及说明(1)操作程序:1)准备工作;2)安置仪器;3)定向;4)放样起点和终点;5)放样中点。
考件编号:(2)考核规定及说明:1)如操作违章,将停止考核;2)考核采用百分制,考核项目得分按鉴定比重进行折算。
(3)考核方式说明:该项目为实际操作,考核过程按评分标准及操作过程进行评分。
(4)测量技能说明:该项目主要考核考生对圆曲线起点、中点、终点的测设的掌握熟练程度。
3、考核时限:(1)准备时间:1 min(不计入考核时间)。
(2)正式操作时间:25 min。
(3)提前完成不加分,超时操作按规定标准评分。
4、评分记录表考件编号:考评员:核分员:年月日。
工程测量培训实操课件工程测量是现代工程建设中不可或缺的重要环节,它涉及到土地测量、建筑测量、道路测量等多个方面。
在工程测量中,准确的数据和精确的测量结果对于工程的设计和施工至关重要。
因此,对于从事工程测量工作的人员来说,掌握实操技能是必不可少的。
一、测量仪器的使用在工程测量中,测量仪器是必不可少的工具。
测量仪器的使用涉及到测量仪器的种类、使用方法、校准等方面的知识。
在实操课件中,我们可以学习到不同类型的测量仪器的使用方法,如全站仪、电子经纬仪、水准仪等。
通过实际操作,我们可以了解各种测量仪器的使用原理和注意事项,提高我们在实际工作中的操作技能。
二、测量基准点的确定在工程测量中,确定测量基准点是十分重要的。
测量基准点是测量的起点和参考点,它直接影响到整个测量结果的准确性。
在实操课件中,我们可以学习到如何确定测量基准点,包括使用GPS技术、测量基准点的选择和布设等。
通过实际操作,我们可以熟悉测量基准点的确定方法,提高我们在实际工作中的判断和决策能力。
三、测量数据的处理与分析在工程测量中,测量数据的处理与分析是不可或缺的一环。
通过对测量数据的处理与分析,可以得出准确的测量结果,并为工程设计和施工提供可靠的依据。
在实操课件中,我们可以学习到如何进行测量数据的处理与分析,包括数据的整理、计算和绘制等。
通过实际操作,我们可以掌握数据处理与分析的方法和技巧,提高我们在实际工作中的数据处理能力。
四、误差的控制与修正在工程测量中,误差是难以避免的。
误差的存在会对测量结果产生一定的影响,因此,对误差的控制与修正是必要的。
在实操课件中,我们可以学习到如何进行误差的控制与修正,包括误差的来源、误差的类型和误差的修正方法等。
通过实际操作,我们可以熟悉误差的控制与修正的步骤和技巧,提高我们在实际工作中的误差处理能力。
五、实操技能的培养工程测量是一门实践性很强的学科,只有通过实际操作才能真正掌握测量技能。
在实操课件中,我们可以进行各种实际测量操作的模拟训练,如测量地块面积、测量建筑物高度等。
测绘行业职业技能考试《测量基础》知识点[推荐5篇]第一篇:测绘行业职业技能考试《测量基础》知识点测量基础知识点测绘学的内容包括:大地测量学、摄影测量学、地图学、工程测量学、海洋测量学。
测绘学任务是地球表面的地物与地理空间分布有关的信息进行采集处理、管理、更新和利用。
它的主要任务有三个方面:一是研究确定地球的形状和大小,为地球科学提供必要的数据和资料二是将地球表面的地物地貌测绘成图三是将图纸上的设计成果测设至现场。
3 水准面:海水静止时的表面大地水准面:一个与平均海水面重合并延伸到大陆内部,且包围整个地球的特定重力等位面。
5 参考椭球面:用于归算地球椭球定位结果,并作为观测元素归算和大地坐标计算的起算点;进而采用与地球大小和形状接近的并确定了和大地原点关系的地球椭球体,称为参考椭球体,其表面称为参考椭球面。
首子午面:通过英国格林尼治天文台的子午面,也称起始子午面。
首子午线:通过英国格林尼治天文台的子午线,或称起始子午线,起始经线,亦称本初子午线。
极点:旋转轴与参考椭球面的交点称为极点。
我国的大地坐标系统:1954年北京坐标系,1980西安坐标系。
10 我国的高程坐标系统:1956年黄海高程系,1985国家高程基准。
高斯投影:高斯-克吕格投影是一种等角横轴切椭圆柱投影。
它是假设一个椭圆柱面与地球椭球体面横切于某一条经线上,按照等角条件将中央经线东、西各3°或1.5°经线范围内的经纬线投影到椭圆柱面上,然后将椭圆柱面展开成平面而成的。
该投影是19世纪20年代由德国数学家、天文学家、物理学家高斯最先设计,后经德国大地测量学家克吕格补充完善,故名高斯-克吕格投影,简称高斯投影。
投影带划分:6度带、3度带、任意带。
地物:地表面固定性的人为的或天然的物体。
地貌:地表面高低起伏的形态。
15 地形:地物和地貌的总称。
地形图的内容:数学要素、地形要素、注记要素、整饰要素。
17 比例尺:图上距离与实地相应水平距离之比。
首届全国测绘行业职业技能竞赛工程测量员赛区理论知识考试复习提纲一、复习参考书目1、中国测绘职工职业道德规范2、中华人民共和国测绘法3、测绘行业职业技能培训教材《测量基础》(测量员版)4、测绘行业职业技能培训教材《工程测量》(测量员版)二、《工程测量》(测量员版)复习提要1、学习《中国测绘职工职业道德规范》2、学习《中华人民共和国测绘法》3、学习测绘行业职业技能培训教材《测量基础》(测量员版)相关内容4、学习测绘行业职业技能培训教材《工程测量》(测量员版)以下重点内容:第一章地球的形状及坐标系第一节地球的形状和大小知识点:水准面;大地水准面;总地球椭球与参考椭球第二节测量坐标系知识点:天文地理坐标系;大地坐标系;空间大地直角坐标系;平面直角坐标系;CGCS2000国家大地坐标系;WGS84世界大地坐标系第三节高程基准面和高程系统知识点:大地高定义;正高定义;正常高定义;大地高、正高与正常高关系;1985国家高程基准第二章精密光学经纬仪及水平角观测第一节经纬仪的基本结构及使用方法知识点:经纬仪主要轴系之间关系;垂直角及指标差计算方法第二节经纬仪的检验和校正知识点:照准部水准器轴与垂直轴正交的检校;光学对点器检校;视准轴误差检验及消除误差措施;水平轴倾斜误差检验及及消除误差措施;减弱水平度盘分划误差影响的方法第三节水平角观测中的主要误差和操作的基本原则知识点:水平角观测的基本规则第四节经纬仪的维护和保养知识点:仪器存放注意事项;仪器使用注意事项;仪器转运时注意事项第三章电磁波测距第一节电磁波测距原理简介知识点:电磁波测距原理;测距仪及电磁的维护保养第二节电磁波测距成果的改正知识点:测距仪仪器系统误差改正;大气折射改正;距离化算方面改正第三节广电测距的误差分析知识点:测距误差的主要来源第四节电磁波测距仪的检验知识点:电磁波测距仪的检验项目;测定加常数、乘常数的方法;周期误差的测定方法第四章精密水准仪和水准测量第一节水准仪和水准标尺的结构及要求知识点:水准仪基本结构及其应满足的条件;水准仪及水准标尺维护和保养第二节精密水准仪的检验与校正知识点:水准仪角误差检校第四节水准测量误差及减弱其影响的措施知识点:仪器误差;外界误差的影响;第五节三四等水准测量知识点:水准测量基本规则;三、四等水准测量;水准观测中的注意事项;观测中的间歇;成果质量的检核和超限时的处理第六节水准测量外业计算知识点:外业手簿的检查和计算;高差改正数的计算;水准路线闭合差计算和闭合差分配;高差计算;水准测量精度估算第五章三角高程测量第一节三角高程测量原理知识点:三角高程测量计算公式;大气垂直折光影响及减弱措施;折光系数确定第二节垂直角的观测方法知识点:垂直角观测方法;观测手簿的记录和计算;观测限差和重测规定;仪器高、觇标高量取第三节三角高程测量的计算知识点:三角高程测量计算;高差验算第六章大比例尺地形图测绘及应用第一节大比例尺地形图质量标准知识点:地形图质量标准第二节大比例尺数字测图知识点:数字测图基本思想;数字测图采集信息描述;数字测图作业模式;图形生成及编辑;图形输出;数字地形图成果质量的检查与验收第三节数据通信知识点:数据通信的基本概念第四节工业场地现状图测绘知识点:现状图与竣工图区别第五节:地形图应用基本内容知识点:坐标计算、方位角计算、距离计算、高程计算、坡度计算第六节地形图在工程建设中应用知识点:断面图绘制;面计量算;土方量计算第七章施工控制测量第一节施工控制网概述知识点:布设施工控制网必要性;施工控制网特点;施工控制网布设原则、布设形式;选点原则及埋设规格第二节水平角测量知识点:精密测角一般原则;水平角测量方法;观测手簿的记录计算;水平方向值归算第三节导线测量知识点:布设形式;技术要求;边长测量;距离归算;导线水平角观测;垂直角观测第四节导线平差计算知识点:支导线计算;仅有一个连接角的附合导线计算;具有两个连接角的附合导线计算;未测连接角的附合导线的计算;闭合导线计算;导线计算中闭合差的限差第五节GPS测量知识点:选点原则;点位埋设;外业观测;外业观测成果的计算和检查;GPS网平差处理;GPS控制网技术总结第六节高程施工控制测量知识点:水准点选点埋石;水准测量;水准测量技术要求第七节施工控制网测量成果的检查验收知识点:选点埋石的检查;控制测量成果的检查第八章施工放样第一节施工放样概述知识点:施工放样概念;施工放样程序;施工放样方法第二节施工放样基本操作知识点:水平角放样;全站仪放样;高程放样第三节设计平面点位的测设知识点:直角坐标法;极坐标法;方向线交会法;前方交会法;距离交会法;轴线交会法;正倒镜投点法第九章建筑工程测量第一节建筑工程测量概述知识点:城市坐标与厂区坐标的换算第二节建筑施工控制网知识点:建筑施工控制网网型;建筑轴线适用范围、测设与轴线调整;建筑方格网适用范围、测设及规划改正第三节民用建筑施工测量知识点:施工前的准备工作;建筑物定位及常用方法;建筑物放线方法及测设要点;基坑腰桩测设;一般建筑物标高传递方法;一般建筑物轴线投测方法第四节工业建筑施工测量知识点:厂房矩形控制网测设方法第五节高层建筑施工测量知识点:高层建筑物轴线控制网布设、激光铅垂仪轴线投测方法、高层建筑标高传递方法第十章线型工程测量第一节线型工程测量概述知识点:线路设计与测量关系第二节道路初测知识点:平面控制测量;高程控制测量第三节道路中线测量知识点:道路中线在地面的表示方法;道路中线放样;里程桩设置第四节圆曲线测设知识点:曲线要素计算;圆曲线主点里程计算;圆曲线中线点独立坐标计算第五节综合曲线测设知识点:缓和曲线;综合曲线要素计算;综合曲线主点里程计算;综合曲线独立坐标计算第六节竖曲线测设知识点:竖曲线要素计算;主点里程及高程计算;竖曲线上任一点设计高程计算第七节线路纵横断面测量知识点:纵断面测量及总断面图绘制;横断面测量及横断面图绘制第十一章管线工程测量第一节管线中线测量知识点:主点测设;中桩测设;总横断面测量第二节管线施工测量知识点:施工控制桩测设;顶管施工测量第三节管线测绘知识点:管线测绘作用;地下管线测量方法与精度;地下管线测绘的取舍;地下管线测量规定;地下管线调查第十二章水利工程测量第一节水下地形测量知识点:水下地形测量特点;测深断面和测深点的布设;测深点平面定位方法;水深测量方法;回深测深仪的基本原理、组成;深度改正;多波束测深系统基本原理;水位观测方法;深度基准面与海洋测深第三节水利枢纽施工控制网布设知识点:布设原则;布设特点第四节坝体施工控制测量知识点:坝轴线测设;施工控制网测设;坡脚线测设;边坡放样第六节大坝变形监测大坝垂直位移监测;大坝水平位移监测第十三章地下工程测量第一节隧道地面测量知识点:解析法地面控制测量;三角形网、导线网、GPS网布设形式;隧道地面平面控制网坐标系和投影面的选定第二节地形工程测量知识点:地下导线测量特点、布设、选点埋石、测量;地下高程控制测量特点、布设第三节竖井联系测量知识点:竖井联系测量误差分析;联系三角形法最有利形状、测量、计算;两井定向实质、测量、计算;竖井高程传递测量第四节隧道施工测量知识点:坡度放样、贯通误差测定及调整第五节陀螺经纬仪知识点:陀螺仪特性;陀螺仪指北原理;陀螺仪常数测定第十四章工程建筑物变形监测第一节工程变形监测的基本知识知识点:变形概念;原因;变形监测定义;作用第二节变形监测的精度与观测周期知识点:精度确定;周期确定;精度、周期与变形速度间的关系第三节变形监测网知识点:变形监测网点关系;垂直位移监测网选点、布设、标石规格等;水平位移监测网选点、布设、标石规格等第四节建筑物垂直位移观测知识点:沉降观测原理;沉降观测方法;沉降观测成果整理第五节水平位移观测知识点:水平位移观测原理;水平位移测定方法;水平位移观测成果整理第六节高耸建筑物倾斜观测知识点:各种观测方法及使用范围第七节裂缝观测知识点:观测内容、标志埋设、成果提交第八节变形监测资料的整理、成果表达和解释知识点:资料整理内容、分析、成果提交;成果表达要求。
工程测量实习知识点总结一、测量基础知识1.测量的定义和分类测量是通过一定的方法和手段,用仪器仪表、标尺等工具,按照一定的程序和精度,确定地球表面的物体在空间和平面上的方位和位置,以及物体在空间和平面上各种尺寸的大小。
测量依据对象的不同可分为工程测量、地形测量、建筑测量、水利测量等不同的分类。
2.测量的基本原理测量的基本原理是通过几何学原理、三角学原理和仪器仪表等技术手段,对地球表面的各种物体进行测量和定位。
测量的基本原理包括测量的准确性、测量的可靠性、测量的精度和测量的误差等几个重要内容。
3.测量的基本方法测量的基本方法包括直接测量、间接测量、控制测量、观测测量等不同的方法。
直接测量是通过仪器仪表等工具对物体的尺寸和位置进行直接测量;间接测量是通过已知的尺寸和位置来推算出未知物体的尺寸和位置;控制测量是通过设置控制点和基准点来确定其他物体的位置和尺寸;观测测量是通过对物体的表现形态和特征进行观察和测量。
4.测量的基本要求测量的基本要求包括测量的高精度、测量的高准确性、测量的高可靠性和测量的高效率等要求。
测量的高精度是指测量结果的精度和精确度要满足工程测量的要求;测量的高准确性是指测量结果要准确反映出被测对象的实际状态;测量的高可靠性是指测量结果能够反映出被测对象的真实情况;测量的高效率是指测量工作要按照一定的时间和成本完成。
二、测量仪器和设备1.测角仪测角仪是一种用来测量水平和垂直角度的仪器。
测角仪的种类有经纬仪、套机仪、水准仪等。
测角仪的使用范围包括工程测量、地形测量、建筑测量、水利测量等领域。
2.测距仪测距仪是一种用来测量距离的仪器。
测距仪的种类有测距仪、测距车、测距尺等。
测距仪的使用范围包括工程测量、地形测量、建筑测量、水利测量等领域。
3.全站仪全站仪是一种综合了测角仪和测距仪功能的仪器。
全站仪通常包括望远镜、测角仪、测距仪、数据处理单元等部分。
全站仪的使用范围包括工程测量、地形测量、建筑测量、水利测量等领域。
职业技能鉴定考试工程测量员中级操作技能考核试卷注意事项1.考试时间60分钟2.本试卷依据2008年颁布的《工程测量工国家职业标准》命题3.请首先在试卷的指定处填写你的姓名、准考证号、单位4.请仔细阅读各题的内容和要求,在规定位置填写你的答案考场编号:姓名:准考证号:单位:第一题:测回法测量三边形内角(本题考试时间: 30分钟)1.考核内容(1)用DJ6型经纬仪测回法完成一个三边形三个内角的观测;(2)完成必要记录和计算;并求出三边形内角和闭合差;(3)对中误差≤±1mm,水准管气泡偏差﹤1格。
2.考核要求(1)严格按测回法的观测程序作业;(2)记录、计算完整、清洁、字体工整,无错误;(3"(4)内角和闭合差fβ允≤±″3.考核标准(此题满分100分,占总成绩的50%)(1)以时间t(分钟数)为评分主要依据(详见下表)。
评分标准分四个等级,具体得分分数由所在等级内插评分,表中M代表成绩分数。
(2)根据点位对中误差情况,扣1~3分。
(3)根据水准管气泡偏差情况,扣1~2分。
(4)根据角度及闭合差计算情况,扣20~30分。
(5)根据卷面整洁情况,扣1~5分。
(记录划去1处,扣1分,合计不超过5分。
)4.考核说明(1)考核过程中任何人不得提示,各人独立完成仪器操作、记录、计算及校核工作;(2)主考人有权随时检查是否符合操作规程及技术要求,但应相应折减所影响的时间;(3)若有作弊行为,一经发现一律按零分处理;(4)考核前考生应准备好中性笔或HB铅笔、计算器,并应提前自行找好前后视人;(5)考核时间自架立仪器开始,至递交记录表并拆卸仪器放进仪器箱为终止;(6)数据记录、计算及校核均填写在相应记录表中,记录表不可用橡皮檫修改,记录表以外的数据不作为考核结果;(7)主考人应在考核结束前检查并填写经纬仪对中误差及水准管气泡偏差情况,在考核结束后填写考核所用时间并签名。
(8)测回法测量考核记录表见“水平角测回法记录表”。
【测量资格考证复习内容】2016工程测量员-中级-学习知识点③1.中国测绘职工职业道德规范。
测绘职工应当大力弘扬“爱祖国、爱事业、艰苦奋斗、无私奉献”的测绘精神,增强职业荣誉感,热爱测绘,乐于奉献,吃苦耐劳,不畏艰险。
测绘职工应当具有强烈的爱国主义精神,增强政治责任感和国家版图意识,自觉维护国家版图的严肃性和完整性;增强保密观念和信息安全意识,确保地理空间信息安全。
测绘职工应当自觉维护国家测绘基准、测绘系统的法定性和统一性,严格遵守测绘技术标准、规范图式和操作规程,真实准确,细致及时,确保成果质量。
测绘职工应当弘扬科学精神,刻苦钻研技术,勇攀科技高峰;应当加强学习,大胆实践,与时俱进,积极进取,不断提高创新意识和能力。
测绘职工应当牢固树立服务意识,主动服务,优质服务,拓宽服务领域,提高服务能力;在测绘活动中应当树立信用观念,遵守合同,诚实守信。
测绘职工应当树立法制观念,依法测绘,安全生产,合法经营,公平竞争,自觉维护测绘市场秩序;应当增强集体意识和团队精神,友爱互助,文明作业。
2.大地水准面是通过平均海水面的。
3.倾斜视线在水平视线的上方,则该垂直角称为仰角,角值为。
4.第Ⅱ象限直线,象限角R与方位角α的关系为R= 。
5.经纬仪十字丝分划板上丝和下丝的作用是。
6.导线计算时,坐标增量闭合差分配的原则是与距离成。
7.静止的海水面向陆地延伸,形成一个封闭的曲面,称为。
8.等高距是相邻等高线之间的。
9.根据两点坐标计算边长和坐标方位角的计算称为10.参心坐标系:以参考椭球的几何中心为基准的大地坐标系。
通常分为:(以x,y,z为其坐标元素)和(以B,L,H为其坐标元素)。
11.前方交会的基本计算公式,常被称为前方交会的余切公式。
必须注意A、B、P三点位置关系,即A、B、P是按逆时针依次编号的,同时还必须保持A点对应的α和B点对应的β。
12.高斯投影离中央子午线越远,子午线长度变形。
13.要减弱度盘刻划误差对水平角观测的影响,采用的正确方法应是。
工程测量员技能训练一、测回法测定闭合四边形的内角和并作角度闭合差调整(控制测量)所用仪器为DJ6级经纬仪,并且满足上下测回值之差不超过40〞。
当上下半测回角值之差满足精度要求时,求角度平均值;需工作人员1~2人配合拿测钎,操作时间:50 min。
测回法观测水平角及闭合差调整考场编号:姓名:准考证号:单位:测站目标竖盘位置水平度盘读数(°′″)半测回角值(°′″)一测回角值(°′″)改正数(″)改正后的角值(°′″)∑角度闭合差的计算和调整:二、计算圆曲线要素,放样圆曲线直圆、圆直点、曲中点位置1.考核内容:(1)根据所给方向确定路线转角α;(2)写出四个主点元素计算公式;(3)计算圆曲线要素;(4)写出ZY、YZ、QZ点里程;(5)交点处安置经纬仪;(6)指挥拉钢尺人员定出圆直点、直圆点和曲中点。
2.考核说明:(1)考核过程中任何人不得提示,各人应独立完成仪器操作、记录、计算;(2)若有作弊行为,一经发现一律按零分处理;(3)考核前考生应准备好钢笔或圆珠笔,考核者应提前找好帮扶人;(4)考核时间自架设仪器开始,至拆卸仪器放进仪器箱并递交记录表为止;(5)考核仪器为DJ6级经纬仪;(6)数据记录均填写在相应记录表中、不能转抄,记录表以外的数据不作为考核结果。
3.考核时间:30min圆曲线主点测设记录表考场编号:姓名:准考证号:单位:交点号JD 交点桩号K5+000转角观测结果盘位目标水平度盘读数半测回右角值右角转角盘左盘右曲线元素R(半径)= T(切线长)= E(外矢距)= α(转角)= L(曲线长)= D(超距)=主点桩号ZY桩号: QZ桩号: YZ桩号:计算步骤:三、求间距为50m两点连线的中点设计高程并放样该点(工程测量)1、考核要求:1)根据已知水准点测量间距为50米的两点连线的中点的设计高程并放样该高程点2)由已知水准点测量出A、B两点的高程,计算出两点间的纵向坡度和中点高程,并从给定点沿导线方向量出中点位置3)考核采用百分制,考核项目得分按试题比重进行折算。
职业技能鉴定考试
工程测量员中级操作技能考核试卷
注意事项
1.考试时间60分钟
2.本试卷依据2008年颁布的《工程测量工国家职业标准》命题
3.请首先在试卷的指定处填写你的姓名、准考证号、单位
4.请仔细阅读各题的内容和要求,在规定位置填写你的答案
考场编号:姓名:
准考证号:单位:
第一题:测回法测量三边形内角
(本题考试时间: 30分钟)
1.考核内容
(1)用DJ6型经纬仪测回法完成一个三边形三个内角的观测;
(2)完成必要记录和计算;并求出三边形内角和闭合差;
(3)对中误差≤±1mm,水准管气泡偏差﹤1格。
2.考核要求
(1)严格按测回法的观测程序作业;
(2)记录、计算完整、清洁、字体工整,无错误;
(3"
(4)内角和闭合差fβ允≤±″
3.考核标准(此题满分100分,占总成绩的50%)
(1)以时间t(分钟数)为评分主要依据(详见下表)。
评分标准分四个等级,具体得分分数由所在等级内插评分,表中M代表成绩分数。
(2)根据点位对中误差情况,扣1~3分。
(3)根据水准管气泡偏差情况,扣1~2分。
(4)根据角度及闭合差计算情况,扣20~30分。
(5)根据卷面整洁情况,扣1~5分。
(记录划去1处,扣1分,合计不超过5分。
)
4.考核说明
(1)考核过程中任何人不得提示,各人独立完成仪器操作、记录、计算及校核工作;
(2)主考人有权随时检查是否符合操作规程及技术要求,但应相应折减所影响的时间;
(3)若有作弊行为,一经发现一律按零分处理;
(4)考核前考生应准备好中性笔或HB铅笔、计算器,并应提前自行找好前后视人;
(5)考核时间自架立仪器开始,至递交记录表并拆卸仪器放进仪器箱为终止;
(6)数据记录、计算及校核均填写在相应记录表中,记录表不可用橡皮檫修改,记录表以外的数据不作为考核结果;
(7)主考人应在考核结束前检查并填写经纬仪对中误差及水准管气泡偏差情况,在考核结束后填写考核所用时间并签名。
(8)测回法测量考核记录表见“水平角测回法记录表”。
(9)本考核不设补考环节,属一次终考制。
水平角测回法记录表
姓名:准考证号:
【主考人填写】①考试时间:分钟;得分:;
②对中误差:mm,扣分:;
③水准管气泡偏差:格,扣分:;
④角度及闭合差计算扣分:;
⑤卷面整洁情况,扣分:总得分:
主考人签字:考试日期:年月日
第二题:用微倾式水准仪测设高程点
(本题考试时间: 30分钟)
1.考核内容
(1)用DS3型微倾式水准仪普通水准测量方法放样出一个设计给定高程的点;(2)完成该工作的记录和计算,并实地标定所测设的点。
2.考核要求
(1)严格按操作规程作业;所标定点的高程与其设计高程之差不超过±5mm。
(2)计算正确、字体清洁、工整;所标定的点位正确、清晰。
3.考核标准(此题满分100分,占总成绩的50%)
(1)以时间t(分钟数)为评分主要依据(详见下表)。
评分标准分四个等级,具体得分分数由所在等级内插评分,表中M代表成绩分数。
即每少1′加2分,5′以内每少1′加5分。
(2)根据符合水准气泡居中情况,扣1~5分。
(3)根据卷面整洁情况,扣1~5分。
(记录划去1处,扣1分,合计不超过5分。
)(4)根据实地标定点位的清晰度及正确,扣1~2分。
用微倾式水准仪测设高程点记录表
姓名:准考证号:
【请考生填写】
由水准仪读得a= m,经计算得b= m。
(请在下面空白处,列出b的计算过程)
【主考人填写】
①考试时间:分钟;得分:;
②符合水准气泡居中情况,扣分:;
③实地标定点位的清晰度及正确情况,扣分:;
④卷面整洁情况,扣分:总得分:
主考人签字:考试日期:年月日
技能考核各试题配分表
答案:
第一题:测回法测量三边形内角1.考核内容
(1)用DJ6型经纬仪测回法完成一个三边形三个内角的观测;
(2)完成必要记录和计算;并求出三边形内角和闭合差;
(3)对中误差≤±1mm,水准管气泡偏差﹤1格。
第二题:用微倾式水准仪测设高程点1.考核内容
(1)用DS3型微倾式水准仪普通水准测量方法放样出一个设计给定高程的点;
(2)完成该工作的记录和计算,并实地标定所测设的点。
5.考题
如下图,考核时在现场任意标定一点为A点,设A点高程H A=140.359m,试用水准仪在墙上测设一点B,使H B=141.000m。