职业技能鉴定技能实操考核评分标准
- 格式:doc
- 大小:413.50 KB
- 文档页数:27
职业技能鉴定技能实操考核评分标准
行业:电力工程工种:电气试验
职业技能鉴定技能实操考核评分标准
行业:电力工程工种:电气试验
职业技能鉴定技能实操考核评分标准
行业:电力工程工种:电气试验
职业技能鉴定技能实操考核评分标准
行业:电力工程工种:电气试验
职业技能鉴定技能实操考核评分标准
行业:电力工程工种:继电保护工
职业技能鉴定技能实操考核评分标准
行业:电力工程工种:继电保护工
职业技能鉴定技能实操考核评分标准
行业:电力工程工种:继电保护工
职业技能鉴定技能实操考核评分标准
行业:电力工程工种:继电保护工
职业技能鉴定技能实操考核评分标准
行业:电力工程工种:继电保护工
职业技能鉴定技能实操考核评分标准
行业:电力工程工种:继电保护工
职业技能鉴定技能实操考核评分标准
行业:电力工程工种:继电保护工
职业技能鉴定技能实操考核评分标准
行业:电力工程工种:继电保护工
职业技能鉴定技能实操考核评分标准
行业:电力工程工种:继电保护工
职业技能鉴定技能实操考核评分标准
行业:电力工程工种:继电保护工
职业技能鉴定技能实操考核评分标准
行业:电力工程工种:继电保护工
【下载本文档,可以自由复制内容或自由编辑修改内容,更多精彩文章,期待你的好评和关注,我将一如既往为您服务】。
社会视野农家参谋-221-NONG JIA CAN MOU评茶员技能考核标准及技术指标张清海(武汉金盏玉叶茶文化有限公司,湖北武汉,430000)【摘 要】评茶员职业是我国职业分类的组成部分,通过考核能让评茶员职业能力的提升和展示的一个平台。
通过考核能提升评茶员的职业专业技能水平,促进评茶员职业技能的健康发展,满足行业对评茶员职业技能的要求。
目前评茶员职业仍然存在许多不足,培训机制不够完善,在实践从业中大部分从业人员对职业各级技能必须具备的能力认知不足。
因此,为了让评茶员职业健康的发展,相关从业人员应积极提升自我理论知识和实操技能的水平,促进评茶员职业的健康发展。
【关键词】职业技能;考核;评茶员;茶叶;审评随着国家经济的发展,企业用工问题出现,技术工人的短缺。
引起国家对职业技能的高度重视,提出了“大国工匠”的口号,大力发展职业技能能力建设。
各级政府也加大对职业能力建设的支持力度。
在去年国家对职业资格认定清理的活动中,评茶员职业资格得到保留,充分体现了评茶员职业在行业中的重要性。
通过考核可以发展和发现更多职业优秀高技能人才,把高技能人才输送到企业中,促进行业的健康发展。
1 项目的技术描述1.1 本项目的名称评茶员职业技能考核1.2 本项目的技术描述执行标准:GB/T23776-2018茶叶感观审评方法。
评茶员考核强调的是用科学地审评茶叶,区分茶叶品质,鉴别出茶叶品质的好坏。
要求在审评过程中,能充分地展示人与器物的和谐,做到过程科学,合理,自然,流畅,并最终鉴别出茶叶品质的优劣。
1.3 考核能力要求1)具有茶叶审评实践经验,从事过茶叶审评工作。
2)感官能力要求。
①视觉能识别茶形,茶色;②味觉无障碍,能鉴别茶汤滋味;③嗅觉能识别各类茶的香气高低和香气类型;④触觉能辨别各类茶的形状和重实度;3)表达能力要求:能用普通话和文字进行表达和交流。
4)身体能力要求:身体健康无异味,感觉器官正常,眼睛无色盲。
5)职业素养要求:评茶人员必须具有基本的审评职业修养。
酒店技能比赛评分标准1. 简介本文档旨在为酒店技能比赛提供评分标准。
通过制定明确的评分标准,可以确保比赛公正、公平,同时也可以为选手提供明确的参考,帮助选手更好地准备和展示自己的技能。
2. 评分标准2.1. 技能表现(60分)在技能表现这一评分项中,我们将根据选手在比赛过程中展现的专业技能和实际操作能力,综合评估其表现情况。
评分细则如下:•50分:表现出色,展示了出色的专业技能和卓越的实际操作能力,操作熟练、高效,能够灵活应对各种场景需求。
•40分:表现良好,展示了较强的专业技能和实际操作能力,操作熟练、有效,能够较好地应对各种场景需求。
•30分:表现一般,展示了一定的专业技能和实际操作能力,操作不够熟练,但基本能够应对各种场景需求。
•20分:表现较差,展示的专业技能和实际操作能力有限,操作不熟练,无法有效应对各种场景需求。
•10分:表现不佳,展示的专业技能和实际操作能力明显不足,操作不熟练,无法应对各种场景需求。
2.2. 创新能力(20分)创新能力评分主要考察选手的创造性思维和创新能力,包括但不限于对问题解决方案的独到见解、对现有流程或方法的改进等。
评分细则如下:•20分:创新思维活跃,能够提出独到的解决方案,并能有效地应用到实际操作中。
•15分:创新思维一般,能够提出一些较为创新的解决方案,并能够尝试应用到实际操作中。
•10分:创新思维较少,提出的解决方案缺乏独创性,对于现有流程或方法改进的思考不多。
•5分:创新思维有限,没有提出可行的创新方案,并且对于现有流程或方法改进的思考较少。
2.3. 团队合作(20分)团队合作评分主要考察选手在团队合作中的表现,包括但不限于与队友的协作、沟通能力以及对整个团队目标的贡献等。
评分细则如下:•20分:在团队合作中表现出色,积极主动与队友合作,有效沟通,能够有效地协调团队合作,对整个团队目标做出了积极的贡献。
•15分:在团队合作中表现良好,与队友合作较为默契,能够有效沟通,对整个团队目标做出了一定的贡献。
消防职业技能鉴定考试标准
标题:消防职业技能鉴定考试标准解析
一、引言
消防职业技能鉴定考试是对从事消防工作的人员进行职业技能水平的考核与评价,旨在提升消防行业从业人员的专业技能和业务素质,保障公共安全。
本文档将详细介绍消防职业技能鉴定考试的标准。
二、考试对象
消防职业技能鉴定考试的对象主要包括:
1. 在消防机构从事消防安全管理、防火检查、火灾扑救等工作的专职或兼职人员;
2. 消防设施的安装、维修、保养等专业技术人员;
3. 企事业单位的消防安全管理人员。
三、考试等级
消防职业技能鉴定考试分为五个等级,分别是初级、中级、高级、技师和高级技师。
四、考试内容
消防职业技能鉴定考试的内容包括理论知识考试和操作技能考核两部分。
1. 理论知识考试:主要测试考生对消防基础理论、消防法律法规、消防安全管理和火灾扑救等方面的知识掌握情况。
2. 操作技能考核:主要测试考生在实际工作中的操作技能,包括消防设施的操作、维护、故障排除等。
五、考试方式
消防职业技能鉴定考试采用闭卷笔试和现场实操的方式进行。
六、考试成绩评定
理论知识考试和操作技能考核的成绩分别以百分制计算,60分及以上为合格。
两项考试均合格者,方可取得相应的消防职业技能鉴定证书。
七、结语
消防职业技能鉴定考试是提升消防行业从业人员职业素养的重要手段,各相关人员应积极备考,不断提升自身的专业技能和业务素质,为保障社会公共安全做出贡献。
以上就是消防职业技能鉴定考试的标准解析,希望对大家有所帮助。
职业技能鉴定试卷
初级车工操作技能考核试卷
姓名准考证号
注意事项
一、本试卷依据2001年颁布的《车工》国家职业标准命制。
二、请根据试题考核要求,完成考试内容。
三、请服从考评人员指挥,保证考核安全顺利进行。
1、考核内容
a) 准备工作。
b) 操作过程。
c) 使用工具
d) 安全及其它。
2、考核时限
a) 准备工作5min。
b) 正式操作3h。
c) 计时从正式操作开始,至操作完毕。
d) 超时1min从总分中扣5分,超时3min停止操作。
3、考核评分
a) 监考员负责考场事物。
b) 采用百分制,满分为100分。
c) 考评员应具有本职业(工种)的实际操作经验,评分公正准确。
d) 考评员可根据考生所在装置的实际情况,对评分标准做适当调整。
e) 各项配分依据难易程度、精度高低和重要程度制定。
f) 评分方法:按单项扣分、得分。
职业技能鉴定试卷
初级车工操作技能考核试卷评分记录表
姓名准考证号
评分人:年月日核分人:年月日
职业技能鉴定试卷
初级车工操作技能考核准备通知清单试题
机床设备:CA6140类车床。
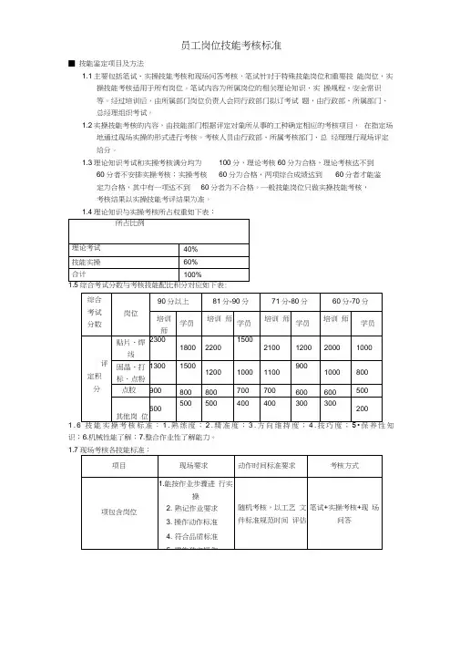
员工岗位技能考核标准
■ 技能鉴定项目及方法
1.1主要包括笔试、实操技能考核和现场问答考核,笔试针对于特殊技能岗位和重要技能岗位,实
操技能考核适用于所有岗位。
笔试内容为所属岗位的相关理论知识、实操规程、安全常识
等。
经过培训后,由所属部门岗位负责人会同行政部门拟订考试题,由行政部、所属部门、
总经理组织考试。
1.2实操技能考核的内容,由技能部门根据评定对象所从事的工种确定相应的考核项目,在指定场
地通过现场实操的形式进行考核。
考核人员由行政部、所属考核部门、总经理理行现场评定
给分。
1.3理论知识考试和实操考核满分均为100分,理论考核60分为合格,理论考核达不到
60分者不安排实操考核;实操考核60分为合格,两项综合成绩达到60分者才能鉴
定为合格,其中有一项达不到60分者为不合格。
一般技能岗位只做实操技能考核,
考核结果以实操技能考评结果为准。
1.4理论知识与实操考核所占权重如下表:
1.知识;6.机械性能了解;7.整合作业性了解能力。
1.7。
汽车涂装工(中级)操作技能
考核试题
职业技能鉴定国家题库统一试卷
中级汽车涂装工操作技能考核评分记录表考生姓名:准考证号:工作单位:
题目1:损伤处理
1、考核要求:
2、评分标准
职业技能鉴定国家题库统一试卷
中级汽车涂装工操作技能考核试题考生姓名:准考证号:工作单位:
题目2:面漆前处理
1、考核要求:
2、评分标准:
职业技能鉴定国家题库统一试卷
中级汽车涂装工操作技能考核试题考生姓名:准考证号:工作单位:
题目3:素色漆调色
1、考核要求:
2、评分标准:
职业技能鉴定国家题库统一试卷
中级汽车涂装工操作技能考核试题考生姓名:准考证号:工作单位:
题目4:单工序面漆喷涂
1、考核要求:
2、评分标准:。
职业技能鉴定初级前厅服务员操作技能考核试卷题1:视考评员为宾客,模拟演示受理客人预订。
时间为3分钟。
考核要求:1、正确演示受理客人预订2、要求内容完整,注意礼貌礼节3、考核注意事项(1)满分35分,考试时间2分钟(2)正确使用各种单据题2:视考评员为宾客,模拟演示留言服务。
时间为2分钟。
考核要求:1、正确演示留言服务2、要求内容完整,注意礼貌礼节3、考核注意事项(1)满分35分,考试时间2分钟(2)正确使用各种单据题3:汉译英两句。
考核要求:1、由考评员从以下问题中现场选择其中的2个问题考问考生,考生回答每一个问题的时间最多为2分钟;(1)请问您以什么付款?(2)我要一个带浴室的房间。
(3)住宿费多少?(4)每晚房金多少?(5)请您留个言好吗?2、考评员读完试题后,考生开始解答。
3、考核注意事项:(1)满分10分,考试时间2分钟(2)回答完整、语音标准。
题4、英译汉两句。
时间为2分钟(考评员读完试题后,考生开始作答)。
考核要求:1、由考评员从以下问题中现场选择其中的2个问题考问考生,考生回答每一个问题的时间最多为2分钟;(1)How do you do? Welcome to our hotel.(2)What can I do for you, sir?(3)I hope you will enjoy your stay.(4)I hope to see you again.(5)Nice to see you.2、考评员读完试题后,考生开始解答。
3、考核注意事项:(1)满分10分,考试时间2分钟(2)回答完整、流利。
题5、技术答辩。
时间为3分钟(考评员读完试题后,考生开始作答)。
考核要求:1、由考评员从以下问题中现场选择其中的2个问题考问考生,考生回答每一个问题的时间最多为3分钟;(1)火灾发生时,如何在房间自救或等待救援?(2)接待访客安全控制的措施有哪些?(3)客人心绞痛发作时,怎么办?(4)饭店起火原因有哪些?(5)使用计算机管理房态和采用手工控制房态的有哪些不同点?(6)遇到涉外案件时怎样处理?2、考评员读完试题后,考生开始解答。
酒店职工技能比赛评分标准文档
一、服务技能评分标准。
1.礼貌与沟通能力(10分),包括对客人的礼貌用语、语言表
达能力和沟通技巧。
2.服务态度(10分),包括服务热情、主动性、亲和力和服务
意识。
3.问题解决能力(10分),包括对客人问题的快速反应和解决
能力。
4.团队合作(10分),包括与同事协作、团队合作和协调能力。
二、技术操作评分标准。
1.房间清洁(10分),包括对房间清洁工作的规范操作和效率。
2.客房布置(10分),包括客房布置的美观度和细节处理。
3.餐饮服务(10分),包括对餐饮服务的规范操作和服务质量。
4.安全操作(10分),包括对安全操作流程的熟练掌握和执行。
三、管理能力评分标准。
1.领导能力(10分),包括对员工的指导、激励和管理能力。
2.问题解决(10分),包括对酒店运营中出现问题的快速反应
和解决能力。
3.客户投诉处理(10分),包括对客户投诉的处理和客户满意
度的提升能力。
四、综合评分。
根据以上各项评分标准,对每位参赛者进行综合评分,综合评
分占总分的50%。
以上评分标准仅供参考,具体比赛评分标准可根据比赛情况进
行调整和补充。
希望每位参赛者在比赛中发挥出自己的最佳水平,
提升自身技能,为酒店服务水平的提升做出贡献。
试卷编号:H
试卷类别:电气控制技术
职业技能鉴定《电工》中级应会评分表
H1
考核项目:多台电动机的联动控制
姓名:准考证号:考核日期:年月日考核时间定额: 120 分钟开考时间:时分交卷时间:时分监考人:评卷人:得分:
考核说明:
1.鉴定所提供电气控制柜;
2.考试时间一到,所有考生必须停止操作,上交试卷,已接完线的考生等候考评员通知进场给
予一次通电机会;(已通电两次的除外)
3.在考评中因扣分易引起争议的项目,考评员应在扣分栏中写明原因;
4.此题占总分的40%。
共4页第1页。
职业技能鉴定考核实施方案一、背景与目的随着社会的发展和经济的进步,不同行业对职业技能的要求也越来越高。
为了保证职业人员的技能水平符合岗位要求,职业技能鉴定考核成为必要的手段。
本方案旨在确保职业技能鉴定考核的科学、公正和有效进行。
二、考核对象本方案适用于所有需要进行职业技能鉴定的人员,其中包括新入职人员的能力初评、在职人员的能力提升和升级、职业技能竞赛等。
三、考核内容与形式1.考核内容:考核内容根据不同行业、不同职位进行分类,包括理论知识和实际操作技能两个方面。
理论知识包括相关法规、政策、规定、操作流程等,实际操作技能包括纸笔考试、实操考试、模拟操作考核等。
2.考核形式:根据考核内容的不同,考核形式可以包括书面考试、实操考核、口头答辩等。
为了确保考核的公正性和客观性,可以采取专家组评审、记录仪检测、实时监控等方式进行。
四、考核标准与评分方式1.考核标准:制定考核标准时应综合考虑行业规范、工作岗位要求和职业能力等因素。
考核标准应具有科学性、可操作性和可检验性,以确保考核结果的准确性。
2.评分方式:采用定量评分和定性评分相结合的方式,即按照具体考核项目的不同,可以使用定量评分进行得分统计,也可以使用定性评分进行能力评价。
评分标准可以为满分为100分,按照不同要求划分为不同的等级,如优秀、良好、及格、不及格等。
五、考核流程与时间安排1.考核流程:(1)准备阶段:制定考核方案、制定考核内容和标准、确定考核人员、培训考核官员等。
(2)组织阶段:组织考核人员进行考核、提供相应的考核材料和设备等。
(3)执行阶段:按照考核方案和标准进行考核,记录考核结果。
(4)评定阶段:根据考核结果进行评定,形成评定报告。
(5)反馈阶段:将评定结果及时反馈给考核对象,提供必要的改进建议和培训机会。
2.考核时间安排:根据实际情况,确定考核时间段,建议在工作期间进行,避免影响工作效率。
六、考核结果处理与使用1.考核结果处理:根据考核结果进行分类和统计,形成个人的职业技能鉴定报告。
职业技能鉴定操作技能考核试卷的结构
职业技能鉴定操作技能考核试卷的结构通常包括以下几个部分:
1. 个人信息:考生填写个人基本信息,包括姓名、考号、班级、专业等。
2. 考核要求及说明:对本次考核的目标和要求进行说明,包括考核的技能点、考核标准、注意事项等。
3. 实操题目:根据考核要求,列出需要考核的操作技能题目,每个题目包括题目编号、题目内容和具体操作要求。
4. 材料或题目附件:根据具体考核需要,提供必要的材料或题目附件,如设备、工具、图纸等。
此外,职业技能鉴定操作技能考核试卷的结构还可以包括以下内容:
1. 考试时间安排:明确考试时间,包括开始时间和结束时间,以及每个部分的考试时间分配。
2. 考场规则:规定考场纪律和考试规则,确保考试的正常进行。
3. 评分标准:明确各项操作技能的评分标准,以便对考生的操作技能进行客观、公正的评价。
4. 参考答案及解析:提供参考答案及解析,帮助考生了解考试要求和评分标准。
5. 试卷封面:在试卷的最前面或者最后面,提供试卷封面,标注考试名称、级别、试卷编号等信息。
职业技能鉴定操作技能考核试卷的结构可能因不同的职业和不同的考试机构而有所差异,但以上内容是常见的组成部分。
考生在备考时应该注意熟悉试卷结构,了解各项要求,以便更好地准备和参加考试。
职业技能鉴定钳工中级实操技能试题2、考核时间:240分钟(准备时间30分钟)3、考核形式:实操4、考核要求:1)准备工作:穿戴劳保用品,准备齐全工具,认真阅读试题图样和要求。
2)操作过程:按照图样和技术要求,使用合理的加工工艺进行制作,达到精度要求。
3)使用工具:正确使用工具,工具摆放整齐。
4)安全及其他:严格遵守安全操作规程,服从考评工作人员的指挥,保持工作场地清洁整齐有序,规定时间内完成操作,考试结束时清理现场。
5、图样:拼块六方技术要求:1、各锉削面未注平面度0.02mm。
2、件1为基准件,件2配作。
3、各面正反配合间隙≤0.06mm。
4、各锉削面未注表面粗糙度Ra1.6μm。
5、孔口倒角C0.5.6、锐角倒钝R0.3. 6、评分标准:序号考核项目评分标准配分实测扣分得分结果1准备工作穿戴劳保用品工具准备齐全未穿戴整齐扣3分2使用工具正确使用工具工具摆放整齐工具选择不正确扣2分工具乱摆乱放扣3分3加工制作按照技术要求加工制作20±0.04(2处)45°±4′(2处)30±0.260±0.230±0.0560±0.240±0.215±0.05(4处)Ø10H7(2处)垂直度0.02正反配合间隙≤0.06(5处)翻边间隙≤0.06(5处)错位量≤0.06XXX(16处)孔口倒角C0.5;锐角倒钝R0.3.4使用工具正确维护工具按规定使用工具违规1次总分扣5分,严重违规停止操作5安全及其他严格遵守安全操作规程在规定时间内完成操作超时1分钟总分扣5分,超时3分钟停止操作工作场地保持清洁整齐有序合计考评人员100评分人员总评成绩。
安防安装维护员技能大赛评分标准一、大赛背景及目的随着安防行业的快速发展,对安防安装维护员的专业技能要求越来越高。
为了提升安防安装维护员的职业技能水平,激发行业创新活力,我国举办了一场安防安装维护员技能大赛。
本次大赛旨在选拔优秀的人才,推动安防行业的技术交流与创新,提升整个行业的服务质量。
二、评分标准概述本次大赛的评分标准分为四个方面:理论知识考核、实践操作考核、创新能力考核和团队协作考核。
这四个方面分别测试了选手的专业素养、动手能力、创新精神和团队协作能力。
1.理论知识考核:测试选手对安防安装维护相关知识的掌握程度,包括法律法规、标准规范、设备原理、安装工艺等方面。
2.实践操作考核:测试选手的动手能力,包括设备调试、故障排查、系统集成等方面的实际操作。
3.创新能力考核:考察选手在安防安装维护过程中的创新思维,如采用新技术、新方法解决实际问题等。
4.团队协作考核:评估选手在团队工作中的沟通协作能力,以及共同完成任务的效率和质量。
三、具体评分细则1.理论知识考核细则:满分100分,主要包括选择题、填空题、判断题等。
选手在规定时间内完成作答,得分越高,考核成绩越好。
2.实践操作考核细则:满分100分,设置多个实践项目,选手需在规定时间内完成指定项目的操作。
评委根据操作的正确性、规范性、效率等方面进行评分。
3.创新能力考核细则:满分100分,主要考察选手在实际操作过程中展现的创新能力。
评委根据选手采用的新技术、新方法、解决方案的实用性等方面进行评分。
4.团队协作考核细则:满分100分,主要评估选手在团队中的沟通协作能力。
评委根据团队完成任务的情况,以及选手在团队中的贡献程度进行评分。
四、评分流程与方法1.初赛阶段:采用线上答题方式进行理论知识考核,选手在规定时间内完成作答。
2.复赛阶段:设置实践操作考核、创新能力考核和团队协作考核。
选手需现场完成各项考核任务,评委现场评分。
3.决赛阶段:根据初赛和复赛的累计成绩,选拔出晋级决赛的选手。
职业技能鉴定操作技能考核试卷的结构一、引言职业技能鉴定操作技能考核试卷是用于评估个体在特定职业领域中的实际操作技能水平的工具。
本文将对职业技能鉴定操作技能考核试卷的结构进行详细介绍。
二、试卷结构概述职业技能鉴定操作技能考核试卷通常由多个部分组成,每个部分都涵盖了特定的技能领域。
试卷的目的是评估被考核者在实际操作中的技能水平和能力。
下面将介绍试卷的主要部分。
三、理论部分职业技能鉴定操作技能考核试卷的理论部分用于测试考生对相关知识的掌握程度。
这一部分通常由选择题、填空题、判断题等组成,考察考生对相关职业技能的理论知识的掌握情况。
四、实操部分实操部分是职业技能鉴定操作技能考核试卷的核心部分,用于评估考生在实际操作中的技能水平。
实操部分通常由一系列操作任务组成,考生需要根据实际情境完成特定的操作任务。
这些任务可以涵盖职业技能的各个方面,例如操作工具、设备或机器,处理材料或产品,遵守安全操作规程等。
五、判断部分判断部分用于考察考生在实际操作中的判断能力和决策能力。
考生需要根据给定的情境,判断操作的正确与否,评估风险,并做出相应的决策。
这一部分的题目通常是情境题,考生需要在限定的时间内作出合理的判断。
六、问答部分问答部分用于评估考生对职业技能的深入理解和应用能力。
这一部分的题目通常要求考生回答开放性问题,阐述自己的观点和做法,并解释原因。
考生需要结合实际情境,展示自己对职业技能的理解和运用能力。
七、评分标准职业技能鉴定操作技能考核试卷的评分标准应该明确、客观、公正。
评分标准应根据试卷的不同部分进行细化,以便能够准确评估考生的技能水平。
评分标准通常包括准确性、速度、安全性、效率等方面的要求。
八、总结职业技能鉴定操作技能考核试卷的结构包括引言、理论部分、实操部分、判断部分和问答部分。
这些部分分别测试了考生的理论知识、操作技能、判断能力和应用能力。
评分标准应该明确、客观、公正,以准确评估考生的技能水平。
通过合理的试卷结构和评分标准,能够全面、准确地评估职业技能鉴定考核者的能力水平。
职业技能鉴定技能实操考核评分标准
职业技能鉴定技能实操考核评分标准
职业技能鉴定技能实操考核评分标准
行业:电力工程工种:电气试验
职业技能鉴定技能实操考核评分标准
行业:电力工程工种:电气试验
职业技能鉴定技能实操考核评分标准
职业技能鉴定技能实操考核评分标准
职业技能鉴定技能实操考核评分标准
职业技能鉴定技能实操考核评分标准
职业技能鉴定技能实操考核评分标准
行业:电力工程工种:继电保护工
职业技能鉴定技能实操考核评分标准
行业:电力工程工种:继电保护工
职业技能鉴定技能实操考核评分标准
职业技能鉴定技能实操考核评分标准
职业技能鉴定技能实操考核评分标准
职业技能鉴定技能实操考核评分标准
职业技能鉴定技能实操考核评分标准。