隧道洞门墙施工方案--
- 格式:doc
- 大小:69.50 KB
- 文档页数:9
隧道洞门施工方案隧道洞门施工方案隧道洞门施工是隧道工程建设的重要环节,对于保证隧道施工质量和工期的控制至关重要。
下面是一个隧道洞门施工方案,以保证施工安全和工程质量。
一、工程概况本工程是一条单洞双向双车道隧道,全长5000米,洞门是隧道的出入口,其施工质量直接影响整个隧道工程的质量。
二、洞门施工流程1. 准备工作:确定洞门的具体位置和尺寸,并将洞门位置标志清晰。
提前进场施工队伍,做好必要的人员、设备和材料的准备工作。
2. 确定洞门结构形式:洞门结构形式包括开挖方法、支护装置选择以及洞门面板等具体设计。
根据具体情况,选取适合的结构形式。
3. 洞门开挖:按照设计要求和洞门尺寸,采取开挖方式进行施工。
在施工过程中,严格控制开挖的水平、垂直度和尺寸,保证洞门的几何形状。
4. 洞门支护:根据洞门的土质情况和周围环境条件,选用适当的支护装置进行加固和保护。
确保洞门开挖过程中的安全性,防止土体塌方和水的渗漏。
5. 洞门面板施工:根据设计要求和洞门尺寸,安装洞门面板。
面板要求平整、牢固,能够满足隧道出入口的交通运输需要。
6. 洞门装饰:根据具体需要,在洞门内部进行装饰和美化工作。
包括洞门墙面的喷涂、装饰灯光和标志等。
三、施工注意事项1. 施工安全:施工过程中,要严格遵守安全操作规程,做好施工现场的安全警示和防护措施。
保证施工人员的人身安全。
2. 施工质量:严格按照设计要求和施工规范进行施工,确保洞门的几何形状和结构安全稳定。
3. 施工进度:合理安排施工任务,确保施工进度。
做好施工日志和施工记录,及时发现和解决问题。
4. 环境保护:施工过程中,要注意对周围环境的保护,防止施工产生噪音和粉尘对周边居民的影响。
总结:隧道洞门施工是隧道工程建设中具有一定难度和风险的工作。
通过合理的施工方案和严格的施工控制,可以保证洞门的施工质量和工期控制,为隧道工程的顺利建设提供保障。
铁路隧道明洞及洞门施工方案简介在铁路运输领域中,隧道是一个比较重要的构造。
为了保证铁路运输的安全和顺畅,隧道的建造必须采取严谨的工程规划和专业的施工方案。
本文将主要介绍铁路隧道的明洞及洞门施工方案,旨在为参与铁路隧道建设的相关人员提供参考和借鉴。
铁路隧道的明洞施工方案明洞明洞是铁路隧道中供给采光和通风的地方。
它是隧道内的一个类似于窗户的开口,常常被称为“隧道的眼睛”。
明洞的设计是个十分重要的环节,因为它会直接影响到整个隧道建设的安全和顺利。
下面是明洞的施工方案:1.明洞的确定在施工前,需要根据地形、气象、环境等要素进行科学地明洞定位。
此外,还需要注意下面两个问题:•明洞位置的选取:从隧道的结构特点、地形条件、能量节约和光环保等多个方面综合考虑。
•明洞的大小:根据地质情况、隧道直径、地形高程等因素进行合理的比例确定,并要求经过风洞测试等严格的科学论证。
2.明洞建造在施工中,需要考虑明洞的位置、尺寸、材料、保护等问题。
•明洞的位置:选择地形和地质条件良好的地方,避免施工过程中在明洞位置造成地层变形和其他不良影响。
•明洞的材料:根据隧道地质情况和明洞大小等因素选择适当的材料。
此外,还需要注意明洞的加固和保护,不断监测明洞的状态,及时发现和解决问题。
•明洞的排水:要以充分的排水技术为基础,采取合适的方法做好隧道内的排水治理。
3.明洞工期明洞工期的长短与设计要求和实际难度有关。
需要根据施工实际情况进行科学估算,并保证施工质量和施工进度的标准。
铁路隧道的洞门施工方案洞门洞门是通向铁路隧道的正门。
它不仅是铁路隧道的重要构成部分,也是保证铁路运输安全的必要措施之一。
随着铁路运输的不断发展和完善,洞门的设计施工也不断升级,设计者和建造者需要根据实际需要进行科学的设计和施工。
下面是洞门的施工方案:1.洞门的确定在确定洞门的位置之前,需要考虑以下三个问题:•洞门的数目和尺寸:根据具体铁路、隧道和交通运输的要求进行科学规划;要根据气候条件、疏散方便和多层桥等因素审慎决策。
隧道洞门工程施工方案一、工程概况本次隧道洞门工程位于市区的A公路上,总长度为1000米,双向四车道,设计速度80千米/小时。
洞门工程的目的是修建洞门结构,以便车辆能够顺利进出隧道,确保道路通行安全。
二、施工准备工作1.设计方案:根据隧道洞口的地形和规划要求,进行洞门设计,包括结构布置、地基处理、施工方法等。
2.人员组织:设置工程部、安全部、施工队等人员,确保施工人员的安全。
3.设备采购:购买必要的施工机械设备,如挖掘机、破碎机、卡车等。
4.材料准备:采购施工所需的材料,如钢筋、混凝土、水泥等。
5.立项手续:按照相关规定办理工程立项手续,取得施工许可证。
三、洞门开挖工程1.清理爆破现场:将洞门区域的杂物和植被清除干净,确保施工现场的整洁和安全。
2.前期准备:按照设计要求,对开挖区域进行地面围护,以防止土方塌方。
同时设置施工标志和警示牌,保障施工现场的安全。
3.挖掘机开挖:使用挖掘机进行开挖作业,根据设计要求控制挖掘深度和坡度。
4.土石方运输:使用卡车将挖掘出的土石方运输至指定地点,确保施工现场的整洁和安全。
5.腐蚀处理:对洞门开挖区域进行腐蚀处理,采取加固材料(如钢板)进行加固,以防土方塌方。
四、洞门结构施工1.钢筋加工:按照设计要求对钢筋进行加工和焊接,确保钢筋的质量和准确性。
2.混凝土施工:在洞门结构内部搭设脚手架,并进行混凝土浇筑,确保结构的坚固和稳定。
3.抹灰和养护:混凝土凝结后,对洞门结构进行抹灰和养护,使其表面平整且耐久。
4.环境保护:在施工过程中,采取必要的环境保护措施,包括噪音控制、粉尘治理、水土保持等。
五、工程验收1.施工检查:对洞门工程的各个施工阶段进行检查和监测,确保施工质量。
2.结构检测:对洞门结构进行检测,包括钢筋焊接、混凝土强度等。
3.安全验收:对施工现场的安全措施进行验收,确保施工过程中的安全。
六、施工安全措施1.设置施工标志和警示牌,提醒驾驶员注意施工区域。
2.根据施工进度设置临时交通标志和导向标志,确保交通顺畅。
铁路隧道明洞及洞门施工方案隧道工程是交通基础设施建设的重要组成部分,而其中的明洞和洞门施工更是其中的关键环节之一。
本文将介绍铁路隧道明洞及洞门施工方案,包括施工条件、施工方法和具体实施步骤。
一、施工条件在进行明洞和洞门施工之前,需要对施工条件进行评估。
以下是需要考虑的因素:1. 岩层情况隧道所处的岩层是影响明洞和洞门施工的关键因素之一。
需要了解岩层的硬度、断裂和节理情况,以及地质构造类型等。
通过对这些信息的评估,可以选择适合的施工方案,以保证施工安全和质量。
2. 基础设施施工所在地的基础设施情况也需考虑。
需要了解道路、输水管道、电线杆等设施对施工的影响,以及对施工过程中这些设施的保护和维护。
3. 气候条件气候条件对施工也有很大的影响。
在进行明洞和洞门施工之前需要考虑天气状况,如降水量、气温、风力等,以避免恶劣天气对施工造成的影响。
二、施工方案在完成施工条件的评估之后,需要选择适合的施工方案。
根据不同的隧道条件和施工要求,我们制定了以下几种施工方案:1. 喷射混凝土法喷射混凝土法是一种常用的洞门施工方法。
在该方法中,先在洞门位置进行预制壁板锚固,然后将混凝土通过泵在钢筋网格上喷射而成洞门。
该方法施工速度较快,施工质量较高,适用于岩层层理结构不稳定情况下施工。
2. 预制拱形壁板法预制拱形壁板法也是一种常用的明洞施工方法。
该方法在隧道施工的过程中,先在明洞顶部和两侧预制好拱形壁板,然后再将其运送至现场进行安装。
该方法施工速度较快,施工质量较高,适用于对明洞形状和质量要求较高的情况。
3. 预制钢筋混凝土法预制钢筋混凝土法是一种常用的明洞及洞门施工方法。
该方法是将钢筋、钢板和混凝土预先制成大块构件,然后在现场组装而成。
该方法施工质量较高,适用于隧道大面积的明洞和洞门施工。
4. 爆破法在岩层较为复杂和岩层的硬度较大时,爆破法是较为常用的方法。
该方法在隧道施工过程中,利用炸药和其他炸药装置炸掉岩体和石头,再对洞门进行后续加固。
张石高速公路LJM-N9项目部太平梁隧道洞门墙及明洞回填施工方案一、编制说明1、编制依据业主下发的本工程招标文件、设计图纸和变更图纸;我部人员和设备配置情况;现场实际情况。
2、编制原则保证工程质量和满足安全施工、文明施工的需要;选用先进施工工艺、优良施工设备,提高机械化、标准化施工作业水平。
二、工程概况太平梁隧道进出口洞门均采用端墙式洞门,洞门及明洞地基承载力不低于300kpa,洞门墙采用C25混凝土浇筑。
太平梁隧道除左幅张家口端未设置明洞外,其他三个洞口均设置明洞;太平梁隧道左幅张家口端洞口桩号为LK60+880;太平梁隧道右幅张家口端洞口桩号为RK60+778;太平梁隧道左幅石家庄端洞口桩号为LK62+700;太平梁隧道右幅石家庄端洞口桩号为RK62+969。
洞门墙采用纵向分段分层浇筑,然后进行明洞回填和洞顶排水沟的砌筑。
三、现场准备1、已经完成水泥、砂、石料和钢筋的进场及检验工作。
2、已经完成C25混凝土的配合比设计工作。
3、已经完成本工程所需的机械设备人员进场。
四、端墙施工和明洞回填施工方案1、施工流程图洞门端墙施工放线基坑开挖基础整平钢筋绑扎安装定型模板浇筑混凝土拆除模板浆砌片石回填下一次钢筋绑扎安装定型模板浇筑混凝土拆除模板养生明洞回填2、测量放线:根据施工图纸,进行测量放线。
3、基坑开挖:根据测量放线,由挖掘机进行基坑开挖,开挖至设计标高下10cm,如此时石质松软,则应继续开挖,直至到达基岩位置,然后人工进行整平,并将虚渣清除干净。
4、钢筋加工和安装钢筋在加工棚进行,在现场安装。
钢筋进场后及时送样进行检验,检验合格后再用于本工程。
加工钢筋前,认真审阅图纸,复核钢筋加工尺寸,并填写钢筋下料表,经现场施工员复核无误后,再进行钢筋加工,加工好的钢筋按规格、长度、编号堆放整齐,并注意防雨防锈。
光圆钢筋在加工前,采用调直机进行调直。
钢筋安装过程中,随时采用盒尺测量,保证钢筋安装间距满足设计要求,绑扎或焊接牢固,数量满足设计要求。
火泥塘隧道洞门端墙施工方案一、工程概况火泥塘隧道洞门端墙设计为C25钢筋混凝土结构,端墙背后露空部分采用M10浆片回填;洞门端墙与衬砌、挡墙连接处设置连接钢筋。
端墙钢筋采取φ22砂浆锚杆定位,锚杆每4平方米设置一根,每根长3m。
二、施工方案1、洞门墙施工方案洞门墙施工前先开挖洞门墙基础,采用圆角法开挖。
开挖的同时施作洞门加固锚杆,锚杆外露50㎝,安装洞门墙钢筋网时与之焊接。
先安装基础部位的钢筋,浇筑基础混凝土以便于洞门墙钢筋的安装和固定。
钢筋安装前先在洞门墙两面搭设双层脚手架,便于钢筋安装和模板安装。
钢筋安装时注意洞门墙的坡度,牢固绑扎连接钢筋,连接钢筋间距为40×40㎝,梅花形布置。
模板安装时要注意钢筋的保护层。
模板安装时内外模之间的连接采用拉杆,模板支撑应牢固,满足刚度的要求。
混凝土浇筑时采用混凝土输送泵,下料时采用串桶,减小混凝土入模时的落差。
浇筑时先按明洞两侧对称浇筑,以减小对明洞衬砌的偏压。
混凝土浇筑平拱顶后,从一端向另一端水平分层浇筑,直至浇筑至墙顶帽檐底设计高程位置。
混凝土凝固后安装帽檐模板,浇筑帽檐混凝土。
帽檐模板安装时注意帽檐尺寸要减掉装修尺寸。
三、各项保证措施㈠、质量保证措施1、质量方针和目标方针:以人为本,遵规守纪,信守合同,以优良的工程质量、周到服务赢得用户的信任。
目标:确保秦家沟隧道创部优质工程,争创国优,确保分项工程一次检验合格率100%,优良率90%以上。
2、质量保证措施我方在本标段按项目法组织施工,全面推行ISO9000标准,运用科学的施工管理手段,积极推广“四新”科技成果,广泛开展“五小”发明创造,充分发挥机械效能,和专业化班组的优势,贯彻质量方针,确保质量目标实现。
(1)牢固树立“百年大计,质量第一”的思想,按ISO9002标准建立质量保证体系(详见图1),加强质量教育,强化全员质量意识。
(2)实行质量责任制,建立健全各项制度,各部门、人员分工明确,责任到人。
铁路隧道明洞及洞门施工方案引言铁路隧道的施工是一个庞大的工程,其中涉及到多个环节,每一个环节都需要精心的设计和施工。
其中,明洞及洞门的设计与施工显得尤为关键,本文将从明洞和洞门两个方面进行讨论,提出一套可行的施工方案。
明洞施工方案明洞是铁路隧道施工中较为重要的一环,它直接影响到隧道的整体结构和强度。
以下是一套健全的明洞施工方案:1. 首先进行地质勘探明洞施工前需要进行地质勘探,以确保施工地点的地质条件是否合适。
根据勘探结果,以及设计人员的要求,可以降低明洞的坡度和弧度等。
2. 创建安全的施工环境在明洞施工时,必须首先考虑工人的安全。
需要做好防雷、防水、防洪、通风排水等工作,保证施工环境安全可靠。
同时,施工现场应按照标准化的要求,设置安全警告标志,防止工人误操作,引发事故。
3. 按照设计要求,进行桩基础施工桩基础是明洞施工中一个重要的环节。
需要严格按照设计要求进行桩基础施工,保证明洞的整体结构和强度。
对于地层不稳定的区域,可以使用注浆桩等技术手段进行加固。
4. 采用爆破、掘进技术进行洞壁开挖在做好前期工作后,可以开始进行明洞壁体施工。
一种常用的方式是采用爆破、掘进技术进行洞壁开挖。
需要根据实际情况,选择合适的技术,确保施工安全和效率。
5. 做好交通管理明洞施工是一个大型工程,需要对施工现场周边的交通进行有效的管理,确保施工不会对周边的交通造成太大的影响。
同时还需要考虑施工车辆的进出问题,做好施工现场内部交通管理。
洞门施工方案洞门作为铁路隧道的重要部分,需要考虑到其实用性和美观性等多个方面的要求,以下是一套可行的方案:1. 洞门的外形设计洞门的外形设计应该遵循铁路隧道的整体风格,同时还需要考虑到其实用性和美观性等要求。
在设计洞门的外形时,需要充分考虑到周边环境、交通等目标客户的需求。
2. 洞门结构的设计洞门的结构设计需要保证其承重能力和耐久性。
在结构设计方面,需要根据实际需要确定洞门的尺寸和形状。
同时,还需要根据洞门所处地区的气候条件等因素,选择合适的材料。
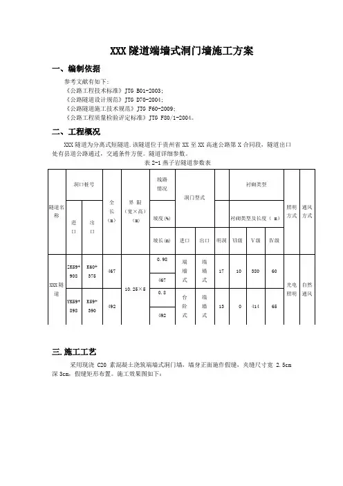
XXX隧道端墙式洞门墙施工方案一、编制依据参考文献有如下:《公路工程技术标准》JTG B01-2003;《公路隧道设计规范》JTG D70-2004;《公路隧道施工技术规范》JTG F60-2009;《公路工程质量检验评定标准》JTG F80/1-2004。
二、工程概况XXX隧道为分离式短隧道.该隧道位于贵州省XX至XX高速公路第X合同段,隧道出口处有县道公路通过,交通条件方便。
隧道详细参数。
表2-1燕子岩隧道参数表三.施工工艺采用现浇C20素混凝土浇筑端墙式洞门墙,墙身正面施作假缝,夹缝尺寸宽2.5cm 深3cm,假缝矩形布置。
施工效果图如下:上图为左线出口端墙式洞门墙上图为右线出口端墙式洞门墙上图为左线进口端墙式洞门墙四、施工方法和质量保证措施4.1施工方法墙底基础放样----墙底基础开挖----墙体基础承载力检验----墙体基础浇筑C20素混凝土----墙身放样----墙身内外模板安装----墙身外模假缝木条安装----墙身内外模板加固----墙身浇筑C20素混凝土----墙身内外模板拆除----墙身混凝土修饰和养生墙底基础放样:严格按照设计图纸放样,特别是深度,放样准确。
墙底基础开挖:采用挖掘机开挖,周边需人工修挖至设计的长宽高尺寸后,测量监理来验收。
墙体基础承载力检验:开挖完后需对地基承载力检验,要求其地基承载力≥300kPa。
基础浇筑C20素混凝土:采用挖掘及浇筑C20素混凝土,插入式振动棒振动至无气泡上浮。
墙身放样:严格按施工图纸放样,需测量监理验收。
墙身内外模板安装:采用1.8cm的红模板外加白色光滑的薄底板进行模板安装。
墙身外模假缝木条安装:木条采用宽2.5cm,厚3cm的直木条,矩形钉在外模内侧。
墙身内外模板加固:采用拉杆对立,下拉上顶,两端对拉或下拉,红模板外用方木竖向30cm 背起,外加2组双排钢管横向背起。
墙身浇筑C20素混凝土:一般采用对称浇筑,浇筑一层振动一层,振动至无气泡上浮为止。
一、施工方案1、1隧道洞口段1)进出洞口施工隧道进出口端置于强、中风化细砂岩和沙质泥岩中,岩体破碎,完整性差,围岩级别为V级,成洞条件较差,进、出洞口处采用超前大管棚支护进洞,再采用双壁导坑法开挖,采用锚喷加钢架支撑的复合式衬砌。
特别是隧道进口段,局部位置左洞为隧道暗洞,右洞为隧道明洞,施工时必须施做好右洞明洞完成回填后方可实施左洞暗洞施工。
洞口刷坡时,按照设计图纸尽量减小对洞顶仰坡及边坡的扰动,两隧道掌字面位置的核心土及隧道中间岩柱坡口处原地面土体应暂时保留,以支挡坡面及隧道掌字面,隧道套拱采用掏槽开挖后形成结构,实施大管棚超前支护,而后进行主洞开挖(主洞开挖时中夹岩柱坡口处原地面土体保留)2)隧道防水、排水、堵水隧道施工首先应重视防止地表水下渗,笨隧道地表水不发育,岩体的渗透性较差,可采取勾补、抹面等措施。
进、出洞口段主要做好地表排水系统导疏,防止大气降水汇集形成洪流冲刷及地表水下渗,设置相应的截水沟、排水沟、减少地表水对隧道进、出洞口的冲刷破坏。
隧道洞室施工过程中,岩体裂隙将出现滴水、渗水等现象,应在隧道洞身内布设纵、横向排水沟,利用隧道底板自然坡度将积水排除洞外;局部渗水量较大的部位应设置集水井,以水泵抽水输出洞外。
3)隧道施工对地质环境影响评价和施工条件评价区内地表水及地下水接受大气降水补给,地表水比较丰富,地下水富水性弱,在隧道施工过程中洞室内的排水不会造成区内地下水大幅下降,对地表值被不会产生较大影响。
在隧道洞口段施工过程中,宜尽量保持原始的坡体形态。
隧道开挖过程中的弃渣应妥善处置,一部分用于填方路基的填料,另一部分应堆置于相对平缓地段,尽量不占或是少占农田,若置于坡面或冲沟内,宜设置挡土墙及排水措施,以免造成泥石流。
1、2 隧道洞身段1)一般段隧道施工方案隧道除明洞段采用明挖法施工外,其余均采用暗挖钻爆法施工。
隧道对于IV、V级围岩洞口段施工开挖宜采用双侧壁法开挖,III级围岩段宜采用留核心土环形开挖。
张石高速公路LJM-N9项目部太平梁隧道洞门墙及明洞回填施工方案一、编制说明1、编制依据业主下发的本工程招标文件、设计图纸和变更图纸;我部人员和设备配置情况;现场实际情况。
2、编制原则保证工程质量和满足安全施工、文明施工的需要;选用先进施工工艺、优良施工设备,提高机械化、标准化施工作业水平。
二、工程概况太平梁隧道进出口洞门均采用端墙式洞门,洞门及明洞地基承载力不低于300kpa,洞门墙采用C25混凝土浇筑。
太平梁隧道除左幅张家口端未设置明洞外,其他三个洞口均设置明洞;太平梁隧道左幅张家口端洞口桩号为LK60+880;太平梁隧道右幅张家口端洞口桩号为RK60+778;太平梁隧道左幅石家庄端洞口桩号为LK62+700;太平梁隧道右幅石家庄端洞口桩号为RK62+969。
洞门墙采用纵向分段分层浇筑,然后进行明洞回填和洞顶排水沟的砌筑。
三、现场准备1、已经完成水泥、砂、石料和钢筋的进场及检验工作。
2、已经完成C25混凝土的配合比设计工作。
3、已经完成本工程所需的机械设备人员进场。
四、端墙施工和明洞回填施工方案1、施工流程图洞门端墙施工放线基坑开挖基础整平钢筋绑扎安装定型模板浇筑混凝土拆除模板浆砌片石回填下一次钢筋绑扎安装定型模板浇筑混凝土拆除模板养生明洞回填2、测量放线:根据施工图纸,进行测量放线。
3、基坑开挖:根据测量放线,由挖掘机进行基坑开挖,开挖至设计标高下10cm,如此时石质松软,则应继续开挖,直至到达基岩位置,然后人工进行整平,并将虚渣清除干净。
4、钢筋加工和安装钢筋在加工棚进行,在现场安装。
钢筋进场后及时送样进行检验,检验合格后再用于本工程。
加工钢筋前,认真审阅图纸,复核钢筋加工尺寸,并填写钢筋下料表,经现场施工员复核无误后,再进行钢筋加工,加工好的钢筋按规格、长度、编号堆放整齐,并注意防雨防锈。
光圆钢筋在加工前,采用调直机进行调直。
钢筋安装过程中,随时采用盒尺测量,保证钢筋安装间距满足设计要求,绑扎或焊接牢固,数量满足设计要求。
XX隧道进口洞门施工方案一、工程概况隧道进口洞门是连接隧道和地面道路的重要节点,具有承载、隔离、引导和装饰等功能。
为了确保洞门的结构安全、施工进度和质量,本方案将详细介绍如下。
二、施工前准备1.洞门设计:根据项目要求和现场情况,洞门采用XXX结构设计,包括门洞尺寸、门洞门槛、门洞覆土深度等。
2.施工人员:根据施工任务和职责,组织建筑工、钢筋工、混凝土工、电气工等施工人员,并指派专人负责工程安全管理。
3.施工设备:提前准备好挖掘机、起重机、混凝土搅拌站、钢筋焊接机等施工设备,并进行设备安全检查和维护。
4.施工材料:根据设计要求,准备好钢筋、混凝土、水泥等施工材料,并进行质量检验,确保符合标准要求。
三、施工流程1.挖掘开挖:根据设计要求,采用挖掘机进行门洞的开挖,确保洞门的尺寸和平整度符合设计要求。
2.钢筋加工与安装:根据设计要求,进行钢筋的加工和焊接,包括门槛、门框和门洞墙体的钢筋安装。
注意钢筋的位置、间距和固定牢固。
3.混凝土浇筑:采用混凝土搅拌站进行混凝土的配制和搅拌,并使用泵车将混凝土送入门洞,确保混凝土的均匀性和密实度。
4.门槛与门框安装:混凝土浇筑后,根据设计要求,将门槛和门框进行安装,注意位置的准确性和固定的牢固性。
5.表面处理:根据设计要求,采用防水、防火、防腐等材料进行洞门表面的处理,提高洞门的使用寿命和安全性。
6.灯光及配套设施安装:根据设计要求,安装洞门照明灯、路灯、监控设备等配套设施,提供良好的照明和安全保障。
7.安全检查与验收:在施工完成后,进行隧道洞门的安全检查和验收,确保施工质量和结构安全。
四、施工注意事项1.施工现场的安全:施工现场要设置明显的标志和警示标志,划定施工区域和安全通道,提供安全防护设施,防止事故发生。
2.施工材料的质量:对采购的施工材料进行质量检验,确保符合标准要求,严禁使用质量不合格的材料。
3.施工设备的安全:对使用的施工设备进行安全检查和维护,设备操作人员必须具备相应证书和操作技能。
现浇文化石隧道洞门墙施工工法现浇文化石隧道洞门墙施工工法是一种适用于隧道洞门墙建设的工法,具有以下特点:施工简单,工期短,且适用范围广。
本文将从工法特点、适应范围、工艺原理、施工工艺、劳动组织、机具设备、质量控制、安全措施、经济技术分析和工程实例等方面进行详细介绍。
一、前言隧道洞门墙施工一直是建筑施工中的重要环节,传统的施工工法存在施工周期长、工期紧张等问题。
现浇文化石隧道洞门墙施工工法能够有效解决这些问题,提高施工效率。
二、工法特点现浇文化石隧道洞门墙施工工法具有施工简单、工期短、且适用范围广的特点。
施工简单意味着不需要复杂的模板制作和拆除过程,减少了人力和物力的浪费。
工期短指的是通过合理的施工组织和工艺选择,能够缩短施工周期,提高工程进度。
适用范围广意味着该工法不仅适用于不同规模和难度的工程,还可以适应不同的地质环境和气候条件。
三、适应范围现浇文化石隧道洞门墙施工工法适用于各类隧道洞门墙的建设,包括公路隧道、铁路隧道、地铁隧道等。
无论是山区、丘陵还是平原,都可以采用该工法进行施工。
同时,该工法适应各种地质条件,如岩石、土壤等,并且能够适应不同的气候条件。
四、工艺原理现浇文化石隧道洞门墙施工工法的工艺原理是通过选取合适的石材材料,使用现浇混凝土进行成型,然后进行雕琢和修饰,最终形成具有文化石质感的洞门墙。
通过对施工工法与实际工程之间的联系以及采取的技术措施进行分析和解释,让读者了解该工法的理论依据和实际应用。
五、施工工艺现浇文化石隧道洞门墙施工工艺主要包括以下几个阶段:提前准备工作、基础施工、石材设置、混凝土浇筑和后期修饰。
详细描述这些阶段的施工过程,让读者了解每个阶段的具体细节。
六、劳动组织现浇文化石隧道洞门墙施工工法的劳动组织包括施工团队的组织架构、人员分工和岗位设置等。
这些安排都是为了确保施工过程顺利进行,高效率地完成工程。
七、机具设备现浇文化石隧道洞门墙施工工法所需的机具设备主要包括起重机、混凝土搅拌机、模板等。
隧道进洞及洞门段施工方案
洞口段施工包括洞外地表防排水、边仰坡开挖和防护、进洞和洞门施工。
洞口边仰坡开挖时应充足考虑洞内施工需要,合理布置洞口施工现场。
对隧道浅埋、偏压等地形、地质条件较差旳隧道洞口考虑预加固围岩后再开挖,视地质条件采用地表钢花管注浆等加固围岩,对边仰坡采用喷锚网等加固及防护措施,并根据详细围岩状况设置洞口Φ108 长管棚,Φ42超前小导管等超前支护措施,以减少洞口边。
仰坡开挖和保证进洞安全。
⑴边仰坡开挖防护
在洞顶距仰坡5m 以外人工开挖并施作洞顶截水天沟,作好洞口地表防排水。
按照设计坡比人工配合挖掘机分层分段开挖,及时进行喷锚网加固、骨架护坡防护或浆砌片石护坡防护,保证边坡稳定及施工安全。
随开挖随防护。
当洞口围岩稳定,具有一定旳覆盖厚度时,采用“无仰坡临界点”进洞。
施工中少刷边仰坡,尽量减少对原有植被旳破坏和对洞口旳扰动,对开挖裸露旳部分采用骨架护坡防护或浆砌片石防护。
⑵进洞施工
隧道进洞采用管棚超前预支护进洞,详细作法如下:洞口开挖至起拱线,采用两拐型钢钢架紧贴仰坡放置,预埋管棚导向管,其环向间距及倾角同设计旳管棚环向间距及外插角,与仰坡锚杆焊接固定,浇注挂板混凝土固结,然后施做长管棚,形成洞室轮廓。
洞室开挖施工时采用短开挖,放小炮,及时支撑,以防坍塌。
洞口加强防排水,防止积水长时间浸泡墙脚和隧底,导致边墙围岩失稳。
⑶洞口施工
正洞施工工序调整到位后平行作业,尽量避开雨季完毕。
洞门混凝土与洞身衬砌用同级混凝土整体浇筑;洞口边仰坡与衬砌外缘相交处填塞密实。
隧道口洞门端墙整修施工方案●工程概况本工程位于XX高速,主线里程K33+500~K33+800段,属双连拱断面隧道。
洞门口为端墙式洞门墙,本次施工主要内容包括原条石端墙压顶拆除更换为现浇钢筋混凝土压顶、洞门端墙条石重新勾缝以及洞口轮廓修复修整等。
●整修原则在不中断交通的情况下完成。
●整修方案根据业主和交警部门要求,要在不中断交通的情况下完成隧道洞门口的整修工作,而洞门口又完全位于行车道上,且墙顶距路面有近14~15米的高度,一旦有物体落下,对行车安全的危害性是相当大的。
因此,首先需在洞门口搭设防护棚,然后在防护棚以上部位按一般施工工艺组织施工。
一、搭设防护棚根据墙顶高差,确定高空坠落半径为3米,因此洞口防护棚宽度按4米设计。
为了保证双车道通行,防护棚净空取高×宽为5×8米。
单个洞口防护棚构造如下:立柱2根,采用DN200焊接钢管,间距2米,第一根距洞门墙50cm布设。
立柱下设C25混凝土基础,混凝土基础直接浇筑在路面上,尺寸3.0×0.5×0.5米,采用木模,顶面预埋Φ300×20mm钢板与立柱焊接。
立柱高5米,顶部焊18a工字钢盖梁。
盖梁长3米,中间水平铺设2000×3000贝雷片组合横梁,两侧用单榀贝雷片组合做护栏。
贝雷片组合横梁长度9米,上面满铺2.0厚钢板,钢板上再铺设一层柔性棉垫,预防坠物下落后的二次飞溅。
护栏内侧使用竹脚手板封闭,封闭高度不低于1.5米。
安装防护棚时,需封闭一个车道,给吊机提供作业面。
其中立柱、盖梁安装需分侧进行,横梁安装在超车道侧进行。
二、端墙压顶整修方案为安全起见,要求对原端墙压顶内侧的混凝土先行凿除,凿除至比压顶条石底低,方便拆除条石时向内移动。
在压顶下方端墙上凿出压顶模板下支撑的位置。
下支撑采用Φ48钢管,间距@1200。
1.模板下支撑安装后,安装压顶钢筋骨架。
2.钢筋骨架安装后,安装压顶模板。
压顶侧模采用竹胶板加工,采用外吊内拉的加固方法支模成型。
时光隧道洞门墙施工方案1 编制依据及编制范围1.1 编制依据本实施性施工方案根据以下文件资料进行编制:(1)《英山县工业新城和谐大道西路时光隧道》施工招标文件及相关来往文件、施工图纸、施工承包合同。
(2)国家现行规范、标准、技术资料及有关法律法规。
(3)工地现场调查、采集、咨询所获取的资料。
(4)我公司拥有的技术装备力量、机械设备状况、管理水平、工法及科技成果,及历年来在类似铁路工程施工中积累的施工经验。
(5)依据GB/T19001--2000质量标准体系、GB/T24001-2004环境管理体系和GB/T28001-2001职业健康安全标准建立的质量和环境管理体系、JGJ 130--2011脚手架搭设规范和《程序文件》。
1.2 编制目的为了有效指导时光隧进出口洞门墙施工顺利进行,确保时光隧道进出口洞门墙施工质量和安全,特编制本方案。
1.3 编制范围英山县工业新城和谐大道西路时光隧道及接线工程时光隧道进出口洞门墙施工。
2 工程概况2.1 工程主要情况英山县位于湖北省东部,地理位置东经115°3′53″~ 116°4′2″,北纬30°31′0″~ 31°8′58″,北与安徽省金寨、霍山毗邻,东与安徽省岳西、太湖交界,南与蕲春、浠水接攘,西与罗田相邻。
西距省会城市武汉170 公里,东距安徽省会合肥200 公里,规划的武合高速公路贯穿全境。
工业是县域经济的重要支柱。
为加快英山县工业经济发展步伐,英山县树立了工业强县理念。
英山县是一个集老区、山区、库区为一体的国家级扶贫开发工作重点县,工业发展滞后于周边城市,工业建设处于起步阶段,英山经济发展是农业相对突出,工业滞后,第三产业不足,近几年来,英山县委、县政府紧紧把握改革开放的历史机遇,科学决策,提出“特色富县、工业强县、旅游活县、科教兴县”战略,全面建设“全国名茶县、新型工业县、生态旅游县”。
工业新城建设是英山实现经济腾飞的必然选择。
和谐大道西路是《英山工业新城控制性详细规划及城市设计》路网中的一条东西向道路。
明洞衬砌采用C25钢筋混凝土,复合式衬砌二次衬砌采用C25钢筋混凝土。
2.2 设计情况隧道洞门结构采用C25钢筋混凝土结构,墙底地基承载力[σ]≥300kpa。
3 施工准备情况3.1技术准备技术准备工作分为内业技术准备和外业技术准备。
内业技术准备主要包括:认真阅读、审核施工图纸和施工规范;编写各种有针对性的质量、安全保证措施;编写施工安全手册,组织施工人员岗前技术培训。
外业技术准备主要包括:现场详细调查与地质勘探;进行地材调查、原材试验;各种砼、砂浆配合比的配制选定;施工作业中所涉及的各种外部技术数据。
技术准备工作做到准备项目齐全,执行标准正确,内容完善齐备,超前计划布局,及时指导交底,重在检查落实。
3.2劳动力组织洞门墙施工劳动力配置情况统计如下:表3-1 进洞施工劳动力配置情况3.3机械配备见表3-2主要施工机械设备配置表。
表3-2 主要施工机械设备配置表3.4物资材料准备进出口洞门施工物资材料准备情况如下:表4-3 物资配备表4 施工方案4.1 总体方案根据设计图纸的要求,并结合施工现状,制定总体施工顺序如下:清理基础→立钢管脚手架→钢筋绑扎→模板安装加固→混凝土浇筑。
4.2 施工要求(1)尺寸:洞门端墙按施工设计图结构尺寸施工。
(2)材料:时光隧道进出口洞门墙采用C25混凝土。
(3)施工规定:洞门墙施工总体遵循从下往上分层浇筑。
(4)洞门墙混凝土施工完成后,依据图纸对洞门墙砌筑花岗岩饰板及人工装饰石。
(5)洞门端墙应避开雨、雪季施工,并及时做好边仰坡周围的截水沟和洞门的排水、截水设施。
(6)洞门墙基础开挖后,对基础超挖部分应采用与基础同级混凝土进行浇筑。
4.3洞门墙施工(1)基础处理先采用挖掘机及人工开挖洞门墙基础;开挖完后,报请监理、设计及业主进行现场勘察后,经核对,与设计图纸无误(达到规范要求)后,再浇注C25混凝土至设计高度。
基础处理时,应将隧道内污水采用水泵抽排至洞外且施工应迅速,避开阴雨天气,以防水流浸泡基坑。
(2)洞门墙模板制作要求①本隧洞门墙模板均采用钢模板制作,每块模板尺寸为(1.5m×0.3 m)。
②模板及支架安装必须稳固牢靠,接缝应严密不漏浆。
(3)混凝土立模加固为防止洞门墙浇注出现有跑模现象,可进行分层浇注但每次浇注高度不得大于2m,应将施工缝设置在模板接缝处,立模中应控制好两侧模板高度,确保施工缝在同一平面内,施工缝处设置接茬钢筋按要求进行布设并应进行凿毛处理。
模板与混凝土的接触面必须清理干净并涂刷隔离剂,混凝土浇注前,模板内的积水和杂物应清理干净。
洞门内、外处搭设φ50钢管双排脚手架,横杆间距0.9m, 每排立杆均安装通长剪刀撑,为确保不影响洞内施工脚手架搭设时预留宽5.4m×高4.8m行车道。
在最外层设置45°~60°斜撑以确保整体脚手架稳定,洞门墙内侧设置拉杆稳定模板。
4.4 混凝土浇筑混凝土采用商品砼,混凝土输送车输送,汽车泵泵送入模;采用插入式振动棒振捣密实。
混凝土振捣时,振动棒不得触碰模板。
端墙及挡墙混凝土标号为 C25。
5 安全质量措施5.1 安全措施1、建立以分部经理为首的“安全保证体系”,以加强施工作业现场控制和职工的安全生产教育为重点,采取定期检查、专人检查、班组自查、职工互查相结合,深入开展创建安全标准工地活动,确保本工程施工安全。
2、执行安全教育制度并做好登记。
工程开工前,对所有参加本工程施工的人员进行安全生产教育,组织学习有关安全规则、规定,并结合本合同段特点,制定有针对性的安全措施,进行宣传教育。
3、所有特种作业施工人员,必须持证上岗,严禁非特殊工种从事特种作业。
4、进入施工现场人员,必须戴好安全帽,并按规定佩戴劳动保护用品和安全带等安全用具。
5、施工现场设安全标志,危险作业区要悬挂“危险”或者“禁止通行”、“严禁烟火”等标志,夜间设红灯示警。
6、规范用电管理:现场电工作业人员必须持证上岗,严禁无证操作;电工作业必须按规定使用劳动保护用品及绝缘工具,并定期检查,不合格产品严禁使用;配电线路采用架空或埋地,现场移动式电器一律采用橡皮绝缘电缆,加装触电保护器,通过道路必须穿管埋地敷设;施工用电设备和配电箱金属外壳连接专用的保护零线,并明显标识;配电系统按总配电(一级)——分配电(二级)——开关箱(三级或末级)设置,并实行两级漏电保护;末级按一机一闸一漏一箱的要求设置,闸具、熔断器参数与设备容量相匹配;建立现场用电管理档案,做好电工巡视检查维修记录;配电箱做好防漏措施,门锁齐全,各级箱体进行统一编号,箱内线路按用途进行标记,箱内张贴电气线路图和检查维修记录表。
7、洞门施工前,要做好统筹安排,尽量避免交叉作业。
8、尽量保证夜间施工作业人员有足够的睡眠,避免夜间作业人员出现疲劳状态,避免发生不必要的质量、安全事故。
9、加强施工照明,保证施工现场有足够的照明。
10、作业区域车辆限速行使,并派专人指挥洞内交通。
成洞地段车速不得大于20km/h。
11、洞门施工时,应搭设全封闭的脚手架作业平台。
5.2 质量措施1、项目部成立质量管理领导小组,由项目经理任组长,项目总工程师、副经理任副组长,各职能部门和各项目负责人任组员,全面负责质量创优计划的贯彻落实。
实行三级质量管理体系,即项目部安全质量部质检工程师——工区质检员——班组兼职质量检查员,形成自上而下的工程质量检查网络。
2、采取各种形式进行职工教育、培训,把工程质量教育形成制度,使之贯穿于施工的全过程。
达到职工的岗前教育面100%,使各级人员在对工程质量的理解上、认识上树立全新的质量意识和质量观念,不断提高施工工艺及工程质量的水平。
3、项目经理部成立测量组,负责本标段工程的施工控制测量。
配备先进的全站仪和高精度的自动安平水准仪,以提高测量精度。
洞门施工前,按照设计尺寸、位置及高程,对施工部位进行放样,并详细记录。
4、洞门施工前,必须由主管工程师向全体施工人员进行技术交底,包括设计要求、施工方案、技术标准、测量方法、结构几何尺寸及与其它工程的相互关系、施工注意事项等,使全体人员在理解设计意图及工程质量标准的情况下投入施工,并做到勤检查、多指导,把工程技术质量标准落实到工程各部位。
5、严格执行“三检”制及定期检查与经常性检查相结合的检查制度。
在施工过程中班组之间实行“三检”制度,即:自检、互检、交接检,隐蔽工程经监理工程师检查签证后方能隐蔽,进行下道工序施工。
6、施工过程中施工准备工作不充分不施工,试验未达到标准不施工,施工方案和质量保证措施未确定不施工,施工方案和质量保证措施未达到标准不施工,没有技术交底不施工,上道工序质量不合格坚决不施工下道工序。
7、严把材料进场关,对水泥、砂石料等均进行严格检测,检测合格后方可用于工程施工。
8、项目部建立质量奖励基金,用于工程施工过程质量控制奖励。
对施工中出现不重视工程质量的班组和个人实施经济罚款,对质量控制严格、规范并取得良好效果的班组和个人给予奖励。
通过经济杠杆作用,激励约束,充分调动全体职工的积极性和创造性。
6 文明施工和环保、水保措施6.1 机具、材料管理(1)按照业主及本公司文明工地建设的有关要求,建立良好的工作、生活环境,树立施工企业的良好形象。
(2)各项临时设施、住地,按照批准的平面图布设,因地制宜,布局合理,整齐有序,安全卫生,禁止擅自随意搭设。
(3)各类建筑材料、砂石料、设备等要分类、分规格、分品种堆码,放置整齐,标识齐全。
(4)施工便道,场区道路要合理规划布置,专人整修,保证畅通,做好场区、生活区的排水系统,经常清理,保持排水畅通。
(5 )现场布置各类警示牌,大力宣传安全和文明施工。
(6)工点施工,要有计划有步骤地进行,做到有序展开,工完料尽、及时平整恢复场地。
6.2 施工环境水土管理6.2.1防止水源污染(1)施工场地不设在水体旁,施工人员的生活污水和粪便设化粪池处理,并定期清理,生活垃圾装入垃圾桶定时清运到环保部门指定地点堆放。
(2)施工中的废燃料、废油及其它固体废物不得倾倒或排入河流、池塘、水渠等水体,也不得堆放在水体旁,应及时清运至当地允许设置的地点。
(3)生产废水不得排入河流,不得在饮用水源附近清洗施工器具、机械等,防止水环境污染。
(4)含有害物质的建材(如水泥等)不得堆放在水体附近,并设蓬盖,必要时设围栏,防止被雨水冲刷入水体。
(5)机械严禁漏油,严禁化学品洒落水体。
(6)按要求在洞口附近设置三级沉淀池,施工废水经三级沉淀净化,达到排放标准后,方可排入自然水体。
6.2 .2防止水土流失(1)在施工期间始终保持工地排水系统良好,临时排水系统与永久排水设施相连接,不得淤积和冲刷。