【实用表格模板】隧道洞门墙身(U6)
- 格式:doc
- 大小:99.00 KB
- 文档页数:5
隧道工程施工质量验收表格目录第一部分表格设计汇总和填写要求说明1.1表格设计汇总和填写要求说明第二部分隧道工程施工记录表格2.1高程测量记录2.2超探施工记录2.3探水钻孔施工记录2.4沉降观测记录2.5隧道现场监控沉量测量记录2.6隐蔽工程检查记录2.7隧道验收观测记录2.8隧道断面验收记录2.9隧道成洞净空检查记录2.10隧道总体实测检查记录第三部隧道工程施工质量检验批评定表格3.1隧道工程施工质量验收的划分及编号3.2洞口开挖检验批质量验收记录表3.3砌体工程检验批质量验收记录表3.4钢筋工程检验批质量验收记录3.5洞口模板及支架工程检验批质量验收记录表3.6混凝土( 原材料及配合比) 检验批质量验收记录表( Ⅰ) 3.7洞口混凝土( 施工) 工程检验批质量验收记录表( Ⅱ) 3.8洞身开挖检验批质量验收记录表3.9隧底开挖检验批质量验收记录表3.10喷射混凝土支护检验批质量验收记录表3.11锚杆检验批质量验收记录表3.12钢筋钢架检验批质量验收记录表3.13钢筋网检验批质量验收记录表3.14管棚检验批质量验收记录表3.15超前小导管检验批质量验收记录表3.16衬砌模板工程检验批质量验收记录表( Ⅰ)3.17衬砌混凝土( 施工) 工程检验批质量验收记录表( Ⅱ)3.18喷射混凝土衬砌检验批质量验收记录表3.19底板混凝土( 施工) 工程检验批质量验收记录表( Ⅱ)3.20仰拱混凝土( 施工) 工程检验批质量验收记录表( Ⅱ)3.21仰拱填充混凝土( 施工) 工程检验批质量验收记录表( Ⅱ) 3.22回填注浆检验批质量验收记录表3.23洞口防排水检验批质量验收记录表3.24洞内排水沟( 槽) 检验批质量验收记录表3.25施工缝与变形缝处理检验批质量验收记录表3.26防水板施工检验批质量验收记录表3.27涂料防水层施工检验批质量验收记录表3.28回填注浆检验批质量验收记录表3.29盲管( 沟) 检验批质量验收记录表3.30辅助坑道开挖检验批质量验收记录表3.31辅助坑道模板工程检验批质量验收记录表3.32辅助坑道混凝土( 施工) 工程检验批质量验收记录表( Ⅱ) 3.33辅助坑道坑道口及其封闭检验批质量验收记录表3.34明洞开挖检验批质量验收记录表3.35明洞模板及支架工程检验批质量验收记录表3.36明洞衬砌混凝土( 施工) 工程检验批质量验收记录表( Ⅱ) 3.37明洞防排水检验批质量验收记录表3.38明洞回填检验批质量验收记录表第四部分隧道工程施工竣工( 交工) 验收表格4.1分项工程质量验收记录4.2分部工程质量验收记录4.3单位工程质量验收记录4.4 单位工程质量控制资料核查记录4.5单位工程安全和功能检验资料核查及主要功能抽查记录4.5.1隧道衬砌厚度检测结果4.5.2隧道衬砌混凝土强度等级检测结果4.5.3隧道衬砌钢架、钢筋分布4.5.4隧道衬砌背后回填情况统计4.5.5隧道衬砌质量汇总4.6单位工程观感质量检查记录第一部分表格设计汇总和填写要求说明一、表格设计根据隧道穿越图纸说明书中主要标准规范:1) 《铁路隧道工程施工质量验收标准》( TB10417- ) ;2) 《锚杆喷射混凝土支护技术规范》GB50086- ;3) 《爆破安全技术规程》GB6722- ;4) 《砌体结构设计规范》GB50003- ;5)《地下工程防水技术规范》(GB50108- );6) 《工程测量规范》( GB50026-93) ;及规范中涉及到的相关施工规范的规定, 对隧道工程施工用的表格进行收集、汇总。
中间检验申请批复单承包单位:成都华川公路建设集团有限公司合同号: LJ7监理单位:四川公路工程咨询监理公司编号:监表8工程项目工程地点及桩号具体部位混凝土浇筑检验内容构造尺寸、基础埋深、墙面坡度等要求到现场检验时间年月日时承包人递交时间和签名年月日监理员收到时间和签名年月日监理员意见:签名:年月日专业监理工程师自检质量证明附件签名年月日1:洞门砌筑质量检验单2:模板安装质量检验单3:混凝土浇筑申请报告单4:混凝土施工检查记录表5:水准测量记录表6:全站仪平面位置检测表7:混凝土抗压强度试验报告单承包人收到日期和签名年月日洞门砌筑质量检验单承包单位:成都华川公路建设集团有限公司合同号: LJ7监理单位:四川公路工程咨询监理公司编号:隧道检表18工程名称施工日期年月日桩号及工程部位检验日期年月日基本要求1、砼表面平整、均匀、密实,无蜂窝麻面;砌石材料无水锈,砂浆饱满,砌缝横平竖直,表面平整。
2、洞门轮廓线直顺清晰美观。
3、泄水孔泄水良好伸缩缝沉降缝位置适当墙背回填密实。
4、开挖坡面防护良好,无水流冲刷现象。
5、排水系统通畅,沟槽无堵塞淤积现象。
检查项目规定值或允许偏差实测值或偏差值检查方法及频率构造尺寸(mm) 水平距离+100 , -20用尺量3-7点高差+50 , -10基础埋深(mm) 石质基底+50 , -100施工记录不少于7点用水准仪测量土质基底+50 , -0墙身断面厚度(mm)砼+20 , -0尺量不少于7点砌石+40 , -0垂直度(mm)高度<5M ≯10尺量不少于7点高度≥5M ≯15表面平整度(mm)砼≯5用2米直尺量不少于7点砌石≯10墙面坡度不陡于设计(≦1:0.15)用2米直尺量不少于7点备注:监理员意见:专业监理工程师:模板安装质量检验单承包单位:成都华川公路建设集团有限公司合同号: LJ7监理单位:四川公路工程咨询监理公司编号:隧道检表28工程名称施工日期年月日桩号及工程部位检验日期年月日基本要求1、模内无杂物,稳定可靠。
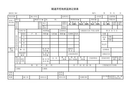
隧道开挖地质监测记录表施检表(56)编号:第页共页隧道开挖断面检查记录表施检表(57)编号:第页共页隧道现场监控量测记录表施检表(58)编号:第页共页周边收敛测试记录表编号:第页共页施检表(59)隧道现场监控量测记录表(收敛数据回归分析图)编号:第页共页施检表(60)拱顶下沉测量记录表施检表(61)编号:第页共页拱顶下沉测量计算表编号:第页共页施检表(62)隧道现场监控量测记录表(拱顶下沉数据回归分析图)编号:第页共页施检表(63)明洞外贴式防水层检查记录表施检表(64)编号:第页共页隧道安装钢筋检查记录表编号:第页共页施检表(65)隧道喷射混凝土钢筋网安装检查记录表施检表(66)编号:第页共页隧道模板安装检查记录表施检表(67)编号:第页共页施检表(68)编号:第页共页施检表(69)编号:第页共页隧道模筑砼渗漏水检查记录表施检表(70)编号:第页共页隧道洞身喷射混凝土检查记录表施检表(71)编号:第页共页隧道洞身塑料板防水层检查记录表施检表(72)编号:第页共页隧道模筑砼拆模后检查记录表施检表(73)编号:第页共页隧道成洞净空检查记录表施检表(74)编号:第页共页隧道格栅钢架加工检查表施检表(75)编号:第页共页隧道格栅钢架安装检验表施检表(76)编号:第页共页隧道洞门砌筑检验表施检表(77)编号:第页共页施检表(78)编号:第页共页施检表(79)编号:第页共页施检表(80)编号:第页共页隧道洞身超前钢插管检验单施检表(81)编号:第页共页隧道洞身锚杆类注浆检验表施检表(82)编号:第页共页隧道洞身初支断面检验表施检表(83)编号:第页共页隧道洞内水沟槽浆检查表施检表(84)编号:第页共页隧道洞口仰坡、洞口地表加固检验表施检表(85)编号:第页共页隧道锚杆拉拔力检验表施检表(86)编号:第页共页施检表(87)编号:第页共页施检表(88)编号:第页共页。
隧道工程A洞口工程1:洞口开挖附件:C-2-162平面位置检验记录表C-1-1 土方路基现场质量检验报告单(土方开挖做)C-2-4中线偏位检验记录表C-2-5路基边坡检验记录表(套用表格)C-2-163高程检验记录表2、洞口边仰坡防护(1)锚杆检验附件:C-1-164锚杆支护现场质量检验报告单C-2-171锚杆支护检验记录表锚杆拉拔测试报告(2)钢筋网支护附件:C-1-165钢筋网支护现场质量检验报告单C-2-172钢筋网支护检验记录表(3)喷射混凝土附件:C-1-163喷射混凝土现场质量检验报告单C-2-170喷射混凝土检验记录表混凝土抗压强度试验报告3、洞顶排水沟附件:C-1-15浆砌排水沟现场质量检验报告单C-2-18浆砌排水沟检验记录表C-2-163高程检验记录表砂浆抗压强度试验报告B明洞工程1、仰拱开挖附件:C-2-162平面位置检验记录表C-1-162洞身开挖质量检验报告单C-2-169洞身开挖检验记录表C-2-181隧道开挖断面检验记录表C-2-163高程检验记录表2、仰拱衬砌附件:C-1-169衬砌钢筋现场质量检验报告单C-2-176衬砌钢筋检验记录表C-2-182模板安装检验记录表C-2-154混凝土浇筑检验记录表C-1-159明洞浇筑现场质量检验报告单C-2-166明洞浇筑检验记录表混凝土抗压强度试验报告3、仰拱填充附件:C-2-182模板安装检验记录表C-2-154混凝土浇筑检验记录表C-1-166 仰拱现场质量检验报告单(套用表格)C-2-173 仰拱检验记录表(只检测强度、厚度)混凝土抗压强度试验报告4、明洞防水层附件:C-1-160明洞防水层现场质量检验报告单C-2-167明洞防水层检验记录表5、明洞回填(1)片石混凝土回填附件:C-1-166仰拱现场质量检验报告单C-2-173仰拱检验记录表(只检测强度、厚度)混凝土抗压强度试验报告(2)洞顶回填附件:C-1-161明洞回填现场质量检验报告单C-2-168明洞回填检验记录表压实度试验报告(灌砂法)压实度试验记录(灌砂法)(3)土工合成材料处治层(单向土工格栅)附件:C-1-7 加筋工程土工合成材料处治层现场质量检验报告单C-2-10加筋工程土工合成材料处治层检查记录表C洞身开挖附件:C-2-162平面位置检验记录表C-1-162洞身开挖质量检验报告单C-2-169洞身开挖检验记录表C-2-181隧道开挖断面检验记录表C-2-163高程检验记录表D洞身衬砌1、拱部、边墙(1)钢支撑附件:C-1-168钢支撑现场质量检验报告单C-2-175钢支撑检验记录表(2)锚杆支护附件:C-1-164锚杆支护现场质量检验报告单C-2-171锚杆支护检验记录表锚杆拉拔测试报告(3)钢筋网支护附件:C-1-165钢筋网现场质量检验报告单C-2-172钢筋网检验记录表(4)喷射混凝土附件:C-2-154混凝土浇筑检验记录表C-1-163喷射混凝土现场质量检验报告单C-2-170喷射混凝土检验记录表混凝土抗压强度试验报告2、仰拱(1)仰拱开挖附件:C-2-162平面位置检验记录表C-1-162洞身开挖质量检验报告单C-2-169洞身开挖检验记录表C-2-181隧道开挖断面检验记录表C-2-163高程检验记录表(2)仰拱衬砌附件:C-1-169衬砌钢筋现场质量检验报告单C-2-176衬砌钢筋检验记录表C-2-182模板安装检验记录表C-2-154混凝土浇筑检验记录表C-1-166仰拱现场质量检验报告单C-2-173仰拱检验记录表混凝土抗压强度试验报告(3)仰拱填充附件:C-2-182模板安装检验记录表C-2-154混凝土浇筑检验记录表C-1-166 仰拱现场质量检验报告单(套用表格)C-2-173 仰拱检验记录表(只检测强度、厚度)混凝土抗压强度试验报告3、衬砌钢筋和混凝土衬砌附件:C-1-169衬砌钢筋现场质量检验报告单C-2-176衬砌钢筋检验记录表C-2-182模板安装检验记录表C-2-154混凝土浇筑检验记录表C-1-167混凝土衬砌现场质量检验报告单(套用表格)C-2-174混凝土衬砌检验记录表混凝土抗压强度试验报告4、电缆槽附件:C-1-49钢筋安装现场质量检验报告单C-2-43钢筋安装检验记录表C-2-182模板安装检验记录表C-2-154混凝土浇筑检验记录表C-1-166仰拱现场质量检验报告单C-2-173仰拱检验记录表混凝土抗压强度试验报告E防排水工程1、防水层附件:C-1-170防水层现场质量检验报告单C-2-177防水层检验记录表2、止水带(止水条)附件:C-1-171止水带现场质量检验报告单C-2-178止水带检验记录表3、中心水沟(1)基坑检验附件:C-2-162平面位置检验记录表C-2-163高程检验记录表(2)C-2-182模板安装检验记录表(3)管座及管节安装附件:C-1-12管座及管节安装现场质量检验报告单C-2-15管座及管节检验记录表混凝土抗压强度试验报告4、检查井(1)基坑检验附件:C-2-163高程检验记录表(2)检查井检验附件:C-1-49钢筋安装现场质量检验报告单C-2-43钢筋安装检验记录表C-2-182模板安装检验记录表C-2-154混凝土浇筑检验记录表C-1-166 仰拱现场质量检验报告单C-2-173仰拱检验记录表混凝土抗压强度试验报告5、电缆槽、检查井盖板附件:C-1-49钢筋安装现场质量检验报告单C-2-43钢筋安装检验记录表C-2-182模板安装检验记录表C-2-154混凝土浇筑检验记录表C-1-143小型预制构件现场质量检验报告单C-2-138小型预制构件检验记录表混凝土抗压强度试验报告G辅助施工措施1、套拱(1)钢支撑附件:C-1-168钢支撑现场质量检验报告单C-2-175钢支撑检验记录表(2)扩大基础附件:C-2-154混凝土浇筑检验记录表C-1-59扩大基础现场质量检验报告单C-2-54扩大基础检验记录表混凝土抗压强度试验报告C-2-153地基承载力检验记录表地基承载力试验报告(3)成品附件:C-2-182模板安装检验记录表C-2-154混凝土浇筑检验记录表C-1-159明洞浇筑现场质量检验报告单(套用表格、待定)C-2-166明洞浇筑检验记录表混凝土抗压强度试验报告(4)超前大管棚附件:C-1-173超前钢管现场质量检验报告单C-2-180超前钢管检验记录表2、超前小导管附件:C-1-173超前钢管现场质量检验报告单C-2-180超前钢管检验记录表H隧道总体附件:C-2-162平面位置检验记录表C-1-158隧道总体现场质量检验报告单C-2-165隧道总体检验记录表C-2-163高程检验记录表I监控量测附件:C-2-183隧道现场监控量测记录表(拱顶下沉测量计算表)C-2-184隧道现场监控量测记录表(拱顶下沉数据回归分析图)C-2-185隧道现场监控量测记录表(拱顶下沉测量计录表)C-2-186隧道现场监控量测记录表(周边收敛测试记录表)C-2-187隧道开挖地质与初支监测记录表存在问题:1、缺超前大管棚、超前小导管缺注浆记录表、没有表格2、导向管安装(预埋件)图纸在哪一块?没有表格3、明洞的仰拱开挖和洞身衬砌的仰拱开挖不需要放样吗?确定一下!4、边仰坡防护没有表格、暂时套用路基边坡的表格。
隧道工程分部工程验收表格•、分部分项划分及编号隧道分部工程、分项工程、检验批划分及编号(隧道单位工程编号0401)注:本表根据《高速铁路隧道工程施工质量验收标准》(TB10753--2010)编制、检验批质量验收记录表一)加固处理新建安六铁路地表注浆加固检验批质量验收记录表04010101 □□□□新建安六铁路灰土挤密桩检验批质量验收记录表04010104 □□□□新建安六铁路洞内预注浆检验批质量验收记录表04010105 □□□□二)洞口及缓冲结构新建安六铁路洞口及缓冲结构工程开挖检验批质量验收记录表04010201 □□□□新建安六铁路洞口及缓冲结构工程模板检验批质量验收记录表04010202 □□□□新建安六铁路洞口及缓冲结构工程钢筋检验批质量验收记录表04010203□□口口洞口及缓冲结构工程混凝土原材料)检验批质量验收记录表I)04010204 □□□□洞口及缓冲结构工程混凝施工及养护检验批质量验收记录表)04010204 □□□□洞口及缓冲结构工程结凝外观和尺寸偏差批质量验收(记录表04010204 □□□□洞口及缓冲结构工程洞口防护检验批质量验收记录表04010205 □□□□三)洞身开挖新建安六铁路超前地质预报检验批质量验收记录表新建安六铁路洞身开挖检验批质量验收记录表新建安六铁路隧底开挖检验批质量验收记录表24新建安六铁路弃渣场防护检验批质量验收记录表四)支护新建安六铁路监控量测检验批质量验收记录表04010401 □□□□新建安六铁路 监控量测检验批质量验收记录表04010401□□□□ 新建安六铁路喷射混凝土(原材料)检验批质量验收记录表(I ) 04010402□□□□新建安六铁路喷射混凝土支护检验批质量验收记录表(n)04010402 □□□□锚杆检验批质量验收记录表04010403 □□□□钢筋网检验批质量验收记录表04010404 □□□□钢架检验批质量验收记录表04010405新建安六铁路管棚检验批质量验收记录表04010406 □□□□超前小导管检验批质量验收记录表04010407□□口口初期支护结构检验批质量验收记录表04010408□□口口五)衬砌新建安六铁路衬砌模板检验批质量验收记录表04010501 □□□□新建安六铁路衬砌模板检验批质量验收记录表衬砌钢筋检验批质量验收记录表04010502 □□□□衬砌混凝土(原材料)检验批质量验收记录表(I )04010503 □□□□04010503 □□□□04010503 □□□□衬砌混凝土(结构外观和尺寸偏差)检验批质量验收记录表mO04010503 □□□□回填注浆检验批质量验收记录表综合接地检验批质量验收记录表。
太白至凤县高速公路洞门端翼墙基础检查表合同段:TF-01 起讫桩号:K0+000-K31+155第页共页隧施1表太白至凤县高速公路明洞防水层施工检查表合同段:TF-01 起讫桩号: K0+000-K31+155第页共页隧施2表明洞回填检查表合同段:TF-01 起讫桩号: K0+000-K31+155第页共页隧施3表隧道超前钢管(锚杆)支护检查表合同段:TF-01 起讫桩号: K0+000-K31+155第页共页隧施4表洞身开挖围岩观测记录表合同段:TF-01起讫桩号: K0+000-K31+155第页共页隧施5表太白至凤县高速公路隧道中心排水管安设检查表合同段:TF-01 起讫桩号: K0+000-K31+155 第页共页隧施6表太白至凤县高速公路大管棚施工现场质量检查表合同段:TF-01 起讫桩号: K0+000-K31+155 第页共页隧施7表日超前小导管注浆现场质量检查表合同段:TF-01 起讫桩号: K0+000-K31+155 第页共页隧施8表洞身开挖检查记录表合同段:TF-01 起讫桩号: K0+000-K31+155 第页共页隧施9表钢拱支撑(格构梁)构件加工检查表合同段:TF-01 起讫桩号: K0+000-K31+155 第页共页隧施10表钢拱支撑(格构架)构件安装检查表合同段:TF-01 起讫桩号: K0+000-K31+155 第页共页隧施11表合同段:TF-01 起讫桩号: K0+000-K31+155 第页共页隧施12表合同段:TF-01 起讫桩号: K0+000-K31+155 第页共页隧施13表喷射混凝土支护检查表合同段:TF-01 起讫桩号: K0+000-K31+155 第页共页隧施14表隧道排水半管检查表合同段:TF-01 起讫桩号: K0+000-K31+155 第页共页隧施15表合同段:TF-01 起讫桩号: K0+000-K31+155 第页共页隧施16表合同段:TF-01 起讫桩号: K0+000-K31+155 第页共页隧施17表防水层施工检查表合同段:TF-01 起讫桩号: K0+000-K31+155第页共页隧施18表排水管安设检查表合同段:TF-01 起讫桩号: K0+000-K31+155 第页共页隧施19表检修道、电缆沟检查表合同段:TF-01 起讫桩号:K0+000-K31+155 第页共页隧施20表模筑混凝土模板检查表合同段:TF-01 起讫桩号: K0+000-K31+155 第页共页隧施21表隧道衬砌钢筋检查表合同段:TF-01 起讫桩号: K0+000-K31+155第页共页隧施22表隧道止水带(止水材)检查表合同段:TF-01 起讫桩号: K0+000-K31+155 第页共页隧施23表(明洞)混凝土衬砌检查表合同段: A-CD xx 起讫桩号: K0+000-K31+155第页共页隧施24表合同段:TF-01 起讫桩号: K0+000-K31+155 第页共页隧施25表合同段:TF-01 起讫桩号: K0+000-K31+155第页共页隧施26表路面钢筋混凝土排水沟检查表合同段: TF-01 起讫桩号: K0+000-K31+155 第页共页隧施27表隧道总体检查记录表合同段:TF-01 起讫桩号: K0+000-K31+155第页共页隧施28表。
隧道总体质量检验表施工单位:福建路桥建设有限公司合同号:HRTJ—07 监理单位:湖北高路公路工程监理咨询有限公司编号:ZJ-227—隧道总体检查记录表施工单位:福建路桥建设有限公司合同号:HRTJ-07监理单位:湖北高路公路工程监理咨询有限公司编号:ZJ—228—□□—□□□□□□□—□施工负责人:林君喜日期: 2010.11.20 质检工程师: 贾贵伟日期:2010.11.20明洞浇筑质量检验表施工单位:福建路桥建设有限公司合同号:HRTJ-07监理单位:湖北高路公路工程监理咨询有限公司编号:ZJ—229-施工单位:福建路桥建设有限公司合同号:HRTJ—07监理单位:湖北高路公路工程监理咨询有限公司编号:ZJ-230—□□—□□□□□□□—□□施工单位:福建路桥建设有限公司合同号:HRTJ—07施工单位:福建路桥建设有限公司合同号:HRTJ—07隧道洞身喷射混凝土支护质量检验表施工单位:福建路桥建设有限公司合同号:HRTJ—07 监理单位:湖北高路公路工程监理咨询有限公司编号:ZJ-234-隧道洞身喷射混凝土支护施工记录表施工单位:福建路桥建设有限公司合同号:HRTJ-07监理单位:湖北高路公路工程监理咨询有限公司编号:ZJ-235—□□—□□□□□□□-□□2009。
8。
52009。
8.5锚杆支护交验单施工单位:福建路桥建设有限公司合同号:HRTJ—07监理单位:湖北高路公路工程监理咨询有限公司编号:ZJ—236—□□-□□□□□□□—(超前)锚杆、导管钻孔施工记录表施工单位:福建路桥建设有限公司合同号:HRTJ—07记录人:吴文胜日期: 2009。
9.28 质检工程师:贾贵伟日期:2009.9。
28 (超前)锚杆、导管注浆施工记录表施工单位:福建路桥建设有限公司合同号:HRTJ-07监理单位:湖北高路公路工程监理咨询有限公司编号:ZJ—238—□□-□□□□□□□—□28中空锚杆注浆施工记录表施工单位:福建路桥建设有限公司合同号:HRTJ—07 监理单位:湖北高路公路工程监理咨询有限公司编号:ZJ-239-13钢筋网支护交验单施工单位:福建路桥建设有限公司合同号:HRTJ—0714施工单位:福建路桥建设有限公司合同号:HRTJ-07监理单位:湖北高路公路工程监理咨询有限公司编号:ZJ—241—□□-□□□□□□□-□隧道仰拱回填质量检验表施工单位:福建路桥建设有限公司合同号:HRTJ—0715监理单位:湖北高路公路工程监理咨询有限公司编号:ZJ-241-1—□□-□□□□□□□-□□混凝土衬砌质量检验表施工单位:福建路桥建设有限公司合同号:HRTJ—07监理单位:湖北高路公路工程监理咨询有限公司编号:ZJ—242—□□—□□□□□□□-□□16施工单位:福建路桥建设有限公司合同号:HRTJ—07监理单位:湖北高路公路工程监理咨询有限公司编号:ZJ—243—□□—□□□□□□□—□1718钢支撑支护交验单施工单位:福建路桥建设有限公司合同号:HRTJ—07监理单位:湖北高路公路工程监理咨询有限公司编号:ZJ—244-□□—□□□□□□□19施工单位:福建路桥建设有限公司合同号:HRTJ-07监理单位:湖北高路公路工程监理咨询有限公司编号:ZJ—245-□□—□□□□□□20施工单位:福建路桥建设有限公司合同号:HRTJ—07监理单位:湖北高路公路工程监理咨询有限公司编号:ZJ—246—□□—□□□□□□□-□隧道防水层质量检验表施工单位:福建路桥建设有限公司合同号:HRTJ-07监理单位:湖北高路公路工程监理咨询有限公司编号:ZJ-247—□□-□□□□□□□—预注浆堵水交验单施工单位:福建路桥建设有限公司合同号:HRTJ—07监理单位:湖北高路公路工程监理咨询有限公司编号:ZJ-248—□□—□□□□□□□—隧道止水带(条)安装质量检验表施工单位:福建路桥建设有限公司合同号:HRTJ-07施工单位:福建路桥建设有限公司合同号:HRTJ—07监理单位:湖北高路公路工程监理咨询有限公司编号:ZJ—250—□□-□□□□□□□—□□施工单位:福建路桥建设有限公司合同号:HRTJ—07监理单位:湖北高路公路工程监理咨询有限公司编号:ZJ—250—1—□□—□□□□□□□施工单位:福建路桥建设有限公司合同号:HRTJ—07监理单位:湖北高路公路工程监理咨询有限公司编号:ZJ—250—2—□□—□□□□□□□-施工单位:福建路桥建设有限公司合同号:HRTJ—07施工单位:福建路桥建设有限公司合同号:HRTJ—07监理单位:湖北高路公路工程监理咨询有限公司编号:ZJ—251-□□—□□□□□□□-□□施工单位:福建路桥建设有限公司合同号:HRTJ—07监理单位:湖北高路公路工程监理咨询有限公司编号:ZJ—251—□□-□□□□□□□—□□隧道洞内盲沟(管)工程质量检验表施工单位:福建路桥建设有限公司合同号:HRTJ—07监理单位:湖北高路公路工程监理咨询有限公司编号:ZJ-251—□□—□□□□□□□—□□超前锚杆(钢管、小导管)质量交验单施工单位:福建路桥建设有限公司合同号:HRTJ-07 监理单位:湖北高路公路工程监理咨询有限公司编号:ZJ-252-超前锚杆(钢管、小导管)施工记录表施工单位:福建路桥建设有限公司合同号:HRTJ—07监理单位: 湖北高路公路工程监理咨询有限公司编号:ZJ—253-□□-□□□□□□□-□长管棚质量交验单施工单位:福建路桥建设有限公司合同号:HRTJ—07 监理单位:湖北高路公路工程监理咨询有限公司编号:ZJ—254—长管棚施工记录表施工单位:福建路桥建设有限公司合同号:HRTJ—07记录人: 吴文胜日期: 09.9.30 质检工程师:贾贵伟日期:09.9.30长管棚注浆施工记录表施工单位:福建路桥建设有限公司合同号:HRTJ—07监理单位:湖北高路公路工程监理咨询有限公司编号:ZJ—256—□□—□□□□□□□—□记录人: 吴文胜日期: 09.9.30 质检工程师:贾贵伟日期:09.9.30洞口开挖交验单施工单位:福建路桥建设有限公司合同号:HRTJ—07监理单位:湖北高路公路工程监理咨询有限公司编号:ZJ-257—□□—□□□□□□□—□施工单位:福建路桥建设有限公司合同号:HRTJ—07隧道构造物基底交验单施工单位:福建路桥建设有限公司合同号:HRTJ-07 监理单位:湖北高路公路工程监理咨询有限公司编号:ZJ—259—施工单位:福建路桥建设有限公司合同号:HRTJ—07 监理单位:湖北高路公路工程监理咨询有限公司编号:ZJ—260—隧道预埋构件安装质量检验表施工单位:福建路桥建设有限公司合同号:HRTJ-07监理单位:湖北高路公路工程监理咨询有限公司编号:ZJ—261—□□—□□□□□□□-□□隧道消防工程质量检验表施工单位:福建路桥建设有限公司合同号:HRTJ-07营运通风风机安装质量检验表施工单位:福建路桥建设有限公司合同号:HRTJ—07监理单位:湖北高路公路工程监理咨询有限公司编号:ZJ—264—施工单位:福建路桥建设有限公司合同号:HRTJ-07隧道施工中围岩级别判定记录表施工单位:福建路桥建设有限公司合同号:HRTJ—07监理单位:湖北高路公路工程监理咨询有限公司编号:ZJ—270—□□—□□□□□□□-□隧道断面地质情况记录表施工单位:福建路桥建设有限公司合同号:HRTJ—07隧道洞身开挖测量记录表施工单位:福建路桥建设有限公司合同号:HRTJ—07基坑质量交验单施工单位:福建路桥建设有限公司合同号:HRJT—07钢筋检查记录表施工单位:福建路桥建设有限公司合同号:HRJT-07监理单位:湖北高路公路工程监理咨询有限公司编号:ZJ—075—□□—□□□□□□□—□□检验:林国日期:2010.5。
靖边~安塞高速公路(榆林段)隧道洞身喷射混凝土检查表------------------------------------------------------------------------------------------装订线------------------------------------------------------------------------美文欣赏1、走过春的田野,趟过夏的激流,来到秋天就是安静祥和的世界。
秋天,虽没有玫瑰的芳香,却有秋菊的淡雅,没有繁花似锦,却有硕果累累。
秋天,没有夏日的激情,却有浪漫的温情,没有春的奔放,却有收获的喜悦。
清风落叶舞秋韵,枝头硕果醉秋容。
秋天是甘美的酒,秋天是壮丽的诗,秋天是动人的歌。
2、人的一生就是一个储蓄的过程,在奋斗的时候储存了希望;在耕耘的时候储存了一粒种子;在旅行的时候储存了风景;在微笑的时候储存了快乐。
聪明的人善于储蓄,在漫长而短暂的人生旅途中,学会储蓄每一个闪光的瞬间,然后用它们酿成一杯美好的回忆,在四季的变幻与交替之间,散发浓香,珍藏一生!3、春天来了,我要把心灵放回萦绕柔肠的远方。
让心灵长出北归大雁的翅膀,乘着吹动彩云的熏风,捧着湿润江南的霡霂,唱着荡漾晨舟的渔歌,沾着充盈夜窗的芬芳,回到久别的家乡。
我翻开解冻的泥土,挖出埋藏在这里的梦,让她沐浴灿烂的阳光,期待她慢慢长出枝蔓,结下向往已久的真爱的果实。
4、好好享受生活吧,每个人都是幸福的。
人生山一程,水一程,轻握一份懂得,将牵挂折叠,将幸福尽收,带着明媚,温暖前行,只要心是温润的,再遥远的路也会走的安然,回眸处,愿阳光时时明媚,愿生活处处晴好。
5、漂然月色,时光随风远逝,悄然又到雨季,花,依旧美;心,依旧静。
月的柔情,夜懂;心的清澈,雨懂;你的深情,我懂。
人生没有绝美,曾经习惯漂浮的你我,曾几何时,向往一种平实的安定,风雨共度,淡然在心,凡尘远路,彼此守护着心的旅程。
高速公路隧道工程表格填写-精品2020-12-12【关键字】监控、支撑、基础、工程洞门端翼墙基础检查表国家高速公路十堰至天水联络线陕西境安康—汉中公路明洞防水层施工检查表合同段:H-CXX 桩号:K 247 + 125 ~K 249 + 209 隧02表国家高速公路十堰至天水联络线陕西境安康—汉中公路明洞回填检查表国家高速公路十堰至天水联络线陕西境安康—汉中公路隧道超前钢管(锚杆)支护检查表国家高速公路十堰至天水联络线陕西境安康—汉中公路洞身开挖围岩观测记录表国家高速公路十堰至天水联络线陕西境安康—汉中公路洞身开挖检查记录表国家高速公路十堰至天水联络线陕西境安康—汉中公路钢拱支撑(格构梁)构件加工检查表国家高速公路十堰至天水联络线陕西境安康—汉中公路钢拱支撑(格构架)构件安装检查表国家高速公路十堰至天水联络线陕西境安康—汉中公路锚杆支护检查表国家高速公路十堰至天水联络线陕西境安康—汉中公路钢筋网支护检查表喷射混凝土支护检查表国家高速公路十堰至天水联络线陕西境安康—汉中公路排水半管检查表国家高速公路十堰至天水联络线陕西境安康—汉中公路仰拱(隧底)检查表国家高速公路十堰至天水联络线陕西境安康—汉中公路防水层施工检查表国家高速公路十堰至天水联络线陕西境安康—汉中公路排水管安设检查表国家高速公路十堰至天水联络线陕西境安康—汉中公路检修道、电缆沟检查表国家高速公路十堰至天水联络线陕西境安康—汉中公路模筑混凝土模板检查表国家高速公路十堰至天水联络线陕西境安康—汉中公路隧道衬砌钢筋检查表国家高速公路十堰至天水联络线陕西境安康—汉中公路隧道止水带(止水材)检查表国家高速公路十堰至天水联络线陕西境安康—汉中公路(明洞)混凝土衬砌检查表国家高速公路十堰至天水联络线陕西境安康—汉中公路现场监控量测(周边收敛)检查表21word版本可编辑.欢迎下载支持.国家高速公路十堰至天水联络线陕西境安康—汉中公路现场监控量测(沉降观测)记录表22word版本可编辑.欢迎下载支持.23word版本可编辑.欢迎下载支持.文档从网络中收集,已重新整理排版.word版本可编辑.欢迎下载支持.国家高速公路十堰至天水联络线陕西境安康—汉中公路隧道总体检查记录表24word版本可编辑.欢迎下载支持.。
中间检验申请批复单
承包单位:成都华川公路建设集团有限公司合同号: LJ7
监理单位:四川公路工程咨询监理公司编号:
监表8
工程项目
工程地点及桩号
具体部位混凝土浇筑
检验内容构造尺寸、基础埋深、墙面坡度等
要求到现场检验时间
年月日时
承包人递交时间和签名
年月日
监理员收到时间和签名
年月日
监理员意见:
签名:年月日
专业监理工程师自检质量证明附件
签名年月日1:洞门砌筑质量检验单
2:模板安装质量检验单
3:混凝土浇筑申请报告单
4:混凝土施工检查记录表
5:水准测量记录表
6:全站仪平面位置检测表
7:混凝土抗压强度试验报告单
承包人收到日期和签名年月日
洞门砌筑质量检验单
承包单位:成都华川公路建设集团有限公司合同号: LJ7
监理单位:四川公路工程咨询监理公司编号:
隧道检表18
工程名称施工日期年月日桩号及工程部位检验日期年月日
基本要求1、砼表面平整、均匀、密实,无蜂窝麻面;砌石材料无水锈,砂浆饱满,砌缝横平竖直,表面平整。
2、洞门轮廓线直顺清晰美观。
3、泄水孔泄水良好伸缩缝沉降缝位置适当墙背回填密实。
4、开挖坡面防护良好,无水流冲刷现象。
5、排水系统通畅,沟槽无堵塞淤积现象。
检查项目
规定值或
允许偏差
实测值或偏差值检查方法及频率
构造尺寸
(mm) 水平距离+100 , -20
用尺量3-7点高差+50 , -10
基础埋深
(mm) 石质基底+50 , -100
施工记录不少于7点用水准仪测量土质基底+50 , -0
墙身断面
厚度
(mm)
砼+20 , -0
尺量不少于7点砌石+40 , -0
垂直
度
(mm)
高度<5M ≯10
尺量不少于7点高度≥5M ≯15
表面
平整
度
(mm)
砼≯5
用2米直尺量不少于7点砌石≯10
墙面坡度
不陡于设计
(≦1:0.15)
用2米直尺量不少于7点
备注:
监理员意见:
专业监理工程师:
模板安装质量检验单
承包单位:成都华川公路建设集团有限公司合同号: LJ7
监理单位:四川公路工程咨询监理公司编号:
隧道检表28
工程名称施工日期年月日桩号及工程部位检验日期年月日
基本要求1、模内无杂物,稳定可靠。
2、各种预埋管件位置准确稳固。
3、模板间及模板与已成构筑物间接缝密合。
检查项目
规定值或
允许偏差
实测值或偏差值检查方法及频率
相临两板表面
高差
(mm) 钢模
2 每次立模用尺量木模
3 每次立模用尺量
表面平整度 (mm) 3 每次立模用尺量轴线偏位 (mm) 7 每次立模用尺量
模内长宽尺寸
(mm) 左 5 每次量测用尺量右 5 每次量测用尺量
预埋件位置 (mm) 10 每次立模用尺量备注:
监理员意见:
专业监理工程师:
混凝土浇筑申请报告单
承包单位:成都华川公路建设集团有限公司合同号: LJ7 监理单位:四川公路工程咨询监理公司编号:
监表16工程名称施工日期年月日桩号部位检验日期年月日申请浇筑日期年月日预计浇筑时间时分至时分材料名称存放地点或料场编号检测报告单编号材料来源水泥拌和站四川南威水泥
骨料
拌和站桥亭乡谭家坝砂石场
拌和站桥亭乡谭家坝砂石场砂拌和站桥亭乡谭家坝砂石场掺加剂
支架、模板
脱模剂
机具设备名称及数量罐车4辆,吊车1台,振动棒1台
主要技工数量8人
混凝土配合比
报审表
编号水
灰
比
每m3混凝土中各项材料用量(Kg)
水
泥
砂
卵石
或
碎石
水
掺加
剂
坍落度
(cm)
单位体
积重量
(Kg/m3)
抗压强度
龄期
(天)
强度
(Mpa)
YZ-LJ7-022-020.66 325 757 1134 214 / 10-14 2430 28 30.2 施工配合比
现场施工技术人员意见:
日期:年月日监理员检查意见:
日期:年月日
质检负责人意见:
日期:年月日材料试验专业监理工程师检查意见:
日期:年月日
四川省桃园(川陕界)至巴中高速公路工程项目
混凝土施工检查记录表
承包单位:成都华川公路建设集团有限公司合同号: LJ7
监理单位:四川公路工程咨询监理公司编号:
路基记录表 22 工程名称浇筑开始时间年月日时分桩号及工程部位浇筑完成日期年月日时分检查项目检查情况记录备注混凝土标号C15
混凝土来源拌和站
混凝土配合比水泥:砂:碎石:水=304:769:1152:216
混凝土施工配合比水泥:砂:碎石:水=
混凝土水泥用量(kg/m3) 325
混凝土水灰比0.66
材料情况
水泥四川南威水泥
砂桥亭乡谭家坝砂石场
石桥亭乡谭家坝砂石场
水桥亭乡谭家坝砂石场
掺合料/
外加剂/
实测坍落度(mm)
拌和方式机械拌合
振捣方式振动棒
运输方式罐车
施工间断记录无间断
天气情况气温(°C) 最高最低
试件编号
备注:
监理员:。