波形护栏质量检验评定表、报告单
- 格式:docx
- 大小:111.05 KB
- 文档页数:25
波形梁护栏现场质量检验报告单报告编号:XXXXXX检验日期:XXXX年XX月XX日一、检验目的:本次检验旨在对现场施工的波形梁护栏进行质量检验,确保其符合设计要求和安全标准,并提供可靠的保护措施。
二、检验对象:波形梁护栏三、检验依据:1.《公路护栏技术规范》(JTT/T 281-2007)2.《公路工程建设质量验收规范》(JGJ/T 137-2017)3.设计图纸和施工方案四、检验内容:1. 材料检验:(1)波形梁护栏钢材检验报告(2)护栏标牌材料检验报告2. 钢材焊接检验:(1)焊缝外观质量检验(2)焊缝强度试验3. 安装质量检验:(1)基础安装平整度检验(2)立柱安装与固定检验(3)连接件固定质量检验(4)护栏间隙检验五、检验结果:1. 材料检验结果:(1)波形梁护栏钢材:经检验,符合设计要求,合格。
(2)护栏标牌材料:经检验,符合设计要求,合格。
2. 钢材焊接检验结果:(1)焊缝外观质量:焊缝整体均匀,无明显瑕疵,符合要求,合格。
(2)焊缝强度试验:试验结果显示焊缝强度合格。
3. 安装质量检验结果:(1)基础安装平整度:经检验,基础平整度符合要求,合格。
(2)立柱安装与固定:经检验,立柱安装稳固,固定牢固,合格。
(3)连接件固定质量:经检验,连接件固定良好,合格。
(4)护栏间隙:经检验,护栏间隙符合要求,合格。
六、质量问题及处理建议:在本次的检验过程中,未发现任何质量问题,所有检验结果均符合设计要求和相关标准要求,无需进行任何处理。
七、检验单位意见:本次波形梁护栏质量检验过程中,严格按照相关标准进行检验,所得结果真实可靠,检验单位对检验结果负责,并建议施工单位继续保持良好的施工质量。
八、项目负责人意见:本次波形梁护栏现场质量检验结果良好,所有项目均符合要求,无需进行任何处理。
感谢检验单位的支持与合作。
以上为波形梁护栏现场质量检验报告单,希望对相关部门和施工方有所帮助。
如果有任何疑问或需要进一步了解,请联系质量检验单位。
波形梁护栏工程现场质量检验报告单一、检验时间和地点检验时间:2021年X月X日检验地点:XXX工程现场二、检验项目1. 施工单位资质证件的合规性检验2. 波形梁护栏材料的质量检验3. 波形梁护栏的安装质量检验4. 波形梁护栏的耐久性检验三、检验结果1. 施工单位资质证件的合规性检验结果经核查,施工单位提供的资质证件齐全且有效,符合相关法规和标准要求。
2. 波形梁护栏材料的质量检验结果通过对波形梁护栏材料进行抽样检验,检测结果表明材料的质量良好,符合国家标准要求。
材料的防腐性能、强度和表面平整度等方面均符合要求。
3. 波形梁护栏的安装质量检验结果根据现场实际情况和相关标准要求,对波形梁护栏的安装质量进行了全面检验。
经过测量和观察,所有的护栏均牢固安装,无损伤和变形现象。
连接件的紧固度符合要求,未发现松动现象。
4. 波形梁护栏的耐久性检验结果为了评估波形梁护栏的耐久性能,进行了经济有效的测试。
根据测试结果,波形梁护栏具有良好的耐候性和耐腐蚀性,能够在长期使用中保持较好的性能。
四、检验结论根据以上检查结果,结合设计要求和标准规范,对波形梁护栏工程现场质量进行综合评估:1. 施工单位的资质证件齐全且有效,满足相关法规和标准要求。
2. 波形梁护栏材料的质量良好,满足国家标准要求。
3. 波形梁护栏的安装质量达到标准要求,牢固可靠。
4. 波形梁护栏具有良好的耐久性能。
综上所述,波形梁护栏工程现场质量检验结果合格。
五、存在的问题和建议在现场检验过程中,没有发现明显的质量问题。
然而,为了进一步提高工程质量和安全性,我们提出以下建议:1. 施工单位应加强对施工人员的培训,确保其熟练掌握安装操作规程和相关技术要点。
2. 定期对波形梁护栏进行维护和保养,确保其长期稳定性和良好外观。
3. 施工单位应建立有效的质量控制体系,定期进行自检和互检,及时纠正发现的问题。
六、检验单位意见本次检验报告基于对波形梁护栏工程现场质量的实地检查和相关测试,结果准确可靠。
****高速公路工程波形梁钢护栏现场质量检验报告单检验表246施工单位:(施工单位全称)施工标段:**标(合同段)监理单位:(监理单位全称)编号:承包人技术负责人:某XX日期::****年**月**日XX大学生实习报告总结3000字社会实践只是一种磨练的过程。
对于结果,我们应该有这样的胸襟:不以成败论英雄,不一定非要用成功来作为自己的目标和要求。
人生需要设计,但是这种设计不是凭空出来的,是需要成本的,失败就是一种成本,有了成本的投入,就预示着的人生的收获即将开始。
小草用绿色证明自己,鸟儿用歌声证明自己,我们要用行动证明自己。
打一份工,为以后的成功奠基吧!在现今社会,招聘会上的大字板都总写着“有经验者优先”,可是还在校园里面的我们这班学子社会经验又会拥有多少呢?为了拓展自身的知识面,扩大与社会的接触面,增加个人在社会竞争中的经验,锻炼和提高自己的能力,以便在以后毕业后能真正的走向社会,并且能够在生活和工作中很好地处理各方面的问题记得老师曾说过学校是一个小社会,但我总觉得校园里总少不了那份纯真,那份真诚,尽管是大学高校,学生还终归保持着学生身份。
而走进企业,接触各种各样的客户、同事、上司等等,关系复杂,但你得去面对你从没面对过的一切。
记得在我校举行的招聘会上所反映出来的其中一个问题是,学生的实际操作能力与在校的理论学习有一定的差距。
在这次实践中,这一点我感受很深。
在学校,理论学习的很多,而且是多方面的,几乎是面面俱到的,而实际工作中,可能会遇到书本上没学到的,又可能是书本上的知识一点都用不上的情况。
或许工作中运用到的只是简单的问题,只要套公式就能完成一项任务,有时候你会埋怨,实际操作这么简单,但为什么书本上的知识让人学的那么吃力呢?两耳不闻窗外事,一心只读圣贤书“只是古代读书人的美好意愿,它已经不符合现代大学生的追求,如今的大学生身在校园,心儿却更加开阔,他们希望自己尽可能早地接触社会,更早地融入丰富多彩的生活。
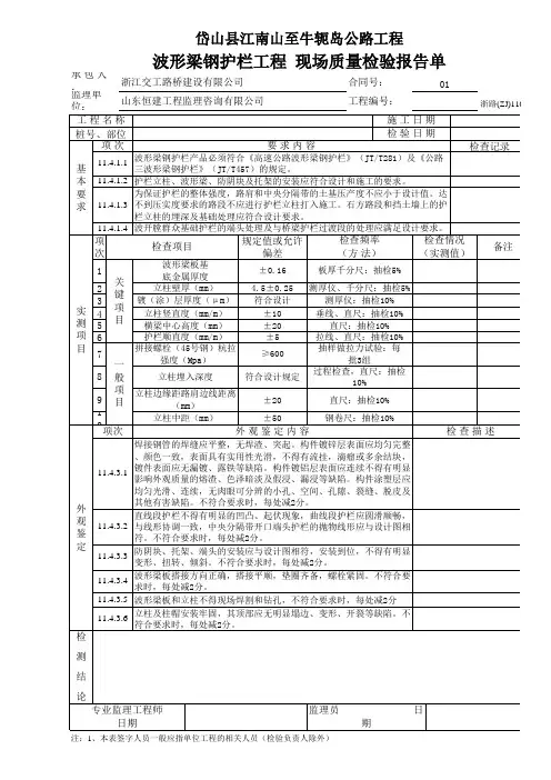
富顺县福善镇黑竹坝渡改桥新建工程分项工程质量检验评定表名称:波形护栏所属分部工程名称:富顺县福善镇黑竹坝渡改桥新建工程所属建设项目:附属工:黑竹坝桥承包单位:四川万通路桥建筑安装有限公司监理单位:四川省华建有限公司(桩号、墩台号、孔号)表11.4.2波形粱钢护栏产品应符合《高速公路波形粱钢护栏》(JT/T281)及《公路三波形梁钢护栏》(JT/T457)的规定。
2)护栏立柱、波形粱、防阻块及托架的安装应求。
3)为保证护栏的整体强度,路肩和中央分隔带的土基压实度不应小于设计值。
达不到压实度要求的路段不应进行护栏立柱打入施工。
石方路段和挡土深及基础处理应符合设计要求。
4)波形梁护栏的端头处理及与桥梁护栏过渡段的处理应满足设计要求。
检查项目规定值或允许偏差实测值或实测偏差值质量评1 2 3 4 5 6 7 8 9 10平均值代表值合格率(%)波形梁板基底金属厚度(mm)±0.16 √√√√√√√√√√100立柱壁厚(mm) 4.5±0.25 4.4 4.3 4.5 4.2 4.4 4.3 4.4 4.4 4.3 4.2 4.34 80镀(涂)层厚度(um)符合设计√√√√x√√√√√9 90拼接螺栓(45号钢)抗拉强度(Mpa)≥600立柱埋入深度符合设计规定√√x√√√√x√√8 80立柱外边缘距路肩边线距离(mm)±20 12 13 0 -12 3 14 12 -16 -9 8 2.4 100立柱中距(mm)±50 -12 -16 -21 -3 9 21 17 -32 12 23 0.7 100立柱竖直度(mm)±10 8 5 3 9 2 -3 -8 -3 11 7 3.4 90横梁中心高度(mm)±20 -12 23 14 -3 -19 -16 0 7 4 16 1.7 90护栏顺直度(mm/m)±5 4 -3 2 3 0 -5 -3 0 6 -2 0.4 90 合计85外观鉴定竖向平整度较差减分 1监理意见质量保证资料齐全减分0工程质量等级评定合格评分:84质量等级:合格检验负责人:检测:记录:复核:年月日富顺县福善镇黑竹坝渡改桥新建工程分项工程质量检验报告单:富顺县福善镇黑竹坝渡改桥桩号及部位:波形护栏合同段:施工日期::四川万通路桥建筑安装有限监理单位:四川省华建项目管理有限公司公路等级:检测日期:(桩号、墩台号、孔号)基本要求1)波形粱钢护栏产品应符合《高速公路波形粱钢护栏》(JT/T281)及《公路三波形梁钢护栏》(JT/T457)的规定。
****高速公路工程波形梁钢护栏现场质量检验报告单检验表246施工单位:(施工单位全称)施工标段:**标(合同段)监理单位:(监理单位全称)编号:承包人技术负责人:某XX日期::****年**月**日XX大学生实习报告总结3000字社会实践只是一种磨练的过程。
对于结果,我们应该有这样的胸襟:不以成败论英雄,不一定非要用成功来作为自己的目标和要求。
人生需要设计,但是这种设计不是凭空出来的,是需要成本的,失败就是一种成本,有了成本的投入,就预示着的人生的收获即将开始。
小草用绿色证明自己,鸟儿用歌声证明自己,我们要用行动证明自己。
打一份工,为以后的成功奠基吧!在现今社会,招聘会上的大字板都总写着“有经验者优先”,可是还在校园里面的我们这班学子社会经验又会拥有多少呢?为了拓展自身的知识面,扩大与社会的接触面,增加个人在社会竞争中的经验,锻炼和提高自己的能力,以便在以后毕业后能真正的走向社会,并且能够在生活和工作中很好地处理各方面的问题记得老师曾说过学校是一个小社会,但我总觉得校园里总少不了那份纯真,那份真诚,尽管是大学高校,学生还终归保持着学生身份。
而走进企业,接触各种各样的客户、同事、上司等等,关系复杂,但你得去面对你从没面对过的一切。
记得在我校举行的招聘会上所反映出来的其中一个问题是,学生的实际操作能力与在校的理论学习有一定的差距。
在这次实践中,这一点我感受很深。
在学校,理论学习的很多,而且是多方面的,几乎是面面俱到的,而实际工作中,可能会遇到书本上没学到的,又可能是书本上的知识一点都用不上的情况。
或许工作中运用到的只是简单的问题,只要套公式就能完成一项任务,有时候你会埋怨,实际操作这么简单,但为什么书本上的知识让人学的那么吃力呢?两耳不闻窗外事,一心只读圣贤书“只是古代读书人的美好意愿,它已经不符合现代大学生的追求,如今的大学生身在校园,心儿却更加开阔,他们希望自己尽可能早地接触社会,更早地融入丰富多彩的生活。
富顺县福善镇黑竹坝渡改桥新建工程分项工程质量检验评定表名称:波形护栏所属分部工程名称:富顺县福善镇黑竹坝渡改桥新建工程所属建设项目:附属工:黑竹坝桥承包单位:四川万通路桥建筑安装有限公司监理单位:四川省华建有限公司(桩号、墩台号、孔号)表11.4.2波形粱钢护栏产品应符合《高速公路波形粱钢护栏》(JT/T281)及《公路三波形梁钢护栏》(JT/T457)的规定。
2)护栏立柱、波形粱、防阻块及托架的安装应求。
3)为保证护栏的整体强度,路肩和中央分隔带的土基压实度不应小于设计值。
达不到压实度要求的路段不应进行护栏立柱打入施工。
石方路段和挡土深及基础处理应符合设计要求。
4)波形梁护栏的端头处理及与桥梁护栏过渡段的处理应满足设计要求。
检查项目规定值或允许偏差实测值或实测偏差值质量评1 2 3 4 5 6 7 8 9 10平均值代表值合格率(%)波形梁板基底金属厚度(mm)±0.16 √√√√√√√√√√100立柱壁厚(mm) 4.5±0.25 4.4 4.3 4.5 4.2 4.4 4.3 4.4 4.4 4.3 4.2 4.34 80镀(涂)层厚度(um)符合设计√√√√x√√√√√9 90拼接螺栓(45号钢)抗拉强度(Mpa)≥600立柱埋入深度符合设计规定√√x√√√√x√√8 80立柱外边缘距路肩边线距离(mm)±20 12 13 0 -12 3 14 12 -16 -9 8 2.4 100立柱中距(mm)±50 -12 -16 -21 -3 9 21 17 -32 12 23 0.7 100立柱竖直度(mm)±10 8 5 3 9 2 -3 -8 -3 11 7 3.4 90横梁中心高度(mm)±20 -12 23 14 -3 -19 -16 0 7 4 16 1.7 90护栏顺直度(mm/m)±5 4 -3 2 3 0 -5 -3 0 6 -2 0.4 90 合计85外观鉴定竖向平整度较差减分 1监理意见质量保证资料齐全减分0工程质量等级评定合格评分:84质量等级:合格检验负责人:检测:记录:复核:年月日富顺县福善镇黑竹坝渡改桥新建工程分项工程质量检验报告单:富顺县福善镇黑竹坝渡改桥桩号及部位:波形护栏合同段:施工日期::四川万通路桥建筑安装有限监理单位:四川省华建项目管理有限公司公路等级:检测日期:(桩号、墩台号、孔号)基本要求1)波形粱钢护栏产品应符合《高速公路波形粱钢护栏》(JT/T281)及《公路三波形梁钢护栏》(JT/T457)的规定。
2)护栏立柱、求。
3)为保证护栏的整体强度,路肩和中央分隔带的土基压实度不应小于设计值。
达不到压实度要求的路段不应进行护栏立及基础处理应符合设计要求。
4)波形梁护栏的端头处理及与桥梁护栏过渡段的处理应满足设计要求。
项次检查项目规定值或允许偏差1 21△波形梁板基底金属厚度(mm)±0.16 √√2△立柱壁厚(mm) 4.5±0.25 4.4 4.33△镀(涂)层厚度(um)符合设计√√4 拼接螺栓(45号钢)抗拉强度(Mpa)≥6005 立柱埋入深度符合设计规定√√6 立柱外边缘距路肩边线距离(mm)±20 12 137 立柱中距(mm)±50 -12 -168△立柱竖直度(mm)±10 8 59△横梁中心高度(mm)±20 -12 2310△护栏顺直度(mm/m)±5 4 -3外观鉴定竖向平整度较差监理意见自检意见合格检测:复核:施工主管:质检负责人:项目技术负责人:年月日富顺县福善镇黑竹坝渡改桥新建工程大体积混凝土结构质量检验报告单:富顺县福善镇黑竹坝渡改桥桩号及部位:0#、4#桥台基础合同段:施工日期::四川万通路桥建筑安装有限监理单位:四川省华建项目管理有限公司公路等级:检测日期:(桩号、墩台号、孔号)基本要求1)所用的水泥、砂、石、水、外掺剂及混合材料的质量和规定必须符合有关规范的要求。
2)材料配合比应满足大体积混凝土施工的要求,按规定的配合比施工。
3)必须采取施控制水化热引起的混凝土内最高温度及内外温差在允许的范围内,防止出现温度裂缝。
项次检查项目规定值或允许偏差1 21△混凝土强度(MPa)在合格标准内√√2轴线偏位(mm)20223断面尺寸(mm)±30-18-154结构高度(mm)±305115顶面高程(mm)±2011156大面积平整度(mm)843外观鉴定竖向平整度较差监理意见自检意见合格检测:复核:施工主管:质检负责人:项目技术负责人:年月日大体积混凝土结构质量检验报告单:富顺县福善镇黑竹坝渡改桥桩号及部位:1#、2#、3#桥台基础合同段:施工日期::四川万通路桥建筑安装有限监理单位:四川省华建项目管理有限公司公路等级:检测日期:(桩号、墩台号、孔号)基本要求1)所用的水泥、砂、石、水、外掺剂及混合材料的质量和规定必须符合有关规范的要求。
2)材料配合比应满足大体积混凝土施工的要求,按规定的配合比施工。
3)必须采取施控制水化热引起的混凝土内最高温度及内外温差在允许的范围内,防止出现温度裂缝。
项次检查项目规定值或允许偏差1 2 1△混凝土强度(MPa)在合格标准内√√2轴线偏位(mm)2022 3断面尺寸(mm)±30-18-15 4结构高度(mm)±305125顶面高程(mm)±2011106大面积平整度(mm)843外观鉴定竖向平整度较差监理意见自检意见合格检测:复核:施工主管:质检负责人:项目技术负责人:年月日大体积混凝土结构质量检验评定表名称:所属分部工程名称:基础及下部结构所属建设项目:富顺县福善镇黑熊山渡改:熊山桥1#桥台基础承包单位:四川万通路桥建筑安装有限公司监理单位:四川省华建项目管司(桩号、墩台号、孔号)表11.4.2所用的水泥、砂、石、水、外掺剂及混合材料的质量和规定必须符合有关规范的要求。
材料配合比应满足大体积混凝土施工的要求,按规定的配合比施工。
必须采取施控制水化热引起的混凝土内最高温度及内外温差在允许的范围内,防止出现温度裂缝。
检查项目规定值或允许偏差实测值或实测偏差值质量评1 2 3 4 5 6 7 8 9 10平均值代表值合格率(%)混凝土强度(MPa)在合格标准内√√√√√√√√√√100 轴线偏位(mm)2025421136822499.480 断面尺寸(mm)±30-18-15-8112315-11103121 5.9 90 结构高度(mm)±305123431-563-7-4 4.8 90 顶面高程(mm)±201110-51321-85-1221147.0 80 大面积平整度(mm)84327433634 3.0 100合计91.0外观鉴定竖向平整度较差减分 1监理意见质量保证资料齐全减分0工程质量等级评定合格评分:90质量等级:合格检验负责人:检测:记录:复核:年月日富顺县福善镇熊山村渡改人行桥工程大体积混凝土结构质量检验评定表名称:所属分部工程名称:基础及下部结构所属建设项目:富顺县福善镇熊山村渡改:熊山桥0#桥台基础承包单位:四川万通路桥建筑安装有限公司监理单位:四川省华建项目管司(桩号、墩台号、孔号)表11.4.2所用的水泥、砂、石、水、外掺剂及混合材料的质量和规定必须符合有关规范的要求。
材料配合比应满足大体积混凝土施工的要求,按规定的配合比施工。
必须采取施控制水化热引起的混凝土内最高温度及内外温差在允许的范围内,防止出现温度裂缝。
检查项目规定值或允许偏差实测值或实测偏差值质量评1 2 3 4 5 6 7 8 9 10平均值代表值合格率(%)混凝土强度(MPa)在合格标准内√√√√√√√√√√100轴线偏位(mm)2022420136822499.0 90断面尺寸(mm)±30-18-15-8112115-11103122 5.8 90结构高度(mm)±305123432-563-6-4 5.0 90顶面高程(mm)±201116-51314-85-1322157.0 80大面积平整度(mm)84827493364 4.9 90合计92外观鉴定竖向平整度较差减分 1监理意见质量保证资料齐全减分0工程质量等级评定合格评分:91质量等级:合格检验负责人:检测:记录:复核:年月日富顺县福善镇黑竹坝渡改桥新建工程大体积混凝土结构质量检验评定表名称:所属分部工程名称:基础及下部结构所属建设项目:富顺县福善镇黑竹坝渡改:黑竹坝桥1#桥台基承包单位:四川万通路桥建筑安装有限公监理单位:四川省华建项目管司司(桩号、墩台号、孔号)表11.4.2所用的水泥、砂、石、水、外掺剂及混合材料的质量和规定必须符合有关规范的要求。
材料配合比应满足大体积混凝土施工的要求,按规定的配合比施工。
必须采取施控制水化热引起的混凝土内最高温度及内外温差在允许的范围内,防止出现温度裂缝。
检查项目规定值或允许偏差实测值或实测偏差值质量评1 2 3 4 5 6 7 8 9 10平均值代表值合格率(%)混凝土强度(MPa)在合格标准内√√√√√√√√√√100轴线偏位(mm)2022420136822499.0 90断面尺寸(mm)±30-18-15-8112115-11103122 5.8 90结构高度(mm)±305123432-563-6-4 5.0 90顶面高程(mm)±201116-51314-85-1322157.0 80 大面积平整度(mm)84827493364 4.9 90合计92外观鉴定竖向平整度较差减分 1监理意见质量保证资料齐全减分0工程质量等级评定合格评分:91质量等级:合格检验负责人:检测:记录:复核:年月日侧墙砌体质量检验报告单:富顺县福善镇黑竹坝渡改桥桩号及部位:侧墙合同段:施工日期::四川万通路桥建筑安装有限监理单位:四川省华建项目管理有限公司公路等级:检测日期:(桩号、墩台号、孔号)基本要求1)石料或混凝土预制块的质量和规格必须符合有关规范的要求。
2)砂浆所用的水泥、砂和水的质量必须符合有关规范的要求,按规定的配合比施工。
3)地基承载力应满足设计要求,严禁超挖回填虚土。
4)砌块应错缝、坐浆挤紧,嵌缝料和砂浆饱满,无空洞、宽缝、大堆砂浆填隙和假缝。
项次检查项目规定值或允许偏差1 21△砂浆强度(Mpa)在合格标准之内√√2外侧平面偏位(mm)无镶面+30,-1022有镶面+20,-10-8-5 3△宽度(mm)+40,-101821 4顶面高程(mm)±10695 竖直度或坡度(%)片石砌体0.5块石、粗料石、混凝土块镶面0.30.10.2外观鉴定竖向平整度较差监理意见自检意见合格检测:复核:施工主管:质检负责人:项目技术负责人:年月日富顺县福善镇黑竹坝渡改桥新建工程侧墙砌体质量检验评定表名称:所属分部工程名称:上部结构所属建设项目:富顺县福善镇黑竹坝渡改:侧墙承包单位:四川万通路桥建筑安装有限公司监理单位:四川省华建项目管司(桩号、墩台号、孔号)表11.4.2所用的水泥、砂、石、水、外掺剂及混合材料的质量和规定必须符合有关规范的要求。