q35焊接工艺课程设计
- 格式:docx
- 大小:89.63 KB
- 文档页数:15
3mm 板厚Q235A TIG 焊对接平焊焊接工艺一、母材:1. 钢种: Q235A2. 规格: 300mm ×200mm ×3mm3. 交货状态: 热轧正火状态二、 焊接材料:1. 焊丝: H08Mn2SiA2. 保护气: 氩气3. 纯度: 不小于99.9%三、 焊前准备:1. 接头形式: 对接接头。
2. 采用平位置、 对接I 型坡口3. 钨极: 铈钨极,WCs —13,直径2.4mm4. 焊接区域的清理:用汽油或丙酮等有机溶剂清洗工件与焊丝表面的油污灰尘等杂质物质。
5. 用机械或化学方法清除氧化膜,机械法如:吹砂、磨削及抛光等,不锈钢或高温合金钢用砂布打磨或抛光法,将工件接头两侧30~50mm 宽度内的氧化膜除净。
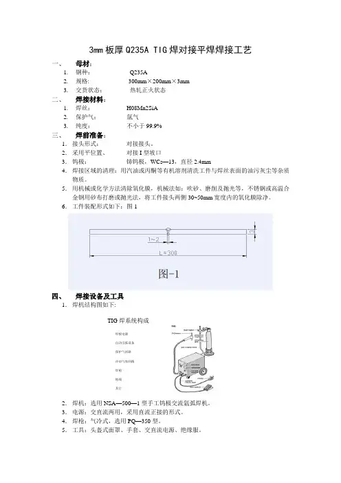
6. 工件装配形式如下:图-1四、焊接设备及工具1. 焊机结构图如下:2. 焊机:选用NSA —500—1型手工钨极交流氩弧焊机。
3. 电源:交直流两用,采用直流正接的形式。
4. 焊枪:气冷式,选用PQ —350型。
5. 工具:头盔式面罩、手套、交直流电源、绝缘服。
6. 控制系统 要求:1) 提前送气、滞后断气以保护钨极,及引、熄弧处焊缝。
2) 自动控制引弧器、稳弧气的起动和停止。
3) 手工或自动接通和切断焊接电源。
4) 焊接电流能自动衰减。
5) 钨极:铈钨极是一中非放射线电极,具有较高的电子发射功能、优异的电弧特性,与钍钨极相比有很多优点,如:放射性低、电子逸出功低10%以上,易于起弧,电弧稳定性好,反复引弧可靠性高;化学稳定性高,使用中对惰性气体纯度要求略低;许用电流大,正接是大5~10%;使用寿命长,烧损率低;焊接或切割质量高等等。
所以首选铈钨极。
如上图示:钨极可打磨成锐锥形和平顶锥形。
五、焊接工艺参数见下表:表-1表-1 焊接工艺参数六、操作要点及注意事项:TIG 焊是需要焊工双手同时操作的焊接方法,其基本的主要操作为引弧、焊枪摆动、送丝、收弧和焊道接头等1. 准备:1) 保证正确的持枪姿势,随时调整焊枪角度及喷嘴高度焊接层次焊接电流(A ) 焊接电压 (V )氩气流量(L/min )钨极直径(mm )焊丝直径(mm )钨极伸出长度(mm ) 喷嘴直径(mm )喷嘴至工件距离(mm )打底焊 80~90 12~167~252.42.54~85~25≤12盖面焊90~100锐锥形:用于小电流焊接时平顶锥形:用于中等电流焊接时2)注意气体对熔池的保护3)焊接时要保证电弧稳定和气流稳定2.引弧:采用高频引弧。
Q345的焊接工艺一、材料介绍1. Q345化学成分如下表(%):元素C≤ Mn Si≤ P≤ S≤ Al≥ V Nb Ti含量0.2 1.0-1.6 0.55 0.035 0.035 0.015 0.02-0.15 0.015-0.06 0.02-0.2Q345C力学性能如下表(%):机械性能指标伸长率(%)试验温度0℃抗拉强度MPa 屈服点MPa≥数值δ5≥22 J≥34 σb(470-650)σs(324-259)其中壁厚介于16-35mm时,σs≥325Mpa;壁厚介于 35-50mm时,σs≥295Mpa2. Q345钢的焊接特点2.1 碳当量(Ceq)的计算Ceq=C+Mn/6+Ni/15+Cu/15+Cr/5+Mo/5+V/5计算Ceq=0.49%,大于0.45%,可见Q345钢焊接性能不是很好,需要在焊接时制定严格的工艺措施。
2.2 Q345钢在焊接时易出现的问题2.2.1 热影响区的淬硬倾向Q345钢在焊接冷却过程中,热影响区容易形成淬火组织-马氏体,使近缝区的硬度提高,塑性下降。
结果导致焊后发生裂纹。
2.2.2 冷裂纹敏感性Q345钢的焊接裂纹主要是冷裂纹。
二、焊接施工流程坡口准备→点固焊→预热→里口施焊→背部清根(碳弧气刨)→外口施焊→里口施焊→自检/专检→焊后热处理→无损检验(焊缝质量一级合格)三、焊接工艺参数的选择通过对Q345钢的焊接性分析,制定措施如下:1. 焊接材料的选用由于Q345钢的冷裂纹倾向较大,应选用低氢型的焊接材料,同时考虑到焊接接头应与母材等强的原则,选用E5015 (J507)型电焊条。
化学成分见下表(%):元素 C Mn Si S P Cr Mo V Ti含量 0.071 1.11 0.53 0.009 0.016 0.02 0.01 0.01 0.01 力学性能见下表:机械性能指标σb(Mpa)σs(Mpa)δ5(%)Ψ(%) AkvJ-30℃数值 440 540 31 79 164 114 762. 坡口形式:(根据图纸和设备供货)3. 焊接方法:采用手工电弧焊(D)。
Q345的焊接工艺一、材料介绍1. Q345化学成分如下表(%):元素C≤ Mn Si≤ P≤ S≤ Al≥ V Nb Ti含量 0.2 1.0-1.6 0.55 0.035 0.035 0.015 0.02-0.15 0.015-0.06 0.02-0.2 Q345C力学性能如下表(%):机械性能指标伸长率(%)试验温度0℃抗拉强度MPa 屈服点MPa≥数值δ5≥22 J≥34 σb(470-650)σs(324-259)其中壁厚介于16-35mm时,σs≥325Mpa;壁厚介于 35-50mm时,σs≥295Mpa 2. Q345钢的焊接特点2.1 碳当量(Ceq)的计算Ceq=C+Mn/6+Ni/15+Cu/15+Cr/5+Mo/5+V/5计算Ceq=0.49%,大于0.45%,可见Q345钢焊接性能不是很好,需要在焊接时制定严格的工艺措施。
2.2 Q345钢在焊接时易出现的问题2.2.1 热影响区的淬硬倾向Q345钢在焊接冷却过程中,热影响区容易形成淬火组织-马氏体,使近缝区的硬度提高,塑性下降。
结果导致焊后发生裂纹。
2.2.2 冷裂纹敏感性Q345钢的焊接裂纹主要是冷裂纹。
二、焊接施工流程坡口准备→点固焊→预热→里口施焊→背部清根(碳弧气刨)→外口施焊→里口施焊→自检/专检→焊后热处理→无损检验(焊缝质量一级合格)三、焊接工艺参数的选择通过对Q345钢的焊接性分析,制定措施如下:1. 焊接材料的选用由于Q345钢的冷裂纹倾向较大,应选用低氢型的焊接材料,同时考虑到焊接接头应与母材等强的原则,选用E5015 (J507)型电焊条。
化学成分见下表(%):元素 C Mn Si S P Cr Mo V Ti含量 0.071 1.11 0.53 0.009 0.016 0.02 0.01 0.01 0.01力学性能见下表:机械性能指标σb(Mpa)σs(Mpa)δ5(%)Ψ(%) AkvJ-30℃数值 440 540 31 79 164 114 762. 坡口形式:(根据图纸和设备供货)3. 焊接方法:采用手工电弧焊(D)。
q235a焊接课程设计一、课程目标知识目标:1. 学生能够理解Q235A钢的材料特性,掌握焊接工艺的基本知识;2. 学生能够描述焊接过程中电流、电压、焊接速度等参数对焊接质量的影响;3. 学生能够解释Q235A钢焊接接头的常见缺陷及其成因。
技能目标:1. 学生能够正确使用焊接设备,进行Q235A钢的焊接操作;2. 学生能够根据Q235A钢的焊接特性,选择合适的焊接材料和工艺参数;3. 学生能够运用焊接检测方法,评估焊接接头的质量。
情感态度价值观目标:1. 学生培养对焊接工艺的兴趣,增强对制造业的认同感;2. 学生树立安全意识,遵循焊接操作规程,注重个人和他人的安全;3. 学生培养团队合作精神,提高沟通协调能力。
课程性质:本课程为实践性较强的课程,注重理论联系实际,培养学生动手操作能力。
学生特点:学生具备一定的焊接基础知识,但对Q235A钢的焊接工艺了解不足,需要通过本课程的学习提高焊接技能。
教学要求:结合Q235A钢的焊接特性,采用理论讲解、示范操作、实践练习相结合的方式进行教学,使学生在掌握焊接知识的同时,提高实际操作能力。
通过课程目标的分解,确保学生能够达到预期学习成果,为后续课程的学习和实际工作打下坚实基础。
二、教学内容1. 焊接基本原理:介绍焊接的基本概念、分类及焊接过程中物理化学变化;- 教材章节:第一章 焊接概述- 内容:焊接原理、焊接方法、焊接过程的基本现象。
2. Q235A钢材料性质:分析Q235A钢的化学成分、力学性能及其对焊接的影响;- 教材章节:第二章 焊接材料- 内容:Q235A钢的化学成分、力学性能、焊接性分析。
3. 焊接工艺参数选择:讲解焊接电流、电压、焊接速度等参数对焊接质量的影响;- 教材章节:第三章 焊接工艺参数- 内容:焊接电流、电压、焊接速度等参数的选择与调整。
4. 焊接操作技巧:介绍Q235A钢的焊接操作要领,示范焊接过程;- 教材章节:第四章 焊接操作技巧- 内容:Q235A钢焊接操作步骤、注意事项、焊接技巧。
10mm板厚Q235A SMAW焊立焊焊接工艺设计一、母材技术状况1、母材的选择:母材选用尺寸为300mmx100mmx12mm的Q235A试板二块。
其交货状态为热轧。
2、Q235A的含碳量较低,且除Mn、Si、S、P等常见元素外,很少有其他合金元素,焊接性较好,韧性和塑性较好,焊接接头产生裂纹的倾向小,有一定的伸长率,具有良好的焊接性能和热加工性。
Q235A一般在热轧状态下使用,应用范围较广,适应制造各种大型结构件和受压容器。
可装配成各种不同的接头,适应各种不同位置的施焊,且焊接工艺和技术较简单。
不需要使用特殊和复杂的设备,对焊接电源没有特殊的要求,交直流弧焊机度可以焊接。
对焊接材料也无特殊要求,酸性碱性都可以。
化学成分见下表1所示。
表1 Q235化学成分二、焊接材料选择及技术状况手工电弧焊(SMAW)常用的焊条E4303,牌号J422,属于钛钙型焊条。
这种焊条工艺性好,应用广泛。
钛钙型焊条药皮中含有大量酸性造渣物,如金红石、硅酸盐及一定数量的碱性造渣物碳酸盐等,有时也添加少量有机物。
此外,在药皮中添加10%左右锰铁,用以脱氧和补充焊缝里的锰。
这种焊条可以进行全位置焊接,交直流两用,电弧稳定,熔深适中,飞溅少,熔渣流动性好,脱渣容易,焊缝成型美观,具有优良的焊接工艺性能和力学性能。
用于焊接较重要的低碳钢结构和强度等级低的低合金钢,一般用于焊接钢结构和普通碳钢管道的焊接。
表2是E4303型焊条药皮配方。
表3是E4303型焊条涂料和熔渣的化学成分。
表4是焊芯和熔敷金属的化学成分。
表5是熔敷金属的力学性能。
表3 E4303型焊条涂料和熔渣的化学成分w(%)表4 E4303型焊芯和熔敷金属的化学成分w(%)表5 E4303型焊条熔敷金属的力学性能总之,钛钙型焊条的冶金性能,是由于它的药皮和焊芯成分决定的。
而冶金反应的结果决定了熔敷金属的化学成分。
除低氢型焊条外,与其它类型焊条相比,钛钙型焊条熔敷金属含氮、氧等杂质还是较少的,因而具有良好的力学性能。
q355b钢焊接工艺规程一、工艺准备1. 确定焊接方法:常用的焊接方法有手工电弧焊、埋弧焊、气体保护焊等,根据实际情况选择适合的焊接方法。
2. 选择焊接材料:根据钢材的特性和焊接要求,选择合适的焊条、焊丝和焊剂。
3. 准备焊接设备:包括焊接机、电源、焊接枪、电缆等设备,确保设备完好并进行必要的检修和维护。
4. 清理焊接表面:将焊接表面的油污、氧化物等杂质清除干净,保证焊接接头的质量。
二、焊接工艺参数1. 确定焊接电流和电压:根据焊接材料和焊接厚度选择合适的焊接电流和电压。
2. 确定焊接速度:根据焊接材料和焊接厚度确定合适的焊接速度,保证焊缝的质量。
3. 控制焊接温度:确保焊接过程中焊接温度不超过钢材的临界温度,避免产生过热和冷脆现象。
三、焊接操作要点1. 焊接顺序:根据焊接结构和焊接方法确定焊接顺序,一般从上到下、从内到外进行焊接。
2. 焊接位置:保持焊接位置的正确姿势,保证焊接接头的质量和焊缝的外观。
3. 控制焊接速度:焊接速度过快容易造成焊缝质量下降,焊接速度过慢则容易产生焊缝过宽和过深的问题,应根据实际情况控制焊接速度。
4. 控制焊接电流和电压:焊接电流过大容易产生焊接温度过高、烧穿等问题,焊接电流过小则容易产生焊缝质量下降、焊缝不牢固等问题,应根据焊接材料和焊接厚度控制焊接电流和电压。
5. 焊接层间温度控制:对于多层焊接,应注意控制每一层焊接的温度,避免产生热裂纹和冷裂纹。
四、焊后处理1. 清理焊接残渣:焊接完成后,应及时清理焊接残渣和飞溅物,保持焊缝的外观和质量。
2. 进行焊后热处理:对于需要进行焊后热处理的焊接接头,应按照规定的温度和时间进行热处理,提高焊接接头的力学性能和组织结构。
3. 进行焊后检测:通过焊接接头的可视检测、尺寸检测和无损检测等方法,对焊接接头进行质量检测,确保焊接接头符合规定的质量标准。
总结:q355b钢焊接工艺规程是确保焊接接头质量的重要依据,正确选择焊接方法、焊接材料和焊接设备,合理控制焊接工艺参数和焊接操作要点,严格进行焊后处理和焊后检测,可以保证焊接接头的质量和焊缝的外观。
Q235钢焊接课程设计一、课程目标知识目标:1. 学生能理解Q235钢的基本特性,掌握焊接原理及焊接工艺流程。
2. 学生能描述焊接过程中常见的缺陷及产生原因,了解其预防措施。
3. 学生能掌握焊接安全操作规程,了解焊接环境保护措施。
技能目标:1. 学生能独立进行Q235钢的焊接操作,掌握焊接技巧,提高焊接质量。
2. 学生能运用所学知识对焊接缺陷进行分析,提出改进措施。
3. 学生能正确使用焊接设备、工具和材料,确保操作安全。
情感态度价值观目标:1. 培养学生对焊接工作的兴趣,激发学习热情,树立正确的职业观念。
2. 培养学生团结协作、勇于探索、严谨认真的学习态度,提高自我管理和沟通能力。
3. 增强学生的安全意识,培养环保观念,使其具备良好的职业道德。
课程性质:本课程为专业技能课程,以实践操作为主,理论教学为辅。
学生特点:学生具备一定的焊接基础知识,动手能力强,但理论知识相对薄弱。
教学要求:结合学生特点,注重理论与实践相结合,提高学生实际操作能力,培养解决实际问题的能力。
将课程目标分解为具体学习成果,以便在教学过程中进行有效评估。
二、教学内容1. Q235钢的基本特性及其焊接性:包括Q235钢的化学成分、力学性能、焊接性等,参考教材第二章。
2. 焊接原理及工艺流程:讲解焊接的基本原理,如电弧焊、气焊等,并介绍焊接工艺流程,包括焊前准备、焊接过程控制、焊后处理等,参考教材第三章。
3. 常见焊接缺陷及预防措施:分析焊接过程中常见的缺陷,如气孔、裂纹等,探讨其产生原因及预防措施,参考教材第四章。
4. 焊接安全操作规程及环保措施:介绍焊接过程中的安全操作规程,如电气安全、防火防爆等,并讲解焊接环境保护措施,参考教材第五章。
5. 实践操作:安排学生进行Q235钢的焊接实践操作,包括平焊、立焊、横焊等,参考教材第六章。
教学大纲安排:第一周:Q235钢的基本特性及其焊接性;第二周:焊接原理及工艺流程;第三周:常见焊接缺陷及预防措施;第四周:焊接安全操作规程及环保措施;第五周:实践操作(分组进行焊接练习)。
焊接1531 王翔21530104Q235钢板的焊接工艺设计说明书目录1 母材的基本数据与焊接性 (1)1.1 母材的基本数据 (1)1.1.1 Q235钢的介绍 (2)1.1.2 碳钢按含碳量的分类 (2)1.1.3碳钢的化学成分 (2)1.1.4 Q235钢的化学成分与基本力学性能 (3)1.2 Q235钢的焊接性 (4)1.2.1 碳当量分析 (4)1.2.2焊接性分析 (4)1.2.3 焊接时存在的问题 (5)2 焊接方法的选择 (6)3 焊接工艺 (7)3.1 焊前准备 (7)3.1.2 工件表面的清理 (7)3.1.3 焊条烘干 (8)3.2 焊接工艺参数的制定 (8)3.2.1 焊条直径的选择 (8)3.2.2 焊接电流 (9)3.2.3 焊接电压 (9)3.2.4 焊接层数 (10)3.2.5 焊接速度 (10)3.2.6 电流极性的选择 (11)3.2.7 反变形 (11)4 操作要点及注意事项 (11)4.1.1 引弧焊接前引燃电弧的过程叫做引弧。
引弧常用划檫法和直击法。
(11)4.1.2 运条 (12)4.1.3 收尾 (12)4.1.4 敲渣 (12)5 常见缺陷及解决措施 (12)5.1.1 气孔 (12)5.1.2 残余应力与变形 (13)5.1.3 冷裂纹 (13)1 母材的基本数据与焊接性1.1 母材的基本数据1.1.1 Q235钢的介绍Q235钢又称A3钢,是铁和碳的合金,碳钢中除了以碳作为合金元素外,还有少量的Mn和Si有益元素,还有少量的S、P等杂质。
Q代表的是这种材质的屈服极限,235代表的是屈服值,由于这种材料的含碳适中,综合性能较好,强度、塑性和焊接等性能得到较好配合,用途最广泛。
1.1.2 碳钢按含碳量的分类表1 碳钢按含碳量的分类1.1.3碳钢的化学成分表2 碳素结构钢的化学成分表1.1.4 Q235钢的化学成分与基本力学性能其化学成分如表3表3 Q235钢的化学成分表4 钢的基本力学性能由于含碳适中,综合性能较好,强度、塑性和焊接等性能得到较好配合,用途最广泛。
3mm板厚Q235A TIG焊对接平焊焊接工艺图1焊件图1.钢材的情形Q235A是一般碳素结构钢,韧性和塑性较好,有必然的伸长率,具有良好的焊接性能和热加工性。
交货状态: 一样以热轧(包括控轧)状态交货。
依照需方要求,经两边协议,也能够正火处置状态交货。
2.焊接材料选择及技术状况钨极氩弧焊的焊接材料要紧有钨极、氩气和焊丝因此本次焊接所用的钨极是铈钨极其牌号是Wce-20。
更易引弧。
(1)钨极的规格由于所用的钢板厚度为3mm,因此选择钨极直径为。
图2 钨极端部的形状由于钢板较薄,电流也不大,因此选择上图图a的钨极形状。
(2)焊丝本次所用的焊丝为H08Mn2SiA。
焊丝直径的选择如下:工件厚度是3mm,钨极直是2.4mm,因此焊丝的直径为2mm。
(3)爱惜气体按我国现行标准规定,其纯度应达到99.99%。
焊接用氩气以瓶装供给,其外表涂成灰色,而且标注有绿色“氩气”字样。
氩气瓶的容积一样为40L,最高工作压力为15MPa。
利历时,一样应直立放置。
爱惜气体流量氩气的适合流量为0.8~1.2倍的喷嘴直径。
2、焊前预备及接头形式(1)坡口形式及加工方式:由于工件的厚度只有3mm,不需要开坡口就能够够将工件焊透。
也确实是I形坡口。
采纳对接接头。
如图3.图3 I形坡口(2)坡口区域的清理用钢丝刷或砂布将焊接处和焊丝表面清理干净。
避免在焊接时产动气孔和夹杂,保证形成优良的焊缝。
(3)焊丝的清理及气体的纯度焊丝要严格清理,焊丝表面的油锈和拔丝用的润滑剂都要清理干净,以避免焊接时增大气孔的偏向。
氩气体的纯度要达到99.9%。
4、焊接设备与工具焊接电源钨极氩弧焊要求采纳具有陡降外特性的焊接电源。
这次选用钨极氩弧焊机是直流电WS-300型。
WS-300型直流氩弧焊机性能:焊接方式,直流氩弧焊。
五、焊接工艺参数确信表1焊接工艺参数焊接层次钨极直径(mm)喷嘴直径(mm)钨极伸出长度(mm)压气流量(L/min)焊丝直径(mm)焊接电流(A)底层焊 8-12 5-6 8-12 70-90 盖面焊 8-12 5-6 8-12 100-120(1)打底层焊接采纳左向焊法,焊丝及焊枪与工件之间的角度如图4所示。
q355b钢焊接工艺规程一、引言q355b钢是一种常用的结构钢材料,具有优良的强度和耐腐蚀性能。
为了保证焊接质量,提高焊接效率,制定q355b钢焊接工艺规程至关重要。
本文将针对q355b钢的焊接工艺进行详细介绍。
二、焊接设备与材料1. 焊接设备:采用直流电弧焊接设备,如手工电弧焊机。
2. 焊接电极:选择适用于q355b钢焊接的电极,如E5015或E5016。
三、焊接工艺参数1. 焊接电流:根据焊接材料和板厚选择合适的电流,一般在90-150A之间。
2. 焊接电压:根据电流和焊接速度调节电压,保证焊缝均匀且不产生太多飞溅。
3. 焊接速度:控制焊接速度,使焊缝形成均匀的渗透和结构。
4. 焊接间隙:确保焊接间隙适当,一般为0.5-1.5mm,太小会导致焊缝不充分,太大会影响焊接质量。
5. 焊接角度:焊条与工件的夹角一般为70-80度,保证焊缝充分填充。
四、焊接操作步骤1. 检查工件:检查q355b钢板的表面质量和准备工作是否完成,如除锈、除油等。
2. 调节设备参数:根据焊接工艺参数调节设备电流、电压和速度。
3. 开始焊接:将焊条与工件接触,按照预定的焊接角度和速度进行焊接。
注意保持稳定的焊接速度和均匀的焊接力度。
4. 检查焊缝:焊接完成后,对焊缝进行外观检查和尺寸检查,确保焊缝质量符合要求。
5. 清理工作:清理焊接区域的焊渣和焊剩,确保焊缝的整洁和光滑。
五、焊接质量控制1. 规范焊接工艺参数,确保焊接质量的稳定和可靠。
2. 控制焊接速度和焊接力度,保证焊缝的均匀性和渗透性。
3. 进行焊缝的外观检查和尺寸检查,及时发现并修复焊接缺陷。
4. 采取防护措施,避免焊接区域受到外界因素的干扰,如风、雨、灰尘等。
5. 对焊接工艺进行记录和分析,不断优化焊接过程,提高焊接效率和质量。
六、安全注意事项1. 在焊接过程中,必须佩戴防护眼镜、手套、面罩等个人防护装备,确保人身安全。
2. 确保焊接区域通风良好,避免产生有害气体对人体的危害。
12毫米板厚Q235A SMAW 焊立焊焊接工艺设计一、选择母材母材所选用的材料的材料是Q235A,Q235A 韧性和塑性较好,有一定的伸长率,具有良好的焊接性能和热加工性。
Q235A 一般在热轧状态下使用,用其轧制的型钢、钢筋、钢板、钢管可用于制造各种焊接结构件、桥梁及一般不重要的机器零件,如螺栓、拉杆、铆钉、套环和连杆等。
二、母材的机械性能分析1、化学性能分析板材的化学成分如表1所示。
表1 Q235A 的化学成分2、物理性能分析机械性能为,屈服极限s σ为235MPa ,抗拉强度b σ=375~460MPa ,伸长率δ=26%。
3、焊接性分析低碳钢的碳的质量分数≤0.25%,碳当量值远小于0.40%,所以这类钢的焊接性好,焊接时一般不需要采取特殊的工艺措施,用各种焊接方法都能获得优质的焊接接头。
只有厚大结构件、低温下焊接,才考虑焊前预热、焊后热处理等。
如板厚大于50mm ,温度低于0C ︒或20mm 以下板厚、温度低于—10C ︒,应焊前预热100~150C ︒。
三、焊接材料的选择1、焊条的选择手工电弧焊(SMAW )常用的焊条有E5015,这是典型的低氢钠型,牌号为J507。
药皮主要组成物是碳酸盐矿和萤石,碱度较高。
熔渣流动性好焊接工艺性能一般,焊波较粗,角焊缝略突出,熔深适中,脱渣性较好,焊接时要求焊条干燥,并采用短弧焊。
可全位置焊接,焊接电源为直流反接。
熔敷金属具有良好的抗裂性和力学 性能。
下表分别是低氢型焊条药皮配方的举例、焊芯和熔敷金属的化学成分、熔渣的化学成分及熔敷金属的力学性能。
表2 E5015型焊条药皮配方w (%)表3 E5015型焊条焊芯和熔敷金属的化学成分w (%)成分 C Mn Si S P O N焊芯 0.085 0.45 痕迹 0.020 0.010 0.020 0.003-0.004熔敷金属 0.065 1.04 0.56 0.011 0.021 0.030 0.0119差值 -0.020 0.59 0.56 -0.009 0.011 0.010 约0.009表4 E5015型焊条焊接熔渣的化学成分w (%)Cao CaF2 SiO2 FeO TiO2 Al2O3 MnO K2+Na2O碱度 41.94 28.34 23.76 5.78 7.23 3.57 3.74 4.25 1.89牌号 等级 化学成分(质量分数%)Q235 A C Mn Si S P 0.14~0.22 0.30~0.65 0.31 0.050 0.045 大理 石 氟石 硅砂 钛白粉 白土子 中碳锰铁 低硅铁 钛铁 纯碱 红矾钾 48 18 5 2 5 5 10 6 0.5 0.5表5 E5015型焊条熔敷金属的力学性能 σb /MPa σs/MPa δ5(%) ψ(%)α=180 αk/J ·cm ² 517.4 413.3 31.53 74.5 无裂 240四、焊前准备1、坡口的选择与制备 根据母材的材质与厚度确定,应开Y 形坡口, 钝边高度0.5~1mm ,坡口的角度为60°±2°。
焊接方法与设备课程设计(SMAW板对接立焊工艺规程)一.母材技术状况1.钢种:Q235A2.厚度:10mm3.交货状态:热轧钢4.规格:300×100×10 mm如(图1所示)图(1)二.焊前准备1.焊条选择:E43032.坡口形式及加工方式:用氧-乙炔火焰切割加工V形坡口,坡口角度为60°坡口根部用砂轮机打磨1 mm的钝边以防止烧穿。
3.焊接位置:立位置4.坡口区域清理:用钢丝刷清理坡口及坡口附近30 mm区域内的油锈、氧化膜(注意:清理要干净彻底)6.焊条烘干:在烘箱中100~150℃范围内烘干,保温1~2h7.焊接设备与工具:(1)焊机:选用BX-250型号的焊机(2)劳保工具:①面罩:结构牢固,不漏光②手套:隔热效果好,无破损(3)焊钳:300A的焊钳,绝缘和隔热性能良好,焊条的各位置夹持紧固。
(4)焊条保温筒:选用立式保温筒三.装配与焊机的实施1.装配与点固:用选用的焊条(E4303)在焊件背面两端进行点固,定位焊缝长度为10mm;装配间隙为3.2~4 mm一头窄一头宽,错边量不大于0.5mm;如图⑵所示(注:装配完成后要对装配质量进行检查)图(2)2.打底焊:(电流90~110A)将焊件垂直固定在离地面一定距离的工装上(以方便个人操作为宜),间隙小的在下,向上立焊。
一般采用灭弧法打底焊。
注意控制熔孔和熔池的大小,熔池表面呈水平的椭圆形,使电弧的1/3对着坡口间隙,电弧的2/3覆盖在熔池上,注意控制有2/3的弧柱在焊缝的背面燃烧。
3.焊缝接头:一般采用热接法焊接,换焊条要快。
接头时,在弧坑的下方10mm处引弧,摆动向上实施焊接,到原弧坑处时,焊条的倾角大于正常角度10°。
电弧向焊根背面压送,稍停留,根部被击穿形成熔孔时,焊条的角度恢复到正常角度,然后横向摆动向上焊接。
4.填充焊:(电流110~120)填充焊施焊前,应彻底清除前道焊缝的熔渣飞溅,焊接接头过高处应打磨平整。
12mm板厚Q235A手工电弧焊立焊焊接工艺设计一、板对接立焊连弧焊法的基本特点板对接立焊单面焊双面成形时,液态熔池和熔滴受重力影响极易下坠,操作不当时易产生金属下淌和焊瘤等缺陷。
同时,由于碱性熔渣的熔点低,流动性强,极易脱离熔池,使熔池的保护效果变差,产生气孔等缺陷。
立焊时焊条的角度一般与试件下端夹角小于90度,因此使电弧的保护效果相对减弱,如操作不当,就会产生气孔。
但立焊时的熔孔效果较好,焊接过程中可通过观察熔孔尺寸掌握背面焊缝成形情况,只要焊条角度、运条方法控制得当,就可以获得理想的背面焊缝成形。
二、板对接立焊操作工艺1.焊前准备(1)试件的加工采用板厚为12mm的Q235(16Mn)或16MnR低合金钢板,试件加工尺寸如图1所示,试件加工尺寸为300mm×100mm×12mm,加工坡口时,不留钝边。
图1 试件加工尺寸示意图a)试件尺寸 b)试件坡口尺寸(2)试件的清理试件组对前将坡口周围正反两面20mm范围内的铁锈、油污等清理干净,使之呈现金属光泽。
试件如有变形时,要进行修复。
(3)焊接电源和焊接材料的选择焊接电源可采用ZX5-250型整流弧焊机或ZX7-400型逆变焊机,直流反极性接线方法。
选用焊条型号为E5015。
焊前焊条需经350-400℃烘干,保温2h,焊条烘干后放入保温桶内以便使用。
使用前需检查焊条表面有无药皮开裂、脱落、焊芯生锈和偏心等现象。
(4)试件的组对与定位焊为防止试件错边和方便对接,试件可以从反侧进行定位焊,定位焊缝在试件两端头,定位焊缝长度为10-15mm,为消除因焊缝收缩作用的影响,使后焊焊缝间隙变窄,终焊端预留间隙应大于始焊端0.5-1mm,定位焊缝要牢靠。
试件组对尺寸见表1。
试件组对形式如图2所示。
表1 试件组对尺寸坡口角度组队间隙/mm钝边/mm 反变形角度错变量/mm 始焊端终焊端60º±1º 3 4 0 3º-3.5º≤0.5图2 试件组对形式示意图a)预留间隙示意图 b)反变形角度示意图(5)焊缝参数的选择板对接立焊各项参数见表2表2 板对接立焊焊接参数的选择焊接层次焊接直径/mm 焊接电流/A焊接速度/(cm/min)层间温度/℃1 3.2 80-90 7-8 ―2 3.2 100-110 10-12 60-1003 3.2 105-115 9-11 60-1004 3.2 105-115 8-10 60-1002.焊接将组对好的试件垂直固定在焊接工位架上,间隙较小的一端为下部,间隙较大的一端为上部,采用由下向上立焊,连弧焊法施焊。
1绪论1 .1 Q235的成分及焊接性分析Q235钢是一种普通碳素结构钢,具有冶炼容易,工艺性好,价格价廉的优点,而且在力学性能上也能满足一般工程结构及普通机器零件的要求,在世界各国得到广泛应用。
碳素结构钢的牌号体现其机械性能,符号用Q+数字表示,其中“Q”为屈服点“屈”的汉语拼音,表示屈服强度的数值。
Q235表示这种钢的屈服强度为235MP,Q235钢含碳量约为0.2%属于低碳钢。
Q235成分:C含量0.12%-0.22%、Mn含量0.30%-0.65%、Si含量不大于0.30%、S含量不大于0.050%、P含量不大于0.045%。
S、P和非金属夹杂物较多在相同含碳量及热处理条件下,低碳钢焊接材料焊后的接头塑性和冲击韧度良好,焊接时,一般不需预热、控制层间温度和后热,焊后也不必采用热处理改善组织,整个焊接过程不必采取特殊的工艺措施,焊接性优良。
Q235含有少量的合金元素,碳含量比较低,一般情况下(除环境温度很低或钢板厚度很大时)冷裂倾向不大。
工件预热有防止裂纹、降低焊缝和热影响区冷却速度、减小内应力等重要作用。
但是预热使劳动条件恶化,并使工艺复杂。
低合金结构施焊前是否需要预热,一般应根据生产实践和焊接性试验来确定。
当母材的碳当量Ceq≥0.35时应考虑预热。
低合金钢淬硬倾向[1]主要取决于钢的化学成分,根据碳当量公式可知Q235的碳当量小于0.4%,在焊接过程中基本无淬硬倾向,焊前不需预热。
且这类刚含碳量较低,具有较的抗热裂性能,焊接过程中热裂纹倾向较小,正常情况下不会出现热裂纹。
从厚度考虑,当板厚超过25mm时应考虑100℃以上的焊前预热,试验中所用钢板的厚度为12mm,不需预热。
焊接热处理的目的是为了消除焊接内应力、提高构件尺寸的稳定性、增强抗应力腐蚀性能、提高结构长期使用的质量稳定性和工件安全性等。
低合金钢焊接结构在大多数请况下不进行焊后热处理,只有在特殊要求的情况下才进行焊后热处理。
此试验并无特殊要求,因此并未进行焊后热处理。
1.2 焊条(1)焊条的熔敷金属应具有良好的力学性能(2)焊条的熔敷金属应具有规定的化学成分,以保证其使用性能的要求(3)焊条应具有良好的工艺性能(4)要求焊条具有良好的抗气孔、抗裂纹能力(5)焊条应具有良好的外观(表皮)质量焊条由焊芯和药皮两部分组成。
焊条中被药皮包覆的金属芯是焊芯,其主要作用是导电,在焊条端部形成电弧,同时焊芯靠电弧热熔化后,冷却形成具有一定成分的熔敷金属。
焊条中涂在焊芯表面上的涂料称为药皮。
其主要作用是机械保护作用、冶金处理作用和改善焊接工艺性能。
焊条按熔渣酸碱度可分为酸性焊条和碱性焊条。
酸性焊条的工艺性能好,焊缝外表成形美观、波纹细密。
碱性焊条的焊缝具有较高的塑性和冲击韧度,一般承受动载的焊件或刚性较大的重要结构采用碱性碱性焊条。
本实验为一般结构,采用酸性焊条E4303(J422).1.3焊接操作注意事项及安全要求焊条电弧焊操作时,必须注意安全与防护,安全与防护技术主要有防止触电、弧光辐射、火灾、爆炸和有毒气体与烟尘中毒等。
1.3.1 防止触电焊条电弧焊时,电网电压和焊机输出电压以及手提照明灯的电压等都会有触电危险。
因此,要采取防止触电措施。
或接零。
焊接电缆和焊钳绝缘要良好,如有损坏,要及时修理。
焊条电弧焊时,要穿绝缘鞋,戴电焊手套。
在锅炉、压力容器、管道、狭小潮湿的地沟内焊接时,要有绝缘垫,并有人在外监护。
使用手提照明灯时,电压不超过安全电压36V,高空作业时不超过12V。
高空作业时,在接近高压线5m或离低压线2.5m 以内作业,必须停电,并在电闸上挂警告牌,设人监护。
万一有人触电,要迅速切断电源,并及时抢救。
1.3.2 防止弧光辐射焊接电弧强烈的弧光和紫外线对眼睛和皮肤有损害。
焊条电弧焊时,必须使用带弧焊护目镜片的面罩,并穿工作服,戴电焊手套。
多人焊接操作时,要注意避免相互影响,宜设置弧光防护屏或采取其他措施,避免弧光辐射的交叉影响。
6 级以上大风时,没有采取有效的安全措施不能进行露天焊接作业和高空作业,焊接作业现场附近应有消防设施。
电焊作业完毕应拉闸,并及时清理现场,彻底消除火种。
1.3.3 防止火灾在焊接作业点火源10米以内、高空作业下方和焊接火星所及范围内,应彻底清除有机灰尘、木材、木屑、棉纱棉丝、草垫干草、石油、汽油、油漆等易燃物品。
如有不能撤离的易燃物品,诸如木材、未拆除的隔热保温的可燃材料等,应采取可靠的安全措施,如用水喷湿,覆盖湿麻袋、石棉布等。
1.3.4 防止爆炸在焊接作业点10 米以内,不得有易爆物品,在油库、油品室、乙炔站、喷漆室等有爆炸性混合气体的室内,严禁焊接作业。
没有特殊措施时,不得在内有压力的压力容器和管道上焊接。
在进行装过易燃易爆物品的容器焊补前,要将盛装的物品放尽,并用水、水蒸气或氮气置换,清洗干净:用测爆仪等仪器检验分析气体介质的浓度;焊接作业时,要打开盖口,操作人员要躲离容器孔口。
1.3.5 防止有毒气体和烟尘中毒焊条电弧焊时会产生可溶性氟、氟化氢、锰、氮氧化物等有毒气体和粉尘,会导致氟中毒、锰中毒、电焊尘肺等,尤其是碱性焊条在容器、管道内部焊接更甚。
因此,要根据具体情况采取全面通风换气、局部通风、小型电焊排烟机组等通风排烟尘措施。
1.4 焊接工艺参数对Q235焊接性能的影响Q235属于对焊接方法的选择无特殊要求,焊条电弧焊、埋弧焊、气体保护焊、电渣焊、氩焊等焊接方法均可采用。
本实验采用的是最常用的焊条电弧焊。
焊接时,为保证焊接质量,必须选择合理的工艺参数,所选定的焊接工艺参数总称为焊接工艺规范。
例如,手工电弧焊的焊接工艺规范包括:焊接电流、焊条直径、焊接速度、电弧长度和多层焊焊接层数等,其中电弧长度和焊接速度一般由操作者在操作中视实际情况自行掌握,其他参数均在焊接前确定。
1.4.1 焊条直径焊条直径根据焊件的厚度和焊接位置来选择。
一般,厚焊件用粗焊条,薄焊件用细焊条。
立焊、横焊和仰焊的焊条应比平焊细。
焊条直径是根据焊件厚度、焊接位置、接头形式、焊接层数等进行选择的。
1)对根部要求均匀焊透的Ⅰ形坡口角接、T形接、搭接焊缝和背面根部底焊的对接焊缝,焊条直径可根据焊件厚度进行选用。
2)焊件厚度相同但所处焊接位置不同,应选用不同直径的焊条。
如在横焊、立焊焊接时,很少使用直径5.0mm的焊条。
3)不同的接头形式应选用不同直径的焊条。
如T形接头、搭接接头,由于散热条件比对接接头好,所以可选用较粗直径的焊条。
4)开坡口的接头第一层打底焊时应选用直径较细的焊条,如对接接头打底焊时可选用直径3.2mm的焊条,其余各层可选用直径4.0mm的焊条。
5)平焊低碳钢时, 焊条的直径与焊件的厚度有一个大体的对应关系。
1.4.2 焊缝的空间位置按焊缝在空间所处的位置,可分为平焊、仰焊、立焊和横焊四种。
其中平焊操作方便,易于保证焊接质量,生产率高,应尽可能地应用。
其他位置施焊,金属液因重力作用容易下流,施焊困难,应尽量避免。
若确需采用这些位置时,应采取一定的焊接措施。
因此在做此次实验时采用的是平焊。
1.4.3 焊接电流和焊接速度焊接电流是影响焊接接头质量和生产率的主要因素。
电流过大,金属熔化快,熔深大、金属飞溅大,同时易产生烧穿、咬边等缺陷;电流过小,易产生未焊透、夹渣等缺陷,而且生产率低。
确定焊接电流时,应考虑到焊条直径、焊件厚度、接头型式、焊接位置等因素,其中主要的是焊条直径。
可根据生产经验选择焊接电流:看飞溅,焊接电流大致使电弧力增大。
飞溅大;焊接电流小时电弧力小,熔渣与铁水不易分清。
看焊缝成型:焊接电流大容易咬边,余高小;焊接电流小,焊缝窄而高。
看焊条熔化状况:焊接电流大,焊条熔化快而发红,焊接电流小容易粘弧。
一般,细焊条选小电流,粗焊条选大电流。
焊接低碳钢时,焊接电流和焊条直径的关系可由下列经验公式确定:I=(30~40)d式中:I为焊接电流(A),d为焊条直径(mm)。
由于老师已指定焊条直径为3.2mm,且为平板堆焊,合适电流应在96A~128A之间,为了比较不同电流对焊缝的影响,我们组在实验中选用了四个焊接电流,分别是80A、100A、120A、140A.我在实验中用的焊接电流为120A。
焊接速度是指焊条沿焊缝长度方向单位时间移动的距离,它对焊接质量影响很大。
焊速过快,易产生焊缝的熔深浅、熔宽小及未焊透等缺陷;焊速过慢,焊缝熔深、熔宽增加,特别是薄件易烧穿。
确定焊接电流和焊接速度的一般原则是:在保证焊接质量的前提下,尽量采用较大的焊接电流值,在保证焊透且焊缝成形良好的前提下尽可能快速施焊,以提高生产率。
1.4.4 焊件坡口根据设计或工艺需要,在焊件的待焊部位加工出一定几何形状的沟槽称为坡口。
手弧焊时,当被焊工件较薄(板厚≤6mm)时,可采用I型坡口,当焊件厚度大于6mm时,为了保证焊缝区焊透,按板厚的不同,需要在接头处开出一定形状的坡口。
本实验只是为观察不同焊接电流条件下的组织和力学性性能,并且由于时间和技术有限,虽然板厚为12mm,并未开破口。
根据施焊金属件的空间位置,常见的焊接接头型式有:对接接头、搭接接头、角接接头和丁字接头等。
其中对接接头受力均匀,是应用最多的接头型式。
搭接接头受力时将产生附加弯矩,而且消耗金属量大,但不需开坡口,装配尺寸要求不高。
1.4.6 焊接电压和电弧长度的选择焊条电弧焊中电弧电压不是焊接工艺的重要参数,一般不须确定。
但电弧电压是由电弧长度来决定的,电弧长则电弧电压高,反之则低电弧长度是焊条芯的融化端到焊接熔池表面的距离。
它的长短的控制主要取决于焊工的知识、经验和技巧。
在焊接过程中,电弧长短直接影响焊缝的质量和成形。
如果电弧长,电弧飘摆,燃烧不稳定,飞溅增加,熔深小,熔宽大,易形成气孔缺陷。
电弧短,则经常出现短路。
正常的电弧长度可用经验公式来确定,即: L=( 0.5~1) d(d 为焊条直径)。
电弧长度往往是个抽象的概念,判断时可根据具体的情况灵活掌握。
实际操作中,电弧长,则电弧发出“呼呼”的响声,且熔深浅,焊缝中出现水珠状的铁水;电弧短时,铁水和熔渣分辨不清,有时会看到铁水淹没焊条末端,看不到熔池形状;电弧适中时,可看到熔池与母材有两条清晰的界限,熔池形状呈桃状,铁水与熔渣有明显的层次感。
2实验过程电弧焊作为一种熔化焊,是通过加热使被焊金属的联接处达到熔化状态,焊缝金属凝固后实现金属的焊接。
焊接接头处[2]的焊缝金属和母材具有交互结晶的特征,图2-2为母材和焊缝金属交互结晶的示意图。
由图可知,焊缝金属与联接处母材具有共晶现象,即熔池金属的结晶是从熔合区母材的半熔化晶粒上开始向焊缝中心成长的。
这种结晶形式称为交互结晶或联生结晶。
当晶体最易长大方向与散热最快方向一致时,晶体便优先得到成长,有的晶体由于取向不利于成长,晶粒的成长会被遏止。