脚手架受力计算
- 格式:doc
- 大小:60.00 KB
- 文档页数:4
可编辑修改精选全文完整版脚手架计算书一.计算条件:本工程脚手架采用扣件式钢管脚手架,用于地上及地下室部分,双排脚手架用在外墙的施工,悬挑脚手架用在裙楼的施工,满堂脚手架用于顶板支撑。
脚手架立杆横距b=1.05m,立杆纵距l=1.50m,脚手架步距h=1.80m。
内立杆距建筑物外墙皮距离为0.5米,铺设5cm 厚木脚手板。
连墙件的竖向距离H=2h=3.60m,水平距离L1=3l=4.5m。
脚手架钢管规格为Ф48×3.5,钢管、挡脚板、安全网、护拦等自重查阅相关建筑结构荷载规范,施工荷载Q k=3.0KN/m2。
二.扣件式钢管脚手架荷载的传递与计算简图该工程脚手架的受力均可简化为:脚手板---横杆---立杆---基础,扣件是脚手架的连接件和传力杆,因脚手架在纵向设有足够的剪刀撑,因而脚手架的纵向刚度比横向抗弯刚度大得多,故可将扣件式钢管脚手架的验算简化为由横向两立柱与小横杆组成的一榀脚手架为计算单元,若上下步脚手架传递荷载的横杆分别装于立柱的不同侧面。
则有利于减小因扣件联结对立柱所产生的偏心受荷影响,使偏心减小至最小限度。
因此荷载的偏心影响可以忽略不计,因此,脚手架的计算简图可简化为:三.验算脚手架的整体稳定性脚手架结构的整体稳定性验算按下公式计算:N /(ΦA)≦K A K Hƒ其中:N——压杆的轴心压力,按N=1.2(n.N GK1+N GK2)+1.4N QK计算N GK1——脚手架一步一纵距自重产生的轴心力,查相关规范。
(取值为0.442KN)N GK2——脚手板、栏杆、安全网等一步一纵距产生的轴心力,查相关规范。
(取值为2.95KN)N QK——一个纵距内脚手板上堆积物、各操作人员等标准荷载所产生的轴力,查相关规范。
(取值为6.3KN)———脚手架的步距数。
A———脚手架内、外排立杆的毛截面积之和。
Ф———压杆整体稳定性系数,换算长细比λoX= λXK H———高度调整系数:K H=1/[1+(H/100)]。
施工方案脚手架受力计算1. 引言脚手架是在建筑施工过程中必不可少的工具之一,它支撑着工程的搭建与施工。
在搭建脚手架时,施工方案的合理性和安全性是至关重要的。
其中,脚手架的受力计算是确保脚手架稳定性和承重能力的重要环节。
本文将介绍施工方案脚手架受力计算的相关内容。
2. 脚手架的受力情况脚手架在施工过程中会受到各种力的作用,包括水平力、垂直力、倾斜力等。
为了确保脚手架的安全稳定,需要对脚手架的受力情况进行详细的计算。
在脚手架的受力计算中,需要考虑以下几个重要因素:2.1. 脚手架的自重脚手架自身的重量是脚手架受力计算的基础。
自重包括横杆、立杆、加强杆等构件的重量。
在计算过程中,需要考虑不同构件的长度、直径和材质等因素。
2.2. 施工荷载施工过程中会有一定的荷载作用于脚手架,包括工人的活动荷载、施工材料的重量荷载等。
这些荷载会对脚手架产生一定的影响,需要进行准确的计算。
2.3. 风荷载脚手架在户外施工时,会受到风力的影响。
风力可能会对脚手架产生水平力,从而对整个结构产生影响。
因此,在脚手架的受力计算中,需要考虑风荷载的作用。
3. 脚手架受力计算的方法脚手架的受力计算可以采用传统的静力学方法进行,包括平衡条件和力的平衡方程等。
以下是脚手架受力计算的一般步骤:3.1. 统计脚手架构件的数量和尺寸首先,需要统计脚手架构件的数量和尺寸。
包括横杆、立杆、加强杆等构件的数量和长度,以及构件的材质和直径等信息。
3.2. 计算脚手架的自重根据脚手架构件的数量和尺寸,可以计算脚手架的自重。
自重的计算可以根据不同构件的密度和长度进行估算。
3.3. 计算施工荷载根据施工过程的具体情况,计算施工材料的重量和工人的活动荷载。
这些荷载可以根据实际情况进行估算或者通过测量获得。
3.4. 考虑风荷载根据施工现场的环境和风力等级,考虑风荷载对脚手架的作用。
风荷载的计算可以根据相关的风荷载标准进行。
3.5. 进行受力计算综合考虑脚手架的自重、施工荷载和风荷载等因素,进行受力计算。
脚手架计算公式脚手架计算书1、脚手架相关力学计算条件根据檐高和施工的需要,搭设脚手架的高度为H=74.20m(考虑到屋顶局部高处因此均按80m计算)、立杆横距Lb=1.05m、立杆纵距L=1.20m,大横杆步距h=1.2m,横向水平杆靠墙一侧外伸长度,300mm,铺5cm厚木脚手板4层,同时施工2层,施工荷载按结构施工时取Qk=4KN/M2,(装修时荷载考虑两层同时作业,每两米按一人操作计算,人边放一个300mm高直径500mm的灰斗,架体脚手板上排放两箱外墙面砖),连墙杆布置为两步三跨(2h×3L),钢管为φ48×3.2,基本风压W0,0.35KN/m2,采用密目立网全封闭,计算脚手架的整体稳定。
其它计算参数查《建筑施工扣件式钢管脚手架安全技术规范》及《建筑施工计算手册》知:立杆截面面积A=489mm2(由于使用旧钢管,考虑到磨损,钢管壁厚按3.2mm计算,则截面面积A=458mm2),钢管回转半径i=1.58cm,截面模量W=5.08cm3,钢材抗压强度设计值f,205N/mm2,脚手架钢管重量为0.0384KN/m,扣件自重为0.014KN/个,木脚手板的自重0.35KN/m2,密目网(密度为2300目/100cm2)的自重0.005KN/m2,挡脚板、栏杆的自重0.14KN/m。
2、纵向水平杆计算:脚手架属于双排扣件式钢管脚手架,施工荷载由纵向水平杆传至立杆,只对纵向水平杆进行计算,按三跨连续梁计算,计算简图如下抗弯强度按下式计算σ, ?fM,0.175F?LF—由横向水平杆传给纵向水平杆的集中力设计值,F=0.5qlb(1+ )2 q―作用于横向水平杆的线荷载设计值;q= (1.2Qp+1.4QK)?S1Qp―脚手板自重,0.35 KN/m2;QK―施工均布荷载标准值(装修施工时为2KN/M2)取QK=3KN/M2;f―Q235钢抗弯强度设计值,按规范表5.1.6采用,f,205N/mm2;S1―施工层横向水平杆间距,取S1=1200mm;1.4―可变荷载的荷载分项系数;a1―横向水平杆外伸长度,取a1,300mm,柱距,取 =1050mm,排距,取 =1200mmW,截面模量,按规范附录B表B取值,W=5.08cm3;σ,,, ,f= ,满足要求挠度验算= (与10mm)式中 -由横向水平杆传给纵向水平杆的集中力标准值,=4.16mm, =1200/150= 8mm,满足要求。
通道改道计算书13.6.1 编制依据(1)《建筑施工扣件式钢管脚手架安全技术规范》(JGJ130-2011)(2)《钢结构设计标准》(GB50017-2017)(3)《热轧型钢》(GB-T706-2016)(4)《结构用冷弯空心型钢》(GBT6728-2017)13.6.2 荷载计算本次计算取通道宽度的一半作为研究对象。
荷载计算取值参照《建筑施工扣件式钢管脚手架安全技术规范》(JGJ130-2011)。
1)永久荷载花纹钢板自重:0.75×1×0.004×7.85×10=0.236KN/m栏杆、脚手板挡板自重:0.17KN/m3根1.2m长钢管:0.143KN/m栏杆及木脚手板总自重:0.17+0.143=0.313 KN/m密目网自重:1.2×0.01=0.012KN/m角钢自重:15.1×10×10-3=0.151 KN/m矩管自重:5.187×0.75×2=0.078 KN/m永久荷载MG=0.236+0.313+0.012+0.151+0.078=0.79 KN/m2)施工荷载施工活载MQ=3×0.75=2.25KN/m3)设计荷载值则q=1.2MG+1.4MQ=1.2×0.79+1.4×2.25=4.1KN/m13.5.3方钢计算1)抗弯强度方钢80*40*3截面模量W=8.776×10-6m3弯矩公式:Mmax=0.125ql2=0.125×4.1×103×1.52=1.153×103N·m抗弯强度σ=Mmax/W=1.153×103/(8.776×10-6)=1.314×108 N/m2<[f]=2.15×108 N/m22)挠度计算弹性模量E=2.06×105N/mm 2角钢惯性矩I=17.552cm 4挠度公式:43411855 4.110 1.515000.00757.510384384 2.061017.55210150150ql l m mm mm EI υ-⨯⨯⨯====<==⨯⨯⨯⨯满足要求。
脚手架受力计算及稳定性验算一、荷载计算可调立杆承受荷载分为恒载和活载,活载主要为风载及施工中产生的动载,由于风载和施工动载影响很小,计算中不予考虑。
恒载:Gk=Gk1+Gk2Gk1─混凝土自重,混凝土比重ρ=3000Kg/m3,考虑最不利情况下混凝土自重主要有框架梁、框架柱及钢筋重量,其中钢筋考虑2400kg。
Gk2─脚手架自重,可调支撑钢管Φ48×3.5,自重3.84kg/m,扣件取1.32kg/个。
Gk1=(0.5×1.0×6.6+0.5×1.0×7)×3000+2400=22800kgGk2=(2.5×6+3.5×6)×3.84+18×1.32=162kg则Gk=Gk1+Gk2=22800+162=22962kg单根立杆承受荷载Gk=22962÷6=3827kg(38.27kN)二、可调支撑杆支座承载力及地基承载力验算1、可调支撑杆底座验算N≤Rb,其中Rb取40 kN。
N=38.27 kN<Rb=40 kN,满足要求。
2、可调支撑杆的地基承载力验算N/Ad≤K*f kAd—可调支撑底面积,取0.01m2。
k—混凝土面,取1.0。
f k—地基承载力标准值。
根据试验取40Mpa。
N/Ad=38.27/0.01=3.83×103kN/m2<40Mpa三、可调支撑杆稳定性验算N/ψA≤fψ—轴心受压构件稳定系数。
λ—长细比,λ=L0/ⅰ。
f—钢材抗压强度设计值,取205N/mm2。
L0=kμh,其中k取1.155,μ取1.05,h取0.35。
则L0=1.155×1.05×0.35=0.42。
经查表得ⅰ=1.58cm,ψ=0.97。
截面面积A=4.89cm2。
N/ψA=38.27/(0.927×4.89×10-4)=84×103kN<205×103kN,满足要求。
脚手架计算书一、永久荷载1、基本物架杆配件自重:每平米竖向架面的平均自重g k1=1/ah[(2h+a+b)g1+g3(a+2h)/6+4g1]=1/(1.3*1.5)[(2*1.5+1.3+.13)*38.4+(1.3+1.5*2)/6*18.4+4*13.2]=144.12N/m22、整体作用杆件自重:剪刀撑每隔六跨度一道,计算单元按两道算:1)、剪刀撑:G1=2*8.5*38.4=652.8N2)、连墙件:水平向按4米,竖向按4.2米,计算单元按6个计算。
G2=[(2*1.2+2*2)*38.4+4*13.2]*6=1791.36N 3)、全架性安全网:立网:G3=6*6*0.002=0.072N平网:G4=1*3*6*0.002=0.036N4)、整体作用杆件与基本物架连接时,所用的直角扣件与旋转扣件数量:a、剪刀撑固定在与之相交的横向水平杆的伸出端或立柱上所用旋转扣件为5*2=10个: G5=10*14.6=146Nb、整体作用杆件每平米坚向架面的平均自重荷载g k2=∑(1/si)[li(gi+g3/5)+ng K2]=1/(6*7.2)[652.8+179.36+0.072+0.036+146]=60.09N/m2二、可变荷载和作业层荷载1、作业层面上的施工荷载,考虑脚手架主要起围护作用,取为2KN/m22、作业层架面材料荷载脚步手板及非基本构架杆件的支承杆荷载脚手板用220*48*4000 自重为300N/块q K2=g Ka/a1b1+g Kb/s b=300/(0.22*4)+(2*1.3*38.4)/(4*0.8)=372.1N/m2=0.37KN/m23、作业层防护设施材料荷载挡脚板用220*48*4000的松木板,作业层按一层考虑。
g K3=∑q Ki/Li=300/4=75N/m一、风荷载及其计算1、风荷载标准值的计算式:wk=0.7μs*μz*w0查得:大庆市w0=0.30KN/m2风压高度糸数为μz/=1.36风荷载体型变化糸数μs=1.3ψψ=挡风面积/迎风面积取ψ=0.089 μs=0.12 wk=0.7*0.12*1.36*0.3=0.034KN/m2承载能力计算一、小横杆1、强度:M=ql2/8[1+(a1/lb)2]=(4.3*0.82/8)*[1-(0.3/0.8)2]=0.30KN·m=0.36*106N·mm W=π/32D*(D4-d4)=3.14/(32*48)*(484-412)=5.075*103正应力σ=M/W=(0.36*106)/(5.075*103)=59.1N/mm259.1N/mm2<205N/mm2符合要求2、挠度:因q K=(q K2+2)*1.5=3.56KN/m 查资料E=206*103N/mm2I=π/64*(D4-d4)=3.14/64*(484-414)=1.21*105mm2所以:y=q k al3/48EI*(6a2/l2+6a3/l3-1)=(3.56*300*8003)/(4.8*206*103*1.21*105)*[6*(0.3/0.8)2+6*(0.3/0.8 )3-1]=0.073mm<[μ]=l/150=5.3mm<10mm二、纵向水平杆:由于作业面荷载主要通过主节点传给立杆,所以纵向水平杆的强度和挠度不需要验算。
各种脚手架计算规则脚手架是一种用于支撑建筑、维修和装修工程的临时结构,以保证人们的安全和工作的顺利进行。
而脚手架计算规则则用于确定脚手架的设计和使用参数,以保证其稳定性和承载能力。
一、主要脚手架计算规则如下:1.轴力平衡原则:脚手架的立杆、水平杆、斜杆等构件应满足受力平衡的要求,即杆件承受的受力等于外加在其上的力的合力。
2.过载系数:为了保证脚手架的安全可靠,必须考虑工作荷载的不确定性,通常需要增设过载系数,来增加脚手架的承载能力。
过载系数一般根据脚手架的使用类别、工作环境和使用年限等进行确定。
3.自重计算:脚手架自身的自重是需要考虑的重要因素,通常需要根据脚手架的材料和结构进行计算,并将其考虑在内,以获得有效的承载能力。
4.构件间距:为了保证脚手架的稳定性和刚度,各个立杆、水平杆和斜杆之间的间距需要满足一定的要求。
通常,立杆和水平杆之间的间距不得超过脚手架工作高度的1/3,斜杆与立杆之间的间距不得超过脚手架的高度。
5.连接方式:脚手架的连接方式也是需要进行计算的重要因素。
合理的连接方式可以保证脚手架的稳定性和刚度,并减少构件的应力集中。
常见的连接方式有焊接、套接和螺栓连接等,需要根据实际情况进行选择。
6.材料强度计算:脚手架的构件和连接件的材料强度也是需要考虑的重要因素。
通常根据构件和连接件的材质和规格进行计算,并根据相关的国家标准和规范,确定其强度和承载能力。
二、其他脚手架计算规则如下:1.风载荷计算:在户外或高层建筑施工中,风的作用是重要的荷载之一、需要根据当地的风速、风向和脚手架的高度等因素,计算得到脚手架的风载荷,以确保脚手架的稳定性。
2.地基承载力计算:脚手架需要支撑在地面或其他支撑面上,需要结合地基的性质和承载能力,计算得到脚手架在地基上的承载能力,以保证脚手架的稳定和安全。
3.地震力计算:在地震区域的施工现场,需要根据地震区划、设计水平和脚手架的高度等因素,计算得到脚手架的地震力,并进行合理的构造设计,以保证脚手架在地震中的稳定性。
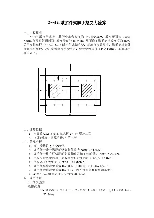
2~4#墩扣件式脚手架受力验算一、工程概况2~4#墩位于水上,其所处承台宽度为850×950cm,墩身断面为250×200cm倒圆角矩形断面,墩身最高为16.751m,从而施工脚手架搭设高度为18m,采用双排单根(48×3.5mm)满扣件式脚手架,就墩身位置尺寸,脚手架横向外排要挑出承台,故在浇筑承台混凝土时,要设钢预埋件(15×15cm),其具体布置图如下。
二、计算依据1、南百路CK3+875右江大桥2~4#墩施工图2、〈〈简明施工计算手册〉〉第二版三、荷载分析1、施工荷载取q=4KN/M2;2、脚手架一步一纵距的钢管扣件重力N GK1=0.442KN;3、脚手架一根立杆纵距的附设物件及施工物的重力N GK2=2.950KN;4、一根立杆纵距的施工荷载标准值产生的轴力NQK=8.40KN;5、格构式压杆允许轴力ФAƒ=34.362KN;6、脚手架高度调整系数K H=100/(100+H)(H=18m<25m);7、脚手架截面调整系数K A=0.85(内外排均立杆均采用单根);8、48×3.5mm钢管允许压应力为205N/mm2。
四、受力验算1、高度验算极限高度H=(0.85×34.362-1.3(1.2×2.95+1.4×8.4)×1.8/(1.2×0.442)=31.62m;安全施工最大高度Hmax=100/(100+31.62)=24.0m>18m可见,该施工脚手架搭设高度是安全的。
2、不考虑风载时,脚手架立杆的整体性验算立杆轴心受力N=1.2(10×0.442+2.95)+1.4×8.4=20.604KN格构式立杆长细比=1.8×3/(1.5÷2)=10.29由表7-10查得长细比系数 u=20 20×10.29=205.8 由表7-8查得其稳定系数 =0.172立杆受力截面A=4.893×102mm2立杆截面受力=20.604×103/(0.172×3×4.893×102)=81.6N/mm2最大整体稳定受力=KA ×KH׃=0.85×0.8×205=139.4 N/mm2>81.6 N/mm2可见,该脚手架立杆整体性良好。
1)、脚手架杆件采用外径48mm、壁厚3.0mm的焊接钢管,其力学性能应符合国家现行标准《碳素结构钢》GB/T700-2006中Q235A钢的规定,用于立杆、大横杆、斜杆的钢管长度为4-6米,小横杆、拉结杆2.1-2.3米,使用的钢管不得有弯曲、变形、开焊、裂纹等缺陷,并涂有防锈漆作防腐处理,不合格的钢管决不允许使用。
2)、扣件使用生产厂家合格的产品,并持有产品合格证,扣件锻铸铁的技术性能符合《钢管脚手架》GB15831-2006规定的要求,对使用的扣件要全数进行检查,不得有气孔、砂眼、裂纹、滑丝等缺陷。
扣件与钢管的贴合面要严格整形,保证与钢管扣紧的接触良好,扣件夹紧钢管时,开口处的最小距离不小于5mm,扣件的活动部位转动灵活,旋转扣件的两旋转面间隙要小于1mm,扣件螺栓的拧紧力距达60N.M时扣件不得破坏。
3)、木脚手板的选用必须严格,脚手板材质坚硬,不腐烂,横向裂纹不得大于四分之一板宽,脚手板宽一般为200~300mm,厚度不小于50mm。
脚手板端部(80mm~100mm处)用铁皮或铁丝扎紧2-3圈。
竹笆板的选用必须严格,竹笆宜采用毛竹或南竹制作,进场竹笆必须紧密、有良好的韧性及弹性模数。
楼板厚度大部分为h=100,局部120、180厚。
框架梁以200*700、 200*600为主,次梁为200*500、200*400等,预留洞口设置梁结构,尺寸为200*300、200*400等。
结合本工程结构形式、实际施工特点,室内采用满堂脚手架模板支撑体系来满足梁、板的施工。
必须保证其整体性和抗倾覆性。
1、基本要求(1)搭设楼地面应平整且保证混凝土楼板的承载力达到要求,立杆下垫短木方并加设扫地杆。
(2)剪刀撑:四边连续设剪刀撑,应由下向上连续设置。
2、脚手架的搭设(1)钢管扣件脚手架的搭设工艺流程如下:基础准备→安放垫板→按设计尺寸排放扫地杆→竖立管并同时安纵横向扫地杆→搭设纵横水平杆→搭设剪刀撑→铺脚手板→搭挡脚板和栏杆。
脚手架受力计算:1.立杆设计荷载:K2N=A n{fy+(η+1)σ2-√ ̄[(fy+(η+1)2)2 -fσ]}采用φ48mm,3.5mm厚的钢管:A n=4.893×102 ㎜2 .i=15.78mml0=μl=1386mmλ=l0/I=87.83欧拉临界应力:σ=π2 E/λ2 =269N/mm2η=0.3/(100i)2 =0.12 f y=170N/mm2∴设计荷载N为:N=3.33T2.根据要求,脚手架受力为14T。
考虑安全系数,所以采用间距、步距均为 1.2m,4.8×4.8m形式的钢管脚手架结构,所以轴向力N’=nN=3.33×25>14T。
所以轴向抗压力满足要求。
3.脚手架的受力稳定计算:N≦N d1>. N=1.2(N Gk1+N Gk2)H+0.85×1.4×(∑Nσik+2M k/b)经计算:N Gk1=0.375KN/m N Gk2=0.081KN/m Nσik=σik·l·b=10.37KN/m ∵M k=ql2 /8 q k=w k·l w k=0.7μ2μstwω0 μstw=1.3φ=1.3 ∴M k= ql2 /8=0.972×152 ÷8=27.34KN/m∴组合风荷载下:N=1.2×(0.375+0.081)×15+0.85×1.4×(10.37+2×27.34÷1.2)=74.78KN2>. N d = ·A·f以知φ48mm,35mm厚的钢管I=12.19×104 mm4 A=489mm2 ∴I=√¯(I/A)=15.79mm又∵脚手架高度<30m,所以得调整系数k=1.13λ=kh0/I=85.9将λ=86代入查表可得 =0.686已知脚手架钢材为Q235.f=205N/mm2∴N d = ·A·f=0.686×489×205×10-3×2=137.5KN∴N d >N 脚手架稳定性满足要求。
落地式脚手架受力计算书一、工程概况本工程为_____,建筑高度为_____m,结构形式为_____。
为满足施工要求,需在建筑物周边搭设落地式脚手架。
二、脚手架设计参数1、脚手架搭设高度:_____m。
2、立杆横距:_____m。
3、立杆纵距:_____m。
4、步距:_____m。
5、内立杆距建筑物距离:_____m。
三、荷载计算1、恒载标准值(G1k)每米立杆承受的结构自重标准值:_____kN/m。
脚手板自重标准值:_____kN/m²。
栏杆与挡脚板自重标准值:_____kN/m。
安全网自重标准值:_____kN/m²。
2、活载标准值(Q1k)作业层施工均布荷载标准值:_____kN/m²。
3、风荷载标准值(ωk)基本风压:_____kN/m²。
风压高度变化系数:_____。
风荷载体型系数:_____。
四、纵向水平杆计算1、荷载计算恒载:_____kN/m。
活载:_____kN/m。
2、强度验算最大弯矩:_____kN·m。
弯曲应力:_____N/mm²< f = 205 N/mm²,满足要求。
3、挠度验算最大挠度:_____mm < v = l/150 与 10 mm,满足要求。
五、横向水平杆计算1、荷载计算集中荷载(恒载+活载):_____kN。
2、强度验算最大弯矩:_____kN·m。
弯曲应力:_____N/mm²< f = 205 N/mm²,满足要求。
3、挠度验算最大挠度:_____mm < v = l/150 与 10 mm,满足要求。
六、扣件抗滑力计算1、纵向水平杆单扣件抗滑承载力:_____kN >纵向水平杆传递的最大支座反力,满足要求。
2、横向水平杆单扣件抗滑承载力:_____kN >横向水平杆传递的最大支座反力,满足要求。
七、立杆稳定性计算1、不组合风荷载时轴向压力:_____kN。
外脚手架搭设方案1.外脚手搭设方案1.1编制依据本工程总高度为90米,按照规定,应采用钢管脚手架。
1.2本工程钢管脚手架搭设的概况本工程28层,建筑总高度90米,根据有关规定,应搭设脚手架,方案如下:1.2.1立杆横距选1.05m,立杆纵距选1.5m,立杆间距不大于1.8m,步高1.5m,内侧立管距墙面0.25m,采用φ48×3 .5钢管,十字、旋转、一字形扣件搭设,铺设木脚手板层数为二层,同时进行装修施工二层。
1.2.2原已建建筑物21层,实际需搭设脚手架高度为61.2米,1至3层采用双钢管立杆搭设,即由架子顶往下算50米至61.2米之间采用双排钢管作立杆,21层开始至28层采用悬挑脚手架。
1.2.3脚手架交圈搭设,外排钢管内侧采用密目网封闭围护。
1.3脚手架搭设1.3.1脚手架搭设工艺流程:基础准备→C20素砼垫层→竖立管并同时安扫地杆→搭设水平杆→搭设剪刀撑→铺脚手板→搭挡脚板和栏杆→满张安全网。
1.3.2操作要点:除21层以下部位外,21层以上脚手架配合施工进度搭设,一次搭设高度高出操作层不大于一步架。
1.3.2.1地面上竖第一节立管时,每6跨应暂设一根抛撑与地面夹角为45-60°,直至拉接件搭设好后方拆除。
1.3.2.2底部立管采用不同长度的钢管,立管的联接必须交错布置,相邻立管的联接不应在同一高度,其错开的距离不得小于500mm,并不得在同一步内。
1.3.2.3大横杆应水平设置,钢管长度不小于3跨;接头采用对接扣件连接,内外两根相邻纵向水平管的接头不应在同步同跨内,上下两个相邻接头应错开一跨,其错开的水平距离不应小于500mm.当水平管采用搭接时,其搭接长度不应小于1m,不少于2 个旋转扣件固定,其固定间距不应少于400mm,相邻扣件中心至杆端的距离不应小于150mm.1.3.2.4每根立管的底座向上200mm处,必须设置纵横向扫地杆,用直角扣件与立管固定。
1.3.2.5脚手架在整个长度和高度方向上连续设置剪刀撑;每副剪刀撑跨越立管的根数不应超过7根,与纵向水平杆呈45-60°角。
边坡脚手架计算书(一)边坡支护护坡操作脚手架,其步距为1200,立杆纵横间距均为1500。
1承载力验算:(1)脚手架承受荷载计算:①脚手架承受荷载计算:考虑上人操作和堆物为980N/M2②对操作层荷载(W1)进行计算,附加荷载980N/m2,考虑动力系数1.2,超载系数(其他未考虑因素)取1.5,脚手架自重360N/m2则W1=超载系数×动力系数×(附加荷载+脚手架自重)=1.5×1.2×(980+360)=2412N/m2③非操作层,每层荷载为W2,钢管理论重力为38.4N/m,扣件重力按10N/个,剪刀撑长度近似按对角支撑计算L=(1.82+2.02)=2.69m 每跨脚手架面积=1.5×2=3m2。
则非操作层每层荷载W2为W2=[(步距×2+间距×2+架宽+L×2)×钢管理论重量/m×钢管实际长度系数+扣件重量每跨]/每跨脚手架面积[(1.2m×2+1.5m×2+2m+2.69m×2)×38.4N/m×1.3+10N/个×4个]/3=226N/m2则每根立柱承重:(W1+非操作层数×W2)/立柱根数=(2412N+4×226N)÷4=829Na2:立杆设计荷载计算:采用φ48.3×2.8mm钢管,截面特征查表A=4.893×102mm2i=15.78mml0=μL=0.77m×1=0.77mλ=L0/i=770mm/15.78mm=48.8欧拉临界应力:σ=π2E/λ=3.142×210000/48.82=869MPaη=0.3×(1/100i)2=0.3/(100×0.01578)2=0.12设计荷载N为:N=4.89×102/2×{[17+(1+0.12)×869/2-[(170+(1+0.12)×869/2)-170×869]}N=3×104N通过脚手架承受荷栽,立杆设计荷载计算得知,立杆设计荷载(3×104N)<脚手架承受荷栽(829N)故立杆承载力符合要求。
钢管脚手架的计算参照《建筑施工扣件式钢管脚手架安全技术规X》(JGJ130-2001)。
计算的脚手架为双排脚手架,搭设高度为50.0米,20.0米以下采用双管立杆,20.0米以上采用单管立杆。
搭设尺寸为:立杆的纵距1.20米,立杆的横距1.05米,立杆的步距1.20米。
采用的钢管类型为48×3.5,连墙件采用2步3跨,竖向间距2.40米,水平间距3.60米。
施工均布荷载为4.0kN/m2,同时施工2层,脚手板共铺设3层。
一、小横杆的计算:小横杆按照简支梁进行强度和挠度计算,小横杆在大横杆的上面。
按照小横杆上面的脚手板和活荷载作为均布荷载计算小横杆的最大弯矩和变形。
1.均布荷载值计算小横杆的自重标准值P1=0.038kN/m脚手板的荷载标准值P2=0.300×1.200/3=0.120kN/m活荷载标准值Q=4.000×1.200/3=1.600kN/m荷载的计算值q=1.2×0.038+1.2×0.120+1.4×1.600=2.430kN/m2.抗弯强度计算最大弯矩考虑为简支梁均布荷载作用下的弯矩计算公式如下:M=2.430×1.0502/8=0.335kN.m=0.335×106/5080.0=65.924N/mm2小横杆的计算强度小于205.0N/mm2,满足要求!3.挠度计算最大挠度考虑为简支梁均布荷载作用下的挠度计算公式如下:荷载标准值q=0.038+0.120+1.600=1.758kN/m简支梁均布荷载作用下的最大挠度V=5.0×1.758×1050.04/(384×2.06×105×121900.0)=1.108mm小横杆的最大挠度小于1050.0/150与10mm,满足要求!二、大横杆的计算:大横杆按照三跨连续梁进行强度和挠度计算,小横杆在大横杆的上面。
塔内塔外脚手架的计算脚手架受力计算方法1、恒荷载计算(脚手架壁厚按3mm计算)Gk=Hi(gk1+gk3)+n1lagk2其中:Gk:恒荷载计算标准值;Hi:立杆计算截面积以上的架高;gk1:以每米架高计的架构基结构杆见得自重计算基数;gk1=gak1+n2gbk1其中:n2:边角立杆取0.5,中立杆取1;gak1:在高1m宽1a的构架纵立杆立面内所有杆部件的总重;gbk1:在高1m宽1b的构件横立面内横向平杆段及其连接的总重;n1:同时存在的作业层设置数;gk2:以每米立杆纵距(la)计的作业层面材料的自重计算基数;gk2=n2(gak2+ gbk2+ gck2)其中:gak2:按每米立杆纵距(la)计的作业层脚手架的自重, gak2=0.035δlbδ:脚手板厚度;gbk2:按每米立杆纵距计的架面增设支承杆及其连接件的自重;gck2:按每米立杆纵距计的仅在作业层设置的栏杆、挡脚板和围护材料的自重;gk3:以每米架高计的外立面整体拉杆件和防护材料自重计算基数;gk3= gak3+ gbk3其中:gak3按每米架高计的外立面整体拉接杆件的自重;gbk3按每米架高计的防护杆件和封闭材料自重;2、施工载荷计算(Qk)Qk =nllaqk其中:qk:按每米立杆纵距la计的作业层施工荷载标准值的计算基数;3、风荷载计算(WK)WK=laψωk其中:ψ:取构件部件高h宽la范围内的所有杆件配件迎风投影面积之和与h*l4、计算轴心力设计值NノNノ=1.2(NGK+NQK)NGK =GK NQK =QKMw=0.12qwkh2其中: qwk=WK= laAnωk /Awh:步距;Aw:脚手架立面的迎风面积,Aw=la*hAn:脚手架立面Aw内的挡风面积;W:截面抵抗矩:5*103;5、计算稳定Nノ/(ψA)+Mw/W≤fc/(0.9γノm)其中:fc:钢结构抗压强度设计值;γノ:材料强度附加分项系数;1.56076、脚手架受力计算说明一般脚手架承重不超过270kg,不加扫地杆其承载能力下降约5%,步距由1.2m增到1.8m,承载能力下降26-29%,加横向支撑承载能力提高15%,加纵向支撑(剪刀撑)承载能力增加12%。
脚手架承受力计算1脚手架承受力计算1脚手架是建筑工程中常用的临时支撑结构,用于提供工人在高空作业时的安全工作平台。
脚手架的承受力计算是确保工人的安全的重要环节。
本文将详细介绍脚手架承受力计算的相关知识。
脚手架主要承受两种力:垂直荷载和水平荷载。
垂直荷载通常由工人、材料和设备引起,而水平荷载通常由风压和施工振动引起。
脚手架的承受力计算需要考虑这两种力的作用。
首先,我们来看垂直荷载的计算。
垂直荷载包括自重、人员荷载和材料荷载。
自重可以通过计算脚手架的重量来确定,通常使用脚手架构件的长度、截面积和材料密度进行计算。
人员荷载可以根据工人数量和工作位置来确定,通常每个工人的平均荷载为200kg。
材料荷载包括施工材料和设备的重量,根据实际情况进行计算。
其次,我们来看水平荷载的计算。
水平荷载通常由风压和施工振动引起。
风压可以根据当地的风速和脚手架的高度来确定,通常使用风压系数和脚手架面积进行计算。
施工振动可以根据施工过程中的设备和操作方式来确定,通常使用振动系数进行计算。
脚手架的承受力计算需要满足一定的安全系数。
通常情况下,脚手架的安全系数为4,即脚手架能够承受其设计荷载的4倍。
这是为了确保脚手架在使用过程中的安全性。
脚手架承受力计算还需要考虑脚手架的结构强度。
脚手架的结构强度可以通过静力试验和计算公式来确定。
静力试验是将一定荷载施加在脚手架上,通过测量变形和应力来评估其结构强度。
计算公式可以根据脚手架的结构形式和材料特性来确定,通常使用弹性力学和材料力学的知识进行计算。
总结起来,脚手架承受力计算需要考虑垂直荷载和水平荷载,以及脚手架的结构强度。
计算过程需要考虑脚手架的自重、人员荷载、材料荷载、风压和施工振动等因素,并应用安全系数来确保脚手架的安全性。
脚手架承受力计算是建筑工程中不可或缺的一环,它为工人在高空作业提供了安全的工作平台,促进了工程的顺利进行。
脚手架简图及说明
内立杆离墙距离0.35m;立杆横距1.2m,立杆纵距1.5m。
大横杆步距1.5m,操作层小横杆间距0.8m。
剪刀撑:墙长18m,两端各设一道,中间加设一道,墙长11m,两端各设一道。
连墙杆:每隔4跨设置一根。
护栏和挡脚板:在铺脚手板的操作层上必须设护栏和挡脚板,栏杆高度1.0m。
脚手架稳定性验算
脚手架立杆的整体稳定,按轴心受力格构式压杆计算,其格构式压杆由内、外排立杆及横向水平杆组式。
N/φA≤K A×K H×f
其中N=1.2(n
N GK1+ N GK2 )+1.4N QK
1
N=1.2(1.5×0.411+1.936)+1.4×7.43=13.465(KN)=13465N
则N/φA=13465/0.274×978.11=50.24(N/mm)
K A×K H×f=0.85×0.8×205=139.4(N/mm)
因N/φA< K A×K H×f,故脚手架立杆的整体稳定符合安全要求。
注:N:格构式压杆的轴心压力
N GK1-脚手架自重产生的轴力,查表为0.411KN
N GK2-架手架附件及物体产生的轴力,查表得1.936KN
N QK--个纵距内脚手架施工荷载标准值产生的轴力,查表得7.43
n1-脚手架步距,为1.5m
φ:压杆整体稳定系数,查表得0.274
A:内外排立杆的毛截面之和
K A:与立杆截面有关的调整系数为0.85
K H:与脚手架高度有关的调整系数为0.8
H:脚手架高度
f:钢管的抗弯、抗压强度设计值,f=205N/mm2
上公式及有关数据表出自中国建筑出版社《建筑施工计算手册》。
脚手架危险分析。