落地脚手架楼板承载力计算书.
- 格式:doc
- 大小:6.68 MB
- 文档页数:23
脚手架荷载计算书一、工程概述本次脚手架搭建工程位于具体工程地点,主要用于具体施工用途,如建筑外墙施工、装修等。
脚手架的搭建高度为具体高度,立杆间距为具体间距,横杆步距为具体步距。
二、荷载分类在进行脚手架荷载计算时,需要考虑以下几种荷载类型:1、恒载(永久荷载)脚手架结构自重,包括立杆、横杆、剪刀撑、扣件等构配件的自重。
脚手板自重,根据所选用的脚手板类型和铺设层数计算。
栏杆、挡脚板自重。
2、活载(可变荷载)施工荷载,按照施工过程中的人员、材料和设备的重量计算。
风荷载,根据当地的气象资料和建筑高度计算。
三、荷载取值1、脚手架结构自重立杆:根据所选钢管的规格和长度,计算每米立杆的自重。
横杆:同样根据钢管规格和长度,计算每米横杆的自重。
剪刀撑:考虑其布置方式和钢管长度,计算自重。
扣件:按每个扣件的重量乘以扣件数量计算。
2、脚手板自重选用具体脚手板类型,如竹笆脚手板、木脚手板等,其自重标准值为具体数值kN/m²。
根据铺设层数和面积计算总自重。
3、栏杆、挡脚板自重栏杆自重标准值为具体数值kN/m,挡脚板自重标准值为具体数值kN/m。
4、施工荷载一般取值为具体数值kN/m²,考虑施工过程中的人员和小型工具、材料的重量。
5、风荷载风荷载标准值按下式计算:ωk =07μzμsω0其中,ω0 为基本风压,根据当地气象资料取值;μz 为风压高度变化系数,根据脚手架所在高度和地面粗糙度确定;μs 为风荷载体型系数,根据脚手架的封闭情况和挡风系数计算。
四、荷载组合在计算脚手架的稳定性和强度时,需要按照不同的工况进行荷载组合。
一般考虑以下两种组合:1、承载能力极限状态组合一:由恒载控制,荷载组合为 135 恒载+ 14×07 活载。
组合二:由活载控制,荷载组合为 12 恒载+ 14 活载。
2、正常使用极限状态组合:恒载+活载五、立杆稳定性计算1、不组合风荷载时计算公式:N/(φA)≤f其中,N 为立杆所受的轴力设计值,根据荷载组合计算;φ 为轴心受压构件的稳定系数,根据立杆的长细比查表得到;A 为立杆的截面面积;f 为钢材的抗压强度设计值。
脚手架的设计计算书1.本脚手架计算依据:《建筑施工扣件式钢管脚手架安全技术规范》(JGJ130—2001)(以下简称规范) 《建筑施工手册》第三版(以下简称手册)2,计算时所用的基本数据:基本风压为0.45KN/m 2。
施工荷载Q k =3KN/m 2。
木脚手板自重标准值Q p1=0.35 KN/m 2,栏木、挡脚板自重标准值Q p2=0.14 KN/m 。
3.计算项目:一).纵向、横向水平杆的强度计算1.纵向水平杆的强度计算(1)抗弯强度计算横向水平杆向内侧挑出距离为300mm ,按200mm 计算 F=2121)1(bb l a ql +=0.5×3.465×1.05×(1+05.12.0)2 =2.578KNM max 0.175Fl a =0.175×2.578×1.5=0.677KN ∙m 抗弯强度 σ=WM max =361008.510677.0⨯⨯=133.27 N/mm 2 < f=205N/mm 2 满足要求(2)挠度计算υ=EI Fl a 100146.13=45331019.121006.2100150010578.2146.1⨯⨯⨯⨯⨯⨯⨯=3.97mm<1501500=10mm 满足要求(3)纵向水平杆与立杆连接扣件的抗滑承载力计算:2.15×2.578=5.5427KN<R c =8KN满足要求2.横向水平杆的强度计算(1)抗弯强度计算作用于横向水平杆弯矩设计值:M=1.2GK M +1.4∑Q K M则: M max =1.282b Gk l q ∙+1.482b Qk l q ∙ =805.1)75.034.175.035.02.1(2⨯⨯⨯+⨯⨯ =0.478KN ∙m查规范得:截面模量W=5.08cm 3Q235钢抗弯强度设计值σ =WM max =361008.510478.0⨯⨯=94.09N/mm 2 < f=205N/mm 2 满足要求(2)挠度计算查规范得:弹性模量E=2.06×105 N/mm 2惯性矩I=12.19cm2 作用于横向水平杆线荷载设计值:q=1.2×0.35×0.75+1.4×3×0.75=3.465 N/m则挠度为:υ =EI ql b 38454=4541019.121006.23841050465.35⨯⨯⨯⨯⨯⨯=2.18mm<1501050=7mm 同时也小于10mm满足要求二).立杆的稳定性计算1.长细比计算:查规范得:k=1.155u=1.50i =1.58cm立杆计算长度o l =kuh=1.155×1.5×1.8=3.1185m长细比λ=i l o =58.1101185.32⨯=197.37<210(《冷弯薄壁型钢结构技术规范》) 满足要求2.风荷载产生的立杆弯矩:(1)密目安全网挡风系数计算安全网ϕ=wn A A 2.1=100)0013.02300100(2.1⨯-=0.841 查规范得敞开双排扣件钢管脚手架挡风系数脚手架ϕ=0.089则:ϕ=安全网ϕ+脚手架ϕ=0.841+0.089=0.868(2)风荷载标准值计算查规范得z μ=1.35s μ=1.3ϕ=1.1284则:k w =0.7z μs μo w =0.7×1.35×1.1284×0.45=0.48KN/m(3)风荷载产生的立杆弯矩:w M =0.85×1.4wk M =104.185.02h l w a k ⨯ =108.15.148.04.185.02⨯⨯⨯⨯ =0.278KN ∙m3.立杆段轴向力设计值N 计算:(1)组合风荷载时:查规范得脚手架结构自重标准值:K g =0.1248KN/m木脚手板自重标准值(按满铺二层计算):∑1P Q =2×0.35=0.7 N/M 2 栏杆、挡脚板自重标准值:2P Q =0.14 KN/m施工均布活荷载标准值:K Q =3KN/m则:脚手架结构自重标准值产生的轴向力:K G N 1=S H K g =20×0.1248 =2.496 KN构配件自重标准值产生的轴向力:K G N 2=21(b l +0.3)∑1P a Q l +2P Q a l =21(1.05+0.3)×1.5×0.7+0.14×1.5 =0.919 KN施工荷载标准值产生的轴向力总和:∑Q K N =21(b l +0.3)K a Q l =21(1.05+0.3)×1.5×3 =3.038KN组合风荷载时立杆段轴向力设计值:N=1.2(K G N 1+K G N 2)+0.85×1.4∑Q K N=1.2×(2.496+0.919)+1.4×3.038=7.713KN4.组合风荷载时立杆稳定性计算:查规范得:轴心受压构件的稳定系数ϕ=0.186立杆截面面积A=4.89cm2 截面模量W=5.08cm 3则:A N ϕ+W M W =231089.4186.01013.7.7⨯⨯⨯+3331008.51010278.0⨯⨯⨯ =139.53N/mm 3<f=205 N/mm 3满足要求5.不组合风荷载时立杆稳定性计算: A N ϕ=231089.4186.010351.8⨯⨯⨯ =91.82 N/mm 3<f=205 N/mm 3满足要求三).连墙件的强度、稳定性、连接强度计算1.扣件的抗滑承载力计算每个连墙件覆盖的脚手架面积:w A =a l h 32∙=2×1.8×3×1.5=16.2 m 2由风荷载产生的连墙件的轴向力设计值:lw N =1.4w k A w =1.4×0.48×16.2=10.89KN查规范得:o N =5连墙件的轴向力设计值:l N =lw N +o N =10.89+5=15.89KN抗滑计算:查规范得:每个直角扣件抗滑承载力设计值:C R =8 KN由于采用双扣件设置故:l N =15.89 KN<2C R =2×8=16 KN满足要求2.连墙件的稳定性计算由于连墙件用直角扣件分别连与脚手架和框架柱上的附加钢管上, 因此:o l =0.6+0.3+1.05=1.95m查规范得回转半径i =1.58 cm长细比验算:λ=i l o =58.11095.12⨯=123<[λ]=150(《冷弯薄壁型钢结构技术规范》) 满足要求查规范得轴心受压构件的稳定系数 ϕ=0.434钢管截面积A=4.89 cm 2连墙件稳定性验算:A N l ϕ=231089.4434.01089.15⨯⨯⨯=74.87N/mm 2<205 N/mm 2 满足要求四).立杆的地基承载力计算1.计算基础面积:每块垫板长4米,可放置3根立杆。
承重脚手架计算书(满堂脚手架)承重脚手架计算书(满堂脚手架)一、引言承重脚手架是一种用于搭建临时工作平台的设备,广泛应用于建筑工程和其他工程领域。
本旨在提供一份完整而详细的承重脚手架计算书模板,以供参考使用。
通过本,您将了解到承重脚手架的设计要求、构造要素、计算方法等关键内容。
二、承重脚手架的设计要求1. 承重脚手架的用途与范围:明确承重脚手架的使用目的、所需承载物的类型和重量范围等。
2. 基本要求:包括安全、稳定、可靠性、施工方便等方面的设定标准。
3. 防护措施:指明对于高空作业、人员安全、防坠落等方面的保护要求。
4. 构件材料:明确承重脚手架所使用的构件的材料规格和性能要求。
三、承重脚手架的构造要素1. 杆件:包括立杆、横杆、纵杆等主要承重构件,需要注明其材质、尺寸、连接方式等。
2. 脚座与承台:介绍承重脚手架的支撑基础部分,包括脚座类型、尺寸、布置等。
3. 拉杆与斜杆:详细说明拉杆与斜杆的设计与布置要求,以确保承重脚手架的稳定性。
4. 斜撑与支撑加强件:描述构建承重脚手架时所需的斜撑和支撑加强件,以增加整体的稳定性。
四、承重脚手架的计算方法1. 荷载计算:根据工程要求和标准规范,计算承重脚手架所需承载的荷载。
2. 结构计算:进行承重脚手架结构的强度计算和稳定性分析。
3. 连接计算:对于承重脚手架的连接部位进行计算和验证,确保连接的可靠性。
4. 安全系数与材料强度校核:在计算过程中,需要明确安全系数和材料强度的要求,并进行校核。
五、附件本所涉及的附件如下:1. 承重脚手架设计图纸:包括平面图、剖面图等。
2. 材料清单:列出所使用的承重脚手架构件的种类、数量和规格。
3. 荷载计算表格:记录承重脚手架所需承载荷载的计算结果。
4. 结构计算表格:记录承重脚手架结构强度和稳定性计算的结果。
六、法律名词及注释1. 《建筑施工安全监督管理条例》:指中华人民共和国国家质量监督检验检疫总局发布的法律文件,用于规范建筑施工的安全工作。
落地脚手架计算书一、计算模型计算简图二、荷载计算1、计算脚手架的恒荷载且式中 H i——立杆计算截面以上的架高;g k1——以每米架高计的构架基本结构杆部件的自重基数(KN/m);g k2——以每米立杆纵距(l a)计的作业层面材料的自重计算基数(KN/m);g k3——以每米架高计的外立面整体拉结杆件和防护材料的自重计算基数(KN/m);n1——同时存在的作业层设置数。
取步距1.8m,横距1m,纵距1.5m,最大高度23.2m根据《建筑施工手册》第二版查得:g k1=0.1074 (KN/m)(以边立杆计)g k2=0.3666(KN/m)g k3=0.0819 (KN/m)同时,操作层取3步 n1=3 l a=1.5 (m)2、施工活荷载取式中 q k——按每米立杆纵距计的作业层施工荷载标准值(KN/m)查表得:q k=1.35根据JGJ130-2001《建筑施工扣件式钢管脚手架安全技术规范》永久荷载分项系数取1.2可变荷载分项系数取1.4荷载效应组合=永久荷载+施工均布荷载故冲天荷载:三、拉结钢丝绳校核轴向拉力为查《机械设计手册(第二版)》得:Ф15钢丝绳(6×19)的破断拉力系数K=6故:T破断 = 15.88×6 = 95.28(KN)而Ф15钢丝绳(6×19)的公称破断拉力为132 KN95.28KN << 132 KN故采用Ф15钢丝绳(6×19)进行拉结符合安全要求四、顶墙横杆水平力校核水平力为计算钢管细长比:λ=μl÷rμ=1.0 l=1250(mm) r=15.8(mm)λ=1250÷15.8=79.1查表《建筑施工手册》(第二版)得φ=0.728而截面积为489 mm2所以合格按照《建筑施工扣件式钢管脚手架安全技术规范培训讲座》刘群主编,P96页,扣件抗滑承载力系数0.8。
扣件的抗滑承载力按照下式计算每个扣件抗滑承载力为8KN,采用每根钢管两个扣件。
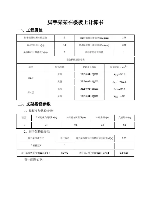
脚手架架在楼板上计算书一、工程属性脚手架基础所在楼层数 1 第1层混凝土楼板厚度h1(mm) 250 第-1层层高H-1(m) 4.6 第-1层混凝土楼板厚度h-1(mm) 200 单向板的计算跨度Lo(m) 5 单向板的计算跨数 1楼盖板配筋信息表楼层钢筋位置配筋量及等级钢筋面积(mm2)正筋HRB400Ф12@200A SX =565.2 第1层负筋HRB400Ф10@200A SX,=392.5正筋HRB400Ф12@200A SX =565.2 第-1层负筋HRB400Ф10@100A SX,=785二、支架搭设参数1、模板支架搭设参数2、脚手架搭设参数脚手架搭设方式平行短边脚手架内排立杆离楼板短边距离a1(m) 0.25 立杆排数N 2立杆底部垫板尺寸(m)【a×b】0.2×0.2 立杆纵、横向间距(m)【la×lb】 1.6×0.85 设计简图如下:脚手架楼板_平面图脚手架楼板_立面图三、荷载参数每根立杆传递荷载q k(kN) 30 板上活荷载标准值Q k(kN/m2) 1 钢筋混凝土自重标准值N G1K(kN/m3) 25.1 模板及支架自重标准值N G2K (kN/m2) 0.3四、各楼层荷载计算1、第1层荷载计算钢筋弹性模量E s(N/mm2) 210000 砼弹性模量E c(N/mm2) 28000 砼的龄期T(天) 14 砼的强度等级C35 砼的实测抗压强度f c(N/mm2) 8.5 砼的实测抗拉强度f t(N/mm2) 0.9 脚手架立杆传递荷载标准值:q k=30kN;板的计算跨度:l=Lo=5.00m立杆荷载作用间距:e=lb=0.85m立杆底垫板作用面平行于板跨宽度:bcx=btx+2s+h=a+2s+hi=0.20+0+0.25=0.45m 立杆底垫板作用面垂直于板跨宽度:bcy=bty+2s+h=b+2s+hi=0.20+0+0.25=0.45m s为垫板的厚度,此处忽略不计。
脚手架计算书一、落地脚手架计算书钢管脚手架的计算参照《建筑施工扣件式钢管脚手架安全技术规范》(JGJ130-2011)、《建筑地基基础设计规范》(GB 50007-2011)、《建筑结构荷载规范》(GB 50009-2012)、《钢结构设计规范》(GB 50017-2003)等规范。
一、参数信息:钢管强度为205.0 N/mm 2,钢管强度折减系数取0.90。
双排脚手架,搭设高度24.0米,立杆采用单立管。
立杆的纵距1.50米,立杆的横距0.80米,内排架距离结构0.30米,立杆的步距1.80米。
钢管类型为φ48×3.5,连墙件采用2步3跨,竖向间距3.60米,水平间距4.50米。
施工活荷载为3.0kN/m 2,同时考虑1层施工。
脚手板采用木板,荷载为0.35kN/m 2,按照铺设4层计算。
栏杆采用竹串片,荷载为0.17kN/m,安全网荷载取0.0100kN/m 2。
脚手板下小横杆在大横杆上面,且主结点间增加两根小横杆。
基本风压0.40kN/m 2,高度变化系数1.3900,体型系数1.2480。
地基承载力标准值170kN/m 2,基础底面扩展面积0.250m2,地基承载力调整系数1.00。
钢管惯性矩计算采用 I=π(D 4-d4)/64,抵抗距计算采用 W=π(D4-d4)/32D。
一、小横杆的计算:小横杆按照简支梁进行强度和挠度计算,小横杆在大横杆的上面。
按照小横杆上面的脚手板和活荷载作为均布荷载计算小横杆的最大弯矩和变形。
1.均布荷载值计算小横杆的自重标准值 P1=0.038kN/m脚手板的荷载标准值 P2=0.350×1.500/3=0.175kN/m活荷载标准值Q=3.000×1.500/3=1.500kN/m荷载的计算值q=1.2×0.038+1.2×0.175+1.4×1.500=2.356kN/m小横杆计算简图2.抗弯强度计算最大弯矩考虑为简支梁均布荷载作用下的弯矩计算公式如下:M=2.356×0.8002/8=0.188kN.mσ=0.188×106/5077.8=37.120N/mm2小横杆的计算强度小于184.5N/mm 2,满足要求!3.挠度计算最大挠度考虑为简支梁均布荷载作用下的挠度计算公式如下:荷载标准值 q=0.038+0.175+1.500=1.713kN/m 简支梁均布荷载作用下的最大挠度V=5.0×1.713×800.04/(384×2.06×105×121867.0)=0.364mm小横杆的最大挠度小于800.0/150与10mm,满足要求!二、大横杆的计算:大横杆按照三跨连续梁进行强度和挠度计算,小横杆在大横杆的上面。
附件一架体及楼板承载力计算书碗扣架架管参数:截面积A=424 mm2,抗剪、抗弯、抗拉强度取205 N/mm21、计算概况:取中间弦杆部分架体进行计算,当中间的上、下弦杆均落在脚手架上时。
下弦杆均取1.6吨重(参考《宴会大厅屋顶钢结构分项工程》),中间钢桁架计算长度取10m,钢桁架下弦杆线荷载。
宴会大厅楼板为200mm厚C30混凝土,下铁为HRBφ12@150,HRBφ边部上铁为14@150。
qGK1=3.2×1000×10/1000/10=3.2KN/m施工荷载取1KN/m2,线荷载qHK1=1×1.2=1.2 KN/m则荷载设计值Q=1.0×3.2×1.2+1.0×1.2×1.4=5.52 KN/m1.1横杆计算横杆受到荷载,脚手板自重取0.35KN/m2,施工荷载取1KN/m2,则荷载设计值Q=1.0×0.35×1.2+1.0×1.0×1.4=2.184 KN/m1)横杆抗剪计算横杆端部受到剪力V=ql/2=2.184×1.2/2=1.310 KN横杆抗剪强度f=1.310×1000/424=3.09<205 N/mm2满足要求。
2)横杆抗弯计算横杆中部受到弯矩M=q×l2/8=2.184×1.22/8=0.393 KN·m横杆抗剪强度f=M/W=0.393×106/5077=77.43 N/mm2 <205 N/mm2满足要求。
1.2立杆稳定性验算沿钢桁架方向每3跨立杆设置一根立杆,以防止碗扣横杆承载力不够。
立杆承载力N=5.52×1.2×3=19.87 KN,横杆步距h=1.2m如果考虑到高支撑架的安全因素,适宜由公式(1)计算= k1k2(h+2a) (1)lk2 ——计算长度附加系数,按照表2取值为1.000;公式(1)的计算结果:l0=1.163×1.000×(1.2+2×0.3)=2.093 m=2093/15.8=132 =0.386=19.87×1000/(0.386×424)=121.4 N/mm2,立杆的稳定性计算 < [f],满足要求!2、井架计算当钢桁架就位时由井架顶部的工字钢梁承担其荷载,而考虑最不利情况:工字钢梁的荷载全部传到离钢桁架近的立杆上(工字钢梁的支撑杆)。
脚手架架在楼板上计算书计算依据:1、《建筑施工模板安全技术规范》JGJ162-20082、《混凝土结构设计规范》GB50010-2010一、工程属性二、支架搭设参数1、模板支架搭设参数2、脚手架搭设参数设计简图如下:脚手架楼板_平面图脚手架楼板_立面图三、荷载参数每根立杆传递荷载q k(kN) 9.16 板上活荷载标准值Q k(kN/m2) 2 钢筋混凝土自重标准值N G1K(kN/m3) 25.1 模板及支架自重标准值N G2K (kN/m2) 0.3四、各楼层荷载计算1、第3层荷载计算钢筋弹性模量E s(N/mm2) 200000 砼弹性模量E c(N/mm2) 23940 砼的龄期T(天) 7 砼的强度等级C35 砼的实测抗压强度f c(N/mm2) 9.686 砼的实测抗拉强度f t(N/mm2) 0.911 脚手架立杆传递荷载标准值:q k=9.16kN;板的计算跨度:l=Lo=2.10m立杆荷载作用间距:e=la=1.50m立杆底垫板作用面平行于板跨宽度:bcx=btx+2s+h=a+2s+hi=0.20+0+0.10=0.30m 立杆底垫板作用面垂直于板跨宽度:bcy=bty+2s+h=b+2s+hi=0.20+0+0.10=0.30m s为垫板的厚度,此处忽略不计。
当bcx≥bcy,bcy≤0.6*l,bcx≤l时,b=bcy+0.7*l=0.30+0.7*2.10=1.77m以位于中间部位的立杆作为计算对象,确定其有效荷载作用分布宽度:当e<b时,荷载的有效分布宽度应予折减,b,=e=1.50m得:M max=6.44kN.m等效楼面均布活荷载标准值:q=8 M max/(bl2)=8*6.44/(1.50×2.102)=7.79kN/m2楼盖自重荷载标准值:g3=h3/1000*N G1K=100/1000*25=2.51板计算单元活荷载标准值:q3=q+Q k=7.79+2.00=9.792、第2层荷载计算钢筋弹性模量E s(N/mm2) 210000 砼弹性模量E c(N/mm2) 28980 砼的龄期T(天) 14 砼的强度等级C35砼的实测抗压强度f c(N/mm2) 13.026 砼的实测抗拉强度f t(N/mm2) 1.224 立杆传递荷载标准值:q2=N G2K=0.30kN/m2楼盖自重荷载标准值:g2=h2/1000*N G1K=120/1000*25=3.01kN/m23、各楼层荷载分配假设层间支架刚度无穷大,则有各层挠度变形相等,即:P i/E i=P i-1/E i-1=P i-2/E i-2……则有:P i‘=(E i‘∑P i)/(∑E i)根据此假设,各层楼盖承受荷载经模板支架分配后的设计值为:楼层各楼层混凝土弹性模量Eci(MPa) 楼盖自重荷载标准值gi(kN/m2)立杆传递荷载标准值qi(kN/m2)分配后各楼层恒载的设计值分配后各楼层活载的设计值Qi (kN/2)Gi(kN/m2)3 23940.00 2.51 9.79 3.00 6.392 28980.00 3.01 0.30 3.63 7.74G i=1.2(Ec i/(Ec i+Ec i-1+Ec i-2))(g i+g i-1+g i-2)Q i=1.4(Ec i/(Ec i+Ec i-1+Ec i-24))(q i+q i-1+q i-2)五、板单元内力计算1、第3层内力计算脚手架楼板_第3层钢筋布置图第3层板单元内力计算因为计算单元取连续板块其中之一,故需计算本层折算荷载组合设计值:F3=G3+Q3=9.39kN/m2;按五等跨均布荷载计算M max+=1.73kN·m,M max-=-3.45kN·m;第3层板正截面承载力验算公式类型参数剖析使用条件M u=α1αs f c bh02 M u 板正截面极限承载弯矩用于单筋截面α1 截面最大正应力值与混凝土抗压强度fc的比值,低于C50混凝土α1取1.0αs 截面抵抗矩系数f c 混凝土抗压强度标准值,参照上述修正系数修改h0 计算单元截面有效高度,短跨方向取h-20mm,长跨方向取h-30mm,其中h是板厚M u=α1αs f c bh02+f y'A s'(h0-αs') f y' 受压区钢筋抗拉强度标准值用于双筋截面A s' 受压区钢筋总面积αs'纵向受压钢筋合力点至受压区边缘的距离默认取20mmM u=f y A s(h0-αs') f y 钢筋抗拉强度标准值用于双筋截面当χ<2αs'时A s 受拉钢筋总面积ξ=A s fy/(f cα1bh0) ξξ---受压区相对高度,ξ=A s fy/(f cα1bh0) χ=(f y A s-f y'A s')/(α1f c b) χ混凝土受压区高度矩形截面受压区高度A s(mm2) f y(N/mm2)h0=h-20(mm)α1f c(Mpa) b(mm)f y'(N/mm2)A s'(mm2) χ(mm)αs' 比较279.25 360 80 1 9.686 1000 360 279.25 0 20 χ<2αs'矩形截面相对受压区高度A s(mm2) f y(N/mm2) b(mm) h0=h-20(mm) fcm(N/mm2) ζ2、第2层内力计算脚手架楼板_第2层钢筋布置图第2层板单元内力计算因为计算单元取连续板块其中之一,故需计算本层折算荷载组合设计值:F2=G2+Q2=11.37kN/m2;按五等跨均布荷载计算M max+=2.09kN·m,M max-=-4.18kN·m;第2层板正截面承载力验算矩形截面受压区高度矩形截面相对受压区高度六、楼板裂缝验算1、本结构按压弯构件进行计算2、最大裂缝宽度计算七、楼板抗冲切验算根据《混凝土结构设计规范(GB50010)》规定,受冲切承载力应满足下式承载力计算。
目录一、工程概况: (1)二、15米高架子力计算 (1)三、A轴交9~11轴处梁、板承载力验算 (8)四、21米高外架力计算 (13)五、室外楼梯承载力验算 (20)外墙架子及楼板承载力计算书一、工程概况:1、工程名称:南翔镇邻里中心2、工程地点:3、建设单位:南翔镇政府4、勘察单位:5、设计单位:同济大学建筑设计研究院6、监理单位:7、施工单位:8、建筑面积:本工程地上四层,地下一层;总建筑面积: 12137㎡平方米(其中地上建筑面积: 8098平方米;地下建筑面积: 4039平方米);9、建筑高度:屋面檐口标高为19.5m,脚手架搭设高度为21米。
10、本工程局部外墙脚手架立杆立于二层楼板上(架子高度15米)及室外楼楼上(架子最高21米),其余号房脚手架立于室外地坪上。
在室外地坪上的的脚手架下做2米宽150厚C20素砼基础,基础外做排水沟。
:橫距la=0.9m,纵距lb=1.5m,步高h=1.8m,离墙距离a=0.3m,二步三跨连墙件,高度H=21m,下垫200×200×10钢板。
10、因工程造型复杂,部分外架设在二层悬挑楼板及室外楼梯处,悬挑楼板处架子高度15米,室外楼梯处外架高度按21米计算。
二、15米架子力计算(一)脚手架参数(二)荷载设计脚手板类型竹芭脚手板脚手板自重标准值G(kN/m2) 0.1kjb0.01脚手板铺设方式2步1设密目式安全立网自重标准值G kmw(kN/m2)挡脚板类型竹串片挡脚板栏杆与挡脚板自重标准值G(kN/m) 0.17kdb挡脚板铺设方式2步1设每米立杆承受结构自重标准值0.129g k(kN/m)1横向斜撑布置方式5跨1设装修脚手架作业层数nzj装修脚手架荷载标准值G kzj(kN/m2) 2 地区安全网设置全封闭基本风压ω(kN/m2) 0.41.06,0.796 风荷载体型系数μs 1.254 风压高度变化系数μz(连墙件、单立杆稳定性)0.532,0.399风荷载标准值ωk(kN/m2)(连墙件、单立杆稳定性)计算简图:立面图侧面图三、纵向水平杆验算纵、横向水平杆布置方式纵向水平杆在上横向水平杆上纵向水平杆根数n 2横杆抗弯强度设计值[f](N/mm2) 205 横杆截面惯性矩I(mm4) 107800 横杆弹性模量E(N/mm2) 206000 横杆截面抵抗矩W(mm3) 4490纵、横向水平杆布置q=1.2×(0.033+Gkjb ×lb/(n+1))+1.4×Gk×lb/(n+1)=1.2×(0.033+0.1×0.9/(2+1))+1.4×2×0.9/(2+1)=0.916kN/m正常使用极限状态q'=(0.033+Gkjb ×lb/(n+1))+Gk×lb/(n+1)=(0.033+0.1×0.9/(2+1))+2×0.9/(2+1)=0.663kN/m计算简图如下:1、抗弯验算Mmax =0.1qla2=0.1×0.916×1.52=0.206kN·mσ=Mmax/W=0.206×106/4490=45.9N/mm2≤[f]=205N/mm2 满足要求!2、挠度验算νmax =0.677q'la4/(100EI)=0.677×0.663×15004/(100×206000×107800)=1.024mmνmax =1.024mm≤[ν]=min[la/150,10]=min[1500/150,10]=10mm满足要求!3、支座反力计算承载能力极限状态Rmax =1.1qla=1.1×0.916×1.5=1.511kN正常使用极限状态Rmax '=1.1q'la=1.1×0.663×1.5=1.094kN(四)横向水平杆验算由上节可知F1=Rmax=1.511kNq=1.2×0.033=0.04kN/m 正常使用极限状态由上节可知F1'=Rmax'=1.094kNq'=0.033kN/m1、抗弯验算计算简图如下:弯矩图(kN·m)σ=Mmax/W=0.457×106/4490=101.759N/mm2≤[f]=205N/mm2 满足要求!2、挠度验算计算简图如下:变形图(mm)νmax =1.287mm≤[ν]=min[lb/150,10]=min[900/150,10]=6mm满足要求!3、支座反力计算承载能力极限状态Rmax=1.529kN(五)扣件抗滑承载力验算横杆与立杆连接方式单扣件扣件抗滑移折减系数0.85 扣件抗滑承载力验算:纵向水平杆:Rmax =1.511/2=0.756kN≤Rc=0.85×8=6.8kN横向水平杆:Rmax =1.529kN≤Rc=0.85×8=6.8kN满足要求!(六)荷载计算脚手架架体高度H 15 脚手架钢管类型Ф48×3 每米立杆承受结构自重标准值0.129立杆静荷载计算1、立杆承受的结构自重标准值NG1k单外立杆:NG1k =(gk+la×n/2×0.033/h)×H=(0.129+1.5×2/2×0.033/1.8)×15=2.351kN单立杆:NG1k=2.351kN2、脚手板的自重标准值NG2k1单外立杆:NG2k1=(H/h+1)×la×lb×Gkjb×1/2/2=(15/1.8+1)×1.5×0.9×0.1×1/2/2=0.315kN1/2表示脚手板2步1设单立杆:NG2k1=0.315kN3、栏杆与挡脚板自重标准值NG2k2单外立杆:NG2k2=(H/h+1)×la×Gkdb×1/2=(15/1.8+1)×1.5×0.17×1/2=1.19kN1/2表示挡脚板2步1设4、围护材料的自重标准值NG2k3单外立杆:NG2k3=Gkmw×la×H=0.01×1.5×15=0.225kN5、构配件自重标准值NG2k总计单外立杆:NG2k =NG2k1+NG2k2+NG2k3=0.315+1.19+0.225=1.73kN单立杆:NG2k =NG2k1=0.315kN立杆施工活荷载计算外立杆:NQ1k =la×lb×(nzj×Gkzj)/2=1.5×0.9×(1×2)/2=1.35kN立杆:NQ1k=1.35kN组合风荷载作用下单立杆轴向力:单外立杆:N=1.2×(NG1k + NG2k)+0.9×1.4×NQ1k=1.2×(2.351+1.73)+ 0.9×1.4×1.35=6.599kN单立杆:N=1.2×(NG1k + NG2k)+0.9×1.4×NQ1k=1.2×(2.351+0.315)+ 0.9×1.4×1.35=4.901kN(七)立杆稳定性验算1、立杆长细比验算立杆计算长度l=Kμh=1×1.5×1.8=2.7m长细比λ=l/i=2.7×103/15.9=169.811≤210 满足要求!轴心受压构件的稳定系数计算:立杆计算长度l=Kμh=1.155×1.5×1.8=3.119m长细比λ=l/i=3.119×103/15.9=196.132 查《规》表A得,φ=0.1882、立杆稳定性验算不组合风荷载作用单立杆的轴心压力设计值N=1.2(NG1k +NG2k)+1.4NQ1k=1.2×(2.351+1.73)+1.4×1.35=6.788kNσ=N/(φA)=6787.5/(0.188×424)=85.15N/mm2≤[f]=205N/mm2 满足要求!组合风荷载作用单立杆的轴心压力设计值N=1.2(NG1k +NG2k)+0.9×1.4NQ1k=1.2×(2.351+1.73)+0.9×1.4×1.35=6.599kNMw =0.9×1.4×Mwk=0.9×1.4×ωklah2/10=0.9×1.4×0.399×1.5×1.82/10=0.244kN·mσ=N/(φA)+ Mw/W=6598.5/(0.188×424)+244331.64/4490=137.196N/mm2≤[f]=205N/mm2满足要求!三、A轴交9~11轴处梁、板承载力验算楼板厚120mm ,砼强度等级C30;C8200双层双向布置。
落地式脚手架计算1、荷载计算:取钢管38.4N,扣件15N/个,脚手板350N/㎡,按20搭设高度计算(搭设12步),按装修施工时两步架同时作业,施工荷载2KN/㎡,恒载分项系数1.2,活载取1.4,取纵向1.5M 为一个计算单元。
(1)一步架(1.8M)脚手架荷载标准值:立杆:1.8*38.4=69.12N水平杆:1.5*38.4*2=115.2N扣件:15*4=60N木脚手板:1.5*1*350=525N安全网:1.8*1.5*3=8.1N剪刀撑等:100N合计:877.42N(2)一步施工荷载标准值:5*1*2000*2=6000N(3)每根立杆所承受的荷载(搭设12步架)P=1/2(877.42*12*1.2)+6000*1.4=14.72KN2、水平杆计算(按三步边梁):脚手板:350N施工荷载:2000N挠度计算: q1=350+2000=2350N/m弯距计算:q=0.5*(350*1.2+2000*1.4)*1.5=2415N/m(1)抗弯强度计算:M=0.175qL2=0.175*2.415*1.52=0.85KN/mΣ=M/W=0.85*106/5080=167N/㎜2∠f=205N/㎜2 满足要求。
(2)挠度验算γ=1.146q1L3/100EI=1.146*2.35*103*1500*103/100*206*103*1.219*105=4.04*109/2.51*1012=1.61*10-3㎜∠[γ]=1500/150=10㎜满足要求。
(3)扣件抗滑移计算:R=2.15q=5.19KN∠[R]=8.5KN(4)立杆计算:按不组合风载形式计算:风载由附墙边件承受。
N/ØA≤fcN=14.72KNL1=1.85*1.8=3.33Mλ= L1/I=3330/15.8=211查表:Ø=0.163 A=48.9㎜2得:14.72*103/0.163*48.9=184N/㎜2∠fc=205 N/㎜2 满足要求。
脚手架计算书一、参数信息1.脚手架参数双排脚手架搭设高度为 29.5 m,立杆采用单立杆;搭设尺寸为:立杆横距为1.0m,立杆纵距为1.5m,大小横杆的步距为1.8 m;内排架距离墙长度为0.30m;小横杆在上,搭接在大横杆上的小横杆根数为 2 根;脚手架沿墙纵向长度为 450.00 m;采用的钢管类型为Φ48×3.5;横杆与立杆连接方式为单扣件;连墙件采用三步三跨,竖向间距 5.4 m,水平间距4.5 m,采用扣件连接;连墙件连接方式为单扣件;2.活荷载参数施工均布活荷载标准值:3.000 kN/m2;脚手架用途:结构脚手架;同时施工层数:2 层;3.风荷载参数本工程地处XXXXXX,基本风压0.35 kN/m2;,计算连墙件强度时取0.92,计算立杆稳定性时取风荷载高度变化系数μz为0.214;0.74,风荷载体型系数μs4.静荷载参数每米立杆承受的结构自重标准值(kN/m):0.1248;脚手板自重标准值(kN/m2):0.350;栏杆挡脚板自重标准值(kN/m):0.140;安全设施与安全网(kN/m2):0.005;脚手板类别:木脚手板;栏杆挡板类别:木脚手板挡板;每米脚手架钢管自重标准值(kN/m):0.038;脚手板铺设总层数:4;5.承重混凝土板参数板类型:双向板;板单元计算宽度Bc(m):2.9m;板单元计算长度Bl(m):2.9m;板厚度h(mm):220;混凝土成型龄期TB(天):28;混凝土强度等级:[XB =C35];混凝土强度实测值fck(MPa):35;钢筋位置配筋量及等级每米宽钢筋面积(mm2)X向正筋 HRB40010@150 ASX=523.33Y向正筋 HRB40010@150 ASY=523.33X向负筋 HRB40010@150 ASX'=523.33Y向负筋 HRB40010@150 ASY'=523.33二、小横杆的计算小横杆按照简支梁进行强度和挠度计算,小横杆在大横杆的上面。
落地式脚手架受力计算书一、工程概况本工程为_____,建筑高度为_____m,结构形式为_____。
为满足施工要求,需在建筑物周边搭设落地式脚手架。
二、脚手架设计参数1、脚手架搭设高度:_____m。
2、立杆横距:_____m。
3、立杆纵距:_____m。
4、步距:_____m。
5、内立杆距建筑物距离:_____m。
三、荷载计算1、恒载标准值(G1k)每米立杆承受的结构自重标准值:_____kN/m。
脚手板自重标准值:_____kN/m²。
栏杆与挡脚板自重标准值:_____kN/m。
安全网自重标准值:_____kN/m²。
2、活载标准值(Q1k)作业层施工均布荷载标准值:_____kN/m²。
3、风荷载标准值(ωk)基本风压:_____kN/m²。
风压高度变化系数:_____。
风荷载体型系数:_____。
四、纵向水平杆计算1、荷载计算恒载:_____kN/m。
活载:_____kN/m。
2、强度验算最大弯矩:_____kN·m。
弯曲应力:_____N/mm²< f = 205 N/mm²,满足要求。
3、挠度验算最大挠度:_____mm < v = l/150 与 10 mm,满足要求。
五、横向水平杆计算1、荷载计算集中荷载(恒载+活载):_____kN。
2、强度验算最大弯矩:_____kN·m。
弯曲应力:_____N/mm²< f = 205 N/mm²,满足要求。
3、挠度验算最大挠度:_____mm < v = l/150 与 10 mm,满足要求。
六、扣件抗滑力计算1、纵向水平杆单扣件抗滑承载力:_____kN >纵向水平杆传递的最大支座反力,满足要求。
2、横向水平杆单扣件抗滑承载力:_____kN >横向水平杆传递的最大支座反力,满足要求。
七、立杆稳定性计算1、不组合风荷载时轴向压力:_____kN。
***********工程楼板满堂脚手架验算计算书计算:复核:审批:************工程项目经理部二〇一六年四月十九日目录一、计算依据 (1)二、工程概况 (1)三、工程属性 (1)四、荷载设计 (1)五、模板体系设计 (2)(一)面板检算 (3)(二)小梁检算 (4)(三)主梁检算 (6)(四)立柱验算 (8)(五)可调拖座验算 (9)(六)立杆地基基础检算 (10)六、检算结论 (10)楼板满堂脚手架计算书一、计算依据1、《********工程》施工图纸2、《**********工程》地勘报告3、《建筑施工模板安全技术规范》(JGJ162-2008)4、《建筑施工扣件式钢管脚手架安全技术规范》(JGJ130-2011)5、《建筑结构荷载规范》(GB50009-2012)6、《建筑地基基础设计规范》(GB50007-2011)7、《木结构设计规范》(GB50005-2003)8、《路桥施工手册》周永兴编二、工程概况本工程建筑物均为框架结构,根据设计图纸,脱水机房单体高度为本工程建筑物最高单体,脚手架搭设高度为5.19m,我们将选取该单体进行满堂脚手架的验算,其余房建均按此验算结果进行组织施工。
三、工程属性新浇混凝土楼板名称脱水机房楼板新浇混凝土楼板板厚(mm) 110 新浇混凝土楼板边长L(m) 30 新浇混凝土楼板边宽B(m) 14四、荷载设计施工人员及设备荷载标准值Q1k 当计算面板和小梁时的均布活荷(kN/m2) 2.5 当计算面板和小梁时的集中荷载(kN) 2.5 当计算主梁时的均布活荷载(kN/m2) 1.5 当计算支架立柱及其他支承结构构件时的均布活荷载(kN/m2)1模板及其支架自重标准值G1k(kN/m2)面板自重标准值0.1 面板及小梁自重标准值0.3楼板模板自重标准值0.5模板及其支架自重标准值0.75 新浇筑混凝土自重标准值G2k(kN/m3) 24钢筋自重标准值G3k(kN/m3)1.1风荷载标准值ωk(kN/m2) 基本风压ω0(kN/m2) 0.550.302 风压高度变化系数μz1.097风荷载体型系数μs0.5计算方法极限状态承载法五、体系设计模板支架高度(m) 5.19立柱纵向间距l a(mm) 1000立柱横向间距l b(mm) 1000水平拉杆步距h(mm) 1500 立柱布置在混凝土板域中的位置中心对称立柱距混凝土板短边的距离(mm) 500立柱距混凝土板长边的距离(mm) 500主梁布置方向平行楼板长边小梁间距(mm) 200小梁两端各悬挑长度(mm) 200,200主梁两端各悬挑长度(mm) 200,200结构表面的要求结构表面外露设计简图如下:设计平面图设计剖面图六、体系检算(一)面板检算面板类型覆面竹胶合板面板厚度(mm) 15面板抗弯强度设计值35 面板弹性模量E(N/mm2) 10000[f](N/mm2)根据《建筑施工模板安全技术规范》5.2.1"面板可按简支跨计算"的规定,另据现实,楼板面板应搁置在梁侧模板上,因此本例以简支梁,取1m单位宽度计算。
(一)落地式扣件钢管脚手架计算书一、基本参数:立杆纵距la = 1.6 m立杆横距lb = 1 m脚手架形式双排架脚手架的步距h = 1.8 m脚手架搭设高度H = 14.6 m小横杆上大横杆根数ng = 3 根连墙件布置形式二步三跨脚手板类型竹串片脚手板栏杆,档板类型木脚手板挡板连墙件扣件类型单扣件脚手板的铺设层数nj = 3 层同时施工层数ns = 2 层基础底面扩展面积 A = 1.5 m2二、大横杆的计算大横杆按照受均布荷载的连续梁计算1、大横杆荷载计算脚手板的荷载标准值q1=0.35×0.25=0.09 kN/m活荷载标准值q2=3×0.25=0.75(kN/m)2、强度计算(1)、最大弯矩:其中:l 立杆纵距;取l=1.6 mq1 脚手板的荷载标准值q1 = 0.09 kN/mq2 活荷载标准值q2 = 0.75 kN/m经计算得到:M=(-0.1×1.2×0.09-0.117×1.4×0.75)×1.6^2=-0.34 kN.m(2)、截面应力计算公式如下:其中W 钢管截面抵抗矩W = 5.08 cm3M 最大弯矩M = -0.34 kN.m经计算得到:σ=0.34×1000000÷(5.08×1000)=66.93 N/mm2大横杆强度计算值小于或等于钢管抗弯强度设计值205N/mm2,故满足要求3、挠度计算最大挠度:其中: l 立杆纵距l = 1.6 mI 截面惯性矩I = 12.19 cm4E 弹性摸量E = 206000 N/mm2q1 脚手板的荷载标准值q1 = 0.09 kN/mq2 活荷载标准值q2 = 0.75 kN/m经计算得到:V=(0.667×0.09+0.99×0.75)×(1.6×1000)^4÷(100×206000×12.19×10000)=2.09 mm最大挠度计算值小于等于l/150=10.67mm,并且小于10mm,故满足要求三、小横杆的计算小横杆按照集中荷载作用下的简支梁计算1、小横杆荷载计算大横杆自重标准值:P1=0.03763×1.6=0.06 kN脚手板的荷载标准值:P2=0.35×1.6×0.25=0.14 kN静荷载标准值:P=0.06+0.14=0.2 kN活荷载标准值:Q=3×1.6×0.25=1.2 kN2、强度计算(1)、最大弯矩计算公式如下:其中: l 立杆的纵距l = 1 mP 静荷载标准值P = 0.2 kNQ 活荷载标准值Q = 1.2 kN经计算得到最大弯矩M= (1.2×0.2+1.4×1.2)×1÷2=0.96 kN.m(2)、截面应力计算公式如下:其中W 钢管截面抵抗矩W = 5.08 cm3M 最大弯矩M = 0.96 kN.m经计算得到:σ=0.96×1000000÷(5.08×1000)=188.98 N/mm2小横杆强度计算值小于或等于钢管抗弯强度设计值205 N/mm2,故满足要求3、挠度计算其中: l 立杆的纵距l = 1 mI 截面惯性矩I = 12.19 cm4E 弹性摸量E = 206000 N/mm2P 静荷载标准值P = 0.2 kNQ 活荷载标准值Q = 1.2 kN经计算最大挠度V=19×384×(0.2+1.2)×(1×1000)^3÷(206000×12.19×10000)=2.76 mm 最大挠度计算值小于等于l/150=6.67mm,并且小于10mm,故满足要求四、扣件的抗滑承载力计算:横杆的自重标准值P1 = 0.03763×(1 +1.6) =0.1kN脚手板的荷载标准值P2 = 0.35×1.6×1÷2 =0.28kN活荷载标准值Q = 3×1.6×1÷2 =2.4kN荷载的计算值R = 1.2×(0.1+0.28)+1.4×2.4 =3.82kN纵向或横向水平杆与立杆连接时,扣件的抗滑承载力按照下式计算:其中Rc 扣件抗滑承载力设计值Rc=8kNR 荷载的计算值R=3.82kN扣件的抗滑承载力小于等于单扣件抗滑承载力设计值8kN,满足要求!五、脚手架计算:1、荷载计算:每米立杆承受的结构自重标准值NG1=0.12×14.6=1.75 kN脚手板的自重标准值NG2=0.35×3×1.6×(1+0.2)=1.01 kN栏杆与挡脚板自重标准值NG3=0.14×1.6×3÷2=0.34 kN吊挂的安全设施荷载:NG4=0.02×1.6×14.6=0.47 kN静荷载标准值NG=1.75+1.01+0.34+0.47=3.57 kN活荷载标准值NQ=3×2×1.6×1÷2=4.8 kN风荷载标准值Wk=0.7×0.74×0.62×0.35=0.11 kN/m2不考虑风荷载时,立杆的轴向压力设计值N=1.2×3.57+1.4×4.8=11 kN考虑风荷载时,立杆的轴向压力设计值N=1.2×3.57+0.85×1.4×4.8=10 kN风荷载标准值产生的立杆段弯矩:Mwk=0.11×1.6×1.8^2÷10=0.06 kN.m风荷载设计值产生的立杆段弯矩:Mw=0.85×1.4×0.06=0.07 kN.m构配件自重标准值产生的轴向力:NG2k=1.01+0.34+0.47=1.82 kN2、立杆的稳定性计算:(1)、立杆的长细比计算:其中: lo 立杆的计算长度lo = 1.155×1.5×1.8=3.12 mi 立杆的回转半径i = 1.58 cm经过计算,立杆的长细比λ=3.12×100÷1.58=198(2)、立杆的稳定性计算不考虑风荷载时,立杆的稳定性计算公式其中:A 立杆净截面面积;取A=4.89 cm2N 不考虑风荷载时,立杆的轴向压力设计值;取N=11 kNφ轴心受压立杆的稳定系数,由长细比λ的结果查表得到φ=0.184不考虑风荷载时立杆的稳定性σ=11×1000÷(0.184×(4.89×100))=122.25 N/mm2考虑风荷载时,立杆的稳定性计算公式其中:A 立杆净截面面积;取A=4.89 cm2W 立杆净截面模量(抵抗矩);取W=5.08 cm3N 考虑风荷载时,立杆的轴向压力设计值;取N=10 kNMw 计算立杆段由风荷载设计值产生的弯矩;取Mw=0.07 kN.mφ轴心受压立杆的稳定系数,由长细比λ的结果查表得到φ=0.184考虑风荷载时立杆的稳定性σ=10×1000÷(0.184×(4.89×100))+(0.07×1000000)÷(5.08×1000)=124.92 N/mm2不考虑风荷载时,立杆稳定性小于等于205N/mm2,满足要求考虑风荷载时,立杆稳定性小于等于205N/mm2,满足要求3、最大搭设高度的计算不组合风荷载最大搭设高度:组合风荷载最大搭设高度:其中:A 立杆净截面面积 A = 4.89 cm2W 钢管截面抵抗矩W = 5.08 cm3f 钢管立杆抗压强度设计值f= 205 N/mm2gk 每米立杆承受的结构自重标准值gk=0.12 kN/mNQK 活荷载标准值NQK=4.8 kNMwk 计算立杆段由风荷载标准值产生的弯矩Mwk=0.06 kN.mNG2K 构配件自重标准值产生的轴向力NG2K=1.82 kNφ轴心受压杆件稳定系数φ= 0.184经计算,不组合风荷载最大搭设高度Hs=((0.184×(4.89×100)×205÷1000)-(1.2×1.82+1.4×4.8)÷(1.2×0.12)=66.26 m组合风荷载最大搭设高度Hs=((0.184×(4.89×100)×205÷1000)-(1.2×1.82+0.85×1.4×(4.8+0.06×0.184×(4.89÷5.08÷100)))÷(1.2×0.12)=64.48 m最大搭设高度应该取上式中的较小值Hs=64.48m由于搭设高度Hs大于等于26m,所以按下式调整:经计算得到脚手架高度限值为[H]=60.57m调整后的高度不宜超过50m,故:脚手架最大高度应为50m六、连墙件的计算:(1)、风荷载产生的连墙件轴向力设计值按照下式计算:其中:wk 风荷载基本风压值,wk=0.11 kN/m2Aw 每个连墙件的覆盖面积内脚手架外侧的迎风面积;Aw=17.28 m2经计算得到:风荷载产生的连墙件轴向力设计值Nlw=1.4×0.11×17.28=2.66 kN (2)、连墙件的轴向力计算值应按照下式计算:其中No 连墙件约束脚手架平面外变形所产生的轴向力;取No=5 kN Nlw 风荷载产生的连墙件轴向力设计值Nlw=2.66 kN经计算得到:连墙件轴向力计算值Nl=2.66+5=7.66 kN(3)、连墙件轴向力设计值其中:φ轴心受压立杆的稳定系数,由长细比λ查表得到φ=0.966A 立杆净截面面积A = 4.89 cm2[f] 钢管的强度设计值[f] = 205 N/mm2经过计算得到Nf=0.966×(4.89×100)×205÷1000=96.84 kN长细比λ计算:其中: l 计算长度l = 0.2 mi 钢管回转半径i = 1.58 cm经过计算,立杆的长细比λ=0.2×100÷1.58=13计算结果:连墙件轴向力计算值小于等于连墙件的轴向力设计值;满足要求连墙件轴向力计算值小于等于扣件抗滑承载力,满足要求七、立杆的地基承载力计算:1、立杆基础底面的平均压力其中:N 上部结构传至基础顶面的轴向力设计值N=11 kNA 基础底面面积A=1.5 m2经计算得到立杆的地基承载力p=(11×1000)÷(1.5×1000000)=0.01 N/mm22、地基承载力设计值应按下式计算:其中:kc 脚手架地基承载力调整系数;取kc=0.40fgk 地基承载力标准值;取fgk=0.4 N/mm2经计算得到地基承载力设计值fg=0.40×0.4=0.16 N/mm2计算结果:立杆基础底面的平均压力小于或等于地基承载力设计值;满足要求。
脚手架荷载计算书(附)开阳里一区4#配套公建工程1-3层层高为4.8m,4-8层层高为3.5m,檐高33.5m。
外脚手架搭设要求为,立杆纵距1.5m,横距1.3m,大横杆步1.5m,小横杆间距750mm,脚手架与主体结构连接点的布置,其竖向间距H=6m,水平距离L=7.8m。
令l=1.5m,b=1.3m,h=1.5m,c=750。
验算脚手架(单根立根)允许搭设高度。
结构施工荷载取值为3kg/m2(Qk)(1)由b=1.3m,l=1.5m,h=1.5m,查规范表得:AF=46.388kN其中—格构式压杆的整体稳定性系数A—立杆毛截面积f—钢管的抗压强度设计值f=205N/mm2(2)由b=1.3m,l=1.5m,脚手板铺设层数二层,一纵距内脚手架附件及其物品重产生的轴力NGK2=3.391KN(3)由b=1.3m,l=1.5m,Qk=3kN/m2,一个纵距内脚手架荷载标准值产生的轴力NQk=7.43kn(4)由h=1.5m,l=1.5m,脚手架自重产生的轴力NQK1=0.411KNH=脚手架最大允许搭式高度:二、小横杆计算(1)强度计算(小横杆间距750)(2)恒荷载:脚手板自重q板=0.3kn/m2钢管单位长度的自重q管=38N/m活荷载:施工活荷载q活=3000N/m2荷截组合:q=1.2×恒荷载+1.4×活荷载×0.75=1.2(q数×0.75+q 管)+1.4×q活×0.75=1.2×(0.3×0.75+38)+1.4×3000×0.75=3196N/mM max=1/8qt2=1/8×3196×1.32=675N·MФ48×3.5钢管的截高抵抗矩W N=5078㎜3∴小横杆的抗弯刚度:6= M max/W N=675×1000/5078=133N/㎜26<f=205N/㎜2∴小横杆的抗弯刚度满足要求。
脚手架荷载计算书(附)开阳里一区4#配套公建工程1-3层层高为4.8m,4-8层层高为3。
5m,檐高33。
5m。
外脚手架搭设要求为,立杆纵距1。
5m,横距1.3m,大横杆步1。
5m,小横杆间距750mm,脚手架与主体结构连接点的布置,其竖向间距H=6m,水平距离L=7。
8m.令l=1。
5m,b=1.3m,h=1.5m,c=750。
验算脚手架(单根立根)允许搭设高度。
结构施工荷载取值为3kg/m2(Qk)(1)由b=1。
3m,l=1.5m,h=1。
5m,查规范表得:AF=46.388kN 其中-格构式压杆的整体稳定性系数A—立杆毛截面积f—钢管的抗压强度设计值f=205N/mm2(2)由b=1。
3m,l=1.5m,脚手板铺设层数二层,一纵距内脚手架附件及其物品重产生的轴力NGK2=3。
391KN(3)由b=1.3m,l=1。
5m,Qk=3kN/m2,一个纵距内脚手架荷载标准值产生的轴力NQk=7.43kn(4)由h=1.5m,l=1.5m,脚手架自重产生的轴力NQK1=0。
411KN H=脚手架最大允许搭式高度:二、小横杆计算(1)强度计算(小横杆间距750)(2)恒荷载:脚手板自重q板=0.3kn/m2钢管单位长度的自重q管=38N/m活荷载:施工活荷载q活=3000N/m2荷截组合:q=1。
2×恒荷载+1.4×活荷载×0。
75=1。
2(q数×0。
75+q 管)+1。
4×q活×0。
75=1。
2×(0.3×0。
75+38)+1。
4×3000×0。
75=3196N/mM max=1/8qt2=1/8×3196×1。
32=675N·MФ48×3。
5钢管的截高抵抗矩W N=5078㎜3∴小横杆的抗弯刚度:6= M max/W N=675×1000/5078=133N/㎜2 6<f=205N/㎜2∴小横杆的抗弯刚度满足要求.(3)挠度验算w/b=1。
***********工程楼板满堂脚手架验算计算书计算:复核:审批:************工程项目经理部二〇一六年四月十九日目录一、计算依据 (1)二、工程概况 (1)三、工程属性 (1)四、荷载设计 (1)五、模板体系设计 (2)(一)面板检算 (3)(二)小梁检算 (4)(三)主梁检算 (6)(四)立柱验算 (8)(五)可调拖座验算 (9)(六)立杆地基基础检算 (10)六、检算结论 (10)楼板满堂脚手架计算书一、计算依据1、《********工程》施工图纸2、《**********工程》地勘报告3、《建筑施工模板安全技术规范》(JGJ162—2008)4、《建筑施工扣件式钢管脚手架安全技术规范》(JGJ130-2011)5、《建筑结构荷载规范》(GB50009-2012)6、《建筑地基基础设计规范》(GB50007—2011)7、《木结构设计规范》(GB50005—2003)8、《路桥施工手册》周永兴编二、工程概况本工程建筑物均为框架结构,根据设计图纸,脱水机房单体高度为本工程建筑物最高单体,脚手架搭设高度为5.19m,我们将选取该单体进行满堂脚手架的验算,其余房建均按此验算结果进行组织施工。
三、工程属性四、荷载设计五、体系设计设计简图如下:设计平面图设计剖面图六、体系检算(一)面板检算面板类型覆面竹胶合板面板厚度(mm)15 面板抗弯强度设计值[f](N/mm2)35面板弹性模量E(N/mm2)10000根据《建筑施工模板安全技术规范》5。
2。
1"面板可按简支跨计算”的规定,另据现实,楼板面板应搁置在梁侧模板上,因此本例以简支梁,取1m单位宽度计算。
计算简图如下:W=bh2/6=1000×15×15/6=37500mm3,I=bh3/12=1000×15×15×15/12=281250mm41、强度验算q 1=0.9max[1.2(G1k+ (G3k+G2k)×h)+1。
目录一、工程概况: (1)二、15米高架子内力计算 (1)三、A轴交9~11轴处梁、板承载力验算 (9)四、21米高外架内力计算 (13)五、室外楼梯承载力验算 (20)外墙架子及楼板承载力计算书一、工程概况:1、工程名称:南翔镇邻里中心2、工程地点:3、建设单位:南翔镇政府4、勘察单位:5、设计单位:同济大学建筑设计研究院6、监理单位:7、施工单位:8、建筑面积:本工程地上四层,地下一层;总建筑面积: 12137㎡平方米(其中地上建筑面积: 8098平方米;地下建筑面积: 4039平方米);9、建筑高度:屋面檐口标高为19.5m,脚手架搭设高度为21米。
10、本工程局部外墙脚手架立杆立于二层楼板上(架子高度15米)及室外楼楼上(架子最高21米),其余号房脚手架立于室外地坪上。
在室外地坪上的的脚手架下做2米宽150厚C20素砼基础,基础外做排水沟。
:橫距la=0.9m,纵距lb=1.5m,步高h=1.8m,离墙距离a=0.3m,二步三跨连墙件,高度H=21m,下垫200×200×10钢板。
10、因工程造型复杂,部分外架设在二层悬挑楼板及室外楼梯处,悬挑楼板处架子高度15米,室外楼梯处外架高度按21米计算。
二、15米架子内力计算(一)脚手架参数(二)荷载设计脚手板类型竹芭脚手板脚手板自重标准值G kjb(kN/m2) 0.10.01脚手板铺设方式2步1设密目式安全立网自重标准值G kmw(kN/m2)挡脚板类型竹串片挡脚板栏杆与挡脚板自重标准值G kdb(kN/m) 0.17挡脚板铺设方式2步1设每米立杆承受结构自重标准值g k(kN/m0.129)横向斜撑布置方式5跨1设装修脚手架作业层数n zj 1装修脚手架荷载标准值G kzj(kN/m2) 2 地区上海安全网设置全封闭基本风压ω0(kN/m2) 0.41.06,0.796 风荷载体型系数μs 1.254 风压高度变化系数μz(连墙件、单立杆稳定性)0.532,0.399风荷载标准值ωk(kN/m2)(连墙件、单立杆稳定性)计算简图:立面图侧面图三、纵向水平杆验算纵、横向水平杆布置方式纵向水平杆在上横向水平杆上纵向水平杆根数n 2横杆抗弯强度设计值[f](N/mm2) 205 横杆截面惯性矩I(mm4) 107800 横杆弹性模量E(N/mm2) 206000 横杆截面抵抗矩W(mm3) 4490纵、横向水平杆布置q=1.2×(0.033+G kjb×l b/(n+1))+1.4×G k×l b/(n+1)=1.2×(0.033+0.1×0.9/(2+1))+1.4×2×0. 9/(2+1)=0.916kN/m正常使用极限状态q'=(0.033+G kjb×l b/(n+1))+G k×l b/(n+1)=(0.033+0.1×0.9/(2+1))+2×0.9/(2+1)=0.663kN/ m计算简图如下:1、抗弯验算M max=0.1ql a2=0.1×0.916×1.52=0.206kN·mσ=M max/W=0.206×106/4490=45.9N/mm2≤[f]=205N/mm2满足要求!2、挠度验算νmax=0.677q'l a4/(100EI)=0.677×0.663×15004/(100×206000×107800)=1.024mm νmax=1.024mm≤[ν]=min[l a/150,10]=min[1500/150,10]=10mm满足要求!3、支座反力计算承载能力极限状态R max=1.1ql a=1.1×0.916×1.5=1.511kN正常使用极限状态R max'=1.1q'l a=1.1×0.663×1.5=1.094kN(四)横向水平杆验算由上节可知F1=R max=1.511kNq=1.2×0.033=0.04kN/m正常使用极限状态由上节可知F1'=R max'=1.094kNq'=0.033kN/m1、抗弯验算计算简图如下:弯矩图(kN·m)σ=M max/W=0.457×106/4490=101.759N/mm2≤[f]=205N/mm2 满足要求!2、挠度验算计算简图如下:变形图(mm)νmax=1.287mm≤[ν]=min[l b/150,10]=min[900/150,10]=6mm满足要求!3、支座反力计算承载能力极限状态R max=1.529kN(五)扣件抗滑承载力验算横杆与立杆连接方式单扣件扣件抗滑移折减系数0.85 扣件抗滑承载力验算:纵向水平杆:R max=1.511/2=0.756kN≤R c=0.85×8=6.8kN横向水平杆:R max=1.529kN≤R c=0.85×8=6.8kN满足要求!(六)荷载计算脚手架架体高度H 15 脚手架钢管类型Ф48×3每米立杆承受结构自重标准值gk(kN/m0.129立杆静荷载计算1、立杆承受的结构自重标准值N G1k单外立杆:N G1k=(gk+l a×n/2×0.033/h)×H=(0.129+1.5×2/2×0.033/1.8)×15=2.351kN 单内立杆:N G1k=2.351kN2、脚手板的自重标准值N G2k1单外立杆:N G2k1=(H/h+1)×la×l b×G kjb×1/2/2=(15/1.8+1)×1.5×0.9×0.1×1/2/2=0.315k N1/2表示脚手板2步1设单内立杆:N G2k1=0.315kN3、栏杆与挡脚板自重标准值N G2k2单外立杆:N G2k2=(H/h+1)×la×G kdb×1/2=(15/1.8+1)×1.5×0.17×1/2=1.19kN1/2表示挡脚板2步1设4、围护材料的自重标准值N G2k3单外立杆:N G2k3=G kmw×la×H=0.01×1.5×15=0.225kN5、构配件自重标准值N G2k总计单外立杆:N G2k=N G2k1+N G2k2+N G2k3=0.315+1.19+0.225=1.73kN单内立杆:N G2k=N G2k1=0.315kN立杆施工活荷载计算外立杆:N Q1k=la×l b×(n zj×G kzj)/2=1.5×0.9×(1×2)/2=1.35kN内立杆:N Q1k=1.35kN组合风荷载作用下单立杆轴向力:单外立杆:N=1.2×(N G1k+ N G2k)+0.9×1.4×N Q1k=1.2×(2.351+1.73)+ 0.9×1.4×1.35=6.599kN单内立杆:N=1.2×(N G1k+ N G2k)+0.9×1.4×N Q1k=1.2×(2.351+0.315)+ 0.9×1.4×1.35=4.901kN(七)立杆稳定性验算1、立杆长细比验算立杆计算长度l0=Kμh=1×1.5×1.8=2.7m长细比λ=l0/i=2.7×103/15.9=169.811≤210满足要求!轴心受压构件的稳定系数计算:立杆计算长度l0=Kμh=1.155×1.5×1.8=3.119m长细比λ=l0/i=3.119×103/15.9=196.132查《规范》表A得,φ=0.1882、立杆稳定性验算不组合风荷载作用单立杆的轴心压力设计值N=1.2(N G1k+N G2k)+1.4N Q1k=1.2×(2.351+1.73)+1.4×1.35= 6.788kNσ=N/(φA)=6787.5/(0.188×424)=85.15N/mm2≤[f]=205N/mm2满足要求!组合风荷载作用单立杆的轴心压力设计值N=1.2(N G1k+N G2k)+0.9×1.4N Q1k=1.2×(2.351+1.73)+0.9×1 .4×1.35=6.599kNM w=0.9×1.4×M wk=0.9×1.4×ωk l a h2/10=0.9×1.4×0.399×1.5×1.82/10=0.244kN·m σ=N/(φA)+M w/W=6598.5/(0.188×424)+244331.64/4490=137.196N/mm2≤[f]=205N/mm2 满足要求!三、A 轴交9~11轴处梁、板承载力验算楼板厚120mm ,砼强度等级C30;C 8@200双层双向布置。
1、最不利工况(A 轴交9~11轴),如下图所示:楼板最不利工况示意图2、等效均布荷载计算20.04820.010.120.188cx tx b b s h m =++=+⨯+=(s 为垫层厚,h 为板厚) 20.04820.010.120.188cy ty b b s h m =++=+⨯+=(s 为垫层厚,h 为板厚)局部荷载:26.788192.05/0.1880.188cx cy N q KN m b b ===⨯ ====cy x cx y y y y yb l b x yk l l l l l αβξη=,,,,(1)、P1、 P2、P3等效均布荷载:已知板沿长边方向的计算跨度 4.0x l m =,板沿短边方向的计算跨度 2.55y l m =计算参数: 1.568=0.069=0.069==k αβξη=,,,0.078,0.176 查《建筑结构荷载设计手册》附表4-2得:0.00035x θ=-,0.0179y θ=,其它数据见下表:(5)、P1-P3等效均布荷载:'20.01755192.05 3.37/ex q KN m =⨯='20.0281192.05 5.40/ey q KN m =⨯=取较大值q=5.4KN/m 2 (6)均布荷载设计值楼板其它活荷载按22/KN m 考虑,自重按325/KN m 考虑21.20.1225 1.4(5.42)13.96/ex q KN m =⨯⨯+⨯+=21.20.1225 1.4(5.42)13.96/ey q KN m =⨯⨯+⨯+= 3、楼板验算按四边固定双向板计算 查双向板弯矩系数表,得20.077213.96 2.557.00x M KN m =-⨯⨯=-⋅20.057113.96 2.55 5.18y M KN m =⨯⨯=⋅ 取大值计算:602210 1.07.00100.0441.014.31000105s c Mf b h γαα⋅⨯⨯===⋅⋅⋅⨯⨯⨯110.045ξ===210 1.014.310001050.045187.7360c s yf b h A mm f αξ⋅⋅⋅⋅⨯⨯⨯⨯===实配C 8@200(22251187.7s A mm mm =>),满足要求。