杆路建设施工规范
- 格式:doc
- 大小:21.30 KB
- 文档页数:9
架空杆路施工规范 WTD standardization office【WTD 5AB- WTDK 08- WTD 2C】2杆路工程立杆2.1.1 电杆洞深应符合表的规定,洞深偏差为±50mm。
注:1.本表适用于中、轻负荷区通信线路。
重负荷区的杆洞深度应按本表规定值另加100~200mm。
2.12m以上的特种电杆的洞深应按设计文件规定实施。
2.1.2 按设计规定的杆距立杆。
一般情况下,市区杆距为35~40m,郊区杆距为45~50m。
2.1.3 竖立电杆应达到下列标准:1.直线线路的电杆位置应在线路路由的中心线上。
电杆中心线与路由中心线的左右偏差应不大于50mm;电杆本身应上下垂直。
2.角杆应在线路转角点内移。
水泥电杆的内移值为100~150mm,木杆内移值为200~400mm。
因地形限制或装撑木的角杆可不内移。
3.终端杆应向拉线侧倾斜100~200mm。
接杆2.2.1 应按设计规定的长度、方式、方法进行电杆接长。
2.2.2 水泥杆接杆必须采用“等径水泥电杆”叠加接长,两杆间用法兰盘或钢板圈接续。
2.2.3 本杆接杆杆高在12m以下(轻负荷的电杆杆高15m以下)时可采用单接杆;超过12m(轻负荷的电杆杆高15m以上)时应采用品接杆。
2.2.4 木杆接杆应符合下列规定:1.杆身挺直、径差较小、表面无大节疤;2.下节杆的梢径不得小于上节杆的梢径;3.单接杆的下节梢径不得小于上节杆根径的四分之三。
2.2.5图2.2.5杆根装置2.3.1 水泥电杆杆根装置应用混凝土卡盘,以“U”字形抱箍固定。
卡盘、抱箍型号、规格见附录B。
木杆杆根装置应用横木,以4.0mm钢线缠绕固定。
2.3.2 直线杆路电杆杆根装置的位置应符合下列规定:1.一般线路应按设计规定装置,无明显规定时应装在线路的一侧,但相邻杆均设杆根装置时,应交错装设。
2.杆距长度不等时应装在长杆档侧。
2.3.3 角杆、终端杆杆根装置位置应符合下列规定:1.单装置应装在拉线方向的反侧,与拉线方向呈“T”形垂直。
架空线路建设施工规一.杆路施工1.支承杆的选择光缆架空敷设用支承杆一般选用水泥杆,在对混泥土腐蚀较严重地区可选用经防腐处理的木杆。
水泥杆的长度不小于7m,杆梢直径不能小于150mm,主筋应为Φ5.5mm×12根高强度钢丝并有螺旋横筋;跨越公路、铁路及大型路口时应使用Φ150mm×10m水泥杆,其主筋应为Φ5.5mm16×根,同样应有螺旋横筋。
制作水泥杆的水泥标号应符合国家有关标准。
2.根基埋入深度(1)一般土质地方,支承杆全长不足15m时,埋入深度取全长的1/6,但最小要保证1m深度。
若支承杆全长超过15m,埋入深度取2.5m。
(2)水田、泥土地带等土质较软的地方,埋入深度取全长的1/5以上。
(3)终端杆、转弯杆等有较大荷重时,埋入深度取支承杆的1/5以上。
并视情况安装拉线、支杆、拉线杆等进行加固。
(4)山区岩石地方,深埋一般取支承杆全长的1/12以上,基础用水泥等加固。
表层上的厚度小于30cm时,要去掉表土。
建杆用坑取圆形,直径取支承杆根部直径稍大一些的尺寸。
转弯杆、终端杆由于其顶端承担力,架设时需在相反一侧末梢做成某程度的倾斜,中间杆则架成垂直状。
(参见附表1)10m以下的水泥杆可使用专用工具依靠人力架设。
10m以上的水泥杆,一般需要使用吊车架设。
3.帮桩、杆根横木、根基加固等的安装施工在暴风,积雪地带或地质特别松软的地方,以及杆与杆之间因跨越河流、山谷而距离太大或架设光缆较多时,线路的中间杆、转弯杆、高拉力杆均应采取安装帮桩、杆根横木、增加水泥基础或扩墩等加固措施,以防强风时发生事故。
4.杆路走向与杆距杆路走向应尽量不跨越建筑物,力争避免与其他杆路较越并减少与强电杆路并行架设。
若与电力、电信杆路或地埋线路平行、较越架设时,应符合有关规定(两行平行线路相距至少应大于一个倒杆距离)并采取有效措施,以防止相互干扰和发生事故。
杆路沿公路架设时应离开公路界石以外至少10m。
1、电杆立杆质量检查参与单位:监理单位、施工单位、物资设备厂家责任单位:施工单位文档输出:1.1电杆立杆前首先检查到场电杆是否有生产许可证、合格证、入网证、权威部门质检证.电杆外观是否有环向裂缝宽度超过0.5mm的、有可见纵向裂缝的、混凝土破碎部分总表面积超过200平方毫米的,如有类似情况电杆不得使用,并分开堆放.电杆埋深、拉线地锚埋深、电杆档距应该符合设计和规范的要求,杆路走向和设置应符合路由复测,设置位应稳固.电杆洞深图坚石电杆洞深图1.2电杆程式是否能满足各种标高和力学要求.直线线路上的杆位是否在线路路由的中心线上,电杆上下垂直,电杆中心线与路由中心线左右偏差一般不应该大于5cm. 角杆应该立在线路转角点内侧:水泥杆内移10~15cm.木杆内移20~30cm .终端杆杆身向拉线侧倾斜10~20cm.光缆线路架设高度和与其他通信缆线、电力线垂直隔距应该符合设计要求,电杆根部加固装置的安装地点是否按设计要求.立杆图2、拉线制作质量检查参与单位:监理单位、施工单位责任单位:施工单位文档输出:2.1 拉线程式的选用:➢空光缆杆路拉线程式的选择,主要应根据杆路负荷、气象条件以及制作拉线用的钢绞线容许的最大拉断力来考虑.一般在轻中负荷区时,线路转角的拉线程式比吊线程式大一级.线路转角大于600时,需装设两条终端拉线<八字拉线>,其程式比光缆吊线程式加大一级.终端杆或分线杆的顶头拉线一般设置7/3.0拉线.➢线路中间杆由于前后线路负荷不均或杆距不等,需装设的拉线程式应与线路张力大一侧吊线程式相同或大一级.➢高桩拉线程式一般与光缆吊线程式相同或大一级.➢抗风、防凌杆拉线程式一般与光缆吊线程式相同.拉线隔装数应该根据工程所处地区的气象条件,轻中负荷区在直线段应每隔500米<10根电杆>左右设置"抗风杆"双方拉线,每隔1000米<20根电杆>左右设置"防凌杆"四方拉线,其位置一般设置在吊线上方的10-20cm,以15cm左右为最佳.➢拉线的埋深应根据拉线程式的大小及土质情况来予以确定.➢拉线程式应与拉线盘及拉线铁柄配套使用,在坚石地段的拉线地锚应采用钢地锚. 拉线的"距/高"比一般取为1,特殊情况下亦不可小于0.75,否则可采用吊板拉线、高桩拉线、墙壁拉线或改用撑杆加固.➢拉线地锚的出土一般为<30士10>cm范围,出土点的偏差不大于5cm.➢墙拉线的拉攀距墙角应不小于25cm,距屋檐不小于40cm,撑杆的距高比应不小于0.5.➢所有拉线的上把及中把均采用夹板法.拉线程式应与拉线盘及拉线铁柄配套使用,具体详见下表:2.2铁柄与拉线盘配套规格表拉线制作图3、吊线架设质量检查参与单位:监理单位、施工单位责任单位:施工单位文档输出:YB/T5004--2001行业标准:吊线的规格程式和架挂线位、吊线夹板距电杆顶的距离是否符合设计要求,一般距杆顶≥50cm,在特殊情况下应≥25cm.吊线夹板在各电杆上的位置宜与地面等距,由于地形限制,当吊线在电杆上的坡度变化大于杆距的20%时,应该加装俯角或仰角辅助装置.3.2 检查杆路上架设第一条吊线时,一般设在杆路沿路的车行道反侧<建筑物侧>.在同一杆路同侧架设两层吊线时,两吊线间距为40cm.当角深在5〜15m时,吊线应该装角杆吊线辅助装置.两条十字交叉吊线高度相差在40cm以内时,需做成十字吊线,吊线在终端杆及角深大于15m的角杆上,应该做终结.相邻杆档的吊线负荷不等或在负荷较大的线路终端杆前一根电杆,应按设计要求做泄力杆,吊线在泄力杆做辅助终结.同层两条吊线在一根电杆上的两侧,做成合手终结.3.3 检查吊线与其他通信线路、广播线路、电力线路交越间距、吊线距地面和其他建筑的间距、吊线接头、吊线终结制作工艺、吊线跨越公路、铁路、村道高度、吊线垂度应符合设计要求.3.4 吊线的加固:➢泻力拉线:对有较大受力不均匀的两档吊线,应在电杆处增做吊线单向假终结.➢对偏转角大于300的角杆,应增做角杆辅助装置.➢吊线坡度变化大于1/10时,吊线应增做角杆仰、俯角辅助装置.➢有关辅助装置原则上按以下方式安装:A.角杆辅助装置采用卡子法.B.电杆仰俯角辅助装置采用另缠法.C.吊线终结及拉线中把、上把采用夹板法.D.拉线式地线采用卡子法.吊线终结双吊线4、光缆敷设质量检查参与单位:监理单位、施工单位责任单位:监理单位4.1 根据光纤衰耗的测试数据,光缆敷设前,应根据杆路实际架设的地形起伏情况,丈量核算包括接头重叠长度,各种必要预留长度在内的光缆敷设总长度,并进行光缆的配盘工作,避免任意砍断尾缆.4.2 根据长途光缆设计规范及本地网光缆设计规范,如果是形成环路的光缆,则先确定一个局站的光缆布放端别,再从这个局站开始,B端向外布放,依次经过其它局站环回时,光缆环回端B端朝向起始站.4.3 光缆配盘:➢根据光缆衰耗的测试数据,按到货单盘光缆长度合理安排使用地段,使光缆接头数量最少,余出光缆最短.配盘时应考虑光缆接头点的施工条件,不要将光缆接头置于地形不好的地段<如长杆档、跨河档及跨路档内>.➢光缆应尽量做到整盘敷设,以减少中间接头.➢靠设备側的第1、2段光缆的长度应尽量大于350m~500m.➢靠设备侧应选用光纤的几何尺寸、数值孔径等参数偏差小、一致性好的光缆.➢光缆在布放前应进行单盘测试〕衰耗、长度〔并做好组织工作,布放时应统一指挥,统一行动.布放中无特殊情况不得随意开断光缆,光缆布放后不要绷得太紧,需预留光缆处应适当预留.➢由于光缆布放牵引长度较长,沿线各点<尤其是拐弯处及交通要道>应有专人监视,并随时保持联络,以便在意外情况发生时采取措施.➢布放时对光缆牵引力应严格控制,不得大于光缆允许张力〕1500N〔.曲率半径不得小于光缆外径的20倍.布放过程中应无扭转、打小圈、浪涌等现象发生.光缆敷设时牵引长度每次不大于1000m,超长时应采用分次牵引的办法.➢光缆布放的过程中及安装后,其所受张力、侧压力时,曲率半径不得超过单盘光缆主要技术性能的相关标准.4.4 本工程的光缆在线路查勘长度的基础上,除按国家规定的损耗外,光缆的各种预留按以往设计要求架空光缆预留:每200m一个小预留进行考虑0.5m.每500m一个大预留进行考虑12m.飞线档两侧前后杆预留各考虑12m.光缆引上预留按每处7m左右考虑.架空光缆接续预留接头每侧预留12m左右.进局光缆预留:小站按10-20m、大站按20-30m考虑光缆预留.4.5 除以上预留以外,光缆特殊地段,如开发地段、以后可能改道地段及特殊要求预留地段等皆应考虑光缆的预留,预留的地点及数量应在图中具体标明.架空光缆的安装要求光缆预留图4.6 合挂光缆要求:➢为节约工程投资和减轻杆路负荷,并结合工程的维护和管理,一条吊线最多挂2-3条光缆.但在3条光缆时,其合挂长度应在500m以下,当超出500米时应采用双吊线,双吊线采用双吊线抱箍平行架设.单条光缆采用25mm挂钩,双条光缆或3条光缆采用35mm或45mm挂钩.同一条光缆应尽量安装在杆路的同一侧.双吊线光缆图4.7 局内光缆的安装要求:➢局内光缆〕电缆进线窗-光分配架或光终端盒〔应布放在走线架或槽道上,用尼龙扎带绑扎牢固并挂上小标志牌.➢局站内的光缆应预留余缆,并应将各预留光缆绑扎成相同大小的圈,选择合理的位置予以固定.➢光缆成端处应将其金属构件接到ODF架的保护地接线端子上,再通过保护地线连接到传输机房的总保护地排上.➢若入局<站>吊线需从铁塔等金属物上引渡的,需用隔电子档将吊线电气断开.5、光缆接续质量检查参与单位:监理单位、施工单位责任单位:监理单位光缆接续是通信光缆工程施工的关键环节,接续及安装的好坏,将直接反映通信传输性能、影响整个工程的最终质量.在光缆接续时应主要以下几个方面:5.1 检查光缆接头盒是否是设计规定的规格型号,应按照供货方提供的安装手册[说明书]要求封袋.光缆接续前,应认真检查接头盒附件种类及数量是否齐全、质量是否符合要求. 5.2 在接头盒内,要求两侧光缆金属构件均不做电气连通,两侧的金属构件相互间也不连通,都做电气断开处理.5.3 光缆接头盒不应安装在公路、河流、建筑物上方.光缆线路的接头位置和光纤接续衰减要求:光缆接头的位置应便于维护.5.4 光纤接续采用熔接法,并按相同线序对接,不得接错,严格按光缆的色谱对应接续.在接头盒内,每侧光缆的余留光纤应各不小于0.8m.余留光纤应有醒目的编号,按#1-#12、#13-#24…顺序盘放在自上而下编号的相应容纤盘内.光纤接头应嵌入盘上的槽内,并固定牢固.中继段内同一根光纤的熔接衰减平均值应不大于0.08db/个<OTDR双向测试,取平均值>,允许5%接头光纤衰减值可大于0.08db,但应小于0.15db.5.5 局内光缆尾纤与设备的连接采用"活接头"方式在法兰盘上连接.活接头连接点的插入衰耗要求为0.5db〕反射衰耗40db〔.6、光缆各种标识的质量检查参与单位:监理单位、施工单位责任单位:施工单位6.1 新建架空光缆吊牌是否准确,间隔是否合理,杆号喷涂规格尺寸是否符合要求,各种跨公路警示标识、标牌、反光板是否符合要求.光缆吊牌图跨公路警示标志图6.2 杆路编号:根据"光传送网工程光缆线路标示规定",在光缆环路上的杆路是以基站与基站为一连续编号,从A端向B端编号.支线光缆路由上的杆路是以主基站端向支线基站端为一连续编号,具体编号格式应符合设计要求.电杆杆号图7、光缆进局、成端质量检查参与单位:监理单位、施工单位、维护单位责任单位:监理单位检查光缆在机房的预留是否符合设计要求,光缆在ODF架或终端盒做终端,光缆内的金属构件、ODF架接地的装置方法,以及防雷接地线的规格、型号是否均符合设计要求.接地线严禁成螺旋形布放.光纤及尾纤预留在ODF架盘纤盒中安装,是否有足够的盘绕半径,要求盘绕自然、圆滑,并稳固、不松动.光纤成端后,光纤端别、序号是否有明显的标志.光缆进局图光缆成端图8、现场收尾8.1杆路自检整治参与单位:监理单位、施工单位责任单位:施工单位检查杆路<杆梢>是否有偏移情况,对于角度较大的吊档<俯角>、顶档<仰角>和转角杆是否设置附助装置,制作工艺是否符合设计要求.光缆的过杆保护、角杆保护、吊线接头处保护、过树竹保护.三线交越保护的设置是否合理,光缆预留、接头预留是否绑扎,接头两端滴水弯的制作设置是否合理.电杆洞和拉线洞是否已经培土,铁附件、引上钢管是否涂防锈漆,引上钢管口是否已经堵塞.中继段光缆OTDR测试双窗口损耗是否符合设计,接头损耗是否符合设计要求.过树竹保护图过杆保护图电杆培土图8.2 场地清理参与单位:监理单位、施工单位责任单位:施工单位施工完成后应督促施工单位对施工场所进行清洁,并把施工垃圾带离施工现场妥善处置,防止留下安全隐患.同时应督促施工单位把剩余材料按要求进行保管或移交.。
严格按《通信建设工程安全生产操作规》施工。
1.施工测量⑴通信线路工程在勘察测量施工时,应对路由经过的沿线环境进行详细的调查,如有毒植物、毒蛇、血吸虫、猛兽和狩猎器具、陷阱等;要广泛宣传告知交底并采取相应预防措施。
⑵在路由复测中传递标杆,禁止抛掷,并不得耍弄标杆,以免伤人。
⑶.在测量和施工时,凡遇到河流、深沟、陡坡等,要小心通过,不能盲目泅渡和跳跃。
2.装运电杆⑴汽车装运电杆时,车上应设置专用支架,杆材重心应落在车厢中部。
严禁杆材超出车厢两侧没有专用支架时,杆材应平放在车厢,杆根向前,杆梢向后,杆材伸出车身尾部的长度应符合交通部门的规定。
⑵如用其他运输车辆运送电杆时,应用绳索捆绑撬紧,保持车辆平衡。
卸车时应用木枕或石块稳住前后车轮。
⑶卸车松捆时,应按顺序逐一进行,不得全部松开,以防电杆从车厢两侧滚下。
卸车时不得将电杆直接向地面抛掷。
⑷堆放杆材应使杆梢、杆根各在一端排列整齐平顺。
杆堆底部两侧必须用短木或石块堵挡,堆完后应用铁线捆牢。
电杆堆放时,木杆不超过六层,水泥杆不超过两层。
人工运杆作业(1)电杆分屯堆放点应设在不妨碍行人、行车的位置,电杆堆放不宜过高。
(2)电杆应按顺序从堆放点高层向低层搬运。
撬移电杆时,下落方向禁止站人。
从高处向低处移杆时用力不宜过猛,防止失控。
(3)使用“抱杆车”运杆,电杆重心应适中,不得向一头倾斜。
推拉速度应均匀,转弯和下坡前应提前控制速度。
(4)在往水田、山坡搬运电杆时应提前勘选路由。
根据电杆重量和路险情况,备足搬运用具和充足人员,并有专人指挥。
(5)在无路可抬运的山坡地段采用人工沿坡面牵引时,绳索强度应足够牢靠,同时应避免牵引绳索在山石上磨擦。
电杆后方严禁站人。
3.立杆人工立杆(1)立杆前,应在杆梢下方的适当位置系好定位绳索。
如作业区周边有砖头、石块等应预先清理。
(2)在杆根下落的坑洞竖起挡杆板,使挡杆板挡住杆根,并由专人负责压控杆根。
(3)作业人员竖杆时应步调一致,人力肩扛时必须用同侧肩膀(4)杆立起至30°角时应使用杆叉(夹杠)、牵引绳等助力。
第三条杆路建设施工要求(1)架空光缆线路电杆程式的选用本工程电杆选用防腐木杆,程式选用7mx14-18cm 8mx14-18cm、9mx14-18cm和10mx14-18cm四种程式,普通路段选用7米木杆,过路等特殊路段根据规范要求选用其它规程的木杆。
新建杆路建设原则上满足50米/杆档(1公里20根电杆),如地形障碍不能满足,则在邻近杆档进行调整,以满足平均杆距50米的要求。
(2)电杆埋深:电杆埋深应符合下表要求:(3)拉线原则上在直线段每隔8个杆档做一处双方(防风)拉线,双方(防风)拉线采用7/2.2钢绞线,使用φ16X1800mm地锚铁柄,拉线盘选用300X500X150mm水泥拉盘。
每隔32个杆档做一处四方拉线。
防凌(顺向)拉线、角杆拉线、终端拉线采用7/2.6钢绞线,使用φ16X2100mm地锚铁柄,拉线盘选用400X600X150mm水泥拉盘。
角杆拉线应位于角杆两侧线条合力的反侧(方向);当角深大于15米时,应装设两条终端拉线。
拉线的距、高比一般应为1,最小不小于0.75(设计另有规定除外)。
拉线的上把和中把用3.0镀锌铁线另缠紧固,规定如下:(4)吊线本工程吊线采用7/2.2钢绞线。
吊线宜与地面等距。
当坡度变更为杆距的5-10%时,吊线应加装仰、俯角辅助装置。
新建杆路上的所有角杆要加装拉线式地线,拉线式地线是借用拉线避雷的一种方式,避雷线应直接压在拉线在杆上缠绕部分下面后与光缆吊线相连。
架空光缆线路与电力设施必须保持规定的隔距;过电力线路时要安装防护套管保护,跨越1万伏及以上电力线路时,在光缆杆路上与电力线路相邻的两根电杆做吊线接地。
拉线要与吊线连接,跨电力线两端要做吊线接地,地阻不大于10欧,电力线正下方要套管保护。
吊线施工工艺:1、垂度要平整,不能下垂。
2、做吊线终端回头工艺同拉线上把。
3、吊线夹板距电杆顶的距离一般应在30公分,与建筑物、公路、其它线路交越和跨越时可根据实际进行调整。
通信工程架空光缆线路施工规范目录第一节杆路 (1)第二节吊线 (1)第三节拉线 (2)第四节钢柄地锚 (2)第五节高拉桩撑杆吊板拉 (3)第六节光缆的器材检查 (3)第七节光缆的配盘 (3)第八节光缆的接续和安装 (4)第九节光缆架设 (4)第十节地线避雷线 (5)第十一节标志杆号 (5)水泥杆假终结安装示意图 (6)架空光缆安装图(正、辅吊) (7)光缆预留保护安装图 (8)吊线、俯仰角、角杆辅助安装示意图 (9)架空光缆接头预留保护示意图 (10)吊线泄力安装示意图 (11)单盘光缆主要技术性能表 (12)终继段光功率计算 (12)架空光缆的敷设 (14)光缆线路的保护措施 (1)第一节杆路1.选择路由根据实际地形决定,尽量避开大型建筑物、闹市与开发区,要了解当地村镇开发规划。
在测量前和测量后,一定要征求当地村镇干部同意;2.直线杆路要习开三线杆路(电力杆路、通信杆路、广电杆路)与三结杆路平行不得少于一个倒杆位。
杆路离开公路的两侧排水沟;国道20米、省道15米、县道10米、乡道5米;3.杆路穿越电力线路、长途光缆线路、一定要从下面穿过。
杆路经过长途埋式光缆,距埋式光缆15米以内不得立杆、埋拉线地锚石;4.杆路不准有急转变,要习免角杆直接穿越公路、铁路。
遇到角深大于规定值时,可将一个角杆平分成两个相等转角。
测量定要用标杆对标,角杆有角深记录,角杆要向内移10至20cm;5.配杆要根据地形高低和穿越建筑物,电力线电压大小配置杆子长度。
移动公司标准杆为7米,配置杆7米到12米,标准杆档距为50米;6.电杆埋深深度见附表(一),杆子高度不够不得加裁铁帽;7.立在路边、岩石或其他电杆坑挖深不能满足要求的必须做水泥护墩,护墩尺寸为上底直径80cm,下底直径120cm,高度80cm.。
第二节吊线1、吊线抱箍距杆稍40至60cm处,背档杆吊线抱箍可以适当降低,吊档杆抱箍可升高,距杆稍不得少于25cm。
第一层吊线与第二层吊线间距40cm;2、第一吊线应在杆路前进方向左侧,吊线位置不能任意改变方向;3、吊线的背档杆和吊档杆5米以上的应做辅助装置。
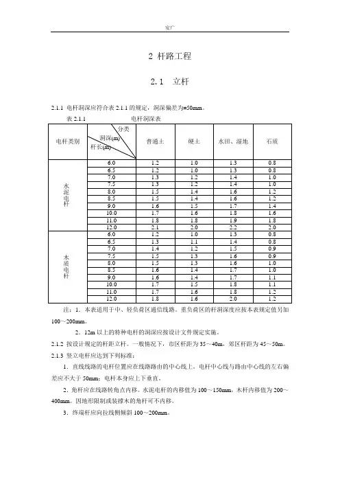
2 杆路工程立杆2.1.1 电杆洞深应符合表的规定,洞深偏差为±50mm。
表2.1.1 电杆洞深表注:1.本表适用于中、轻负荷区通信线路。
重负荷区的杆洞深度应按本表规定值另加100~200mm。
2.12m以上的特种电杆的洞深应按设计文件规定实施。
2.1.2 按设计规定的杆距立杆。
一般情况下,市区杆距为35~40m,郊区杆距为45~50m。
2.1.3 竖立电杆应达到下列标准:1.直线线路的电杆位置应在线路路由的中心线上。
电杆中心线与路由中心线的左右偏差应不大于50mm;电杆本身应上下垂直。
2.角杆应在线路转角点内移。
水泥电杆的内移值为100~150mm,木杆内移值为200~400mm。
因地形限制或装撑木的角杆可不内移。
3.终端杆应向拉线侧倾斜100~200mm。
接杆2.2.1 应按设计规定的长度、方式、方法进行电杆接长。
2.2.2 水泥杆接杆必须采用“等径水泥电杆”叠加接长,两杆间用法兰盘或钢板圈接续。
2.2.3 本杆接杆杆高在12m以下(轻负荷的电杆杆高15m以下)时可采用单接杆;超过12m(轻负荷的电杆杆高15m以上)时应采用品接杆。
2.2.4 木杆接杆应符合下列规定:1.杆身挺直、径差较小、表面无大节疤;2.下节杆的梢径不得小于上节杆的梢径;3.单接杆的下节梢径不得小于上节杆根径的四分之三。
2.2.5 木杆的单接杆、品接杆规格应符合图的要求。
图2.2.5-1 单接杆图图品接杆图杆根装置2.3.1 水泥电杆杆根装置应用混凝土卡盘,以“U”字形抱箍固定。
卡盘、抱箍型号、规格见附录B。
木杆杆根装置应用横木,以4.0mm钢线缠绕固定。
2.3.2 直线杆路电杆杆根装置的位置应符合下列规定:1.一般线路应按设计规定装置,无明显规定时应装在线路的一侧,但相邻杆均设杆根装置时,应交错装设。
2.杆距长度不等时应装在长杆档侧。
2.3.3 角杆、终端杆杆根装置位置应符合下列规定:1.单装置应装在拉线方向的反侧,与拉线方向呈“T”形垂直。
通信杆路建筑施工作业指导书3.1 打洞(挖坑)3.1.1 打洞前应校核标桩位置与图纸是否相符,确以无误后,方可施工。
3.1.2 杆洞宜为长方形或园形,拉线坑宜为矩形;洞(坑)应平整,其四壁应平直,与洞府呈垂直状。
3.1.3 在斜坡地区挖洞,该洞深应从洞口往下15∽20CM 处计算洞深。
如图所示:应以永久地表有临时堆积泥土的杆洞洞深计量, 3.1.4地面为准,其地面以上堆积的泥土木计算在内。
高大、较重杆因地形复杂为便于立杆,可在杆洞3.1.5但不要把马道开在电杆张,的一侧挖顺杆槽(俗称马道)力的一侧,如图示。
.。
土质坑深偏差小各种电杆埋深要求,表2.1.63.1.6 3.1.6表于±5CM石质坑深偏差应小于±3CM:3.1.6续表3.2 打杆洞的操作规程3.2.1 打杆洞通常有拔桩打洞两种方法,如图2.2.1。
3.2.2 打洞时,操作人员经常变换方向,不可固定在一个地位上打,以免把洞身打歪。
3.2.3 在水田或低洼地区打洞时,应先用泥土沿标桩四周筑一水坎,将水排除之后再打。
3.2.4 较大、较深的杆洞要注意洞壁是否坚固必要时要支撑护土板,或采抬阶式方法。
3.2.5 角线打洞,要从原测杆位内移,内移要根据角深而定,一般为25-30CM。
以标桩为园心划一园圈以标桩一侧,骑线路方向打洞,即是拔桩打洞打洞即木拔桩打洞3.3 打地错洞规格要求3.3.1 地锚洞位置的确定,要以拉距点向后移一个锚坑深的距离,锚洞的方位应与拉线方向垂直,洞壁应平坦。
3.3.2 拉线坑的坑面应适合放入横木或水泥地锚,要比横木或水泥地锚稍大一些,洞底要垂直,洞壁应平坦。
3.3.3 拉线的斜槽(马道),一定要根据拉线的斜度挖至足够的深度,而且要开到洞底,以免地锚埋没后,锚梗搁起日久拉线松驰。
3.3.4 锚洞的深度,应符合地锚埋没出要求,因地锚铁柄种类较多其计算方法: 地锚铁柄和长度-60公分=坑深。
3.4 打地锚洞的操作规程3.4.1 打地锚洞之前,首先以拉线作标桩(或垂直对准电杆)为中心,一长方形方框。
杆线施工技术要求为加强光缆线路随工验收工作的管理,使光缆线路工程施工质量符合原邮电部颁发的建设标准,确保光缆线路的传输性能符合规定、质量良好、安全可靠。
为光缆线路维护提供良好的质量基础,根据光缆线路工程技术、光缆线路维护规程制定下列工程标准详细如下:一、杆路路由杆路路由选择合理,必须保证线路安全稳定,便于维护,尽可能避开公路用地及城市规划建设地段、尽量避开城镇、电力线路,尽量少穿越村庄跨越公路。
离高速公路一般不少于50米,国道不少于30米,县乡道不少于20米。
二、电杆电杆设置位置稳固,埋深符合规定,电杆正直,歪斜不超过半个电杆梢径:在一直线上,其电杆杆根相差不超过5CM:杆洞回填土夯实,高出地面20CM,宽度50CM,成镘头形;电杆地线:新立电杆段每隔5根电杆设一电杆地线,凡角杆、坡顶杆、四方拉线电杆、穿越电力线两侧的电杆均安装电杆地线,电杆地线从电杆中心穿过入地,电杆地线高出杆顶15CM与电杆成直线无歪斜,并用1。
5MM铁线缠扎吊线和地线入地。
跨越杆不能作角杆.电杆及地锚埋深(综合土):(土质软、坚石相对应调整)埋深基本上就是电杆本身的五分之一长,若属坚石或岩层土质,深度比正常要求浅30公分以内。
三、拉线(角拉、人字拉、四方拉、高桩拉等的拉线制作方法及规格基本相同)地锚:地锚坑深1.4以上,再开一定槽把地锚棒向杆方向45度,地锚棒出土长度不的超过30公分,正负偏差不超过5CM,埋设位置正确,左右偏差不超过15CM。
长杆档电杆必须做三方拉或四方拉.附图1——1’1—1’图拉线程式符合设计要求,缠扎坚固,接线方位与缠扎或夹固规格符合标准,接线洞深1.4M,角杆拉线应在角的平分线上。
拉线的制作方法及规格:拉线一般采用另缠法铁线制作,用3.0铁丝,上把衬环后缠15公分铁丝,隔3公分,再缠10公分铁丝。
中把衬环后缠15公分铁丝,隔35公分,再缠10公分铁丝,隔5公分,再缠1.6铁丝缠5道包钢线头。
制作完后铁丝上还必须涂防锈漆。
2 杆路工程2.1 立杆2.1.1 电杆洞深应符合表2.1.1的规定,洞深偏差为±50mm。
表2.1.1 电杆洞深表注:1.本表适用于中、轻负荷区通信线路。
重负荷区的杆洞深度应按本表规定值另加100~200mm。
2.12m以上的特种电杆的洞深应按设计文件规定实施。
2.1.2 按设计规定的杆距立杆。
一般情况下,市区杆距为35~40m,郊区杆距为45~50m。
2.1.3 竖立电杆应达到下列标准:1.直线线路的电杆位置应在线路路由的中心线上。
电杆中心线与路由中心线的左右偏差应不大于50mm;电杆本身应上下垂直。
2.角杆应在线路转角点内移。
水泥电杆的内移值为100~150mm,木杆内移值为200~400mm。
因地形限制或装撑木的角杆可不内移。
3.终端杆应向拉线侧倾斜100~200mm。
2.2 接杆2.2.1 应按设计规定的长度、方式、方法进行电杆接长。
2.2.2 水泥杆接杆必须采用“等径水泥电杆”叠加接长,两杆间用法兰盘或钢板圈接续。
2.2.3 本杆接杆杆高在12m以下(轻负荷的电杆杆高15m以下)时可采用单接杆;超过12m(轻负荷的电杆杆高15m以上)时应采用品接杆。
2.2.4 木杆接杆应符合下列规定:1.杆身挺直、径差较小、表面无大节疤;2.下节杆的梢径不得小于上节杆的梢径;3.单接杆的下节梢径不得小于上节杆根径的四分之三。
2.2.5 木杆的单接杆、品接杆规格应符合图2.2.5的要求。
图2.2.5-1 单接杆图图2.2.5-2 品接杆图2.3 杆根装置2.3.1 水泥电杆杆根装置应用混凝土卡盘,以“U”字形抱箍固定。
卡盘、抱箍型号、规格见附录B。
木杆杆根装置应用横木,以4.0mm钢线缠绕固定。
2.3.2 直线杆路电杆杆根装置的位置应符合下列规定:1.一般线路应按设计规定装置,无明显规定时应装在线路的一侧,但相邻杆均设杆根装置时,应交错装设。
2.杆距长度不等时应装在长杆档侧。
2.3.3 角杆、终端杆杆根装置位置应符合下列规定:1.单装置应装在拉线方向的反侧,与拉线方向呈“T”形垂直。
通信杆路的施工工艺要求1、杆路选定(1)杆路基本上沿各条公路的一侧敷设,部分沿途有当地的广电、邮电及其他的杆路敷设。
(2)杆路跨越较大的公路时,公路的两边应立加高杆,视现场情况可立9米、10米及12米杆。
(3)杆路跨越较大的河流或特殊地段时,应做特殊处理。
当杆档大于80米应做辅助吊线。
当杆子定在河床里,应做护墩进行有效的保护。
当杆子定在山谷下或河床里,地面起伏比较大,吊线仰视与杆稍的夹角呈45度或小于45度,高低落差大于15m时,应做双向拉线,锚柄选用2.1m。
(4)竖立电杆应达下列标准:①直线线路的电杆位置应在线路路由的中心线上。
电杆中心线与路由中心线的左右偏差应不大于50mm;电杆本身应上下垂直。
②角杆应在线路转角点内移。
水泥电杆的内移值为100-150mm,因地形限制或装撑杆的角杆可不内移。
③终端杆竖立后应向拉线侧倾斜100-200mm。
2、材料的选用(1)水泥杆选用,一般工程采用7米(稍径15cm)杆为基本杆高,跨越公路用9米、10米或12米杆视情况而定。
在山区不跨越公路时,可选用6米(稍径13cm)杆。
(2)铁件全部采用热镀锌材料,吊线抱箍选用D144、D164、D184单吊抱箍,穿钉配备齐全,拉线抱箍选用D144、D164、D184抱箍。
(3)地锚拉柄、顶头杆、终端杆、防风拉、都采用2.1m的锚柄,配大号地锚块。
(4)光缆挂钩选用涂塑型35mm挂钩,光缆挂钩的扣挂距离50±3cm,扣挂方向要一致。
(5)衬环选用五股热镀锌衬环。
(6)吊线选用7/2.2镀锌钢绞线。
拉线应大于吊线的一个程式为7/2.6镀锌钢绞线。
3、吊线的终端与拉线制作方式(1)工程拉线制作方式采用夹板法。
上把要求挤紧五股衬环,后跟三眼双槽夹板,左右间隙空50mm后,用3.0铁线自缠100mm,空100mm后,缠50mm收头。
(2)钢绞线接续,钢线中间接续采用另缠法。
(3)吊线的终端要求与拉线上把相同。
(4)地锚杆出土面离地应小于40cm。
通信工程架空光缆线路施工规范目录第一节杆路 (1)第二节吊线 (1)第三节拉线 (2)第四节钢柄地锚 (2)第五节高拉桩撑杆吊板拉 (3)第六节光缆的器材检查 (3)第七节光缆的配盘 (3)第八节光缆的接续和安装 (4)第九节光缆架设 (4)第十节地线避雷线 (5)第十一节标志杆号 (5)水泥杆假终结安装示意图 (6)架空光缆安装图(正、辅吊) (7)光缆预留保护安装图 (8)吊线、俯仰角、角杆辅助安装示意图 (9)架空光缆接头预留保护示意图 (10)吊线泄力安装示意图 (11)单盘光缆主要技术性能表 (12)终继段光功率计算 (12)架空光缆的敷设 (14)光缆线路的保护措施 (1)第一节杆路1.选择路由根据实际地形决定,尽量避开大型建筑物、闹市与开发区,要了解当地村镇开发规划。
在测量前和测量后,一定要征求当地村镇干部同意;2.直线杆路要习开三线杆路(电力杆路、通信杆路、广电杆路)与三结杆路平行不得少于一个倒杆位。
杆路离开公路的两侧排水沟;国道20米、省道15米、县道10米、乡道5米;3.杆路穿越电力线路、长途光缆线路、一定要从下面穿过。
杆路经过长途埋式光缆,距埋式光缆15米以内不得立杆、埋拉线地锚石;4.杆路不准有急转变,要习免角杆直接穿越公路、铁路。
遇到角深大于规定值时,可将一个角杆平分成两个相等转角。
测量定要用标杆对标,角杆有角深记录,角杆要向内移10至20cm;5.配杆要根据地形高低和穿越建筑物,电力线电压大小配置杆子长度。
移动公司标准杆为7米,配置杆7米到12米,标准杆档距为50米;6.电杆埋深深度见附表(一),杆子高度不够不得加裁铁帽;7.立在路边、岩石或其他电杆坑挖深不能满足要求的必须做水泥护墩,护墩尺寸为上底直径80cm,下底直径120cm,高度80cm.。
第二节吊线1、吊线抱箍距杆稍40至60cm处,背档杆吊线抱箍可以适当降低,吊档杆抱箍可升高,距杆稍不得少于25cm。
第一层吊线与第二层吊线间距40cm;2、第一吊线应在杆路前进方向左侧,吊线位置不能任意改变方向;3、吊线的背档杆和吊档杆5米以上的应做辅助装置。
杆路工程施工流程下载温馨提示:该文档是我店铺精心编制而成,希望大家下载以后,能够帮助大家解决实际的问题。
文档下载后可定制随意修改,请根据实际需要进行相应的调整和使用,谢谢!并且,本店铺为大家提供各种各样类型的实用资料,如教育随笔、日记赏析、句子摘抄、古诗大全、经典美文、话题作文、工作总结、词语解析、文案摘录、其他资料等等,如想了解不同资料格式和写法,敬请关注!Download tips: This document is carefully compiled by the editor. I hope that after you download them, they can help yousolve practical problems. The document can be customized and modified after downloading, please adjust and use it according to actual needs, thank you!In addition, our shop provides you with various types of practical materials, such as educational essays, diary appreciation, sentence excerpts, ancient poems, classic articles, topic composition, work summary, word parsing, copy excerpts,other materials and so on, want to know different data formats and writing methods, please pay attention!杆路工程施工流程是指在城市建设或基础设施建设中,用于架设电力、通信等网络的支撑结构。
架空线路建设施工规范一.杆路施工1.支承杆的选择光缆架空敷设用支承杆一般选用水泥杆,在对混泥土腐蚀较严重地区可选用经防腐处理的木杆。
水泥杆的长度不小于7m,杆梢直径不能小于150mm,主筋应为Φ5.5mm×12根高强度钢丝并有螺旋横筋;跨越公路、铁路及大型路口时应使用Φ150mm×10m水泥杆,其主筋应为Φ5.5mm16×根,同样应有螺旋横筋。
制作水泥杆的水泥标号应符合国家有关标准。
2.根基埋入深度(1)一般土质地方,支承杆全长不足15m时,埋入深度取全长的1/6,但最小要保证1m深度。
若支承杆全长超过15m,埋入深度取2.5m。
(2)水田、泥土地带等土质较软的地方,埋入深度取全长的1/5以上。
(3)终端杆、转弯杆等有较大荷重时,埋入深度取支承杆的1/5以上。
并视情况安装拉线、支杆、拉线杆等进行加固。
(4)山区岩石地方,深埋一般取支承杆全长的1/12以上,基础用水泥等加固。
表层上的厚度小于30cm时,要去掉表土。
建杆用坑取圆形,直径取支承杆根部直径稍大一些的尺寸。
转弯杆、终端杆由于其顶端承担张力,架设时需在相反一侧末梢做成某程度的倾斜,中间杆则架成垂直状。
(参见附表1)以上的水泥10m以下的水泥杆可使用专用工具依靠人力架设。
10m杆,一般需要使用吊车架设。
3.帮桩、杆根横木、根基加固等的安装施工在暴风,积雪地带或地质特别松软的地方,以及杆与杆之间因跨越河流、山谷而距离太大或架设光缆较多时,线路的中间杆、转弯杆、高拉力杆均应采取安装帮桩、杆根横木、增加水泥基础或扩墩等加固措施,以防强风时发生事故。
4.杆路走向与杆距杆路走向应尽量不跨越建筑物,力争避免与其他杆路较越并减少与强电杆路并行架设。
若与电力、电信杆路或地埋线路平行、较越架设时,应符合有关规定(两行平行线路相距至少应大于一个倒杆距离)并采取有效措施,以防止相互干扰和发生事故。
杆路沿公路架设时应离开公路界石以外至少10m。
线杆距离一般为50m,遇有特殊情况,可以适当缩短或加长。
加长时应采取相应加固措施。
5.拉线(1)种类:一般情况下,直线杆路每8棵基杆装设人字(两侧)拉线,每16棵基杆装设四方拉线,特殊地段适当加密。
线路转角杆、终端杆、过路杆等均应设置相应拉线。
拉线均应在承受支承杆负荷方向的相反方向安装。
(2)拉线的安装标准:拉线用抱箍、夹板、U型卡、心形环、螺栓、地锚棒、扎线及悬挂钢绞线的横担等各种铁件,均应采用热镀锌件,以防过早锈蚀,杜绝使用电镀锌件;8m杆路上使用的地锚棒直径应°的转角杆、顶头拉等处使用的地15杆、大于10m,在18mm大于锚棒直径应大于20mm。
拉线一般使用6mm以上钢绞线,绑线一般使用1.6mm镀锌铁丝。
拉线通常取与支承杆大约45°的角度安装(以免与架空线互相接触),可依埋设地点的状况适当增减,但应避免拉线角度小于25°;在积雪地带,由于拉线受积雪的压力而松弛的情行及线路构成上有障碍时,拉线角度取35°;跨路拉杆拉线的角度取30°。
与电力杆共杆架设时,或与电力线、电车线等有混合接触,或存在泄露电危险的现象时,拉线应接入球型绝缘子;与电力杆的拉线交叉部分,其隔离距离要保持15cm以上。
在拉线部装有球型绝缘子时,可保持在7.5cm以上;有电力公司、电信、电话公司等共杆末端的拉线,不得擅自设置球型绝缘子;球型绝缘子的安装位置,要离地面高度在2.5m以上。
拉线设置在市区的道旁容易受到损伤时,从地面1.5m高度为止应安装拉线护塑套(塑料特制保护)。
拉线线杆应采用扁铁抱箍连接,拉线上端采用U型卡、铁扎线固定;拉线下端采用铁扎线、心形环、地锚棒固定;上、下端固定扎线和U 型卡各不能少于3处,铁扎线绑扎长度不得小于10cm,并用铁扎线将钢绞线尾端与拉线绑扎在一起,绑扎长度约5cm;地锚棒不允许弯曲,并与拉力方向一致,路出地面20~30cm;地锚棒必须与地锚盘垂直并位于锚盘中央位置,地锚棒与地锚盘连接要牢固;8m杆路地锚埋设深度大于1.2m,10m杆、转角杆、顶头拉等高强力杆处地锚埋应夯实一次。
20cm。
地锚埋设回填土每隔1.4m设深度应大于6.支柱与拉线杆若施工遇到地形限制没有安装拉线的地方或在陡坡、起伏地的位置可采用支柱,支柱的安装角度约为27°,安装位置应在支撑杆承受能力的集中点稍上一些。
在支承杆上不能直接安装拉线或支柱的场合可使用拉线杆。
终端杆水平拉线应比光缆支承线(悬挂线)粗一些,转弯杆单侧的水平拉线可以稍细一些。
7.抱箍与线缆支承线抱箍安装应位于距杆顶20cm处,抱箍的组装应配套且紧密牢固,夹板、螺栓穿入方向应统一并切实紧固。
线缆支承线(悬挂线)应使用7×Φ2.2mm镀锌钢绞线。
钢绞线吊线每20棵基杆挡紧线一次,其垂度符合要求后用U型卡或铁扎线牢固连接,各端扎头不得少于2个。
8.线路避雷与接地杆路的每根拉线都必须与钢绞线吊线可靠连接,以保证整个线路的接地良好。
据以做法是:用一根Φ4mm~Φ6mm的镀锌钢筋伸出顶杆20cm并固定在杆身上,再将钢筋用镀锌铁扎线绑扎在钢绞线吊线和拉线上,将钢绞线吊线与拉线短路。
绑扎段不少于2个,每段绑扎长度大于7cm。
另外,山顶杆、高杆和转角杆都必须按同样方式做好接地和避雷。
二.架设吊线2的镀锌钢绞线,吊线的安全系数.2/架空光缆的吊线一般应采用7.不应小于3.对于主干线需要采用架空敷设时,在重符合区可以减小杆距或采用7/2.6的镀锌钢绞线。
吊线与光缆要良好接地,要有防电、防雷措施,并有防震、防风的机械性能。
架空吊线垂直离地面最小高度为5m,垂直离房顶最小距离为1.5m。
一般情况下,一条光缆吊线上架挂一条光缆。
若遇条件限制应进行特殊考虑。
架空吊线若发现有跳股、绞合、松散等有损于吊线机械强度的伤残部分,应剪除后再进行接续。
架设吊线时,应先把单槽夹板套在适中的抱箍上,固定在支承杆的同侧,夹板的唇口应面向支承杆。
然后将吊线固定在夹板的线槽中。
抱箍在支承杆上的安装位置应按设计要求进行。
若无设计要求时,则应符合下列规定:1.吊线夹板距杆顶部的距离一般不应小于25cm,在特殊情况下,可缩短一点,但不得小于15cm;2.吊线夹板的位置应满足所挂光缆在上、下、左、右与其他建筑物的隔距要求;3.吊线应放在夹板的深槽内;4.吊线若遇到支承杆地理位置较高或较低的环境下,应对其支承杆采取府角辅助安装或仰角辅助安装处理措施。
(参见附图1)布放钢绞线时,将钢绞线盘放在杆路的一端,然后用人力或机械牵引钢绞线。
牵引时,一边牵引一边将钢绞线搬至支承杆上,也可以待吊线全部牵引完后,再将钢绞线搬至支承杆上,最后将钢绞线放在夹板线槽内。
.三. 架空光缆的架挂架空光缆的布放方法有两种:一种是定滑轮牵引法,包括人工牵引法和机械牵引法;另一种是光缆盘移动放出法。
布放吊挂式架空光缆时,可适当在杆上作伸缩弯,在中负荷区、重负荷区、超重负荷区,一般要求每根杆上都有预留;在轻负荷区,每隔3~5杆作一次预留;对于无冰地区,可以不作预留(但布放光时缆不能拉得太紧,注意自然垂度)。
杆上光缆伸缩弯的靠杆中心部位应采用聚乙烯波纹管保护,预留长度为2m(一般不得少于1.5m)。
预留两侧及绑扎部位,应注意不能绑死,以便在气温变化时能自由伸缩,起到保护光缆的作用。
光缆经十字吊线或丁字吊线处时,也应安装保护管。
1.光缆盘一端和光缆布放末端安装导引滑轮。
同时检查光缆盘上是否有裸露的铁钉,并紧固光缆盘夹紧螺栓。
2.每隔20~30m安装一个导引滑轮,牵引绳要通过导引滑轮。
3.用牵引机或人工牵引光缆通过导引滑轮布放到终点。
牵引速度以5~15m/s为宜,速度要均匀。
牵引过程中,根据地形、布放长度等因素,可选择集中牵引、中间辅助牵引或分散牵引等方式。
4.架空光缆架挂时,经反复检查钢绞线安装牢固无问题时,施工人员座滑车将光缆吊挂于钢绞线上,一般使用挂钩。
光缆挂钩间距为50cm,允许偏差应不大于±3cm。
挂钩在吊线上的搭扣方向应一致,挂钩托盘应俱全,不得有机械损伤。
在杆两侧的第一个挂钩距吊线夹板的距离应为25cm,允许偏差不大于±2cm。
,为满足光缆接续可在地面操作,按设计要求做好余兜(伸缩弯)5.光缆头预留15~20m,在专用支架内盘成圆圈(盘圈直径不小于600mm)固定在吊挂与线杆上。
当光缆盘较长,向一个方向一次布放不完,可分成几次布放。
此时,需选址在目的地两端的中间位置将光缆倒盘,把光缆在平地上叠放成“∞”形,退出光缆里层端头,然后与前述程序向另一方向牵引敷设。
6.架空光缆引上时,杆下用钢管(引上保护管)保护,为防止人为伤害;上吊部位在距杆30cm处绑扎,并应留有伸缩弯(伸缩弯要注意其弯曲半径,以确保在气温变化剧烈状态下光缆的安全)。
(参见附图2)四.光缆敷设时应遵守的规定为了保证光缆敷设的安全,光缆敷设时应遵守下列规定。
1.光缆的弯曲半径不应小于光缆外径的15倍,施工过程中不应小于20倍。
2.采用牵引方式布放光缆时,牵引力不应超过光缆最大允许张力的80%,而且主要牵引力应作用在光缆的加强芯上,瞬间最大牵引力不得超过允许能力的100%。
3.有A、B端(A端应是朝着网络枢纽的方向,B端是用户一侧)要求的光缆要按设计的方向布放光缆,敷设光缆的端别应方向一致,并保证前盘光缆的B端要和后一盘光缆的A端相连,从而保证接续时两光纤端面模场直径基本相同,使熔接损耗值达到最小。
4.布放光缆时,光缆必须由缆盘上方放出并保持松弛的弧形;光缆布放过程中应无扭转,严禁打背扣、浪涌等现象发生。
.5.机械牵引敷设时,牵引机速度调节范围应为5~20m/min,且为无级调速;牵引张力可以调节,当牵引力超过规定值时,应能自动告警并停止牵引。
6.人工牵引敷设时,速度要均匀,一般控制在5~15m/min左右为宜,且牵引长度不宜过长,若光缆过长,可以分几次牵引。
7.为了确保光缆敷设质量和安全,施工过程中必须严密组织并有专人指挥;要备有良好的联络手段,严禁未培训的人员上岗,严禁在无联络工具的情况下作业。
8.光缆敷设、架挂工序完毕后,支承杆按路由方向编制杆号标识,杆上喷的标识离地面不少于2米。
在横穿道路和多家线路交互地段吊挂该公司名称和路由标识牌。
附图2附图1普通硬石1.07.01.31.28.01.41.51.29.01.41.61.5 101.61.71.6111.81.81.8122.12.02.0米附表1。