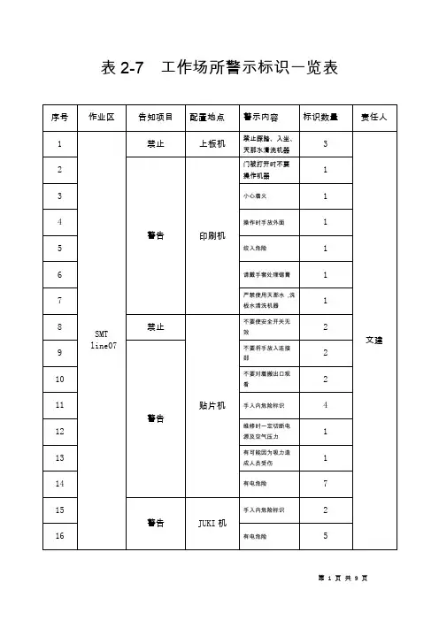
工作场所警示标志一览表
- 格式:docx
- 大小:18.90 KB
- 文档页数:1
工作场所职业危害警示标识、公告牌1、基本几何图形式样、颜色及含义2、禁止标识图形符号标示名称设置围和地点禁止入可能引起职业病危害的工作场所入口处或泄险区周边,如高毒物品作业场所、放射工作场所;可能产生职业病危害的设备发生故障时、或维护、检修存在有毒物品的生产装置时。
禁止停留特殊情况下,对员工具有直接危害的作业场所禁止启动可能引起职业病危害的设备暂停使用或维修时,如设备检修、更换零件等,设置在该设备附近3、警告标识图形符号标示名称设置围和地点当心中毒使用有毒物品作业场所当心腐蚀存在腐蚀物质的作业场所当心感染存在生物性职业病危害因素的作业场所当心弧光引起电光性眼炎的作业场所,如维修焊接区域产生电离辐射危害的作业场所当心电离辐射注意防尘产生粉尘的作业场所,如称量室等处注意高温高温作业场所,以及产生高温设备的工作区域(有人员出入的地方)存在有毒气体的作业场所,如实验室当心有毒气体噪声有害产生噪声的作业场所,如AB、C线生产车间、EF线生产车间、真空泵房等4、指令标识图形符号标示名称设置围和地点戴防护镜对眼睛有危害的作业场所可能产生职业性中毒的作业场所戴防毒面具粉尘浓度超过国家标准的作业场所戴防尘口罩戴防耳器噪声超过国家标准的作业场所需对手部进行保护的作业场所戴防护手套穿防护鞋需对脚部进行保护的作业场所穿防护服具有放射区域检测值超过国家标准的、高温及其它需穿防护服的作业场所注意通风存在有毒物品和粉尘等需要通风处理的作业场所,如实验室、清洗化学品器具的区域等5、提示标识图形符号标示名称设置围和地点左行紧急出口安全疏散的紧急出口处,通向紧急出口的通道处右行紧急出口安全疏散的紧急出口处,通向紧急出口的通道处直行紧急出口安全疏散的紧急出口处,通向紧急出口的通道处急救站设立的紧急医疗救助站。
用于做日常临时急救处理的区域(急救设施、急救药品、急救箱等处)救援救援附近6、警示线图形符号标示名称设置围和地点红色警示线高毒物品作业场所、放射作业场所、紧邻事故危害源周边黄色警示线有毒物品作业场所、紧邻事故危害区域的周边绿色警示线事故现场救援区域的周边7、职业病危害告知卡尺寸大小:800cm*400cm苯职业病职业危害告知卡有毒物品,对人体有害,请注意防护苯健康危害理化特性可吸入、经口和皮肤进入人体,大剂量会致人死亡;高浓度会引起嗜睡、眩晕、头痛、心跳加快、震颤、意识障碍和昏迷等,经口若悬河还会引起恶心、胃肠刺激和痉挛等;长期接触会引起贫血、易出血、易感染,严重时会引起白血病和造血器官癌症不溶于水,遇热、明火易燃烧、爆炸应急处理急性中毒:立即脱离现场至空气新鲜处,脱去污染的衣物,用肥皂水或清水冲洗污染的皮肤。
工作场所警示标识一览表工作场所警示标识是用来指示在工作场所中工作人员应该如何遵守安全规则以保证自己的安全的标志。
根据国家标准的要求,工作场所应该适时配备相应的警示标识,以方便工作人员随时能够获得安全提示。
以下是一份工作场所警示标识一览表:1. 危险物品标志:这些标志通常以“危险化学品”、“易燃物”、“腐蚀剂”等形式出现。
它们的作用是提醒工作人员这些化学物质可能对他们造成危险。
在接触这些危险物质的时候,工作人员应该采取必要的安全措施,如穿戴防护用具、做好通风等。
2. 禁止标志:这些标志通常以“严禁进入”、“禁止抽烟”、“禁止使用手机”等形式出现。
它们的作用是禁止工作人员做某些可能危险或破坏工作流程的事情。
工作人员应该遵守这些标志的规定,以保证工作的正常进行和人员的安全。
3. 救援设备标志:这些标志通常以“安全出口”、“灭火器”、“急救设备”等形式出现。
它们的作用是提供必要的紧急设备,以便在工作人员受伤、发生火灾等紧急情况下及时救援。
工作人员应该了解这些标志的位置和使用方法。
4. 警告标志:这些标志通常以“高压危险”、“有害噪音”、“施工现场”等形式出现。
它们的作用是提醒工作人员在接近某些可能存在危险的地区时应该采取必要的预防措施。
工作人员应该注意这些标志并且遵守相应的规定。
5. 机器设备标志:这些标志通常以“警告高速旋转”、“手部禁入”、“着火危险”等形式出现。
它们的作用是提醒工作人员这些机器设备可能对他们造成危险。
工作人员应该了解这些标志并且遵守相应的规定和操作指南。
6. 安全提示标志:这些标志通常以“安全标准”、“请勿在工作时独自作业”、“请在岗位留意安全”等形式出现。
它们的作用是提醒工作人员关注并遵守安全规则。
工作人员应该注意这些标志并且遵守相应的规定,以保证自己的安全和健康。
以上是工作场所警示标识一览表,遇到工作场所中的标识,工作人员应该了解它们的意义和作用,遵守相应的规定,以保证自己的安全和健康。
封面作者:PanHongliang仅供个人学习安全警示标志图标1 安全警示标志1.1 禁止标志,见表1表1 禁止标志1.2 警告标志,见表2表2 警告标志1.3 指令标志,见表3表3 指令标志1.4 提示标志,见表4表4 提示标志1.4.1提示标志的方向辅助标志,见图1图1 应用方向辅助标志示例2 工作场所职业危害警示标志2.1禁止标志2.2 警告标志续表2.3 指令标志续表2.4 提示标志续表2.5 警示线根据工作场所职业病危险的实际状况进行选用。
除以上基本警示语句外,在特殊情况下,可自行编制适当的警示语句。
警示语句既可单独使用,又可组合使用,也可构成完整的句子。
2.7 作业岗位职业病危害告知卡职业病危害告知卡例,如图3消防安全警示标志3.1 火灾报警和手动控制装置的标志3.2 火灾时疏散途径的标志3.3灭火设备的标志3.4 具有火灾、爆炸危险的地方或物质的标志版权申明本文部分内容,包括文字、图片、以及设计等在网上搜集整理。
版权为潘宏亮个人所有This article includes some parts, including text, pictures, and design. Copyright is Pan Hongliang's personal ownership.用户可将本文的内容或服务用于个人学习、研究或欣赏,以及其他非商业性或非盈利性用途,但同时应遵守著作权法及其他相关法律的规定,不得侵犯本网站及相关权利人的合法权利。
除此以外,将本文任何内容或服务用于其他用途时,须征得本人及相关权利人的书面许可,并支付报酬。
Users may use the contents or services of this article for personal study, research or appreciation, and othernon-commercial or non-profit purposes, but at the same time, they shall abide by the provisions of copyright law and other relevant laws, and shall not infringe upon the legitimaterights of this website and its relevant obligees. In addition, when any content or service of this article is used for other purposes, written permission and remuneration shall be obtained from the person concerned and the relevant obligee.转载或引用本文内容必须是以新闻性或资料性公共免费信息为使用目的的合理、善意引用,不得对本文内容原意进行曲解、修改,并自负版权等法律责任。
类型内容图片备注
禁止标志
禁止烟火
禁止带火种禁止穿带钉鞋
禁止驶入
禁止打手机禁止穿化纤服装禁止通行
禁止吸烟
禁止乘人
警告标
志
当心落物
当心中毒
当心腐蚀
当心机械伤人
当心滑跌
当心火灾
当心触电
当心爆炸
当心吊物
当心泄漏(管道)当心泄漏(储罐)当心碰头
指令标志
必须戴安全帽必须戴防毒面具必须穿工作服必须戴防护帽必须戴防尘口罩必须戴防护手套必须戴防护眼镜必须戴护耳器
提示标志注意安全注意通风注意防尘
噪声有害。
安全警示标志大全安全标识大全通用安全标志:包括禁止吸烟、禁止烟火、禁止带火种、禁止用水灭火、禁止放易燃物等多个标志,提醒人们注意安全。
禁止标志:包括禁止启动、禁止合闸、禁止转动、禁止触摸、禁止跨越等,用于禁止人们进行危险行为。
警示标志:包括当心火灾、当心爆炸、当心腐蚀、当心中毒、当心触电等多个标志,提醒人们注意周围环境的危险。
特殊场所标志:包括可动火区避险处等标志,提醒人们在特殊场所需要特别注意安全。
交通安全标志:包括警示标志和禁止标志,用于提醒驾驶员和行人遵守交通规则,注意安全。
以上标志都是为了人们的安全着想,我们每个人都应该认真遵守,注意自身安全和周围环境的安全。
禁止标志:禁止驶入标志、禁止机动车通行标志、禁止载货汽车通行标志、禁止三轮机动车通行标志、禁止大型客车通行标志、禁止小型客车通行标志、禁止汽车拖、挂车标志、禁止拖拉机通行标志、禁止农用运输车通行标志、禁止二轮摩托车通行标志、禁止某两种车通行标志、禁止非机动车通行标志、禁止畜力车通行标志、禁止人力货运三轮标志、禁止人力客运三轮标志、禁止人力车通行标志、禁止骑自行车下坡标志、禁止骑自行车上坡标志、禁止行人通行标志、禁止向左转弯标志、禁止向右转弯标志、禁止直行标志、禁止向左向右转弯标志、禁止直行和向左转弯标志、禁止直行和向右转弯标志。
解除或限制标志:解除禁止超车标志、解除限制速度标志。
停车让行标志:停车检查标志、停车让行标志、减速让行标志、会车让行标志。
交通行驶标志:直行标志、向左转弯标志、向右转弯标志、直行和向左转弯标志、直行和向右转弯标志、向左和向右转弯标志、靠右侧道路行驶标志、靠左侧道路行驶标志、立交直行和左转弯标志、立交直行和右转弯标志、环岛行驶标志、单行路(向左或向右)标志、单行路(直行)标志、右转车道行驶方向标志、直行车道行驶方向标志、直行和右转合用车道标志、分向行驶车道标志、公交线路专用车道标志、机动车行驶标志、机动车车道标志、允许掉头标志、非机动车行驶标志、非机动车车道标志。
安全警示标志图标
1 安全警示标志
禁止标志,见表1
表1 禁止标志
警告标志,见表2
表2 警告标志
指令标志,见表3
表3 指令标志
提示标志,见表4
表4 提示标志
1.4.1提示标志的方向辅助标志,见图1
图1 应用方向辅助标志示例
2 工作场所职业危害警示标志
禁止标志
警告标志
续表
指令标志
续表
提示标志
续表
警示线
警示语句
根据工作场所职业病危险的实际状况进行选用。
除以上基本警示语句外,在特殊情况下,可自行编制适当的警示语句。
警示语句既可单独使用,又可组合使用,也可构成完整的句子。
作业岗位职业病危害告知卡
职业病危害告知卡例,如图
3消防安全警示标志
火灾报警和手动控制装置的标志
编号标志名称说明
3.1.1
消防手动启动器
MANUAL
ACTIVATING
DEVICE 指示火灾报警系统或固定灭火系统等的手动启动器
ISO 6309
No.1
3.1.2
发声警报器
FIRE ALARM 可单独用来指示发声警报器,也可与3.1.1条标志一起使用,指示该手动启动装置是启动发声警报器的
ISO 6309
No.2
3.1.3
火警电话
FIRE
TELEPHONE 指示在发生火灾时,可用来报警的电话及电话号码GB 2894—88
No.4—8
3.2 火灾时疏散途径的标志
编号标志名称说明
3
表3
3。
安全生产标准化--------安全标示类型内容图片备注禁止标志禁止烟火禁止带火种禁止穿带钉鞋禁止驶入禁止打手机禁止穿化纤服装禁止通行禁止吸烟禁止乘人警告标志当心落物安全生产标准化--------安全标示当心中毒当心腐蚀当心机械伤人当心滑跌当心火灾当心触电当心爆炸当心吊物当心泄漏(管道)当心泄漏(储罐)安全生产标准化--------安全标示当心碰头指令标志必须戴安全帽必须戴防毒面具必须穿工作服必须戴防护帽必须戴防尘口罩必须戴防护手套必须戴防护眼镜必须戴护耳器提示标志注意安全安全生产标准化--------安全标示注意通风注意防尘噪声有害安全生产标准化--------安全标示当心爆炸注意安全当心中毒注意火灾当心机械伤人当心伤手当心轧脚当心吊物当心坠落当心落物当心坑洞当心塌方当心滑跌当心坠落必须戴安全帽必须系安全带当心落物当心落物当心落物严禁烟火禁止吸烟禁止带火种禁止启动当心电缆安全生产标准化--------安全标示安全生产标准化--------安全标示禁止标志牌各部标准尽寸:A:200mmB:160mmA1:46mmD(B1):122mmD1:98mmC:10mmα:45度安全生产标准化--------安全标示提示标志牌标准尺寸:A:250mmD:200mm另外增加(颜色为红色和白色)⑴主井和暗主井皮带上下人皮带架处,警示架,共20架⑵主井暗主井上下人平台,共计6个⑶采区皮带机过桥,共计8个⑷保险梯及配重,共计18个⑸皮带机防护栏,共计150米安全生产标准化--------安全标示⑺⑻⑼⑽⑾⑿⒀⒁⒂⒃⒄⒅⒆⒇。
工作场所职业危害警示标识、公告牌1、基本几何图形式样、颜色及含义2、禁止标识禁止入内可能引起职业病危害的工作场所入口处或泄险区周边,如高毒物品作业场所、放射工作场所;可能产生职业病危害的设备发生故障时、或维护、检修存在有毒物品的生产装置时。
禁止停留特殊情况下,对员工具有直接危害的作业场所禁止启动可能引起职业病危害的设备暂停使用或维修时,如设备检修、更换零件等,设置在该设备附近3、警告标识当心中毒使用有毒物品作业场所当心腐蚀存在腐蚀物质的作业场所当心感染存在生物性职业病危害因素的作业场所当心弧光引起电光性眼炎的作业场所,如维修焊接区域产生电离辐射危害的作业场所当心电离辐射注意防尘产生粉尘的作业场所,如称量室等处注意高温高温作业场所,以及产生高温设备的工作区域(有人员出入的地方)存在有毒气体的作业场所,如实验室当心有毒气体噪声有害产生噪声的作业场所,如AB、C线生产车间、EF线生产车间、真空泵房等4、指令标识图形符号标示名称设置范围和地点戴防护镜对眼睛有危害的作业场所可能产生职业性中毒的作业场所戴防毒面具粉尘浓度超过国家标准的作业场所戴防尘口罩戴防耳器噪声超过国家标准的作业场所需对手部进行保护的作业场所戴防护手套穿防护鞋需对脚部进行保护的作业场所穿防护服具有放射区域检测值超过国家标准的、高温及其它需穿防护服的作业场所注意通风存在有毒物品和粉尘等需要通风处理的作业场所,如实验室、清洗化学品器具的区域等5、提示标识图形符号标示名称设置范围和地点左行紧急出口安全疏散的紧急出口处,通向紧急出口的通道处右行紧急出口安全疏散的紧急出口处,通向紧急出口的通道处直行紧急出口安全疏散的紧急出口处,通向紧急出口的通道处急救站设立的紧急医疗救助站。
用于做日常临时急救处理的区域(急救设施、急救药品、急救箱等处)救援电话救援电话附近6、警示线图形符号标示名称设置范围和地点红色警示线高毒物品作业场所、放射作业场所、紧邻事故危害源周边黄色警示线有毒物品作业场所、紧邻事故危害区域的周边绿色警示线事故现场救援区域的周边7、职业病危害告知卡尺寸大小:800cm*400cm苯职业病职业危害告知卡有毒物品,对人体有害,请注意防护苯健康危害理化特性可吸入、经口和皮肤进入人体,大剂量会致人死亡;高浓度会引起嗜睡、眩晕、头痛、心跳加快、震颤、意识障碍和昏迷等,经口若悬河还会引起恶心、胃肠刺激和痉挛等;长期接触会引起贫血、易出血、易感染,严重时会引起白血病和造血器官癌症不溶于水,遇热、明火易燃烧、爆炸应急处理急性中毒:立即脱离现场至空气新鲜处,脱去污染的衣物,用肥皂水或清水冲洗污染的皮肤。
安全标志标牌大全1. 禁止入内:这种标志通常用在私人财产上或是危险场所的入口处,如危险化学品存放区域、工业园区等。
标志上通常有一个禁止标志和警告语,用来提醒人们不要进入这个区域。
2. 安全出口:安全出口标志常见于公共场所,如电影院、剧院、商场和学校等建筑物内的出口。
这种标志通常显示在紧急疏散结构上方,用来引导人们在紧急情况下快速、安全地撤离。
3. 限速:限速标志通常存在于交通繁忙的道路上,用来提醒驾驶员遵守道路交通规则。
标志上通常有一个数字和一个表示限速区域的背景颜色。
4. 工地安全:工地安全标志通常显示在建筑物周围,用来提醒公众关注周围的施工工地。
标志上通常有危险标志、禁止标志,以及指示物品的指示标志。
5. 消防通道:消防通道标志通常用于商业和公共场所,用来显示出口和消防通道的位置,以及禁止桶等物品堵塞通道的规定。
6. 紧急停车:紧急停车标志通常用于建筑物的紧急退出和入口处,用来表示这里是供紧急停车使用的区域。
这种标志通常是一个红色背景和白色文字的三角形。
7. 危险标志:危险标志通常用于在工厂和仓库等地方,用来标识危险区域。
标志上通常有一个黑色图案和白色背景的黄色警告文字。
8. 禁止吸烟:禁止吸烟标志通常用于公共场所和办公环境中,用来提醒人们不要在这些区域吸烟。
标志上通常有一个红色圆圈和表示吸烟的黑色红色斜线。
9. 禁止带宠物入内:这种标志通常用于公共建筑、商场和酒店等场所,以提醒公众不要带宠物进入这些地方。
标志上通常有一个红色圆圈和表示宠物的黑色图片。
10. 禁止进入:禁止进入标志通常用于保护重要建筑物、机器和设备等要素。
标志上通常有一个红色圆圈和表示禁止进入的黑色文字,以及表示原因的额外信息。
11. 急救站:急救站标志通常用于医院门诊部、急救室和维修站等地方。
标志上通常有一个绿色十字架和白色文字,以告知人们在紧急情况下应该前往哪里。
12. 火警报警器:这种标志通常用于室内和室外建筑中,以标识火警报警器的位置。
安全警示标志图标1 安全警示标志1.1 禁止标志,见表1表1 禁止标志编号图形标志名称标志种类设置范围和地点1-1禁止吸烟No smoking H有甲、乙、丙类火灾危险物质的场所和禁止吸烟的公共场所等,如:木工车间、油漆车间、沥青车间、纺织厂、印染厂等1-2禁止烟火No burning H有甲、乙类,丙类火灾危险物质的场所,如面粉厂、煤粉厂、焦化厂、施工工地等1-3禁止带火种No kindling H有甲类火灾危险物质及其他禁止带火种的各种危险场所,如炼油厂、乙炔站、液化石油气站、煤矿井内、林区、草原等1-4禁止用水灭火Noextinguishingwith waterH.J生产、储运、使用中有不准用水灭火的物质的场所,如变压器室、乙炔站、化工药品库、各种油库等1-5 禁止放置易燃物No layinginflammablethingH.J具有明火设备或高温的作业场所,如:动火区,各种焊接、切割、锻造、浇注车间等场所1-6禁止堆放No stocking J消防器材存放处,消防通道及车间主通道等1-7禁止启动No starting J暂停使用的设备附近,如:设备检修、更换零件等1-8禁止合闸No switching on J设备或线路检修时,相应开关附近1-9禁止转动No turning J检修或专人定时操作的设备附近1-10 禁止叉车和厂内机动车辆通行No access forfork lifttrucks andotherindustrialJ.H禁止叉车和其他厂内机动车辆通行的场所vehicles1-11禁止乘人No riding J乘人易造成伤害的设施,如:室外运输吊篮、外操作载货电梯框架等1-12禁止靠近No nearing J不允许靠近的危险区域,如:高压试验区、高压线、输变电设备的附近1-13禁止入内No entering J易造成事故或对人员有伤害的场所,如:高压设备室、各种污染源等入口处1-14禁止推动No pushing J易于倾倒的装置或设备,如车站屏蔽门等1-15禁止停留No stopping H J对人员具有直接危害的场所,如:粉碎场地、危险路口、桥口等处1-16禁止通行No throughfare H.J有危险的作业区,如:起重、爆破现场,道路施工工地等1-17禁止跨越No striding J禁止跨越的危险地段,如:专用的运输通道、带式输送机和其他作业流水线,作业现场的沟、坎、坑等1-18禁止攀登No climbing J不允许攀爬的危险地点,如:有坍塌危险的建筑物、构筑物、设备旁1-19禁止跳下No jumping down J不允许跳下的危险地点,如:深沟、深池、车站站台及盛装过有毒物质、易产生窒息气体的槽车、贮罐、地窖等处1-20禁止伸出窗外No stretchingout of thewindowJ易于造成头手伤害的部位或场所,如公交车窗、火车车窗等1-21禁止倚靠No leaning J不能依靠的地点或部位,如列车车门、车站屏蔽门、电梯轿门等1-22禁止坐卧No sitting J高温、腐蚀性、塌陷、坠落、翻转、易损等易于造成人员伤害的设备设施表面1-23禁止蹬塌No steeping onsurfaceJ高温、腐蚀性、塌陷、坠落、翻转、易损等易于造成人员伤害的设备设施表面1-24禁止触摸No touching J禁止触摸的设备或物体附近,如:裸露的带电体,炽热物体,具有毒性、腐蚀性物体等处1-25禁止伸入No reaching in J易于夹住身体部位的装置或场所,如有开口的传动机、破碎机等1-26禁止饮用No drinking J禁止饮用水的开关处,如:循环水、工业用水、污染水等1-27禁止抛物No tossing J抛物易伤人的地点,如:高处作业现场,深沟(坑)等1-28禁止戴手套No putting onglovesJ戴手套易造成手部伤害的作业地点,如:旋转的机械加工设备附近1-29 禁止穿化纤服装No putting onchemical fibreclothingsH有静电火花会导致灾害或有炽热物质的作业场所,如:冶炼、焊接及有易燃易爆物质的场所等1-30禁止穿带钉鞋No putting onspikesH有静电火花会导致灾害或有触电危险的作业场所,如:有易燃易爆气体或粉尘的车间及带电作业场所1-31 禁止开启无线移动通讯设备No activatedmobile phonesJ火灾、爆炸场所以及可能产生电磁干扰的场所,如加油站、飞行中的航天器、油库、化工装置区等1-32 禁止携带金属物或手表No metallicarticles orwatchesJ易受到金属物品干扰的微波和电磁场所,如磁共振室等1-33 禁止佩戴心脏起搏器者靠近No access forpersons withpacemakersJ安装人工起搏器者禁止靠近高压设备、大型电机、发电机、电动机、雷达和有强磁场设备等1-34 禁止植入金属材料者靠近No acdess forpersons withmetallicimplantsJ易受到金属物品干扰的微波和电磁场所,如磁共振室等1-35禁止游泳No swimming H禁止游泳的水域1-36禁止滑冰No skating H禁止滑冰的场所1-37 禁止携带武器及仿真武器No carryingweapons andemulatingweaponsH不能携带和托运武器、凶器和仿真武器的场所或交通工具,如飞机等1-38 禁止携带托运易燃及易爆物品No carryingflammable andexplosivemoteriH不能携带和托运易燃、易爆物品及其他危险品的场所或交通工具,如火车、飞机、地铁等1-39 禁止携带托运有毒物品及有害液体No carryingpoisonousmaterials andharmful liquidH不能携带托运有毒物品及有害液体的场所或交通工具,如火车、飞机、地铁等1-40 禁止携带托运放射性及磁性物品No carryingradioactiveand magneticmaterialsH不能携带托运放射性及磁性物品的场所或交通工具,如火车、飞机、地铁等1.2 警告标志,见表2表2 警告标志编号图形标志名称标志种类设置范围和地点2-1注意安全Warning danger H.J易造成人员伤害的场所及设备等2-2当心火灾Warning fire H.J易发生火灾的危险场所,如:可燃性物质的生产、储运、使用等地点2-3当心爆炸Warning explosion H.J易发生爆炸危险的场所,如易燃易爆物质的生产、储运、使用或受压容器等地点2-4当心腐蚀Warning corrosion J有腐蚀性物质(GB12268-2005中第8类所规定的物质)的作业地点2-5当心中毒Warning poisoning H.J剧毒品及有毒物质(GB12268-2005中第6类第1项所规定的物质)的生产、储运及使用地点2-6当心感染Warning infection H.J易发生感染的场所,如:医院传染病区;有害生物制品的生产、储运、使用等地点2-7当心触电Warning electricshockJ有可能发生触电危险的电器设备和线路,如:配电室、开关等2-8当心电缆Warning cable J有暴露的电缆或地面下有电缆处施工的地点2-9当心自动启动Warning automaticstart-upJ配有自动启动装置的设备2-10当心机械伤人Warning mechanicalinjuryJ易发生机械卷入、轧压、碾压、剪切等机械伤害的作业地点2-11当心塌方Warning collapse H.J有塌方危险的地段、地区,如:堤坝及土方作业的深坑、深槽等2-12当心冒顶Warning roof fall H.J具有冒顶危险的作业场所,如:矿井、隧道等2-13当心坑洞Warning hole J具有坑洞易造成伤害的作业地点,如:构件的预留孔洞及各种深坑的上方等2-14当心落物Warning fallingobjectsJ易发生落物危险的地点,如:高处作业、立体交叉作业的下方等2-15当心吊物Warning overhead load J.H有吊装设备作业的场所,如:施工工地、港口、码头、仓库、车间等2-16当心碰头Warning overheadobstaclesJ有产生碰头的场所2-17当心挤压Warning crushing J有产生挤压的装置、设备或场所,如自动门、电梯门、车站屏蔽门等2-18当心烫伤Warning scald J具有热源易造成伤害的作业地点,如:冶炼、锻造、铸造、热处理车间等2-19当心伤手Warning injure hand J易造成手部伤害的作业地点,如:玻璃制品、木制加工、机械加工车间等2-20当心夹手Warning handspinchingJ有产生挤压的装置、设备或场所,如自动门、电梯门、列车车门等2-21当心扎脚Warning splinter J易造成脚部伤害的作业地点,如:铸造车间、木工车间、施工工地及有尖角散料等处2-22当心有犬Warning guard dog H有犬类作为保卫的场所2-23当心弧光Warning arc H.J由于弧光造成眼部伤害的各种焊接作业场所2-24当心高温表面Warning hot surface J有灼烫物体表面的场所2-25当心低温Warning lowtemperature/freezingconditionsJ易于导致冻伤的场所,如:冷库、气化器表面、存在液化气体的场所等2-26当心磁场Warning magneticfieldJ有磁场的区域或场所,如高压变压器、电磁测量仪器附近等2-27当心电离辐射Warning ionizingradiationH.J能产生电离辐射危害的作业场所,如:生产、储运、使用GB12268-2005规定的第7类物质的作业区2-28当心裂变物质Warning fissionmatterJ具有裂变物质的作业场所,如:其使用车间、储运仓库、容器等2-29当心激光Warning laser H.J有激光产品和生产、使用、维修激光产品的场所(激光辐射警告标志常用尺寸规格见附录B)2-30当心微波Warning microwave H凡微波场强超过GB 10436、GB 10437规定的作业场所2-31当心叉车Warning fork lifttrucksJ.H有叉车通行的场所2-32当心车辆Warning vehicle J厂内车、人混合行走的路段,道路的拐角处,平交路口;车辆出入较多的厂房、车库等出入口2-33当心火车Warning train J厂内铁路与道路平交路口,厂(矿)内铁路运输线等2-34当心坠落Warning drop down J易发生坠落事故的作业地点,如:脚手架、高处平台、地面的深沟(池、槽)、建筑施工、高处作业场所等2-35当心障碍物Warning obstacles J地面有障碍物,绊倒易造成伤害的地点2-36当心跌落Warning drop(fall) J易于跌落的地点,如:楼梯、台阶等2-37当心滑倒Warning slipperysurfaceJ地面有易造成伤害的滑跌地点,如:地面有油、冰、水等物质及滑坡处2-38当心落水Warning falling intowaterJ落水后有可能产生淹溺的场所或部位,如城市河流、消防水池等2-39当心缝隙Warning gap J有缝隙的装置、设备或场所,如自动门、电梯门、列车等1.3 指令标志,见表3表3 指令标志编号图形标志名称标志种类设置范围和地点3-1 必须带防护眼镜Must wearprotectivegogglesH.J对眼镜有伤害的各种作业场所和施工场所3-2 必须配戴遮光护目镜Must wearopaque eyeprotectionJ.H存在紫外、红外、激光等光辐射的场所,如电气焊等3-3 必须戴防尘口罩Must weardustproof maskH具有粉尘的作业场所,如:纺织清花车间、粉状物料拌料车间以及矿山凿岩处等3-4 必须戴防毒面具Must wear gasdefence maskH具有对人体有害的气体、气溶胶、烟尘等作业场所,如:有毒物散发的地点或处理由毒物造成的事故现场3-5 必须戴护耳器Must wear earprotectorH噪声超过85dB的作业场所,如:铆接车间、织布车间、射击场、工程爆破、风动掘进等处3-6 必须戴安全帽Must wearsafety helmetH头部易受外力伤害的作业场所,如:矿山、建筑工地、伐木场、造船厂及起重吊装处等3-7必须戴防护帽Must wearprotective capH易造成人体碾烧伤害或有粉尘污染头部的作业场所,如:纺织、石棉、玻璃纤维以及具有旋转设备的机加工车间等3-8 必须系安全带Must fastenedsafety beltH.J易发生坠落危险的作业场所,如:高处建筑、修理、安装等地点3-9必须穿救生衣Must wear lifejacketH.J易发生溺水的作业场所,如:船舶、海上工程结构物等3-10 必须穿防护服Must wearprotectiveclothesH具有放射、微波、高温及其他需穿防护服的作业场所3-11 必须戴防护手套Must wearprotectiveglovesH.J易伤害手部的作业场所,如:具有腐蚀、污染、灼烫、冰冻及触电危险的作业等地点3-12 必须穿防护鞋Must wearprotectiveshoesH.J易伤害脚部的作业场所,如:具有腐蚀、灼烫、触电、砸(刺)伤等危险的作业地点3-13必须洗手Must wash yourhandsJ解除有毒有害物质作业后3-14必须加锁Must be locked J剧毒品、危险品库房等地点3-15必须接地Must connect ancarth terminalto the groundJ防雷、防静电场所3-16必须拔出插头Must disconnectmains plug fromelectricaloutletJ在设备维修、故障、长期停用、无人值守状态下1.4 提示标志,见表4表4 提示标志编号图形标志名称标志种类设置范围和地点4-1紧急出口Emergent exit J便于安全疏散的紧急出口处,与方向箭头结合设在通向紧急出口的通道、楼梯口等处4-2避险处haven J铁路桥、公路桥、矿井及隧道内躲避危险的地点4-3应急避难场所Evacuationassembly pointH在发生突发时间时用于容纳危险区域内疏散人员的场所,如公园、广场等4-4可动火区Flare up region J经有关部门划定的可使用明火的地点4-5击碎板面Break to obtainaccessJ必须击开板面才能获得出口4-6急救点First aid J设置现场急救仪器设备及药品的地点4-7应急电话EmergencytelephoneJ安装应急电话的地点4-8紧急医疗站Doctor J有医生的医疗救助场所1.4.1提示标志的方向辅助标志,见图1图1 应用方向辅助标志示例2 工作场所职业危害警示标志2.1禁止标志2.2 警告标志续表2.3 指令标志续表2.4 提示标志续表2.5 警示线编号语句内容编号语句内容1 禁止入内29 刺激皮肤2 禁止停留30 腐蚀性根据工作场所职业病危险的实际状况进行选用。
工作场所职业危害警示标识及告知卡
工作场所职业危害警示标识、公告牌1、基本几何图形式样、颜色及含义
2、禁止标识
3、警告标识
4、指令标识
5、提示标识
6、警示线
7、职业病危害告知卡尺寸大小:800cm*400cm 苯
甲苯
二甲苯
醇
醇
就医治疗。
溶液冲洗。
碳酸氢钠溶液雾化吸入。
就医。
等口服,不可催吐。
立即就医。
醇
至空气新鲜处。
保持呼吸道通畅。
如呼吸困难,给输氧。
如呼吸停止,立即进行
人工呼吸。
就医食入:用水漱口,给饮牛奶或蛋清。
就医。
醇
醇
者已出现消化道腐蚀症状时忌催吐及洗胃。
吸入量较多者应卧床休息、吸氧,就
医,
醇。