人力资源部审计报告20090403
- 格式:doc
- 大小:81.00 KB
- 文档页数:7
2009年度人力资源部工作总结1 、人员招聘与人力成本控制2009年度上半年度公司招聘状况良好,虽用工需求在五月份突然增加,但人力资源部依然按公司要求完成了招聘任务;在9月中下旬订单逐步减少的情况下,人力资源部也有效地缩减了生产一线的人力,在国庆节前已将人力成本逐步降低。
11月下旬公司开始出现转机,增加了部分订单,由于受整体普工短缺因素影响导致招聘普工困难,人力资源部已采取了相应措施,通过各种渠道加大招聘普工力度,但仍然出现普工招聘不足,此方面人力资源部将作为教训在下一年度提前储备人力。
2、人员配置工作2009年度内公司各部门人力配置情况正常,对于部分人力过剩的职位人力资源部已进行了减员处理,确保各部门人员配置合理。
3、培训工作人力资源部已按照《2009年度培训计划》完成了培训工作,同时人力资源部在原有培训计划的基础上增加了额外培训,人力资源部开拓了三次免费外请专业讲师到厂进行团队训练,另有开拓申请到免费管理团队三天培训3个名额外出接受训练,为公司节约了大量培训成本,通过外出培训后人力资源部制定了详细的团队内训及户外拓展训练计划并已实施圆满成功结束,从根本上提升了恒信内部管理人员的团队合作精神;当然,培训活动是要持续进行的,人力资源部也将在2010年加强内部的一些专业技能培训。
4、薪酬员工福利在金融危机背景下,为响应公司成本控制号召,人力资源部在2009年成功实施职员周六休息制度,控制加班成本,大大降低了公司的加班成本;因受金融危机影响2009年暂未增加员工福利。
5、员工出勤管理人力资源部2009年对所有职员采用了指纹考勤控制上下班时间,降低了劳动风险;同时对全厂员出勤进行监督与管理,整年度内员工出勤状况良好,部门违规出勤的已按公司制度处理。
另6月份时考虑到员工人数增加而打卡钟不足的情况,人力部已新增加安装了三台打卡钟,缓减了员工上下拥挤的状况,加快了员工上下班打卡时间。
6、档案管理工作人力资源部严格按照劳动法规定,员工签定劳动合同率100%,为预防法律风险,确定所有员工入职一个月内必须签定劳动合同,所有合同由人力资源部统一归档保存管理。
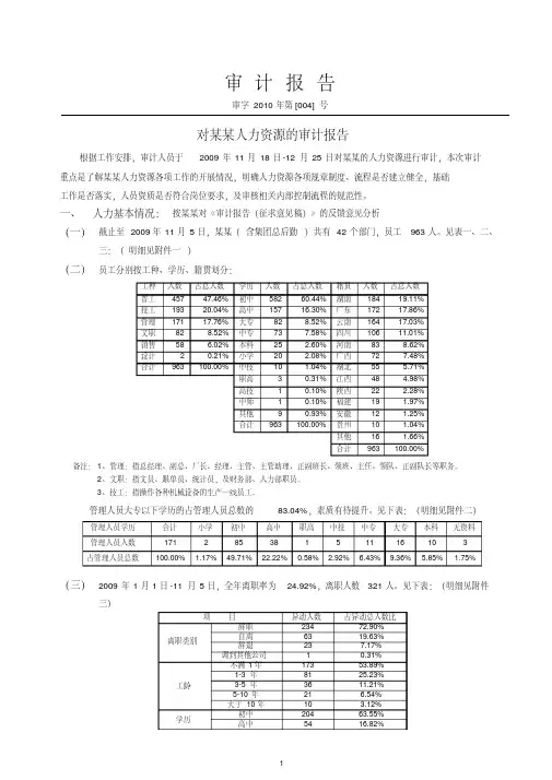
审计报告审字2010年第[004]号对某某人力资源的审计报告根据工作安排,审计人员于2009年11月18日-12月25日对某某的人力资源进行审计,本次审计重点是了解某某人力资源各项工作的开展情况,明确人力资源各项规章制度、流程是否建立健全,基础工作是否落实,人员资质是否符合岗位要求,及审核相关内部控制流程的规范性。
一、人力基本情况:按某某对《审计报告(征求意见稿)》的反馈意见分析(一)截止至2009年11月5日,某某(含集团总后勤)共有42个部门,员工963人。
见表一、二、三:(明细见附件一)(二)员工分别按工种、学历、籍贯划分:工种人数占总人数普工45747.46%技工19320.04%管理17117.76%文职828.52%销售58 6.02%设计20.21%合计963100.00%学历人数占总人数初中58260.44%高中15716.30%大专828.52%中专737.58%本科25 2.60%小学20 2.08%中技10 1.04%职高30.31%高技10.10%中师10.10%其他90.93%合计963100.00%籍贯人数占总人数湖南18419.11%广东17217.86%云南16417.03%四川10611.01%河南838.62%广西727.48%湖北55 5.71%江西48 4.98%陕西22 2.28%福建19 1.97%安徽12 1.25%贵州10 1.04%其他16 1.66%合计963100.00%备注:1、管理:指总经理、副总、厂长、经理、主管、主管助理、正副班长、领班、主任、领队、正副队长等职务。
2、文职:指文员、跟单员、统计员,及财务部、人力部职员。
3、技工:指操作各种机械设备的生产一线员工。
管理人员大专以下学历的占管理人员总数的83.04%,素质有待提升。
见下表:(明细见附件二)管理人员学历管理人员人数合计171小学2初中85高中38职高1中技5中专11大专16本科无资料103占管理人员总数100.00% 1.17%49.71%22.22%0.58% 2.92% 6.43%9.36% 5.85% 1.75%(三)2009年1月1日-11月5日,全年离职率为24.92%,离职人数321人。
设计20.21%小学20 2.08%广西727.48%合计963100.00%中技10 1.04%湖北55 5.71%职高30.31%江西48 4.98%高技10.10%陕西22 2.28%中师10.10%福建19 1.97%其他90.93%安徽12 1.25%合计963100.00%贵州10 1.04%其他16 1.66%合计963100.00%备注:1、管理:指总经理、副总、厂长、经理、主管、主管助理、正副班长、领班、主任、领队、正副队长等职务。
2、文职:指文员、跟单员、统计员,及财务部、人力部职员。
3、技工:指操作各种机械设备的生产一线员工。
管理人员大专以下学历的占管理人员总数的83.04%,素质有待提升。
见下表:(明细见附件二)管理人员学历合计小学初中高中职高中技中专大专本科无资料管理人员人数17128538151116103占管理人员总数100.00%1.17%49.71%22.22%0.58%2.92%6.43%9.36%5.85%1.75%(三)2009年1月1日-11月5日,全年离职率为24.92%,离职人数321人。
见下表:(明细见附件三)项目异动人数占异动总人数比离职类工龄学历工种/岗位备注:离职率=全年离职人数/(统计期末的在职人数+全年离职人数)离职人数排在前5名的依次为A车间28人、B车间28人、C车间27人、D车间25人、E23人,离职原因:①认为工资低(普工以此为由离职是正常情况);②影响身体;③同行业挖角;④车间主管与员工沟通少,管理不细致。
10年以上工龄员工离职10人,人力部所述离职原因简单,未见详细的离职面谈记录。
见下表:二、审计发现:审计人员抽取了60位员工的人事资料进行检查,抽查人数占员工总人数的6.2%,发现:1、岗位测评做得较好。
对部份岗位进行入职心理素质测试(性格测试)、智能素质测评(文字运用能力、人际交往能力)、文案测评、电脑操作测评,做得较好,但应明确规定哪些岗位需做测评,做哪些测评,并且设定测评的评分标准。
篇一:2011年度薪酬审计自查报告**集团公司**厂2011年度薪酬制度执行情况专项审计自查报告根据**集团公司《关于开展2011年度薪酬制度执行情况专项审计的通知》精神,我厂高度重视,由人力资源科牵头本着真实、完整的原则填制统计报表,对上年度薪酬发放情况进行了认真的总结和梳理并进行了认真自查,现将自查情况汇报如下:(一)薪酬制度建立健全及执行情况:1.岗位效益工资按集团2004年《岗位效益工资制度》和2007年《关于工资和奖金管理办法》规定,全厂员工岗位工资计算以集团薪改岗位工资为标准,以上月出勤为考核依据,病事假按规定年限和相应比率兑现岗位工资;工龄津贴按《关于调增员工工龄津贴标准的通知(**?2010?221号)》规定不同工龄段计算。
2011年度我厂共计审批各项薪酬基金**万元,其中工资审批发放**万元(其中:厂领导及机关管理人员**万元,地面生产人员**万元,后勤服务人员**万元)。
2.按照集团公司总体发展战略,我厂以“安全为先,科技创新,控本增效,提升管理,实现五型”的工作方针,为了进一步落实集团公司下达给我厂的各项经营指标,提升工资奖金管理控制力,2010年以厂发文下发了绩效考核办法及考核标准 (****厂[2010]18号文件“关于下达厂2010年五型企业建设综合绩效考核办法的通知”),厂绩效考核在注重结果考核的同时,突出过程考核与细节,明确了参与绩效考核分配的内容构成。
同时,把月度考评会的考评结果与工资、绩效奖及超利分成奖进行挂钩。
通过实施,我厂的绩效考评体系起到了激发广大员工的工作积极性和创造性,树立了“收入靠安全、收入靠效益、收入靠贡献”的理念,促进了厂经济效益的稳步提高和持续健康发展的作用。
考核的过程每月由经营管理科将厂综合绩效考核打分表下发厂级领导及各相关部门,在每月10日前回收下发的绩效考核打分表,根据回收的打分表,按表统计,进行汇总,组织召开厂综合绩效考评会并进行通报,考核结果报人力资源科,并且将考核结果在**网页上公示,人力资源科按绩效考核结果分配奖金,各车间(科室)按照对员工绩效考核办法,对内进行二次分配,分配结果在公开栏进行公开,接受员工的监督。
人力资源审计报告一、审计目的人力资源是企业最重要的资产之一,它直接关系到企业的长远发展和竞争力。
为了有效管理和利用人力资源,提高企业绩效和效益,进行人力资源审计是必要的。
本次人力资源审计的目的是对公司人力资源管理工作进行全面的检查和评估,发现存在的问题和不足,提出改进和完善的意见和建议,为公司的人力资源管理提供参考和支持。
二、审计方法本次审计采用了多种方法进行。
首先,我们对公司的人力资源政策、制度和流程进行了全面的审查,了解公司是否有相应的规范和标准并且是否得到了有效的执行。
同时,我们对公司的人力资源数据进行了收集和分析,包括员工数量、离职率、培训投入等指标,以评估公司的人力资源结构和投入情况。
此外,我们还通过面谈员工、观察公司的人力资源工作实践以及查阅相关文件和资料等方式,获取了更多的信息和数据。
三、审计结果及分析1.人力资源政策与制度公司的人力资源政策和制度相对完善,有助于规范人力资源管理工作。
但与实际情况相比,仍存在一定的差距。
例如,公司缺乏完善的员工绩效评估制度,对员工的表现和贡献评价不够客观和科学。
此外,公司也需要加强对员工晋升和激励机制的建立和落实,以提高员工的积极性和参与度。
2.人力资源结构公司的员工数量相对稳定,员工流动率较低,说明公司在人员招聘和留任方面做得相对较好。
但是,公司的员工结构存在一定的问题,例如,专业技术人员比例较低,中高级管理人员比例较高,这对公司的技术能力和管理水平带来一定的影响。
因此,公司需要加大在高端人才引进和培养方面的投入,提高企业的创新和竞争能力。
3.培训投入公司在培训方面的投入相对不足,培训经费占比较低,培训的内容和形式也较为单一、这对员工的职业发展和能力提升带来了一定的限制。
因此,公司需要加强对员工培训的重视和投入,制定全面的培训计划,提供多样化和有针对性的培训课程,增加员工的技术和职业能力。
四、改进和完善建议根据审计结果及分析,我们提出以下改进和完善的建议:1.建立完善的员工绩效评估制度,提高评价的客观性和科学性,激励员工的积极性和参与度。
人力资源审计报告在现代社会中,人力资源是企业持续发展和进步的关键要素之一。
为了确保企业人力资源的有效配置和管理,人力资源审计成为了必不可少的工具和方法。
本文将探讨人力资源审计的重要性、过程和影响,并对该过程中的一些关键要点进行分析。
一、人力资源审计的重要性人力资源审计是通过对企业的人力资源管理活动进行客观、系统的评估,以确定其优势和不足之处,并提供对策和建议,以促进人力资源的合理配置和管理。
它不仅可以发现问题,还可以为企业提供改进和创新的方向。
通过人力资源审计,企业可以更好地了解自己的人力资源管理水平,并寻找改进的机会,从而提高绩效和竞争力。
二、人力资源审计的过程人力资源审计通常包括以下几个关键步骤:1. 规划和准备阶段:确定审计范围、目标和方法,并收集必要的数据和信息。
这一阶段需要与相关部门和人员合作,确保必要的支持和资源。
2. 评估现状:通过对现有的人力资源管理政策、流程和实践进行评估,了解企业的人力资源情况,包括招聘、培训、绩效考核等方面。
3. 分析问题:对评估结果进行分析,确定人力资源管理中存在的问题和挑战,并找出其根本原因。
4. 制定对策和建议:基于问题分析的结果,提出改进和创新的对策和建议。
这些对策和建议应该是针对性的,可操作的,并与企业的战略目标相一致。
5. 实施和监督:将对策和建议转化为具体的行动计划,并且进行有效的监督和跟进,以确保其落地和可持续发展。
三、人力资源审计的影响人力资源审计的影响是多方面的。
首先,它可以帮助企业提高人力资源管理的效率和效果,从而提高企业的绩效和竞争力。
其次,它可以增强企业的组织文化和员工的归属感,提高员工的满意度和忠诚度。
此外,人力资源审计还可以为企业的战略规划提供有力的支持和参考,帮助企业实现长期发展目标。
四、人力资源审计的关键要点分析在人力资源审计过程中,有几个关键要点需要特别重视。
首先是数据的准确性和可靠性。
人力资源审计依赖于大量的数据和信息,如果这些数据不准确或不可靠,审计的结果就会受到影响。
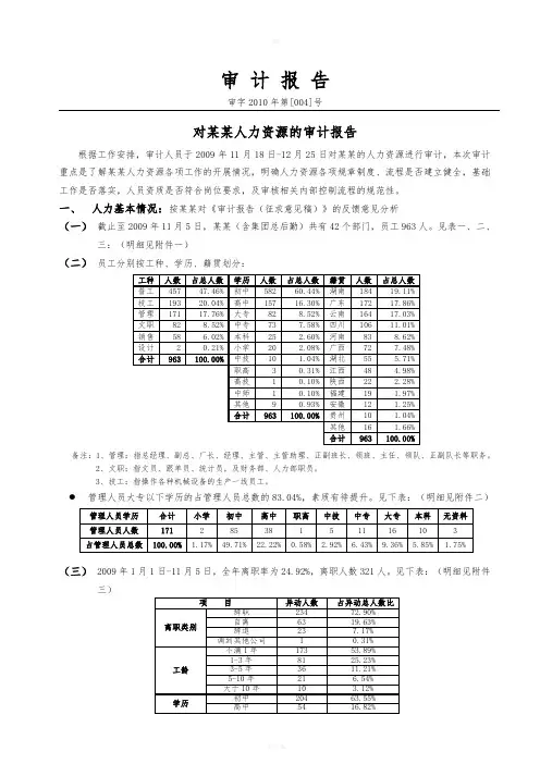
审计报告审字2010年第[004]号对某某人力资源的审计报告根据工作安排,审计人员于2009年11月18日-12月25日对某某的人力资源进行审计,本次审计重点是了解某某人力资源各项工作的开展情况,明确人力资源各项规章制度、流程是否建立健全,基础工作是否落实,人员资质是否符合岗位要求,及审核相关内部控制流程的规范性。
一、人力基本情况:按某某对《审计报告(征求意见稿)》的反馈意见分析(一)截止至2009年11月5日,某某(含集团总后勤)共有42个部门,员工963人。
见表一、二、三:(明细见附件一)(二)员工分别按工种、学历、籍贯划分:备注:1、管理:指总经理、副总、厂长、经理、主管、主管助理、正副班长、领班、主任、领队、正副队长等职务。
2、文职:指文员、跟单员、统计员,及财务部、人力部职员。
3、技工:指操作各种机械设备的生产一线员工。
管理人员大专以下学历的占管理人员总数的83.04%,素质有待提升。
见下表:(明细见附件二)(三)2009年1月1日-11月5日,全年离职率为24.92%,离职人数321人。
见下表:(明细见附件三)备注:离职率=全年离职人数/(统计期末的在职人数+全年离职人数)●离职人数排在前5名的依次为A车间28人、B车间28人、C车间27人、D车间25人、E23人,离职原因:①认为工资低(普工以此为由离职是正常情况);②影响身体;③同行业挖角;④车间主管与员工沟通少,管理不细致。
●10年以上工龄员工离职10人,人力部所述离职原因简单,未见详细的离职面谈记录。
见下表:二、审计发现:审计人员抽取了60位员工的人事资料进行检查,抽查人数占员工总人数的6.2%,发现:1、岗位测评做得较好。
对部份岗位进行入职心理素质测试(性格测试)、智能素质测评(文字运用能力、人际交往能力)、文案测评、电脑操作测评,做得较好,但应明确规定哪些岗位需做测评,做哪些测评,并且设定测评的评分标准。
2、企业文化建设较好。
人力资源成本审计报告1. 引言本报告对XXX公司的人力资源成本进行了审计,旨在评估该公司在人力资源方面的支出情况,以及针对人力资源的管理策略是否高效和经济合理。
2. 审计方法本次审计使用了以下方法进行数据收集和分析:- 查阅相关文件和记录,包括人力资源部门的报告和财务文件;- 进行与人力资源相关的会计核对;- 面谈公司管理层和人力资源部门负责人,了解他们的人力资源投入策略和目标;- 分析人力资源管理的效率和结果。
3. 支出情况根据审计结果显示,XXX公司在人力资源方面的支出总额为XXX。
具体细分如下:- 员工薪酬和福利:XXX- 培训和发展:XXX- 招聘和猎头费用:XXX- 离职和解雇补偿:XXX- 社会保险和公积金:XXX4. 人力资源管理策略在与公司管理层和人力资源部门负责人的会谈中,他们表达了以下管理策略和目标:- 积极招聘和培养高素质的员工;- 注重员工的培训和发展,提高其专业技能和工作表现;- 提供具有竞争力的薪酬和福利,以激励员工的积极性和忠诚度;- 实施科学的绩效考核体系,以促进员工个人发展和公司整体业绩;- 关注员工的健康和福利,提供良好的工作环境和员工关怀服务。
5. 审计结论经过审计,我们认为XXX公司在人力资源成本方面的管理比较高效和经济合理。
该公司的支出符合行业平均水平,并且管理策略有利于提高员工的绩效和保持员工满意度。
6. 建议根据审计结果,我们提出以下建议,以进一步优化人力资源成本管理:- 定期评估员工的培训和发展需求,确保投资的有效性和针对性;- 加强员工福利和关怀服务,提高员工满意度和忠诚度;- 定期审查人力资源管理策略的有效性和适应性,以应对市场变化和业务需求。
7. 结束语本报告仅基于对XXX公司人力资源成本的审计结果,提供了对该公司人力资源管理情况的评估和建议。
我们希望这些信息对公司的决策和改进有所帮助。
审计报告审字2010年第[004]号对某某人力资源的审计报告根据工作安排,审计人员于2009年11月18日-12月25日对某某的人力资源进行审计,本次审计重点是了解某某人力资源各项工作的开展情况,明确人力资源各项规章制度、流程是否建立健全,基础工作是否落实,人员资质是否符合岗位要求,及审核相关内部控制流程的规范性。
一、人力基本情况:按某某对《审计报告(征求意见稿)》的反馈意见分析(一)截止至2009年11月5日,某某(含集团总后勤)共有42个部门,员工963人。
见表一、二、三:(明细见附件一)(二)员工分别按工种、学历、籍贯划分:工种人数占总人数学历人数占总人数籍贯人数占总人数普工457 47.46% 初中582 60.44% 湖南184 19.11%技工193 20.04% 高中157 16.30% 广东172 17.86%管理171 17.76% 大专82 8.52% 云南164 17.03%文职82 8.52% 中专73 7.58% 四川106 11.01%销售58 6.02% 本科25 2.60% 河南83 8.62%设计 2 0.21% 小学20 2.08% 广西72 7.48%合计963 100.00% 中技10 1.04% 湖北55 5.71%职高 3 0.31% 江西48 4.98%高技 1 0.10% 陕西22 2.28%中师 1 0.10% 福建19 1.97%其他9 0.93% 安徽12 1.25%合计963 100.00% 贵州10 1.04%其他16 1.66%合计963 100.00%备注:1、管理:指总经理、副总、厂长、经理、主管、主管助理、正副班长、领班、主任、领队、正副队长等职务。
2、文职:指文员、跟单员、统计员,及财务部、人力部职员。
3、技工:指操作各种机械设备的生产一线员工。
管理人员大专以下学历的占管理人员总数的83.04%,素质有待提升。
见下表:(明细见附件二)管理人员学历合计小学初中高中职高中技中专大专本科无资料管理人员人数171 2 85 38 1 5 11 16 10 3占管理人员总数100.00% 1.17% 49.71% 22.22% 0.58% 2.92% 6.43% 9.36% 5.85% 1.75%(三)2009年1月1日-11月5日,全年离职率为24.92%,离职人数321人。
审计报告审字2010年第[004]号对某某人力资源的审计报告根据工作安排,审计人员于2009年11月18日-12月25日对某某的人力资源进行审计,本次审计重点是了解某某人力资源各项工作的开展情况,明确人力资源各项规章制度、流程是否建立健全,基础工作是否落实,人员资质是否符合岗位要求,及审核相关内部控制流程的规范性。
—、人力基本情况:按某某对《审计报告(征求意见稿)》的反馈意见分析(一)截止至2009年11月5日,某某(含集团总后勤)共有42个部门,员工963人。
见表一、三:(明细见附件一)(二)员工分别按工种、学历、籍贯划分:备注:12、文职:指文员、跟单员、统计员,及财务部、人力部职员。
3、技工:指操作各种机械设备的生产一线员工。
(三)2009年1月1日-11月5日,全年离职率为24.92%,离职人数321人。
见下表:(明细见附件三)备注:离职率=全年离职人数/(统计期末的在职人数+全年离职人数)离职人数排在前5名的依次为A车间28人、B车间28人、C车间27人、D车间25人、E23人, 离职原因:①认为工资低(普工以此为由离职是正常情况);②影响身体;③同行业挖角;④车间主管与员工沟通少,管理不细致。
10年以上工龄员工离职10人,人力部所述离职原因简单,未见详细的离职面谈记录。
见下表:二、审计发现:审计人员抽取了60位员工的人事资料进行检查,抽查人数占员工总人数的 6.2%,发现:1、岗位测评做得较好。
对部份岗位进行入职心理素质测试(性格测试)、智能素质测评(文字运用能力、人际交往能力)、文案测评、电脑操作测评,做得较好,但应明确规定哪些岗位需做测评,做哪些测评,并且设定测评的评分标准。
2、企业文化建设较好。
文体娱乐活动丰富,促进了员工的凝聚力,并且有企业内刊,在宣传企业文化、提高企业知名度方面走在了整个集团公司的前列。
3、部门设置不够合理。
至09年11月5日某某员工963人,却有42个部门,易造成管理人员多、班组长多、岗位重复、职责重叠、管理权限模糊、相关部门接口不清晰等问题。
企业人力资源内部审计报告引言本次内部审计报告主要对企业的人力资源管理进行审计,旨在评估人力资源管理的效果、合规性以及制定改进措施,以提高企业的人力资源管理水平。
一、审计目的和范围本次审计的目的是评估企业人力资源管理的效果、合规性,并提出相关改进意见。
审计范围涵盖企业各部门的人力资源管理工作,包括招聘、培训、绩效管理、薪酬福利、劳动关系等方面。
二、审计方法和过程本次审计采用了以下方法:1. 文件审核:对企业的人力资源管理相关文件进行全面审核,包括政策、制度、流程等。
2. 现场调查:对各部门的人力资源管理实施情况进行实地调查,与人力资源管理人员进行访谈。
3. 数据分析:对人力资源管理数据进行分析,评估其合规性和效果。
审计过程中,根据财务部门、人力资源部门和各部门协调配合,获取了充分的信息和数据支持。
三、审计发现和问题分析根据审计调查和数据分析,发现了以下问题:1. 招聘流程不规范:企业在招聘过程中缺乏统一的流程和标准,导致招聘流程不规范,存在漏洞和造假风险。
2. 培训计划不全面:企业的培训计划缺乏前瞻性和全面性,没有根据员工和企业的实际需求进行科学规划。
3. 绩效管理体系不完善:企业的绩效管理体系存在缺陷,评价标准不明确,导致绩效考核结果缺乏准确性和公正性。
4. 薪酬福利不具竞争力:企业的薪酬福利待遇不具有较大吸引力,导致员工流失率较高。
5. 劳动关系不稳定:企业与员工之间的劳动关系较为紧张,存在劳动纠纷的潜在风险。
四、审计结论根据审计检查结果,我们得出以下结论:1. 企业人力资源管理存在一些问题和风险,需要引起重视并采取相应措施加以改进。
2. 对于招聘流程、培训计划、绩效管理、薪酬福利和劳动关系等方面的问题,我们建议企业制定相应的管理制度和规范流程,加强内部控制和监督。
3. 加强对人力资源管理人员的培训和学习,提高其专业能力和业务水平。
4. 向员工提供更好的发展机会和福利待遇,提高其满意度和忠诚度。
审计报告审字2010年第[004]号对某某人力资源的审计报告根据工作安排,审计人员于2009年11月18日-12月25日对某某的人力资源进行审计,本次审计重点是了解某某人力资源各项工作的开展情况,明确人力资源各项规章制度、流程是否建立健全,基础工作是否落实,人员资质是否符合岗位要求,及审核相关内部控制流程的规范性。
—、人力基本情况:按某某对《审计报告(征求意见稿)》的反馈意见分析(一)截止至2009年11月5日,某某(含集团总后勤)共有 42个部门,员工963人。
见表一、三:(明细见附件一)(二)员工分别按工种、学历、籍贯划分:备注:12、文职:指文员、跟单员、统计员,及财务部、人力部职员。
3、技工:指操作各种机械设备的生产一线员工。
(三)2009年1月1日-11月5日,全年离职率为 24.92%,离职人数321人。
见下表:(明细见附件三)备注:离职率=全年离职人数/(统计期末的在职人数 +全年离职人数)离职人数排在前 5名的依次为 A车间28人、B车间28人、C车间27人、D车间25人、E23人, 离职原因:①认为工资低(普工以此为由离职是正常情况);②影响身体;③同行业挖角;④车间主管与员工沟通少,管理不细致。
10年以上工龄员工离职 10人,人力部所述离职原因简单,未见详细的离职面谈记录。
见下表:二、审计发现:审计人员抽取了 60位员工的人事资料进行检查,抽查人数占员工总人数的 6.2%,发现:1、岗位测评做得较好。
对部份岗位进行入职心理素质测试(性格测试)、智能素质测评(文字运用能力、人际交往能力)、文案测评、电脑操作测评,做得较好,但应明确规定哪些岗位需做测评,做哪些测评,并且设定测评的评分标准。
2、企业文化建设较好。
文体娱乐活动丰富,促进了员工的凝聚力,并且有企业内刊,在宣传企业文化、提高企业知名度方面走在了整个集团公司的前列。
3、部门设置不够合理。
至09年11月5日某某员工963人,却有42个部门,易造成管理人员多、班组长多、岗位重复、职责重叠、管理权限模糊、相关部门接口不清晰等问题。
精品文档
可编辑
2009年4月份集团盘点部、集团资产安全管理部以及集团审
计部联合对人力资源部现行流程执行情况进行了一次专项审计。本
次审计选取了各区域的15家门店在2008年10-2009年3月期间的
业务。依据集团公司颁布的《薪酬管理》、《干部管理》、《招聘管理》
以及《员工手册》等制度流程为标准。我们通过对员工原始档案、
系统档案、系统工资发放明细、工资财务发放明细、手工考勤表、
请假审批表、宿舍管理等相关环节的核查,并在此基础上编制该审
计报告。
一、 薪酬管理:
1、薪资核算。我们抽查的15家单位,有13家的薪资核算
出现错误,共计多核算给员工23401元的薪资,样本金额差错率
(差错金额/样本总金额)为万分之六。其中有19417元已经实际
发放给员工,另外3983元暂未发放。在出现差错的12家单位中
高新、西丽、南油三家单位审计期间的差错率(差错笔数/总笔数)
都达到了1%以上。高新店在审计期间出现差错28笔,累计金额
3180元。差错产生的主要原因是:对自动离职的员工没有按照公
司要求扣除旷工的工资以及过分信赖手工考勤导致多发放工资(人
力资源部门反馈由于考虑到劳动风险问题,所以自动离职员工并未
按照公司规定扣除旷工工资)。西丽店在审计期间出现差错27笔,
累计金额6900元,差错产生的主要原因是:员工无薪假照常计算
工资以及多核算出勤天数。例如:客服部员工王梅、收银部何太娟
在自动离职后,人事部门分别多核算了39天和28天的工资。南油
精品文档
可编辑
店在审计期间出现差错18笔,累计金额6336,差错产生的主要原
因是:向非夜班人员发放夜班补助以及员工宿舍超支水电费没有在
工资中扣除。
(工资核算详细差异表)
2、社保、住房公积金的缴纳。对于社保、住房公积金的缴纳
经过前期的清理和规范后,总体情况比较良好,在抽查的样本中没
有发现恶意以及大金额的差错情况。我们通过历史社保缴费资料以
及内部扣款清单进行核对,也发现了部分与要求不符的地方。主要
表现在:没有按照规定给员工参加社保、员工辞工后没有及时停止
参保等情况。主要原因是内部信息沟通不畅、员工处理正常事项滞
后。
3、考勤管理,从我们审计的情况来看,考勤管理在部分单位
还是没有完全执行到位,部分单位考勤随意,从抽查的手工考勤表
上看,存在很多异常情况。主要表现在以下几个方面:1、请销假
制度执行与监控不到位,各部门的请假、调休手工单据不规范;2、
部分门店员工调休还存在大量电脑考勤现象,这是严重的代打卡行
为,通过了解,收集到信息是门店商品部主管和人力资源主管要求
员工这样操作,避免制作加班单和调休单;3、加班申请填写报批
不规范。按照公司要求加班前,必须先填写加班申请单,但从我们
审计的情况来看,各单位基本都存在加班后补申请,或者干脆没有
加班申请记录,到员工调休时才提起以前加班的事项,这直接导致
精品文档
可编辑
了调休还要打卡的事情出现。4、生鲜早起验收补助以及防损夜班
补助没有按照要求考勤及发放,导致无关人员也享受此项补贴。此
情况在南油、学府、西丽、前海等单位都有发生。
3、绩效考核。员工绩效考核特批的现象比较严重,绩效考核
没有真正发挥激励的作用,人力资源的制度坚持和监督失去效力;
绩效考核的特殊化主要表现在以下方面:1、晋升、调薪等事项没
有原则,人情味比较重。例如,晋升考核没有达到时间规定以及考
核期间经营业绩不达标而得到晋升及调薪的现象在各单位还是比
较普遍。(人力资源部门反馈,之前公司对此没有强制规定,今年
已经按此执行。)2、月度优秀员工考核形式化,没有达到奖励先进、
激励后进的作用。在管理人员月度考核中,由于业绩不达标而被考
核为C级的经过上级审批可以调整到B级甚至A级。被书面警告
的员工可以当月被评为优秀员工。在天星桥店日杂主管张俊2008
年4月受书面警告处理,却在08年4、5、6连续考核考核为A级;
此种情况在其他被审计单位也有出现。
审计意见和建议:1、通过本次对薪酬管理的审计,发现很多
存在的问题是由于门店各部门的信息沟通不畅而导致的问题的发
生。工资、社保的出错大部分都是由于该原因造成的。这就要求人
事部门员工要重视与各部门的沟通以及各种信息的收集。2、另外
我们在审计过程中也发现了门店人事部门应有的独立性受到威胁。
从而导致门店人事在不能够很好的遵循公司颁布的各项规章制度。
审计建议是否可以考虑将人事部门的管理权上移,以增强门店人事
精品文档
可编辑
的独立性。3、很多问题的发生不是因为办事人员的能力问题,而
是办事态度产生的。由于没有及时核对、录入、处理信息也导致了
工作中错误的发生。建议加强工资核算过程中的复核环节,及时处
理各种考勤信息,避免出现人为核算错误。4、手工考勤表存在的
意义,我们已经有了一套非常完善的自动考勤系统,只要我们在日
常工作中遵循考勤制度,自动考勤系统就会给我们提供非常准确的
出勤信息。手工考勤表存在的意义不大,因此建议可以考虑取消手
工考勤。(人力资源部门反馈主要考虑到劳动纠纷中,手工考勤表
是员工出勤的依据,执法部分不认可电子考勤)
二、 干部管理
1、干部晋升过程中原则性缺失。管理干部晋升过程中存在不
少特批现象,人情大于制度,给门店人力资源工作带来难度,表现
突出的是营运管理干部,经营指标考核、储备期间实习考核、任命
程序都出现特殊审批的现象。例如,渝州店面包部主管,以前在天
津河西店任职课长,4.20日辞职。9.20日入职为课长,11.25日任
命为主管,并且在任职期间,部门经营四项指标只完成预算90%以
下。另外渝州店冷冻冷藏部主管08年8-10月连续三个月考核为C,
门店和分公司未执行公司制度,只是延长该主管4个月的转正期限。
在干部晋升、调薪过程中与公司制度偏差的地方主要是集中在营运
干部上面。
由于营运干部有经营业绩的硬性指标考核,当营运干部经营
业绩指未达标时,门店区域会从其他弹性指标中给予平衡,所以才
精品文档
可编辑
会比较多的出现营运干部在晋升、调薪时违背了公司的管理制度。
同时,我们在审计中通过走访员工了解到,部分管理人员一
旦达到晋升目的后,前后变化非常大,放松了对自身的要求。而公
司在干部后续考核、管理上制度和方法不是很明确。建议公司在非
调薪、非晋升时完善和加强对现有干部的考核和评价。
2、干部配备差异较大,部分单位干部配备超标。从被审计的
15家单来看,干部配置超标现象严重。南油店干部比达到19%,
学府生鲜干部超标5人,南水干部占比达到20%。干部超标一方面
由于近期公司进行编制改革,部分人员没有调整到位而导致,另一
方面,门店区域在进行人员调动、晋升时没有考虑到编制的限制而
导致编制超标。
三、 招聘管理及其他
1、入职资料办理及档案管理:在招聘管理中,各单位存在的
主要问题是:证件审核不严、入职相关手续不全、调动和复职程序
执行有变形。主要存在以下问题:1、入职证件审核不严,出现以
假身份证办理入职的现象。人事部员工缺乏识别身份证真伪的技能
和工具。南油等单位都出现了此类现象。2、入职相关证件缺失。
主要是在员工档案中缺少各种必须提供的证件。3、关键岗位的背
景调查不完善。像财务等关键岗位公司有着严格的背景调查要求,
但实际存在着部分员工的资料里面缺失关于背景调查方面的内容。
4、复职把握不严格,我们发现有比较多的复职人员没有执行公司
的6个月的时间要求。5、部分单位员工档案管理不规范,员工档
精品文档
可编辑
案资料不全。部分调动人员的档案中缺少调动通知单以及工作交接
清单。
2、培训管理。各单位都能够按照公司要求组织员工完成规定
内的培训,同时部分单位也积极组织店内或区域内的各项培训。总
体培训工作开展良好。但是针对职能部门的培训还是比较少,以及
针对性不强。
3、员工宿舍管理。目前员工宿舍管理存在两个问题:1、没
有按照公司标准入住宿舍。按照公司规定,只有经理级才享受单间
住宿条件,但在实际有员工宿舍的单位中,部分主管或课长级别员
工也可以入住单人宿舍。建议公司组织一次清理,合理安排员工的
住宿,可以考虑将多余宿舍退租以节约开支。2、水电费的扣除方
面存在数据不准确,没有扣除超支水电费等问题。3、宿舍安全问
题没有得到重视。例如有部分宿舍违规使用大功率电器,给宿舍带
来一定的安全隐患。
四、综合审计结论
综合以上15家单位的人力资源审计,可以看到各单位的人力
资源部门在总体上都能够有效执行总部制订的各项流程制度。部门
各项流程设计合理,从本次审计的错误样本中没有发现因为流程设
计缺陷而导致的问题。审计部结合实际检查情况提出以下建议:1、
工资、社保制作过程中,加强与各项基础资料的核对,明确制作人、
复核人的工作职责,避免出现工资差错问题。2、强化考勤管理,
人力资源部门应该结合出勤计划,不定期实地进行抽查。对考勤中
精品文档
可编辑
的舞弊现象一经发现必须严格处理。3、将绩效考核指标化,规范
化,减少认为调整空间。4、加强管理干部的后续考核和管理。特
别是管理干部的工作能力、工作状态的后续评价工作。5、尽快完
成各单位的编制调整,减少人员的闲置和节约成本开支。6、完善
员工档案的管理,规避劳动风险。
集团审计部
2009-4-30