航标简介
- 格式:doc
- 大小:20.50 KB
- 文档页数:3
第16卷 第10期 中 国 水 运 Vol.16 No.10 2016年 10月 China Water Transport October 2016收稿日期:2016-07-20作者简介:江 剑(1976-),男,广西陆川人,海南海警总队海警训练基地技术九级教员。
AIS 航标在实际使用中的问题和处理方法江 剑(海南海警总队 海警训练基地,海南 澄迈 570000)摘 要:AIS 航标在船舶安全航行、船舶定位和设置易于船舶识别的航行障碍物上提供了很大的帮助。
AIS 航标的应用可以大大帮助船舶获取助航信息,现在越来越多的船舶上安装了船载AIS,这对AIS 航标发展提出更高的要求。
本文主要讲解AIS 航标的工作原理、工作环境、功能、特点以及AIS 航标在实际使用所面临的问题和建议。
关键词:AIS 航标;虚拟航标;问题;建议中图分类号:U698 文献标识码:A 文章编号:1006-7973(2016)10-0121-02一、前言随着航海科学技术的发展进步,AIS 航标是AIS 技术和传统航标技术相结合的一种产物。
IALA 对航标的定义:“一种为船舶航行或船舶交通的安全性和有效性而设计和运行的船舶外的装置或系统”[1]。
这种AIS 航标不仅发挥传统航标指示航线、船舶定位的功能,而且AIS 航标在海上有着相对不错的通讯优势。
AIS 航标的主要目的是促进和加强船舶航行的安全并提供助航服务。
在近年来的快速推广,我国沿海海域和长江通航水域越来越多采用了AIS 航标,这对未来的我国航海事业的发展产生必将产生深远的影响。
1.AIS 航标的分类1974年SOLAS 公约修订版第五章强制要求,所有2007年7月1日建造船舶都必须安装AIS 设备。
公约中明确指出其他类型和大小的船舶必须安装规定要求2004年12月31日完成对AIS 设备的安装。
而我国沿海的AIS 岸基网络系统已经基本建成,初步完成了对我国沿海水域的连续覆盖。
第七章桥梁助航标志第一节概述桥梁助航标志有内河和海区之分,我国内河桥梁的助航标志参照《内河助航标志》(GB5863-93)设置,内河桥梁规模相对较小,航行环境也比较简单,参照《内河助航标志》技术规范设置的助航标志也较单一,本书不再详述,下面将重点介绍中国海区可航行水域桥梁助航标志。
现我国海区可航行水域桥梁助航标志的设置标准是《中国海区可航行水域桥梁助航标志》(试行)(以下简称《桥梁助航标志》),该标准于2007年8月22日起开始试行。
而在该标准颁布之前,中国海区通航水域桥梁助航标志设置主要参考国际航标协会《关于航行水道上固定桥梁标志的建议》(IALA/0-13)(以下简称《IALA建议》)。
《桥梁助航标志》的颁布试行,对进一步规范和改善桥区水域的通航环境,为船舶航行提供统一规范的助航信息,有效保护桥梁和保障船舶航行安全及保护海洋环境和人命财产安全,将会起到很大的促进作用。
以下按照《桥梁助航标志》的规定,结合现行我国海区桥梁航标的设置实际,介绍我国海区桥梁航标设置、维护和管理情况。
第二节海区桥梁标志类型和结构中国海区可航行水域桥梁助航标志分视觉航标、音响航标、无线电航标三大类,其类型和结构分别如下。
一、视觉航标包括双向通航桥孔中央标志、通航桥孔左侧标志、通航桥孔右侧标志、单向通航桥孔标志、桥孔禁航标志、桥墩警示标志。
(一)双向通航桥孔中央标志1、双向通航桥孔中央标志形状、颜色如下图所示。
2、双向通航桥孔中央标志的特征应符合下表的规定。
通航航道的中线。
若无船舶会遇时,船舶可在中央航行;会遇时,将会遇船舶置于本船的左舷通过。
(二)通航桥孔左侧、右侧标志1、通航桥孔左侧、右侧标志形状、颜色如下图所示。
桥孔左侧标志桥孔右侧标志的左侧、右侧界限。
顺航道走向行驶的船舶应将通航桥孔左侧标和右侧标置于该船的左舷和右舷通过。
(三)单向通航桥孔标志1、单向通航桥孔标志形状、颜色如下图所示。
孔为单向通航桥孔。
(四)桥孔禁航标志1、桥孔禁航标志形状、颜色如下图所示。
上海海事局镇海航标处简介
佚名
【期刊名称】《《宁波经济:财经视点》》
【年(卷),期】2007(000)002
【摘要】镇海航标处隶属于中华人民共和国上海海事局,主要担负着浙江沿海中北部南起三门湾,北到长江口的海域国家公用干线航标的管理和养护。
根据国家法律法规授权,依照《海上交通安全法》和《航标条例》、《沿海航标管理办法》等法规行使航标行业监督管理职权,对所辖水域航标实行统一监督管理的机构:负责区域内公用干线和宁波、舟山、嘉兴等重要港口的航标规划、设置、维护及行业监督管理工作。
【总页数】2页(P32-33)
【正文语种】中文
【中图分类】F426.22
【相关文献】
1.海西潮涌风帆正航标指路坦途明——上海海事局福州航标处 [J],
2.永举责任不止进取——记广东海事局湛江航标处航标管理员隋永举 [J], 陈国雄;刘静
3.航标闪闪指征程--记广东海事局北海航标处 [J], 冯心恺
4.镇海航标处 [J], 无
5.维护船舶"红绿灯"建设海上"高速路"
——惠州海事局、交通运输部南海航海保障中心汕头航标处融合发展为民办实事[J], 张建林;王思龙
因版权原因,仅展示原文概要,查看原文内容请购买。
国际航标协会词典简介国际航标协会词典(International Association of Lighthouse Authorities Dictionary,简称IALA Dictionary)是国际航标协会(International Association of Lighthouse Authorities,简称IALA)制定和发布的航标术语的标准词典。
国际航标协会成立于1957年,是一个非政府组织,旨在促进全球航标行业的发展和标准化。
IALA Dictionary旨在提供一套标准的航标术语,以便在航标相关的文档和交流中使用。
它包含了航标的定义、分类、结构、功能、操作方法等方面的术语和解释。
航标术语是航海领域的专业术语,对于航海人员、船舶操作员和航海技术人员非常重要。
本文档将详细介绍IALA Dictionary的组织结构和内容,并列举一些常用的航标术语和解释。
IALA Dictionary的组织结构IALA Dictionary的内容按照字母顺序排列,每个术语都有独立的条目。
每个条目包括以下几个部分:1.术语名称:以粗体字显示,用于指代具体的航标术语。
2.定义:对术语进行明确的定义和解释,描述其在航标领域中的特定含义和用法。
3.分类:将航标术语分为不同的类别,以便读者更好地理解和归类。
4.结构:描述航标的各个部分和组成,包括灯塔、浮标、标志等。
5.功能:说明航标的用途和目的,例如导航、警示、引导等。
6.操作方法:介绍航标的安装、维护、检修等操作过程和要求。
IALA Dictionary还提供了索引和缩写词表,以方便读者查找和理解术语。
常用航标术语下面列举了一些IALA Dictionary中常用的航标术语及其解释:1.灯塔:一种高大的航标建筑物,通常装有灯光设备,用于标示航行方向和危险。
2.浮标:一种安放在水面上的航标,通常具有明显的外观标志和强光灯。
3.标志:一种用于标明特定位置或测量标准的航标,例如航道标志、港口标志等。
简述黑龙江水系黑瞎子岛回归后的航标维护运行模式摘要:近年来,随着科学技术的飞速发展,无线数字通讯技术、卫星定位技术以及计算机自动控制技术,已广泛应用于航道航标维护工作中,对航道中岸标和浮标进行远程定位监测和工作状态监控、浮标漂移超范围及航标灯工作状态异常等情况下的远程遥测监控与自动报警。
结合黑瞎子岛水域航标的特点,探讨航标遥测监控系统的应用。
关键词:黑瞎子岛;航标;维护1黑瞎子岛水域概况1.1自然条件黑瞎子岛位于中俄边界的黑龙江、乌苏里正汇合处,又称抚远三角洲,面积300多平方公里。
黑瞎子岛由银龙岛、黑瞎子岛、明月岛3个岛系的93个岛屿和沙洲组成,连同与其毗连的水域共450平方公里。
全岛平均海拔约40米,地势平坦,是一块冲积而成的三角洲,地位重要,扼守着黑龙江一乌苏里江通航咽喉,隔江与俄国的哈巴罗夫斯克(伯力)相望。
根据2004年签署的《中俄国界东段补充协定》,黑瞎子岛一分为二,西侧靠近中国的一半岛屿归中国所有,面积达174平方公里,当中第二大的岛屿银龙岛全部归属中国所有。
俄罗斯保留黑瞎子岛东半部分,包括有丘姆卡村和俄罗斯居民的别墅。
1.2黑瞎子岛水域航标情况根据中俄两国签署有关协议2009年10 月14日中方对黑龙江中游黑瞎子岛水域 60km一30km范围内中方一侧航标进行接管。
中方接管岸标10座,浮标6座。
抚远水道35公里,拟设置岸标36座,浮标lo 座。
围绕黑瞎子岛水域中方共设置岸标46座,浮标16座。
航道维护里程为65公里,具有设标里程长,航标分散等特点。
根据现行黑龙江航标工作管理规则要求,每月检查航标4次,其中夜航查灯1次,检查时航标人员要爬到数米至十多米高的标杆上,检查航标灯、电池等设备。
不论刮风下雨、严寒酷暑,坚持按制度巡航查标,工作极为艰苦,即使这样,航期,俄方多次对航标维护提出建议和意见,航标也有失常现象发生。
包括航标人员经费和航标艇修理及其它辅助材料费在内,每座航标的年平均维护费达8500元左右。
长山尾灯塔简介
长山尾灯塔,又称长山灯塔,位于中国福建省福州市福清市长山岛南部,它是中国第一座自立式水晶灯塔,也是福建省第一座自启闭式煤气浮标灯塔,被誉为中国近代灯塔建筑的“一绝”和承载着福建航标文化的重要遗产。
长山尾灯塔建于1901年,由英国工程师J.C. Radcliff设计,灯塔高45米,灯光高度54米,外形优美,建筑结构稳固。
1943年,为抗战需要,长山尾灯塔曾被日本投掷炸弹炸毁,1956年恢复使用,并于1986年被中国政府公布为福建省文物保护单位。
现今,长山尾灯塔已经被列为福清市重点文物保护单位,它不仅是福建省的标志建筑之一,也是国家航标标志性建筑之一。
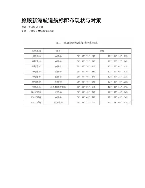
旅顺新港航道航标配布现状与对策作者:贾承扬路少君来源:《航海》2020年第02期摘要:近年来,在旅顺新港航道航标维护及管理工作中,发现1#灯浮标容易漂失、被撞,5#灯浮标存在被养殖区抵近的情况,以及内港灯浮标受海鸟粪便污染比较严重等问题。
这些都对旅顺新港航标助航效能产生了一定程度的影响,为解决以上问题,同时进一步改善旅顺新港的航标助航效能,本文进行了简要的分析判断并提出了改善建议。
关键词:旅顺新港;航标配布;现状对策1 旅顺新港简介旅顺新港位于旅顺西侧羊头湾内,地理坐标38°48.5'N 121°08'E。
港区地理位置优越,交通发达,为天然不冻良港。
旅顺新港是沟通辽东与山东半岛、辐射环渤海各口岸的重要节点,处于环渤海经济圈的中心位置,距蓬莱港66 n mile,距烟台港78 n mile,距威海港95 n mile,距秦皇岛港98 n mile。
目前,羊头洼湾内已经形成由旅顺新港港务局港区、滨海船厂、今冈船厂、烟台救捞局大连救助站、烟大火车轮渡等组成的地方综合性港区。
全湾建成1000~15 000吨级杂货、成品油、舾装等生产性泊位18个,泊位岸线总长3 240m。
2 旅顺新港航道航标配布现状及问题旅顺新港航道为单向航道,宽度满足30万吨级原油船舶(造船船型)通航,水深满足2万吨级杂货船乘潮、2万GT客货滚装船全天候通航。
2.1 旅顺新港航道航标参数表和配布图(见表1、图1)2.2旅顺新港航道航标维护管理中存在的问题总体来看,航道现有的航标配布比较具有前瞻性和科学性,但是从实际航标维护和管理方面来看,主要存在有以下几方面的问题或困难:(1)1#灯浮标的漂移、被撞问题1#灯浮标曾多次发生漂移、被撞事件。
原因分析如下:该标所处海域海况复杂、流大浪急,流速甚至会达到5.5~6 kn。
而灯浮标处在这样的海况环境中,锚链加速磨损。
在此基础上,加上船舶的碰撞、拖拽等原因,锚链就很容易脱扣,造成移位。
第20卷 第12期 中 国 水 运 Vol.20 No.12 2020年 12月 China Water Transport December 2020收稿日期:2020-10-13作者简介:文丙奎(1975-),男 ,上海港引航站,一级引航员。
AIS 虚拟航标的识别和在上海港的应用文丙奎(上海港引航站,上海 200129)摘 要:AIS 虚拟航标是AIS 与雷达、电子海图显示和信息系统(ECDIS)相结合的产物,文章介绍AIS 虚拟航标的识别和在上海港的应用。
关键词:AIS 虚拟航标;识别;应用中图分类号:U644 文献标识码:A 文章编号:1006-7973(2020)12-0037-02引言随着科学技术的发展,特别是无线电子通讯技术的快速发展,AIS (Automatic Identification System 船舶自动识别系统) 技术在船舶的导航和助航以及船舶避碰中得到了广泛的应用。
SOLAS 公约对船舶安装AIS 设备和电子海图显示和信息系统(ECDIS)都有着明确的规定和要求,这使AIS 技术在航标上的应用得以实现并普及化。
如今,AIS 虚拟航标(以下简称虚拟航标)在船舶导航和助航中发挥着相当重要的作用。
在有些参考文献中,把提供AIS 信息的实物航标也归类为虚拟航标,而本文中的虚拟航标仅指没有实体的虚拟的AIS 航标。
一、AIS 虚拟航标的原理虚拟航标(Virtual aids to Navigation)是基于AIS 网络技术、GPS 定位系统、现代通讯技术、计算机技术以及电子信息显示技术而产生和发展起来的新型航标应用技术,它是AIS 与雷达、电子海图显示和信息系统(ECDIS)有机结合的产物。
虚拟航标是在电子导航助航系统中显示而实际上并不存在的数字化的航标符号,那它是如何实现的呢?原来,航道管理部门早已经在岸上或其他可行的地方设立了一个个AIS 基站,而这些虚拟航标的信息则是通过各基站对外播发的。
NAVIGATION 航海45摘要:标准IALA 航标AIS ATON 设备的安装,为航标远程监管提供了极大便利,同时也增大了航标AIS 日常维护和现场检修的工作量。
航标海上安装及现场巡检受天气条件限制,工作时间有限,对于AIS 航标重要技术参数的检测,非常不利。
为此,迫切需要开发一种便携式无线AIS 航标检测仪,使基层航标工作人员能够及时查看当前AIS航标设备的工作情况,为其安装及巡检工作提供方便。
关键词:AIS 航标 检测 便携 0引 言近年来,大量标准IALA 航标AIS ATON 设备部署安装,给船舶进港航行提供了安全保障,也给监管部门对航标远程监测带来方便。
但AIS 航标设备的测试手段却无法跟上其安装普及速度,给AIS 航标的维护和检修工作带来了许多新的挑战。
由于AIS 航标安装位置远近不同,巡检工作受外界气象条件影响很大,且海上工作环境恶劣,使得航标维护人员在相对有限的时间内,暂无有效手段在第一时间得到AIS 航标维护后信息反馈情况。
针对上述问题,笔者从航标维护一线人员实际需求出发,开发了一种手持式无线AIS 航标检测仪。
该航标检测仪,可以测试AIS 航标的发射功率、频率偏移、设置参数、发射语句和发射时隙等信息,从而为AIS 航标提供更多性能检测手段和技术保障。
1 AIS 航标简介AIS 是“Automatic Identification System”(自动识别系统)的简称。
它是一种通过TDMA(时分多址)技术工作的无线通信系统。
主要用于船舶自身的导航、船舶之间的避碰以及陆地监管部门的实时船位监控。
目前,AIS 的主要终端产品共分三类:船载AIS 应答器(A 类和B 类两种)AIS 基站应答器(C 类)航标AIS 终端(N 类)AIS 的通信模式分SOTDMA、RATDMA、ITDMA、FATDMA、CSTDMA 等五种,不同的通信设备在不同的场合,所选择的通信模式各不相同。
航标AIS 终端的通信模式主要分RATDMA 和FATDMA。
航标简介——摘自《航标知识》讲义航标是为船舶航行提供助航、导航设施的简称。
它和陆上交通部门设置在城市街道、高速公路上的通行标志功能是一样的,区别就在于一个是为陆地上的运输工具提供通行标识:而另一个在为在海上航行的船舶提供航行标识。
航标是维持海上运输畅通,保障船舶安全、经济航行的重要设施,对发展我国水上交通运输事业,支持海洋资源开发和渔业捕捞,促进国民经济建设和发展,加强国防建设和维护国家主权均有非常重要的作用(如去年有报道称日本在我国的钓鱼岛上准备建立一座灯塔,以显示钓鱼岛是他们的领土)。
下面分四部分给大家系统的作以介绍。
一、航标的管理体制(一)管理体制我们国家有一万八千公里的海岸线,为便于管理,国家安地理位置划分为三大海区即:北方海区(辽宁、河北、山东及天津市沿海水域);东海海区(江苏、浙江、福建及上海市沿海水域)和南海海区(广东省和广西壮族自治区沿海水域);海南海区(指海南省沿海水域)。
我们国家的管理职能部门是中华人民共和国海事局,隶属于交通运输部,北方海区的管理机关是天津海事局,下辖七个航标处即大连、营口、秦皇岛、天津、黄华、烟台、青岛航标处、过去还有日照航标处(科级)现在已经划归青岛航标处了。
东海海区航标管理机关是上海海事局,下辖六个航标处,既连云港、上海、镇海、温州、福州和厦门航标处。
南海海区航标的管理机关是广州海事局,下辖三个航标处,即汕头、广州、湛江航标处。
海南的航标管理机关为海南海事局,下辖一个处,即海口航标处。
长江的航标管理为长江海事局,其余内河航标的管理归当地职能部门管理,这就是我们国家现行的航标管理体系。
因为我们在烟台,我再给大家介绍一下咱们烟台的情况,烟台航标处隶属天津海事局,管理着壹千三百公里的海岸线上五百余座的航行标志,横跨潍坊、烟台、威海三个地级市,下辖八个航标站,即潍坊、龙口、蓬莱、长岛、芝罘、威海、成山头、石岛航标站,分别管理各自辖区的助航、导航设施。
航标处办公地点在烟台市环海路七十号。
(二)航标的日常管理、保护、维修“中华人民共和国航标条例”第三条,国务院交通行政主管部门负责管理和保护除军用航标和渔业航标以外的航标。
国务院交通行政主管部门设立的流域航道管理机构,海区港务监督机构和县级以上地方人民政府交通行政主管部门,负责管理和保护本辖区内军用航标和渔业航标以外的航标。
交通行政主管部门和国务院交通行政主管设立的流域航道管理机构、海区港务监督机构统称为航标管理机关。
军队的航标管理机构、渔政渔港监督管理机构,在军用航标、渔业航标的管理和保护方面分别行使航标管理机关的职能。
交通部在一九八二年八月下发的“交通部颁发《关于海区航标管理工作的若干规定》的通知”第三条指出:交通部部门负责海上公用航标、商港和以商为主的军商合用港的航标;海军负责军港和以军为主的军商合用港的航标;渔港、渔场等渔业专用航标由渔业部门负责。
天津海事局、上海海事局、广州海事局的航标导航处是辖区的航标业务主管部门,全面负责本局分管海区航标的管理和规划建设工作,组织各基层航标单位对海区各类航标进行保养、维修和补给工作,维护其正常技术状态;根据船舶航行需要和海区具体情况,决定航标的设置、撤销、改变特征、更新设备、调整配布并组织实施(其中灯塔、指向标站、导航台报部海事局批准后实施)不断提高航标效能,及时掌握辖区航标情况。
编制航标表,通告航标变动情况、并联系海军、渔业等部门协调处理有关航标管理和使用事项。
航标处是相应辖区的基层航标管理单位。
直接负责所辖海区的航标的保养、维修、补给和定期巡检,维护航标的正常技术状态。
二、航标的类别海上航行标志和陆地交通标志是一样的,也是各式各样的,主要是根据航行需求而定的。
航行标志的形状、颜色、都有一整套的行业标准,而且是国际通用,执行的是国际航标协会的相关规定。
(一)从功能可分为三类:1、目视航标:如,灯塔、灯桩,浮标;2、音响航标:如雾号航标;是引导船舶在不良能见度中航行,由航标发出的警告性或指向性音响航标。
空气音响信号发射器包括:爆响雾号、低音雾号、雾笛、雾哨、雾锣等,大型灯塔大都采用施放听程较远的雾号,采用的是压缩空气式雾笛。
爆响雾号是用火药爆发响声的雾号;雾笛是电力推动或用压缩空气蒸汽流经旋转气孔而发出的雾号设备;雾哨是设在装哨浮标上利用海浪起伏发出音响的雾号设备;雾锣是有雾时用机械操作或人工连续敲锣发声的一种雾号设备。
这些设备现在已经进入航标博物馆,不再使用了。
3、无线电航标:如,雷达,是能为船舶提供其方位和距离的海岸雷达站;雷达指向标是一种连续发射的雷达信号的雷达信标。
雷达接受机接收这种信号后,在平面位置显示器上显示一条径向的方位线,可供测向,但不能用来测距。
现在普遍采用的是雷达应答器,是一种受到船用雷达询问(照射)时,即以最短的延时发回编码应答信号,并显示在该雷达荧光屏上,提供该信标的距离、方位和识别信息的装置。
(二)按规模可分以下几种1、灯塔:它是一种大型的助航标志,安装有大型的发光设备,灯光射程较远,有专人管理,也有无人值守的。
2、灯桩:它是一种结构比较简单,灯光射程较近的助航标志。
3、导标:是由两个或两个以上前低后高的立标组成的航标。
4、测速标;是专供船舶测定船速或效验计程仪用的一组标志。
通常由两对横向叠标组成。
5、浮标;我们国家是采用国际航标协会海上浮标系统(A区域)的原则,结合我国具体情况制定的,适用于中国海区及其海港,通海河口的所有浮标和水中规定的标志。
浮标按用途也可分为以下几种:a 侧面标志,用以表示航道的两侧界限。
设在航道左侧的称为左侧标,用以表示航道的左侧界限,顺航道走向行驶的船舶应将本标置于该船的左舷通过;设在航道右侧的叫右侧标,用以表示航道的右侧界限,顺航道行使的船舶应将本标置于该船的右舷;这里所说的左和右是指船舶自海上或沿海岸进港时的方向。
b 方位标志。
用航海罗经结合使用,设在以危险区域为中心的北、东、南、西四个象限内,分别成为北方位标,颜色为上黑下黄;东方位标,颜色为黑黄黑,黑色,中间有一条黄色宽横带;南方位标,颜色为上黄下黑;西方位标,成黄黑黄颜色,即黄色,中间有一条黑色的横带。
c、孤立危险物标志,设置或系在孤立的危险物上,或尽量靠近危险物的地方,标示危险物所在,船舶应参照有关航海资料,避开本标航行。
标志形状为装有顶标的拄形或杆形。
颜色为黑色,中间有一条或多条红色宽横带,顶标为上下垂直两个黑色球形。
d、安全水域标志,是设在航道中央或航道的中线上,标示本标周围均为可航水域,传播可在任何一侧航行,标志形状为球形,或装有顶标的拄形或杆形。
颜色为红白相间竖条,顶标为单个红色球体。
e、专用标志,它不是为助航目的而设的,用于某一特定水域或特征,如:检疫锚地、军事演习区、海道测量、分道通航区,标志形状为柱形或杆形,也可任选,但不可与助航用的标志相抵触,颜色为黄色。
f、灯船;是具有船形(主甲板以上有灯架和其他附属建筑)的浮动助航标志,标体涂有规定的颜色,装有满足灯光射程要求的发光设备,供船舶利用其显示的目标,测定船位和确定航向。
多用于江、河流域。
三、航标的设置交通部在一九九六十二月以交通部令颁布的“海区航标设置管理办法”中都作了明确的规定。
海区航标设置是指航标新设、撤除、位置移动和其它状况改变。
交通部是全国海区航标设置管理的主管机关,并负责第一类航标的设置规划和审批工作;天津、上海、广州和海南海上安全监督局是海区航标管理机关,分别负责北海、东海、南海和海南海区第一类航标设置的审查和第二类航标设置的规划和审批工作。
何谓第一类航标:是指灯塔、无线电导航台、无线电指向标、DGPS台等无线电航标;第二类航标是指灯桩(包括导标)、立标、灯浮标、浮标、灯船、雾号、雷达信标等航标。
同时指出,辖区航标管理机关(我的理解是指各地航标处)设置航标,应向海区航标管理机关提交航标设置书面申请,专业单位设置航标,应当向辖区航标管理机关提交航标设置书面申请,书面申请应当包括设置航标的名称、种类、用途、作用距离、灯质、设标地水(陆)域名称、标位地理坐标(北京坐标)并附有最新的不小与1:10000的大比例尺测量图纸以及占用水(陆)批文或证件。
海区航标管理机关收到书面申请材料之日起,根据国家和交通部颁布的有关规定和技术标准进行审查,属于第二类航标设置的由海区航标管理机关审批,并于20日内将书面审批意见下达给辖区航标管理机关;属于第一类航标设置的,由海区航标机关审查,并于20日内做出书面审查意见,报交通部审批;交通部应在20日内将审批意见下达给海区航标管理机关,海区航标管理机关应及时通知辖区航标管理机关。
航标设置单位完成航标设置后,应当由批准设置航标的航标管理机关对航标工作效能进行验收,验收合格的,方可正式投入使用。
刚才上面已经介绍过了,航标处是基层航标管理单位,分管辖区海区航标日常的保养、维修、补给和定期巡检,维护航标正常技术状态,根据上级下达或批准的计划,进行航标的设置、撤销、改变特征、调整配布等工作,对发现沉船、障碍物和航道突然变化等紧急情况,采取设置或调整航标的应急措施并及时上报备查;了解所辖海区水文气象情况,掌握辖区航标技术状态,建立航标技术档案,及时向上级部门辖区航标变动情况并按规定通告有关部门;根据规定向指定地点派出航标站,并监督其完成值班任务。
航标站根据航标处的指示,在规定的范围内,负责对一定数量的航标进行保养、维修、补给和定期巡检,维护其正常技术状态,并完成航标处规定的其他任务。
四、目前航标管理的现状(技术状况)助航、导航设施的管理走过了一个漫长的发展道路,从十八世纪英国人管理到现在走过了一百多年的发展历程,这里就不多介绍了,因为太长,时间也不允许。
我就简单的给大家介绍一下目前管理的技术状态,应该说,在近十年时间,是航标发展的黄金时期,航标的发展是和国家的改革开放、科学技术的进步紧密结合的,过去我们用的灯器都是依赖进口的,价格很贵,配件少而不及时,给工作带来很大的不便,灯塔主要是人工值守,每天要开、关灯,还要进行日常的维修保养,很多的岛屿只有一两个灯塔工人,没有淡水,没有新鲜蔬菜,没有电视,这些都要靠船舶进行补给,枯燥、寂寞是工人们最大的敌人,特别到了冬季,由于大风和海浪的因素,那些远离大陆的孤岛灯塔值守人员的补给,就成了很大的问题。
国家实行改革开放后,国家的经济实力有了质的飞跃,科学技术也有了很大的发展,随着基础建设投入的加大,灯器的自动化程度也有了一个质的提高,不再需要人工操作,灯器故障会自动发信息到管理人员的手机上,目前多数灯塔已经改为无人值守,特别是一些远离大陆的孤岛灯塔。
科学技术人员发挥自己的聪明才智,研制出了具有自主知识产权的灯器,填补了国家的空白,现在已经开始通过部海事局向全国推广,而这个成绩就是我们烟台航标处的专业技术人员取得的,取得了很好的经济效益和社会效益,目前在航标处的“航标运行中心”可以在屏幕上直观地看到全辖区航标设施的运行情况,全面控制着辖区助航、导航设施的工作情况,毫不夸张地说,航标工作的管理在信息化的道路上已经迈出了可喜的一步。