质量管理人员考核办法
- 格式:docx
- 大小:18.26 KB
- 文档页数:8
质量管理实施细则及考核办法前言在现代企业管理中,质量管理是保证产品或服务质量的关键要素。
一份严谨、系统的质量管理实施细则及考核办法能够为企业质量管理工作提供坚实的支撑和指导,促进质量管理工作的持续改进和精细化发展。
实施细则1.质量管理目标•确定质量管理目标,制定年度质量管理计划,定期督导和评估质量管理工作效果。
•确立全员参与的质量管理理念,增强公司员工的责任心和参与感。
•建立质量保证档案,完善产品质量追溯、统计、分析等各项措施。
2.合同管理•合同管理过程实现全流程质量控制,明确质量责任体系,规范合同各环节的质量控制标准。
•针对合同过程中存在的问题及时采取措施予以整改并反馈,确保问题得到有效解决。
3.设计管理•设计管理过程中实现科学、规范、经济、可行的设计理念和设计方法。
•设计人员必须具备优质的专业素质,熟练掌握设计软件和检验手段,在整个设计过程中严格执行各项设计要求。
4.材料与采购管理•采购前需对供应商进行评估,确保供应商的能力和信誉度。
•采购材料进行严格的抽检,实验室对每批材料进行全面检测。
•确保物料准确、及时、安全地到达现场,并且进行完整记录。
5.生产管理•生产过程中采用“先检验后放行”方式。
•每日对生产情况进行全面监督和记录,并及时反馈信息,确保生产过程具有透明性和可追溯性。
•对生产关键环节的质量进行细致的控制、监督和管理。
6. 测试•对成品进行全面、系统的检验,确保产品质量符合相关标准。
•针对不合格品项给予追溯、退货等措施,对于严重影响工程项目的不合格品必须进行深入分析处理,并加强督导,直到问题得到有效解决。
考核办法恰当的考核办法是保障和促进企业质量管理取得持续发展的关键环节。
本公司建立了如下考核办法:1. 绩效考核公司基于质量管理目标和年度质量管理计划进行绩效考核,发放绩效奖金,并对考核结果进行公示。
2. 模拟考评公司针对各个工作环节起草各自的模拟考评方案,建立完整的考评流程和考评标准,并对考评结果进行分析整理。
质量管理考核办法及实施细则范文一、考核目的质量是企业的生命线,为了提高企业质量管理水平,确保产品和服务的质量,制定质量管理考核办法,对企业的质量管理工作进行全面评估和监督,促进质量管理水平的不断提高。
二、考核范围本考核办法适用于全体员工和各个部门的质量管理工作。
三、考核内容1.质量目标的设定与达成情况:评估企业制定的质量目标,并对实际达成情况进行监测和评价。
2.质量管理体系的运行情况:评估企业的质量管理体系是否完善有效,并对质量管理体系的运行情况进行监督和评估。
3.质量控制措施的执行情况:评估企业质量控制措施的执行情况,包括品质检验、工艺流程控制、不合格品处理等。
4.客户反馈及处理情况:评估企业对客户反馈的处理情况,包括客户投诉处理、问题解决及改进措施的执行情况。
5.质量管理人员的素质与能力:评估质量管理人员的专业知识、技能和管理能力,并对其进行培训和提升。
四、考核方法1.定期进行现场考核:定期组织专业人员对质量管理工作进行现场考核,对现场工作进行检查和记录。
2.开展客户满意度调查:定期组织客户满意度调查,了解客户对产品和服务的评价,以及对质量管理工作的建议和意见。
3.综合评估质量指标:考虑以上的评估内容,综合评估企业的质量管理工作,并进行得分评定。
五、考核结果与奖惩1.考核结果反馈:将考核结果及时反馈给各个部门和员工,以促进质量管理工作的改进。
2.奖励优秀个人和团队:对在质量管理工作中表现优秀的个人和团队进行表彰和奖励。
3.整改措施:对不达标的部门和员工进行整改,并监督其整改情况。
4.处罚措施:对严重违反质量管理规定的部门和员工进行相应的处罚。
六、考核实施细则1.制定考核计划:根据考核周期和内容,制定质量管理考核计划,明确考核的具体时间和方式。
2.考核组织:成立专门的考核组织机构,负责考核的组织、协调和监督工作。
3.评分标准:制定科学合理的评分标准,对每个考核内容进行明确的评分指标和分值设定。
质量管理奖罚考核制度一、背景与目的为了推动企业质量管理工作的持续改进和提高,规范员工行为,确保产品或服务的质量达到最佳水平,订立并实施质量管理奖罚考核制度。
本制度旨在建立起一个激励嘉奖与惩罚管束相结合的考核机制,以提高员工的责任心、团队协作本领和工作效率。
二、考核标准1.质量绩效指标:以产品或服务质量为基础的绩效指标,包括但不限于以下方面:–客户充足度评价:反映客户对产品或服务的充足程度;–产品或服务质量指标:依据产品或服务的特性和标准,订立相应的质量指标;–产品或服务缺陷率:反映产品或服务的质量缺陷情况。
2.工作绩效指标:以员工个人工作表现为基础的绩效指标,包括但不限于以下方面:–工作目标完成情况:依据岗位职责和工作目标,评估员工的工作完成情况;–工作态度与协作本领:评估员工的工作态度、团队协作本领和沟通协调本领;–工作效率与创新本领:评估员工完成工作的效率和创新本领。
三、嘉奖机制1.质量嘉奖:–定期评比优秀团队和员工,在企业内部进行表彰和嘉奖;–嘉奖方式包括但不限于表彰信、奖金、荣誉称号等;–评比标准以质量绩效指标为重要依据,结合工作绩效指标进行综合考评。
2.工作嘉奖:–依据员工的工作表现,进行个人嘉奖的评比;–嘉奖方式包括但不限于奖金、晋升、荣誉称号等;–评比标准以工作绩效指标为重要依据,结合质量绩效指标进行综合考评。
3.团队嘉奖:–嘉奖全体团队对于质量管理工作的突出贡献;–嘉奖方式包括但不限于团队旅游、团队建设经费等;–评比标准以质量绩效指标为重要依据,结合工作绩效指标进行综合考评。
4.特别贡献奖:–对于在质量管理工作中发觉和解决重点问题,提出创新改进方案的员工予以特别嘉奖;–嘉奖方式包括但不限于额外奖金、晋升、荣誉称号等;–评比标准以对企业贡献程度和创新本领为重要依据。
四、惩罚机制1.质量惩罚:–质量缺陷率超过规定指标的,依据情节轻重,实行相应的惩罚措施,包括但不限于罚款、停工整改、降薪、解聘等;–重点质量事故的责任人,追究其法律责任,并依据情节予以相应的纪律处分。
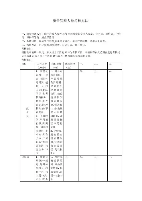
质量管理人员考核办法:一:质量管理人员:除生产线人员外,主要控制质量的专业人员是:技术员、质检员、化验员、原料保管员、成品保管员二:考核目的:检验工作态度,强化岗位责任,保证产品质量,增强质量意识。
三:考核办法:制定细则,量化分数,自评公议,公开奖罚。
考核细则:根据公司的统一规定,本人当月工资的10%为考核工资,本细则即在此范围内进行考核.总分为100分,本人当月工资的10%除以100分即为每分所扣金额。
下面总结范文为赠送的资料不需要的朋友,下载后可以编辑删除!祝各位朋友生活愉快!员工年终工作总结【范文一】201x年就快结束,回首201x年的工作,有硕果累累的喜悦,有与同事协同攻关的艰辛,也有遇到困难和挫折时惆怅,时光过得飞快,不知不觉中,充满希望的201x年就伴随着新年伊始即将临近。
可以说,201x年是公司推进行业改革、拓展市场、持续发展的关键年.现就本年度重要工作情况总结如下:一、虚心学习,努力工作(一)在201x年里,我自觉加强学习,虚心求教释惑,不断理清工作思路,总结工作方法,一方面,干中学、学中干,不断掌握方法积累经验。
我注重以工作任务为牵引,依托工作岗位学习提高,通过观察、摸索、查阅资料和实践锻炼,较快地完成任务。
另一方面,问书本、问同事,不断丰富知识掌握技巧.在各级领导和同事的帮助指导下,不断进步,逐渐摸清了工作中的基本情况,找到了切入点,把握住了工作重点和难点.(二)201x年工程维修主要有:在卫生间后墙贴瓷砖,天花修补,二栋宿舍走廊护栏及宿舍阳台护栏的维修,还有各类大小维修已达几千件之多!(三)爱岗敬业、扎实工作、不怕困难、勇挑重担,热情服务,在本职岗位上发挥出应有的作用二、心系本职工作,认真履行职责,突出工作重点,落实管理目标责任制。
(一)201x年上半年,公司已制定了完善的规程及考勤制度.201x年下半年,行政部组织召开了年的工作安排布置会议年底实行工作目标完成情况考评,将考评结果列入各部门管理人员的年终绩效。
公司质量管理部门员工绩效考核管理规定(范文)公司质量管理部门员工绩效考核管理规定一、目的:为了不断提高产品质量,强化公司全体员工质量意识,要求“人人具有质量意识,个个参与质量管理”,调动员工的工作积极性,明确产品质量的责任。
按“谁生产,谁负责”、“谁检验,谁负责”的原则。
实行每日绩效考核,让你的工作一目了然,有据可依、有章可循。
特制订本管理规定。
二、考核范围和考核人:1、目检员工2、质检(QC)3、车间主任和副主任、组长4.、质量管理部门员工的绩效考核由质量部长(主管)、厂长、生产部长共同考核。
三、考核方法:1、绩效考核直接与工资挂钩。
2、每位员工当天的考核基数,不得超出考核标准值,直到扣完为止。
(行政处罚除外)3、按指定的考核内容的各项分值,合计计算出当天的总分值,可算出当天的考核金额。
4、考核人在下班前十分钟,必须完整填好被考核人的考核内容和分值。
5、现场员工、目检员工、车间主任、副主任、组长、厂长、生产部长等参与双向考核,即拿出当月绩效工资的40%参与质量考核(60%参与现场考核)。
质检员工、质检、质量主管、质量部长,拿当月绩效工资的60%参与质量考核,即,质量绩效部分总额除以当月的实际上班时间(上班天数)得出每天的考核基数。
例如:当月绩效工资600元员工,质检的质量绩效为360元,现场考核240元。
那么质量考核每个上班工作日拿出8元作为一天的质检质量考核标准。
其余的360元作为现场考核的部分。
7、员工的考核的结果报表由公司文员半个月计算一次并收集整理保存、入档。
四、考核细则(质检质量现场):1、机台生产出的产品通过质检检验不合格,质检提示车间主任或者副主任、组长,在5分钟内未进行处理、调整,或者敷衍了事(该清洗模具的、该调整模具等),仍为解决实际问题的、置之不理、拖延时间一次扣1分。
2、新产品或者更换模具调试阶段产品(有油污、破损、黑点、异常、没有吹起来、变形等),没有区别分开,流入到半成品检验区,车间主任(副主任、组长)一次扣1分,目检人员扣2分。
质量管理制度考核办法工作质量是顾客安全和经济效益的前提和保证,各部门员工必须增强质量意识,提高工作效率,牢固树立各项工作以质量第一的思想,加大工作质量管理力度实现严格管理、高质量、盈客户、创效益的目标,特制定工作质量管理实施细则及考核办法。
1.办公室1)保持办公室的清洁卫生,不迟到早退。
发现一次扣____元。
2)所有员工应进行上岗培训和技能培训,培训不足扣____元。
3)在办公室不做与工作无关事情,做好来访人员的接待工作。
发现一次扣____元。
4)做好人员档案的建立和文件管理工作,发现一次扣10~____元。
2.生产车间、班组1)公司设立质量奖励基金,每年____元。
2)各产品质量事故及质量返工的罚款,进入公司质量奖励基金。
3)对一贯重视产品质量的车间、班组,对产品质量有突出贡献的个人(包括质检人员),可由质检人员提出推荐意见,经公司总经理批准,发放质量特别奖____元,并进行表彰。
4)每个分项产品品种,凡一次验收合格者,奖励____元。
5)每个分项产品品种,凡一次验收达到优质产品者,奖励____元。
6)每个分项产品品种,凡二次验收合格者,罚款____元。
7)每个分项产品品种,凡三次验收合格者,罚款____元。
8)以上奖励或罚款在每月结算工资时发扣。
3.操作员工1)不迟到早退,按要求着装,发现一次不合格扣____元。
2)进出入车间,不得吸烟。
发现一次不合格扣____元。
3)在车间内不得做与工作无关事情,不得串岗,不得使物资逆向流转。
发现一次不合格扣____元。
4)生产场所、设备、工器具必须按要求清洗消毒,保持环境卫生。
不得在车间内吃食物、吐痰等。
发现一次不合格扣____元。
5)严格按工艺要求进行生产,并根据技术人员安排做适当调整。
违反一次扣____元,并追究因操作不当引起的损失。
6)按要求对产品进行检验,不得将检验不合格的产品流转。
发现一次不合格扣____元,并追究因操作不当引起的损失。
4.质检员1)按要求对产品进行检验。
管理制度制度编码:质量管理考核办法及实施细则(试行)1. 总则1. 1 目的为确保本组织有能力提供满足顾客和适用的法律法规要求的产品,通过有效运用质量管理体系标准要求,督促公司ISO9001质量管理体系保持有效运行和持续改进并让顾客满意,进一步提高公司的产品质量,强化员工的质量意识,打造特制定本质量管理考核细则。
1.2 适用范围1.2.1 本考核细则适用于公司质量体系内各职能部门和生产单位;1.2.2 适用于对质量体系运行过程中所有产品质量以及与质量管理有关当事人工作行为的考核;1.2.3 按规定进行的新品研发试制、新工艺试验等出现的质量问题,不纳入本质量管理考核范围;1.2.4 如其他考核制度高于本标准的按高标准执行。
1.3 职责1.3.1 技术质量保证部负责本文件的制定和修订,并负责根据公司年度经营目标制定公司质量目标以及实施情况的跟踪、评价和考核;1.3.2 各分厂/部门负责落实、实施公司质量办法,负责质量目标进行分解、实施;1.3.3 责任部门负责质量事故的原因分析和落实整改措施;1.3.4 综合办(人力资源)负责根据公司决定落实对责任部门和责任人的考核;1.3.5 公司主管领导负责争议决定的最终裁定。
1.4 处理流程及要求1.4.1 质量事故报告1.4.1.1 重大质量事故要求发现部门发现后2小时内口头、16小时内书面报告技术质量保证部和公司主管领导。
1.4.1.2 一级、二级和三级质量事故要求发现部门发现后4小时内口头、16小时内书面报技术质量保证部。
(一级质量以下事故的,夜班微信、短信先告知)1.4.1.3 当发生质量事故,发现部门按《不合格品处置单》向技术质量保证部提供书面报告,夜间发生的质量事故发现后4小时内口头(一级质量事故以下微信、短信告知)、次日白班书面报技术质量保证部和相关领导。
1.4.2 质量事故分析1.4.2.1 重大质量事故由公司主管领导主持专题分析会,分析事故发生原因,责任人,确定纠正/预防措施及完成措施时间;技术质量保证部负责会议记录,编写会议纪要,跟踪会议决定事项的落实情况;1.4.2.2 一级和二级质量事故由技术质量保证部负责人主持专题分析会,分析事故发生原因,责任人,确定纠正/预防措施及完成措施时间;技术质量保证部负责会议记录,编写会议纪要,跟踪会议决定事项的落实情况;1.4.2.3 三级质量事故由责任部门领导主持专题分析会,技术质量保证部质量主管参加,分析事故发生原因,责任人,确定纠正/预防措施及完成措施时间;责任部门负责会议记录,编写会议纪要;技术质量保证部跟踪会议决定事项的落实情况;1.4.2.4 四级质量事故由责任部门质量主管主持专题会议会,分析事故发生原因,责任人,确定纠正/预防措施及完成措施时间;责任部门负责会议记录,编写会议纪要;技术质量保证部跟踪会议决定事项的落实情况;1.4.2.5 质量分析会通知到的相关部门的负责人不得无故缺席;1.4.2.6 责任部门3个工作日内拿出原因分析、纠正/预防措施和处罚奖励处理建议报技术质量保证部核定,技术质量保证部每月进行通报。
工程项目质量管理考核办法一、管理目的为进一步加大施工现场质量管控力度,规范公司质量管理行为,全面提升公司质量管理水平,特制定本办法。
本办法适用于司属各项目部专职质量管理人员,包括质量总监、质量主任、质量工程师和见习质量工程师。
直管项目机构负责所属项目专职质量管理人员的日常管理、项目调配、培训和考核,并参与质量管理人员的选聘和奖罚分配。
二、人员职责(1)质量管理人员负责所在项目的质量监督、质量检查、质量整改、质量评价和质量创优等工作,对工程质量不合规行为和结果拥有一票否决权。
(2)项目质量总监岗位职责如下:1、负责对项目质量管理体系的运行、维护、管理。
严格执行有关工程质量的各项法律法规、技术标准、规范及管理制度。
2、监督项目质量管理体系的运行,并向项目经理及时报告运行中出现的问题。
3、保证项目质量管理体系有效运行。
4、监督公司各项质量管理制度在项目的落实。
5、根据项目的质量目标,组织编制项目质量策划或工程质量创优策划。
6、研究解决项目质量缺陷或常见质量问题。
7、组织工程各阶段的内、外部验收工作。
8、组织对项目部人员的质量教育,提高项目部全员的质量意识。
9、组织项目的质量例会、创优推进会。
10、参与质量事故、缺陷的调查。
11、质量管理人员岗位职责如下。
12、监督指导项目部各岗位质量管理职责履行。
13、熟悉施工图设计文件。
14、接受施工组织设计、施工方案交底,了解技术及管理要求。
15、参加对施工作业班组的技术交底,监督工艺、工序质量要求交底到位。
16、依据对班组的技术交底对施工作业面进行质量巡查,必要时旁站监督。
17、协助专业工程师实施对工序质量进行过程控制。
18、参加项目各阶段工程质量验收,编制质量验收资料。
19、会同建设方、监理方对检验批质量进行验收。
20、发现工程质量存在隐患或经检查发现质量不合格时,应立即要求停止施工,并向项目部分管领导报告。
21、参与项目质量事故的调查和处理。
22、编制质量监督工作日志.三、岗位设置项目应设置质量总监。
质量管理制度及考核办法1. 引言质量管理制度是指企业为确保产品和服务的质量,制定和实施的一系列管理规定和程序。
同时,为了评价和监控质量管理制度的有效性,考核办法也是必不可少的。
本文将介绍质量管理制度的重要性,并详细说明质量管理制度的内容和考核办法。
2. 质量管理制度的重要性良好的质量管理制度对企业的发展至关重要。
它能够确保产品和服务的一致性、稳定性和可靠性,提高客户满意度,增强市场竞争力。
此外,质量管理制度还能够规范企业内部运作流程,提高生产效率,降低成本,避免质量问题带来的损失。
3. 质量管理制度的内容质量管理制度应包括以下内容:3.1 质量方针和目标质量方针是企业对质量的基本要求和承诺,目标是企业为实现质量方针而设定的具体目标。
质量方针和目标应明确、具体,并能够为全体员工所理解和接受。
3.2 质量管理责任质量管理责任是指各级管理人员对质量管理工作的义务和责任。
质量管理责任包括制定质量管理制度、组织质量培训、落实质量目标、建立质量改进机制等。
3.3 质量管理体系质量管理体系是指为实现质量目标,通过一系列相互关联的流程、程序和文件所组成的框架。
质量管理体系要涵盖组织结构、工作流程、文件控制、记录管理等方面。
3.4 质量管理流程质量管理流程是贯穿整个产品生命周期的一系列活动,包括质量计划制定、质量检验、质量控制、质量改进等。
质量管理流程要求规范、可操作,并能够持续改进。
3.5 质量培训与意识提升质量培训是为了提高员工的专业知识和技能,培养良好的质量意识和质量责任感。
质量培训应包括质量管理知识、工艺技能、安全知识等方面的内容,并通过培训评估考核培训成效。
3.6 内部质量审核内部质量审核是通过内部审核员对质量管理体系的有效性和符合性进行评估和监控。
内部质量审核应定期进行,及时发现和纠正潜在的问题,确保质量管理体系的有效运行。
4. 质量管理考核办法为了评价质量管理制度的有效性和考核各级管理人员和员工的质量管理能力,需要制定质量管理考核办法。
全面质量管理考核办法一、考核目的全面质量管理考核旨在评估和提高组织在产品或服务质量方面的表现,并通过识别问题和推动改善来优化业务流程。
它不仅能够帮助组织在市场竞争中保持竞争优势,而且能够增强客户对组织的信任和满意度。
二、考核内容1. 管理制度与规程全面质量管理考核涉及组织的管理制度与规程,包括质量手册、程序文件、作业指导书等。
这些文件应当确保组织具备明确的质量目标、工作流程和质量改进措施,并能够有效地跟踪和管理问题和风险。
2. 质量绩效质量绩效是衡量组织质量水平的关键指标。
它可以通过质量指标达成率、客户满意度、产品或服务质量检验合格率等方面来综合评估。
组织应建立科学的绩效评价指标体系,以便能够准确地量化质量绩效。
3. 过程管理过程管理是全面质量管理的核心内容之一。
考核过程管理包括组织对核心工作流程的规划、设计和执行过程的监控。
还需要考核过程的稳定性、可重复性和持续改进能力。
4. 质量控制质量控制是确保产品或服务质量的重要手段。
它涉及到组织的检验、测量、测试和审查活动,以及纠正和预防措施。
质量控制的考核重点在于有效性和实施情况。
5. 质量改进全面质量管理考核还要考察组织的质量改善能力。
这包括组织对质量问题的分析、根本原因的查找、改善措施的制定和执行、并对改善效果进行评估和跟踪。
三、考核方法全面质量管理考核可以采用多种方法和工具,如问卷调查、检查清单、质量审核和业绩评估等。
具体的考核方法可以根据组织的实际情况和需求进行选择和组合。
1. 问卷调查问卷调查是一种有效的考核方法,可以帮助组织了解员工对全面质量管理实施情况的感知和满意度。
问卷问题应当与质量管理相关,覆盖考核内容的各个方面。
2. 检查清单检查清单是一种系统性的审核工具,用于评估组织的质量管理体系运行情况。
它可以帮助发现问题和风险,并提供改进建议。
检查清单可以基于国际或行业标准,也可以根据组织内部的要求进行制定。
3. 质量审核质量审核是一种独立、客观评估组织质量管理体系运行情况的方法。
质量管理考核办法及实施细则范本1. 考核目标1.1 确保公司产品和服务的质量符合国家和行业标准;1.2 提高员工对质量管理的认识和重视程度,促进整体质量管理水平的提升;1.3 发现和解决质量管理中存在的问题,实现质量管理的持续改进。
2. 考核内容2.1 产品质量考核:包括产品外观、功能、性能等指标的检验和测试,以及产品的合格率、不良率等指标;2.2 服务质量考核:包括服务态度、响应时间、解决问题能力等指标的评估;2.3 质量管理制度执行考核:包括质量管理制度的完善程度、执行情况等指标的评估;2.4 内部审计考核:包括对质量管理体系、流程的评估,并提出改进建议;2.5 外部评估考核:包括对公司质量管理体系、产品和服务的第三方评估。
3. 考核方法3.1 抽查:对产品和服务进行随机抽查,进行检验、测试或评估;3.2 样本调查:对产品和服务的样本进行深入调查和评估,包括用户满意度调查等;3.3 内部审计:由专门的内审人员对质量管理制度、流程进行评估;3.4 外部评估:委托第三方机构对公司的质量管理体系、产品和服务进行评估。
4. 考核指标4.1 产品质量考核指标根据产品的具体要求确定,如外观缺陷率、功能缺陷率等;4.2 服务质量考核指标根据服务的具体要求确定,如服务满意度、响应时间等;4.3 质量管理制度执行考核指标包括制度完善程度、执行情况等;4.4 内部审计考核指标包括发现的问题数量和质量管理改进建议数量等;4.5 外部评估考核指标包括通过评估的认证数量、评估结果等。
5. 考核周期和频次5.1 考核周期一般为一年,可根据需要在一定范围内进行调整;5.2 抽查、样本调查等考核方法可以根据需要进行随时进行;5.3 内部审计一般每年进行一次,外部评估可以根据需要进行。
6. 考核结果和奖惩措施6.1 考核结果根据达到的指标和标准进行评估和排名;6.2 达到优秀或良好级别的部门或个人将给予表彰和奖励;6.3 达到不合格或差级别的部门或个人将给予罚款、培训或处罚等相应的惩罚措施;6.4 考核结果将作为绩效考核和激励机制的重要依据。
质量管理考核办法及实施细则前言随着市场竞争的加剧,提高企业质量管理水平已成为企业发展的需要。
质量管理考核是衡量企业质量管理水平的重要手段。
本文将介绍质量管理考核的办法和实施细则。
质量管理考核办法一、考核内容1.产品质量:考核企业生产的产品质量是否符合国家相关标准和企业内部标准。
2.工作流程:考核企业生产、管理和服务等工作流程是否规范、高效。
3.安全生产:考核企业安全生产意识是否强、安全管理制度是否完善。
4.环保情况:考核企业环保意识是否强,生产过程中是否达到环保标准。
二、考核方式1.自查:企业自主进行质量管理考核,对各项考核内容进行自评。
2.第三方考核:聘请第三方考核机构对企业质量管理进行评估。
3.专家评审:邀请有经验的质量管理专家对企业质量管理进行评审。
三、考核标准1.国家相关标准:生产的产品符合国家相关标准。
2.企业内部标准:企业建立内部标准,确保产品质量和工作流程的标准化规范化。
3.安全生产标准:生产中遵守国家和企业内部的安全生产制度,避免安全事故。
4.环保标准:生产过程中对环境的影响达到国家和企业内部要求。
四、考核时间1.年度考核:对企业每年进行一次质量管理考核。
2.随机抽查:每年对企业进行一到两次随机抽查。
质量管理考核实施细则一、自查1.做好准备工作:制定考核计划、明确考核的具体内容、制定考核要求和标准。
2.进行自我评估:企业对自身进行评估,对已有问题进行识别,做出改进计划,并跟踪改进执行情况。
3.形成评估报告:评估报告应包括评估结果、评估及改进建议。
二、第三方考核1.选择考核机构:选择经过认可的、具有一定资质和经验的考核机构进行评估。
2.开展考核:考核机构对企业质量管理进行评估,包括现场考察、资料审核等环节。
3.形成评估报告:评估报告包括企业质量管理状态评估、事实调查和分析挖掘、问题与风险分析、改进建议等内容。
三、专家评审1.确定评审专家:应从具有经验和资格的专家中选派适当人员组成评审小组。
质量管理考核办法及实施细则1. 概述本文旨在制定质量管理考核办法及实施细则,以提高企业质量管理水平,确保产品和服务的质量达到客户的期望。
2. 考核目标质量管理考核的目标是确保产品和服务能够满足客户的需求和期望,并持续提高质量管理水平,提高客户满意度。
3. 考核内容考核内容包括质量管理体系的设立和运行、质量目标的制定和实施、质量绩效的评估和改进等方面。
4. 考核指标(1)质量管理体系的设立和运行a) 是否建立了符合国际标准的质量管理体系,如ISO9001等。
b) 质量管理体系是否得到有效运行,相关流程是否系统化和规范化。
(2)质量目标的制定和实施a) 是否制定了明确的质量目标,目标是否可测量和可追踪。
b) 目标是否与企业战略目标相一致,是否能够反映客户需求和期望。
(3)质量绩效的评估和改进a) 是否对质量绩效进行评估,包括产品质量、服务质量和客户满意度等方面。
b) 是否能够通过评估结果识别问题和不足,制定改进措施并进行跟踪和监控。
5. 考核方法考核方法包括定量指标和定性评价相结合的方式,以全面评估企业的质量管理水平。
(1)定量指标通过设置一些定量指标,如合格率、不良品率、客户满意度指数等,对企业的质量绩效进行评估。
(2)定性评价通过邀请专家组成评审团队,对企业的质量管理体系进行审核和评估,包括文件的完整性、流程的规范性、人员的培训情况等。
6. 考核结果与改进措施(1)考核结果根据考核指标评估结果,对企业质量管理水平进行分类评定,如优秀、良好、一般、不达标等。
(2)改进措施根据考核结果,制定相应的改进措施和行动计划,通过持续改进提高质量管理水平。
7. 考核周期和频次根据企业的具体情况,制定考核周期和频次,一般建议每年至少进行一次质量管理考核。
8. 考核责任和监督质量管理考核由质量管理部门负责组织和实施,相关部门需积极配合,确保考核工作的顺利进行。
9. 考核结果的应用考核结果应及时反馈给相关部门和管理层,作为质量管理决策和改进措施制定的依据,以推动质量管理的持续改进。
质量管理考核办法及实施细则范文一、背景介绍质量管理考核是企业评估和提升质量管理水平的重要手段,通过对质量管理工作的监督、评估和改进,可以促进企业全面提升质量管理水平,增强产品竞争力和市场声誉。
为了规范企业质量管理考核工作,制定合理的考核办法和实施细则,本文针对质量管理考核的目的、内容、程序和要求进行详细阐述。
二、目的质量管理考核的目的是评估企业质量管理工作的实施情况、发现问题和不足,并提出改进措施,促进企业质量管理的持续改进。
通过质量管理考核,可以确保产品和服务符合客户需求和法律法规要求,提高产品质量和市场竞争力,同时增强企业员工的质量意识和责任心。
三、内容质量管理考核的内容包括以下几个方面:1.质量目标的达成情况:评估企业在规定的时间范围内是否达到了质量目标,包括产品质量指标和客户满意度等方面的考核。
2.质量管理体系的运行情况:评估企业质量管理体系的建立和运行情况,包括质量管理文件的编制、培训和沟通的有效性,以及质量管理流程的实施情况等。
3.质量控制和改进活动的实施情况:评估企业质量控制和改进活动的实施情况,包括制定和执行质量控制计划、持续改进措施和纠正预防措施等。
4.质量问题的处理和反馈情况:评估企业对质量问题的处理和反馈能力,包括质量问题的发现、记录、分析和解决情况,以及对客户投诉的处理和回应等。
5.质量管理人员的履职情况:评估质量管理人员在质量管理工作中的履职情况,包括制定和执行质量目标、组织和推动质量改进项目、培训和激励员工等方面的考核。
四、程序质量管理考核的程序包括以下几个步骤:1.确定考核指标和权重:根据质量管理的目标和要求,制定相应的考核指标,并确定每个指标的权重,以反映其重要性和优先级。
2.收集相关数据和信息:收集与考核指标相关的数据和信息,可以通过内部审核、外部评估、质量报告、客户满意度调查等方式获取。
3.评估质量管理工作情况:根据收集到的数据和信息,对质量管理工作进行评估,判断是否达到了预期目标,并发现存在的问题和不足。
质量管理考核办法及实施细则范本第一章总则第一条为了规范企业的质量管理制度,提高全体员工的质量意识和能力,确保产品、服务的质量达标,制定本办法。
第二条本办法适用于我公司的全体员工,包括正式员工、合同工和临时工。
第三条考核内容包括但不限于:产品质量、服务质量、工作绩效、责任意识和团队合作等。
第四条考核周期为一年,具体时间以公司的年度计划为准。
第二章考核方法第五条根据不同的岗位设置不同的考核指标和考核方式。
第六条考核指标分为定量指标和定性指标,根据不同岗位的特点确定。
第七条定量指标可以根据产品的质量、工作绩效等进行量化评定,以数字表示。
第八条定性指标可以根据员工的态度、责任担当等进行评定,以文字描述。
第九条考核方式分为自评、上级评价和同事互评等。
第十条自评是员工根据实际工作情况,针对各项指标进行全面评价。
第十一条上级评价是员工的直接上级对员工的工作情况进行评价,包括考核指标的完成情况、工作态度等。
第十二条同事互评是员工之间相互评价,评价内容包括工作能力、沟通合作等。
第十三条考核结果以综合评定为准,各项指标的权重由公司根据具体情况确定。
第三章考核程序第十四条考核程序包括设定目标、考核准备、评定结果和反馈四个环节。
第十五条设定目标是根据岗位职责和具体工作内容确定考核指标和目标。
第十六条考核准备包括制定自评表、上级评价表和同事互评表,明确考核的时间节点。
第十七条评定结果是根据各项考核指标和员工的自评、上级评价、同事互评等进行综合评定。
第十八条反馈是根据评定结果,对员工的优点和不足进行指导和培训,帮助员工提高。
第四章考核奖惩第十九条根据考核结果,对于绩效优秀的员工,公司进行相应的奖励,包括晋升、加薪、奖金等。
第二十条对于考核不合格的员工,公司进行相应的惩罚,包括警告、降职、甚至解雇等。
第二十一条对于考核合格但有进步空间的员工,公司提供相应的培训机会,帮助员工进一步提高。
第五章评价与改进第二十二条评价是对本办法的实施效果进行评估,包括考核结果的准确性和员工对本办法的满意度等。
2023年质量管理考核办法及实施细则____年质量管理考核办法及实施细则第一章总则第一条为了进一步加强质量管理工作,提高产品或服务质量,确保企业可持续发展,特制定本办法。
第二条本办法适用于所有参与质量管理工作的企业及其员工。
第三条质量管理的主要目标是:通过规范化、标准化和持续改进的方法,提高产品或服务质量,满足客户需求,保持和增强企业的竞争力。
第四条质量管理考核的原则是客观、公正、公开、透明。
第五条质量管理考核的内容主要包括:质量体系建设、质量目标实现、流程管控、问题处理、质量培训、质量改进等几个方面。
第六条质量管理考核的要求是:要求处于不同层次的企业、不同阶段的发展,进行相应的考核,达到评估结果与实际质量管理水平相匹配。
第七条质量管理考核的结果将作为企业绩效评价、人员晋升、激励机制等方面的重要依据。
第二章考核内容第八条质量体系建设考核内容主要包括:制定和执行质量管理制度、建立质量目标、流程和标准,组织内部审核和管理评审等。
第九条质量目标实现考核内容主要包括:制定质量目标、指标和计划,落实到各个部门和岗位,进行监测和评估。
第十条流程管控考核内容主要包括:制定和优化各个业务流程,建立流程控制点和关键控制环节,保障产品或服务质量。
第十一条问题处理考核内容主要包括:及时响应和处理客户投诉、意见和建议,分析问题原因、制定改进措施,确保问题不再重复发生。
第十二条质量培训考核内容主要包括:制定培训计划、开展培训活动,提升员工的专业知识和技能,增强质量意识和质量责任感。
第十三条质量改进考核内容主要包括:通过持续改进的方法,提高产品或服务质量,降低成本,增加市场份额,提升企业竞争力。
第三章考核流程第十四条质量管理考核由企业内部的质量管理部门负责组织实施。
第十五条考核周期为一年,从每年的1月1日开始,到12月31日结束。
第十六条考核分为自评和审核两个阶段。
第十七条自评阶段包括:企业内部各部门根据考核指标,对自身质量管理工作进行自我评估,形成自评报告。
质量管理人员考核办法:一:质量管理人员:除生产线人员外,主要控制质量的专业人员是:技术员、质检员、化验员、原料保管员、成品保管员二:考核目的:检验工作态度,强化岗位责任,保证产品质量,增强质量意识。
三:考核办法:制定细则,量化分数,自评公议,公开奖罚。
考核细则:根据公司的统一规定,本人当月工资的10%为考核工资,本细则即在此范围内进行考核。
总分为100分,本人当月工资的10%除以100分即为每分所扣金额。
考核细则:下面总结范文为赠送的资料不需要的朋友,下载后可以编辑删除!祝各位朋友生活愉快!员工年终工作总结【范文一】201x年就快结束,回首201x年的工作,有硕果累累的喜悦,有与同事协同攻关的艰辛,也有遇到困难和挫折时惆怅,时光过得飞快,不知不觉中,充满希望的201x年就伴随着新年伊始即将临近。
可以说,201x年是公司推进行业改革、拓展市场、持续发展的关键年。
现就本年度重要工作情况总结如下:(一)在201x年里,我自觉加强学习,虚心求教释惑,不断理清工作思路,总结工作方法,一方面,干中学、学中干,不断掌握方法积累经验。
我注重以工作任务为牵引,依托工作岗位学习提高,通过观察、摸索、查阅资料和实践锻炼,较快地完成任务。
另一方面,问书本、问同事,不断丰富知识掌握技巧。
在各级领导和同事的帮助指导下,不断进步,逐渐摸清了工作中的基本情况,找到了切入点,把握住了工作重点和难点。
(二)201x年工程维修主要有:在卫生间后墙贴瓷砖,天花修补,二栋宿舍走廊护栏及宿舍阳台护栏的维修,还有各类大小维修已达几千件之多!(三)爱岗敬业、扎实工作、不怕困难、勇挑重担,热情服务,在本职岗位上发挥出应有的作用二、心系本职工作,认真履行职责,突岀工作重点,落实管理目标责任制。
(一)201x年上半年,公司已制定了完善的规程及考勤制度。
201x年下半年,行政部组织召开了年的工作安排布置会议年底实行工作目标完成情况考评,将考评结果列入各部门管理人员的年终绩效。
在工作目标落实过程中宿舍管理完善工作制度,有力地促进了管理水平的整体提升。
(二)对清洁工每周不定期检查评分,对好的奖励,差的处罚。
(三)做好固定资产管理工作要求负责宿舍固定资产管理,对固定资产的监督、管理、维修和使用维护。
(四)加强组织领导,切实落实消防工作责任制,为全面贯彻落实预防为主、防消结合” 的方针,公司消防安全工作在上级领导下,建立了消防安全检查制度,从而推动消防安全各项工作有效的开展。
在安防工作这两年来,完成了一些工作,取得了一定成绩,总结起来有以下几个方面的经验和收获:(四)只有树立服务意识,加强沟通协调,才能把分内的工作做好。
(五)要加强与员工的交流,要与员工做好沟通,解决员工工作上的情绪问题,要与员工进行思想交流。
四、加强检查,及时整改,在工作中正确认识自己。
(一)开展常规检查。
把安全教育工作作为重点检查内容之一。
冬季公司对电线和宿舍区进行防火安全检查。
(二)经过这样紧张有序的一年,我感觉自己工作技能上了一个新台阶,做每一项工作都有了明确的计划和步骤,行动有了方向,工作有了目标,心中真正有了底!基本做到了忙而不乱,紧而不散,条理清楚,事事分明,从根本上摆脱了刚参加工作时只顾埋头苦干,不知总结经验的现象。
就这样,我从无限繁忙中走进这一年,又从无限轻松中走岀这一年,还有,在工作的同时,我还明白了为人处事的道理,也明白了,一个良好的心态、一份对工作的热诚及其相形之下的责任心是如何重要(三)总结下来:在这一年的工作中接触到了许多新事物、产生了许多新问题,也学习到了许多新知识、新经验,使自己在思想认识和工作能力上有了新的提高和进一步的完善。
在日常的工作中,我时刻要求自己从实际岀发,坚持高标准、严要求,力求做到业务素质和道德素质双提高。
五、要定期召开工作会议,兼听下面员工的意见,敢于荐举贤才,总结工作成绩与问题,及时采取对策!六、存在的不足总的来看,还存在不足的地方,还存在一些亟待我们解决的问题,主要表现在以下几个方面:1、对新的东西学习不够,工作上往往凭经验办事,凭以往的工作套路处理问题,表现岀工作上的大胆创新不够。
2、本部有个别员工,骄傲情绪较高,工作上我行我素,自已为是,公司的制度公开不遵守,在同事之间挑拨是非,嘲讽,冷语,这些情况不利于同事之间的团结,要从思想上加以教育或处罚,为企业创造良好的工作环境和形象。
3、宿舍偷盗事件的发生,虽然我们做了不少工作,门窗加固,与其公司及员工宣传提高自我防范意识,但这还不能解决根本问题,后来引起上级领导的重视,现在工业园已安装了高清视频监控系统,这样就能更好的预防被盗事件的发生。
针对201x年工作中存在的不足,为了做好新一年的工作,突出做好以下几个方面:(三)加强基础工作建设,强化管理的创新实践,促进管理水平的提升。
在今后的工作中要不断创新,及时与员工进行沟通,向广大员工宣传公司管理的相关规定,提高员工们的安全意识,同时在安全管理方面要严格要求自己,为广大公司员工做好模范带头作用。
在明年的工作中,我会继续努力,多向领导汇报自己在工作中的思想和感受,及时纠正和弥补自身的不足和缺陷。
我们的工作要团结才有力量,要合作才会成功,才能把我们的工作推向前进!我相信:在上级的正确领导下,cssm 大安防的明天更美好!员工年终工作总结【范文二】一个人静静的站在窗边,看着路上一辆辆行驶的车辆,不由的想起了以前。
转瞬间来到红牛已经一年多了,有过开心与欢乐,悲伤与泪水,还有坎坷。
XX,崭新的一年,而现在已经过去了半年,在这半年里我又学到了很多的知识。
在这半年的工作中我学到了许多平时学不到的岗位知识,尤其这几次停机时跟着设备维修人员一起检修设备时又让我对设备的工作原理有了更深了解,从而使我提高了岗位操作技能,更重要的是,在处理故障的同时,我能够熟练的将学到的新知识与操作技能相结合,减少了处理故障的时间,提高了处理故障的能力。
同时也还存在着许多的不足与缺点。
存在的不足与缺点:1在岗位岀现较大的故障时有些手足无措心里还有些急躁,如果长时间没处理好的话心里还来气。
2缺乏较好的工作方法,同样的一件事看别人做起来时觉得挺轻松,当轮到自己做的时候不但没做太好而且还累的满头大汗。
3 口语表达能力较差,在岗位之间的沟通或者是和伙伴们聊天的时候自己心里想的意思总是不能用理想的语句表达岀来。
下半年的目标:在今后的日子里,争取把自己不足的地方弥补回来,多加学习以提高自己的综合能力,上班时调整好自己的心态,多加认真,争取以零失误来回报公司对我的培养。
最后,中心的祝愿公司的明天会更加的灿烂辉煌。
员工年终工作总结【范文三】时光荏苒,XX年年很快就要过去了,回首过去的一年,内心不禁感慨万千……时间如梭,转眼间又将跨过一个年度之坎,回首望,虽没有轰轰烈烈的战果,但也算经历了一段不平凡的考验和磨砺。
非常感谢公司给我这个成长的平台,令我在工作中不断的学习,不断的进步,慢慢的提升自身的素质与才能,回首过往,公司陪伴我走过人生很重要的一个阶段,使我懂得了很多,领导对我的支持与关爱,令我明白到人间的温情,在此我向公司的领导以及全体同事表示最衷心的感谢,有你们的协助才能使我在工作中更加的得心应手,也因为有你们的帮助,才能令到公司的发展更上一个台阶,在工作上,围绕公司的中心工作,对照相关标准,严以律己,较好的完成各项工作任务。
在作风上,能遵章守纪、团结同事、务真求实、乐观上进,始终保持严谨认真的工作态度和一丝不苟的工作作风,勤勤恳恳,任劳任怨。
在生活中发扬艰苦朴素、勤俭耐劳、乐于助人的优良传统,始终做到老老实实做人,勤勤恳恳做事,勤劳简朴的生活,严格要求自己,在任何时候都要起到模范带头作用。
今后努力的方向:随着公司各项制度的实行,可以预料我们的工作将更加繁重,要求也更高,需掌握的知识也更高更广。
为此,我将更加勤奋的工作,刻苦的学习,努力提高文化素质和各种工作技能,为公司做岀应有的贡献。
即将过去的这一年,在公司领导及各部门经理的正确领导与协助下,我们的工作着重于公司的经营方针、宗旨和效益目标上,紧紧围绕重点展开工作,在紧张的工作之余,加强团队建设,打造一个业务全面,工作热情高涨的团队。
作为一个管理者,对下属充分做到察人之长、用人之长、聚人之长、展人之长”,充分发挥他们的主观能动性及工作积极性。
提高团队的整体素质,树立起开拓创新、务实高效的部门新形象。
我充分认识到自己既是一个管理者,更是一个执行者。
要想带好一个团队,除了熟悉业务外,还需要负责具体的工作及业务,首先要以身作则,这样才能保证在人员偏紧的情况下,大家都能够主动承担工作。
一、严于律已,自觉加强党性锻炼,党性修养和政治思想觉悟进一步提高一年来,我始终坚持运用马克思列宁主义的立场、观点和方法论,运用辩证唯物主义与历史唯物主义去分析和观察事物,明辨是非,坚持真理,坚持正确的世界观、人生观、价值观,用正确的世界观、人生观、价值观指导自己的学习、工作和生活实践,在思想上积极构筑抵御资产阶级民主和自由化、拜金主义、自由主义等一切腐朽思想侵蚀的坚固防线。
热爱祖国,热爱中国共产党,热爱社会主义,拥护领导的管理思想,坚信社会主义最终必然战胜资本主义,对社会主义充满必胜的信心。
认真贯彻执行党的路线、方针、政策,为加快社会主义建设事业认真做好本职工作。
工作积极主动,勤奋努力,不畏艰难,尽职尽责,在平凡的工作岗位上作岀力所能及的贡献。
二、强化理论和业务学习,不断提高自身综合素质我重视加强理论和业务知识学习,在工作中,坚持一边工作一边学习,不断提高自身综合素质水平。
(1)是认真学习三个代表”重要思想,深刻领会三个代表”重要思想的科学内涵,增强自己实践三个代表”重要思想的自觉性和坚定性;认真学习党的十六大报告及十六届三中、四中全会精神,自觉坚持以党的十六大为指导,为进一步加快完善社会主义市场经济体制,全面建设小康社会作岀自己的努力。
(2)是认真学习工作业务知识,重点学习公文写作及公文处理和计算机知识。
在学习方法上做到在重点中找重点,抓住重点,并结合自己在公文写作及公文处理、计算机知识方面存在哪些不足之处,有针对性地进行学习,不断提高自己的办公室业务工作能力。
(3)是认真学习法律知识,结合自己工作实际特点,利用闲余时间,选择性地开展学习,学习了《中华人民共和国森林法》、《森林防火条例》、《中华人民共和国土地管理法》、《广西壮族自治区土地山林水利权属纠纷调解处理条例》、通过学习,进一步增强法制意识和法制观念。
三、努力工作,按时完成工作任务一年来,我始终坚持严格要求自己,勤奋努力,时刻牢记公司制度,全心全意为公司创造利益的宗旨,努力实践公悸非逦计划性、前瞻性、领导性强;开拓进取,经常提岀合理化建议并获采纳,完成较重的本职工作任务和领导交办的其它工作;讲究工作方法,效率较高;能按时或提前完成领导交办的工作,工作成绩比较突岀,效果良好。