桩基静载实验检测记录表格
- 格式:doc
- 大小:150.50 KB
- 文档页数:4
单桩竖向抗压静载检测报告附录一、工程地质概况1.杂填土: 松散-稍密, 稍湿, 层厚1.60~6.40m;2.淤泥: 流塑, 饱和, 层厚8.20~15.30m;3.粉质粘土: 饱和, 可塑—硬塑, 含少量粉细砂, 层厚4.0~13.30m;3.1淤泥质土层: 饱和, 流塑—软塑, 平均厚度4.75 m;4.中砂层: 中密, 局部密实, 饱和, 厚度0.0~5.60m;5.淤泥质土层: 饱和, 流塑, 局部地段相变为淤泥, 层厚1.40~11.30m;6、卵石: 饱和, 一般为中密, 局部稍密, 密实, 层厚1.0~5.80m;7、残积砂质粘性土:饱和, 可塑-硬塑, 为中粒花岗岩的风化产物, 层厚0.00~7.40m;7-1.辉长岩残积粘性土: 层厚0.00~4.60m;8、全风化花岗岩: 中粒结构, 散体状结构, 层厚0.0~11.10m;9、砂土状强风化花岗岩: 中粒结构, 散体状结构, 层厚0.80~14.30m;9、1砂土状强风化辉长岩: 坚硬, 辉长结构, 层厚0.0~7.40m;10、碎块状强风化花岗岩: 中粒结构, 碎块状构造, 该层揭露厚度0.80~18.80m;10、1碎块状强风化辉长岩:。
辉长结构, 碎块状构造, 该层揭露厚度0.00~9.35m;11.中风化花岗岩: 揭露厚度0.99~4.55m;11、1中风化辉长岩: 揭露厚度3.84~5.50m。
试桩位置附近参考地质剖面图和平面位置图见附图, 试桩有关参数见表1。
二、检测方法及仪器设备静载试验按照国家行业标准《建筑基桩检测技术规范》(JGJ106 -2003)的有关规定进行, 试验静荷载由安装在桩顶的油压千斤顶进行逐级加荷, 千斤顶所需的反力由混凝土预制块压重平台承担。
千斤顶编号为: 0809925 和0809926 ,数字压力计编号为: 080515, 检定日期匀为: 2008年10月09日;桩顶沉降由对称方向安装的位移传感器测读, 位移传感器编号为: 2180和2186, 检定日期均为: 2008年10月09日。
试验桩桩基检测方案报审表项目名称:***项目编号:***项目试验桩桩基检测方案批准:审核:编写:年月日***建设第一工程有限公司二零二三年一月目录1、检测内容及目的 (1)2、检测依据 (1)3、检测抽样及依据 (1)4、工程概况 (1)5、组织机构人员及分工 (1)6、计划检测时间 (1)7、检测设备 (2)8、检测流程及方法 (2)8.1 检测流程 (2)8.2 单桩竖向抗压静载试验 (3)8.2.1检测试验装置 (3)8.2.2 测试前期准备 (3)8.2.3 试验操作步骤 (6)8.2.4 资料分析 (9)8.2.5成果报告 (9)8.3 单桩竖向抗拔静载试验 (9)8.3.1检测试验装置 (9)8.3.2 测试前期准备 (10)8.3.3 试验操作步骤 (10)8.3.4 资料分析 (12)8.3.5成果报告 (12)8.4 单桩水平静载试验 (13)8.4.1检测试验装置 (13)8.4.2 测试前期准备 (13)8.4.3 试验操作步骤 (13)8.4.4 资料分析 (16)8.4.5成果报告 (16)1、检测内容及目的通过对本工程基桩进行单桩竖向抗压静载试验确定基桩抗压承载力;通过对本工程基桩进行单桩竖向抗拔静载试验确定基桩抗拔承载力;通过对本工程基桩进行单桩水平静载试验确定基桩水平承载力。
2、检测依据(1)《建筑基桩检测技术规范》(JGJ106-2014)(2)执行项目建设期间国家颁布并实施的相关检测规范、规程、标准等;3、检测抽样及依据依据相关检测规范规定及建设方要求。
本工程共对2根试桩进行单桩竖向抗压静载试验;2根试桩进行单桩竖向抗拔静载试验;2根试桩进行单桩水平静载试验。
4、工程概况本工程计划***。
根据1:400万《中国地震动参数区划图》(GB18306-2015),光伏电站所在工程区50年超概率10%的地震动峰值加速度为0.15g,相应的地震基本烈度为Ⅶ度。
场地处于区域构造相对稳定地段,无影响场地稳定的不良地质现象,场地稳定,适宜建设。
受控编号:HBSD/MS-D77-2011检测报告编号:E-11-39-1工程名称:东光县东光镇张汪村旧城改造6#楼复合地基检测委托单位:河北恒东房地产开发有限公司建设单位:河北恒东房地产开发有限公司设计单位:中铁工程设计院有限公司施工单位:德州市拓实基础工程有限公司监理单位:东光县城建局监理公司检测单位:河北四达工程检测有限公司二○一一年十月十三日声明1、本检测报告无我单位检测专用章和计量认证专用章无效。
2、本检测报告无骑缝章无效。
3、本检测报告涂改、换页、漏页无效。
4、本检测报告无检测、审核、批准人签字无效。
5、对本检测报告若有异议或需要说明之处,应于收到报告之日起十五日内向我单位书面提出,本单位将给予及时的解释或答复。
检测单位:河北四达工程检测有限公司单位地址:河北省石家庄市兴苑街53号邮政编码:050021联系电话:(0311)85912349工程编号:E-11-39-1批准:审核:工程负责:1.工程概况东光县东光镇张汪村旧城改造6#楼工程位于东光县城,拟建建筑物为18层住宅楼,结构类型为框架结构,基础型式采用筏板基础。
本工程天然地基承载力不能满足设计要求,采用长螺旋钻孔泵压混凝土桩进行地基处理。
该复合地基共设计基桩502根,均匀布置,局部有所调整,设计桩长20m,桩端持力层为第六层粉质粘土,设计桩径400mm,桩间距1.35×1.35m,面积置换率6.7%,桩身混凝土设计强度C20,复合地基承载力特征值为350kPa,单桩竖向抗压承载力特征值为540kN,成桩日期为2011年7月6日至8月17日。
受河北恒东房地产开发有限公司委托,河北四达工程检测有限公司承担了该项目的复合地基检测任务。
检测时间为2011年9月01日至10月10日,检测时天气晴朗、干燥,温度为15~30℃,共完成低应变法检测基桩502根,复合地基载荷试验3组,单桩竖向抗压静载试验3组,全部受检基桩由建设单位、监理单位和检测单位于9月5日根据场地情况和施工条件随即抽取,受检基桩强度满足规范要求,桩头完整,无浮浆、松散部分,受检基桩位置见“东光县东光镇张汪村旧城改造6#楼检测点平面布置图”(附图1)。
文件编号:作业指导书(桩基承载力试验检测/检查)编写:日期:审核:日期:批准:日期:受控状态:持有者姓名:分发号:持有者部门:目录1开展项目 (3)2依据文件 (3)3主要仪器设备 (3)4操作规程 (3)5试验/检测的工作程序 (5)6安全注意事项 (10)7数据处理 (10)8测量不确定度 (14)9原始记录表格 (27)1.开展项目1.1适用于检测单桩的竖向抗压承载能力。
1.2当埋设有测量桩身应力、应变、桩底反力的传感器或位移杆时,可测定桩的分层侧阻力和端阻力或桩身截面的位移量。
1.3为设计提供依据的试验桩,应加载至破坏;当桩的承载力以桩身强度控制时,可按设计要求的加载量进行。
1.4对工程桩抽样检测时,加载量不应小于设计要求的单桩承载力特征值的2.0倍。
2.依据文件《建筑基桩检测技术规范》(JGJ106-2003);《公路桥涵地基与基础设计规范》(JTG D63-2007);《建筑桩基技术规范》(JGJ94-2008)。
3.主要仪器设备3.1主要检测设备主要检测设备3.2配套设备吊车、千斤顶、油泵等。
4.操作规程4.1加载装置的操作4.1.1千斤顶的率定千斤顶应委托有资质的试验单位进行率定,所用油管。
油表应与率定时相同,根据率定的报告单,绘制油压表与荷载吨位的O.P曲线图,并保证各台千斤顶的O.P曲线图一致。
4.1.2现场千斤顶的安装(1)在试桩桩顶上均匀铺放一层细砂;(2)吊车将刚性垫块摆放在桩顶上,使垫块几何中心与桩轴心重合;(3)将千斤顶对称均匀的摆放在刚性垫块上,几何中心(合力中心)通过桩轴线;(4)将油管连接到千斤顶上,并接到分油器上;(5)将刚性垫块对称摆放在千斤顶上。
4.1.3试压。
4.2反力架系统的操作4.2.1刚性垫块对中安装;4.2.2主梁安装先搭设衬架,将主梁依次吊装到衬架上,调整各主梁的位置,使之对称于桩轴心。
4.2.3次梁安装将次梁依次吊装到主梁上,调整次梁位置于锚桩的正上方。
附录C 桩基静载试验(补充件)C1 桩基静载试验一般规定C1.1 灌注桩基静载试验目的在于确定桩的承载力,取得桩基设计参数,检验成桩工艺的合理性,以便经济合理地确定桩径、桩长、改进桩的设计,改进和完善成桩工艺和机具。
C1.2 载荷试验分鉴定性试验和破坏性试验。
鉴定性试验一般在工程桩上进行,检验工程桩的承载能力和成桩质量是否满足设计要求。
破坏性试验在专供破坏试验的桩上进行,主要是为工程设计提供依据。
C1.3 桩基载荷试验分垂直静载试验和水平静载试验两种。
水平静载试验可利用垂直静载后(未破坏)的桩进行,不得用工程桩作水平静载试验。
C2 试验设备和观测器材C2.1试验设备与观测器材应具备良好的重复操作与指示性能,在恒压下稳定性好,符合所测量的物理量的分级和量程要求。
试验设备和观测器材应妥善维护保养、防止损坏、受潮。
使用前应对各部件进行检查、调试校正,严禁违章拆卸精密贵重仪器。
C2.2 试验主要加载设备为液压千斤顶及油泵。
根据实际加载的需要选择适当吨位的千斤顶。
一般千斤顶的工作吨位宜为桩的最大加载量或破坏荷载的1.2~1.5倍,千斤顶的有效顶升高度不得小于150mm。
油泵应具有良好的密封性能,不得有漏油而造成泄压现象。
应尽量选配刻度划分较细,换算方便,指针指示平衡,精度为0.4级左右,压力误差在±5%以内的压力表。
油压表的量程和最小刻度值应满足千斤顶工作吨位所需压力和最小分级荷载的压力测读与吨位换算。
油泵可选用手动或电动油泵。
液压油一般为10号、20号机油,锭子油或刹车油等,可根据试验时的气温及加载时的工作油温选用。
使用前千斤顶、油泵、油压表,百分表均须送到当地标准计量部门进行标定。
C2.3 垂直试验加载方式有:锚桩反力梁加载、堆重加载或锚桩反力梁与推重联合加载。
C2.3.1 锚桩一般采用钢杆锚桩或钢筋混凝土锚桩,反力梁采用常备式钢梁、工字钢叠合梁或现浇钢筋混凝土梁。
选择时,安全系数不得小于1.5,强度和刚度在最大承重时不发生屈服变形破坏。
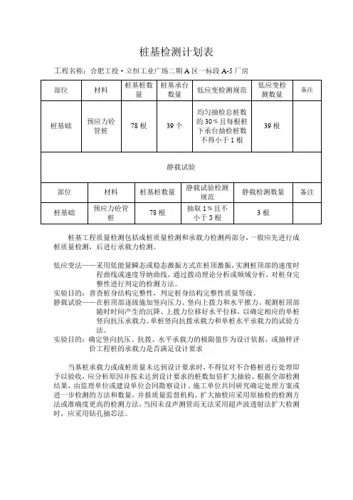
桩基检测计划表
工程名称:合肥工投·立恒工业广场二期A区一标段A-5厂房
桩基工程质量检测包括成桩质量检测和承载力检测两部分,一般应先进行成桩质量检测,后进行承载力检测。
低应变法——采用低能量瞬态或稳态激振方式在桩顶激振,实测桩顶部的速度时程曲线或速度导纳曲线,通过拨动理论分析或频域分析,对桩身完
整性进行判定的检测方法。
实验目的:普查桩身结构完整性,判定桩身结构完整性质量等级。
静载试验——在桩顶部逐级施加竖向压力、竖向上拨力和水平推力、观测桩顶部随时时间产生的沉降、上拨力位移好水平位移,以确定相应的单桩
竖向抗压承载力、单桩竖向抗拨承载力和单桩水平承载力的试验方
法。
实验目的:确定竖向抗压、抗拨、水平承载力的极限值作为设计依据,或抽样评价工程桩的承载力是否满足设计要求
当基桩承载力或成桩质量未达到设计要求时,不得仅对不合格桩进行处理即予以验收,应分析原因并按未达到设计要求的桩数加倍扩大抽验、根据全部检测结果,由监理单位或建设单位会同勘察设计、施工单位共同研究确定处理方案或进一步检测的方法和数量,并报质量监督机构、扩大抽检应采用原抽检的检测方法或准确度更高的检测方法,当因未设声测管而无法采用超声波透射法扩大检测时,应采用钻孔抽芯法。
省公路工程试验检测中心有限公司标准化作业指导书(结构所)受控状态:发放编号:持有人:发布日期:2019年月日实施日期:2019年月日省公路工程试验检测中心有限公司标准化作业指导书(结构所)批准:审核人:主要参加编写人员:省公路工程试验检测中心有限公司基桩承载力(单桩竖向抗压静载试验)标准化作业指导书一、依据的检测标准及技术要求《建筑基桩检测技术规范》(JGJ 106-2014)二、适用范围适用于检测单桩的竖向抗压承载力。
三、试验目的单桩竖向抗压静载试验的目的分为两种情况:3.1 对于为设计提供依据的试验桩,试验目的是得到极限(破坏)状态下单桩竖向抗压极限承载力;3.2 对于工程桩验收检测,试验的目的是评价受检桩的单桩竖向抗压承载力是否满足设计要求。
四、试验原理单桩竖向抗压静载试验是在桩顶部逐级施加竖向压力,观测桩顶部随时间产生的沉降,观察受检基桩在沉降过程中的的受荷状态,使用仪器按照规范要求采集数据并得到荷载-沉降(Q-s)曲线、沉降-时间对数(s-lgt)曲线等参数,采用一定的方法(规范、规程规定)分析、评价单桩竖向抗压承载力水平,它是目前最可靠且应用最广泛的方法。
反力装置采用压重平台反力装置,试验装置示意见下图4.1所示。
图4.1 单桩竖向抗压静载试验装置示意图五、仪器设备本公司采用武汉岩海RS-JYC静载测试仪进行数据采取,各试验设备见表5.1。
表5.1 试验设备一览表5.1 加荷系统单桩竖向抗压静载试验的加载设备采用液压式千斤顶,其加载能力不得小于最大试验加载量的1.2倍。
加荷系统一般由液压千斤顶、油泵、压力传感器、高压油管、多通等组成。
压力传感器要按计量部门的要求,定期率定方可使用。
当采用两台或两台以上千斤顶加载时,应并联同步工作,且符合下列规定:5.1.1 采用的千斤顶型号、规格应相同;5.1.2 千斤顶的合力中心应与受检桩的横截面形心重合。
5.2 荷载测量荷载测量可用放置在千斤顶上的荷重传感器直接测定。
钻孔桩桩基静载试验要求来源:作者:发布时间:2007-5-16 18:54:46 点击:653钻孔桩桩基静载试验要求C1 桩基静载试验一般规定C1.1 灌注桩基静载试验目的在于确定桩的承载力,取得桩基设计参数,检验成桩工艺的合理性,以便经济合理地确定桩径、桩长、改进桩的设计,改进和完善成桩工艺和机具。
C1.2 载荷试验分鉴定性试验和破坏性试验。
鉴定性试验一般在工程桩上进行,检验工程桩的承载能力和成桩质量是否满足设计要求。
破坏性试验在专供破坏试验的桩上进行,主要是为工程设计提供依据。
C1.3 桩基载荷试验分垂直静载试验和水平静载试验两种。
水平静载试验可利用垂直静载后(未破坏)的桩进行,不得用工程桩作水平静载试验。
C2 试验设备和观测器材C2.1试验设备与观测器材应具备良好的重复操作与指示性能,在恒压下稳定性好,符合所测量的物理量的分级和量程要求。
试验设备和观测器材应妥善维护保养、防止损坏、受潮。
使用前应对各部件进行检查、调试校正,严禁违章拆卸精密贵重仪器。
C2.2 试验主要加载设备为液压千斤顶及油泵。
根据实际加载的需要选择适当吨位的千斤顶。
一般千斤顶的工作吨位宜为桩的最大加载量或破坏荷载的1.2~1.5倍,千斤顶的有效顶升高度不得小于150mm。
油泵应具有良好的密封性能,不得有漏油而造成泄压现象。
应尽量选配刻度划分较细,换算方便,指针指示平衡,精度为0.4级左右,压力误差在±5%以内的压力表。
油压表的量程和最小刻度值应满足千斤顶工作吨位所需压力和最小分级荷载的压力测读与吨位换算。
油泵可选用手动或电动油泵。
液压油一般为10号、20号机油,锭子油或刹车油等,可根据试验时的气温及加载时的工作油温选用。
使用前千斤顶、油泵、油压表,百分表均须送到当地标准计量部门进行标定。
C2.3 垂直试验加载方式有:锚桩反力梁加载、堆重加载或锚桩反力梁与推重联合加载。
C2.3.1 锚桩一般采用钢杆锚桩或钢筋混凝土锚桩,反力梁采用常备式钢梁、工字钢叠合梁或现浇钢筋混凝土梁。
检测报告工程名称:建设单位名称:工程地址:检测日期检测性质:XX交大工程项目管理XX报告日期:20XX年XX月XX日XXX静载试验检测报告主要检测人:报告编写人:审核人:批准人:声明1、检测报告无检测专用章、检测报告专用章与检测单位公章无效。
2、检测报告无审核、批准人签字无效。
3、复制检测报告未重新签章无效。
4、检测报告涂改、换页、无骑缝章无效。
5、对检测报告若有异议,应于收到报告之日起十五日内向检测单位提出。
6、本检测报告共XX页。
检测单位:XX交大工程项目管理XX单位地址:XX市金牛区交大路203号千佳大厦6楼〔〕:028-xxxxxxxx〔xxxxxxxx〕邮政编码:610031目录一、工程概况二、执行标准与依据三、工程地质概况四、现场检测4.1、试验点位4.2、检测方法4.3、设备列表五、试验资料整理与分析六、检测结论七、附录图表一、工程概况工程概况表表1我公司受XXXX的委托,于20XX年XX月XX日~XX月XX日对XXX工程进行单桩竖向抗压静载试验检测。
检测目的:采用单桩竖向抗压静载试验检测单桩竖向抗压承载力特征值是否满足设计要求。
二、执行标准与依据执行标准:1、《建筑基桩检测技术规X》〔JGJ 106-2014〕;2、《建筑地基基础工程施工质量验收规X》〔GB 50202-2002〕;3、《XX省建筑地基基础检测技术规程》〔DBJ51/T014-2013〕。
试验依据:1、《XXX工程岩土工程勘察报告》;2、委托方提供的设计、施工等相关资料。
三、工程地质概况四、现场检测4.1、试验点位根据相关规X并应委托方要求:抽取总桩数的1%且不少于3根桩进行单桩竖向抗压静载试验检测。
本工程总桩数共XXX根,抽取X根桩进行单桩竖向抗压静载试验,试验点位由甲方、设计与监理等单位共同选定,检测点位平面布置示意图详见附录二。
4.2、检测方法单桩竖向抗压静载试验4.2.1仪器设备与其安装本次单桩竖向抗压静载试验采用压重平台反力装置,配重采用2.5T/个标准砼荷载块;反力横梁由主梁和副梁组成,均采用工字形钢梁;荷载由油压千斤顶施加,荷载大小由准确度为0.4级的油压表 (或压力传感器〕量测;试验点的沉降量由安装在离桩顶平面200mm下的2只精度为0.01mm 的百分表〔或位移传感器〕量测。
静载检测旁站监理记录表(压)全套资料(全套资料,可以直接使用,可编辑优秀版资料,欢迎下载)旁站监理记录表(单桩竖向抗压静载试验)监理旁站记录填写范例(共6个工序范例)填写说明:1. 为规范各监理人员的旁站记录填写工作,确保旁站记录如实、全面反映旁站工程的施工全过程,结合现场检查旁站记录中经常出现的问题,就常见的关键工序旁站记录编制了记录内容和格式范例,并采用填空形式进行,供大家参考。
2。
各监理项目部可结合本管段内工程实际, 把旁站记录编制成填空格式,印发监理人员在现场进行旁站记录,既可以减少现场监理人员的重复填写, 又保证填写内容全面。
3. 有关栏目填写说明工程项目名称:宁启复线电化工程;施工合同段:NQFX—×;编号:根据监理项目部规定编制;日期:应据实填写,应和监理日记和施工日记互相吻合;气候:据实填写;工程地点:×××桥段(隧道、路基);旁站监理部位或工序:要表明具体部位,如:×墩×号桩基混凝土灌注(DK××+××)、×号墩承台混凝土灌注(DK××+××)、×号墩身混凝土灌注(DK××+××)、×部位混凝土灌注(DK××+××);旁站监理开始时间和旁站监理结束时间:要据实填写到几点几分;施工情况和监理情况:按范例格式填空,如需增加内容,在填空后面自行填写;发现问题、处理问题和备注:要如实填写,如没有,则打斜杠“/",不得空白。
旁站监理记录表(桥梁桩基混凝土灌注)(TB2)工程项目名称:施工合同段:编号:旁站监理记录表(桥梁承台混凝土灌注)(TB2)工程项目名称:施工合同段:编号:宁启复线电化工程旁站监理记录表(桥梁墩身混凝土灌注)(TB2)工程项目名称:施工合同段:编号:宁启复线电化工程旁站监理记录表(预制箱梁混凝土)(TB2)工程项目名称:施工合同段:编号:宁启复线电化工程旁站监理记录表(预制箱梁张拉)(TB2)工程项目名称:施工合同段:编号:宁启复线电化工程旁站监理记录表(预制箱梁管道压浆)(TB2)工程项目名称:施工合同段:编号:旁站监理记录表工程名称: 编号:。
合川城区涪江上段防洪护岸工程(赵家渡段)二标段桩基静荷载试验报告编号:2014桩基(J)001检测报告重庆恒信水利工程质量检测有限责任公司2014年7月1日注意事项1、报告无检测单位“报告专用章”无效;2、报告无报告编写、报告校对、报告审核人签字无效;3、报告涂改无效;4、非经同意,不得部分复制本报告;5、对本检测报告若有异议,应于收到报告之日起十五日内向检测单位提出,逾期不予受理;6、对于委托检验,样品代表性由委托单位负责.建设单位:重庆江城水务有限公司设计单位:重庆市水利电力建筑勘察设计研究院监理单位:黄河工程监理咨询有限责任公司施工单位:重庆洪源建筑集团有限公司检测单位:重庆恒信水利工程质量检测有限责任公司项目参与人员:报告编写:报告校对:报告审核:合川城区涪江上段防洪护岸工程(赵家渡段)二标段桩基静荷载试验检测报告一、工程概况××工程地上2层.地基基础采用深层搅拌桩.桩径为ф700,基础混凝土强度等级为C25.单桩设计承载力为200kN,经深层搅拌处理后地基承载力特征值不得小于180KPa,建筑结构安全等级为二级.我中心于历时3日完成对该工程地基的静载荷试验检测工作,试验点(桩)总数为6个.(具体情况见下表1,平面布置示意图见下图1).现依据试验原始数据提交本次试验检测报告.表1 各试验点具体情况一览表图1 各试验点平面布置示意图二、检测依据1、《建筑地基处理技术规范》(JGJ79—2002)2、《岩土工程勘察规范》(GB50021-2001)3、《建筑桩基技术规范》(JGJ 94-94)4、《建筑基桩检测技术规范》(JGJ 106-2003)5、《江西省桩基质量检测管理规定》(试行)6、《江西省建筑基桩及复合地基检测方法及取样数量》---赣力基础【2005】第001号7 、设计图纸及相关说明文件三、载荷试验㈠、复合地基土载荷试验检测1、试验设备试验采用砂袋压重平台反力装置,千斤顶施压,主梁由4根18号工字钢组成,副梁由5根18号工字钢组成.采用1只QYL50型千斤顶加载,承压板顶面沉降变形分别采用对角的2个百分表(精度为0.01米米)测读.加载量由千斤顶上的精密压力表控制(承载板试验装置见图3-1-1).图3-1-1 承压板载荷试验装置2、试验方法采用分级对试点进行加载.试验标准参照《建筑地基处理技术规范》(JGJ79-2002)进行.①加载与卸载分级:分8级进行加载.②沉降观测时间:每级加载前后测读一次,以后每隔30米in测读一次沉降.当1小时内沉降量小于0.1米米时,施加下一级荷载.3、终止加载条件当出现下列情况之一时,即可终止加载:①沉降量急剧增大,土被挤出或承压板周围出现明显的隆起;②承压板的累计沉降量已大于其宽度或直径的6%;③当达不到极限荷载,而最大加载压力已大于设计要求压力值的2倍;4、复合地基承载力特征值的确定:①当压力-沉降曲线上极限荷载能确定,而其值不小于对应比例界限的2倍时,可取比例界限;当其值小于对应比例界限的2倍时,可取极限荷载的一半;②当压力-沉降曲线是平缓的光滑曲线时,可按相对变形值确定:水泥土搅拌桩或旋喷桩复合地基,可取s/b或s/d等于0.006所对应的压力.(s为载荷试验承压板的沉降量;b和d分别为承压板宽度和直径,当其大于2米时,按2米计算)㈡、单桩竖向静载试验检测1、试验原理单桩竖向抗压静载试验的原理是用接近于竖向抗压桩的实际工作条件的试验方法,确定单桩竖向抗压极限承载力,作为设计依据或对工程桩的承载力进行抽样检验和评价.2、试验设备试验采用砂袋压重平台反力装置,千斤顶施压,主梁由4根18号工字钢组成,副梁由5根18号工字钢组成.采用1只QYL50型千斤顶加载,桩顶面沉降变形分别采用对角的2个百分表(精度为0.01米米)测读.加载量由千斤顶上的精密压力表控制(单桩竖向静载试验装置见图3-2-1).图3-2-1 单桩竖向静载试验装置示意图3、试验步骤⑴、加载与卸载分级:根据规范,按设计要求最大试验荷载分8级进行加载,卸载每级为加载分级的两倍.具体加载与卸载分级详见各试桩竖向静载结果汇总表.⑵、沉降观测:每级加载后间隔5、30、60米in各测读一次,以后每隔30米in测读一次.⑶、试桩沉降相对稳定标准:每一小时的桩顶沉降量不超过0.1米米,并连续出现两次(从分级荷载施加后第30米in开始,按1.5h连续三次每30米in的沉降观测值计算).⑷、当桩顶沉降速率达到相对稳定标准时,再施加下一级荷载.⑸、卸载时,每级荷载维持1h,按第15、30、60米in测读桩顶沉降量后,即可卸下一级荷载.卸载至零后,应测读桩顶残余沉降量,维持时间为3h,测读时间为第15、30米in,以后每隔30米in测读一次.⑹、终止加载条件:当出现下列情况之一时,即可终止加载:①、某级荷载下,桩顶的沉降增量达前一级荷载下沉降增量的5倍;(注:当桩顶沉降量能相对稳定且总沉降量小于40米米时,宜加载至桩顶总沉降量超过40米米.)②、某级荷载下,桩顶沉降量大于前一级荷载作用下沉降增量的2倍;且经24h尚未达到相对稳定标准.③、已达设计和甲方要求最大试验荷载.④、当荷载-沉降曲线呈缓变型时,可加载至桩顶总沉降量60-80米米;在特殊情况下,可根据具体要求加载至桩顶累计沉降量超过80米米.⑺、极限承载力确定方法:①根椐沉降随荷载的变化特征确定极限承载力:对于陡降型Q-s曲线取其发生明显陡降的起始点对应的荷载值;②根椐沉降随时间的变化特征确定极限承载力:取s-lgt曲线尾部出现明显向下弯曲的前一级荷载值;③当某级荷载作用下,桩的沉降量大于前一级荷载作用下沉降量的2倍;且经24小时尚未达到稳定时,取前一级荷载值;④对于缓变型Q-s曲线可根据沉降量确定,宜取s=40米米对应的荷载值;当桩长大于40米时,宜考虑桩身弹性压缩量;对直径大于或等于800米米的桩,可取s=0.05D(D 为桩端直径)对应的荷载值.四、试验成果分析各点载荷试验结果汇总表及依据各附表绘制出的曲线(见附图1).3个试验点(1号点、2号点、3号点)当荷载加至140kN时,总沉降量均未超过承压板直径的6%,沉降及稳定时间均正常,Q-s曲线未出现陡降段,表明3个试验点在试验荷载下均未达到极限状态.依据规范综合分析确定, 3个试验点地基承载力特征值均不小于180KPa.1号桩试验加载至340kN时,本级沉降量为0.45米米,累计总沉降量为6.83米米,沉降及稳定时间正常,Q-s曲线未发生陡降,S-lgt曲线尾部未出现向下弯曲.依规范要求,决定终止加载.依据规范综合分析确定,该桩实测极限承载力不小于340kN.2号桩试验加载至340kN时,本级沉降量为0.65米米,累计总沉降量为15.43米米,沉降及稳定时间正常,Q-s曲线未发生陡降,S-lgt曲线尾部未出现向下弯曲.依规范要求,决定终止加载.依据规范综合分析确定,该桩实测极限承载力不小于340kN.3号桩试验加载至340kN时,本级沉降量为0.46米米,累计总沉降量为10.43米米,沉降及稳定时间正常,Q-s曲线未发生陡降,S-lgt曲线尾部未出现向下弯曲.依规范要求,决定终止加载.依据规范综合分析确定,该桩实测极限承载力不小于340kN.五、结论本次所检测的3根深层搅拌桩单桩极限承载力均不小于340kN,3个试验点的地基承载力特征值均不小于180KPa,表明该复合地基的地基承载力满足设计要求.重庆恒信水利工程质量检测有限责任公司附图11#桩桩径(m):0.70测试日期:单桩竖向抗压承载力试验汇总表工程名称:试验桩号:2#桩桩径(m):0.70测试日期:工程名称:试验桩号:1#点承压板面积(m):0.385测试日期:工程名称:试验桩号:2#点承压板面积(m):0.385测试日期:工程名称:试验桩号:3#点承压板面0.385测试日期:工程名称:试验桩号:。
建筑工程桩基静载试验检测技术发布时间:2022-07-30T02:00:17.086Z 来源:《工程建设标准化》2022年37卷3月6期作者:黄凌浩[导读] 随着当今建筑工程行业的不断发展,桩基础施工技术也得到了广泛应用。
黄凌浩清远市清城区建设工程质量检测站有限公司 511500摘要:随着当今建筑工程行业的不断发展,桩基础施工技术也得到了广泛应用。
而在桩基础施工中,为实现其施工质量的良好保障,相关单位通常会采用静荷载试验检测技术对其进行检测。
为实现静荷载试验检测技术的良好应用,本文特以实际建筑工程项目为例,对桩基的静载试验检测技术应用进行分析,包括工程概况、静载试验检测技术基本原理以及具体应用。
希望通过本次的分析,可以为建筑工程中的桩基施工质量检测提供科学参考,以此来有效确保建筑工程桩基加固效果。
关键词:建筑工程;桩基检测;静载试验;技术原理在通过静载试验技术进行建筑工程桩基检测的过程中,相关单位一定要明确此项技术的基本原理,然后将实际的工程概况作为依据,通过合理的措施来进行此项技术应用。
这样才可以有效确保桩基检测效果,让不合格的地基加固情况得到良好处理,满足建筑工程的实际施工及其应用需求。
一、工程概况本次所研究的是某房屋建筑工程的建设施工项目,该房屋建筑主体的地上层数为35层,地下层数为2层。
根据已有的资料和施工现场岩土工程勘察发现,在该建筑工程的施工现场,其地基土主要有风化基岩、含有碎石的坡残积粉质黏土、砾砂、深部黏土、圆砾、淤泥质软土、硬壳层黏土以及素填土,同时也包括12个亚层。
经各方面因素的综合分析之后,决定采用钻孔灌注桩的形式来进行地基加固处理。
在完成了加固处理之后,对其中的四根桩基进行了单桩静荷载试验。
本文主要对静荷载试验技术在该工程桩基检测中的应用进行分析。
二、桩基静载试验检测技术基本原理桩基静载试验测试技术的主要原理是将一组单桩竖向抗压静荷载试验中的Q-s(荷载-沉降)曲线作为基础,在曲线中选取前几级荷载作用下的原始沉降数据进行分析,从而实现该曲线后续发展趋势的科学预测。