药用卤化丁基胶塞质量状况
- 格式:pdf
- 大小:1.73 MB
- 文档页数:3
药用瓶塞和密封件用卤化丁基橡胶王备战编译摘要:埃克森公司的卤化丁基橡胶在全世界广泛用于医药瓶塞和密封件,它具有的高度不透气、不透水性、化学惰性和纯净性(助剂和杂质含量低)使其成为医药瓶塞和密封件等用途的必然选择。
本文介绍了一些进一步改善使用埃克森卤化丁基橡胶制造的医药瓶塞“药品相容性”的最新研究成果,以帮助中国用户满足非常严格的“药品浊度”标准要求;并讨论了药品浊度的产生机理和影响因素,通过对先锋5#抗生素和各种瓶塞进行的实际药品浊度的研究,重点阐明所用聚合物品种和硫化剂对获得良好药品相容性的重要性。
关键词卤化丁基橡胶胶塞相容性前言高聚物材料作为医药包装保存药物和医疗器械使用已经有很久的历史了,它们包括天然橡胶、合成聚异戊二烯、丁腈橡胶,三元乙丙橡胶,丁基橡胶,氯化丁基橡胶,溴化丁基橡胶和Exxpro TM高聚物等。
直到最近一段时间,选择材料才主要依靠其适用性、费用和物理性能上,例如,天然橡胶由于其极好的密封性、针刺落屑性和较低费用的适用性等,已在欧洲和美国连续使用了五十年。
医药用塞子现在已被广泛应用于注射剂瓶,输液瓶,预封装注射器,医疗装置,冻干制剂容器,血液和生物样品采集管等器具上。
药品开发(例如新一代抗菌素)和人体健康标准的进一步提高导致了人们对药品储存过程中与之接触的包装材料更高洁净度的需求,高的不透水、不透气性材料也需要能够阻止药品的水合或氧化,并且允许药品在真空或者惰性气体下进行封装,而且,现代的包装材料要求的化学和生理惰性与良好的耐热、耐老化一样,还要具有耐老化和耐灭菌处理过程的性能。
医药用塞子和密封件正朝着更高洁净度的方向发展,它包括:(1)运用与现代敏感药物相容性好的高洁净的弹性体(2)运用高纯度的组分,减少任何可以从塞子中迁出并干扰药品性质的化学物质的种类(3)使用少量洁净的硫化剂(4)严格控制可见与不可见微粒的污染药用瓶塞和密封件用弹性体材料在所有用在医药塞子和密封件的配方组分中弹性体材料的性能最重要,并且量最大(-在50wt%以上)。
注射用无菌粉末用卤化丁基橡胶塞检测规程注射用无菌粉末用卤化丁基橡胶塞是医学领域中使用最广泛的药物包装物之一。
为了确保使用的安全性和有效性,需要严格按照注射用无菌粉末用卤化丁基橡胶塞检测规程进行检测。
本文将详细介绍该检测规程的相关知识。
首先,检测无菌粉末用卤化丁基橡胶塞的主要目的是确保其在使用期间能够阻止外部污染物进入药物容器内,从而保证药品的纯度和安全性。
常用的检测方法有外观检查、水洗试验和密封性测试等。
外观检查是最基本的检测方法之一,主要用于检查橡胶塞的表面有无破裂、破损、褐变、起皮等缺陷。
外观检查时应使用适当的灯光和放大镜,以确保缺陷的准确判定。
在外观检查之前,应首先检查橡胶塞是否满足药品生产厂家的要求,例如颜色、形状和硬度等。
水洗试验是主要用于检测橡胶塞的水解性能。
试验时,应首先储存测试样品一段时间,通常为24小时,然后将橡胶塞浸泡在水中数小时。
检查浸泡后的水中有无可见的粉碎物,以及是否出现水解和变色等现象。
密封性测试是检测橡胶塞是否能够有效密封容器的重要方法。
在密封性测试中,通常使用高压浸漏法和低压气爆法等。
高压浸漏法是指在一定压力下,采用压缩气体将药品容器浸入水中,检查水中的气泡以及药品溢出情况。
低压气爆法是指在一定压力下,采用压缩气体将药品容器封闭并通气,然后观察橡胶塞是否有膨胀变形现象。
需要注意的是,在进行注射用无菌粉末用卤化丁基橡胶塞检测时,必须严格按照操作规程进行,保证检测的准确性和可靠性,从而保证药品的使用安全性和有效性。
如果发现检测结果不符合要求,必须采取相应的措施,例如责令生产厂家更换塞子,或对药品进行进一步的检测等。
另外,在实际操作中,应注意操作环境的清洁和无菌性,防止污染和交叉感染的发生。
总之,注射用无菌粉末用卤化丁基橡胶塞的检测是确保药品安全和有效的重要措施,必须按照操作规程严格执行,并在检测之前进行必要的前期准备工作,以确保检测结果的准确、可靠和符合标准。
只有这样,才能保障药品的安全性和有效性,为患者带来更好的服务和治疗效果。
丁基胶塞的特点、问题及使用注意事项丁基胶塞气密性好、耐热性好、耐酸碱性好、内在洁净度高,很快取代了天然橡胶生产药用瓶塞。
日本1957年开始生产丁基药用瓶塞,到1965年就实现了药用瓶塞丁基化,欧美各经济发达国家也均于20世纪70年代初实行了药用橡胶瓶塞丁基化。
如今,世界上90%的医药包装用橡胶瓶塞是以丁基橡胶为基材生产的。
1.丁基胶塞的特性和优点丁基橡胶是由异丁烯和少量异戊二烯(<3%)在超低温(一95℃)条件下聚合而成的合成橡胶,其特有的化学稳定性、优良的密封性保证了药品质量,提高了用药安全性,还减少了天然胶塞生产所需的烫蜡工序、垫加绦纶膜工序。
丁基胶塞在产品标准、生产水平、使用性能、产品质量等方面大大优于天然胶塞。
卤化丁基橡胶是在丁基橡胶分子结构中引入了活泼的卤素原子,同时保存了异戊二烯双键,使其不仅具备丁基橡胶的优良性能,还减少了抗氧剂的污染,提高了纯度,加快了硫化速度,更可实现无硫硫化、无锌硫化,大大地减少了有害物质对药物的污染和副作用。
卤化丁基橡胶可分为氯化丁基橡胶和溴化丁基橡胶两类。
溴化丁基胶与氯化丁基胶两者主要的不同在于溴化丁基胶中的c—Br键活性比氯化丁基胶中的C—Cl键活性大,这就决定了溴化丁基胶具有硫化速率较快、硫化效率较高、硫化程度高、硫化剂用量少、可实现无硫无锌硫化等特点,从而赋予了溴化丁基橡胶瓶塞更加良好的物理性能和化学性能,使其具有更低的吸湿性,同时因其化学性能指标可控制在一个更好的范围内,如锌离子≤23 I 2006.10.0o005%(Y BB标准≤0.0003%),不挥发物每lOOm1.晨取液≤1.Omg(YBB 标准为4.Omg),pH值变化小等,进而有力保证了与氨基酸、脂肪乳、血液制品等大输液产品的相容性,在冷冻干燥制品中应用也较好。
附表1对几种用于瓶塞橡胶材料的特点进行了比较介绍。
与天然橡胶比,丁基橡胶主要有以下几个优点:1.1生物安全性好瓶塞所封装的药品要进入人体内,因此,药用瓶塞应无热原、无异常毒性、无溶血反应等,这样才能保证用药的安全性。
丁基胶塞的特点、问题及使用注意事项丁基胶塞气密性好、耐热性好、耐酸碱性好、内在洁净度高,很快取代了天然橡胶生产药用瓶塞。
日本1957年开始生产丁基药用瓶塞,到1965年就实现了药用瓶塞丁基化,欧美各经济发达国家也均于20世纪70年代初实行了药用橡胶瓶塞丁基化。
如今,世界上90%的医药包装用橡胶瓶塞是以丁基橡胶为基材生产的。
1.丁基胶塞的特性和优点丁基橡胶是由异丁烯和少量异戊二烯(<3%)在超低温(一95℃)条件下聚合而成的合成橡胶,其特有的化学稳定性、优良的密封性保证了药品质量,提高了用药安全性,还减少了天然胶塞生产所需的烫蜡工序、垫加绦纶膜工序。
丁基胶塞在产品标准、生产水平、使用性能、产品质量等方面大大优于天然胶塞。
卤化丁基橡胶是在丁基橡胶分子结构中引入了活泼的卤素原子,同时保存了异戊二烯双键,使其不仅具备丁基橡胶的优良性能,还减少了抗氧剂的污染,提高了纯度,加快了硫化速度,更可实现无硫硫化、无锌硫化,大大地减少了有害物质对药物的污染和副作用。
卤化丁基橡胶可分为氯化丁基橡胶和溴化丁基橡胶两类。
溴化丁基胶与氯化丁基胶两者主要的不同在于溴化丁基胶中的c—Br键活性比氯化丁基胶中的C—Cl键活性大,这就决定了溴化丁基胶具有硫化速率较快、硫化效率较高、硫化程度高、硫化剂用量少、可实现无硫无锌硫化等特点,从而赋予了溴化丁基橡胶瓶塞更加良好的物理性能和化学性能,使其具有更低的吸湿性,同时因其化学性能指标可控制在一个更好的范围内,如锌离子≤23 I 2006.10.0o005%(YBB标准≤0.0003%),不挥发物每l OOm1.晨取液≤1.Omg(YBB 标准为4.Omg),pH值变化小等,进而有力保证了与氨基酸、脂肪乳、血液制品等大输液产品的相容性,在冷冻干燥制品中应用也较好。
输液瓶中丁基胶塞落屑漂浮物不影响输液效果因天然橡胶存在安全隐患,从2005年1月1日开始,国家医药管理部门规定输液瓶中不再使用天然橡胶塞,改用新材料——卤化丁基胶塞,丁基胶塞具有低的透气性和透水蒸汽性;稳定的化学和生物惰性;良好耐热、耐臭氧和耐紫外光等特点;但针刺落屑比天然胶塞略差。
丁基胶塞针刺落屑使输液瓶中出现漂浮物,这种漂浮物具有不溶解性,对液体成份不产生任何影响,丁基胶塞落屑是国家医用包装物标准中允许的,在全世界范围内这一情况未彻底解决。
另外,丁基胶塞的表面硅化剂——二甲基硅油不可避免的会进入药液,附着在玻璃瓶壁上,形成挂壁现象。
二甲基硅油是必须使用的硅化剂,其质量符合国家药典标准,对人体安全无害。
为防止输液瓶中的无毒害漂浮物通过输液管进入血液,在输液器中设置了过滤器,可有效防止漂浮物进入人体,请输液者放心使用。
丁基胶塞大输液瓶穿刺流程为防止针刺落屑形成漂浮物,消除输液患者疑虑,使用丁基胶大输液瓶作溶媒注意以下操作:一、配药穿刺使用7号以内的针头,穿刺成功后要肉眼检查瓶内液体,如无漂浮物方能注入治疗药物;如落屑较多,应更换溶媒。
二、连接输液管时,穿刺丁基胶塞用力要轻,尽可能防止落屑产生;如发生落屑,应向顾客说明情况,取得顾客理解和认可;三、凡有落屑产生的输液,应加强巡视和观察,防止落屑堵塞针管。
3制定“输液中有掉屑不影响药品质量,可以使用”告知书(1)丁基胶塞是直接与药品接触的,其的安全情况比较高,在生产过程中经过一系列的清洗、消毒,与内装的药品一样无菌、无热原。
(2)输液器均配有终端过滤器,肉眼可见的落屑大于50 μm,而终端过滤器可以将10~15 μm以上的异物过滤。
而现在高效过滤输液器可将5μm以上的异物过滤掉,输液更加安全可靠。
(3)告知国家规定标准:我国《药用氯化丁基胶塞标准》规定,10只被测的丁基胶塞,每只分别被扎一针,总的肉眼可见的落屑数(大于50 μm)不超过20粒均被视为合格。
药用丁基胶塞的使用安全性药用丁基胶塞的生产背景丁基橡胶瓶塞的内在洁净度、化学稳定性、气密性、生物性能都很好,但是因配方复杂及所加原材料浓度梯度的关系,与一些分子活性比较强的药物封装后,被药物吸收、吸附、浸出、渗透,产生了胶塞与药物的相容性问题,比较突出的是部分头孢菌素类、部分大输液类、以及较多中药注射液制剂等。
所以通过选用一种惰性柔软涂层,覆盖在胶塞表面,隔离药品与橡胶瓶塞的直接接触,这样可以明显改善与药物的相容性。
国家至2004年底前所有药用胶塞(包括输液、口服液等各剂型用胶塞)一律停止使用普通天然胶塞;所有药厂的药品橡胶塞都要使用丁基胶塞。
药品是一种特殊的商品, 其药效与质量直接关系到人身健康和安全, 药品包装的材料与结构形式, 尤其是直接接触药品的包装材料, 对保证药品稳定性起决定性作用。
不适宜的包装材料可引起活性药物成分的渗出、吸附, 甚至发生化学反应, 导致药品失效, 有时还会产生严重的毒副作用。
因此, 药包材的选择是否合适, 是评价药品质量的一项重要指标,丁基胶塞具有吸湿率低, 化学性好, 气密性好, 无生理毒副作用等显著特点, 特别适宜于用作药品密封。
因此天然胶塞已列入被淘汰之列, 而用丁基胶塞取代。
丁基橡胶是由异丁烯和少量异戊二烯(≤3 %)在超低温(- 95 ℃) 条件下聚合而成的共聚物[ 3] ,为白色或暗灰色透明性弹体,其结构式可用下列通式表示:丁基橡胶是气密性最好的橡胶, 其气体透过率约为天然橡胶的1 /20 , 丁基橡胶的耐热性、耐候性和耐臭氧氧化性都很突出。
最高使用温度可达200 ℃, 能长时间暴露于阳光和空气中而不易损坏。
丁基橡胶耐化学腐蚀性好, 耐酸、碱和极性溶剂。
此外, 丁基橡胶的电绝缘性和耐电晕性能比一般合成橡胶好。
耐水性能优异, 水渗透率极低。
减震性能好, 在- 30 ~50 ℃具有良好的减震性能。
在玻璃化温度(- 37 ℃) 时仍具有屈挠性。
丁基橡胶的缺点是硫化速度很慢, 需要高温或长时间硫化, 自黏性和互黏性差, 与其它橡胶的相容性差, 难以并用[ 4] 。
2023年丁基胶塞行业市场分析现状丁基胶塞是一种常用的密封材料,广泛应用于制药、食品、化工等行业。
市场分析现状如下:1. 市场规模:丁基胶塞行业市场规模庞大。
随着制药、食品、化工等行业的发展壮大,对密封材料的需求不断增加,丁基胶塞市场逐渐扩大。
2. 行业竞争:丁基胶塞行业竞争激烈。
目前市场上有众多的丁基胶塞生产商,产品品质和价格差异较大。
在竞争中,品质稳定、价格合理的厂商能够占据市场优势。
3. 技术水平:丁基胶塞行业技术水平较高。
制造丁基胶塞需要一定的工艺和设备,对材料的选择和加工工艺有一定的要求。
在国内,一些厂商已经具备了自主研发新型丁基胶塞的能力。
4. 市场需求:丁基胶塞市场需求稳定增长。
制药、食品、化工等行业的发展,对密封材料的需求呈现持续增长态势。
尤其是在新冠疫情背景下,制药企业对医药瓶的密封要求更加严格,进一步推动了丁基胶塞市场的需求。
5. 市场趋势:丁基胶塞行业市场呈现出几个趋势。
首先,市场集中度提高,一些规模较小的厂商可能会被市场淘汰。
其次,丁基胶塞行业将更加注重技术创新,推出更符合市场需求的新型产品。
此外,随着环保意识的增强,对环保材料的需求也将提高,这对丁基胶塞行业提出了新的挑战和机会。
6. 市场前景:丁基胶塞行业的市场前景广阔。
随着国内外制药、食品、化工等行业的不断发展,丁基胶塞的市场需求将进一步增长。
同时,在技术创新和市场适应能力上有优势的企业将能够占据更大的市场份额。
综上所述,丁基胶塞行业市场分析现状表明,丁基胶塞市场规模庞大,竞争激烈,技术水平较高,市场需求稳定增长。
随着行业的发展,丁基胶塞市场前景广阔,但同时也面临着一些挑战,需要不断提升技术创新和市场适应能力。
药用丁基胶塞质量标准药用氯化丁基橡胶塞 标准(试行) YBB 00042002本标准适用于直接与注射剂接触的氯化丁基橡胶塞。
【外观】取本品数个,目视检测,表面色泽应均匀,不得有污点、杂质、气泡、裂纹、缺胶、粗糙、胶丝、胶屑、海绵状、毛边;不得有除边造成的残缺或锯齿现象;不得有模具造成的明显痕迹。
【鉴别】(1)称取本品5~20g ,置于干燥的试管中,将长约4毫米的钠片一片置于固定并倾斜的试管中,使其恰好位于试样之上,用火焰的尖端加热试管,将钠融化在试样上,继续加热2分钟,使呈深红色,冷却后加入乙醇,将过剩的钠醇化,加水约10ml 溶解,过滤,滤液备用。
A :取滤液1.5ml 置于试管中,加硝酸酸化,煮沸1~2分钟,加入硝酸银1滴,应产生白色沉淀。
B :取滤液0.2ml ,置于微量试管中,加氯仿1滴,加稀硫酸1滴,加薪配置的氨水1滴(或3%H2O2溶液2~3滴),经振荡混匀后,静止5分钟,氯仿层应不显色。
(2)红外光谱取本品约3g 切成3mm×3mm 小块置索氏抽提器中用丙酮或适宜的溶剂回流浸提8小时,取残渣80℃烘干,取0.1~0.2g 置于裂解管的底部,然后用试管夹水平的将裂解管移到酒精灯上加热,当出现裂解产物冷凝在裂解管冷端时,再继续加热至裂解基本完全但没碳化为止,取少许裂解物滴在溴化钾片上,在80℃烘干,照分光光度法(《中华人民共和国药典》2000年版二部ⅣC )测定,应与对照图谱基本一致。
【穿刺落屑】输液瓶用胶塞:取10只被测胶塞和10只已知穿落屑数的胶塞分别装在与其相配的输液瓶上,每只瓶中注入半瓶水。
加上铝盖,用手动封盖机封口,打开铝盖穿刺部位。
按先被测胶塞再已知穿刺落屑数胶塞的顺序交替穿刺胶塞。
穿刺时,胶塞保持直立,握持金属穿刺器(见图1)垂直向胶塞标记区域内穿刺,晃动数秒后拨出穿刺器。
每次穿刺前用丙酮或甲基—异丁基酮擦拭穿刺器。
穿刺器不得有损坏,并保持锋利(如穿器损坏,须换用新的)。
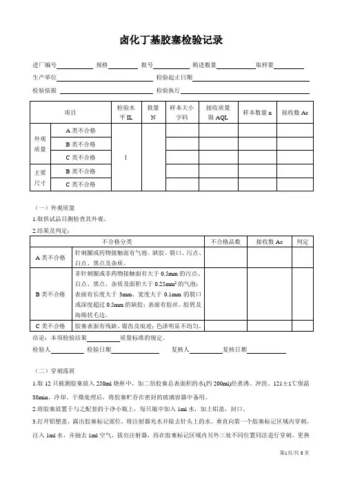
卤化丁基胶塞检验记录进厂编号规格批号购进数量取样量生产单位检验起止日期检验依据检验执行(一)外观质量1.取供试品目测检查其外观。
结论:本项检验结果质量标准的规定。
检验人检验日期复核人复核日期(二)穿刺落屑1.取12只被测胶塞放入250ml烧杯中,加二倍胶塞总表面积的水(约200ml)经煮沸、冲洗、121±1℃保温30min、冷却、干燥处理后,将胶塞贮存在密封的玻璃容器中备用。
2.将胶塞放置于与之配套的干净小瓶上,每只瓶中加入1ml水,加上铝盖,封口。
3.打开铝塑盖,露出胶塞标记部位,将注射器充水并除去针头上的水。
垂直向第一个胶塞标记区域内穿刺,注入1ml水,并抽去1ml空气,拔出注射器,再在胶塞标记区域内另外三处不同位置同法进行穿刺。
更换一个新的注射针和被测胶塞,按上述步骤进行穿刺,直至每个胶塞被穿刺4次。
4.将瓶中水全部通过一张0.5μm滤纸过滤,确保瓶中不残留落屑。
用肉眼观察滤纸上的落屑总数。
结果:落屑总数为(落屑总数≤5粒)结论:本项检验结果质量标准的规定。
检验人检验日期复核人复核日期(三)灰分仪器名称:箱式电阻炉型号:设备编号:仪器名称:电子分析天平型号:设备编号:1.空坩埚恒重W0:取坩埚置箱式电阻炉,于700℃~800℃炽灼至恒重;W02.称取本品1.0g,至已恒重的坩埚内,精密称定W1g。
3.样品经炭化、灰化后,置箱式电阻炉,于700℃~800℃炽灼至恒重W2:W24.计算:遗留残渣=(W2 - W0 )/(W1- W0)*100%= (灰分应≤55%)结论:本项检验结果质量标准的规定。
检验人检验日期复核人复核日期(四)不溶性微粒(检验执行SOP-)仪器:激光注射液微粒分析仪型号:编号:1.试验环境检测:取纯化水500ml,用µm的滤膜抽滤,取抽滤后的水依法检测。
2.供试品检测:取完整被测胶塞个(取用胶塞的数量应使总表面积尽量接近100cm2),置250ml三角烧杯中,加入微粒检查用水适量(取用微粒检查用水的ml数与被测胶塞总表面积的cm2数之比为1:1),用铝箔盖住三角烧杯杯口,置振荡器中,水平振蒎20秒,小心移开铝箔,先倒出部分供试液冲洗开启口及取样瓶后,将供试液倒入取样瓶中(或直接置于取样器上),静置,在15~30分钟时间范围内连续测定3次,弃去第1次数据,读取后两次测定结果,计算平均值。
药包材标准中丁基胶塞质量要求及测试方法介绍药包材标准中丁基胶塞质量要求及测试方法介绍丁基橡胶塞在洁净度、化学稳定性、气密性等方面的性能都非常好,所以广泛应用于输液、口服液等药品包装中。
由于丁基胶塞在药品行业应用广泛,而且胶塞产品直接接触药品,所以国家出台了很多相关标准来控制丁基胶塞的产品质量。
以下我们结合国家药包材标准的要求来介绍丁基胶塞产品的性能要求和测试方法。
一、参考标准(部分):YBB00042005-2015注射液用卤化丁基橡胶塞YBB00052005-2015注射用无菌粉末用卤化丁基橡胶塞YBB00322004-2015注射剂用胶塞垫片穿刺力测定法YBB00332004-2015注射用胶塞垫片穿刺落屑测定法1.穿刺落屑取样品10个,照注射剂用胶塞、垫片穿刺落屑测定法YBB00332004-2015测定,落屑数应不得过20粒。
测定法:选择20个注射剂瓶,每个瓶内加1/2公称容量的水。
取10个被测胶塞和10个已知穿刺落屑胶塞分别装在注射剂瓶上,盖上铝盖或铝塑组合盖,封口后进行预处理。
预处理完成后用丙酮或其他适当的有机溶剂擦拭金属穿刺器,然后手持穿刺器,垂直穿刺被测试胶塞上的标记部位,刺入后晃动注射剂瓶数秒后拔出穿刺器。
将注射剂瓶中水全部通过一张滤纸过滤,在人眼距离滤纸20cm 的位置,用肉眼观察滤纸上的落屑数,必要时可以通过显微镜进一步证实落屑大小和数量。
附金属穿刺器标准要求1.穿刺力取样品10个。
照注射剂用胶塞、垫片穿刺力测定法YBB00322004-2015第二法测定,穿刺瓶塞所需的力均不得超过10N。
测定法:依据标准要求对胶塞样品进行预处理。
取10个胶塞配套的注射剂瓶,分别加入公称容量的水,装上预处理过的被测胶塞,加上铝盖或者铝塑组合盖,封口。
将一只注射针置于材料试验机上固定,将注射剂瓶放入材料试验机,打开铝盖或铝塑组合盖,漏出胶塞标记部位,穿刺器以200mm/min的速度进行垂直穿刺,记录胶塞穿刺所施加的最大力值。
冷冻干燥卤化丁基橡胶塞标准冷冻干燥卤化丁基橡胶塞标准1. 冷冻干燥卤化丁基橡胶塞的定义冷冻干燥卤化丁基橡胶塞是一种用于医药领域的塞子材料,具有较高的化学稳定性和耐用性。
它通常用于药品瓶口的密封,以确保药品的质量和安全性。
2. 冷冻干燥卤化丁基橡胶塞的特性- 化学稳定性:冷冻干燥卤化丁基橡胶塞具有很高的化学稳定性,能够在各种药物成分的环境下保持其原有的性质,不会因受到药物成分的影响而发生变化。
- 耐用性:由于其优良的耐腐蚀性和抗老化性能,冷冻干燥卤化丁基橡胶塞能够在长期使用中保持其原有的弹性和密封性能。
- 密封性:冷冻干燥卤化丁基橡胶塞具有较好的密封性能,能够有效地防止外界空气和微生物的进入,保证药品的质量和安全性。
3. 冷冻干燥卤化丁基橡胶塞的标准目前,冷冻干燥卤化丁基橡胶塞的生产和使用已经被纳入了相关的国际标准和行业标准中。
这些标准主要包括了对于原材料的要求、制造工艺的规范、产品性能的检测等内容,旨在确保冷冻干燥卤化丁基橡胶塞的质量和稳定性。
4. 对冷冻干燥卤化丁基橡胶塞的个人观点和理解冷冻干燥卤化丁基橡胶塞作为药品包装中重要的密封材料,对于药品的质量和安全性起着至关重要的作用。
在我看来,更加严格的标准有助于确保冷冻干燥卤化丁基橡胶塞的质量和稳定性,为医药行业提供更加可靠的保障。
总结冷冻干燥卤化丁基橡胶塞作为一种用于医药领域的塞子材料,在药品包装中发挥着至关重要的作用。
通过严格的标准和规范,可以确保冷冻干燥卤化丁基橡胶塞的质量和稳定性,进而保障药品的质量和安全性。
以上就是对冷冻干燥卤化丁基橡胶塞的全面评估和相关文章的撰写,希望能够满足您的要求。
冷冻干燥卤化丁基橡胶塞作为医药领域中的重要密封材料,其质量和稳定性对于药品的质量和安全至关重要。
在目前的医药行业中,对于药品包装材料的质量和标准要求越来越高,以确保药品在生产、储存和输送过程中的质量和安全性。
冷冻干燥卤化丁基橡胶塞的标准和相关要求也被提高和严格化。
丁基胶塞检验记录
检品名称
规 万只
生产单位 取样日期 年 月 日 物料编号 报告日期 年 月 日 取样数量 只 检验者 复核者 检验依据 企业标准《Q/320281YDZ-2008》
结 论 本品按企业标准《Q/320281YDZ-2008》检验,结果
一、外观质量:
本品表面光洁、色泽 ,
二、化学性能:
1、澄清度与颜色:
取本品,依法制备试验液。
取试验液 ml ,置比色管中观察,溶液
2、PH 变化值:
取制备的试验液与空白液分别测定PH 值,PH 值分别为: 、
三、胶塞与容器的密合性:
与配套西林瓶口配合
四、不挥发物:
取制备的试验液与空白液,依法检查,两者之差 过4.0mg 。
五、标志、包装:
标志:产品名称、生产厂家、厂址、商标;生产日期、规格、数量等
包装:外包装为 内包装为
丁基胶塞检验报告书
报告书编号:BH057R—10005
检品名称药用卤化丁基橡胶塞规格20-D3
生产单位江阴海华橡塑有限公司数量150.5万只
物料编号BH07-100803 取样日期2010 年10 月05 日取样数量200 只报告日期2010 年10 月09 日检验依据企业标准《Q/320281YDZ-2008》
检验项目标准规定检验结果
外观质量:应符合规定符合规定
化学性能:应符合规定符合规定
密合性能:应符合规定符合规定
不挥发物:应符合规定符合规定
标志、包装:应符合规定符合规定
结论本品按企业标准《Q/320281YDZ-2008》检验,以上检验结果均符合规定。
质量受权人复核人检验人。
药用丁基胶塞质量标准一、引言药用丁基胶塞是药品包装的重要组成部分,其质量直接关系到药品的质量和安全性。
为了规范药用丁基胶塞的生产和质量控制,本质量标准应运而生。
本标准主要包含以下方面:外观、尺寸、物理性能、化学性能和微生物限度。
二、外观药用丁基胶塞的外观应平整、光滑,无明显瑕疵、气泡和颜色不均匀。
胶塞的表面应无残留物、油腻或手印等污染。
三、尺寸药用丁基胶塞的尺寸应符合设计要求,包括直径、高度和厚度等参数。
胶塞的直径应在规定范围内,以确保与药瓶的配合良好;高度和厚度应符合标准,以保证足够的机械强度和密封性能。
四、物理性能1. 拉伸强度:药用丁基胶塞应具有一定的拉伸强度,以保证在正常包装和运输过程中不易破损。
2. 撕裂强度:药用丁基胶塞应具有足够的撕裂强度,以防止在开启药瓶时出现撕裂现象。
3. 压缩永久变形:药用丁基胶塞应具有较小的压缩永久变形,以保证在使用过程中保持良好密封性能。
4. 密度:药用丁基胶塞的密度应均匀一致,且符合标准要求。
5. 热稳定性:药用丁基胶塞应能在药品包装的温度条件下保持稳定,不出现软化、变形等现象。
五、化学性能1. 耐化学腐蚀性:药用丁基胶塞应能耐受药品、消毒剂等化学物质的腐蚀,以确保药品包装的密封性和安全性。
2. 溶出物:药用丁基胶塞在浸泡于药品或其他溶剂中时,应不溶出对人体有害的物质。
3. 蒸发残渣:药用丁基胶塞在高温烘烤或暴露于空气中时,应不产生对人体有害的蒸发残渣。
4. 微生物限度:药用丁基胶塞中不得检出对人体有害的微生物(如细菌、霉菌等)。
5. 无毒无害性:药用丁基胶塞应无毒无害,不会对人体健康造成影响。
6. 透明度:药用丁基胶塞应具有较高的透明度,以便于观察药品包装内部的情况。
7. 耐磨性:药用丁基胶塞应具有较好的耐磨性,以防止在重复使用过程中出现磨损现象。
8. 抗老化性:药用丁基胶塞应具有较好的抗老化性能,以防止在储存和使用过程中出现性能下降现象。