标准螺栓的拧紧力矩
- 格式:docx
- 大小:18.46 KB
- 文档页数:5
螺栓拧紧力矩及标准 Document serial number【LGGKGB-LGG98YT-LGGT8CB-LGUT-螺栓拧紧力矩标准M6~M24螺钉或螺母的拧紧力矩(操作者参考)未注明拧紧力矩要求时,参考下表(普通螺栓拧紧力矩)未注明拧紧力矩要求时,参考下表(普通螺栓拧紧力矩)公制螺栓扭紧力矩 Q/STB 范围:本标准适用于机械性能级,规格从M6-M39的螺栓的扭紧力矩,对于使用尼龙垫圈、密封垫圈、其它非金属垫圈的螺栓,本标准不适用。
★对于设计图纸有明确力矩要求的,应按图纸要求执行。
套管螺母紧固力矩 Q/STB B07833-1998材料 HPb63-3Y2直通式压注油杯 Q/STB B07020-1998(螺纹M6、M8*1、M10*1)紧固力矩:-0.5Kg。
安全阀 Q/STB B07029-1998(螺纹R1/8)紧固力矩:。
通气塞 Q/STB B07030-1998 (螺纹R1/4)紧固力矩:。
螺塞 Q/STB B07040-1998(公称直径08-10螺距,12-36螺距)螺栓(排气) Q/STB B07060-1998(M12*)紧固力矩:。
软管(锥形密封)Q/STB B07100-1998软管(锥形密封) Q/STB B07123-1998(接头部螺母拧紧力矩)螺母(球头式管接头用) Q/STB B07201-1998 拧紧力矩:材料:(Q235)管接头螺母 Q/STB B07202-1998拧紧力矩(Q235 / HPb 59-1)铰接螺栓 Q/STB B07206-1998拧紧力矩(Q235)球头式端直通接头 Q/STB B07211-1998拧紧力矩(Q235 HPb 60-1 )表中拧紧力矩适用于钢制接头管接头 Q/STB B07212-1998紧固力矩(区分代号为5、7的件材料Q235)套管螺母 Q/STB B07221-1998拧紧力矩(材料Q235)管接头 Q/STB B07230-1998拧入紧固力矩(Q235)弯头(带座) Q/STB B07235-1998 、 B07236-1998拧紧力矩喉箍 Q/STB B07281-1998拧紧力矩U形管夹及座 Q/STB B07283-1998螺母的紧固力矩(区分代号 2、3使用)管夹 Q/STB B07289-1998(有效紧固直径φ25-φ232)紧固力矩:±05Nm套管接头 Q/STB B07290-1998套管螺母 Q/STB B07833-1998软管(空调器用) Q/STB B09488-1998。
螺栓拧紧力矩国家标准未注明拧紧力矩要求时,参考下表(普通螺栓拧紧力矩)1螺栓拧紧力矩国家标准公制螺栓扭紧力矩Q/STB 12.521.5-2000范围:本标准适用于机械性能10.9级,规格从M6-M39的螺栓的扭紧力矩,对于使用尼龙垫圈、密封垫圈、其它非金属垫圈的螺栓,本标准不适用。
螺栓拧紧力矩国家标准2★对于设计图纸有明确力矩要求的,应按图纸要求执行。
套管螺母紧固力矩Q/STB B07833-1998 材料 HPb63-3Y2直通式压注油杯Q/STB B07020-1998(螺纹M6、M8*1、M10*1)紧固力矩:0.3-0.5Kg.m。
安全阀Q/STB B07029-1998(螺纹R1/8)紧固力矩:2.9-4.9Nm。
通气塞Q/STB B07030-1998 (螺纹R1/4)紧固力矩:2.94-5.88Nm。
螺塞Q/STB B07040-1998(公称直径08-10螺距1.25,12-36螺距1.5)螺栓(排气) Q/STB B07060-1998(M12*1.5)3螺栓拧紧力矩国家标准紧固力矩:58.8-78.4N.m。
软管(锥形密封)Q/STB B07100-1998软管(锥形密封) Q/STB B07123-1998(接头部螺母拧紧力矩)螺母(球头式管接头用) Q/STB B07201-1998螺栓拧紧力矩国家标准4螺栓拧紧力矩国家标准5拧紧力矩:N.m 材料:(Q235)管接头螺母 Q/STB B07202-1998拧紧力矩(Q235 / HPb 59-1)铰接螺栓 Q/STB B07206-1998拧紧力矩(Q235)球头式端直通接头Q/STB B07211-1998拧紧力矩(Q235 HPb 60-1 )表中拧紧力矩适用于钢制接头管接头 Q/STB B07212-1998紧固力矩(区分代号为5、7的件材料Q235)螺栓拧紧力矩国家标准6螺栓拧紧力矩国家标准7套管螺母 Q/STB B07221-1998拧紧力矩 (材料Q235)管接头 Q/STB B07230-1998拧入紧固力矩 (Q235)弯头(带座) Q/STB B07235-1998 、 B07236-1998拧紧力矩喉箍Q/STB B07281-1998拧紧力矩U形管夹及座Q/STB B07283-1998螺母的紧固力矩(区分代号 2、3使用)管夹Q/STB B07289-1998(有效紧固直径φ25-φ232)紧固力矩:8.8±05Nm套管接头Q/STB B07290-1998螺栓拧紧力矩国家标准8套管螺母Q/STB B07833-1998软管(空调器用) Q/STB B09488-19989螺栓拧紧力矩国家标准。
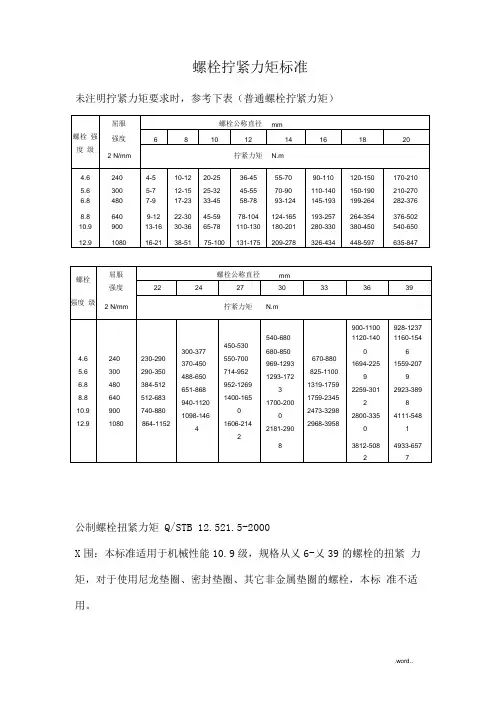
螺栓拧紧力矩表螺栓拧紧力矩标准M6~M24螺钉或螺母的拧紧力矩(操作者参考)螺纹公称直径尺寸d/mmM6M8M10M12施加在扳手上的拧紧力矩M/N.m3.58.316.428.5只加腕力加腕力、肘力加全身臂力加上半身力施力操作要领螺纹公称直径尺寸d/mmM16M20M24施加在扳手上的拧紧力矩M/N.m71137235加满身力压上满身重量压上全身重量施力操纵方法未说明拧紧力矩请求时,参考下表(通俗螺栓拧紧力矩) 螺栓强度级4.65.66.8 8.8 10.9 12.9 屈服强度N/mm 240 300 480 640 900 1080 4-55-77-99-1213-1616-2110-1212-1517-2322-3030-3638-5120-2525-3233-4545-5965-7875-1002螺栓公称直径mm拧紧力矩N.m36-4545-55 58-78 78-104 110-130 131-175 55-70 70-90 93-124 124-165 180-201 209-278 90-110 110-140 145-193 193-257 280-330 326-434 120-150 150-190 199-264264-354380-450448-597170-210210-270282-376376-502540-650635-847未说明拧紧力矩请求时,参考下表(通俗螺栓拧紧力矩) 螺栓强度级4.65.66.88.810.912.9屈从强度N/mm 2403004806409001080230-290 290-350 384-512 512-683 740-880 864-1152 300-377 370-450 488-650 651-868 940-1120 1098-14642螺栓公称直径mm拧紧力矩N.m 450-530550-700714-952952-12691400-16501606-2142540-680680-850969-12931293-17231700-20002181-2908670-880825-11001319-17591759-23452473-32982968-3958900-11001120-14001694-22592259-30122800-33503812-5082928-12371160-15461559-20792923-38984111-54814933-6577公制螺栓扭紧力矩Q/STB 12.521.5-2000范围:本标准适用于机械性能10.9级,规格从M6-M39的螺栓的扭紧力矩,关于利用尼龙垫圈、密封垫圈、别的非金属垫圈的螺栓,本标准不适用。
螺栓拧紧力矩标准未注明拧紧力矩要求时,参考下表(普通螺栓拧紧力矩)公制螺栓扭紧力矩Q/STB 范围:本标准适用于机械性能级,规格从M6-M39的螺栓的扭紧力矩,对于使用尼龙垫圈、密封垫圈、其它非金属垫圈的螺栓,本标准不适用。
★对于设计图纸有明确力矩要求的,应按图纸要求执行。
套管螺母紧固力矩Q/STB B07833-1998材料HPb63-3Y2直通式压注油杯Q/STB B07020-1998(螺纹M6、M8*1、M10*1)紧固力矩:-0.5Kg。
安全阀Q/STB B07029-1998(螺纹R1/8)紧固力矩:。
通气塞Q/STB B07030-1998 (螺纹R1/4)紧固力矩:。
螺塞Q/STB B07040-1998(公称直径08-10螺距,12-36螺距)螺栓(排气)Q/STB B07060-1998(M12*)紧固力矩:。
软管(锥形密封)Q/STB B07100-1998软管(锥形密封)Q/STB B07123-1998(接头部螺母拧紧力矩)拧紧力矩:材料:(Q235)管接头螺母Q/STB B07202-1998 拧紧力矩(Q235 / HPb 59-1)铰接螺栓Q/STB B07206-1998拧紧力矩(Q235)球头式端直通接头Q/STB B07211-1998拧紧力矩(Q235 HPb 60-1 )表中拧紧力矩适用于钢制接头管接头Q/STB B07212-1998紧固力矩(区分代号为5、7的件材料Q235)套管螺母Q/STB B07221-1998拧紧力矩(材料Q235)管接头 Q/STB B07230-1998 拧入紧固力矩 (Q235)弯头(带座)Q/STB B07235-1998 、 B07236-1998 拧紧力矩喉箍 Q/STB B07281-1998 拧紧力矩U形管夹及座Q/STB B07283-1998螺母的紧固力矩(区分代号2、3使用)管夹Q/STB B07289-1998(有效紧固直径φ25-φ232) 紧固力矩:±05Nm套管接头Q/STB B07290-1998套管螺母Q/STB B07833-1998软管(空调器用)Q/STB B09488-1998。
螺栓拧紧力矩国家标准
需要强调的是:拧紧力矩和破坏扭力是两个概念,拧紧力(矩)是指螺丝拧入工件的建议值;破坏扭力(即破坏扭矩)指将螺丝拧断的最小值(详见紧固件的破坏扭矩标准GB3098.13),很显然,拧紧力矩是少于破坏扭矩的。
公制螺栓扭紧力矩 Q/STB 12.521.5-2000
范围:本标准适用于机械性能10.9级,规格从M6-M39的螺栓的扭紧力矩,对于使用尼龙垫圈、密封垫圈、其它非金属垫圈的螺栓,本标准不适用。
在专业的螺栓紧固装配中,一般都配有标准扳手,不同的直径规格的螺栓使用不同长度的扳手。
扳手长度为螺栓直径的15倍左右,在这个基础上使用专业的力学工具可以体现准确的拧紧力矩,达到量化的预紧力,对於一些关键件和重要件尤为重要。
一旦使用大规格长扳手拧紧小规格的螺栓,往往会造成拉过紧,破坏零件本身使
整个连接构件失效。
在拧紧螺母时,两个或者多个零件被压紧,零件自身被压缩,就像弹簧的压缩变形一样,在螺母和螺栓与装配件之间的接触表面零件自身会产生很大的力,这个力会使得螺栓发生拉仲变形,经计算该应力是简单的轴向拉力的1.3倍,螺栓产生的拉应力超过材料的强度极限时,螺栓就被拉断了。
仅仅按操作者的经验进行螺栓的紧固,对於批量生产的产品是非常不科学的。
对於长扳手拧紧小螺栓时,更应该注意预紧力的大小,避免发生过度预紧的现象。
M6~M24螺钉或螺母的拧紧力矩(操作者参考)未注明拧紧力矩要求时,参考下表(普通螺栓拧紧力矩)未注明拧紧力矩要求时,参考下表(普通螺栓拧紧力矩)公制螺栓扭紧力矩Q/STB 12.521.5-2000范围:本标准适用于机械性能10.9级,规格从M6-M39的螺栓的扭紧力矩,对于使用尼龙垫圈、密封垫圈、其它非金属垫圈的螺栓,本标准不适用。
★对于设计图纸有明确力矩要求的,应按图纸要求执行。
套管螺母紧固力矩Q/STB B07833-1998材料HPb63-3Y2直通式压注油杯Q/STB B07020-1998(螺纹M6、M8*1、M10*1)紧固力矩:0.3-0.5Kg.m。
安全阀Q/STB B07029-1998(螺纹R1/8)紧固力矩:2.9-4.9Nm。
通气塞Q/STB B07030-1998 (螺纹R1/4)紧固力矩:2.94-5.88Nm。
螺塞Q/STB B07040-1998(公称直径08-10螺距1.25,12-36螺距1.5)螺栓(排气)Q/STB B07060-1998(M12*1.5)紧固力矩:58.8-78.4N.m。
软管(锥形密封)Q/STB B07100-1998软管(锥形密封)Q/STB B07123-1998(接头部螺母拧紧力矩)螺母(球头式管接头用)Q/STB B07201-1998 拧紧力矩:N.m 材料:(Q235)管接头螺母Q/STB B07202-1998拧紧力矩(Q235 / HPb 59-1)铰接螺栓Q/STB B07206-1998拧紧力矩(Q235)球头式端直通接头Q/STB B07211-1998 拧紧力矩(Q235 HPb 60-1 )表中拧紧力矩适用于钢制接头管接头Q/STB B07212-1998紧固力矩(区分代号为5、7的件材料Q235)套管螺母Q/STB B07221-1998拧紧力矩(材料Q235)管接头Q/STB B07230-1998拧入紧固力矩(Q235)弯头(带座)Q/STB B07235-1998 、B07236-1998拧紧力矩喉箍 Q/STB B07281-1998 拧紧力矩U 形管夹及座Q/STB B07283-1998 螺母的紧固力矩(区分代号 2、3使用)管夹 Q/STB B07289-1998(有效紧固直径φ25-φ232) 紧固力矩:8.8±05Nm套管接头 Q/STB B07290-1998套管螺母Q/STB B07833-1998软管(空调器用)Q/STB B09488-1998。
螺栓拧紧力矩标准M6~M24螺钉或螺母的拧紧力矩(操作者参考)未注明拧紧力矩要求时,参考下表(普通螺栓拧紧力矩)未注明拧紧力矩要求时,参考下表(普通螺栓拧紧力矩)公制螺栓扭紧力矩Q/STB 12.521.5-2000范围:本标准适用于机械性能10.9级,规格从M6-M39的螺栓的扭紧力矩,对于使用尼龙垫圈、密封垫圈、其它非金属垫圈的螺栓,本标准不适用。
★对于设计图纸有明确力矩要求的,应按图纸要求执行。
套管螺母紧固力矩Q/STB B07833-1998紧固件的同行!您好!我是mDesign机械设计平台中国区总代理。
非常期待与您的合作。
我们希望在紧固件领域能有所作为。
我姓张,联系电话137*61966719。
以下是MDESIGN机械设计平台的简要介绍:mDesign是源于德国的一款机械设计平台。
软件编制始于1983年,主要由mDesign公司、德累斯顿工业大学(Technische Universität Dresden)、VDI(德国工程师协会)、DIN 的人员一同编制完成。
软件主要是基于德国机械标准(VDI、DIN以及ISO)进行编制,对机械零件(齿轮、轴、轴承、螺栓、梁、联轴器、皮带、链条、胶接等等)进行计算和验证。
轴基于DIN743,高强度螺栓基于VDI2230,齿轮尺寸设计基于DIN3960,齿轮强度校核基于DIN3990/ISO6336。
MDESIGN对高强度螺栓、轴、齿轮箱、LVR、LVR planet开发了独立的模块,除这些模块同时可对计算结果进行优化。
以下是这5个模块的主要功能:高强度螺栓模块:高温低温工况服役的螺栓、可计算最多5层的被连接件、空心螺栓、自定义齿轮螺栓、不可简化的多螺栓分布、偏心负载工况。
同时我公司聘请了德国波鸿大学的技术支持,专门研究vdi2230的。
以下模块如果您有朋友在做的话也请帮忙推荐。
轴模块:同时对一根轴的8个轴承和50个轴段进行设计、校验和优化、空心轴、锥形轴、自定义槽口、寿命以及疲劳。
螺栓拧紧力矩国家标准
在装配中指的就是螺钉的紧固力的大小,在扭矩扳手时紧固螺丝时,用力F和扭矩扳手的长度L之积结果就是紧固力矩的大小,当然,扭矩扳手的力是可以设定
一、不同的螺钉拧紧力矩参考值
表1摘录和整理于机械设计手册,它是依螺纹连接拧紧力矩计算方法而得,它的计算主要考虑了螺钉螺纹的承受力,即在没有滑牙和拧断螺钉的情况下,从螺钉螺纹的强度考虑,对于电子装配中的静载荷,拧紧力矩要取破坏力矩的0.8:1 以下。
螺纹类型螺钉规格(mm)
螺钉拧紧力矩参考值M(N m)
8.8级 10.9级 12.0级
粗牙 M2 0.3 0.4 0.45
M2.5 0.6 0.8 0.9
M3 1.2 1.5 1.8
M3.5 2.2 2.5 3
M4 3.0 4.4 5.1
M5 5.9 8.7 10
M6 10 16 18
M8 25 36 43
范围:。
螺栓拧紧力矩标准■全螺栓拧紧力矩标准未注明拧紧力矩要求时,参考下表(普通螺栓拧紧力矩)公制螺栓扭紧力矩Q/STB 12.521.5-2000范围:本标准适用于机械性能10.9级,规格从M6-M39的螺栓的扭紧力矩,对于使用尼龙垫圈、密封垫圈、其它非金属垫圈的螺栓,本标准不适用。
★对于设计图纸有明确力矩要求的,应按图纸要求执行套管螺母紧固力矩Q/STB B07833-1998材料HPb63-3Y2直通式压注油杯Q/STB B07020-199&螺纹M6、M8*1、M10*1)紧固力矩:0.3-0.5Kg.m安全阀Q/STB B07029-1998(螺纹R1/8)紧固力矩:2.9-4.9Nmo通气塞Q/STB B07030-1998 (螺纹R1/4)紧固力矩:2.94-5.88Nm。
螺塞Q/STB B07040-1998(公称直径08-10螺距 1.25, 12-36螺距 1.5)螺栓(排气) Q/STB B07060-1998( M12*1.5)紧固力矩:58.8-78.4N.m软管(锥形密封)Q/STB B07100-1998软管(锥形密封)Q/STB B07123-1998(接头部螺母拧紧力矩)螺母(球头式管接头用)Q/STB B07201-1998 拧紧力矩:N.m 材料:(Q235)管接头螺母Q/STB B07202-1998拧紧力矩(Q235 / HPb 59-1 )铰接螺栓Q/STB B07206-1998拧紧力矩(Q235)球头式端直通接头Q/STB B07211-1998拧紧力矩(Q235 HPb 60-1 )表中拧紧力矩适用于钢制接头管接头Q/STB B07212-1998紧固力矩(区分代号为5、7的件材料Q235)套管螺母Q/STB B07221-1998拧紧力矩(材料Q235)管接头Q/STB B07230-1998拧入紧固力矩(Q235)弯头(带座)Q/STB B07235-1998、B07236-1998 拧紧力矩喉箍Q/STB B07281-1998拧紧力矩U 形管夹及座Q/STB B07283-1998螺母的紧固力矩(区分代号2、3使用)管夹Q/STB B07289-1998有效紧固直径© 25-牡32) 紧固力矩:8.8± 05Nm套管接头Q/STB B07290-1998套管螺母Q/STB B07833-1998软管(空调器用)Q/STB B09488-1998。
螺栓拧紧力矩标准未注明拧紧力矩要求时,参考下表(普通螺栓拧紧力矩)公制螺栓扭紧力矩Q/STB 12.521.5-2000X围:本标准适用于机械性能10.9级,规格从乂6-乂39的螺栓的扭紧力矩,对于使用尼龙垫圈、密封垫圈、其它非金属垫圈的螺栓,本标准不适用。
★对于设计图纸有明确力矩要求的,应按图纸要求执行。
套管螺母紧固力矩Q/STB B07833-1998材料HPb63-3Y2直通式压注油杯Q/STB 807020-1998〔螺纹M6、M8*1、M10*1〕紧固力矩:0.3-0.5Kg.m。
平安阀Q/STB B07029-1998〔螺纹R1/8〕紧固力矩:2.9-4.9Nm。
通气塞Q/STB B07030-1998 〔螺纹R1/4〕紧固力矩:2.94-5.88Nm。
螺塞Q/STB B07040-1998〔公称直径08-10 螺距1.25, 12-36 螺距1.5〕螺栓〔排气〕Q/STB B07060-1998〔M12*1.5〕紧固力矩:58.8-78.4N.m。
软管〔锥形密封〕Q/STB B07100-1998软管〔锥形密封〕Q/STB B07123-1998〔接头部螺母拧紧力矩〕螺母〔球头式管接头用〕Q/STB B07201-1998 拧紧力矩:仙|^ 材料:〔Q235〕管接头螺母Q/STB B07202-1998拧紧力矩〔。
235 / HPb 59-1〕铰接螺栓Q/STB B07206-1998拧紧力矩〔。
235〕球头式端直通接头Q/STB B07211-1998 拧紧力矩〔。
235 HPb 60-1 〕表中拧紧力矩适用于钢制接头管接头Q/STB B07212-1998紧固力矩〔区分代号为5、7的件材料。
235〕套管螺母Q/STB B07221-1998拧紧力矩〔材料。
235〕管接头Q/STB B07230-1998拧入紧固力矩〔。
235〕弯头〔带座〕Q/STB B07235-1998 、B07236-1998 拧紧力矩喉箍Q/STB B07281-1998拧紧力矩U 形管夹及座Q/STB B07283-1998螺母的紧固力矩〔区分代号2、3使用〕管夹Q/STB 807289-1998(有效紧固直径025-0232) 紧固力矩:8.8±05Nm套管接头Q/STB B07290-1998套管螺母Q/STB B07833-1998软管〔空调器用〕Q/STB B09488-1998。
螺栓拧紧力矩及标准(共8页) -本页仅作为预览文档封面,使用时请删除本页-螺栓拧紧力矩标准M6~M24螺钉或螺母的拧紧力矩(操作者参考)未注明拧紧力矩要求时,参考下表(普通螺栓拧紧力矩)未注明拧紧力矩要求时,参考下表(普通螺栓拧紧力矩)公制螺栓扭紧力矩 Q/STB 范围:本标准适用于机械性能级,规格从M6-M39的螺栓的扭紧力矩,对于使用尼龙垫圈、密封垫圈、其它非金属垫圈的螺栓,本标准不适用。
★对于设计图纸有明确力矩要求的,应按图纸要求执行。
套管螺母紧固力矩 Q/STB B07833-1998材料 HPb63-3Y2直通式压注油杯 Q/STB B07020-1998(螺纹M6、M8*1、M10*1)紧固力矩:。
安全阀 Q/STB B07029-1998(螺纹R1/8)紧固力矩:。
通气塞 Q/STB B07030-1998 (螺纹R1/4)紧固力矩:。
螺塞 Q/STB B07040-1998(公称直径08-10螺距,12-36螺距)螺栓(排气) Q/STB B07060-1998(M12*)紧固力矩:。
软管(锥形密封)Q/STB B07100-1998软管(锥形密封) Q/STB B07123-1998(接头部螺母拧紧力矩)螺母(球头式管接头用) Q/STB B07201-1998 拧紧力矩:材料:(Q235)管接头螺母 Q/STB B07202-1998拧紧力矩(Q235 / HPb 59-1)铰接螺栓 Q/STB B07206-1998拧紧力矩(Q235)球头式端直通接头 Q/STB B07211-1998拧紧力矩(Q235 HPb 60-1 )表中拧紧力矩适用于钢制接头管接头 Q/STB B07212-1998紧固力矩(区分代号为5、7的件材料Q235)套管螺母 Q/STB B07221-1998拧紧力矩(材料Q235)管接头 Q/STB B07230-1998拧入紧固力矩(Q235)弯头(带座) Q/STB B07235-1998 、 B07236-1998拧紧力矩喉箍 Q/STB B07281-1998拧紧力矩U形管夹及座 Q/STB B07283-1998螺母的紧固力矩(区分代号 2、3使用)管夹 Q/STB B07289-1998(有效紧固直径φ25-φ232)紧固力矩:±05Nm套管接头 Q/STB B07290-1998套管螺母 Q/STB B07833-1998软管(空调器用) Q/STB B09488-1998。
螺栓拧紧力矩标准-全(总7页)--本页仅作为文档封面,使用时请直接删除即可----内页可以根据需求调整合适字体及大小--螺栓拧紧力矩标准未注明拧紧力矩要求时,参考下表(普通螺栓拧紧力矩)公制螺栓扭紧力矩 Q/STB 范围:本标准适用于机械性能级,规格从M6-M39的螺栓的扭紧力矩,对于使用尼龙垫圈、密封垫圈、其它非金属垫圈的螺栓,本标准不适用。
★对于设计图纸有明确力矩要求的,应按图纸要求执行。
套管螺母紧固力矩 Q/STB B07833-1998材料 HPb63-3Y2直通式压注油杯 Q/STB B07020-1998(螺纹M6、M8*1、M10*1)紧固力矩:。
安全阀 Q/STB B07029-1998(螺纹R1/8)紧固力矩:。
通气塞 Q/STB B07030-1998 (螺纹R1/4)紧固力矩:。
螺塞 Q/STB B07040-1998(公称直径08-10螺距,12-36螺距)螺栓(排气) Q/STB B07060-1998(M12*)紧固力矩:。
软管(锥形密封)Q/STB B07100-1998软管(锥形密封) Q/STB B07123-1998(接头部螺母拧紧力矩)螺母(球头式管接头用) Q/STB B07201-1998 拧紧力矩:材料:(Q235)管接头螺母 Q/STB B07202-1998拧紧力矩(Q235 / HPb 59-1)铰接螺栓 Q/STB B07206-1998拧紧力矩(Q235)球头式端直通接头 Q/STB B07211-1998拧紧力矩(Q235 HPb 60-1 )表中拧紧力矩适用于钢制接头管接头 Q/STB B07212-1998紧固力矩(区分代号为5、7的件材料Q235)套管螺母 Q/STB B07221-1998拧紧力矩(材料Q235)管接头 Q/STB B07230-1998拧入紧固力矩(Q235)弯头(带座) Q/STB B07235-1998 、 B07236-1998拧紧力矩喉箍 Q/STB B07281-1998 拧紧力矩U 形管夹及座 Q/STB B07283-1998 螺母的紧固力矩(区分代号2、3使用)管夹 Q/STB B07289-1998(有效紧固直径φ25-φ232) 紧固力矩:±05Nm套管接头 Q/STB B07290-1998套管螺母 Q/STB B07833-1998软管(空调器用) Q/STB B09488-1998。
螺栓拧紧力矩标准M6~M24螺钉或螺母的拧紧力矩(操作者参考)未注明拧紧力矩要求时,参考下表(普通螺栓拧紧力矩)未注明拧紧力矩要求时,参考下表(普通螺栓拧紧力矩)公制螺栓扭紧力矩Q/STB 12.521.5-2000范围:本标准适用于机械性能10.9级,规格从M6-M39的螺栓的扭紧力矩,对于使用尼龙垫圈、密封垫圈、其它非金属垫圈的螺栓,本标准不适用。
★对于设计图纸有明确力矩要求的,应按图纸要求执行。
套管螺母紧固力矩Q/STB B07833-1998材料HPb63-3Y2直通式压注油杯Q/STB B07020-1998(螺纹M6、M8*1、M10*1)紧固力矩:0.3-0.5Kg.m。
安全阀Q/STB B07029-1998(螺纹R1/8)紧固力矩:2.9-4.9Nm。
通气塞Q/STB B07030-1998 (螺纹R1/4)紧固力矩:2.94-5.88Nm。
螺塞Q/STB B07040-1998(公称直径08-10螺距1.25,12-36螺距1.5)螺栓(排气)Q/STB B07060-1998(M12*1.5)紧固力矩:58.8-78.4N.m。
软管(锥形密封)Q/STB B07100-1998软管(锥形密封)Q/STB B07123-1998(接头部螺母拧紧力矩)螺母(球头式管接头用)Q/STB B07201-1998 拧紧力矩:N.m 材料:(Q235)管接头螺母Q/STB B07202-1998拧紧力矩(Q235 / HPb 59-1)铰接螺栓Q/STB B07206-1998拧紧力矩(Q235)球头式端直通接头Q/STB B07211-1998 拧紧力矩(Q235 HPb 60-1 )表中拧紧力矩适用于钢制接头管接头Q/STB B07212-1998紧固力矩(区分代号为5、7的件材料Q235)套管螺母Q/STB B07221-1998拧紧力矩(材料Q235)管接头Q/STB B07230-1998拧入紧固力矩(Q235)弯头(带座)Q/STB B07235-1998 、B07236-1998 拧紧力矩喉箍Q/STB B07281-1998拧紧力矩U形管夹及座Q/STB B07283-1998螺母的紧固力矩(区分代号2、3使用)管夹Q/STB B07289-1998(有效紧固直径φ25-φ232) 紧固力矩:8.8±05Nm套管接头Q/STB B07290-1998套管螺母Q/STB B07833-1998软管(空调器用)Q/STB B09488-1998。
螺栓拧紧力矩标准未注明拧紧力矩要求时,参考下表(普通螺栓拧紧力矩)公制螺栓扭紧力矩Q/STB 12.521.5-2000范围:本标准适用于机械性能10.9级,规格从M6-M39的螺栓的扭紧力矩,对于使用尼龙垫圈、密封垫圈、其它非金属垫圈的螺栓,本标准不适用。
★对于设计图纸有明确力矩要求的,应按图纸要求执行。
套管螺母紧固力矩Q/STB B07833-1998材料HPb63-3Y2直通式压注油杯Q/STB B07020-1998(螺纹M6、M8*1、M10*1)紧固力矩:0.3-0.5Kg.m。
安全阀Q/STB B07029-1998(螺纹R1/8)紧固力矩:2.9-4.9Nm。
通气塞Q/STB B07030-1998 (螺纹R1/4)紧固力矩:2.94-5.88Nm。
螺塞Q/STB B07040-1998(公称直径08-10螺距1.25,12-36螺距1.5)螺栓(排气)Q/STB B07060-1998(M12*1.5)紧固力矩:58.8-78.4N.m。
软管(锥形密封)Q/STB B07100-1998软管(锥形密封)Q/STB B07123-1998(接头部螺母拧紧力矩)螺母(球头式管接头用)Q/STB B07201-1998 拧紧力矩:N.m 材料:(Q235)管接头螺母Q/STB B07202-1998拧紧力矩(Q235 / HPb 59-1)铰接螺栓Q/STB B07206-1998拧紧力矩(Q235)球头式端直通接头Q/STB B07211-1998 拧紧力矩(Q235 HPb 60-1 )表中拧紧力矩适用于钢制接头管接头Q/STB B07212-1998紧固力矩(区分代号为5、7的件材料Q235)套管螺母Q/STB B07221-1998拧紧力矩(材料Q235)管接头Q/STB B07230-1998拧入紧固力矩(Q235)弯头(带座) Q/STB B07235-1998 、 B07236-1998 拧紧力矩喉箍 Q/STB B07281-1998 拧紧力矩U 形管夹及座Q/STB B07283-1998 螺母的紧固力矩(区分代号 2、3使用)管夹 Q/STB B07289-1998(有效紧固直径φ25-φ232)紧固力矩:8.8±05Nm套管接头Q/STB B07290-1998套管螺母Q/STB B07833-1998软管(空调器用)Q/STB B09488-1998。
螺栓拧紧力矩标准未注明拧紧力矩要求时,参考下表(普通螺栓拧紧力矩)公制螺栓扭紧力矩Q/STB 12.521.5-2000范围:本标准适用于机械性能10.9级,规格从M6-M39的螺栓的扭紧力矩,对于使用尼龙垫圈、密封垫圈、其它非金属垫圈的螺栓,本标准不适用。
★对于设计图纸有明确力矩要求的,应按图纸要求执行。
套管螺母紧固力矩Q/STB B07833-1998材料HPb63-3Y2直通式压注油杯Q/STB B07020-1998(螺纹M6、M8*1、M10*1)紧固力矩:0.3-0.5Kg.m。
安全阀Q/STB B07029-1998(螺纹R1/8)紧固力矩:2.9-4.9Nm。
通气塞Q/STB B07030-1998 (螺纹R1/4)紧固力矩:2.94-5.88Nm。
螺塞Q/STB B07040-1998(公称直径08-10螺距1.25,12-36螺距1.5)螺栓(排气)Q/STB B07060-1998(M12*1.5)紧固力矩:58.8-78.4N.m。
软管(锥形密封)Q/STB B07100-1998软管(锥形密封)Q/STB B07123-1998 (接头部螺母拧紧力矩)螺母(球头式管接头用)Q/STB B07201-1998 拧紧力矩:N.m 材料:(Q235)管接头螺母Q/STB B07202-1998拧紧力矩(Q235 / HPb 59-1)铰接螺栓Q/STB B07206-1998拧紧力矩(Q235)球头式端直通接头Q/STB B07211-1998 拧紧力矩(Q235 HPb 60-1 )表中拧紧力矩适用于钢制接头管接头Q/STB B07212-1998紧固力矩(区分代号为5、7的件材料Q235)套管螺母Q/STB B07221-1998拧紧力矩(材料Q235)管接头Q/STB B07230-1998拧入紧固力矩(Q235)弯头(带座)Q/STB B07235-1998 、B07236-1998 拧紧力矩喉箍 Q/STB B07281-1998 拧紧力矩U 形管夹及座Q/STB B07283-1998 螺母的紧固力矩(区分代号 2、3使用)管夹 Q/STB B07289-1998(有效紧固直径φ25-φ232) 紧固力矩:8.8±05Nm套管接头 Q/STB B07290-1998套管螺母Q/STB B07833-1998软管(空调器用)Q/STB B09488-1998。
发动机参数及标准螺栓的拧紧力矩发动机参数标准螺栓的拧紧力矩
一、发动机参数
表2-1 发动机参数
支座与车身螺栓(13MM)----25Nm
支座与车身螺栓(18MM)----40Nm+90度/50Nm 支座与发动机支座螺栓(18Mm)----100Nm
变速箱与总成支座
支座与车身螺栓(13MM)----25Nm
支座与车身螺栓(18MM)----40Nm+90度/50Nm 支座与变速器支座螺栓(18MM)----100Nm
摆动支架
摆动支架与变速箱螺栓----40Nm+90度/50Nm 摆动支架与副车架螺栓----20Nm+90度/25Nm 发动机部分
放油螺栓----30Nm
机油滤清器----20Nm
曲轴正时轮螺栓----90Nm+90度
凸轮轴正时轮螺栓----65Nm
曲轴轴瓦----65Nm+90度
连杆轴瓦----80Nm+90度
缸盖螺栓第一步----40Nm
缸盖螺栓第二步----90度
缸盖螺栓第三步----90度
爆震传感器----20Nm
双温开关----15Nm
氧传感器----50Nm
三元催化器与排气管连接螺栓----40Nm
排气管双箍螺栓----40Nm
变速箱部分
变速箱与发动机连接部分----80Nm
变速箱与启动机连接部分----80Nm
变速箱与油底壳螺丝----40Nm
换档杆壳体与车身----25Nm
换档拉锁支架到变速器连接螺栓----25Nm
变速箱油堵----25Nm
速度表驱动轴----30Nm
变速器壳盖螺栓----10Nm
离合器总泵----25Nm
离合器分泵----25Nm
底盘部分
制动踏板与助力器之间螺栓----20Nm
前制动卡钳----285Nm
后制动卡钳----35Nm
转向拉杆与万向节连接----45Nm
方向盘紧固螺母----50Nm
转向十字轴与转向机连接----30Nm
控制臂球头与控制臂连接----20Nm+90度
控制臂球头自锁螺母----450Nm
稳定杆与控制臂连接螺栓----45Nm
稳定杆穿销自锁螺母----45Nm
控制臂与副车架----70Nm+90度
控制臂与车身----100Nm+90度
副车架与转向机----20Nm+90度
前减震器与转向节连接螺栓----65Nm+90度/75Nm 前减震器上部六角螺母----60Nm
后轮轴头自锁螺母----175Nm
后桥支架与后桥连接----80Nm
后桥支架与车身连接----75Nm
后桥与后分泵连接----65Nm
后轮轴头连接----60Nm
后减震器与后桥连接----60Nm
后减震器与车身连接----75Nm
驱动轮法兰连接螺栓----50Nm
轮胎螺栓----120Nm
上面是宝来,高尔夫的。