Removed_图文详解stm32时钟树
- 格式:pdf
- 大小:131.60 KB
- 文档页数:5
void RCC_Configuration(void){/* RCC system reset(for debug purpose) */ RCC_DeInit();/* Enable HSE */RCC_HSEConfig(RCC_HSE_ON);/* Wait till HSE is ready */HSEStartUpStatus = RCC_WaitForHSEStartUp();if(HSEStartUpStatus == SUCCESS){/* Enable Prefetch Buffer */FLASH_PrefetchBufferCmd(FLASH_PrefetchBuffer_Enable);/* Flash 2 wait state */FLASH_SetLatency(FLASH_Latency_2);/* HCLK = SYSCLK */RCC_HCLKConfig(RCC_SYSCLK_Div1);/* PCLK2 = HCLK */RCC_PCLK2Config(RCC_HCLK_Div1);/* PCLK1 = HCLK/2 */RCC_PCLK1Config(RCC_HCLK_Div2);/* PLLCLK = 8MHz * 9 = 72 MHz */RCC_PLLConfig(RCC_PLLSource_HSE_Div1, RCC_PLLMul_9);/* Enable PLL */RCC_PLLCmd(ENABLE);/* Wait till PLL is ready */while(RCC_GetFlagStatus(RCC_FLAG_PLLRDY) == RESET){}/* Select PLL as system clock source */RCC_SYSCLKConfig(RCC_SYSCLKSource_PLLCLK);/* Wait till PLL is used as system clock source */while(RCC_GetSYSCLKSource() != 0x08){}}}systemclock共有三个来源,上面代码最后RCC_SYSCLKConfig(RCC_SYSCLKSource_PLLCLK);应该是选择PLLCLK为时钟源void RCC_Configuration(void){/* RCC system reset(for debug purpose) */RCC_DeInit();/* Enable HSE */RCC_HSEConfig(RCC_HSE_ON); ------------SHE外部晶振起震(8M)/* Wait till HSE is ready */HSEStartUpStatus = RCC_WaitForHSEStartUp();if(HSEStartUpStatus == SUCCESS) --------------起震成功配置,flash取指令设置{/* Enable Prefetch Buffer */FLASH_PrefetchBufferCmd(FLASH_PrefetchBuffer_Enable);/* Flash 2 wait state */FLASH_SetLatency(FLASH_Latency_2);/* HCLK = SYSCLK */RCC_HCLKConfig(RCC_SYSCLK_Div1); --------------AHB总线不分频/* PCLK2 = HCLK */RCC_PCLK2Config(RCC_HCLK_Div1); --------------APB2总线不分频/* PCLK1 = HCLK/2 */RCC_PCLK1Config(RCC_HCLK_Div2); --------------APB1总线二分频/* PLLCLK = 8MHz * 9 = 72 MHz */RCC_PLLConfig(RCC_PLLSource_HSE_Div1, RCC_PLLMul_9); -----PLLCLK =8MHz * 9 = 72 MHz/* Enable PLL */RCC_PLLCmd(ENABLE); --------------- PLL 使能/* Wait till PLL is ready */while(RCC_GetFlagStatus(RCC_FLAG_PLLRDY) == RESET){}/* Select PLL as system clock source */RCC_SYSCLKConfig(RCC_SYSCLKSource_PLLCLK); -------选择PLLCLK为系统时钟systemclk/* Wait till PLL is used as system clock source */while(RCC_GetSYSCLKSource() != 0x08){}}}从这里可以看到最后AHB时钟为72M(最大也是72M);APB2时钟72M(最大也是72M);APB1时钟36M(最大也是36M);所以可以得到APB2预分频系数为1;APB1预分频系数为2。
STM32 系统时钟配置一、STM32的时钟系统时钟是什么?时钟通常是振荡器(如晶振)产生的特定频率的方波信号,时钟周期是时钟频率的倒数,时钟频率1MHz时钟周期为1/1000000=1us。
时钟周期是MCU处理指令的最小时间单元,每个程序指令都需要若干个时钟周期,MCU的时钟频率越快,完成一个指令的时间就越短,速度就越快。
时钟是MCU运行的基础,好比MCU的脉搏,是MCU性能的重要参数。
每个MCU 都是在某个特定的时钟频率下进行工作的,如C51单片机时钟频率为12MHz,而STM32F103 的系统时钟频率是72MHz。
STM32的时钟系统STM32时钟频率较高,时钟越快功耗越大,同时抗电磁干扰能力也会越弱。
而且STM32外设非常多,而通常外设是不需要像系统时钟那么高的频率的,比如看门狗和RTC 只需要几十K的时钟即可。
另外实际使用的时候通常只会用到有限的几个外设,STM32可以只给需要启动的外设分配时钟,以此来降低功耗。
由此可看出STM32 的时钟系统较为复杂,它采用了多个时钟源的方法来解决这些问题。
STM32 有4个独立时钟源:HSI、HSE、LSI、LSE。
①、HSI是高速内部时钟,RC振荡器,频率为8MHz,精度不高。
②、HSE是高速外部时钟,可接石英/陶瓷谐振器,或者接外部时钟源,频率范围为4MHz~16MHz。
③、LSI是低速内部时钟,RC振荡器,频率为40kHz,提供低功耗时钟。
④、LSE是低速外部时钟,接频率为32.768kHz的石英晶体。
其中LSI是作为IWDGCLK(独立看门狗)时钟源和RTC时钟源而独立使用,HSI高速内部时钟 HSE高速外部时钟 PLL锁相环时钟这三个经过分频或者倍频作为系统时钟来使用基本时钟源(图中绿色箭头指出):(1)HSI高速内部时钟,RC振荡器,8MHz。
(2)HSE高速外部时钟,石英/陶瓷谐振器,8MHz。
(3)LSI低速内部时钟,RC振荡器,40kHz。
stm32定时器时钟以及中间对齐模式在永磁同步电机的控制中,需要对电机的三相定⼦施加⼀定的电压,才能控制电机转动。
现在⽤的较多的是SVPWM(SVPWM的具体原理会在后⾯另写⼀篇博客说明),要想产⽣SVPWM波形,需要控制的三相电压呈如下形式,即A、B、C三相的电压是中间对齐的,这就需要⽤到stm32定时器的中间对齐模式了。
1、stm32的时钟树stm32的时钟树如下图所⽰,简单介绍⼀下stm32时钟的配置过程。
以外部时钟作为时钟源为例。
HSE代表外部时钟(假设为8M)、SYSCLK为系统时钟,经过倍频器之后变成168M、SYSCLK经过AHB预分频器(假设分频系数为1)后变成HCLK时钟等于系统时钟SYSCLK,HCLK即AHB外部总线时钟,经过APB预分频器分出APB1时钟(分频系数为2,低速设备SYSCLK/4)与APB2时钟(分频系数为1,⾼速设备SYSCLK/2)HSE->SYSCLK->HCLK->APB1、APB2。
针对stm32f427的配置源码如下static void SetSysClock(void){#if defined (STM32F40_41xxx) || defined (STM32F427_437xx) || defined (STM32F429_439xx) || defined (STM32F401xx)/******************************************************************************//* PLL (clocked by HSE) used as System clock source *//******************************************************************************/__IO uint32_t StartUpCounter = 0, HSEStatus = 0;/* Enable HSE */RCC->CR |= ((uint32_t)RCC_CR_HSEON);/* Wait till HSE is ready and if Time out is reached exit */do{HSEStatus = RCC->CR & RCC_CR_HSERDY;StartUpCounter++;} while((HSEStatus == 0) && (StartUpCounter != HSE_STARTUP_TIMEOUT));if ((RCC->CR & RCC_CR_HSERDY) != RESET){HSEStatus = (uint32_t)0x01;}else{HSEStatus = (uint32_t)0x00;}if (HSEStatus == (uint32_t)0x01){/* Select regulator voltage output Scale 1 mode */RCC->APB1ENR |= RCC_APB1ENR_PWREN;PWR->CR |= PWR_CR_VOS;/* HCLK = SYSCLK / 1*/RCC->CFGR |= RCC_CFGR_HPRE_DIV1;//AHB时钟#if defined (STM32F40_41xxx) || defined (STM32F427_437xx) || defined (STM32F429_439xx)/* PCLK2 = HCLK / 2*/RCC->CFGR |= RCC_CFGR_PPRE2_DIV2;//APB2时钟/* PCLK1 = HCLK / 4*/RCC->CFGR |= RCC_CFGR_PPRE1_DIV4;//APB1时钟#endif /* STM32F40_41xxx || STM32F427_437x || STM32F429_439xx *//* Configure the main PLL */RCC->PLLCFGR = PLL_M | (PLL_N << 6) | (((PLL_P >> 1) -1) << 16) |(RCC_PLLCFGR_PLLSRC_HSE) | (PLL_Q << 24);/* Enable the main PLL */RCC->CR |= RCC_CR_PLLON;/* Wait till the main PLL is ready */while((RCC->CR & RCC_CR_PLLRDY) == 0){}#if defined (STM32F427_437xx) || defined (STM32F429_439xx)/* Enable the Over-drive to extend the clock frequency to 180 Mhz */PWR->CR |= PWR_CR_ODEN;while((PWR->CSR & PWR_CSR_ODRDY) == 0){}PWR->CR |= PWR_CR_ODSWEN;while((PWR->CSR & PWR_CSR_ODSWRDY) == 0){}/* Configure Flash prefetch, Instruction cache, Data cache and wait state */FLASH->ACR = FLASH_ACR_PRFTEN | FLASH_ACR_ICEN |FLASH_ACR_DCEN |FLASH_ACR_LATENCY_5WS; #endif /* STM32F427_437x || STM32F429_439xx *//* Select the main PLL as system clock source */RCC->CFGR &= (uint32_t)((uint32_t)~(RCC_CFGR_SW));RCC->CFGR |= RCC_CFGR_SW_PLL;/* Wait till the main PLL is used as system clock source */while ((RCC->CFGR & (uint32_t)RCC_CFGR_SWS ) != RCC_CFGR_SWS_PLL);{}}else{ /* If HSE fails to start-up, the application will have wrong clockconfiguration. User can add here some code to deal with this error */}}2、stm32定时器的时钟stm32定时器分为⾼级定时器(TIM1与TIM8)、通⽤定时器(TIM2-TIM5、TIM9-TIM14)、基本定时器(TIM6、TIM7)。
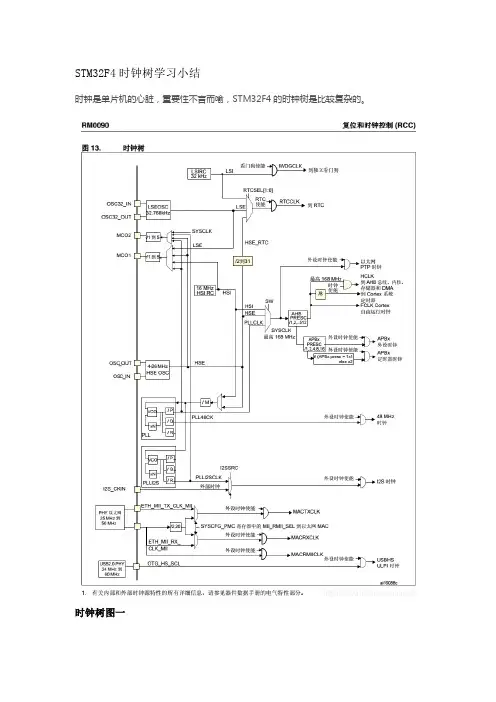
STM32F4时钟树学习小结时钟是单片机的心脏,重要性不言而喻,STM32F4的时钟树是比较复杂的。
时钟树图一时钟树图二1:STMF4xx系统共计有三个主要时钟源(HSI、HSE和PLL)和两个次要时钟源(LSE、LSI)。
2:SYSCLK可以来自HSI、HSE和PLL,多数采用PLL频率最高能达到168MHz。
3:RTC时钟可以来自LSE、LSI和HSE,但只有用LSE时,才能保证系统电源掉电时RTC仍能正常工作。
4:可通过多个预分频器配置AHB 频率、高速APB (APB2) 和低速APB (APB1)。
AHB 域的最大频率为168 MHz。
高速APB2 域的最大允许频率为84 MHz。
低速APB1 域的最大允许频率为42 MHz。
5:STM32F405xx/07xx 和STM32F415xx/17xx 的定时器时钟频率由硬件自动设置。
如果APB 预分频器为1,定时器时钟频率等于APB 域的频率。
否则,等于APB 域的频率的两倍(×2)。
6:除以下时钟外,所有外设时钟均由系统时钟(SYSCLK) 提供:●来自于特定PLL 输出(PLL48CLK) 的USB OTG FS 时钟(48 MHz)、基于模拟技术的随机数发生器(RNG) 时钟(<=48 MHz) 和SDIO 时钟(<= 48 MHz)。
●I2S 时钟●由外部PHY 提供的USB OTG HS (60 MHz) 时钟●由外部PHY 提供的以太网MAC 时钟(TX、RX 和RMII)。
下面介绍挂在不同总线上的设备情况1、挂在AHB1总线的外设有:最高时钟频率:168MHZ1)GPIOA~K2)RCC_AHB1Periph_CRC3)FLITF4)SRAM15)SRAM26)BKPSRAM7)SRAM38)CCMDATARAMEN9)DMA110)DMA211)DMA2D12)ETH_MAC、ETH_MAC_Tx、ETH_MAC_Rx、ETH_MAC_PTP13)OTG_HS、OTG_HS_ULPI2、挂在AHB2总线的外设有:最高时钟频率:168MHZ1)DCMI2)CRYP3)HASH4)RNG5)OTG_FS3、挂在APB1_Peripherals 有:最高时钟频率:42MHZ1)TIM2~142)WWDG3)SPI2~34)USART2~35)UART4~5,7~86)I2C1~37)CAN1~28)PWR9)DAC4、挂在APB2_Peripherals 有:最高时钟频率:84MHZ1)TIM1,8~112)USART1,63)ADC4)ADC1~35)SDIO,1,4,5,66)SYSCFG7)SAI18)LTDC。
STM32学习----时钟(转载)在STM32中,有五个时钟源,为HSI、HSE、LSI、LSE、PLL。
①、HSI是高速内部时钟,RC振荡器,频率为8MHz。
②、HSE是高速外部时钟,可接石英/陶瓷谐振器,或者接外部时钟源,频率范围为4MHz~16MHz。
HSE/LSE时钟源③、LSI是低速内部时钟,RC振荡器,频率为40kHz。
④、LSE是低速外部时钟,接频率为32.768kHz的石英晶体。
⑤、PLL为锁相环倍频输出,其时钟输入源可选择为HSI/2、HSE或者HSE/2。
倍频可选择为2~16倍,但是其输出频率最大不得超过72MHz。
其中40kHz的LSI供独立看门狗IWDG使用,另外它还可以被选择为实时时钟RTC的时钟源。
另外,实时时钟RTC的时钟源还可以选择LSE,或者是HSE的128分频。
RTC的时钟源通过RTCSEL[1:0]来选择。
STM32中有一个全速功能的USB模块,其串行接口引擎需要一个频率为48MHz 的时钟源。
该时钟源只能从PLL输出端获取,可以选择为1.5分频或者1分频,也就是,当需要使用USB模块时,PLL必须使能,并且时钟频率配置为48MHz或72MHz。
另外,STM32还可以选择一个时钟信号输出到MCO脚(PA8)上,可以选择为PLL 输出的2分频、HSI、HSE、或者系统时钟。
系统时钟SYSCLK,它是供STM32中绝大部分部件工作的时钟源。
系统时钟可选择为PLL输出、HSI或者HSE。
系统时钟最大频率为72MHz,它通过AHB分频器分频后送给各模块使用,AHB分频器可选择1、2、4、8、16、64、128、256、512分频。
其中AHB分频器输出的时钟送给5大模块使用:①、送给AHB总线、内核、内存和DMA使用的HCLK时钟。
②、通过8分频后送给Cortex的系统定时器时钟。
③、直接送给Cortex的空闲运行时钟FCLK。
④、送给APB1分频器。
APB1分频器可选择1、2、4、8、16分频,其输出一路供APB1外设使用(PCLK1,最大频率36MHz),另一路送给定时器(Timer)2、3、4倍频器使用。
在STM32上如果不使用外部晶振,OSC_IN和OSC_OUT的接法如果使用内部RC振荡器而不使用外部晶振,请按照下面方法处理:1)对于100脚或144脚的产品,OSC_IN应接地,OSC_OUT应悬空。
2)对于少于100脚的产品,有2种接法:2.1)OSC_IN和OSC_OUT分别通过10K电阻接地。
此方法可提高EMC性能。
2.2)分别重映射OSC_IN和OSC_OUT至PD0和PD1,再配置PD0和PD1为推挽输出并输出'0'。
此方法可以减小功耗并(相对上面2.1)节省2个外部电阻。
HSI内部8MHz的RC振荡器的误差在1%左右,内部RC振荡器的精度通常比用HSE(外部晶振)要差上十倍以上。
STM32的ISP就是用(HSI)内部RC振荡器。
STM32时钟系统在STM32中,有五个时钟源,为HSI、HSE、LSI、LSE、PLL。
①HSI是高速内部时钟,RC振荡器,频率为8MHz。
②HSE是高速外部时钟,可接石英/陶瓷谐振器,或者接外部时钟源,频率范围为4MHz~16MHz。
③LSI是低速内部时钟,RC振荡器,频率为40kHz。
④LSE是低速外部时钟,接频率为32.768kHz的石英晶体。
⑤PLL为锁相环倍频输出,其时钟输入源可选择为HSI/2、HSE或者HSE/2。
倍频可选择为2~16倍,但是其输出频率最大不得超过72MHz。
用户可通过多个预分频器配置AHB总线、高速APB2总线和低速APB1总线的频率。
AHB 和APB2域的最大频率是72MHZ。
APB1域的最大允许频率是36MHZ。
SDIO接口的时钟频率固定为HCLK/2。
40kHz的LSI供独立看门狗IWDG使用,另外它还可以被选择为实时时钟RTC的时钟源。
另外,实时时钟RTC的时钟源还可以选择LSE,或者是HSE的128分频。
RTC的时钟源通过RTCSEL[1:0]来选择。
STM32中有一个全速功能的USB模块,其串行接口引擎需要一个频率为48MHz的时钟源。
STM32F103ZET6时钟1、STM32F103ZET6时钟说明 STM32F103ZET6的时钟树图如下所⽰: STM32F103ZET6有很多个时钟源,分别有: HSE:⾼速外部时钟信号。
HSI:⾼速内部部时钟信号。
LSI:低速内部时钟信号。
LSE:低速外部时钟信号。
HSI和LSI是芯⽚内置的时钟源,它们的频率⼤⼩是固定的,HSI是8MHZ,LSI是⼤约40KHZ。
时钟树中的序号1是⾼速外部时钟信号HSE: HSE是由有源晶振或⽆源晶振通过OSC_OUT和OSC_IN脚提供的,从图⽚中可以看到,HSE频率从4MHZ到16MHZ不等。
当使⽤有源晶振时,时钟从OSC_IN引脚进⼊,OSC_OUT引脚悬空;当使⽤⽆源晶振时,时钟从OSC_IN和OSC_OUT进⼊,并且要配谐振电容。
HSE最常使⽤的就是8MHZ的⽆源晶振。
时钟树中的序号D是外部低速时钟LSE: LSE是由有源晶振或⽆源晶振通过OSC32_OUT和OSC32_IN脚提供的。
LSE⼀般使⽤的是32.768KHZ的⽆源晶振。
时钟树中的序号2是选择PLL(倍频后的时钟)的时钟源: 从图中可以看出,PLL时钟的来源可以是HSE或HSI/2,通过PLLSRC(CFGR寄存器的bit16)来选择使⽤哪⼀个时钟源。
HSI是8MHZ的内部⾼速时钟信号,HSI会根据温度和环境的情况频率会有漂移,⼀般不作为PLL的时钟来源。
⼀般使⽤HSE作为PLL的时钟源。
时钟树中的序号3是设置PLL的倍频因⼦: 可以对PLL的时钟来源进⾏倍频,然后得到PLLCLK时钟源。
倍频因⼦可以通过时钟配置寄存器CFGR的bit21~bit18:PLLMUL[3:0]来配置,分别可配置成2、3、4、5、6、7、8、9、10、11、12、13、14、15、16倍频。
举个例⼦来说,如果选择HSE作为PLL的时钟源,⽽且HSE=8MHZ,且将PLL的倍频因⼦设置为9倍频,那么PLLCLK=9*8MHZ = 72MZH。
STM32时钟配置方法详解一、在STM32中,有五个时钟源,为HSI、HSE、LSI、LSE、PLL。
①HSI是高速内部时钟,RC振荡器,频率为8MHz。
②HSE是高速外部时钟,可接石英/陶瓷谐振器,或者接外部时钟源,频率范围为4MHz~16MHz。
③LSI是低速内部时钟,RC振荡器,频率为40kHz。
④LSE是低速外部时钟,接频率为32.768kHz的石英晶体。
⑤PLL为锁相环倍频输出,其时钟输入源可选择为HSI/2、HSE或者HSE/2。
倍频可选择为2~16倍,但是其输出频率最大不得超过72MHz。
二、在STM32上如果不使用外部晶振,OSC_IN和OSC_OUT的接法:如果使用内部RC振荡器而不使用外部晶振,请按照下面方法处理:①对于100脚或144脚的产品,OSC_IN应接地,OSC_OUT应悬空。
②对于少于100脚的产品,有2种接法:第1种:OSC_IN和OSC_OUT分别通过10K电阻接地。
此方法可提高EMC性能;第2种:分别重映射OSC_IN 和OSC_OUT至PD0和PD1,再配置PD0和PD1为推挽输出并输出'0'。
此方法可以减小功耗并(相对上面)节省2个外部电阻。
三、用HSE时钟,程序设置时钟参数流程:01、将RCC寄存器重新设置为默认值RCC_DeInit;02、打开外部高速时钟晶振HSE RCC_HSEConfig(RCC_HSE_ON);03、等待外部高速时钟晶振工作HSEStartUpStatus = RCC_WaitForHSEStar tUp();04、设置AHB时钟RCC_HCLKConfig;05、设置高速AHB时钟RCC_PCLK2Config;06、设置低速速AHB时钟RCC_PCLK1Config;07、设置PLL RCC_PLLConfig;08、打开PLL RCC_PLLCmd(ENABLE);09、等待PLL工作while(RCC_GetFlagStatus(RCC_FLAG_PLLRDY) == RE SET)10、设置系统时钟RCC_SYSCLKConfig;11、判断是否PLL是系统时钟while(RCC_GetSYSCLKSource() != 0x08)12、打开要使用的外设时钟RCC_APB2PeriphClockCmd()/RCC_APB1Perip hClockCmd()四、下面是STM32软件固件库的程序中对RCC的配置函数(使用外部8MHz晶振)/******************************************************************************** Function Name : RCC_Configuration* Description : RCC配置(使用外部8MHz晶振)* Input : 无* Output : 无* Return : 无*******************************************************************************/void RCC_Configuration(void){/*将外设RCC寄存器重设为缺省值*/RCC_DeInit();/*设置外部高速晶振(HSE)*/RCC_HSEConfig(RCC_HSE_ON); //RCC_HSE_ON——HSE晶振打开(ON)/*等待HSE起振*/HSEStartUpStatus = RCC_WaitForHSEStartUp();if(HSEStartUpStatus == SUCCESS) //SUCCESS:HSE晶振稳定且就绪 {/*设置AHB时钟(HCLK)*/RCC_HCLKConfig(RCC_SYSCLK_Div1); //RCC_SYSCLK_Div1——AHB 时钟= 系统时钟/* 设置高速AHB时钟(PCLK2)*/RCC_PCLK2Config(RCC_HCLK_Div1); //RCC_HCLK_Div1——APB2时钟= HCLK/*设置低速AHB时钟(PCLK1)*/RCC_PCLK1Config(RCC_HCLK_Div2); //RCC_HCLK_Div2——APB1时钟= HCLK / 2/*设置FLASH存储器延时时钟周期数*/FLASH_SetLatency(FLASH_Latency_2); //FLASH_Latency_2 2延时周期/*选择FLASH预取指缓存的模式*/FLASH_PrefetchBufferCmd(FLASH_PrefetchBuffer_Enable); // 预取指缓存使能/*设置PLL时钟源及倍频系数*/RCC_PLLConfig(RCC_PLLSource_HSE_Div1, RCC_PLLMul_9);// PLL的输入时钟= HSE时钟频率;RCC_PLLMul_9——PLL输入时钟x 9/*使能PLL */RCC_PLLCmd(ENABLE);/*检查指定的RCC标志位(PLL准备好标志)设置与否*/while(RCC_GetFlagStatus(RCC_FLAG_PLLRDY) == RESET){}/*设置系统时钟(SYSCLK)*/RCC_SYSCLKConfig(RCC_SYSCLKSource_PLLCLK);//RCC_SYSCLKSource_PLLCLK——选择PLL作为系统时钟/* PLL返回用作系统时钟的时钟源*/while(RCC_GetSYSCLKSource() != 0x08) //0x08:PLL作为系统时钟 {}}/*使能或者失能APB2外设时钟*/RCC_APB2PeriphClockCmd(RCC_APB2Periph_GPIOA | RCC_APB2Periph _GPIOB |RCC_APB2Periph_GPIOC , ENABLE);//RCC_APB2Periph_GPIOA GPIOA时钟//RCC_APB2Periph_GPIOB GPIOB时钟//RCC_APB2Periph_GPIOC GPIOC时钟//RCC_APB2Periph_GPIOD GPIOD时钟}五、时钟频率STM32F103内部8M的内部震荡,经过倍频后最高可以达到72M。
stm32几种时钟控制介绍,含原理图本文提到的有以下内容:• 时钟系统与总线矩阵• SysTick系统定时器• RTC实时时钟• 看门狗定时器• 通用定时器一、时钟系统与总线矩阵stm32F4的时钟树如下图所示:在STM32中,有五个时钟源,为HSI、HSE、LSI、LSE、PLL。
HSI是高速内部时钟,RC振荡器,频率为8MHz。
HSE是高速外部时钟,可接石英/陶瓷谐振器,或者接外部时钟源,频率范围为4MHz~16MHz。
LSI是低速内部时钟,RC振荡器,频率为40kHz。
LSE是低速外部时钟,接频率为32.768kHz的石英晶体。
PLL为锁相环倍频输出,其时钟输入源可选择为HSI/2、HSE或者HSE/2。
倍频可选择为2~16倍,但是其输出频率最大不得超过72MHz。
我们在学习51单片机的时候,其内部是没有晶振的,而stm32是有的。
stm32可以通过RCC(时钟控制寄存器)对时钟进行参数配置以及使能。
我们还可以通过修改system_stm32f4xx.c文件,来配置上述时钟树上的一些分频、倍频参数,得到理想的频率。
在单片机系统中,CPU和总线以及外设的时钟设置是非常重要的,因为没有时钟就没有时序,组合电路需要好好理解清楚。
我们先来看一下总线矩阵。
片上总线标准种类繁多,而由ARM公司推出的AMBA片上总线受到了广大IP开发商和SoC系统集成者的青睐,已成为一种流行的工业标准片上结构。
AMBA规范主要包括了AHB(Advanced High performance Bus)系统总线和APB(Advanced Peripheral Bus)外围总线。
二者分别适用于高速与相对低速设备的连接。
一般性的时钟设置需要先考虑系统时钟的来源,是内部RC还是外部晶振还是外部的振荡器,是否需要PLL。
然后考虑内部总线和外部总线,最后考虑外设的时钟信号。
遵从先倍频作为CPU时钟,然后在由内向外分频,下级迁就上级的原则。
【走向高考】2015高考历史一轮总复习第五单元第23讲世界资本主义经济政策的调整课件技能提升新人教版必修2“曲线图”题的解题技巧1.首先应读懂图表和文字。
图表分析题是以图表或文字反映的信息为依据,看不懂资料,也就失去答题的前提。
因此,图表内容的阅读和理解是正确答题的首要条件。
2.读图表时,最好带着题中的问题去读,注意提取与试题有关的重要信息。
这样一方面有利于对图表的理解,另一方面也可减少答题时重复看图表的时间。
比如下题中题干提示的“新政前后”与四个选项的分析角度,说明只需分析1933年前后的大的变化趋势,不必细究曲线的小波动。
3.适当采用排除法解决问题。
如下图所示的曲线反映罗斯福新政前后的( )A.农产品价格的波动B.社会失业率的起伏C.银行倒闭数量的变化D.公共工程投资额的增减[解析] 本题以数据曲线图为问题情境,考查学生读取数据信息、归纳分析问题的能力。
本题全面考查了罗斯福新政的措施。
1929年世界经济危机爆发后,银行大量破产,1933年罗斯福上台后,下令银行暂时休业整顿,新银行得到联邦储备委员会的保障,恢复了银行信用,故C项正确。
A、B、D三项是对数据曲线的错误解读,危机发生后,农产品价格下降,而曲线表达的是上升,故A项错误;罗斯福上台后“以工代赈”,失业率有所下降,但不可能像图示那样,接近于零,故B项错误;新政时期公共工程投资会大幅增加,故1933年以后的曲线应该是上升,所以D项错误。
[答案] C下图为美国劳动力构成变化。
造成美国劳动力构成变化的原因是( )A.互联网时代,非体力劳动人员急剧增加,体力劳动人员急剧减少B.经济危机导致大量体力劳动者失业C.出于“冷战”的需要,美国大力发展科技,非体力劳动者人员急剧增加D.第三次科技革命使得第一、二产业比重下降,第三产业比重上升[解析] 由上图可知,1945年以后体力劳动人员比重下降,非体力劳动人员比重上升。
这种现象正是由于第三次科技革命的兴起引起的。
STM32时钟树STM32的时钟系统相较于51单⽚机,stm32的时钟系统可以说是⾮常复杂了,我们现在看下⾯的⼀张图:上图说明了时钟的⾛向,是从左⾄右的从时钟源⼀步步的分配给外设时钟。
需要注意的是,上图左侧⼀共有四个时钟源,从上到下依次是:⾼速内部时钟(HSI):以内部RC振荡器产⽣,频率为8Mhz,但相较于外部时钟不稳定。
⾼速内部时钟(HSE):以外部晶振作为时钟源,晶振频率可取范围为4~16Mhz,⼀般采⽤8Mhz的晶振。
低速外部时钟(LSE): 以外部晶振作为时钟源,主要是提供给实时时钟模块,所以⼀般选⽤32.768khz,该频率下定时器⽅便取整。
低速内部时钟(LSI): 从内部RC振荡器产⽣,频率为40khz,也是主要提供给实时时钟模块。
根据上图,以我们最常⽤的⾼速外部时钟为例,沿着路线⼀步步的分析:1. 从最左端的OSC_OUT和OSC_IN开始,这两个引脚分别连接到外部晶振的两端。
2. 我们假设连接的晶振为8Mhz,它遇到了第⼀个分频器PLLXTPRE。
在这个分频器中,可以选择设置⼆分频,或者不分频。
这⾥我们选择不分频。
3. 然后箭头指向了开关PLLSRC,这个开关可以选择HSE或者HSI作为其时钟输出。
这⾥我们选择HSE,紧接着⼜遇到锁相环PLL,也叫倍频器。
我们可以设定2到16的倍频因⼦(PLLMUL),经过PLL的时钟称为PLLCLK。
在这⾥设置倍频因⼦为9,也就是说乘以9,PLLCLK为72Mhz。
4. 然后⼜遇到⼀个开关SW,经过这个开关之后就是STM32的系统时钟(SYSCLK)了。
通过这个开关,可以切换SYSCLK的时钟源,有HSI,PLLCLK,HSE三个选择。
我们选择PLLCLK时钟,所以SYSCLK就为72Mhz了。
5. PLLCLK在输⼊到SW前,还流向了USB预分频器,所以这个PLLCLK也作为USB的时钟。
6. 再继续看SYSCLK,SYSCLK经过AHB预分频器,分频后再输⼊到其他外设。
stm32时钟分析2012-03-12 10:20:55分类:C/C++在STM32中,有五个时钟源,为HSI、HSE、LSI、LSE、PLL。
其实是四个时钟源,如下图所示(灰蓝色),PLL是由锁相环电路倍频得到PLL时钟。
①、HSI是高速内部时钟,RC振荡器,频率为8MHz。
②、HSE是高速外部时钟,可接石英/陶瓷谐振器,或者接外部时钟源,频率范围为4MHz~16MHz。
③、LSI是低速内部时钟,RC振荡器,频率为40kHz。
④、LSE是低速外部时钟,接频率为32.768kHz的石英晶体。
⑤、PLL为锁相环倍频输出,其时钟输入源可选择为HSI/2、HSE或者HSE/2。
倍频可选择为2~16倍,但是其输出频率最大不得超过72MHz。
其中40kHz的LSI供独立看门狗IWDG使用,另外它还可以被选择为实时时钟RTC的时钟源。
另外,实时时钟RTC的时钟源还可以选择LSE,或者是HSE的128分频。
RTC的时钟源通过RTCSEL[1:0]来选择。
STM32中有一个全速功能的USB模块,其串行接口引擎需要一个频率为48MHz的时钟源。
该时钟源只能从PLL输出端获取,可以选择为1.5分频或者1分频,也就是,当需要使用USB模块时,PLL必须使能,并且时钟频率配置为48MHz或72MHz。
另外,STM32还可以选择一个时钟信号输出到MCO脚(PA8)上,可以选择为PLL输出的2分频、HSI、HSE、或者系统时钟。
系统时钟SYSCLK,它是供STM32中绝大部分部件工作的时钟源。
系统时钟可选择为PLL输出、HSI或者HSE。
系统时钟最大频率为72MHz,它通过AHB分频器分频后送给各模块使用,AHB分频器可选择1、2、4、8、16、64、128、256、512分频。
其中AHB分频器输出的时钟送给5大模块使用:①、送给AHB总线、内核、内存和DMA使用的HCLK时钟。
②、通过8分频后送给Cortex的系统定时器时钟。
STM32时钟总结一、时钟基本概念 (2)二、时钟树 (7)三、STM32上电后时钟的过程. (7)3.1 执行SystemInit ()函数 (7)3.2 执行SetSysClock()函数. (8)3.3 执行SetSysClockTo72()函数 (8)3.3.2 判断外部高速时钟源是否稳定 (8)3.3.4 FLASH 配置. (9)3.3.5 系统时钟配置是HCLK,PCLK2为HCLK,PCLK1为HCLK的一半93.3.6 配置PLL 在这里修改倍频值。
RCC_CFGR_PLLMUL9L 93.3.7 失能PLL;判断PLL是否Readay;选择PLL 为系统时钟,一直等到时钟稳定 (9)四、时钟源的选择 (10)4.1 系统默认配置时钟8*9=72M (10)4.2 配置HSI(高速内部时钟)为系统主时钟(永远不变8M)104.3 配置HSE为系统主时钟。
8M(和外部晶振有关)114.4 配置PLLCLK为系统主时钟. (11)4.5 程序 (11)五、配置HCLK,PCLK,1 PCLK2. (11)、时钟基本概念钟。
当时钟源被直接或通过PLL间接作为系统时钟时,它将不能被停止。
稳定阶段的延迟或PLL 稳定),从一个时钟源到另一个时钟源的切换才会发生。
在被选择时钟源没有就绪时,系统时钟的切换不会发生。
直至目标时钟源就绪,才发生切换。
时钟安全系统(CSS)时钟安全系统可以通过软件被激活。
一旦其被激活,时钟监测器将在HSE振荡器启动延迟后被使能,并在HSE时钟关闭后关闭。
如果HSE时钟发生故障,HSE 振荡器被自动关闭,时钟失效事件将被送到高级定时器TIM1的刹车输入端,并产生时钟安全中断CSSI,允许软件完成营救操作。
此CSSI中断连接到Cortex ?M3的NMI中断。
一旦CSS被激活,并且HSE时钟出现故障,CSS中断就产生,并且NMI 也自动产生。
NMI 将被不断执行,直到CSS中断挂起位被清除。