明杆楔式单闸板闸阀设计
- 格式:doc
- 大小:1.41 MB
- 文档页数:45
各类常用阀门技术规范阀门引用如下标准:GB12234 闸阀的设计标准GB12235 截止阀的设计标准GB12236 止回阀的设计标准GB12237 球阀的设计标准GB12238 蝶阀的设计标准JB/T7748 阀门清洁度和测定方法JB/T7928 通用阀门供货要求JB/T7911 凸面整体铸钢法兰JB/T1751 阀门结构要素,承插焊连接和配管端部尺寸JB/308-75 阀门型号编制方法GB/T13927 阀门的压力试验GB12221 法兰连接金属阀门结构长度GB12220 通用阀门标志ZBJ16 006 阀门的试验和检验ZBJ98 015 锅炉管道附件承压铸钢件技术条件一、闸阀闸阀是最常用的截断阀之一,主要用来接通或截断管路中的介质,不适用于调节介质流量。
闸阀适用的压力、温度及口径范围很大,尤其适用于中、大口径的管道。
1、闸阀的主要优点(1)流体阻力小。
闸阀闸体内部介质通道是直通的,介质流经闸阀时不改变其活动方向,因而活动阻力较小。
(2)启闭较省力。
启闭时闸板运动方向与介质活动方向相垂直。
与截止阀相比,闸阀的启闭较为省力。
(3)介质活动方向一般不受限制。
介质可从闸阀两侧任意方向流过,均能达到接通或截断的目的。
便于安装,适用于介质的活动方向可能改变的管路中。
2、闸阀的主要缺点(1)高度大、启闭时间长。
由于开启时需将闸板完全提升到阀座通道上方,封闭时又需将闸板全部落下挡住阀座通道,所以闸板的启闭行程很大,其高度也相应增大,启闭时间较长。
(2)密封面易产生擦伤。
启闭时闸板与阀座相接触的两密封面之间有相对滑动,在介质力作用下易产生擦伤,从而破坏密封性能,影响使用寿命。
3、闸阀的结构形式闸阀按阀杆结构和运动方式分为明杆闸阀和暗杆闸阀。
明杆闸阀的阀杆带动闸板一起升降,阀杆上的传动螺纹在阀体外部,因此,可根据阀杆的运动方向和位置直观地判定闸板的启闭和位置,而且传动螺纹便于润滑和不受流体腐蚀,但它要求有较大的安装空间。
闸阀相关知识点总结一、闸阀的分类根据闸板的运动方式,闸阀可分为平板闸阀、楔式闸阀和平行双闸板闸阀三种类型。
1.平板闸阀:闸板为平板状,阀座与闸板底面一般呈光洁的斜面,通过闸板的上下升降来调节介质通道的开启程度。
这种闸阀主要用于中低压流体管道,适用于非粘性介质、小颗粒介质以及高温高压介质。
2.楔式闸阀:闸板呈楔形设计,通过闸板的前后滑动来实现介质通道的开启关闭。
这种闸阀适用于高压大口径管道和高温介质管道,可承受较大的介质流量和压力。
3.平行双闸板闸阀:闸板呈平行设计,其结构简单、密封性好,适用于高温高压、小颗粒介质的管道。
二、闸阀的结构特点1.阀体:闸阀的壳体,用于固定阀门的各个零部件,具有较强的耐压性和耐腐蚀性。
2.阀瓣:也称为闸板,是用来打开或关闭介质通道的关键部件。
闸板通常为平板状或楔形,具有良好的密封性能。
3.阀杆:连接手柄或传动装置,通过旋转或上下移动来控制闸板的开启和关闭。
4.密封面:阀座是与闸板密封配合的部分,其质量直接关系到闸阀的密封性能。
5.操作装置:手轮、电动装置或气动装置等可选的操作方式,用于控制阀门的开闭动作。
三、闸阀的工作原理当手柄或传动装置旋转或上下移动时,阀杆使闸板上下滑动,从而打开或关闭阀门。
在闸板上下滑动的过程中,介质通道被逐渐开启或关闭,以实现对流体的控制。
当阀门关闭时,闸板完全挡住介质通道,实现了全封闭,而当阀门打开时,介质通道完全畅通,实现了全开启。
通过控制闸板的位置和高度,可以精确控制介质通道的流量和压力,达到对流体的精准控制。
四、闸阀的选型参数在选型时,需要考虑以下几个参数:1.压力等级:根据管道的工作压力,选择适合的闸阀压力等级,以保证阀门的安全可靠性。
2.口径大小:根据管道的口径大小选择相应的闸阀口径,以适应管道的流量需求。
3.介质特性:考虑介质的温度、压力、流体性质、腐蚀性等特性,选择合适的材质和密封结构。
4.工作温度:根据管道的工作温度选择合适的闸阀材质和密封结构,以确保闸阀在高温下的可靠性。
闸阀系列:Z41H型法兰楔式闸阀的详细资料:
楔式闸阀用途
广泛适用于石油化工,火力发电厂等油品、水蒸气管路上作接通或截断管路中介质的启闭装置
楔式闸阀特点
1、结构紧凑、设计合理、阀门刚性好、通道流畅,流量系数小
2、密封面采用不锈钢和硬质合金,使用寿命长
3、采用柔性石墨填料、密封可靠,操作轻便灵活
4、驱动方式为手动、气动、电动、齿轮传动
5、结构形式为弹性楔式单闸板、刚性楔式单闸板双闸板型式
楔式闸阀执行标准
设计规范:GB/T 12234
结构长度:GB/T 12221
连接法兰:JB/T 79
试验与检验:JB/T 9092
压力-温度:GB/T 9131
产品标识:GB/T 12220
法兰楔式闸阀-性能规范
法兰楔式闸阀-主要零件材质
法兰楔式闸阀-1.6MPa主要连接尺寸
法兰楔式闸阀-2.5MPa主要连接尺寸
法兰楔式闸阀-4.0MPa主要连接尺寸
法兰楔式闸阀-6.4MPa主要连接尺寸
法兰楔式闸阀-10.0MPa主要连接尺寸
法兰楔式闸阀-16.0MPa主要连接尺寸
精拓阀门公司订货须知:
一、①闸阀:法兰楔式闸阀产品名称与型号②闸阀:法兰楔式闸阀口径③闸阀:法兰楔式闸阀是否带附件以便我们的为您正确选型④闸阀:法兰楔式闸阀的使用压力⑤闸阀:法兰楔式闸阀的使用介质的温度。
二、若已经由设计单位选定精拓阀门公司的闸阀:法兰楔式闸阀型号,请按闸阀:法兰楔式闸阀型号直接向我司销售部订购。
楔形闸阀楔形闸阀简介楔形闸阀,是闸阀的一种。
因其密封面与垂直中心线成某种角度即两平行面成楔形而得名。
一般情楔形闸阀况下,两密封面成楔形的闸阀,密封面与垂直中心线的角度为2°52’、3°30’、5°、8°、10°等。
楔形闸阀分为明杆闸阀和暗杆闸阀,楔形单闸板阀和楔形双闸板阀。
驱动方式有:电动,气动,手动,气液动等,连接方式有采用法兰式、焊接式、对夹式。
楔形闸阀结构特点区别于平行闸阀,楔形闸阀还有楔形单闸板阀。
最常用的楔式闸板阀的两个密封面形成楔形,楔形角楔形闸阀结构图随阀门参数而异,通常为50。
楔式闸阀的闸板可以做成一个整体,叫做刚性闸板;也可以做成能产生微量变形的闸板,以改善其工艺性,弥补密封面角度在加工过程中产生的偏差,这种闸板叫做弹性闸板。
现在市场上通用的楔形闸阀设计一般制造按GB/12234-2007标准,密封可靠,性能优良;通常情况下采用楔式弹性闸板结构,中大口径设置滚动轴承,启闭轻松;楔形闸阀的形体简单, 结构长度短,制造工艺性好,适用范围广。
收到广大用户的欢迎。
工作原理楔形闸阀的启闭件是闸板,闸板的运动方向与流体方向相垂直,楔形闸阀只能作全开和全关,不适合作调节和节流。
楔形闸阀一般通过阀杆随旋转手轮上下移动来完成阀门的启闭。
有明杆楔形闸阀和暗杆楔形闸阀两种。
明杆楔形闸阀是阀杆上下移动,阀杆螺母固定。
暗杆闸阀是阀杆固定,阀杆螺母上下移动已完成启闭。
应用范围楔形闸阀因其阀门的密封面与垂直中心线成某种角度,密封较好,故而可承受压力大。
一般情况下,楔形闸阀的阀杆经调质和表面氮化处理,有良好的抗腐蚀性和抗擦伤性;闸板与阀座密封采用硬质合金堆焊而成,耐磨、耐高温,耐腐蚀,抗擦伤性能好、使用寿命长;阀体材料品种齐全,填料、垫片根据实际工况或用户要求合理选配,能适用于各种压力、温度及介质工况;一般可承受压力可达到PN16,广泛应用于电力、石油、化工、冶金、采矿、污水处理等工业领域,尤其在电站除灰可洗煤厂设备中发挥出巨大的作用!闸阀的启闭件是闸板,闸板的运动方向与流体方向相垂直,闸阀只能作全开和全关,不适合作调节和节流。
书山有路勤为径,学海无涯苦作舟
闸阀闸板结构分析
分析了楔式闸阀及平行双闸板闸阀的结构特点和不足,介绍了楔块式平行双闸板闸阀的性能。
1、概述
随着我国电力工业和机械工业的发展,很多阀门已经实现国产化,但仍
有部分阀门需要从国外进口,其中包括平行双闸板闸阀。
研制平行双闸板闸阀既能降低电站的建造成本,又能提高国内电站阀门的技术能力。
2、结构特点
闸阀种类很多,根据闸板形状可分为楔式闸阀和平行式闸阀。
2.1、楔式闸阀
楔式闸阀两个密封面与管道轴线成一定的夹角,即两个密封面成楔形。
楔式闸阀常见的结构是楔式单闸板闸阀( 楔式双闸板闸阀对密封面角度的精度要求较低,可以通过左右闸板之间的万向顶芯调整密封面的角度,以弥补密封面角度在加工时产生的偏差,而且密封面磨损时可以在万向顶芯位置加垫片补偿,同时降低了在温度升高时闸板楔住的可能性。
但其闸板组件零件较多,结构松散,闸板易脱落,可靠性差,易发生阀杆根部退刀槽或销孔处断裂、上下挡板锈蚀致闸板脱落或闸板架断裂等故障。
2.2、平行双闸板闸阀
平行双闸板闸阀的结构特点主要在于左右闸板的撑开方式,通常分为弹
簧式和楔式。
弹簧式平行双闸板闸阀( 楔式平行双闸板闸阀分为上楔式( 上楔式平行双闸板闸阀在关闭过程中,闸板受到介质压力的推压,密封面的摩擦阻力增大,。
明杆楔式单闸板钢制闸阀设计说明书(设计型号:Z41H-40(DN200)闸阀)任务书:一、课题名称:系列阀门设计---机械设计及工艺二、设计主要内容:阀门作为管道系统中的一个重要组成部分,应保证安全可靠地执行管道系统对阀门提出的使用要求。
其零部件结构和装配关系可以通过Ug软件来绘制阀门的三维零件图并进行装配,从而辅助完成阀门设计。
(一).本次设计任务:设计标准:根据标准GB12234《通用阀门法兰和对焊连接钢制闸阀》设计系列:低压小口径系列闸阀设计型号:Z41H-40(明杆楔式单闸板钢制闸阀)介质工作压力为:PN4.0Mpa 公称通径要求:DN250mm介质的工作温度:t≤420︒C。
操作方法:手轮直接操作。
与管道连接形式:法兰连接,采用GB9113.5标准。
管道介质:为水、油品。
(二)设计内容如下:1.Z41H-40阀门结构设计阀体、闸板、阀座、压盖、手轮、螺柱、六角螺母、活节螺栓、圆柱销等的结构设计2.计算工作量⑴.闸阀的密封副设计,以确定密封副的材料及宽度。
⑵.阀体与阀盖的设计。
⑶.中法兰的设计,主要内容有:确定法兰型式和密封面型式;选择垫片材料型式和尺寸;确定螺栓直径与数量。
⑷.阀杆的强度计算。
⑸.阀杆的稳定性校核。
(三)、总体设计;Z41H-40阀门(PN4.0Mpa DN250mm)二、三维装配图三、毕业设计基本要求1.具有查阅文献、综合分析、合理选用标准的能力2.熟练使用UG软件进行产品的零件、装配建模设计。
3.能独立拟定设计方案,编写设计说明书。
4.运用学过的理论知识,采用工程分析计算方法,完成设计中的计算工作。
5.翻译不少于5000 字的外文资料四、课题的准备工作1、阀门资料收集;2、UG下阀门3D设计;3、翻译不少于5000 字的外文资料;六、参考文献:1、《机械工程手册》第14卷《通用机械》作者:沈鸿2、《中国机械工业标准汇编》阀门卷 -------中国标准出版社3、《阀门设计手册》杨源泉 --------机械工业出版社4、《阀门制造工艺》作者:沈阳阀门研究所----------机械工业出版5、《阀门设计与计算》6、《阀门》杂志2001年第一期《UT软件在系列化阀门产品设计中的应用中英文摘要:[摘要]:阀门在国民经济的各个部门中有着广泛的应用。
阀门分类及阀门型号的编制方法A. 1概述阀门在流体系统中是用来控制流体的方向、压力、流量的装置,使配管和设备内的介质(液体、气体、粉末)流动或停止、并能控制其流量的装置。
我厂几乎所有热机系统中都需要设置各类型阀门。
阀门的检修在电厂是一项重要的技能,是电厂提高效率、改善文明生产状况和保证安全的重要设备。
我厂常用阀门包括闸阀、截止阀、蝶阀、球阀、调节阀(电动、气动、液动)、逆止阀、安全阀等。
A.2阀门分类A. 2. 1 闸阀闸阀是作为截止介质使用,在全开时整个流通直通,此时介质运行的压力损失最小。
闸阀通常适用于不需要经常启闭,而且保持闸板全开或全闭的工况。
不适用于作为调节或节流使用。
对于高速流动的介质,闸板在局部开启状况下可以引起闸门的振动,而振动又可能损伤闸板和阀座的密封面,而节流会使闸板遭受介质的冲蚀。
从结构形式上,主要的区别是所采用的密封元件的形式。
根据密封元件的形式,常常把闸阀分成儿种不同的类型,如:楔式闸阀、平行式闸阀、平行双闸板闸阀、楔式双闸板闸等。
最常用的形式是楔式闸阀和平行式闸阀。
A. 2. 2 截止阀截止阀的阀杆轴线与阀座密封面垂直。
阀杆开启或关闭行程相对较短,并具有非常可靠的切断动作,使得这种阀门非常适合作为介质的切断或调节及节流使用。
截止阀的阀瓣一旦处于开启状况,它的阀座和阀瓣密封面之间就不再的接触,并具有非常可靠的切断动作,合得这种阀门非常适合作为介质的切断或调节及节流使用。
截止阀一旦处于开启状态,它的阀座和阀瓣密封面之间就不再有接触,因而它的密封面机械磨损较小,由于大部分截止阀的阀座和阀瓣比较容易修理或更换密封元件时无需把整个阀门从管线上拆下来,这对于阀门和管线焊接成一体的场合是很适用的。
介质通过此类阀门时的流动方向发生了变化,因此截止阀的流动阻力较高于其它阀门。
A. 2. 3 蝶阀蝶阀的蝶板安装于管道的直径方向。
在蝶阀阀体圆柱形通道内,圆盘形蝶板绕着轴线旋转,旋转角度为0。
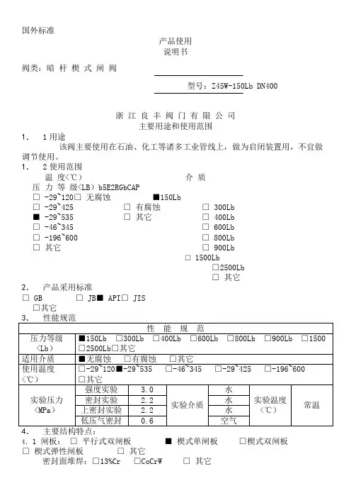
国外标准产品使用说明书阀类:暗杆楔式闸阀型号:Z45W-150Lb DN400浙江良丰阀门有限公司主要用途和使用范围1.1用途该阀主要使用在石油、化工等诸多工业管线上,做为启闭装置用,不宜做调节使用。
1.2使用范围温度<℃)介质压力等级<LB)b5E2RGbCAP□ -29~120□ 无腐蚀■150Lb□ -29~425 □ 有腐蚀□ 300Lb■ -29~535 □ 其它□ 400Lb□ -46~345 □ 600Lb□ -196~600 □ 800Lb□ 其它□ 900Lb□1500Lb□2500Lb□ 其它2.产品采用标准□ GB □ JB■ API□ JIS□其它4.1 闸板:□ 平行式双闸板■ 楔式单闸板□楔式双闸板□ 楔式弹性闸板□ 其它密封面堆焊:□13%Cr □CoCrW □ 其它闸板沿轴线垂直方向上下运动。
4.2 阀座为:■ 焊连接式□螺纹连接式□其它密封面堆焊:□13%Cr □CoCrW □其它4.3 阀杆设计为:■暗杆旋转式□明杆升降式□其它4.4阀门连接方式:■法兰式□焊接式□螺纹式□其它4.5中法兰连接方式:■法兰式□内压自紧式□焊接式□其它4.6阀杆密封型式:□填料+隔环□填料+软质填料□O-Ring □其它■填料4.7阀门是否具有安全排放装置:■ 有□ 无4.8阀门操作方式:□手动■电动□气动□液动□其它手动时顺时针旋转为关,逆时针旋转为开。
其它型式驱动时,阀门开关要与控制台开关按扭和指示相一致,避免误操作。
4.9支架上安有注油咀<杯),应经常注入润滑油<脂)、润滑阀杆螺母和轴承。
4.10阀门结构紧凑、操作灵活、密封可靠。
7.安装和使用7.1 安装7.1.1 阀门安装位置要有利于操作和维护。
7.1.2 阀门在安装前必须核对阀门规格型号、性能规范、技术要求、铭牌标识、安装方向等是否与使用条件相符。
特别安装方向要正确。
p1EanqFDPw7.1.3 安装前必须清除阀腔内、密封面上异物、污渍和锈斑。
明杆楔式闸阀技术说明(Z41H-10C)一、产品技术参数1. 型号:Z41H-10C2. 公称压力:1.0Mpa3. 壳体试验压力:1.5Mpa4. 密封试验压力:1.1Mpa5. 适用温度:≤425℃6. 适用介质:水、蒸汽、油品等7. 连接方式:双法兰连接8. 结构形式:手动明杆楔式刚性单闸板闸阀二、产品执行标准1. GB/T12234-2007《石油、天然气工业用螺柱连接阀盖的钢制闸阀》2. GB/T12221-2005《金属阀门结构长度》3. GB/T9113.1-2000《平面、突面整体钢制管法兰》4. GB/T13927-2008《工业阀门压力试验》三、产品技术性能特点1. 紧凑型明杆闸阀获得实用新型专利,专利号为ZL 2013 2 0866558.92. 高可靠性明杆闸阀获得实用新型专利,专利号为ZL 2014 2 0406626.83. 一种螺母副传动明杆闸阀获得实用新型专利,专利号为ZL 2014 2 0102017.34. 闸阀具有流体阻力小;密封面受冲击侵蚀小;不改变介质流向;不扰流,压降小;启闭力矩小;结构长度短;工艺性能好和适用的压力、温度范围广等特点。
闸阀启闭件的运动方向与介质流向垂直(不可作节流阀用)。
5. 闸阀结构合理、密封可靠、性能良好、造型美观。
闸阀适用于石油、化工、电力、供热行业等各种工况的管路上,切断或接通管路介质。
6. 明杆闸阀的阀杆带动闸板一起升降,阀杆上的传动螺纹在阀体外部,可根据阀杆的运动方向和位置直观地判断闸板的启闭和位置。
7. 楔式闸阀的闸板和阀座均为楔式,依靠互相接触的阀座之间楔的作用,使两个阀座面可同时紧闭,达到双重密封的目的。
8. 阀体阀盖结构设计合理,壁厚经严格控制及检测符合国家标准GB12234要求,强度高、刚性好、流阻小。
9. 阀体、阀盖、闸板采用铸钢WCB 精密铸造,电炉熔炼并经退火处理消除内应力。
10. 阀杆采用不锈钢2Cr13制成,有良好的抗腐蚀性、抗擦伤性和耐磨性。
Research and Exploration |研究与探索•工艺与技术大口径楔式闸阀结构设计与优化张建斌(合肥通用机械研究院,安徽合肥230031 )摘要:针对大口径楔式闸板进行了相关研究,主要包括闸板结构设计(具体为各主要零部件的尺寸设计)与尺寸优化。
首先对大口径楔式闸板工作原理与结构进行了阐述,接着对主要零部件尺寸进行了设计,并依据实际需求合理的优化了计 算出来的尺寸,对各零部件材料也进行了选择。
最后针对各个零部件的许用应力进行了强度校核。
结果表明设计完全能够 满足所需的强度要求。
关键词:大口径楔式;闸阀;优化中图分类号:TH 134 文献标识码:A文章编号:1671-0711 (2017) 01 (下)-0120-03阀门通常是用于调节气体或液体流量、压力和 流向的装置,在日常生活和工业生产中十分常见。
阀门在石油开采、冶金、设备制造等领域均有重要 作用。
闸阀是工业领域中最为常见的一种阀门,其 原理为在动力的驱动下,闸板在阀体内部垂直运动, 一般用于切断阀体内流动的介质,有全开和全关两 种模式。
一般的闸阀主要由五部分构成,包括阀杆、 阀盖、阀座、闸板和阀体等。
由于形状的不同,闸阀包括楔式和平行式两种, 本文就将研究一种楔式闸阀。
图1给出了一种典型 楔式闸阀的结构示意图。
楔式闸阀的特点就是其闸 板呈楔式,流道中心线与旁边的密封面间成某一夹 角。
依据阀杆的运动形式,还可以分为明杆式和暗 杆式闸阀,通常情况下,暗杆式闸阀在大口径楔式 闸阀设计中运用较多,因为大口径闸阀对空间要求 比较高。
大口径楔式闸阀主要用于供水和工业管道 上,其中间体质量占总体质量的70%。
由于阀体受 到结构长度的限制,其闸板内腔形状通常为椭圆形 或者扁圆形。
1闸阀结构与工作原理分析本研究采用的大口径楔式闸阀总体结构示意图 如图2所示,图中所含主要部件包括1电动机构、2 阀杆、3支架、4阀盖、5阀体、6阀板以及一些附件。
利用螺纹丝杠传动的原理将力由电动机构传递 至闸阀,进而带动阀杆和楔式闸板的上升或下降来 实现打开或关闭阀门。
1 / 11
2 / 11
3 / 11
4 / 11
5 / 11
6 / 11
7 / 11
8 / 11
按公称压力分类
(1) 真空阀:指工作压力低于标准大气压的阀门。
9 / 11
(2) 低压阀:指公称压力PN ≤1.6Mpa 的阀门。
(3) 中压阀:指公称压力PN 为2.5Mpa、4.0Mpa、6.4Mpa的阀门。
(4) 高压阀:指工称压力PN 为10.0Mpa~80.0Mpa的阀门。
(5) 超高压阀:指公称压力PN≥100.0Mpa的阀门。
(6)过滤器:指公称压力PN 为1.0Mpa、1.6Mpa的阀门
折叠按工作温度分类
(1) 超低温阀:用于介质工作温度 t<;-101℃的阀门。
(2) 低温阀:用于介质工作温度-101℃≤t≤-29℃的阀门。
(3) 常温阀:用于介质工作温度-29℃<t<120℃的阀门。
10 / 11
(4) 中温阀:用于介质工作温度120℃≤t≤425℃的阀门
(5) 高温阀:用于介质工作温度t>425℃的阀门。
折叠按公称通径分类
(1)小通径阀门:公称通径DN≤40mm的阀门。
(2)中通径阀门:公称通径DN为50~300mm的阀门。
(3)大通径阀门:公称阀门DN为350~1200mm的阀门。
(4)特大通径阀门:公称通径DN≥1400mm的阀门。
11 / 11。
楔式闸阀的类型楔式闸阀的类型1.锻钢螺栓连接阀盖明杆闸阀为螺纹连接、承插焊连接、对接焊连接和法兰连接的锻钢螺栓连接阀盖明杆闸阀(代号B.B;OS﹠Y)。
2.锻钢螺纹焊接连接阀盖明杆阀阀为螺纹连接、承插焊连接和法兰连接的锻钢嫘纹焊接连接阀盖明杆闸阀(代号W.B;OS﹠Y)。
3.锻钢螺栓连接阀盖暗杆闸阀为螺纹连接和承插焊连接的锻钢螺栓连接阀盖暗杆闸阀。
4.锻钢螺纹焊接连接阀盖暗杆闸阀为螺纹连接和承插焊连接的锻钢蜾纹焊接连接阀盖暗杆闸阀。
5.铸钢明杆禊式单闸板闸阀为平法兰连接(RF)、环连接(RTJ)和焊接连接(BW)的铸钢明杆楔式单闸板闸阀。
6.铸钢明杆楔式双闸板闸阀为平法兰连接(RF)的铸钢明杆楔式双闸板闸阀。
7.铸钢明杆楔式单闸板自压密封阀盖闸阀为环连接(RTJ)的铸钢明杆楔式单闸板自压密封阀盖闸阀。
这种闸阀适用于高温高压的管路和装置上,作为启闭装置。
8.铸钢制或铁制暗杆楔式单闸板闸阀为铸钢制或铁制暗杆楔式单闸板闸阀的结构图。
这种结构唯一的优点是启闭时闸阀的高度不改变,因此安装空间较小,适用于大口径阀门和安装空间受限制的管路上,如地下管线。
但这类阀门必须安装启闭指示器,以显示阀门的开度,这种结构的缺点是阀杆螺纹直接与介质接触,容易被介质腐蚀,同时又无法润滑,因此容易损坏。
9.软密封闸阀为碳钢制或铁制软密封楔式闸阀的结构图。
这种闸阀的阀体通道下部圆滑,无沟槽,如同一段管道;靠闸板表面包覆的橡胶和阀体下部的圆形管道接触挤压密封。
该阀具备了流道面积大、流阻系数小的优点,且阀体下部绝不藏污垢。
闸板密封件整体包覆橡胶,从而有效隔绝金属与介质的直接接触,避免了介质经过阀门时阀门内件锈蚀而产生污染。
该阀还可以通过改变闸板表面的包覆层、阀体内腔涂层或包覆材料,使阀门具有耐各种腐蚀性介质的能力。
10.低温明杆楔式单闸板闸阀为低温明杆楔式单闸板闸阀的结构图。
该阀特点主要为长颈阀盖,保证填料部位的温度在摄氏零度以上,阀体与阀盖的连接为法兰连接,连接端为对接焊连接和法兰连接。
1 序言阀门的用途极广,在国民经济中阀门是不可缺少的工业管路附件和设备之一。
闸阀是所有阀中最为常用的一种,在阀门总量中所占比例超过40%,是一般主支管道的首选阀种。
楔式闸阀的闸板密封面可采用本体或堆焊的硬密封面[3],常用于高温阀门,流道直通、流畅,流阻小,使用寿命长,广泛应用于核电、石化和海洋工程等行业中接通或截断管道中的介质。
2 现行楔式闸板车削夹具情况楔式闸阀因楔角的存在使流道密封面的阀座楔角与闸板楔角在装配时要高度吻合,这就要求密封配合的两楔角面在加工时有较高角度精度要求。
楔式闸板的楔角因工况要求单面斜度取1∶10、1∶12、1∶16或1∶20等多种,对应的单面楔角(半楔角)为5°43'、4°46'、3°35'和2°52',也有取整数度数的5°、4°和3°或其他度数的,但一般都小于6°,因此常用闸板楔角就有11°26'、10°、9°32'、8°、7°10'、6°和5°44'等多种。
不同口径、不同磅级的楔式闸阀,其楔式闸板又会有不同的大小和不同的厚度,这样和不同的楔角组合成多种型号的楔式闸阀。
在现有技术中,每一型号的楔式闸板在车削时都要设计制造一种对应大小和对应楔角的车削夹具来满足加工工艺的要求。
对于阀门生产企业特别是专业阀门零部件代加工企业,就要准备多种楔式闸板车削夹具,只有在加工该型号楔式闸板时才能用到,平时不用时存库,利用率极低。
这样不仅增加了夹具的库存量和管理难度,调用时也容易出错,而且增加了生产成本和资源浪费。
3 可调角度的楔式闸板车削夹具设计笔者所在公司为专业阀门零部件代加工企业,生产的多为CAMERON、DRESSER、TRILLIUM等著名企业的流体控制部件。
在楔式闸板这一领域,楔角的度数有多种,为此我们设计制造了可调角度的楔式闸板车削夹具,以适应不同口径、不同磅级和不同楔角的楔式闸板加工。
成都理工大学工程技术学院毕业论文明杆楔式单闸板闸阀设计作者姓名:邵雷专业名称:机械工程及自动化指导教师:郑才国讲师成都理工大学工程技术学院学位论文诚信承诺书本人慎重承诺和声明:1.本人已认真学习《学位论文作假行为处理办法》(中华人民共和国教育部第34号令)、《成都理工大学工程技术学院学位论文作假行为处理实施细则(试行)》(成理工教发〔2013〕30号)文件并已知晓教育部、学院对论文作假行为处理的有关规定,知晓论文作假可能导致作假者被取消学位申请资格、注销学位证书、开除学籍甚至被追究法律责任等后果。
2.本人已认真学习《成都理工大学工程技术学院毕业设计指导手册》,已知晓学院对论文撰写的内容和格式要求。
3.本人所提交的学位论文(题目:明杆楔式单闸板闸阀设计),是在指导教师指导下独立完成,本人对该论文的真实性、原创性负责。
若论文按有关程序调查后被认定存在作假行为,本人自行承担相应的后果。
承诺人(学生签名):201 年月日注:学位论文指向我校申请学士学位所提交的本科学生毕业实习报告、毕业论文和毕业设计报告。
摘要阀门的使用在现代化生产中十分重要,其身影在人类的生产生活中随处可见。
阀门的研究能够带动人类经济生产,在各类生产系统中极大的提高经济效益,节约能源。
如何正确设计和选用阀门是实现阀门的密封性能、调节性能、实用性能、安全性能和流通性能的关键所在。
在阀门设计过程中,要对各种参数进行严格的核对验算,需要将各种相关因素考虑其中,比如介质温度、压力、腐蚀性等做到科学严谨。
阀门主体、零件的也要做到科学选材,以免造成不必要的经济损失和浪费。
设计的过程中需要边计算边绘图,通过设计计算确定阀门各个部件的数据,然后在CAD上画出零件图,做到各部件数据合理。
通过严格设计计算,阀门能对管道中的介质进行正常开启闭合控制,没有介质的内泄外漏,能与相应管道设备配合使用,方才设计合格。
关键词:生产系统正确设计科学选材数据合理AbstractThe use of the valve in the modern industrial production is very important, its figure in the production of human life everywhere. The research of valve can drive the economic production of human, and can greatly improve the economic benefit and save energy in all kinds of production system..How to design and choose the valve is the key to achieve the valve sealing performance, regulation performance, practical performance, safety and performance of the key. In the valve design process, to a variety of parameters strictly checked and checked, the need to consider all kinds of factors, such as media temperature, pressure, corrosion and so scientific rigor. Valve body, parts of the scientific selection should be scientific, so as not to cause unnecessary economic losses and waste.The design of the process needs to draw the edge of the calculation, through the design and calculation of the valve parts of the data, and then draw a part diagram on the CAD, so that the data is reasonable for each component. Through the rigorous calculation and design, the valve can open the medium of the pipeline normally open the closure control, without the leakage of the medium inside the medium.Keywords:Production system, Correct design, Scientific selection, Data reasonable目录摘要 (I)Abstract (II)目录.............................................................................................................. I II 前言. (1)一、设计任务 (2)二、确定阀门的主体材料 (4)三、明杆楔式单闸板闸阀设计 (5)3.1 承压件设计 (7)3.1.1 承压件材料 (8)3.1.2 承压件壁厚 (8)3.2 密封副设计 (9)3.2.1 密封副材料 (9)3.2.2 密封副的总作用力和比压的计算 (9)3.3 阀体与阀盖连接型式和密封面结构的确定 (11)3.4 阀杆设计 (12)3.4.1 阀杆材料 (13)3.4.2 阀杆总轴向力计算 (13)3.4.3 阀杆扭应力计算 (16)3.4.4 阀杆弯曲应力的校核 (17)3.5 闸板设计 (19)3.5.1 闸板材料 (20)3.5.2 闸板厚度计算 (20)3.6 中法兰设计 (21)3.6.1 中法兰材料 (21)3.6.2 中法兰计算 (21)3.6.3 中法兰垫片计算 (22)3.6.4 螺栓设计计算 (23)3.6.5 弯曲应力计算 (24)3.7 阀盖设计 (25)3.7.1 阀盖材料 (25)3.7.2 阀盖壁厚计算 (26)3.8 支架设计计算 (26)3.8.1 支架材料 (27)3.8.2 弯曲应力计算 (27)3.9 阀杆螺母的设计 (30)3.9.1 阀杆螺母材料 (30)3.9.2 阀杆螺母挤应力计算与型号 (30)3.10 填料压盖设计 (31)3.10.1 填料压盖材料 (31)3.10.2 填料压盖型号 (32)3.11 锁紧螺栓设计 (32)3.11.1 锁紧螺栓材料 (32)3.11.2 锁紧螺栓型号 (32)3.12 手轮设计 (33)3.12.1 手轮材料 (34)3.12.2 手轮型号 (34)3.13 阀门流量系数 (35)总结 (37)致谢 (38)参考文献 (39)前言闸阀是一种常见通用机械零部件,在生产生活中得到普遍应用,是我国工业大力发展的重要机械产品,它与人民的生产生活息息相关,闸阀的研究设计能够大大的加快我国国民经济以及国防建设的发展。
我国闸阀的生产历史已经有了几十年发展,闸阀的制造厂家也越来越多,设计的闸阀数量越来越大,闸阀的型号也变得越来越丰富。
以前我国的生产厂家仅仅只有少数的几十家,现在已经有了数千家厂家,闸阀型号也有越来的几十上百种发展到现在的数千上万种,可以说发展迅速。
尽管如此,我国国内的闸阀技术与国际水平还是有一定的差距,许多优秀闸阀设计还是需要从国外引入,但是我国生产制造厂家依旧不弃不馁,依旧在国内原有的基础上大力研究发展,相信不久后我国闸阀制造技术定会站在国际顶端[1]。
闸阀是流体控制元件,对流体阻力小,适用的压力和温度范围大,在流体管道系统中主要作用是管路介质的截断或接通、防止流体回流、调节流量、调节和排泄压力,由于所控制流体的物理性质与化学性质的不同,闸阀的使用规格型号也就不同。
闸阀功能简单,一般只能对介质作全开和全关功能[2]。
设计闸阀时,密封面的设计相当重要。
按密封面形式的不同可以将闸阀分为楔式闸板闸阀和平行式闸板闸阀。
楔式闸板闸阀又有单闸板闸阀和双闸板闸阀之分。
一般而言,闸阀的密封性能十分重要,密封性的好差直接决定闸阀是否使用合格。
如果产生流体外漏,可能会造成环境污染、经济损失,甚至可能会造成人身伤亡,十分危险。
设计时不但要考虑闸阀密封面的密封性能,还要考虑其选用材料的机械强度、刚度、制造工艺以及磨损等问题,以及流体温度、压力、腐蚀性等物理问题和化学问题。
由于闸阀生产生活中的重要性,本次设计就这些物理化学等问题展开设计。
一、设计任务设计任务,即设计任务书。
明确阀门具体参数,如:公称直径、公称压力、温度、介质、驱动方式等。
使用条件和要求,如:室外或室内安装、启用频率等。
相关执行标准。
(一)设计课题:明杆闸阀设计(二)设计主要内容:阀门是管道系统的重要组成部分,应该满足管道系统对阀门所提出安全性、可靠性的使用要求。
其零部件可以通过CAD、UG等软件来绘制和装配,以配合完成设计。
(三)本次设计内容:确定阀门主体材料闸阀结构设计:承压件、密封副、阀体与阀盖、阀杆、闸板、中法兰、支架、阀杆螺母、填料压盖、手轮(四)设计给定数据:(五)使用条件要求:室温20℃,室内外无要求,手动控制。
(六)与管道连接形式:法兰连接(七)相关执行标准[2]:设计标准:GB12234设计系列:低压小口径系列闸阀二、 确定阀门的主体材料阀门主体与介质流体直接接触,所受腐蚀力最强,对材料的要求也十分重要,为了能让阀门安全可靠,节约能源、保护环境以及经济上的节约,阀门主体材料应当根据设计输入参数、使用条件和制造要求选定。
阀门在设计和选材的时候必须考虑的问题有很多,必须重点考虑的一个问题是阀门在工作时的温度。
为了更好的规范阀门主体材料所能适宜的工作温度,我国从阀门所使用材料的应力要求、温度等作出了相关规定以便于常规阀门的设计[3]。
另外,从生产经济上考虑,阀门的主体材料应该选用综合性适当的,避免造成经济上的浪费。
根据设计输入参数、使用条件和制造要求,并且应符合规定,综合考虑后确定阀门主体材料。
碳素铸钢WCB 为阀门常见材质编号,是机械性能为B 级的中等强度的可焊铸钢件,含碳量000.30.5的低碳钢。
设计给定:公称压力=4pa PN M ,温度0=20T C参考资料[3][4]复印资料等,综合考虑后确定阀门阀体材料碳素铸钢WCB 。