实训任务1.3电源外特性的测试与分析讲义
- 格式:ppt
- 大小:2.39 MB
- 文档页数:22
《电工基础教案》——单相变压器的极性和外特性测定教案一、教学目标:1. 让学生了解并掌握单相变压器的基本原理和结构。
2. 使学生能够正确判断单相变压器的极性,并掌握其外特性测定方法。
3. 培养学生的实际操作能力和团队协作精神。
二、教学内容:1. 单相变压器的基本原理和结构。
2. 单相变压器极性的判断方法。
3. 单相变压器外特性的测定方法。
三、教学方法:1. 采用讲授法讲解单相变压器的基本原理和结构。
2. 采用演示法展示单相变压器的极性判断和外特性测定过程。
3. 采用实践操作法让学生亲自动手进行实验,培养学生的实际操作能力。
四、教学准备:1. 准备单相变压器实验装置。
2. 准备实验指导书和实验报告模板。
3. 准备实验安全防护用品。
五、教学过程:1. 讲解单相变压器的基本原理和结构,让学生了解其工作原理和组成部分。
2. 演示单相变压器极性的判断方法,让学生掌握如何正确判断变压器的极性。
3. 讲解单相变压器外特性的测定方法,让学生了解如何测定变压器的外特性。
4. 分组进行实验,让学生亲自动手操作,测定单相变压器的极性和外特性。
教学评价:1. 学生能正确判断单相变压器的极性。
2. 学生能熟练进行单相变压器外特性的测定。
六、教学延伸:1. 介绍单相变压器在不同负载下的性能表现。
2. 探讨单相变压器在电力系统中的应用及其重要性。
3. 引导学生思考如何提高单相变压器的效率和可靠性。
七、教学难点:1. 单相变压器极性的判断方法。
2. 单相变压器外特性测定的操作步骤。
八、教学建议:1. 在讲解单相变压器原理时,结合实际情况举例说明,以便学生更好地理解。
2. 在实验过程中,教师应密切关注学生的操作,及时纠正错误,确保实验安全。
3. 鼓励学生在实验报告中提出自己的观点和思考,培养学生的创新意识。
九、教学反馈:1. 课后收集学生的实验报告,对报告的质量进行评价。
2. 听取学生的反馈意见,了解教学效果,不断调整教学方法。
实验一 电路元件伏安特性的测绘一、实验目的1. 学会识别常用电路元件的方法。
2. 掌握线性电阻、非线性电阻元件伏安特性的测绘。
3. 掌握实验箱上直流电工仪表和设备的使用方法。
二、原理说明任何一个二端元件的特性可用该元件上的端电压U 与通过该元件的电流I 之间的函数关系I =f(U)来表示,即用I -U 平面上的一条曲线来表征,这条曲线称为该元件的伏安特性曲线。
1. 线性电阻器的伏安特性曲线是一条通过 坐标原点的直线,如图1-1中a 所示,该直线 的斜率等于该电阻器的电阻值。
2. 一般的白炽灯在工作时灯丝处于 高温状态, 其灯丝电阻随着温度的升高 而增大,通过白炽灯的电流 越大,其温度 越高,阻值也越大,一般灯泡的“冷电阻” 与“热电阻”的阻值可相差几倍至十几倍,所以它的伏安特性如图1-1中b 曲线所示。
图1-13. 一般的半导体二极管是一个非线性电阻元件,其伏安特性如图1-1中 c 所示。
正向压降很小(一般的锗管约为0.2~0.3V ,硅管约为0.5~0.7V ),正向电流随正向压降的升高而急骤上升,而反向电压从零一直增加到十多至几十伏时,其反向电流增加很小,粗略地可视为零。
可见,二极管具有单向导电性,但反向电压加得过高,超过管子的极限值,则会导致管子击穿损坏。
4. 稳压二极管是一种特殊的半导体二极管,其正向特性与普通二极管类似,但其反向特性较特别,如图1-1中d 所示。
在反向电压开始增加时,其反向电流几乎为零,但当电压增加到某一数值时(称为管子的稳压值,有各种不同稳压值的稳压管)电流将突然增加,以后它的端电压将基本维持恒定,当外加的反向电压继续升高时其端电压仅有少量增加。
注意:流过二极管或稳压二极管的电流不能超过管子的极限值,否则管子会被烧坏。
三、实训设备四、实验内容1. 测定线性电阻器的伏安特性按图1-2接线,调节稳压电源的输出电压U,从0 伏开始缓慢地增加,一直到10V左右,记下相应的电压表和电流表的读数U R、I。
实验一弧焊电源外特性实验一、实验目的1.理解弧焊电源外特性的含义。
2.掌握弧焊电源外特性的测试方法。
3.测定ZX7-400电焊机的外特性。
二、实验设备ZX7-400电焊机、PTE-750E智能电源测试台、感应调压器三、实验内容在电源参数一定的条件下,改变负载时,电源输出的电压稳定值U y与输出的电流稳定值I y之间的关系U y=f(I y),称为电源的外特性。
对于直流电源,U y和I y为平均值,对于交流电源则为有效值。
外特性可用曲线来表示,这种曲线叫外特性曲线。
外特性曲线与纵坐标的交点即为弧焊电源的空载电压,外特性曲线与横坐标的交点即为弧焊电源的短路电流。
不同的焊接方法对电源外特性有不同的要求。
根据外特性曲线的形状,焊接电源的外特性可分为平特性和下降特性两大类。
1、平特性特点是输出电压基本上不随输出电流的变化而变化(略有变化),又称恒压特性,适用于作为熔化极气体保护焊和电渣焊的电源。
2、下降特性特点是输出电压随输出电流而下降。
根据输出电压下降的快慢程度,又可分成缓降、陡降、垂降三种,其中垂降外特性又称恒流特性,因为当弧长发生变化时,输出电流基本保持不变。
下降特性适用于作为焊条电弧焊、埋弧焊和钨极氩弧焊的电源。
四、实验步骤1.观察和熟悉焊机外形,记录铭牌数据。
2.熟悉实验电路的连接和各个设备的功能及使用。
3.利用PTE-750E智能电源测试台测量ZX7-400电焊机电源的外特性。
4.关闭测试台和电源。
五、实验报告内容六、思考题1.交流焊机有哪几种典型类型,它们的结构有何区别及联系?2.ZX7-400电焊机是如何获得下降外特性的。
实验1_弧焊电源外特性实验实验一弧焊电源外特性实验一、实验目的1.理解弧焊电源外特性的含义。
2.掌握弧焊电源外特性的测试方法。
3.测定ZX7-400电焊机的外特性。
二、实验设备ZX7-400电焊机、PTE-750E智能电源测试台、感应调压器三、实验内容在电源参数一定的条件下,改变负载时,电源输出的电压稳定值U y与输出的电流稳定值I y之间的关系U y=f(I y),称为电源的外特性。
对于直流电源,U y和I y为平均值,对于交流电源则为有效值。
外特性可用曲线来表示,这种曲线叫外特性曲线。
外特性曲线与纵坐标的交点即为弧焊电源的空载电压,外特性曲线与横坐标的交点即为弧焊电源的短路电流。
不同的焊接方法对电源外特性有不同的要求。
根据外特性曲线的形状,焊接电源的外特性可分为平特性和下降特性两大类。
1、平特性特点是输出电压基本上不随输出电流的变化而变化(略有变化),又称恒压特性,适用于作为熔化极气体保护焊和电渣焊的电源。
2、下降特性特点是输出电压随输出电流而下降。
根据输出电压下降的快慢程度,又可分成缓降、陡降、垂降三种,其中垂降外特性又称恒流特性,因为当弧长发生变化时,输出电流基本保持不变。
下降特性适用于作为焊条电弧焊、埋弧焊和钨极氩弧焊的电源。
四、实验步骤1.观察和熟悉焊机外形,记录铭牌数据。
2.熟悉实验电路的连接和各个设备的功能及使用。
3.利用PTE-750E智能电源测试台测量ZX7-400电焊机电源的外特性。
4.关闭测试台和电源。
五、实验报告内容六、思考题1.交流焊机有哪几种典型类型,它们的结构有何区别及联系?2.ZX7-400电焊机是如何获得下降外特性的。
实验二弧焊电源外特性的测定一、实验目的1、熟悉BXl—300型或BX3—300型弧焊变压器的构造和调节电流的方法;2、测定弧焊变压器的外特性和调节特性,并学会测定一般弧焊电源电特性的方法。
二、实验装置及实验材料1、弧焊变压器(BX3—500型) 1台2、变阻器(PZ—300型) 4台3、钳形电流表(0~600A)1只4、交流电压表(100V) 2只三、实验原理电弧焊时,弧焊电源与电弧组成一个供电与用电系统。
在电源内部参数不变的情况下,改变负载,弧焊电源输出的电压和电流之间的关系称为弧焊电源的外特性。
为满足焊接的要求,弧焊电源的外特性曲线的形状大体有三种类型,如图2-1。
分别是下降外特性a)、平外特性b)和双阶梯型外特性c)。
U UI I Ia)b)c)图2-1 弧焊电源的外特性曲线的形状手弧焊保持恒定的弧长是困难的,只有当弧长变化时焊接电流变化很小,才能保证电弧稳定燃烧和焊接规范稳定。
要满足这个要求,手弧焊电源应当具有陡降的外特性如图3-1a)。
对于本实验所用的弧焊变压器,下降外特性的获得是通过增大弧焊变压器自身的漏抗来实现的。
焊接时,由于工件的厚度及所选用的焊条直径不同,要选用不同的焊接电流。
要求弧焊电源应具有多条外特性曲线族,以便和电弧静特性曲线相交得到一系列稳定工作点,这种可调节的性能就是弧焊电源的调节特性。
四、试验方法及实验步骤1、观察BX3—500型弧焊变压器的构造,了解和掌握初、次级绕组分布的特点和绕组的接线,电流调节机构和电流大挡、小挡粗调的连接方法。
2、测定弧焊变压器的外特性(1)图3—2接好线。
用两台PZ—300型变阻器并联,然后串联在焊接回路里作为电弧负载。
用脚踏开关作为短路开关。
图2-2 外特性实验电路图(2)把变阻器的闸刀开关全都拉开,记录空载电压值;(3)逐次合上变阻器的各个闸刀开关,逐步减小变阻器的电阻值,以增大电流,再踩下脚踏开关造成短路。
每调一次电阻后,把电压表和电流表的读数记录于表2—1中;(4)旋转手柄,改变变压器的初、次级绕组的位置,重复步骤(1)、(2)和(3)的过程,把每次电压表和电流表的读数记录于表2—1中。
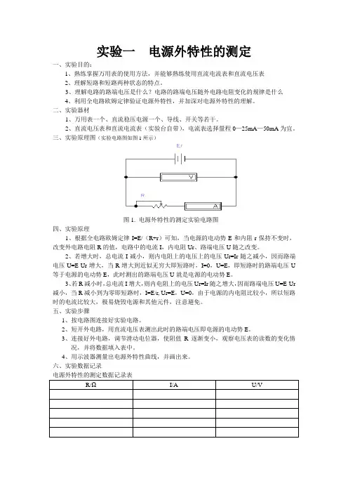
实验一电源外特性的测定一、实验目的:1、熟练掌握万用表的使用方法,并能够熟练使用直流电流表和直流电压表2、理解短路和短路两种状态的特点。
3、理解电路的路端电压是什么?电路的路端电压随外电路电阻变化的规律是什么4、利用全电路欧姆定律验证电源外特性,并加深对电源外特性的理解。
二、实验器材1、万用表一个、直流稳压电源一个、导线、开关等若干。
2、直流电压表和直流电流表(实验台自带),电流表选择量程0—25mA—50mA为宜。
三、实验原理图(实验电路图如图1所示)图1. 电源外特性的测定实验电路图四、实验原理1、根据全电路欧姆定律I=E/(R+r)可知,当电源的电动势E和内阻r保持不变时,改变外电路电阻R的值,电路中的电流I,内电阻Ur、路端电压U随之改变。
2、若增大时,总电流I减小,则内电阻上的电压上的电压Ur=Ir随之减小,因而路端电压U=E-Ur增大,当R增大到近似无穷大即短路时,I=0,U=E,即短路时的路端电压U 等于电源的电动势E,此时测出的路端电压U就是电源的电动势E。
3、若R减小时,总电流I增大,则内电阻上的电压Ur=Ir随之增大,因而路端电压U=E-Ur 减小,当R减小到为零即短路时,I=E/r, Ur=E,U=0,由于电源的内电阻比较小,所以短路时的电流比较大,极易烧毁电源和其他元件,注意避免。
五、实验步骤1、按电路图连接好实验电路。
2、短开外电路,用直流电压表测出此时的路端电压即电源的电动势E。
3、连接好外电路,调节滑动电位器,使阻值R逐渐变小,观察电压表的读数的变化情况,并将数据填入表中。
4、用示波器测量出电源外特性曲线,并画出来。
六、实验数据记录。
测定直流稳压电源与实际电压源的外特性实验数据实验数据
在测定直流稳压电源与实际电压源的外特性时,一般可以进行以下实验:
1. 输出电压稳定性实验:通过给定的负载条件,测量输出电压的波动情况以评估直流稳压电源的稳定性能。
2. 输出电流能力实验:测试直流稳压电源的最大输出电流能力,以确定其是否满足实际应用的需求。
3. 转换效率实验:测量直流稳压电源在不同负载情况下的输入功率和输出功率,计算转换效率,以评估其能量转化的效率。
4. 调整时间实验:通过对直流稳压电源的输入电压进行突变,观察输出电压的调整时间,以评估其动态响应能力。
以上只是一些常见的实验内容,具体的实验数据需要根据具体的实验设备和实验要求进行设计和采集。
确保在实验过程中遵守相关的安全操作规范,并确保设备和电源的正确连接和使用。
实验九 电源的外特性
一、实验目的
1.1 理解电源的端电压和负载电流的关系以及影响端电压的因素。
1.2熟悉实验的操作步骤以及电流表、电压表、万用表的使用方法。
二、实验设备
1、YL-GD 装置的可调稳压电源(0~30V 、0~2A )、多量程电流表、数字电压表。
2、透明元件盒A1-R04、A1-R10、A4-S1。
3、万用表。
三、实验内容与实验步骤
3.1在通用电路板上按图2.1插拼联接。
3.2检查电路联接无误后,将实验台的的C 组直流稳压电源电压调至电路需求电压并接入电路中。
3.3当开关S 断开时,读出电压表和电流表的数值并记入表2.1中。
3.4当闭合S 时,别接入负载电阻200欧、300欧、1K Ω欧,读出三种不同负载电阻时,电流表和电压表的值,并记入表中。
图2.1 电源实验 外特性接线图
表2.1
四、实验注意事项
1、测量时,可调稳压电源的输出电压由0缓慢逐渐增加,应时刻注意电压表和电流表,不超过规定值。
2、稳压电源输出端切勿碰线短路。
3、测量中,随时注意电流表读数,及时更换电流表量程,勿使仪表超量程。
五、实验报告要求
4.1根据记录表2.1的实验数据,绘出端电压U 随负载R 2电流I 变化的外特性(U-I )曲线。
Ω
Ω,1K Ω)
I (mA)
U
(V)
4.2根据绘出的电源外特性曲线,总结端电压和负载的关系以及分析影响端电压高低的因素。
电源外特性实验报告一、实验目的。
本实验旨在通过对电源的外特性进行实验,掌握电源的输出特性、效率特性和稳定性特性,加深对电源工作原理的理解,为电源的设计和应用提供实验依据。
二、实验原理。
电源的外特性是指在负载不同的情况下,电源输出电压、电流的变化规律。
电源的输出特性主要包括静态输出特性和动态输出特性。
静态输出特性是指在稳态工作条件下,电源输出电压与负载之间的关系;动态输出特性是指在负载变化时,电源输出电压的瞬时响应特性。
电源的效率特性是指电源输出功率与输入功率之比,反映了电源的能量转换效率。
电源的稳定性特性是指电源在外部环境变化或负载变化时,输出电压的稳定性。
三、实验内容。
1. 静态输出特性实验,在不同负载下,测量电源输出电压和输出电流,绘制输出特性曲线。
2. 动态输出特性实验,在负载突变时,记录电源输出电压的瞬时响应情况。
3. 效率特性实验,测量不同输出功率下的输入功率和输出功率,计算电源的效率。
4. 稳定性特性实验,在外部环境变化或负载变化时,观察电源输出电压的稳定性。
四、实验步骤。
1. 连接电源和负载,调节电源输出电压和输出电流的大小。
2. 在不同负载下,测量电源输出电压和输出电流的数值。
3. 记录负载突变时电源输出电压的瞬时响应情况。
4. 测量不同输出功率下的输入功率和输出功率,并计算电源的效率。
5. 在外部环境变化或负载变化时,观察电源输出电压的变化情况。
五、实验数据。
1. 静态输出特性曲线图。
(插入静态输出特性曲线图)。
2. 动态输出特性响应图。
(插入动态输出特性响应图)。
3. 效率特性数据表。
(插入效率特性数据表)。
4. 稳定性特性观察记录。
(插入稳定性特性观察记录)。
六、实验结果分析。
1. 通过静态输出特性曲线图可以看出,在不同负载下,电源输出电压随着负载的变化呈现出一定的规律,为后续电源设计提供了参考依据。
2. 动态输出特性响应图显示了电源在负载突变时的瞬时响应情况,为电源的稳定性提供了重要的参考信息。
实验1 电路基本测量一、实验目的1、掌握电流表、电压表、万用电表、稳压电源的使用方法。
2、学习电流、电压的测量及误差分析。
3、掌握电位的测量及电位正负的判定。
4、掌握电路电位图的绘制方法。
5、学会用电流插头、插座测量各支路电流的方法。
6、根据实验电路参数,合理选择仪表量程,掌握档位的选择及正确读数的方法。
二、实验内容1、布置并连接实验线路,调节可调稳压源输出,使用电压表、电流表测量电路电压、电流等,判断被测量的正负,进行误差分析,学会用电流插头、插座测量各支路电流的方法。
2、分别以c、e为参考节点,测量混联电路中各节点电位及相邻两点之间的电压值,判定电位的正负,通过计算验证电路中任意两节点间的电压与参考点的选择无关,并根据实验数据绘制电路电位图。
三、实验仪器与设备四、实验原理1、滑线变阻器的使用滑线变阻器是一种常用的电工设备。
它可作为可变电阻,用以调节电路中的电流,使负载得到大小合适的电流,它也可作为电位器的使用,改变电路的端电压,使负载得到所需要的电压。
它的额定值有最大电阻R N和额定电流I N,在各种使用场合,不论滑动触头处于任何位置,流过它的电流均不允许超过额定电流,否则会烧坏滑线变阻器。
2、电位的测量及电位正负的判定电路中某点的电位等于该点与参考点之间的电压。
电位的参考点选择不同,各节点的电位也相应改变,但任意两点间的电位差不变,即任意两点间电压与参考点电位的选择无关。
测量电位就象测量电压一样,要使用电压表或万用电表电压档。
如果将仪表的接“-”的黑表笔放在电路的正方向(参考方向)的低电位点上,接“+”的红表笔放在正方向的高电位点上,表针正偏转,则读数应取正值。
若表针反偏,则应将表笔对调后再测量,读数取负值。
3、电位图的绘制若以电路中的电位值作纵坐标,电路中各点位置(电阻或电源)作横坐标,将测量到的各点电位在该坐标平面中标出,并把标出点按顺序用直线条相连接,就得到电路的电位变化图。
每一段直线段即表示该两点间电位的变化情况。
电源外特性测试课程设计一、课程目标知识目标:1. 让学生理解并掌握电源外特性的基本概念,包括输出电压、输出电流、电压调整率、电流调整率等。
2. 使学生能够运用相关公式和定理进行电源外特性的计算和分析。
3. 帮助学生了解不同类型电源的外特性曲线特点及其在实际应用中的影响。
技能目标:1. 培养学生使用实验仪器和设备进行电源外特性测试的能力。
2. 提高学生分析实验数据、解决实际问题的能力。
3. 培养学生团队合作和沟通表达的能力。
情感态度价值观目标:1. 激发学生对电子技术学科的兴趣,培养其探索精神和创新意识。
2. 培养学生严谨、认真的学习态度,养成良好的实验操作习惯。
3. 引导学生关注电源技术的应用和发展,认识到其在国家经济建设和社会发展中的重要性。
分析课程性质、学生特点和教学要求,本课程目标具体、可衡量,旨在帮助学生掌握电源外特性的相关知识,培养其实践操作和问题解决能力,同时注重培养学生的情感态度和价值观。
课程目标分解为具体的学习成果,为后续的教学设计和评估提供依据。
二、教学内容- 电源的基本概念、分类及其工作原理。
- 电源外特性的定义、参数及其意义,包括输出电压、输出电流、电压调整率、电流调整率等。
- 电源外特性曲线的绘制与分析方法。
- 教材第二章“电源的基本概念与工作原理”以及第三章“电源外特性分析”。
2. 实践操作:- 使用实验仪器和设备进行电源外特性测试。
- 数据采集、处理和分析方法。
- 实验操作注意事项及安全规范。
- 教材第四章“实验操作与数据处理”以及实验指导书相关内容。
3. 教学安排与进度:- 第一周:电源的基本概念、分类及其工作原理学习。
- 第二周:电源外特性理论及曲线绘制与分析方法学习。
- 第三周:实验操作指导,进行电源外特性测试。
- 第四周:数据采集、处理和分析,撰写实验报告。
教学内容根据课程目标制定,保证科学性和系统性。
通过理论与实践相结合的方式,使学生掌握电源外特性的相关知识,提高其分析问题和解决问题的能力。
电工实训三 电路元件伏安特性的测绘及电源外特性的测量一. 实训目的1. 学习测量线性和非线性电阻元件伏安特性的方法,并绘制其特性曲线 2. 学习测量电源外特性的方法3. 掌握运用伏安法判定电阻元件类型的方法4. 学习使用直流电压表、电流表,掌握电压、电流的测量方法二. 实训原理 1. 电阻元件 (1) 伏安特性二端电阻元件的伏安特性是指元件的端电压与通过该元件电流之间的函数关系。
把电阻元件上的电压取为纵(或横)坐标,电流取为横(或纵)坐标,根据测量所得数据,画出电压和电流的关系曲线,称为该电阻元件的伏安特性曲线。
(2) 线性电阻元件线性电阻元件的伏安特性满足欧姆定律。
在关联参考方向下,可表示为:U=IR ,其中R 为常量,称为电阻的阻值,它不随其电压或电流改变而改变,其伏安特性曲线是一条过坐标原点的直线,具有双向性。
如图3-1(a )所示。
(3) 非线性电阻元件非线性电阻元件不遵循欧姆定律,它的阻值R 随着其电压或电流的改变而改变,即它不是一个常量,其伏安特性是一条过坐标原点的曲线,如图3-1(b )所示。
(a) 线性电阻的伏安特性曲线 (b) 非线性电阻的伏安特性曲线图3-1 伏安特性曲线2. 直流电压源 (1) 直流电压源理想的直流电压源输出固定幅值的电压,输出电流大小取决于所连接的外电路,因此其外特性曲线是平行于电流轴的直线,如图3-2(a )中实线所示。
实际电压源的外特性曲线如图3-2(a )虚线所示,在线性工作区它可以用一个理想电压源Us 和内电阻Rs 相串联的电路模型来表示,如图3-2(b )所示。
图中角θ越大,说明实际电压源内阻Rs 值越大。
实际电压源的电压U 和电流I 的关系式为: I R U U S S ⋅-= 式(3-1)(2) 测量方法将电压源与一可调负载电阻串联,改变负载电阻R2的阻值,测量出相应的电压源电流和端电压,便可以得到被测电压源的外特性。
图3-2 电压源特性三.实训设备名称数量型号1.双路可调直流电源1块301210462.直流电压电流表模块1块301110473.电阻13只1Ω*1 5.1Ω*1 10Ω*122Ω*1 51Ω*2 100Ω*2220Ω*1 1kΩ*14.白炽灯泡1只12V/0.1A5.灯座1只M=9.3mm6.短接桥和连接导线若干P8-1和501487.实验用9孔插件方板1块297mm ×300mm四.实训步骤1.测量线性电阻元件的伏安特性(1)按图3-4接线,取R L=51Ω,Us用直流稳压电源,注意应先将稳压电源输出电压旋钮置于零位。
实训三直流电源和电阻元件伏安特性的测定一、实训目的1、测定线性电阻元件、非线性电阻元件及直流电压源、直流电流源的伏安特性,并绘制其特性曲线。
2、掌握万用表和电流表、电路分析实验箱的使用方法。
3、理解理想电压源、电流源的伏安特性。
二、预习要求1、熟悉理想电压源与实际电压源、理想电流源与实际电流源的伏安特性。
2、熟悉电流、电压的测量方法。
3、在原始数据记录纸上画好测试数据的表格。
4、整理出简要的实训步骤。
三、实训器材1、电流表(T51型) 1只2、滑动变阻器(200Ω 1A) 1只3、电阻箱(0—9999Ω) 1只4、万用表(MF47型) 1只5、电路分析实验箱(SG6940A型) 1台四、实训原理及说明1、电阻元件电阻元件的阻值不随其电压或电流改变的,称为线性电阻元件,它遵循欧姆定律。
如果电阻元件的阻值随着其电压或电流而改变,称为非线性电阻元件,它不遵循欧姆不定律。
若把电阻元件上的电压取为纵(或横)坐标,电流取为横(或纵)坐标,画出电压和电流的关系曲线,称为该电阻元件的伏安特性曲线。
线性电阻元件的伏安特性是通过坐标原点的一条直线,如图4-1所示。
非线性电阻元件,因为它不遵循欧姆定律,电压与电流不成正比,其伏安特性是一条曲线,如图4-2所示。
图4-1 线性电阻的伏安特性曲线图4-2 非线性电阻的伏安特性曲线2.直流电压源理想的直流电压源(简称直流电压源),其端电压是一恒定值,与通过它的电流无关,即不会因为它所接外电路不同而改变,而通过它的电流却取决于它所连接的外电路。
直流电压源的伏安特性如图4-3所示(直线a )。
实际的直流电压源都具有一定的内阻R i ,它可以用恒定的电压U S 和电阻R i 相串联的模型来模拟。
其端电压U=U S -IR i式中I 为流过实际电压源的直流,实际直流电压源的伏安特性曲线如图4-3所示(直线b )。
3.直流电流源理想的直流电流源(简称直流电流源)其输出电流是一恒定值,与它的端电压无关,即不会因为它所接外电路不同而改变,而它的端电压却取决于外电路。
三相电路功率的测量及三相电源相序的测定实训指导书一、实训目的1.进一步熟悉三相电路的联接,掌握三相电路功率的测量。
2.进一步理解三相电路的求解。
二、实训设备1. 三相电路功率的测量2.三相电源相序的测定三、原理说明1. 三相电路功率的测量(1)对于三相四线制供电的三相星形联接的负载(即Y o接法),可用一只功率表测量各相的有功功率P A、P B、P C,则三相功率之和(ΣP=P A+P B+P C)即为三相负载的总有功功率值。
这就是一瓦特表法,如图5-1所示。
若三相负载是对称的,则只需测量一相的功率,再乘以3 即得三相总的有功功率。
(2)三相三线制供电系统中,不论三相负载是否对称,也不论负载是Y接还是△接,都可用二瓦特表法测量三相负载的总有功功率。
测量线路如图5-2所示。
若负载为感性或容性,且当相位差φ>60°时,线路中的一只功率表指针将反偏(数字式功率表将出现负读数), 这时应将功率表电流线圈的两个端子调换(不能调换电压线圈端子),其读数应记为负值。
而三相总功率∑P=P1+P2(P1、P2本身不含任何意义)。
图5-1 图 5-2(3)对于三相三线制供电的三 相对称负载,可用一瓦特表法测得 三相负载的总无功功率Q ,测试原 理线路如图5-3所示。
图示功率表读数的3倍,即为 对称三相电路总的无功功率。
除了此图给出的一种连接法(I U 、U VW ) 外,还有另外两种连接法,即接成 (I V 、U UW )或(I W 、U UV )。
图 5-32.三相电源相序的测定图5-4为相序指示器电路,用以测定三相电源 的相序A 、B 、C (或U 、V 、W )。
它是由一个电容 器和两个电灯联接成的星形不对称三相负载电路。
如果电容器所接的是A 相,则灯光较亮的是B 相,较暗的是C 相。
相序是相对的,任何一相均可作为A 相。
但A 相确定后,B 相和C 相也就确定了。
为了分析问题简单起见设: X C =R B =R C =R , U .A =U p ∠0° 则RR jR Rj U R j U jR U U P P P N N 111)1)(2321()1)(2321()1('·++-+-+--+-=)6.02.0()2321(''···j U j U U U U P P N N B B +----=-==U p (-0.3-j1.466)=1.49∠-101.6°U p)6.02.0()2321(''···j U jU U U U P P N N C C +--+-=-==Up(-0.3+j0.266)=0.4∠-138.4°Up由于U .'B >U .'C ,故B 相灯光较亮。
8.11 电子元件的伏安特性的测绘及电源外特性的测量 【实验目的】1.学习测量线性和非线性电阻元件伏安特性的方法,并绘制其特性曲线;2.根据设计性实验的要求,学会选择设计方案。
【设计要求及实验内容】 1.测量给定电阻的阻值R X ,要求1.5X XR R ∆≤%,自行设计实验方案、测量条件和实验线路图; 2.测绘线性电阻、非线性电阻的伏安特性曲线。
【主要实验器材】1.直流恒压源恒流源、低频功率信号源、数字存储示波器;2.滑线变阻器(140Ω、1A )、直流电压表(0.5级,多量程可调)、直流电流表(0.5级,多量程可调)、线路板、导线、待测电阻、电阻箱、灯泡、二极管、稳压二极管、九孔插件方板。
【实验原理、方法提示】 1.测量给定电阻的阻值R X ,要求1.5X XR R ∆≤%(1) 根据你所选择的两个电阻,分别计算出该电阻的额定电压、额定电流,实验中注意应小于这个值。
(2) 再根据实验要求1.5X XR R ∆≤%,计算出电源所需要的最大输出电压、电流表、电压表的量程(设计实验线路要分别采用内接法和外接法)。
(3) 设计实验表格。
注意自变量应选择整数值。
每个实验表格的数据应采集6-10个数据点。
(4) 根据实验数据,分别计算电阻R 值和R (进行内、外接修正)。
取1、3、5、7组数据分别计算出R ∆值(R ∆= )检查是否与实验要求相吻合,最后写出实验结果:R R R =±∆。
2. 测绘线性电阻、非线性电阻的伏安特性曲线(至少选择下述2个实验题目) (1)测绘任意给定的线性电阻(可任选阻值)的伏安特性曲线自行设计实验方案、测量条件和实验线路图(可参阅实验内容1的要求),对内、外接分别用坐标纸画出实验曲线,并写出函数关系。
(2)测量灯泡(12V,0.4A)电阻(非线性电阻)的伏安特性曲线本实验为钨丝灯泡,温度系数为4.8×10-3 /℃,在一定的电流范围内,电压和电流的关系为:nU KI=式中U:灯泡二端电压;I:灯泡流过的电流;K、n:与灯泡有关的常数,可以通过二次测量所得U1、I1和U2、I2,得到常数K和n即:1212lglgUUnII=,11nK U I-=(3)注意:要控制好钨丝灯泡的两端电压!不要超过12V!灯泡电阻在端电压12V范围内,大约为几欧到一百多欧姆,电压表内阻为500VΩ,远大于灯泡电阻,而电流表内阻很小,宜采用电流表外接法测量,自行设计电路图。