毒性指标
- 格式:docx
- 大小:19.01 KB
- 文档页数:3
毒理学上限指标毒理学是研究毒物对生物体造成的有害效应及其机制的科学领域。
在毒理学中,我们使用一系列的指标来评估和衡量毒物对生物体的毒性。
这些指标主要包括LD50、NOAEL、LOAEL、ADI、TTC等。
本文将对这些指标进行详细介绍。
首先是LD50(半数致死量)。
LD50是指一种毒物在特定时间内使一组动物中一半个体死亡的剂量。
它通常被用于评估急性毒性。
LD50值越低,说明毒物的急性毒性越高。
毒物的急性毒性可以通过大量动物试验来测定LD50值,也可以通过规定的预测模型进行估算。
NOAEL(无观察到不可逆效应水平)和LOAEL(最低观察到不可逆效应水平)是评估慢性毒性的关键指标。
NOAEL是在动物实验中未观察到不可逆效应的最高剂量,而LOAEL是最低观察到不可逆效应的最低剂量。
这些指标是确定安全剂量的基础,通常用于确定人类和动物对毒物的接触水平。
ADI(每日容许摄入量)是指一个人一生中每天可以摄入的毒物量。
ADI的计算通常基于NOAEL和一系列安全因子,如10倍安全因子等。
ADI被用于评估食品添加剂、农药、兽药等物质的风险。
TTC(潜在毒性药理学阈值)是一种基于统计分析的风险评估方法,用于评估潜在致癌物质、基因毒性物质和非基因毒性物质的健康风险。
TTC法根据化合物的临床药理数据,评估由摄入其残留量引起的慢性风险。
TTC值一般是根据人的总体曝露水平进行估算的。
除了上述指标,毒理学还有许多其他重要的指标,例如EC50、IC50、TC50、MIC等。
EC50是指引起特定效应所需的半最大效应浓度或剂量,通常用于评估某些物质的生物活性。
IC50是抑制50%细胞増殖或酶活性所需的药物或毒物浓度。
TC50是指导致细胞毒性的半最大毒性浓度或剂量。
而MIC则是指抑制微生物生长或引起死亡所需的最低浓度。
在毒理学研究中,这些指标的选择和运用对于合理评估毒物的风险和制定相应的控制策略至关重要。
根据这些指标,我们可以更好地了解毒物对生物体的影响,并制定出相应的保护措施,保障人类和环境的健康与安全。
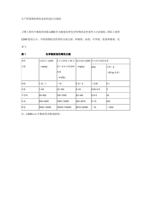
毒物的毒性和分级毒物是指能够对生物体产生有害影响的物质。
毒性是衡量毒物对生物体的危害程度的重要指标。
在毒物研究中,毒性可以分为急性毒性和慢性毒性两种。
急性毒性是指毒物短期内对生物体产生的有害影响。
常用的急性毒性测试方法有LD50和LC50。
LD50是指在特定条件下给实验动物灌服毒物的剂量,致使50%的动物死亡的最小剂量。
LC50是指在特定条件下将毒物暴露于实验动物的呼吸空气中,致使50%的动物死亡的最小浓度。
LD50和LC50的结果可以用于确定毒物的毒性分级。
我国根据毒物的毒性对其进行了六级分级,分别为高度剧毒、剧毒、有毒、易燃有毒、腐蚀性、刺激性。
下面分别介绍这些毒物的特性和对生物体的危害程度。
1. 高度剧毒高度剧毒的毒性最强,LD50<1毫克/千克。
这种毒物很少使用,主要是一些老鼠和蟑螂药。
高度剧毒毒物可导致呼吸暂停、中毒性心肌病、凝血障碍等病症,对人类和动物都具有极高的致死率和危害性。
2. 剧毒剧毒的毒性较高,LD50在1-50毫克/千克之间。
剧毒毒物主要是工业和农业用品中的化学品、农药和地下水污染物等。
剧毒毒物在短时间内就可导致中毒,引起症状包括呕吐、昏迷、抽搐、呼吸困难等严重危害。
3. 有毒有毒的毒性次于剧毒,LD50在50-500毫克/千克之间。
有毒毒物主要是一些比较常见的化学品和工业用品。
短时间内暴露于有毒毒物会引起中毒,症状包括头痛、恶心、头晕和视力障碍等。
4. 易燃有毒易燃有毒的毒性与有毒类似,但同时也有引起火灾和爆炸的风险。
常用的易燃有毒物质包括石油、天然气和某些清洗剂等。
易燃有毒毒物对呼吸系统、皮肤和眼睛都有伤害,同时也具有火灾和爆炸风险,一旦造成事故将会带来严重的后果。
5. 腐蚀性腐蚀性毒物在接触到皮肤和眼睛时,会造成腐蚀、烧伤等创伤,对皮肤和眼睛具有严重的危害。
腐蚀性毒物还可以导致内脏毒性,损伤呼吸系统、消化系统和肝脏等器官。
6. 刺激性刺激性毒物包括有刺激性的气体、粉尘、烟雾等,它们对皮肤、眼睛、呼吸道等有轻微的刺激性并且能对健康产生负面影响。
工业毒物毒性的分级标准工业毒物是指在工业生产中产生的具有毒性的化学物质,其毒性对人体和环境造成危害。
为了对工业毒物进行科学评估和有效管理,需要对其毒性进行分级标准。
毒性的分级标准是根据毒物对人体的危害程度以及对环境的影响程度进行科学评定,以便对其进行合理的管理和控制。
一般来说,工业毒物的毒性分级标准主要包括急性毒性和慢性毒性两个方面。
急性毒性是指毒物在短时间内对人体产生的危害,通常以LD50(半数致死量)来表示。
LD50越小,毒性越大,对人体的危害越严重。
慢性毒性是指毒物在长期接触下对人体产生的危害,通常以NOAEL(无观察到不适效应水平)和LOAEL(最低观察到不适效应水平)来评价。
NOAEL和LOAEL越小,毒性越大,对人体的慢性危害越严重。
根据毒物的急性毒性和慢性毒性,工业毒物可以分为四个等级,A级、B级、C级和D级。
A级毒物是指急性毒性和慢性毒性都非常强的毒物,对人体和环境的危害极大。
这类毒物通常具有极低的LD50和NOAEL/LOAEL值,甚至在极小的剂量下就能对人体和环境造成严重危害。
例如,氰化物、砒霜等。
B级毒物是指急性毒性和慢性毒性较强的毒物,对人体和环境的危害较大。
这类毒物具有较低的LD50和NOAEL/LOAEL值,需要严格的管理和控制。
例如,某些有机溶剂、重金属化合物等。
C级毒物是指急性毒性和慢性毒性一般的毒物,对人体和环境的危害较小。
这类毒物具有中等的LD50和NOAEL/LOAEL值,需要一定的管理和控制。
例如,某些农药、染料等。
D级毒物是指急性毒性和慢性毒性较弱的毒物,对人体和环境的危害较小。
这类毒物具有较高的LD50和NOAEL/LOAEL值,对人体和环境的危害较小。
例如,某些食品添加剂、医药中间体等。
在实际工业生产和使用中,对工业毒物的分级标准需要根据具体情况进行调整和完善。
同时,对于不同等级的工业毒物,需要采取相应的管理和控制措施,以减少其对人体和环境造成的危害。
毒性分级标准毒性分级标准是指根据毒物对人体的危害程度进行分类,以便对毒物进行科学合理的管理和控制。
毒性分级标准一般包括急性毒性、慢性毒性和致癌性等指标,通过对毒物的毒性进行评估和分类,可以有效地指导毒物的使用和处理,保障人体健康和环境安全。
首先,急性毒性是指毒物对人体造成急性危害的能力,通常以LD50(半数致死量)来评价。
根据LD50的大小,毒物可分为高毒、中毒和低毒三个级别。
高毒物指LD50小于50毫克/千克,中毒物指LD50在50-500毫克/千克之间,低毒物指LD50大于500毫克/千克。
对不同级别的毒物,应采取相应的防护措施和急救措施,以最大限度地减少急性中毒事件的发生。
其次,慢性毒性是指毒物长期接触或低剂量暴露对人体健康造成的潜在危害。
慢性毒性的评价一般包括长期接触毒物的毒理学效应、致畸性、致突变性和致癌性等指标。
根据这些指标,毒物可分为无慢性危害、有慢性危害和潜在致癌物三个级别。
对不同级别的毒物,应采取相应的监测和控制措施,以减少慢性毒性对人体健康的影响。
最后,致癌性是指毒物对人体造成致癌的能力。
根据国际癌症研究机构(IARC)的评价结果,毒物可分为致癌物、可能致癌物和非致癌物三个级别。
对致癌物应采取严格的监测和控制措施,以减少致癌物对人体健康的危害。
综上所述,毒性分级标准是保障人体健康和环境安全的重要依据,对毒物的合理管理和控制具有重要意义。
通过科学准确地评价和分类毒物的毒性,可以有效地指导毒物的使用和处理,最大限度地减少毒物对人体健康和环境的危害。
希望各行各业都能重视毒性分级标准,合理使用和管理毒物,共同保障人体健康和环境安全。
急性毒性分级标准毒性是指物质对生物体产生有害影响的能力,而急性毒性则是指物质在短时间内对生物体产生的有害影响。
为了对化学品进行科学合理的管理和应对突发化学品事故,各国家和国际组织都制定了一套急性毒性分级标准。
这些标准是基于大量实验数据和毒理学研究成果,旨在帮助人们更好地了解和评估化学品的毒性,从而采取相应的防护措施和应急措施。
急性毒性分级标准通常包括了对化学品的毒性级别、毒性浓度和毒性症状等内容。
根据国际上通行的标准,常见的急性毒性分级标准主要包括了LD50值、LC50值和急性毒性类别等内容。
LD50值是指半数致死剂量,它是一种衡量化学品急性毒性的重要指标。
LD50值越小,说明该化学品的毒性越大。
根据LD50值的大小,通常将化学品分为高毒、中毒和低毒三个等级。
高毒指LD50值小于50毫克/千克,中毒指LD50值在50-500毫克/千克之间,低毒指LD50值大于500毫克/千克。
LC50值是指半数致死浓度,它是衡量化学品对生物体急性毒性的另一个重要指标。
LC50值越小,说明该化学品对生物体的毒性越大。
根据LC50值的大小,通常将化学品分为高毒、中毒和低毒三个等级,其划分标准与LD50值相似。
根据LD50值和LC50值,国际上通行的急性毒性分级标准将化学品分为四个急性毒性类别,分别为,急性毒性I类、急性毒性II类、急性毒性III类和急性毒性IV类。
其中,急性毒性I类是指LD50值小于5毫克/千克或LC50值小于20毫克/升的化学品,属于高毒物质;急性毒性II类是指LD50值在5-50毫克/千克或LC50值在20-200毫克/升之间的化学品,属于中毒物质;急性毒性III类是指LD50值在50-300毫克/千克或LC50值在200-1000毫克/升之间的化学品,属于低毒物质;急性毒性IV类是指LD50值大于300毫克/千克或LC50值大于1000毫克/升的化学品,属于微毒物质。
在实际工作中,对化学品进行急性毒性分级有助于科学评估其对人体和环境的危害程度,有利于采取相应的防护和应急措施。
危险化学品的毒性
一、常见化学品的毒性分级
我国对职业性接触毒物危害程度分级制定了国家标准(GB5044-85),根据化学品的急性毒性试验、急性中毒发病状况、慢性中毒患病情况、慢性中毒后果、致癌性和车间最高容许浓度等依据(见表1),对我国接触的56种常见毒性化学品的危害程度进行了分级(见表2)。
表1 职业性接触毒物危害程度依据
表2 职业性接触毒物危害程度分级及其行业举例
二、实验室空气的安全性
化学品的毒性可以通过皮肤吸收、消化道吸收及呼吸道吸收等三种方式对人体健康产生危害。
掌握正确的操作方法,避免误接触及误食等能使前两种方式的中毒几率降到最低。
而对于通过呼吸道吸收的毒物(也是最广的),由于看不见,摸不着而往往容易对身体造成伤害。
因此,一方面应从改进生产、实验等方式(规程)来降低有害物质在空气中的浓度;另一方面,个人对此也应引起重视,该戴防护罩的地方必须戴,不必戴防护罩的地方也应保持空气新鲜,我国于l979年发布了车间空气卫生标准(见表3),规定了毒物的最高容许浓度,由此可以了解些常见化学品的毒性大小,以便引起足够的重视。
表3 车间空气中毒物的最高容许浓度
注:有“(皮)”标记者为除经呼吸道吸收外,尚易经皮肤吸收的有毒物质。
毒性分级标准毒性分级标准是指根据毒物对生物体的危害程度,将毒物分为不同的等级,以便对毒物进行科学的管理和控制。
毒性分级标准的制定是为了保护人类健康和环境安全,对毒物的使用、储存、运输和处理提供科学依据。
一、毒性分级标准的意义。
毒性分级标准的制定对于毒物的安全使用和管理具有重要的意义。
首先,毒性分级标准可以帮助人们了解毒物的危害程度,从而采取相应的防护措施,减少事故发生的可能性。
其次,毒性分级标准可以指导毒物的合理使用和储存,避免毒物对人体和环境造成不可逆转的损害。
此外,毒性分级标准还可以为毒物的运输和处理提供科学依据,保障公共安全和环境保护。
二、毒性分级标准的内容。
毒性分级标准通常包括急性毒性、慢性毒性和致突变性等方面的评价指标。
急性毒性是指毒物对生物体在短时间内产生的危害,通常以LD50(半数致死量)为指标进行评价。
慢性毒性是指毒物对生物体在长期接触后产生的危害,通常以NOAEL(无观察到不良效应水平)和LOAEL(最低观察到不良效应水平)为指标进行评价。
致突变性是指毒物对生物体的遗传物质产生的影响,通常以Ames试验等方法进行评价。
三、毒性分级标准的实施。
毒性分级标准的实施需要依靠相关法律法规和标准进行。
各国家和地区通常会根据自身的实际情况,制定适合本国国情的毒性分级标准,并加强对毒物的监管和管理。
同时,科研机构和企业也应当加强对毒物的研究和评价,提高毒性分级标准的科学性和准确性。
四、毒性分级标准的挑战与展望。
随着科学技术的不断发展,毒性分级标准也面临着新的挑战和机遇。
一方面,新型毒物的不断出现,对毒性分级标准提出了新的要求。
另一方面,毒性分级标准的制定和实施还存在一些不足之处,需要不断完善和提高。
因此,未来的毒性分级标准需要更加科学、准确和全面,以适应社会发展的需要。
总之,毒性分级标准的制定和实施对于保护人类健康和环境安全具有重要的意义。
我们应当加强对毒物的研究和评价,不断完善毒性分级标准,为毒物的安全使用和管理提供科学依据。
化学物质的毒性评估及监测方法化学物质是我们生活和工作中常见的物质,它们可以用于制造产品、处理废物、消毒和杀虫等用途。
但是,有些化学物质可能对人体和环境产生毒性影响,需要进行毒性评估和监测。
本文将介绍化学物质的毒性评估方法和相应的监测方法。
毒性评估方法化学物质的毒性评估是一个复杂的过程,需要考虑化学物质的物理化学性质、生物活性、作用部位、剂量-反应关系等因素。
下面将简要介绍几种常用的毒性评估方法。
1.急性毒性评估急性毒性评估是指根据化学物质一次或多次暴露后,在短时间内(通常为24小时)产生的剧烈毒性作用。
急性毒性评估常用的指标为LD50(半数致死剂量),即对于一定数量的试验动物,需要投入多少化学物质才能导致其中50%死亡。
LD50数值越小,说明化学物质的毒性越大。
2.慢性毒性评估慢性毒性评估是指化学物质长期或反复低剂量暴露后,在较长时间内产生的毒性作用。
慢性毒性评估通常使用的指标为NOAEL (无不良效应最低剂量),即对于一定数量的试验动物,最大允许摄入的化学物质剂量,而不会产生不良影响。
NOAEL数值越小,说明化学物质的毒性越大。
3.相关性评估相关性评估是指根据化学物质接触后,对人体和环境所产生的影响进行评估。
相关性评估要考虑到影响的种类、剂量、接触方式等多方面因素。
一些常用的相关性评估方法包括生态毒性测试、基因突变试验、细胞毒性试验等。
监测方法对化学物质进行毒性评估是对其潜在风险的评估,而监测则是对其现实风险的评估。
监测的目的是为了及时发现和处理潜在的危险,以保护公众和环境。
下面将介绍几种常用的化学物质监测方法。
1.生物监测生物监测是指通过检测生物体内的化学物质代谢产物来进行监测。
生物监测依赖于生命体征的变化,可以检测人体内的有机化合物、重金属等物质。
生物监测有利于了解化学物质在人体内的吸收、代谢和排泄情况,为控制化学物质暴露提供信息。
2.环境监测环境监测是指通过对大气、水、土壤等环境中的化学物质进行采样和检测来进行监测。
生物毒性的检测与评估生物毒性是指化学物质或生物物质对于生物体内的某些器官、系统、细胞或诊断级别的影响。
它的出现可能会对生态系统和人类健康造成负面影响。
因此,对于生物毒性的检测与评估是非常重要的。
一、检测方法1. 细胞毒性检测法这种方法使用细胞培养法,将化学物质加入培养基中,观察细胞对于化学物质的反应情况。
根据细胞死亡数量来评估其毒性。
2. 动物毒性检测法这种方法管理动物,注入化学物质,观察其反应情况,并在一段时间后对动物进行解剖。
根据动物死亡数量和脏器损伤情况来评估化学物质的毒性。
3. 试纸检测法这种方法是使用特殊的试纸,将待测的生物物质放入试纸中,观察颜色变化,根据颜色变化的程度来评估其毒性。
二、检测指标1. 水质毒性指标水质毒性指标是评估水体是否受到化学物质污染的一种方法。
其检测指标包括:硬度、总溶解固体、溶解氮含量、pH值、溶解氧含量、化学需氧量、总有机碳和总细菌数等。
2. 土壤毒性指标土壤毒性指标是评估土壤中是否含有毒性物质的一种方法。
其检测指标包括:土壤有机物含量、pH值、电导率、有机磷含量和重金属含量等。
3. 食品毒性指标食品毒性指标是评估食品中是否含有毒性物质的一种方法。
其检测指标包括:食品添加剂、重金属、农药残留以及各种有害化学物质的含量等。
三、评估指标1. 毒性指数毒性指数是评估化学物质对于生态系统或人类健康的影响程度的一种指标。
根据化学物质的浓度、毒性和容积等因素计算出来。
在此基础上,卫生部门或相关机构可以制定针对性的规范和管制措施,确保公众的安全。
2. 生态风险评估生态风险评估是评估化学物质对于生态系统的影响程度的一种方法。
其评估指标包括危害描述、曝露评估、生物处理和效应评估等。
根据评估报告,环境保护部门或相关机构可以采取相应的治理措施,保护野生动物和生态环境。
四、未来发展方向生物毒性检测与评估技术正日趋完善和普及,未来的发展方向主要集中在以下几个方面:1. 合理使用化学物质,研发绿色环保型产品。
LD50半数致死量(lethal dose 50%, LD50):是指能够引起试验动物一半死亡的药物剂量,通常用药物致死剂量的对数值表示。
LD50及相应置信区间是由剂量-反应模型得出的最常用的统计量。
LD50是半数致死剂量,指在预定时间之内,如96h,导致50%被暴露个体死亡的剂量。
ED50:半数有效量(50% effective dose, ED50)在量反应中指能引起50%最大反应强度的药量,在质反应中指引起50%实验对象出现阳性反应时的药量。
意义:药物的ED50越小,LD50越大说明药物越安全ED50的计算方法回归法简单几率单位法寇氏法LC50 :(Lethal Concentration 50,致死中浓度/半致死浓度/半数致死浓度)表示杀死50% 防治对象的药剂浓度,单位为PPm 。
半数致死浓度是衡量存在于水中的毒物对水生动物和存在于空气中的毒物对哺乳动物乃至人类的毒性大小的重要参数。
毒物的致死效应与受试动物暴露时间有密切关系。
如果用LC50表示水中毒物对水生生物的急性毒性,必须在LC50前标明暴露时间,如24小时LC50、48小时LC50和96小时LC50等。
如果用LC50表示空气中毒物对哺乳动物的急性毒性,一般是指受试动物吸入毒物2小时或4小时后的试验结果,可不注明吸入时间,但有时也可写明时间参数。
例如LCt50是指引起动物半数死亡的浓度和吸入时间的乘积,时间(t)一般用分钟表示。
在环境毒理学中1经口服,腹腔、静脉或皮下注入,皮肤染毒方式引起急性中毒的半数致死量以LD50表示; 2以吸入的染毒方式引起急性中毒的半数致死浓度以LC50表示。
但空气中的物理因素(如核辐射)引起哺乳动物半数死亡的剂量用LD50表示。
4计算方法计算毒物对水生动物的LC50常用直线内插法,即根据不同暴露时间,以及在等对数间距的各个试验浓度下测试动物的死亡率,求出不同暴露时间的LC50值。
计算时必须有使受试动物存活半数以上和半数以下的各种试验浓度。
表示毒性的常用指标
致死剂量
1.绝对致死剂量
绝对致死剂量(absolutelethaldose,LD10)指化学物质引起受试对象全部死亡所需要的
最低剂量或浓度.由于个体差异,少数高耐受性个体的存在,LD10常有很大的波动性.因此,一般不把LD10作为评价化学物质毒性大小或对不同化学物质的毒性进行比较的指标。
2.最小致死剂量
最小致死剂量(minimallethaldose,LD01)指化学物质引起受试对象中的个别成员出现死亡的剂量。
理论上低于此剂量即不能引起死亡。
3.最大耐受剂量
最大耐受剂量(maximaltolerancedose,LD0)指化学物质不引起受试对象出现死亡的最高剂量。
若高于该剂量即可出现死亡。
LD0也受个体差异的影响,存在很大的波动性。
上述LD0和LD10常作为急性毒性试验中选择剂量范围的依据。
4.半数致死剂量
半数致死剂量(medianlethaldose,LD50)又称致死中量,指化学物质引起一半受试对象出现死亡所需要的剂量。
LD50是评价化学物质急性毒性大小最重要的参数,也是对不同化学物质进行急性毒性分级的基础标准。
化学物质的急性毒性与LD50呈反比,即急性毒性越大,LD50的数值越小。
LD50是一个生物学参数,受多种因素影响。
因此,在表示LD50时,必须注明动物种属和接触途径,还应标明动物的性别.此外,实验室环境、喂饲条件、染毒时间、受试物浓度、溶剂性质、实验者操作技术的熟练程度等均可对LD50产生影响.LD50有较大的波动性。
因此,在计算LD50时,还要求出95%可信限,以LD50±1。
96δ 来表示误差范围。
毒理学中的化学物质毒性评价近年来,化学物质的安全问题日益受到关注,毒理学中的化学物质毒性评价成为了热门话题。
化学物质毒性评价这一领域是毒理学的重要组成部分,它具有重要的科学意义和现实意义。
下面,我们就来详细了解一下这个话题。
I. 毒理学基础知识毒理学是研究有毒物质对人体和环境的危害及其机理的学科。
在毒理学中,有毒物质指能够对人体或其他生物体造成有害影响的化学物质。
毒性是指毒物对某种生物体的危害程度。
在毒理学中,常用的指标是剂量-反应关系。
比如,药物剂量随着剂量的增加而增加,毒性也随之增加,但到了一定剂量后,毒性会达到最大值。
而剂量-反应关系会因为生物体的差异而存在差异,这就需要科学家进行不同的剂量反应关系的研究。
II. 化学物质毒性评价体系化学物质毒性评价体系是指在毒理学中用于评价有毒物质对人体或其他生物体危害程度的体系。
其中,国际上公认的最主要的化学物质毒性评价体系是急性毒性评价、慢性毒性评价和生态毒性评价。
1. 急性毒性评价急性毒性评价是指在短时间内暴露于有毒物质后产生的急性危害的评价。
急性毒性评价的指标主要有LD50值和LC50值。
LD50值是指在给定时间内,以毫克(mg)每公斤(kg)体重的剂量计算,可导致半数动物死亡的毒性剂量。
而LC50值是把毒物以毫升(ml)溶液每立方米(m3)气体浓度的形式给出,可导致半数动物死亡的毒性气体浓度。
这些指标可用于评估人类或其他动物暴露于有毒物质时生命安全的潜在风险。
2. 慢性毒性评价慢性毒性评价是指在长时间内反复暴露于有毒物质后产生的长期效应的评价。
慢性毒性评价的指标主要有NOAEL和ADI。
NOAEL是接受长期暴露而不出现不良反应的最高剂量。
ADI是一天中允许暴露给定物质的可接受摄入量。
3. 生态毒性评价生态毒性评价是指有毒物质对自然界中的生物造成的危害的评价。
生态毒性评价的指标主要有EC50和LC50。
EC50是指在特定实验条件下,毒物对生物体产生半数致死的浓度,而LC50则是指在特定实验条件下,毒物对生物体产生半数致死的剂量。
LD50
半数致死量(lethal dose 50%, LD50):是指能够引起试验动物一半死亡的药物剂量,通常用药物致死剂量的对数值表示。
LD50及相应置信区间是由剂量-反应模型得出的最常用的统计量。
LD50是半数致死剂量,指在预定时间之内,如96h,导致50%被暴露个体死亡的剂量。
ED50:
半数有效量(50% effective dose, ED50)在量反应中指能引起50%最大反应强度的药量,在质反应中指引起50%实验对象出现阳性反应时的药量。
意义:药物的ED50越小,LD50越大说明药物越安全
ED50的计算方法
回归法
简单几率单位法
寇氏法
LC50 :(Lethal Concentration 50,致死中浓度/半致死浓度/半数致死浓度)表示杀死50% 防治对象的药剂浓度,单位为PPm 。
半数致死浓度是衡量存在于水中的毒物对水生动物和存在于空气中的毒物对哺乳动物乃至人类的毒性大小的重要参数。
毒物的致死效应与受试动物暴露时间有密切关系。
如果用LC50表示水中毒物对水生生物的急性毒性,必须在LC50前标明暴露时间,如24小时LC50、48小时LC50和96小时LC50等。
如果用LC50表示空气中毒物对哺乳动物的急性毒性,一般是指受试动物吸入毒物2小时或4小时后的试验结果,可不注明吸入时间,但有时也可写明时间参数。
例如LCt50是指引起动物半数死亡的浓度和吸入时间的乘积,时间(t)一般用分钟表示。
在环境毒理学中
1经口服,腹腔、静脉或皮下注入,皮肤染毒方式引起急性中毒的半数致死量以LD50表示; 2以吸入的染毒方式引起急性中毒的半数致死浓度以LC50表示。
但空气中的物理因素(如核辐射)引起哺乳动物半数死亡的剂量用LD50表示。
4计算方法
计算毒物对水生动物的LC50常用直线内插法,即根据不同暴露时间,以及在等对数间距的各个试验浓度下测试动物的死亡率,求出不同暴露时间的LC50值。
计算时必须有使受试动物存活半数以上和半数以下的各种试验浓度。
根据毒物或废水试验浓度和受试动物的死亡率用半对数纸作图,在死亡率50%处划一垂线至浓度坐标,即可求出不同暴露时间内的LC50。
增加试验次数和适当缩小试验浓度间距,可提高LC50值的精确度。
运用图解法(Litchfield and Wilcoxon法),可计算出LC50值的可信限,从而估算出与受试动物同类的动物死亡50%的毒物浓度范围。
计算毒物对哺乳动物的LD50和LC50,较为简便、精确的方法是图解法。
由于染毒方式不同,动物的中毒反应往往有很大差异。
为便于对吸入染毒和其他方式染毒引起的动物急性中毒进行比较,可按一定的换算公式将染毒浓度换算成吸入的毒物剂量。
意义作用在比较各种污染物的毒性,不同种或不同发育阶段的动物对污染物的敏感性以
及环境因素对毒性影响等方面的研究中,都以LC50为依据。
水生动物的种类不同,对毒物的感受性有很大差异。
如镉对金鱼的96小时LC50为2.13毫克/升,而对一种端足类动物则为0.085毫克/升。
同一种毒物对处于不同发育阶段的同一种动物的毒性也不同。
如镍对刚孵化出的鲤鱼苗的96小时LC50为6.10毫克/升,而对体长为4~5厘米的鲤鱼鱼种则为35.0毫克/升。
因此,目前国内外用于研究污染物对水生动物急性毒性试验的动物,除鱼类以外,还有浮游动物、软体动物、甲壳类、环节动物、棘皮动物、水生昆虫和蠕虫等。
水的温度、pH值、溶解氧量、硬度、盐度等环境因素对污染物的毒性也有明显影响,因此报告某种毒物毒性时要有环境因素的记录。
影响毒物对哺乳动物的毒性的因素很多,而且情况比对水生动物复杂。
如纯度为95%以上的八氟异丁烯分别给小鼠吸入染毒和腹腔注入染毒,其试验结果前者的LC50为2ppm,后者LC50在500毫克/升以上。
经换算并进行比较,前者属于剧毒类,而后者属于中等毒类。
此外,毒物的化学结构和性质,受试动物种类、种系、性别、年龄、体重和健康状况以及诸如气温、气压、湿度、季节等环境因素也与LC50或LD50有密切关系。
在水污染控制方面,化学物质对水生动物的LC50值有以下用途:①对可能进入水体的化学物质进行毒性过筛,以控制剧毒物质的生产和应用;②根据LC50值并运用应用系数推算出安全浓度,为制订水质标准提供依据;③检查废水处理效果,为制订废水排放标准提供依据;
④作为污染源监测和水污染生物评价的依据。
由于新的化学制品不断增多,广泛进行水生动物的慢性毒性试验受到许多限制,评定毒物安全浓度的简易生物测试法还不完善,因此LC50仍然是控制水污染必不可少的生物学参数。
哺乳动物毒理学研究已积累了丰富的资料。
根据人类的经验和从动物实验获得的化学物质LD50和LC50值,可以估计化学物质对人的可能致死剂量。
根据对人的可能致死剂量,中国一般将化学物质的毒性分为剧毒、高毒、中等毒、低毒和微毒等五个等级。
尽管目前对毒性分级的方法、标准以及毒性等级的用语还不统一,但在新的化学制品不断出现和广泛应用的情况下,测定化学物质对哺乳动物的LD50和LC50,进行毒性分级,对于保护人类环境和预防职业性中毒都有重大意义。
IC50half maximal (50%) inhibitory concentration (IC) of a substance (50% IC, or IC50).
是指被抑制一半时抑制剂的浓度,这里的反应可以是酶催化反应,抗原抗体反应等。
在凋亡方面,可以理解为一定浓度的某种药物诱导肿瘤细胞凋亡50%,该浓度称为50%抑制浓度,即凋亡细胞与全部细胞数之比等于50%时所对应的浓度,IC50值可以用来衡量药物诱导凋亡的能力,即诱导能力越强,该数值越低,当然也可以反向说明某种细胞对药物的耐受程度。
半抑制浓度(或称半抑制率),即IC50。
在间接竞争ELISA标准曲线中是一个非常重要的数据,标准曲线是一个S型曲线。
ICELISA中,不添加抑制物质的对照孔的OD值为B0,添加了抑制物质的孔的OD 值为B
B/B0% 就叫做结合率,在结合率为50%时所对应的抑制物质的浓度就叫做IC50。
一般IC50的数值越小,说明你的抗体的特异性能越强!
最小检测限为试剂盒标准曲线的最小的浓度,小于最小浓度或大于最大浓度,即不
在曲线范围内的都不准确,大于最大浓度可以稀释后测。
IC50为50%抑制浓度即B/B0=50%时所对应的浓度,半数抑制是用来衡量抗体灵敏度的半数抑制越低,说明抗体的灵敏度越高。
通常来说,试剂盒最大和最小量程应该是该抗体用来检测标准品的检测限,检测限分最大和最小检测限。
检测下限一般为理论值,是根据标准曲线算出来的理论上可以检测到的最小的值;
定量限为实际检测时可以定量的最低的值;
而最大检测限就是实际操作中抑制率达到100%时的药物浓度。
检测下限(LOD)对应的OD值:OD(LOD) =B0-3SD
定量限(LOQ)对应的OD值:OD(LOQ)= B0-10SD。