130万吨焦化厂粗笨工段工艺的设计
- 格式:doc
- 大小:1.96 MB
- 文档页数:89
1.装置概况及工艺过程1.1装置概况粗苯加氢装置由制氢、加氢精制、萃取蒸馏、酸性水处理、酸性气处理、公用工程系统等单元组成。
年处理焦化粗苯原料10万吨。
其主要工艺过程是将粗苯原料经过脱重组分塔脱除C9以上重组分后经两级加氢处理(预加氢和加氢净化)。
原料通过预反应器催化剂床层逆流向上,使双烯烃、苯乙烯、二硫化碳进行加氢脱除和双烯饱和,再通过主反应器催化剂床层进行加氢处理,使烯烃发生饱和反应生成饱和烃。
硫、氧、氮等化合物被加氢转化烃类、硫化氢、水及铵盐被脱除,芳烃转化被抑制。
处理后的物料经稳定塔除去溶解于物料中的硫化氢后进入萃取蒸馏系统。
在环丁砜的作用下将芳烃和非芳烃分离。
分离出的混合芳烃经苯塔、甲苯塔、二甲苯塔精馏分离,生产纯度极高的苯、甲苯、混合二甲苯产品及少量的C8—、C8+溶剂油。
生产过程中产生的酸性水经酸性水汽提处理后送至污水处理厂,酸性气经酸性气处理装置脱除硫化氢制取硫磺。
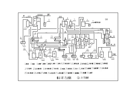
1.2工艺流程简述1.2.1加氢工艺流程自罐区泵送来的焦化粗苯原料经过滤器FT-1101/A、B,再经主反应产物/脱重组分塔进料换热器E-1101(管程)换热后入脱重组分塔C-1101,在塔内进行轻、重组分分离,塔顶汽相经脱重组分塔顶冷却器E-1102(壳程)冷凝冷却后进入塔顶回流罐V-1101,不凝气经真空机组排放至火炬燃烧。
液体经脱重塔回流泵P-1101/A、B加压后部分回流,部分送入加氢进料缓冲罐V-1102。
塔底重苯经塔底泵P-1103/A、B 加压后送入脱重组份塔底冷凝器E-1104(管程)冷却后送往罐区。
脱重塔底设两台再沸器E-1103/A、B和两台塔底循环泵P-1102/A、B 强制循环。
再沸器热源采用导热油。
为防止物料聚合结焦在脱重塔进料线注入阻聚剂。
加氢进料缓冲罐V-1102的轻苯经反应进料泵P-1104/A、B 加压后入轻苯预热器E-1105(管程)预热后与K-1101/A、B送来的循环氢气混合后依次进入轻苯蒸发器E-1106/A、B、C(管程),在轻苯蒸发器内被加热蒸发的轻苯和氢气进入J-1102与蒸发塔底来的液体混合后进入蒸发塔再沸器E-1107/A、B (管程)进一步汽化后进入蒸发塔C-1103。
//////////中国矿业大学本科生毕业设计姓名:学号:学院:专业:设计题目:年产120万吨焦化厂粗苯工段的设计专题:指导教师:职称:教授2009年 5月徐州中国矿业大学毕业设计任务书学院专业年级姓名任务下达日期:毕业设计日期:毕业设计题目:年产120万吨焦化厂粗苯工段的设计毕业设计专题题目:毕业设计主要内容和要求:要求:<1)回收工艺论证;<2)主要设备计算和选型;<3)绘制带控制点工艺流程图、设备平面布置图、管道平面和立面布置图、绘制一张主要设备图<必须与自己的设备计算一致),用AutoCAD绘制;<4)编制设计说明书;<5)按2×60孔TJL5550D焦炉配套规模进行计算。
计算条件:苯回收率:1.0%硫铵工段来煤气温度/饱和温度℃: 58/53终冷温度:22℃毕业设计工作计划<1)3.1~3.8 设计基本知识培训<2)3.9~3.22现场实习收集资料<3)3.23~4.17工艺论证和计算<5)4.18~5.31绘制图纸<6)6.1~6.15提交设计说明书和图纸院长签字:指导教师签字:中国矿业大学毕业设计指导教师评阅书指导教师评语<①基础理论及基本技能的掌握;②独立解决实际问题的能力;③研究内容的理论依据和技术方法;④取得的主要成果及创新点;⑤工作态度及工作量;⑥总体评价及建议成绩;⑦存在问题;⑧是否同意答辩等):成绩:指导教师签字:年月日中国矿业大学毕业设计评阅教师评阅书评阅教师评语<①选题的意义;②基础理论及基本技能的掌握;③综合运用所学知识解决实际问题的能力;③工作量的大小;④取得的主要成果及创新点;⑤写作的规范程度;⑥总体评价及建议成绩;⑦存在问题;⑧是否同意答辩等):成绩:评阅教师签字:年月日中国矿业大学毕业设计答辩及综合成绩目录第一章绪论11.1炼焦煤气中回收苯族烃的意义11.2 粗苯的性质11.3 设计任务书21.3.1 设计题目:120万t/a焦化厂粗苯工段的工艺设计21.3.2 计算条件:31.3.3 设计条件31.3.4 设计要求4第二章工艺论证及确定62.1 煤气的终冷及除萘的方法及工艺选择62.1.1 煤气终冷和除萘工艺72.1.2 煤气终冷和焦油洗萘工艺82.1.3 油洗萘和煤气终冷工艺92.1.4 横管终冷洗萘工艺132.2 洗苯工艺 (11)2.2.1 用焦油洗油回收粗苯:152.2.2 石油洗油回收粗苯16第三章粗苯脱苯方法及工艺选择错误!未定义书签。
中国科技期刊数据库 工业C2015年42期 89焦化粗苯工艺研究王 健 余诚桓河北钢铁集团邯钢焦化厂,河北 邯郸 056015摘要:苯是重要的化工原料,其主要来源之一是煤高温裂解后得到的焦化粗苯。
在精制方面,目前国内外采用的方法有酸洗精制法、加氢精制法和萃取精制法。
酸洗法由于投资少、见效快、设备简单、操作方便等特点,国内大多数生产厂家都采用该工艺。
加氢精制工艺以其能耗成本低、产品质量好、销售价格高、竞争力强等优势占据了国外的大多市场。
关键词:焦化粗苯工艺;工艺研究 中图分类号:TQ522.62 文献标识码:A 文章编号:1671-5810(2015)42-0089-021 粗苯生产流程焦炉煤气经过硫胺工段后,进入冷却塔,经过直接水冷作用,将煤气温度降低到27摄氏度左右,并依次进入到三个保持串联的钢板网洗笨塔,洗笨贫油经由洗笨塔顶部喷入,按照洗笨塔的前后顺序同煤气逆流接触,经过第一个洗笨塔底部的富油,一部分富油送入洗萘塔内,另一部分和洗萘塔中返回的含有萘的富油进行混合,之后进入到蒸馏工序。
富油首先进入到油气换热器内,同脱笨塔顶的粗苯蒸汽间接换热到70℃~80℃,然后进入到油油换热器,和脱笨塔底部的热贫油换热到120℃~130℃,换热达到温度要求后,进入到脱水塔内进行脱除水份的操作,用泵将脱水之后的富油送入到管式炉的辐射段和对流段,待富油加热到180℃左右之后,1%的富油进入到再生器中,通过中压汽间接加热,并利用直接蒸汽来蒸吹,位于再生器的顶部的蒸出气体进入到脱笨塔,再生器下部排出的其他残渣流入到残渣槽内。
脱笨处理之后的热贫油,经过油油换热器和冷富油进行换热后,进入到贫油冷却器中,将其冷却到30℃左右后送回到第三个串联的洗笨塔中来循环使用。
粗苯的蒸汽和富油换热完成后,经过冷凝冷却器的全冷凝,之后进行油水分离,将粗苯流入到中间槽内,利用回流泵,抽出一部分送入到脱笨塔顶部做回流。
部分打入两笨塔来生产轻笨和重笨。
一、工艺流程本设计是在氨的回收采用硫铵生产工艺基础上进行的。
整体上包括终冷洗萘,洗苯和蒸馏脱苯三个部分。
1、横管终冷洗萘工艺进入粗苯回收工段的煤气,温度为55℃左右,从终冷塔顶进入,在横管终冷器内冷却水冷却到25℃左右的同时,煤气中的萘也被从轻质焦油循环槽来的连续喷洒的轻焦油溶解吸收。
脱萘至0.45g/Nm以下,然后从塔底排出,经旋风捕雾器除去大部分夹带的焦油,凝结水雾,在进入煤气总管,去洗苯塔。
吸收萘后的轻焦油,经U型管自流入塔底循环油槽,再用轻质焦油泵从塔底抽出,到塔顶和塔中分两段喷洒,循环至一定含萘量后,用焦油泵从槽底抽出送到焦油工段处理,同时补充新焦油。
18℃的低温水自下而上经过串联的各管箱中横管,与煤气逆流间接接触,与煤气塔内循环油间接换热升温后,从塔上部排出,各横管均有一定的斜度(纵向错开半个管箱高度)便于含萘焦油下流,避免粘附于管壁上形成热阻。
2、洗苯工艺从终冷器来的均为25℃的煤气,含苯族烃为25〜40g/Nm从洗苯塔进去出塔煤气含苯低于2g/Nm.从脱苯工序来的30℃左右,含苯0.2〜0.4%的贫油被贫油泵送至洗苯塔顶喷洒,含苯量增至2.5%左右,从塔底经U型管导入塔下油槽,再用富油泵从中抽送到脱苯工序去脱苯,脱苯后的贫油循环使用。
当贫油中间槽液位降低时,用贫油泵抽取新洗油槽内之新洗油补充,以确保塔下贫油槽内一定的液位。
3、脱苯工艺从洗涤工序来的富油经分缩器与从脱苯塔顶来的油气混合物换热升温至70〜80℃进入贫富油换热器,被从脱苯塔底来的热贫油加热至130〜140℃然后到管式炉加热升温至180〜190℃从第14块塔板进入脱苯塔,在过热蒸气的蒸吹作用下脱苯。
与富油换热后的贫油入脱苯塔下热贫油槽,再用贫油泵抽至贫油冷却器冷却后到洗苯塔去洗苯。
从脱苯塔顶出来的油气混合气进分缩器,冷凝出轻重分缩油后进入冷凝冷却器,粗苯蒸气冷凝冷却为粗苯液体,粗苯进入粗苯油水分离器,与水分离后进入粗苯贮槽。
焦化粗苯工艺研究摘要:粗苯是一种重要的有机化工原料,广泛的运用于各个行业中。
本文首先对粗苯工艺的三种主流加工方法进行分别阐述,在此基础上,对焦化厂粗苯加工工艺的流程进行了流程介绍,提出了改造的基本流程,并进行了新与旧工艺的特点比较,最后展望了未来焦化粗苯生产的方向并提出了合理的建议。
关键词:粗苯;焦化粗苯;工艺伴随着市场经济的飞速发展,对焦化粗苯的使用需求也日益增加。
焦化厂回收车间里粗苯工序是十分重要一项工序,对粗苯进行加工通常会有三种方法:第一种是加氢蒸馏法;第二种是加氢法;第三种是酸洗法。
一、粗苯工艺的主流加工方法1.加氢蒸馏法美国液/液萃取蒸馏(shelluop)与德国的morphylane萃取这两个是金典的低温低压加氢蒸馏方法。
下图是加氢蒸馏方法的主要流程。
该方法的基本条件是:p=3.0-4.0mpa;t=320-3900c,粗苯通过分流法分解出芳烃(c9+)、重芳烃(c9+)以及轻苯,通过这些物质来产生古马隆,轻苯去加氢。
轻苯获得加氢油,通过离合器产生出循环气体以供使用,加氢油所排出的尾气通过萃取后,可以获得非芳烃与芳烃馏分。
通过无数次的循环,陆续的补充氢气。
2.加氢法高温高压加氢方法的金典方法是litol法,具体的流程图二所示:加氢法流程的基本条件是:p=6.ompa,t=6100c,粗苯经过预分馏塔区分币苯与轻笨。
循环氢经mea脱硫以后,绝大部分的循环氢气返回加氢系统中进行利用,只有极少部分传到了制氢单位中,所制造的氢气通过加氢系统得到了补充。
制氢系统温度压力较高,流程也很复杂,建议用psa方法从煤气中制取氢气。
3.酸洗法酸洗法的主要原理是将粗苯通过第一步蒸馏,摆脱出低沸点的不饱和硫化物与化合物,例如戊烯、环戊二烯、二硫化碳等。
在此基础之上,分离出粗苯与轻苯两种物质,轻苯是通过浓硫酸洗涤的,而粗苯是用古马隆生产的,并且还要抛开这些物质中的苯类沸点相似的不饱和硫化物与化合物,举例来说有异丁烯、诊仃、咪吩等,一起产生了酸焦油与再生酸。
焦化厂粗苯工段工艺流程英文回答:The crude benzene production process in a coking plant involves several steps. First, the raw materials, such as coal tar or petroleum fraction, are fed into a distillation column. The column operates at high temperatures, causing the raw materials to vaporize. As the vapors rise through the column, they condense at different temperatures, separating into different components based on their boiling points. The lighter components, such as benzene, toluene, and xylene, condense at the top of the column and are collected as the overhead product.Next, the overhead product undergoes furtherpurification to remove impurities. This is typically done through a series of processes, including extraction, distillation, and solvent recovery. In the extraction process, solvents are used to selectively remove impurities from the crude benzene. Distillation is then used toseparate the solvents from the benzene. Finally, thesolvent recovery process recovers and recycles the solvents for reuse.After purification, the crude benzene is sent to a fractionation column for separation. The column operates at different temperatures to separate the benzene, toluene,and xylene into different fractions. The separated benzeneis then collected as the final product.中文回答:焦化厂粗苯工段的生产工艺包括几个步骤。
130万吨焦化厂粗笨工段工艺设计毕业设计1.1炼焦煤气中回收苯族炷的意义炼焦化学工业是煤炭综合利用的专业。
煤在炼焦时除了有75%左右变成焦炭外,还有25%左右生成各种化学品及煤气,为了便于说明将煤炭炼焦时的产品列出如下:(单位: g/Nm2)水煤汽250 ~450焦油汽80 ~ 120粗苯30 ~ 45氨8~ 16焦炭7^-煤亠j荒煤气硫化氢 6 ~ 30其它硫化物(CS”囉吩等)2 ~ 2.5■氤化物 1.0 ~ 2.5蔡8~12毗噪盐基0.4 ~ 0.6由此看来,从荒煤气中粗苯的含量来看,回收粗苯是十分必要的。
焦炉煤气经硫枝工段后进入粗苯工段,进行苯族姪的回收并制取粗苯,目前我国焦化工业生产的苯类产品仍占很重要的地位。
1.2粗苯的性质粗苯是多种芳痊族和和其它多种碳氢化合物组成的复杂混合物,粗苯的主要成分是苯、二甲苯、甲苯及三甲苯等,此外,还含有一些不饱和化合物,硫化物及少量的酚类和毗噪碱类。
在用洗油回收煤气中的苯族痊时,则尚有少量轻质馆分掺杂在其中。
粗苯是谈黄色的透明液体,比水轻,不溶于水。
在贮存时,由于轻质不饱和化合物的氧化和聚合所形成的树脂状物质能溶于粗苯使其着色并很快地变暗。
在常温下,粗苯的比重是0.891〜0.92kg/L0粗苯是易燃易爆物质,闪点129.粗苯蒸汽在空中的浓度达到1.4〜7.5% (体积)围时,及形成爆炸性的混合物。
粗苯质量的好坏以实验室蒸镭时18(TC前蒸馆出量的百分数来确定,粗苯的沸点围是75〜20CTC, 180°C前溜出量越多,粗苯质量越好;在18CTC后的溜出物则为溶剂油。
粗苯易燃易爆,要求工段必须严禁烟火,并对电动机加以防爆。
粗苯的组成取决于炼焦配煤的组成及炼焦产物在炭化室热解程度,粗苯各组分的平均含量见下表(表l-l)o表IT为了满足从煤气中回收和制取粗苯的要求,洗油为了满足从煤气中回收和制取粗苯的要求,洗油应具有如下性能:(1)常温下对苯族姪有良好的吸收能力,在加热时又能使粗苯很好的分离出来;(2)有足够的化学稳定性,即在长期使用中其吸收能力基本稳定;(3)在吸收操作温度下,不应析出固体沉淀物;(4)易与水分离,且不生成乳化物;(5)有较好的流动性,易于用泵抽送并能在填料上均匀分布。
目录设计说明 (iii)一绪论 (1)1.1设计意义 (1)1.2设计任务的依据 (2)二装置流程图及其说明 (3)2.1生产设备的选择 (3)2.1.1精馏塔类型的选择 (3)2.1.2化学精制工艺的选择 (4)2.2粗苯的精制 (5)三装置的工艺计算 (6)3.1初步精馏计算 (6)3.1.1原始数据获取 (7)3.1.2初馏塔清晰分割物料衡算 (7)3.1.3用露点方程计算初馏塔塔顶温度 (8)3.1.4用泡点方程计算初馏塔塔底温度 (9)3.2化学精制 (10)3.3最终精馏 (11)3.3.1甲苯塔的物料衡算 (12)3.3.2用露点方程计算甲苯塔塔顶温度 (13)3.3.3用泡点方程计算甲苯塔塔底温度 (13)3.4热量衡算 (14)3.4.1初馏塔的热量衡算 (14)3.4.2甲苯塔的热量衡算 (15)3.5常压塔主要尺寸确定 (16)四存在的问题及建议 (19)4.1改进设计 (19)4.2萃取溶剂的选择 (20)4.3三废治理和综合利用 (20)4.3.1废气的处理技术 (20)4.3.2废水 (20)4.3.3固体废弃物 (21)4.4总结 (21)4.5收获 (21)参考文献 (24)致谢 (25)设计说明中国是一个富煤贫油的国家,随着石油资源价格的上涨,以石油为原料的化工产品价格也随之水涨船高,本来我国作为一个贫油国家,这变凸显了煤化工艺技术在我国的重要性,更符合国际潮流,现在世界各国也都纷纷投入大量的资源尽兴煤化工艺技术的研究。
其中焦油苯粗苯加氢精制便是一例。
粗苯为中间体产品,本身用途极为有限,仅作为溶剂使用,但是精制后的焦化苯、焦化甲苯、焦化二甲苯等产品,是有机化工、医药和农药等的重要原料,在国内、国际上都有很好的市场,目前精苯产品价格持续上涨,市场潜力巨大。
业内专家认为,粗苯加氢精制技术代表了粗苯加工精制的发展方向,这一技术在我国的推广使用,不仅可使宝贵的苯资源得到充分利用,还可有效改善粗苯精制的面貌,提高清洁生产的水平。
目录目录 ....................................................................... 摘要 . (V)Abstract ................................................................. V I 第一章总论 .. 01.1 设计对象 01.2 设计的目的和意义 01.3 设计项目的发展情况简介 (1)1.4 炼焦化学产品概述 (1)1.5 设计原理与规模简介 (2)1.5.1 设计原理 (2)1.6 产品的性质、组成与用途 (4)1.6.1 产品的性质 (4)1.6.2 产品的组成 (5)1.6.3 产品的用途 (5)1.7 设计条件说明 (6)第二章粗苯工段的工业过程与工艺选择 (7)2.1 煤气终冷与洗萘工艺 (7)2.1.1 煤气终冷和机械化除萘工艺 (8)2.1.2 横管式煤气终冷除萘 (9)2.1.3 煤气终冷和用热焦油除萘 (10)2.2 洗苯工艺 (12)2.2.2 石油洗油吸收法 (14)2.3 用洗油回收煤气中苯族烃的主要生产操作指标 (15)2.4 脱苯工艺 (16)2.4.1脱苯原理与影响因素 (16)2.4.2 主要设备论证与选型 (19)2.4.3 脱苯塔 (21)2.4.4 蒸汽加热法生产一种苯 (21)2.4.5 管式炉加热法生产一种苯的工艺 (23)第三章主要设备论证与选型 (26)3.1 洗苯塔 (26)3.1.1 空喷塔 (26)3.1.2 板式塔(孔板塔) (27)3.1.3 填料塔 (27)3.2 脱苯塔 (29)3.3 终冷塔 (30)3.4 贫油冷却器和贫富油换热器 (30)3.4.1 贫油冷却器 (30)3.4.2 贫富油换热器 (31)第四章主要设备与管道的工艺计算 (32)4.1 原始数据 (32)4.2 最终冷却塔的计算 (33)4.2.1 物料衡算 (34)4.2.2 热量衡算 (37)4.2.3 传热面积 (39)4.2.4 终冷塔塔高的计算 (42)4.3 洗苯塔的计算 (43)4.3.1 物料衡算 (44)4.3.2 洗苯塔的基本尺寸计算和吸收表面积 (48)4.4 蒸馏脱苯部分设备计算和选型 (49)4.4.2 再生器计算 (57)4.4.3 脱苯塔计算: (60)4.5 换热器计算 (63)4.6 管道计算 (67)5.1 操作岗位的确定与定员 (68)5.1.1岗位的确定 (68)5.1.2岗位定员 (69)5.2 岗位操作规程 (69)5.2.1 岗位操作 (69)5.3 主要设备与工艺技术指标 (70)5.6 系统检查与开、停车 (74)5.6.1 系统启动前检查 (74)5.6.2 开车顺序与操作: (75)5.6.3 系统开车与操作: (76)5.6.4 系统停车与操作: (77)5.6.5 特殊操作 (77)5.7 岗位规 (78)5.7.1 岗位职责 (78)5.7.2 巡检容 (79)5.7.3常见故障与处理方法 (79)5.7.4 安全注意事项 (81)第六章非工艺部分 (82)6.1 防火防爆 (82)6.2 供汽和给排水 (82)6.2.1 供汽: (82)6.2.2 给排水: (83)6.3 检化验项目 (83)6.4 电力、土建 (84)第七章设备与管道材料汇总 (85)7.1 设备一览表 (85)7.2 图纸目录 (87)7.3 管道明细表 (88)第八章经济概算 (95)8.1 编制说明 (95)8.2 经济概算 (95)8.3 经济分析 (100)参考文献 (102)致 (104)附录 (105)年产135万吨焦化厂粗苯回收工段设计摘要本设计为年产135万吨粗苯回收工段的设计(粗苯回收率0.95%)。
焦化厂粗苯工段工艺流程英文回答:The process flow of the crude benzene section in a coking plant involves several steps. First, the raw material, which is coal tar, is collected and stored in tanks. Then, the coal tar is heated and sent to adistillation column. In the distillation column, the coal tar is separated into different fractions based on their boiling points. The fraction containing crude benzene is collected and further purified.Next, the crude benzene is sent to a purification unit. In this unit, impurities such as sulfur compounds and heavy aromatic hydrocarbons are removed. This is done through a series of processes including extraction, adsorption, and distillation. The purified crude benzene is then sent to storage tanks.After purification, the crude benzene undergoes furtherprocessing to produce various products. One of the main products is benzene, which is a widely used chemical in the production of plastics, rubber, and synthetic fibers. Another product is toluene, which is used as a solvent and in the production of paints and coatings. Xylene is also produced, which is used in the production of polyester fibers and resins.In addition to these main products, there are also by-products produced during the process. These include light oils, which can be used as fuels, and heavy oils, which can be further processed to produce asphalt or other petroleum products. These by-products provide additional value to the overall process.Overall, the crude benzene section in a coking plant plays a crucial role in the production of various chemicals and by-products. The process flow involves multiple steps of distillation, purification, and further processing to produce the desired products. It is important to ensure the quality and purity of the crude benzene to meet the requirements of different industries.中文回答:焦化厂粗苯工段的工艺流程涉及几个步骤。
焦化粗苯生产工艺焦化粗苯是从焦化炉中所获得的一种重要的石化产品,主要用于生产苯、二甲苯、甲苯等有机化学品。
下面是焦化粗苯生产的一种工艺流程。
首先,在焦化炉中加热焦炭,使其在高温下发生分解和裂解,生成一种含有苯、甲苯、二甲苯等有机化合物的气体。
这个气体被称为焦化煤气,其中含有的有机化合物成为焦化粗苯的原料。
接下来,焦化煤气被送入粗苯塔,经过一系列的分离和净化步骤,将苯、甲苯、二甲苯等有机化合物从焦化煤气中分离出来。
首先,焦化煤气会在塔底部冷凝,形成液态物质,包括焦油和煤油。
然后,这些液态物质会被送入分馏塔,根据它们的沸点差异进行分离。
在分馏过程中,苯、甲苯、二甲苯等有机化合物会被分离出来,形成焦化粗苯。
其他物质,如苯骨油、轻柴油等会被分离出来,用于生产其他化学品。
在分离过程中,也会产生一部分低温油,这些油含有苯和甲苯。
低温油会被送入补充塔,通过进一步的蒸馏,得到高纯度的苯、甲苯产品。
这些高纯度的产品可以用于生产化学药品、染料、合成树脂等各种化工产品。
焦化粗苯工艺的关键在于控制裂解过程和分离过程。
裂解过程中,需要保持合适的温度和压力,以保证有机化合物的高产率和质量。
分离过程中,需要利用物质的沸点差异进行有效的分离,保证焦化粗苯的纯度达到要求。
此外,在整个工艺中,还需要对废气进行处理,以达到环保要求。
焦化煤气中含有一定的有毒物质和颗粒物,需要进行脱硫、脱氮、除尘等处理,减少对环境的污染。
总的来说,焦化粗苯生产工艺是一个复杂的过程,需要严格控制各个参数和条件,同时也需要考虑环保因素。
通过优化工艺流程和设备,可以提高产品的产率和质量,减少对环境的影响,实现绿色生产。
中国矿业大学本科生毕业设计姓名:学号:学院:专业:设计题目:年产130万吨焦化厂粗苯工段的设计专题:指导教师:职称:教授2009年 5月徐州中国矿业大学毕业设计任务书学院专业年级学生姓名任务下达日期:毕业设计日期:毕业设计题目:年产130万吨焦化厂粗苯工段的设计毕业设计专题题目:毕业设计主要内容和要求:要求:(1)回收工艺论证;(2)主要设备计算和选型;(3)绘制带控制点工艺流程图、设备平面布置图、管道平面和立面布置图、绘制一张主要设备图(必须及自己的设备计算一致),用AutoCAD绘制;(4)编制设计说明书;(5)按2×65孔TJL5550D焦炉配套规模进行计算。
计算条件:苯回收率: 1.1%硫铵工段来煤气温度/饱和温度℃: 57/52终冷温度:22℃毕业设计工作计划(1)3.1~3.8 设计基本知识培训(2)3.9~3.22现场实习收集资料(3)3.23~4.17工艺论证和计算(5)4.18~5.31绘制图纸(6)6.1~6.15提交设计说明书和图纸院长签字:指导教师签字:中国矿业大学毕业设计指导教师评阅书指导教师评语(①基础理论及基本技能的掌握;②独立解决实际问题的能力;③研究内容的理论依据和技术方法;④取得的主要成果及创新点;⑤工作态度及工作量;⑥总体评价及建议成绩;⑦存在问题;⑧是否同意答辩等):成绩:指导教师签字:年月日中国矿业大学毕业设计评阅教师评阅书评阅教师评语(①选题的意义;②基础理论及基本技能的掌握;③综合运用所学知识解决实际问题的能力;③工作量的大小;④取得的主要成果及创新点;⑤写作的规范程度;⑥总体评价及建议成绩;⑦存在问题;⑧是否同意答辩等):成绩:评阅教师签字:年月日中国矿业大学毕业设计答辩及综合成绩目录第一章绪论 (1)1.1炼焦煤气中回收苯族烃的意义 (1)1.2 粗苯的性质 (1)1.3 设计任务书 (2)1.3.1 设计题目:130万t/a焦化厂粗苯工段的工艺设计 . 21.3.2 计算条件: (3)1.3.3 设计条件 (3)1.3.4 设计要求 (4)第二章工艺论证及确定 (6)2.1 煤气的终冷及除萘的方法及工艺选择 (6)2.1.1 煤气终冷和机械化除萘工艺 (7)2.1.2 煤气终冷和焦油洗萘工艺 (8)2.1.3 油洗萘和煤气终冷工艺 (9)2.1.4 横管终冷洗萘工艺 (10)2.2 洗苯工艺 (11)2.2.1 用焦油洗油回收粗苯: (12)2.2.2 石油洗油回收粗苯 (13)第三章粗苯脱苯方法及工艺选择 (15)3.1 蒸汽加热法生产一种苯工艺 (15)3.2 管式炉加热富油脱苯 (16)3.3 粗苯回收原理 (17)3.3.1洗油吸收苯族烃的基本原理 (17)3.3.2 影响苯族烃吸收的因素 (18)3.4 脱苯原理 (20)3.4.1影响脱苯的因素 (21)四主要设备论证及选型 (22)4.1洗苯塔 (23)4.1.1空喷塔 (23)4.1.2板式塔(孔板塔) (23)4.1.3填料塔 (23)4.2脱苯塔 (27)4.3贫油冷却器和贫富油换热器 (28)4.3.1贫油冷却器 (28)4.3.2贫富油换热器 (29)第五章粗苯工段工艺的详述 (29)5.1 工艺流程详述 (29)5.1.1 横管终冷洗萘工艺 (29)5.1.2 洗苯工艺 (30)5.1.3 脱苯工艺 (31)5.2 操作规程及技术指标 (32)5.2.1 终冷洗苯部分 (32)5.2.2 蒸馏脱苯部分 (32)第六章主要设备的工艺计算和选型 (35)6.1 终冷洗苯部分的工艺计算及设备选型 (35)6.1.1 计算依据 (35)6.1.2 计算过程 (35)6.1.3横管终冷洗萘塔的计算 (37)6.2 洗苯塔的计算: (42)6.3 蒸馏脱苯部分设备计算和选型 (46)6.3.1 计算依据: (46)6.3.2管式炉: (47)6.3.3再生器计算 (53)6.3.4脱苯塔计算: (54)6.3.5分缩器的计算: (58)6.4 贫富油换热器的计算和选型: (58)6.4.1基础数据: (58)6.4.2热量衡算: (59)6.4.3换热器面积的确定: (60)6.5 贫油冷却器的计算: (61)6.6 冷凝冷却器的计算: (62)6.7 管道计算 (62)6.7.1煤气管径计算: (62)6.7.2贫油管路计算: (62)6.7.3富油管路计算: (62)6.7.4蒸汽管径的计算: (63)6.8 贫油泵的计算和选型 (63)6.8.1泵的压头计算: (63)6.8.2泵的轴功率: (64)第七章粗苯工段岗位定员及操作规程 (65)7.1操作岗位的确定及定员 (65)7.1.1岗位的确定 (65)7.1.2岗位定员 (66)7.2岗位操作规程 (66)7.2.1岗位操作 (66)7.2.2洗涤部分开、停工操作 (66)7.2.3蒸馏部分开、停工操作 (67)7.2.4特殊操作 (67)7.2.5不正常情况处理 (68)第八章非工艺部分 (69)8.1 自动化仪表的要求 (69)8.2 防火防爆和采暖通风 (70)8.2.1.防火防爆: (72)8.2.2.采暖通风: (72)8.3 供汽和给排水 (72)8.3.1.供汽: (72)8.3.2.给排水: (72)8.4 检化验项目 (73)8.5 电力土建 (74)8.6 其他 (74)第九章经济概算 (75)9.1编制说明 (75)9.2经济概算 (75)9.3经济分析 (81)第十章设备及管道材料汇总 (83)10.1设备一览表 (83)10.2 图纸目录 (84)10.3 管道明细表 (84)参考文献 (90)第一章绪论1.1炼焦煤气中回收苯族烃的意义炼焦化学工业是煤炭综合利用的专业。
粗苯工段安全技术操作规程一、粗苯岗位工艺流程洗氨后煤气(55℃)经外管进入终冷塔顶部,用循环水与制冷水间接冷却煤气(27℃)。
冷却后的煤气进入洗苯塔下部与从塔顶喷淋而下地洗油逆流接触,洗去煤气中的苯,洗苯后的煤气从塔顶溢出,经外管至气柜或回炉使用。
通过富油输送泵,经粗苯冷凝冷却器,油油换热器粗苯加热炉加热至180—200℃,使其中一部分可以返回洗苯塔热喷清洗,正常情况下进入脱苯塔进行脱苯。
脱苯塔顶部溢出苯蒸汽经粗苯冷凝冷却器,粗苯油水分离器,粗苯回流槽。
除一部分打回流外,其余经计量槽入粗苯槽。
脱苯塔底部贫油经油油换热器,入贫油槽,然后在由贫油输送泵加压经贫油冷却器冷却至32℃左右进洗苯塔循环洗涤使用。
二、粗苯岗位工艺条件1、洗苯:a、入洗苯塔煤气温度27℃b、入塔循环洗油量 1.5—1.7kg/m3。
c、入塔贫油温度26--32℃左右(冬季比煤气温度高4—7℃,夏季高2--3℃)d、入塔贫油含苯量≰0.5%e、富油含苯1.6—2.5%,含水应小于1%f、洗苯塔后煤气含苯不大于5g/ m3洗苯塔阻力≰2000pag、洗苯塔后煤气压力不小于5—6kpah、各轴瓦温度不大于65℃i、各电升温不超过45℃(包括室温在内不得超过75℃)j、洗油质量指标:指标名称: 新洗油循环洗油比重d4/20 1.04—1.06 ≯1.07230℃前馏出量(容)%≰3 ≯10300℃前馏出量(容)%≱90 ≮85酚含量(容)%≯0.5苯含量(重)%≯13 ≯12粘度(E50) ≯1.5% ≯1.2水份(容)%≯1% ≯0.615℃时结晶沉淀物无2、蒸馏:a、温度指标:粗苯冷凝冷却器富油出口温度≰60℃油油换热器富油出口温度≰110℃粗苯管式加热炉富油出口温度 180—200℃脱苯塔底贫油温度≯200℃再生器顶部温度 60—180℃再生器底部温度≰120℃脱苯塔顶部粗苯蒸汽温度 90—99℃油油换热器后贫油温度 ` ≯110℃贫油冷却器后温度≰32℃过热蒸汽温度 150—300℃管式炉辐射段温度 400—700℃管式炉对流段温度 200—500℃管式炉烟道温度 300—400℃粗苯冷凝冷却器后温度25--40℃b、压力指标:脱苯塔底部压力0.08Mpa脱苯塔顶部压力≯0.035Mpa再生器顶部压力0.08Mpa蒸汽压力0.4Mpa入管式炉煤气压力>500kpa管式炉对流段富油进口压力≰0.4 Mpa管式炉辐射段富油出口压力2.5Kpa管式炉蒸汽过热进口压力1.2Kpac、粗苯回流比 2—2.5d、原料消耗e、洗油消耗≯100kg/t粗苯f、脱苯直接蒸汽消耗≯2t/t 粗苯g、再生洗油量 1—2%h、粗苯产量质量指标:指标名称粗苯外观黄色透明液体比重d420 0.87—0.9馏程 180℃前馏出量(容)≱90—93%三、粗苯岗位安全技术操作规程1、洗苯工安全技术操作规程a、负责洗苯塔的开工和正常生产操作,稳定洗苯塔的操作,提高粗苯回收率。
浅谈焦化厂粗苯生产工艺优化分析摘要:粗苯是化工原料的中间产品,相对于以生产煤气为主的制气厂来说,粗苯具有较高的经济价值。
随着产生粗苯的重要原料洗油的逐渐减少,化工生产和市场的变化,导致经济价值逐步上扬。
主要包括:改善新洗油质量、降低终冷塔出口煤气温度、优化贫富油螺板换热器通道、稳定蒸汽压力、改造洗苯塔后油封槽等。
本文简单分析了粗苯生产工艺中存在的问题,研究探讨了解决粗苯生产工艺问题的相关措施。
结果表明:改造后,有效降低了洗苯塔后煤气含苯量和轻苯耗洗油量,增加了轻苯产量,不仅为后续工序提供了洁净煤气,还带来了可观的经济.关键词:洗苯塔;脱苯,粗苯;焦化引言某焦化厂现有两座 7.63 m 焦炉,设计年产焦炭 220 万 t,配套有煤气净化工段,包括鼓冷、硫铵、粗苯、脱硫工序。
从焦炉煤气中吸收苯族烃的方法有洗油吸收法、固体吸附法和保持凝结法,某钢焦化厂粗苯工序采用洗油吸收法脱除煤气中的苯族烃,可年产轻苯 2 万,产业处于低谷阶段,如何在焦化副产品生产工艺上找到突破口,最大程度上提高焦化副产品效益,为公司降本增效做出贡献,本文针对粗苯工序运行过程中出现的塔后含苯量偏高、轻苯产量低、洗油消耗大等问题进行了研究,并提出了相应的解决措施,成为焦化厂专业技术人员攻关的方向,为焦化煤气回收系统的清洁高效生产创造了条件。
一、粗苯生产工艺现状粗苯工艺流程:从硫铵系统出来的煤气,分别进入两座终冷塔,分两段与循环喷洒液接触冷却。
冷却后的煤气首先进入洗苯塔,经贫油洗涤脱除苯,再送往煤气脱硫脱氰工序。
贫油吸收苯变为富油,将富油从洗苯塔底送至脱苯工序,蒸馏脱苯后,富油变为贫油循环使用。
粗苯工艺特点:富油和再生器所用蒸汽采用管式炉加热;油气换热器、轻苯冷凝冷却器、贫富油换热器、一二段贫油冷却器采用螺板式换热器;终冷塔和洗苯塔采用轻瓷填料。
指标要求洗苯塔后煤气中苯的质量浓度小于 4 g/m 3。
图 1 为终冷、洗苯工艺流程。
图 2 为脱苯工艺流程图 2 脱苯工艺流程二、粗苯存在问题2.1 洗苯塔后煤气含苯量高经过多年的运行实践,总结出影响塔后含苯量指标的因素有以下几点:1)洗油质量差。
粗笨工段的工艺参数第一篇:粗笨工段的工艺参数于焦化厂化产作业区粗笨工段的工艺参数,每个厂的工艺不一样,参数也不可能一样.但是,原理是一样的.我公司最近粗笨产量比较低,和大家讨论一下.先把我公司的工艺参数介绍一下:配合煤挥发份(可燃基)27%左右每天出焦112炉,单炉产量14.5吨入管式炉蒸汽压力:0.35MPa 入洗苯塔贫油流量:70m3/h 入洗苯塔贫油温度:32度终冷塔后煤气温度:30度入再生器蒸汽温度:350度入再生器蒸汽流量:2000kg/h 回流比:3.0~4.0m3/h 脱苯塔顶油气温度:93~95度粗笨产量15~16吨/天第二篇:脱硫工艺参数1×200MW石灰石/石膏湿法脱硫工艺参数设计一.课程设计的目的通过课题设计进一步巩固本课程所学的内容,培养学生运用所学理论知识进行湿法烟气脱硫设计的初步能力,使所学的知识系统化。
通过本次设计,应了解设计的内容、方法及步骤,使学生具有调研技术资料,自行确定设计方案,进行设计计算,并绘制设备结构图、编写设计说明书的能力。
二.课程设计课题的内容与要求(1)根据给定的设计任务及操作条件,查阅相关资料,确定自选参数,进行工艺参数的计算;(2)根据设计指导书及相关资料,计算系统工艺参数及主要设备设备尺寸;(3)编写设计说明书;(4)对设计结果进行分析。
1.已知参数:(1)校核煤质:Car=64%,Har=5%,Oar=6.6%,Nar=1%,Sar=0.4%,War=8%,Aar= 16%,Var=15%(2)环境温度:-1℃(3)除尘器出口排烟温度:135℃(4)烟气密度(标准状态):1.34(kg/m3)(5)空气过剩系数:α=1.3(6)排烟中飞灰占煤中不可燃组分的比例:16%(7)烟气在锅炉出口前阻力:800Pa(8)当地大气压力:97.86kPa(9)空气含水(标准状态下):0.01293(kg/m3)(10)基准氧含量:6%(11)按锅炉大气污染物排放标准(GB13271-2011)中二类区标准执行烟尘浓度排放标准(标准状态下):30(mg/m3)二氧化硫排放标准(标准状态下):200(mg/m3)2.设计内容:(1)燃煤锅炉排烟量及烟尘和二氧化硫的浓度计算。