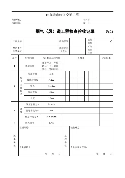
烟道检验批质量验收记录
- 格式:docx
- 大小:8.58 KB
- 文档页数:1
烟道、风道、垃圾道检查记录
日期:XXXX年XX月XX日
一、烟道检查
1. 外观检查:烟道外观整洁,无破损、裂缝等现象。
2. 通畅性检查:使用烟雾发生器进行测试,烟道排烟顺畅,无堵塞现象。
3. 连接部位检查:检查烟道与炉灶、油烟机的连接处,紧固件无松动,密封材料完好。
4. 防火设施检查:检查烟道内部的防火隔离措施,无异常。
二、风道检查
1. 外观检查:风道外观整洁,无破损、裂缝等现象。
2. 通畅性检查:使用风速计进行测试,风道通风顺畅,无堵塞现象。
3. 连接部位检查:检查风道与通风设备、调节阀的连接处,紧固件无松动,密封材料完好。
4. 防尘设施检查:检查风道入口的防尘过滤设施,无异常。
三、垃圾道检查
1. 外观检查:垃圾道外观整洁,无破损、裂缝等现象。
2. 通畅性检查:使用手电筒观察垃圾道内部,无堵塞现象。
3. 连接部位检查:检查垃圾道与垃圾处理设备的连接处,紧固件无松动,密封材料完好。
4. 防异味设施检查:检查垃圾道的通风设施以及除臭设施,运行正常。
检查结果:各项检查结果均符合要求。
检查人员签名:XXX
注:此记录仅为示例,具体内容应根据实际情况进行调整。
烟道安装检验批质量验收记录注:本表内容的填写需依据《现场验收检验批检查原始记录》。
本检验批质量验收的规范依据见本页背面。
填写说明一、填写依据1 《城镇燃气室内工程施工与质量验收规范》CJJ94-2009。
2 《建筑工程施工质量验收统一标准》GB50300-2013。
二、检验批划分可按施工段、设计区域、楼层单元划分检验批。
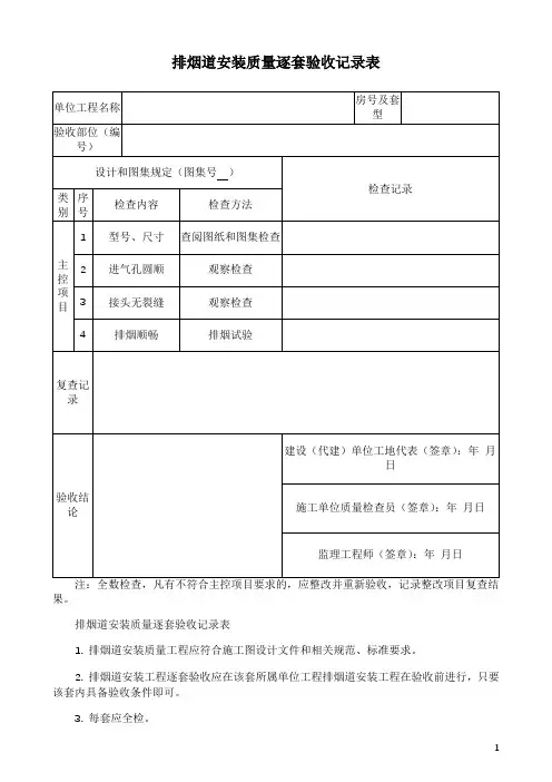
三、CJJ94-2009规范摘要主控项目6.5.1 用气设备的烟道应按设计文件的要求施工。
居民用气设备的水平烟道长度不宜超过5m,商业用户用气设备的水平烟道不宜超过6m,并应有1%坡向燃具的坡度。
检查数量:100%检查。
检查方法:查阅设计文件及尺量检查。
6.5.2 烟道抽力应符合现行国家标准《城镇燃气设计规范》GB50028的有关规定。
检查数量:100%检查。
检查方法:尺量、计算及检测。
6.5.3 商业用大锅灶、中餐炒菜灶、烤炉、西餐灶等的烟道应按设计文件的要求安装。
检查数量:100%检查。
检查方法:查阅设计文件。
一般项目6.5.4 用镀锌钢板卷制的烟道卷缝应均匀严密,烟道应顺烟气流向插接,插接处不应有明显的缝隙和弯折现象。
检查数量:居民用户抽查20%,且不少于5处。
检查方法:目视检查。
6.5.5 用钢板制造的烟道,连接面应平整无缝隙,连接紧密牢固,表面平整,应对烟道进行保温,保温材料及厚度应符合设计要求,并应保证出口排烟温度高于露点。
检查数量:100%检查。
检查方法:目视检查和手检。
6.5.6 用非金属预制板砌筑的烟道,砌筑块之间应粘合严密、牢固,表面平整,内部无堆积的粘合材料,砖砌烟道的厚度应保证出口排烟温度高于露点。
检查数量:100%检查。
检查方法:目视检查和手检。
6.5.7 金属烟道的支(吊)架,结构和设置位置应符合设计文件的规定,安装应端正牢固,排列应整齐。
检查数量:100%检查。
检查方法:目视检查、手检或查阅设计文件。
6.5.8 碳素钢板烟道和烟道的金属支(吊)架所涂油漆种类和涂刷遍数应符合设计文件的规定,并应附着良好,无脱皮、起泡和漏涂,漆膜应厚度均匀,色泽一致,无流淌及污染现象。
烟道检验批质量验收记录20220926.docx 范本(风格一):一、烟道检验批质量验收记录1. 引言本文档旨在记录烟道检验批的质量验收情况。
质量验收的目的是确保烟道的设计、施工、材料和工艺符合相关质量标准和要求。
本文档包括以下内容:验收范围、验收依据、验收程序、验收结果等。
2. 验收范围本次烟道质量验收的范围包括烟道的设计、施工、材料和工艺等方面。
3. 验收依据本次烟道质量验收的依据主要包括以下文件和标准:- 烟道设计文件- 烟道施工图纸- 烟道施工质量检验标准- 烟道施工工艺规程4. 验收程序4.1 设计和施工前的准备工作在烟道的设计和施工开始前,相关负责人应对设计方案、施工图纸等进行审核,并进行必要的技术交底。
4.2 施工过程的质量控制在烟道施工过程中,应按照施工图纸和工艺规程要求进行质量控制,包括施工材料的检验、焊接接头的质量控制、烟道壁厚的测量等。
4.3 竣工验收烟道施工完成后,应进行竣工验收。
验收内容包括烟道的外观检查、尺寸测量、防腐层和绝热层的质量检查等。
5. 验收结果本次烟道的质量验收结果如下:- 烟道设计满足相关要求。
- 烟道施工质量符合设计要求。
- 烟道材料达到标准要求。
6. 附件本文档涉及的附件包括烟道设计文件、烟道施工图纸等。
7. 法律名词及注释- 烟道:指排除烟气的通道。
- 焊接接头:指两个或多个金属之间通过焊接方法连接的部位。
- 防腐层:指为了防止金属表面腐蚀而施加的涂层或涂漆。
- 绝热层:指用于减少热量传导的材料,以减少热损失。
范本(风格二):一、烟道检验批质量验收记录1. 引言本文档旨在详细记录烟道检验批的质量验收情况。
通过质量验收,可以评估烟道的设计、施工、材料和工艺是否达到相关的质量标准和要求。
本文档包括以下内容:验收目的、验收范围、验收依据、验收程序、验收结果等。
2. 验收目的本次烟道质量验收的目的是确保烟道的质量达到设计要求,并且能够正常运行和使用。
3. 验收范围本次烟道质量验收的范围包括烟道的设计、施工、材料和工艺等方面。
【整理要求】烟道、抽气道、抽风道、垃圾道等设施主要服务于主体建筑,体现在使用功能上,《建筑工程施工质量验收统一标准》(GB50300—2001)要求,主要功能项目的抽查结果应符合相关专业质量验收规范的规定(强制性条文)。
所以工程竣工验收之前,一定对其使用功能方面进行全面检查,填写详细的检查记录。
烟道、抽气道、抽风道主要做通(抽)风和漏风、串风试验,检查数量100%,垃圾道主要检查是否畅通,检查数量100%。
记录内容包括:工程名称,施工单位,检查部位,检查结果,检查日期,施工单位检查评定,监理单位验收结果及施工单位、监理单位公章和负责人签字等。
【审阅要点】1 具体部位填写不具体,不按系统分开填写;2 监理单位签字盖章不全。
参考格式详见附录附录1烟道检查记录GB50300—2001主抽气(风、烟)道、垃圾道可先检查,检查部位按轴线记录;副抽气(风、烟)道可按门户编号记录。
2 检查合格记(√),不合格记 ( ╳ )3第一次检查不合格记录 ( ╳ ),复查合格后在 ( ╳ ) 后面记录 ( √ )。
附录1烟道检查记录GB50300—2001主抽气(风、烟)道、垃圾道可先检查,检查部位按轴线记录;副抽气(风、烟)道可按门户编号记录。
2 检查合格记(√),不合格记 ( ╳ )3第一次检查不合格记录 ( ╳ ),复查合格后在 ( ╳ ) 后面记录 ( √ )。
附录1烟道检查记录GB50300—2001主抽气(风、烟)道、垃圾道可先检查,检查部位按轴线记录;副抽气(风、烟)道可按门户编号记录。
2 检查合格记(√),不合格记 ( ╳ )3第一次检查不合格记录 ( ╳ ),复查合格后在 ( ╳ ) 后面记录 ( √ )。
附录1烟道检查记录GB50300—2001主抽气(风、烟)道、垃圾道可先检查,检查部位按轴线记录;副抽气(风、烟)道可按门户编号记录。
2 检查合格记(√),不合格记 ( ╳ )3第一次检查不合格记录 ( ╳ ),复查合格后在 ( ╳ ) 后面记录 ( √ )。
引言概述:烟道是建筑工程中一个重要的组成部分,它承担着排放烟气、保证室内空气质量和维护火灾安全等重要功能。
烟道的质量验收记录是对烟道施工过程中的质量进行检验和验收,确保其符合相关规范和标准,从而确保建筑的安全和环境的舒适。
本文将从烟道施工前期准备、烟道安装、防护措施、验收标准和验收流程等五个大点进行详细阐述。
正文内容:1. 烟道施工前期准备:1.1 确定设计要求:在开始施工前,应仔细研究烟道的设计方案和施工图纸,了解设计要求和技术规范。
必要时,与设计单位进行沟通和讨论,确保施工符合设计要求。
1.2 完成准备工作:在施工前需对工地进行清理,确保施工区域干净整洁。
并配备好所需的施工材料和工具,检查各项设备是否正常运行,提前准备好相关的安全措施。
2. 烟道安装:2.1 安装位置和定位:根据设计要求和构造图纸,确定烟道的安装位置和定位。
仔细测量并标记好安装位置,确保烟道可以正确地连接到相应的设备或建筑结构上。
2.2 烟道材料和构造:选择符合设计要求的烟道材料,并按照施工图纸的要求进行安装。
对于不同类型的烟道,如砖烟道、金属烟道等,要按照相应的施工技术规范进行施工和安装。
3. 防护措施:3.1 烟道保温:根据设计要求,对烟道进行保温处理,以防止烟道表面温度过高,并减少热损失。
应选择合适的保温材料,并按照相关规范进行施工。
3.2 防火措施:考虑到烟道与周围建筑材料和设备的安全性,应采取相应的防火措施。
如在烟道周围设置防火隔离带、采用防火材料等,确保烟道的防火性能符合要求。
3.3 排烟措施:对于烟道的排烟功能,应根据设计要求和相关规范,合理选择和安装排烟设备,确保其正常工作和有效排除烟气。
4. 验收标准:4.1 外观质量:烟道的外观应平整光滑,没有明显的裂纹、凸起和渗漏等缺陷。
4.2 尺寸和定位:烟道的尺寸和定位应符合设计要求和施工图纸,符合相关规范的要求。
4.3 材料和结构:烟道所使用的材料应符合相关的标准和规范,烟道的结构应稳固牢固,能够承受相应的荷载和温度变化。
烟雾探测器安装检验批质量验收记录模板
项目概况
- 项目名称:
- 项目编号:
- 项目位置:
检验批信息
- 检验批数量:
- 检验对象:
- 检验日期:
质量验收结果
质量评定说明
- 优秀:项目符合相关标准要求,没有任何质量问题。
- 良好:项目符合大部分相关标准要求,有一些细微质量问题但不会影响使用。
- 合格:项目基本符合相关标准要求,存在一些质量问题但不会影响使用。
- 不合格:项目不符合相关标准要求,存在严重质量问题,需要立即整改。
质量验收结论
经过对烟雾探测器安装检验批的质量验收,根据检验项目的质量评定结果,结论如下:
- 优秀:共有 X 项。
- 良好:共有 X 项。
- 合格:共有 X 项。
- 不合格:共有 X 项。
验收人员
- 验收人:
- 日期:
备注
- 请在需要填写的部分填写相应信息。
- 如有任何问题或疑虑,请及时与相关人员联系。
- 此模板仅供参考,可根据实际情况进行调整和修改。
附件
- 相关照片或文件。