水池闭水试验表格
- 格式:doc
- 大小:48.00 KB
- 文档页数:1
满水试验记录表
9.2.4蒸发量测定应符合下列规定:
1 池体有盖时蒸发量忽略不计;
2 池体无盖时,必须进行蒸发量测定;
3 每次测定水池中水位时,同时测定水箱中的水位。
9.2.5 渗水量计算应符合下列规定:
水池渗水量按下式计算:
式中q——渗水量[L/(m2·d)];
A1——水池的水面面积(m2);
A2——水池的浸湿总面积(m2);
E1——水池中水位测针的初读数(mm);
E2——测读E1后24h水池中水位测针的末读数(mm);
e1——测读E1时水箱中水位测针的读数(mm);
e2——测读E2时水箱中水位测针的读数(mm)。
9.2.6 满水试验合格标准应符合下列规定:
1 水池渗水量计算应按池壁(不含内隔墙)和池底的浸湿面积计算;
2 钢筋混凝土结构水池渗水量不得超过2L/(m2·d);砌体结构水池渗水量不得超过3L/(m2·d)。
构筑物满水试验的规定一、水池满水试验前的必备条件水池满水试验是水工构筑物的主要功能性试验,满水试验前必须具备以下条件:(1)池体的混凝土或砖、石砌体的砂浆已达到设计强度要求;精品文档,超值下载(2)池内清理洁净,池内外缺陷修补完毕;(3)现浇钢筋混凝土池体的防水层、防腐层施工之前;(4)装配式预应力混凝土池体施加预应力且锚固端封锚以后,保护层喷涂之前;(5)砖砌池体防水层施工以后,石砌池体勾缝以后;(6)设计预留孔洞、预埋管口及进出水口等已做临时封堵,且经验算能安全承受试验压力:(7)池体抗浮稳定性满足设计要求;(8)试验用的充水、充气和排水系统已准备就绪,经检查充水、充气及排水闸门不得渗漏:(9)各项保证试验安全的措施已满足要求;(10)满足设计的其他特殊要求。
二、水池满水试验的准备(1)选定好洁净、充足的水源;注水和放水系统设施及安全措施准备完毕。
(2)有盖池体顶部的通气孔、人孔盖已安装完毕,必要的防护设施和照明等标志已配备齐全。
(3)安装水位观测标尺;标定水位测针。
(4)准备现场测定蒸发量的设备。
一般采用严密不渗,直径500mm,高300mm 的敞口钢板水箱,并设水位测针,注水深200mm。
将水箱固定在水池中。
(5)对池体有观测沉降要求时,应选定观测点,至测量记录池体各观测点初始高程。
三、水池满水试验要求(一)池内注水1.向池内注水宜分3次进行,每次注水为设计水深的l/3。
对大、中型池体,可先注水至池壁底部施工缝以上,检查底板抗渗质量,当无明显渗漏时,再继续注水至第一次注水深度。
2.注水时水位上升速度不宜超过2m/d。
相邻两次注水的间隔时间不应小于24h。
3.每次注水宜测读24h的水位下降值,计算渗水量,在注水过程中和注水以后,应对池体作外观检查。
当发现渗水量过大时,应停止注水。
待作出妥善处理后方可继续注水。
4.当设计单位有特殊要求时,应按设计要求执行。
(二)水位观测1.利用水位标尺测针观测、记录注水时的水位值;2.注水至设计水深进行水量测定时,应采用水位测针测定水位。
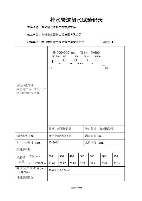
污水管道闭水试验工程报验申请表工程名称:滨河东路编号:管道闭水试验记录表施工单位:监理单位:试验负责人:记录员:污水管道闭水试验工程报验申请表工程名称:滨河东路编号:管道闭水试验记录表施工单位:监理单位:试验负责人:记录员:污水管道闭水试验工程报验申请表工程名称:滨河东路编号:管道闭水试验记录表施工单位:监理单位:试验负责人:记录员:污水管道闭水试验工程报验申请表工程名称:滨河东路编号:管道闭水试验记录表施工单位:监理单位:试验负责人:记录员:污水管道闭水试验工程报验申请表工程名称:滨河东路编号:管道闭水试验记录表施工单位:监理单位:试验负责人:记录员:污水管道闭水试验工程报验申请表工程名称:滨河东路编号:管道闭水试验记录表施工单位:监理单位:试验负责人:记录员:污水管道闭水试验工程报验申请表工程名称:滨河东路编号:管道闭水试验记录表施工单位:监理单位:试验负责人:记录员:污水管道闭水试验工程报验申请表工程名称:滨河东路编号:管道闭水试验记录表施工单位:监理单位:试验负责人:记录员:污水管道闭水试验工程报验申请表工程名称:滨河东路编号:管道闭水试验记录表施工单位:监理单位:试验负责人:记录员:污水管道闭水试验工程报验申请表工程名称:滨河东路编号:管道闭水试验记录表施工单位:监理单位:试验负责人:记录员:污水管道闭水试验工程报验申请表工程名称:滨河东路编号:管道闭水试验记录表施工单位:监理单位:试验负责人:记录员:污水管道闭水试验工程报验申请表工程名称:滨河东路编号:管道闭水试验记录表施工单位:监理单位:试验负责人:记录员:污水管道闭水试验工程报验申请表工程名称:滨河东路编号:管道闭水试验记录表施工单位:监理单位:试验负责人:记录员:污水管道闭水试验工程报验申请表工程名称:滨河东路编号:管道闭水试验记录表施工单位:监理单位:试验负责人:记录员:污水管道闭水试验工程报验申请表工程名称:滨河东路编号:管道闭水试验记录表施工单位:监理单位:试验负责人:记录员:。
满水试验记录
编号: 001
工程名称
施工单位
构筑物名称
水池结构
水池平面尺寸〔㎡〕水深〔 m〕
测读记录
测读时间
〔年月日时分〕水池水位 E〔 mm〕蒸发水箱水位 e〔mm〕大气温度〔℃〕
水温〔℃〕
实际渗水量 q
新疆天富热电股份1×12MW 垃圾燃烧发电工程
新疆兵团第五建筑安装工程公司
调节池及格栅
间
注水时间2021 年 07 月 10 日混凝土结构
允许渗水量
2
〔 L/㎡· d〕
水面面积 A1
〔㎡〕
4m
湿润面积 A2
〔㎡〕
初读数末读数两次读数差
2021 年 7 月 122021 年 7 月 13
/
日 10 时 30 分日 10 时 30 分
400039973
///
28253
26233
m3/d L/(m3·d)占允许量的百分率 %
试验结论:充水深度为4000mm , 24 小时后测定渗水量〔L/m 2·d〕,符合标准要求。
外表无渗漏,水位无明显降落。
建设单位监理单位设计单位施工单位参加单位和人员。