(完整版)安全风险隐患排查表1
- 格式:doc
- 大小:735.59 KB
- 文档页数:49
安全隐安全隐患排查表一、危险化学品管理1、化学品的种类、用量2、储存环境是否合适3、是否有必要的防护设施4、化学品的事故应急预案二、用电安全管理1、电气设备的定期检查2、电气线路是否有漏电、过载等现象3、员工电气安全知识培训情况4、用电设备是否有漏电保护三、作业场所安全1、作业场所是否有消防通道2、作业场所是否有必要的防护设施3、作业场所是否有安全警示标识4、作业场所是否有通风设施四、人身安全管理1、员工是否有安全培训2、员工是否配备必要的防护用具3、员工是否遵守安全操作规程4、员工在工作现场是否有必要的安全监督五、应急预案管理1、企业是否制定了应急预案2、应急预案的有效性和完整性3、员工对应急预案的了解情况4、应急设备的维护情况六、环境安全管理1、企业的环境保护措施2、废水、废气、废物的排放情况3、企业是否定期进行环境安全检查4、企业采取的环保措施及效果评估七、设备设施安全管理1、设备设施的定期检查维护2、设备设施是否具有相关防护措施3、设备设施的使用规程和操作规程4、设备设施的应急预案和管理情况八、施工作业安全管理1、施工作业的安全培训2、施工作业的临时设施和安全防护设施3、施工作业的安全操作流程4、施工作业的事故应急预案是否完善九、食品安全管理1、食品供应的来源及质量情况2、食品储存和加工的卫生情况3、员工食品安全知识和操作规范4、食品安全相关的法律法规遵守情况十、安全管理体系1、公司确定的安全管理责任人2、安全管理流程和管理制度3、公司内部安全培训的情况4、安全管理的效果评价以上就是安全隐患排查表,通过对每个方面的排查,可以及时发现并解决安全隐患,确保员工和企业的安全。
希望每个企业都能重视安全管理,切实保障员工和企业的健康和安全。
风险隐患排查表(可以直接使用,可编辑实用优秀文档,欢迎下载)
附:
随县中小学校和托幼机构突发公共卫生事件
风险隐患排查表
一、学校基本情况
名称:殷店镇朱店小学校址:随县殷店镇鹦鹉村
负责人:高华明联系:4639137
类别:初小性质:公办
教职工数:14 学生总数:205
学校总面积:13986㎡教室总面积:1800㎡
住校学生人数:68 学生宿舍面积:672㎡
二、排查内容
三、风险隐患级别判定标准
1、★★指标1个不、或★指标3个以上不,或排查指标中50%以上不,判定为特大风险隐患单位;
2、★指标2个不,或者其他排查指标40%不,判定为重大风险隐患单位;
3、★指标1个不,或者其他排查指标20%不,判定为较大风险隐患单位。
四、排查隐患单位主要风险隐患及级别判定结果:
五、风险隐患整改措施:
陪检人员(签字):排查人员(签字):
排查负责人(签字):
排查时间:
设备隐患排查表
3 工艺隐患排查表
单位:时间:年月日。
序号排查内容排查依据排查情况1.主要负责人应组织制定符合本企业实际的安全生产方针和年度安全生产目标;2.安全生产目标应满足:(1)形成文件,并得到所有从业人员的贯彻和实施;(2)符合或严于相关法律法规的要求;(3)根据安全生产目标制定量化的安全生产工作指标。
1.应将年度安全生产目标分解到各级组织(包括各个管理部门、车间、班组),逐级签订安全生产目标责任书;2.企业及各个管理部门、车间应制定切实可行的年度安全生产工作计划;3.应定期考核安全生产目标完成情况。
3企业应建立安全风险研判与承诺公告制度,董事长或总经理等主要负责人应每天作出安全承诺并向社会公告。
《应急管理部关于全面实施危险化学品企业安全风险研判与承诺公告制度的通知》(应急〔2018〕74 号)企业主要负责人应严格履行其法定的安全生产职责:1.建立、健全本单位安全生产责任制;2.组织制定本单位安全生产规章制度和操作规程;3.组织制定并实施本单位安全生产教育和培训计划;4.保证本单位安全生产投入的有效实施;5.督促、检查本单位的安全生产工作,及时消除安全事故隐患;6.组织制定并实施本单位的生产安全事故应急救援预案;7.及时、如实报告生产安全事故。
5企业负责人应每季度至少参加 1 次班组安全活动,车间负责人及其管理人员每月至少参加 2 次班组安全活动,并在班组安全活动记录上签字。
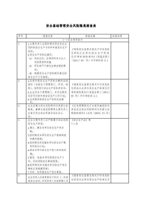
《国家安全监管总局关于印发危险化学品从业单位安全生产标准化评审标准的通知》(安监总管三〔2011〕93号)中评审标准 5.6《国家安全监管总局关于印发危险化学品从业单位安全生产标准化评审标准的通知》(安监总管三〔2011〕93号)中评审标准 2.1《国家安全监管总局关于印发危险化学品从业单位安全生产标准化评审标准的通知》(安监总管三〔2011〕93号)中评审标准 2.1《安全生产法》第十八条1 24安全风险隐患排查表一、安全基础管理安全风险隐患排查表(一)安全领导能力序号排查内容排查依据排查情况安全风险隐患排查表一、安全基础管理安全风险隐患排查表6企业应制定领导干部带班制度并严格落实,主要负责人应参加领导干部带班,其他分管负责人要轮流带班; 生产车间也要建立由管理人员参加的车间值班制度并严格落实。
1 安全基础管理安全风险隐患排查表序号排查内容排查依据检查结果( 一) 安全领导能力1 1.主要负责人应组织制定符合本企业实际的安全生产方针和年度安全生产目标;2.安全生产目标应满足:(1)形成文件,并得到所有从业人员的贯彻和实施《国家安全监管总局关于印发危险化学品从业单位安全生产标准化评审标准的通知》(安监总管三〔2011〕93 号)中评审标准 2.1(2)符合或严于相关法律法规的要求;(3)根据安全生产目标制定量化的安全生产工作指标。
2 1.应将年度安全生产目标分解到各级组织(包括各个管理部门、车间、班《国家安全监管总局关于印发危险组),逐级签订安全生产目标责任书;化学品从业单位安全生产标准化评审标准的通知》(安监总管三〔2011〕2.企业及各个管理部门、车间应制定切实可行的年度安全生产工作计划;93 号)中评审标准 2.13.应定期考核安全生产目标完成情况。
3 企业应建立安全风险研判与承诺公告《应急管理部关于全面实施危险化制度,董事长或总经理等主要负责人学品企业安全风险研判与承诺公告应每天作出安全承诺并向社会公制度的通知》(应急〔2018〕74 号)告。
4 企业主要负责人应严格履行其法定的《安全生产法》第安全生产职责:十八条1.建立、健全本单位安全生产责任制;2.组织制定本单位安全生产规章制度和操作规程;3.组织制定并实施本单位安全生产教育和培训计划;4.保证本单位安全生产投入的有效实施;5.督促、检查本单位的安全生产工作,及时消除安全事故隐患;6.组织制定并实施本单位的生产安全事故应急救援预案;7.及时、如实报告生产安全事故。
5《国家安全监管总局关于印发危险化学品从业单位安全生产标准化评审标准的通知》(安监总管三〔2011〕93 号)中评审标准 5.6企业负责人应每季度至少参加 1 次班组安全活动,车间负责人及其管理人员每月至少参加 2 次班组安全活动,并。
安全风险隐患排查治理表格背景随着信息化技术的普及和应用,网络安全问题已经成为我们不可忽视的风险。
防范和及时排除安全风险隐患,是保证人员、财产、信息安全的首要任务。
本文将介绍一份安全风险隐患排查治理表格,帮助我们从不同的方面、不同角度,全面掌握并排查安全风险隐患。
安全风险隐患排查治理表格一、系统安全类序号要点是否存在隐患治理措施1操作系统是/否XXX2网络拓扑结构是/否XXX3系统服务与进程是/否XXX4应用软件与其权权限配置是/否XXX5系统日志及审计功能是/否XXX二、网络安全类序号要点是否存在隐患治理措施1防火墙是/否XXX2入侵检测与防范是/否XXX3认证与访问控制是/否XXX序号要点是否存在隐患治理措施4数据加密是/否XXX5网络隔离是/否XXX三、物理安全类序号要点是否存在隐患治理措施1出入口管控是/否XXX2机房门禁控制是/否XXX3设备放置与严格监管是/否XXX4设备电源稳定是/否XXX5设备温度控制是/否XXX四、人员安全类序号要点是否存在隐患治理措施1操作人员素质是/否XXX2操作人员权限控制是/否XXX3安全意识及培训管理是/否XXX4特权账号与密码管理是/否XXX5操作日志与监控是/否XXX总结以上所列出的安全风险隐患排查治理表格为我们提供了一份全景式的安全风险隐患排查治理指南,旨在让我们可以从多个方面综合展开安全风险的控制和预防工作,最终实现对重大资产安全的保障。
每个隐患点都包含了相应的治理措施,这些措施可以有效地及时纠正和防范一些安全风险隐患。
我们需要不断完善和优化这份安全风险排查治理表格,并将其不断完善,提高我们的网络信息安全能力。
安全生产事故隐患防范排查表【精编版】安全生产事故隐患排查表(一) (安全管理)安全生产事故隐患排查表(二) (文明施工)安全生产事故隐患排查表(三) (落地及悬挑脚手架)安全生产事故隐患排查表(四) (整体提升脚手架)安全生产事故隐患排查表(五) (施工现场临时用电)安全生产事故隐患排查表(六)(塔式起重机)(施工电梯)安全生产事故隐患排查表(七)(物料提升机)安全生产事故隐患排查表(八) (基坑支护)(模板工程)6 模板存放(1)模板存放高度及与墙面距离满足要求;(2)大模板有防倾倒的措施。
8 作业环境(1)作业面及孔洞有临边防护措施;(2)垂直交叉作业有防护隔离措施。
序号排查内容排查要求l 圆盘锯(1)有安装验收合格手续;(2)有安全防护装置;(3)有保护接零和漏电保护器。
2 平刨(1)有验收合格手续;(2)有保护接零和漏电保护:(3)传动部位有防护装置。
3 钢筋机械(1)有验收合格手续;(2)有保护接零和漏电保护;(3)传动部位有防护装置。
4 电焊机(1)有验收合格手续;(2)焊把线绝缘良好;(3)有防护措施;(4)有保护接零和漏电保护器及防护罩。
5 手持电动工具(1)电源线无接长现象;(2)I类手持电动工具有接零保护:(3)转动部件防护装置齐全。
6 搅拌机(1)搅拌机固定可靠;(2)有安装验收手续;(3)钢丝绳满足要求;(4)保险挂钩完好;(5)有保护接零和漏电保护;(6)转动部件和传动部位防护装置齐全。
7 气瓶(1)气瓶使用符合安全距离要求;(2)气瓶存放符合要求;(3)有防震圈、防护帽。
建筑结构实体质量检查检验用表建筑结构工程原材料及实体检查检验要求.......................................................................... ..............................安全生产事故隐患排查表(一) (安全管理)安全生产事故隐患排查表(二) (文明施工)安全生产事故隐患排查表(三) (落地及悬挑脚手架)安全生产事故隐患排查表(四) (整体提升脚手架)安全生产事故隐患排查表(五)(施工现场临时用电)安全生产事故隐患排查表(六)(塔式起重机)(施工电梯)安全生产事故隐患排查表(七)(物料提升机)安全生产事故隐患排查表(八) (基坑支护)(模板工程)6 模板存放(1)模板存放高度及与墙面距离满足要求;(2)大模板有防倾倒的措施。
附件1:安全生产事故隐患排查表(一)(安全管理)序号排查内容排查要求1安全生产责任制(1)项目各岗位安全生产责任制的建立情况,(2)履行责任制交底签字手续;(3)制定对责任制的考核奖惩制度或办法;(4)有考核记录。
2安全操作规程(1)项目部制定各工种或各分部(项)工程安全技术操作规程;(2)操作规程在作业部位进行悬挂。
3目标管理(1)制定伤亡事故控制目标、安全达标目标、文明施工实现目标;(2)并对目标进行有效分解和定期考核。
4施工组织设计(1)在施工组织设计中有针对工程特点的安全技术措施;(2)对专业性强、危险性大的工程项目编制专项施工方案;(3)编制应急救援预案;(4)履行编制、审核、批准的程序,并经总监理工程师签字认可。
5安全技术交底(1)作业人员进场综合安全技术交底;(2)在施工方案的基础上进行安全技术交底(分部分项工程安全技术交底);(3)对操作者的安全注意事项进行安全技术交底,交底要有针对性,双方签字确认。
6安全检查(1)制定定期安全检查制度;(2)按定期安全检查制度的时间和内容进行安全检查并进行记录;(3)对检查出的隐患制定措施,定人定时进行有效整改,并记录。
7安全教育(1)建立三级安全教育卡,并按现场人员名册填写;(2)经常性安全教育情况;(3)各工种及变换工种的安全操作技能等安全教育情况。
8班组活动分班组的安全活动记录。
9持证上岗(1)项目经理、安全员持安全生产知识考核合格证情况,安全员的配备符合要求;(2)特种作业人员名册及与之对应的上岗证复印件,特种作业人员无过期情况。
其它操作工由企业培训发证上岗并建立档案。
10工伤事故建立工伤事故档案,填写《伤亡事故月报表》,发生伤亡事故的现场按规定上报。
11安全标志(1)绘制安全标志平面布置图;(2)履行审批手续;(3)按平面布置图布置安全标志。
12应急救援预案建立及演练(1)应急救援预案有编制审核批准手续;(2)应急救援预案内明确组织机构通讯方式、物资设备等;(3)应急救援预案在现场显著位置公示;(2)演练情况。
安全隐患排查表概述安全隐患是指在机房、工厂、建筑物等各种场所中可能引发事故和危害人身安全和财产安全的风险隐患。
为了及时排查和解决安全隐患,保障人员生命和财产安全,所有场所都需要进行安全隐患排查。
本文介绍了一份安全隐患排查表,帮助人们全面、系统地了解和排查安全隐患。
安全隐患排查表一、电气安全序号安全隐患项风险评估解决措施1 电线老化低及时更换2 电缆短路高定期检查维护3 电器插座老化中及时更换4 电器线路漏电高定期检查维护5 电器线路重载高定期检查维护二、消防安全序号安全隐患项风险评估解决措施1 灭火器过期中定期更换2 安全出口被堵高每周检查消防通道3 防火门损坏中定期检查维护4 烟雾报警器失灵高定期检查维护5 消防器材配备不足中采购配备三、网络安全序号安全隐患项风险评估解决措施1 服务器漏洞高定期检查和应用安全补丁2 网络入侵检测不及时高定期检查和完善入侵检测系统3 密码安全性不足中提高密码安全性要求4 网络接口未加密高采取合适加密方法四、物理安全序号安全隐患项风险评估解决措施1 外来人员进入高安排门禁系统和管理人员2 机房内自由进出高安排门禁和管理人员3 未经授权的设备接入高采取设备授权机制4 机房友好开放高制定机房规定和监控设备5 机房温度过高中定期检查维护结论安全隐患排查表有助于我们充分的了解安全隐患,及时排查、处理安全隐患,保障人员的生命财产安全。
同时,我们也应该加强安全意识, 建立健全的安全管理制度, 加强职工安全培训,不断提高自我保护能力,以消除潜在的安全隐患,确保安全生产。