汽轮机旁路系统
- 格式:doc
- 大小:30.50 KB
- 文档页数:5
汽轮机旁路系统的功能及其选择岗位职责摘要:汽轮机旁路是单元制大型火力发电厂的重要辅助系统,旁路系统设计直接关系到机组的运行方式和控制策略。
发达国家中,大型机组担当调峰任务很重,旁路系统带来的好处相当明显。
在我国,大容量再热式机组都采用单元制系统,为了便于机组启停、调峰、事故处理和适应特殊运行方式,绝大多数再热式机组也都设置了旁路系统。
但事实上,不同型式的汽轮机,其旁路系统的容量和功能应不尽相同。
汽轮机旁路系统;功能与作用;功能选择一、汽轮机旁路的功能与作用考虑到汽轮机的空载流量与锅炉的最低负荷不一致,以及低负荷时中间再热器的保护问题,中间再热式机组应设置旁路系统,每一级旁路中都装有减温减压器。
当汽轮机的负荷低于锅炉稳定燃烧的最低负荷时,锅炉多送出的蒸汽可经过降压减温后送入再热器或低参数的蒸汽管道或直接排入凝汽器以回收工质。
当汽轮机负荷很低而使流经锅炉再热器的蒸汽量不足以冷却锅炉再热器时,绕过高压缸且经过旁路系统减温减压器冷却的蒸汽,可进入锅炉再热器进行冷却,从而保护再热器。
1、缩短机组启动时间及汽机冲转过程中协调蒸汽参数和流量汽轮机滑参数热态启动时,蒸汽进入气缸与气缸内壁接触,蒸汽温度上升较快,由于汽缸壁较厚且高中压缸为多层缸缸结构,传热到外壁需经较长时间,汽缸内、外壁容易出现较大的温差。
当汽机滑参数冷态启动时,汽缸壁温较低,而锅炉来的过热蒸汽温度很高,导致主蒸汽温度与气缸和转子温度不协调,容易引起汽轮机汽缸及其他部件热应力过大,缩短机组使用寿命。
故在机组启动期间,除监视汽缸内、外壁温差外,还必须控制好金属温度的升降速度。
一般来讲,单元机组在启动过程中,锅炉蒸汽温度与汽机汽缸金属温度不协调是由锅炉的特性决定,先以低参数蒸汽冲转汽轮机,之后随着汽轮机升速、并网、带负荷的要求,不断提高主蒸汽的参数和流量。
所以机组启动时间的长短取决于锅炉达到汽轮机冲转要求的蒸汽参数(包括主蒸汽和再热蒸汽)的时间,而锅炉升温、升压速度取决于锅炉疏水管的排放。
汽轮机旁路系统一、旁路系统技术和结构特点#3、#4机组采用高、低压两级串联旁路系统。
高压旁路容量为额定参数下40%BMCR的流量(Boiler Maximun Continuous Rating);低旁旁路容量是高旁容量加上高旁减温水的流量。
正常启停均采用中压缸启动方式,在旁路系统故障不能投运的情况下,也可采用高压缸启动方式。
1.旁路系统的主要功能汽机旁路系统的型式、容量和控制水平与汽机及锅炉的型式、结构、性能及电网对机组运行方式的要求密切相关。
根据本机组的负荷性质、启动特点,该旁路系统主要有以下几方面功能要求:(1)调整主蒸汽、再热蒸汽参数,协调蒸汽压力、温度与汽机金属温度的匹配,保证汽轮机各种工况下中压缸启动方式的要求,缩短机组启动时间。
(2)协调机炉间不平衡汽量,旁路掉负荷瞬变过程中的过剩蒸汽。
由于锅炉的实际降负荷速率比汽机小,剩余蒸汽可通过旁路系统排至凝汽器。
使机组能适应频繁起停和快速升降负荷,并将机组压力部件的热应力控制在合适的范围内。
(3)在机组启动和甩负荷时,保护再热器不干烧和超温。
(4)回收工质,减少噪音。
在机组突然甩负荷(全部或部分负荷)时,旁路快开,回收工质至凝汽器,改变此时锅炉运行的稳定性,减少甚至避免安全门动作。
2.旁路系统的设计原则本工程采用高、低压两级串联旁路系统。
由于该旁路系统是不兼带安全门功能的,即装设的旁路系统并不替代锅炉过热器出口的弹簧安全门和动力释放阀(PCV)的功能,且无停机不停炉或带厂用电的功能要求,因此确定旁路系统容量的因子,主要是根据各个工况的启动曲线来核算所需的旁路容量。
当然还需考虑机组的负荷变动率及锅炉的燃烧率能以多快的速度减少而不危及火焰的稳定性等因子,以满足快速升降负荷等功能要求。
3.旁路容量的选择旁路容量的选择对中压缸启动非常重要。
若高压旁路容量不够,势必会逼高主汽压力,此时锅炉很难保证主汽温度,而过高的主汽温度对高压缸及其转子极为不利,本机组当高排温度达420℃时即报警,435℃时即跳机;若低压旁路容量不够,势必会逼高再热汽压力,此时防止高压缸末级叶片过热的最小流量值增大,即必须提高此时的目标负荷值(即阀切换负荷值),否则高压缸调节级压力与高排压力比有可能过低而导致停机(为限制高压缸出现小流量高背压现象,防止高压缸末级叶片过热,汽机通常有如下保护:高压缸调节级压力与高排压力比为1.8时报警,为1.7时即跳机)。
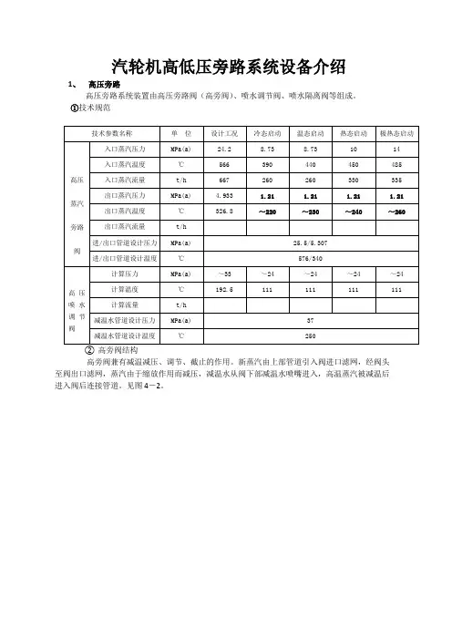
汽轮机上下压旁路系统设备介绍1、高压旁路高压旁路系统装置由高压旁路阀〔高旁阀〕、喷水调节阀、喷水隔离阀等组成。
①技术标准高压蒸汽旁路阀高压喷水调节阀技术参数名称单位设计工况冷态启动温态启动热态启动极热态启动入口蒸汽压力MPa(a)1014入口蒸汽温度℃566390440450485入口蒸汽流量t/h667260260330335出口蒸汽压力MPa(a)出口蒸汽温度℃~220~230~240~260出口蒸汽流量t/h进/出口管道设计压力MPa(a)进/出口管道设计温度℃576/340计算压力MPa(a)~33~24~24~24~24计算温度℃111111111111计算流量t/h减温水管道设计压力MPa(a)37减温水管道设计温度℃250②高旁阀结构高旁阀兼有减温减压、调节、截止的作用。
新蒸汽由上部管道引入阀进口滤网,经阀头至阀出口滤网,蒸汽由于缩放作用而减压,减温水从阀下部减温水喷嘴进入,高温蒸汽被减温后进入阀后连接管道。
见图4-2。
图4-2高压旁路阀示意图01-阀座;02-阀盖;03-阀进口滤网;04-阀出口滤网;05-阀体;06-阀杆;07-阀头;08-减温水喷嘴;2、低压旁路低压旁路系统装置由低压旁路阀〔低旁阀〕、喷水调节阀、喷水隔离阀、凝汽器入口减温减压器等组成。
①技术标准入口蒸汽压力MPa(a)入口蒸汽温度℃566340400~420425465低压入口蒸汽流量t/h 等于高旁出等于高旁出等于高旁出等于高旁出等于高旁出口流量口流量口流量口流量口流量蒸汽出口蒸汽压力MPa(a)旁路出口蒸汽温度℃160160160160160出口蒸汽流量t/h阀进/出口管道设计压力MPa(a)进/出口管道设计温度℃574/250计算压力MPa(a)3333计算温度℃低压计算流量t/h喷水调节减温水管道设计压力MPa(a)阀减温水管道设计温度℃150注:表中的低压旁路阀、低压喷水调节阀的容量均为低压旁路的总容量。
摘要汽轮机旁路系统是现代单元机组热力系统的一个组成部分。
它的功能是,当锅炉和汽轮机的运行情况不相匹配时,即锅炉产生的蒸汽量大于汽轮机所需要的蒸汽量时,多余部分可以不进入汽轮机而经过旁路减温减压后直接引入凝汽器。
此外,有的旁路还承担着将锅炉的主蒸汽经减温减压后直接引入再热器的任务,以保护再热器的安全。
旁路系统的这些功能在机组启动、降负荷或甩负荷时是十分需要的。
当机组冷态启动时,在汽轮机冲转、升速或开始带负荷时锅炉产生的蒸汽量要比汽轮机需要的蒸汽量大,此时旁路系统可作为启动排汽用。
这样,锅炉可以独立地建立与汽轮机相适应的汽温和汽压,保证二者良好的综合启动,从而缩短了机组的启动时间,也延长了汽轮机的使用寿命。
与向空排气相比及回收了工质,又消除了噪音污染。
在机组迅速降负荷时,要求汽轮机迅速关小主汽门,而同时锅炉只可能缓慢的降负荷,即锅炉跟不上要求,此时旁路系统起着减压阀的作用。
这种情况下,旁路系统的存在使锅炉能独立与汽轮机而继续运行。
降负荷幅度越大,越迅速,越显示其优越性。
对于甩负荷事故情况,旁路系统能使锅炉保持在允许的蒸发量下运行,把多余的蒸汽引往凝汽器。
让运行人员有时间去判断甩负荷的原因,并决定锅炉负荷是应进一步下降还是继续保持下去,以便汽轮发电机组很快重新并网。
关键词大型火电机组,旁路控制,运行调试AbstractLarge-unit is the main power of electricity industry, along with global energy Insufficiency and progress of environment consciousness, now surpercritical and ultra-supercitical units that are high efficiency and low emission have been outstanding epquipmengts in the world. large –unit reprsents the tadvanced thermal process theoty, material science and automatic technology. cooperating control between bypass system and large-unit. with safety, high efficiency, low emission, which have close relationship with economic benefit[17].Bypass system is important auxiliary equipment of operation of large-unit, and has many funcions, such as coopreating startup, recycling process fluid, reducing consumption, decreasing emission. Bypass system has several process steps, including pressure reduction, desuperheating etc, and adopts automatic control method under different operation modes.Typical big unti bypass system comprises of high pressure bypass and low pressure bypass, individually executes different functions in unti operation. Bypass system operation control shall correspond with unit control system operation, and equip interlock device.Adding-bypass system is a system project, through bypass design, operation control mode selection, key element choice, system match, installation and commission, excellent cooperati ve startup among untis, to complete relevant functions.Bypass system has achieved widely domestic appliance, and achieves some effect on safety opreation, combined load cooperation and economic benefit, while unveiling some problems to be resolved[19].Further research of large-unit bypass system thermal process theory, thermal process matri al, fundamental element and automatic control, and accumulating exprerience during practice, co ntunuously improving design level and matching quality, are necessary route for gradually perfecting bypass system functions, improving operation safety and reliability, achieving higher economic benefit.Key Words Large Power Unit, Bypass Control, Cooperative Regulation目录摘要 (I)Abstract ............................................................................................................................................ I I 目录.............................................................................................................................................. I II 1引言.. (1)1.1 旁路控制系统的简介 (1)1.2 旁路控制系统的功能 (2)2旁路控制系统 (4)2.1旁路控制系统的组成 (5)2.1.1旁路调节阀 (5)2.1.2液压动力单元和液压执行机构 (6)2.2旁路控制系统的工作方式 (6)2.2.1启动方式 (6)2.2.2运行方式 (6)2.3旁路控制系统的控制方式 (8)3分散控制系统 (9)3.1分散控制系统简述 (9)3.2 Symphony控制系统设计中采用的各种模件及其介绍 (10)3.3针对硬件的说明 (11)3.4设计中用到的部分功能码 (11)4汽轮机组旁路控制系统设计 (13)4.1设计思想 (13)4.2高压旁路控制系统 (14)4.2.1高压旁路控制系统的主要作用 (14)4.2.2高压旁路控制系统的工作原理 (14)4.2 低压旁路控制系统 (18)5汽轮机组旁路控制系统分析 (21)5.1高压旁路压力控制分析 (21)5.1.1自动控制分析 (21)5.1.2手动控制分析 (22)5.2高压旁路温度控制分析 (23)5.2.1自动控制分析 (23)5.2.2手动控制分析 (24)5.3低压旁路温度控制分析 (24)5.3.1自动控制分析 (24)5.3.2手动控制分析 (25)5.4低压旁路压力控制分析 (25)5.4.1自动控制分析 (25)5.4.2手动控制分析 (26)6结论 (27)致 (28)参考文献 (29)1引言1.1 旁路控制系统的简介汽轮机旁路控制系统(BPC)是指与汽轮机并联的蒸汽减温减压系统。
汽轮机旁路系统
汽轮机旁路系统
125-1200MW机组各种规格的高低压旁路系统
工作特点:
汽轮机旁路系统是保证汽轮机和锅炉在各种工况下安全启动、稳定运行的保护系统之—。
同时是保护锅炉过热器、再热器不致再事故情况下超温、超压的主要保护装臵。
因此其安全稳定、可靠地工作对机组的安全稳定、可靠运行,至关重要。
其工作特点足:热冲击强烈、启停频繁,其内部减温减压元器件,承受很大的温差应力,且应力循环频次高。
其次,要承受减压后汽流较大的冲刷力,其强大的冲刷和热应力的反复多频次作用,是阀内件破坏的主因。
破坏特点:
由温差及热冲击引起的循环热应力是阀内件破坏的主因,其次是降压后汽流的冲蚀破坏。
技术特点:
1、ROSITE汽轮机高低压旁路系统采用了阀内件对称设计、内外加热的技术以减小温差应力;
2、采用了蒸汽雾化预热减温水技术减小温差应力;
3、采用蒸汽分区降温和蒸汽膜保扩技术来降低传质传热过程中减温水与高温蒸汽之间相应的阀内件金属间的温度差,以达到减少温差和温差应力的目的;
4、采用一级前臵式降温和三级后臵式降压阀笼、级间压差小,能减小汽流对密封面的冲蚀破坏;
5、大量采用模块化、分体式设计技术,全部阀内件均可拆卸更换、方便检修:
6、采用了变阻力通道式减温水调节阀,温度控制准确、精细,安全可靠,周期长;
7、阀门零部什全部采用锻焊件结构,强度高,承受热冲击能力强:
相关专题:
相关信息:
没有相关信息相关评论:
没有相关评论。
第八章旁路系统大型中间再热机组均为单元制布置,为了便于机组启停、事故处理及特殊要求的运行方式,解决低负荷运行时机炉特性不匹配的矛盾,基本上均设有旁路系统。
所谓的旁路系统是指锅炉所产生的蒸汽部分或全部绕过汽轮机或再热器,通过减温减压设备(旁路阀)直接排入凝汽器的系统。
1 •旁路系统的作用1)缩短启动时间,改善启动条件,延长汽轮机寿命2)溢流作用:即协调机炉间不平衡汽量,溢流负荷瞬变过程中的过剩蒸汽。
由于锅炉的实际降负荷速率比汽机小,剩余蒸汽可通过旁路系统排至凝汽器,使机组能适应频繁启停和快速升降负荷,并将机组压力部件的热应力控制在合适的范围内3)保护再热器:在汽轮机启动或甩负荷工况下,经旁路系统把新蒸汽减温减压后送入再热器,防止再热器干烧,起到保护再热器的作用4)回收工质、热量和消除噪声污染:在机组突然甩负荷(全部或部分负荷)时,旁路快开, 回收工质至凝汽器,改变此时锅炉运行的稳定性,减少甚至避免安全阀动作2 •机组旁路系统型式1)两级串联旁路系统由高压旁路和低压旁路组成,这种系统应用广泛,特点是高压旁路容量为锅炉额定蒸发量的30%〜40%,对机组快速启动特别是热态启动更有利。
2)两级并联旁路系统由高压旁路和整机旁路组成,高压旁路容量设计为10%〜17%,其目的是机组启动时保护再热器,整机旁路容量设计为20%〜30%,其目的是将各运行工况(启动、电网甩负荷、事故)多余蒸汽排入凝汽器,锅炉超压时可减少安全阀动作或不动作。
3)三级旁路系统由高压旁路、低压旁路和整机旁路组成,其优点是能适应各种工况的调节,运行灵活性高,突降符合或甩负荷时,能将大量的蒸汽迅速排往凝汽器,以免锅炉超压,安全阀动作。
但缺点是设备多、系统复杂、金属耗量大、布置困难等。
4)大旁路系统锅炉来的新蒸汽绕过汽轮机高、中、低压缸经减温减压后排入凝汽器,其优点是系统简单、投资少、方便布置、便于操作;缺点是当机组启动或甩负荷时,再热器内没有新蒸汽通过,得不到冷却,处于干烧状态。
汽轮机高低压旁路系统设备介绍1、高压旁路高压旁路系统装置由高压旁路阀(高旁阀)、喷水调节阀、喷水隔离阀等组成。
①技术规范高旁阀兼有减温减压、调节、截止的作用。
新蒸汽由上部管道引入阀进口滤网,经阀头至阀出口滤网,蒸汽由于缩放作用而减压,减温水从阀下部减温水喷嘴进入,高温蒸汽被减温后进入阀后连接管道。
见图4-2。
图4-2 高压旁路阀示意图01-阀座;02-阀盖;03-阀进口滤网;04-阀出口滤网;05-阀体;06-阀杆;07-阀头;08-减温水喷嘴;2、低压旁路低压旁路系统装置由低压旁路阀(低旁阀)、喷水调节阀、喷水隔离阀、凝汽器入口减温减压器等组成。
①技术规范注:表中的低压旁路阀、低压喷水调节阀的容量均为低压旁路的总容量。
②低压旁路结构低旁阀与高旁阀同样,兼有减温减压、调节、截止的作用。
低旁阀结构见图4-3图4-3 低压旁路阀示意图01-阀座;02-阀盖;03-阀进口滤网;04-阀出口滤网;05-阀体;06-阀杆;07-阀头;08-减温水喷嘴;③三级减温减压器采用三级减压、一次喷水减温的结构形式。
图4-4为三级减温减压器示意图。
低旁蒸汽进入减温减压器的管末端开孔区,喷向减温减压器壳体内,壳体内壁上设有不锈钢防冲蚀挡板。
汽流通过蒸汽管末端开孔区上的多个小孔,进行第一次临界膨胀降压,在壳体内扩容降压到0.3 MPa。
在壳体内壁沿圆周方向均布设有4个雾化喷嘴,从凝结水系统来的减温水雾化后与蒸汽充分混合汽化达到减温的目的。
经过第一级减温减压后的蒸汽通过壳体内锥形喷网上的数个小孔,进行第二次临界膨胀降压,扩散到减温减压器后部区域,使蒸汽进一步扩容降压到0.1 MPa。
最后蒸汽通过分布在壳体及封头上的小孔进行第三次临界膨胀降压至0.047MPa,使蒸汽最终扩散到整个凝汽器区域。
旁路投入时,减温喷水必须同时投入,否则将导致进入凝汽器内的蒸汽温度超过允许值,对减温减压器和凝汽器造成损害。
喷水源取自凝结水杂用系统,设计压力为0.9 MPa,总喷水量约27.5 t/h,喷水经过滤后通过喷水调节阀接入减温减压器,以防喷孔堵塞。
第九章旁路系统1.旁路系统设备规范2.旁路系统的投运和停运2.1旁路系统的投运2.1.1机组启动前,确认已执行《锅炉启动前检查卡》,检查完毕2.1.2检查高低旁油站油位、油温正常,高低旁油泵工作正常,备用油泵处于正常备用状态2.1.3检查控制油压压力正常,油站就地控制盘无异常报警2.1.4在正常启停和运行过程中,应保持高、低旁阀和高、低旁减温水控制阀处于自动控制状态。
2.1.5在机组启动过程中,当下列条件成立时,确认高旁阀开至最小开度18%锅炉极热态任一燃烧器运行高旁开至最小开度汽包压力>2.1.6在机组启动过程中,如辅汽汽源由高旁供应,应密切监视高旁的开度,避免辅汽压力波动或失压。
2.2旁路系统的停运机组并网后,随着负荷的上升,确认旁路自动关闭,进入主汽压力的溢流控制,主汽压溢流控制的压力偏差为高旁阀关主汽压力溢流控制 负荷指令>3. 旁路系统的运行及监视调整3.1 旁路系统正常运行方式3.1.1旁路系统正常运行中应投自动,高压旁路设定压力=主汽压设定值+0.8Mpa, 高压旁路减温水控制温度=340℃;3.1.2低压旁路设定压力=F (*主汽流量对应压力设定值)+0.588Mpa ;低压旁路减温水控制温度=150℃。
*主汽流量对应压力设定值对应关系如下图3.2 旁路系统的监视与调整3.2.1检查就地控制盘无报警,设备运行正常,参数正常,CRT 旁路控制投自动,无异常报警。
3.2.2高旁保护关(快关)条件如下 凝汽器压力高旁保护关 高旁阀后温度>400℃3.2.3低旁保护关条件如下 凝汽器压力低旁保护关 低旁阀后温度>2503.2.4旁路的快开当机组发生FCB 时,只要高旁无保护关信号存在,会有5S 的脉冲令高旁快开,5秒后如主汽压力与设定值偏差小于0.3Mpa ,快开信号复归。
当机组发生FCB 时,只要低旁无保护关信号存在,会有1S 的脉冲令低旁快开,1秒后如再热汽压123456主汽流量T/H压力设定值M p a2600与设定值偏差小于0.2Mpa,快开信号复归。
汽轮机旁路系统沈阳电力高等专科学校杨庆柏刊载于《辽宁电机工程科普》1997年第2期汽轮机旁路系统( Turbine Bypass System简称TBS)的基本功能是改善机组启动性能、保护再热器、回收工质、减少噪音、带厂用电负荷运行和超压保护。
一、设置汽轮机旁路系统的必要性随着火力发电机组的单机容量不断增大,蒸汽参数也在不断提高,尤其是中间再热式汽轮发电机组得到越来越广泛的应用。
根据中间再热式汽轮发电机组的运行要求,机组的运行方式只能为单元制。
在一机对一炉的单元制运行方式中。
锅炉、汽轮机和发电机纵向成为一个统一的整体。
炉、机的一一对应使得锅炉产生的蒸汽无法储存,从而要求炉、机之间要互相配合,协调动作。
在单元机组正常运行时,可由协调控制系统依据外界的负荷需求来协调机、炉的动作,这既能满足外界负荷要求,又保证机组的安全。
然而在机组启动或紧急甩负荷的特殊情况下,锅炉和汽轮机在动态特性上的差异太大,如何使其协调工作就不是一个容易解决的问题。
在低负荷工况下,锅炉的最小允许负荷一般为额定蒸发量的30~50%,汽轮机则允许空载运行。
汽轮机空载运行时的汽量仅为额定时进汽量的5~8%。
由此可见,在低负荷工况下必须解决锅炉的剩余蒸汽回收问题,否则锅炉不但要对空排汽而损失大量的凝结水,而且还要产生强烈的噪声。
设置在锅炉内的再热器,必需经常流动一定量的蒸汽以不超温。
根据再热器选用的金属材料及炉内布置情况,通常要求冷却蒸汽流量的最小值约为额定值的14%,而汽轮机空载时的蒸汽量仅为额定值的5~8%。
特别是在甩负荷时蒸汽量为零,在停机不停炉时汽轮机完全不进汽。
由此可见。
中间再热式汽轮发电机组还须解决再热器的保护问题。
大型火力发电机组为了减少金属热应力,降低机组寿命损耗,缩短起动时间,节约燃料,往往采用中压缸启动。
因此,需要考虑中压缸从何处进汽的问题。
综上所述,单元制运行的中间再热式汽轮发电机组,必须解决机组启停过程中机、炉之间的协调动作,再热器保护以及实现中压缸启动等问题。
汽机旁路知识介绍根据自己学习总结介绍了,汽机旁路系统的配置、用途、功能及控制与保护。
列举了执行机构(气、液、电动)品牌厂家和其余汽机旁路的生产厂家。
并对汽机旁路亚临界、超临界和超超临界机组材料的选用;Cv值的计算;旁路喷水调节阀流量的确定;管道流速的选择与口径的确定等问题进行了分析。
对喷嘴等关键部件进行了思考。
一、汽轮机旁路概述汽轮机旁路系统是与汽轮机并联的蒸汽减温减压系统。
它由蒸汽旁路阀门、旁路阀门控制系统、执行机构和旁路蒸汽管道组成。
其作用是将锅炉产生的蒸汽不经过汽轮机而引到下一级压力和温度的蒸汽管道或冷凝器。
蒸汽旁路系统有两种:一种是将锅炉产生的蒸汽直接引入冷凝器,这种旁路系统称为大旁路。
另一种是由高、低压两级旁路系统组成:旁路汽轮机的高压缸而将蒸汽从锅炉引入再热器的称为高压旁路;旁路汽轮机的中、低压缸而将蒸汽从再热器出口引入冷凝器的称为低压旁路。
大型火电机组都采用高参数、中间再热式的热力系统,采用一机一炉的单元配置。
在这种机组中,一台锅炉只向一台汽轮机供汽,这就要求锅炉的产汽量与汽轮机的耗汽量保持平衡。
而实际上汽轮机的空载流量仅为汽轮机额定蒸汽流量的2%~5%,远远小于锅炉的最低稳定燃烧蒸发量(30%~50%)。
锅炉在更低的燃烧率下不能稳定运行。
因此必须有其它的蒸汽管道,作为锅炉的负载,承担其余的蒸汽流量。
另外当事故工况下汽轮机甩去负荷或停机时,大量的多余蒸汽必须通过旁路阀门而排入冷凝器,减少锅炉安全门起跳,同时避免大量蒸汽排入大气。
因此在中间再热机组中配置蒸汽旁路系统可以改善锅炉和汽轮机特性上的差异,提高机组的安全性和经济性。
汽机旁路系统首先用于欧洲的直流炉中,几乎所有的欧洲国家均使用了高低压汽机旁路系统,包括汽包炉.高压旁路把来自锅炉过热器的蒸汽排到再热器,低压旁路把来自再热器的蒸汽排到凝汽器,欧洲国家的旁路通常为100%的容量,中国的系统主要容量多选用在40%MCR,并且具有安全保护功能.为了满足大型汽轮机组启动运行和安全的需要,给机组配置旁路装置和切实可行的控制系统是十分必要的,旁路系统主要有电动和液动两大流派,气动系统主要应用于中小型机组. 旁路系统装置是火电机组重要的辅助设备,旁路系统设备的可靠性对电厂安全和经济运行影响较大,而系统设备的设计、安装、调试对旁路的运行效果有很大的影响。
汽轮机旁路控制系统BPS检修规程1.1 概述汽轮机旁路系统(BPS)用作汽轮发电机组危急情况下的保护和正常状况下的调节系统。
BPS监视主蒸汽压力、温度,再热蒸汽压力、温度和凝汽器温度、真空、液位、喷水压力、汽轮机跳闸等信号。
当这些参数中的任一个超过偏离给定值或超出允许范围时,系统将快速关闭或打开BPS系统的相关阀门以保证机组设备的安全运行。
当机组正常启动时,系统将按预设的启动曲线维持锅炉出口压力为最佳值,以满足机组启动参数的需要,缩短机组启动时间。
当机组正常运行时,系统跟踪锅炉出口压力,当锅炉出口压力高于允许的变化率或超过压力设定最大值时,将开启阀门,以维持锅炉压力的稳定,且收回工质,达到安全运行和节能的目的。
1.1.1 BPS系统的组成我厂BPS系统采用的设备是瑞士CCI AG/苏尔寿公司制造,其中高旁阀HBSE特点是结构紧凑,并能实现传递压降,温度控制及快速响应,球形体结构可以避免材料集中或壁厚度突变,大大减少了阀门热应力。
HBSETM减温装置有一体化的弹簧负荷的水喷嘴,优化了低压下各种流速的水喷性能。
弹簧负荷的水喷嘴可根据需要改变水流速,获得理想的水滴尺寸,可以进行雾化,可调范围达到50:1;低旁阀NBSE同样能做到准确、高可靠的控制,阀出口有一体化的弹簧负荷水喷嘴减温歧管,使NBSETM的下游减温间距最小,适用于带短管弯头的旁路~凝汽器应用,其结构可以避免材料集中或壁厚度突变,大大减少了阀门热应力,NBSETM减温装置同样能达到HBSETM减温装置的效果。
CCI AG HBSETM NBSETM旁路阀具有符合DIN3230 3级或ANSI/FCI 70-2 V级的关闭性能,可在高压差下长期、反复提供关闭功能。
其高旁阀HBSE、低旁阀NBSE的执行机构、减温水阀均为气动调整。
①控制系统的组成采用MODICON可编程控制器单CPU和相应的I/O模件、阀门定位器和电源装置组成。
立屏上装有触摸屏,实现参数的调整以及运行工况的操作。
汽轮机旁路系统与汽轮机并联的蒸汽减温减压系统。
它的主要作用是:①机组起、停时协调锅炉出口和汽轮机进口的蒸汽参数;②机组起、停或发生事故时保护再热器;③回收工质。
蒸汽旁通整台汽轮机、直接引入凝汽器的系统称为整体旁路;蒸汽旁通高压缸的称为高压旁路;蒸汽旁通中、低压缸的称为中、低压旁路。
常见的旁路系统有3种:①只设整体旁路的称为一级旁路系统,其优点是系统简单、操作方便,适用于再热器不需保护的机组;②设有高压和中、低压旁路的称为两级旁路系统,其优点是调节灵活,能有效地保护再热器,但系统较复杂;③同时设有整体旁路、高压旁路和中、低压旁路的称为三级旁路系统。
这种系统最为复杂,但有利于机组适应负荷变化的要求。
汽轮机旁路系统的其它作用有:两级串联旁路如下简图:(1)在汽机冲转前.建立清洁的汽水循环系统。
设备及管道停运后,启动初期蒸汽会夹杂水分、杂质和颗粒等,比如高压的主蒸汽中往往携带有四氧化三铁(Fe304)硬粒。
对汽轮机的进汽口和叶片等处产生颗粒侵蚀,流速越高、侵蚀就越严重,特别是超超临界机组蒸汽通过进汽口处的压力和流速相对比亚临界和超临界机组蒸汽要高,因此这些固体颗粒对进汽口、叶片的冲蚀也更大,尤其在启动及甩负荷运行时更为突出。
采用旁路系统,能有效防止此类物质进入汽轮机.保证汽机安全。
(2)能使锅炉独立运行,因而减少了大修及主要设备维修以后整个调试时间和缩短试验周期。
(3)对配有安全功能的100%容量的高压旁路三用阀系统.既能在保证汽轮机寿命的前提下缩短启动时间,又能在汽机快速降负荷时取代锅炉安全门的作用,且可实现FCB功能,便于极热态工况下恢复运行和快速升负荷。
(4)满足电网对机组各种负荷的需求,特别当电网要求机组负荷低于锅炉稳定燃烧的负荷时。
汽轮机旁路系统文献综述
沈启杰3100103300
车伟阳3100103007
金涛3100102964
郑忻坝3100103419 摘要:
汽轮机旁路系统在汽轮机整个运行过程当中是比较重要的一个系统,除了高旁、低旁中的减温、减压作用外,还有其他很多重要的功能。
本文通过明确汽轮机旁路系统的定义概述,并阐述旁路系统的具体功能。
重点介绍高压旁路系统和低压旁路系统的结构、控制等。
最后通过两个实例,汽轮机旁路自启动系统APS和FCB工况下的汽机旁路控制系统来进一步研究汽轮机旁路系统。
关键词:旁路系统功能自启动FCB
定义:
中间再热机组设置的与汽轮机并联的蒸汽减压、减温系统。
概述:
汽机旁路系统采用两级气动高、低压串联旁路,利用压缩空气做为执行器的动力源。
可以实现空冷汽轮机的冷态启动、正常停机、最小阀位控制、阀位自动、流量控制以及高、低压旁路快开、快关保护功能。
允许主蒸汽通过高压旁路,经再热冷段蒸汽管道进入锅炉再热器,再通过低压旁路而流入空冷凝汽器,满足空冷凝汽器冬季启动及低负荷时的防冻要求。
通过DEH汽轮机可以实现不带旁路(旁路切除)启动,即高压缸启动方式,又可以实现带旁路(旁路投入)启动,即高、中压缸联合启动方式。
一、旁路系统的作用、功能以及构成
旁路系统的作用有加快启动速度,改善启动条件;保证锅炉最低设备的蒸发量;保护锅炉的再热器;回收工质与消除噪音等。
旁路系统的主要功能又可分为以下四点:
1、调整主蒸汽、再热蒸汽参数,协调蒸汽压力、温度与汽机金属温度的匹配,保证汽轮机各种工况下高中压缸启动方式的要求,缩短机组启动时间。
2、协调机炉间不平衡汽量,旁路调负荷瞬变过程中的过剩蒸汽。
由于锅炉的实际降负
荷速率比汽机小,剩余蒸汽可通过旁路系统排至凝汽器。
使机组能适应频繁起停和快速升降负荷,并将机组压力部件的热应力控制在合适的范围内。
3、在机组启动和甩负荷时,保护再热器不干烧和超温。
4、回收工质,减少噪音。
在机组突然甩负荷(全部或部分负荷)时,旁路快开,回收工质至凝汽器,改变此时锅炉运行的稳定性,减少甚至避免安全门动作。
旁路系统构成:
整个系统包括高压旁路控制阀、高压旁路喷水控制阀、高压旁路喷水隔离阀各一个;低压旁路控制阀、低压旁路喷水控制阀、低压旁路喷水隔离阀各两个;就地温度压力采样系统以及控制系统等。
二、高旁和低旁的结构与控制
高旁阀结构:
高压旁路阀包括阀座、阀盖、阀进口滤网、阀出口滤网、阀体、阀杆、阀头、减温水喷嘴几个主要部件。
高旁阀兼有减温减压、调节、截止的作用。
新蒸汽由上部管道引入阀进口滤网,经阀头至阀出口滤网,蒸汽由于缩放作用而减压,减温水从阀下部减温水喷嘴进入,高温蒸汽被减温后进入阀后连接管道。
低旁阀的结构与高旁阀一样。
高压旁路控制:
高旁阀的执行机构为气动,在失气时,阀门处于关闭状态并自动闭锁。
高旁减温水调节阀根据高旁压力和蒸汽温度进行调节,同时接受低旁开度和主蒸汽压力的修正,在高旁未开的情况下减温水调节阀强关。
低压旁路控制:
低旁阀的执行机构为气动,在失气时,低旁阀处于关闭状态并自动闭锁。
低压旁路最终是将蒸汽排入凝汽器。
但当凝汽器故障时,必须立即切断向凝汽器的排汽,低旁减温水调节阀根据低旁的压力和蒸汽温度进行调节,在低旁未开的情况下减温水调节阀强关。
低旁三级减温器:
减温器装焊在凝汽器喉部的端板上,采用三级减压、一次喷水减温的结构形式。
低旁来的蒸汽经过低旁减压阀后进入三级减温器的管末端开孔区,喷向减温器壳体内,壳体内壁上设有不锈钢防冲蚀挡板。
汽流通过蒸汽管末端开孔区上的多各小孔,进行第一次膨胀减压到0.3MPa。
在壳体内壁烟圆周方向均布设有4个雾化喷嘴,从凝结水来的减温水雾化后与蒸
汽充分混合汽化达到减温的目的;蒸汽继续通过锥形体喷网上的数个小孔,进行第二次膨胀减压到0.1MPa,同时蒸汽扩散到减温器的后部区域;最后蒸汽通过分布在壳体和封头上的小孔进行第三次膨胀降压到0.047MPa,使蒸汽最终扩散到整个凝汽器区域。
三、旁路系统运行实例
汽机旁路自启动系统,简称APS( Automatic Power Plant Start Up And Shutdown)。
旁路自启动系统可以很好地体现汽机中缸启动速度快、寿命损耗小及降噪节能等优越性。
在启动方式优化和整机自动化水平提高方面具有一定意义。
其主要操作过程分为以下四个步骤:
1、点火初期旁路控制:
锅炉点火初期由于炉侧空气门开启,现场启动中发现过早投运旁路,一定程度会影响凝器真空;而过晚投运旁路,又会使管路汽水相击强烈振动、延缓机组启动速度及噪声扰民等问题。
所以,当汽包压力>0. 2 MPa时,APS调用旁路暖管功能组,自动完成开启高低旁截止阀、将高低旁压力调节阀置位、设定高低旁温度调节阀定值并投自动等任务,实现旁路随炉暖管。
APS 将旁路投运时机选在汽包压力>1 MPa 进行,此时APS 通过调用旁路投运功能组,完成投入高旁压力调节阀自动、低旁压力调节阀置位、关炉侧向空排汽门等任务。
2、锅炉升温升压过程旁路自动控制:
旁路系统可以根据汽轮机冷态、温态、热态、极热态4种启动方式自动控制合适冲转参数,这样可以在汽轮机冲转期间将金属温差、差胀以及寿命损耗控制在允许范围之内,以确保汽轮机安全、经济、快速启动。
旁路系统从开始投运到汽机冲转期间,压力控制采用定—滑—定方式。
旁路投运功能组启动后,自动设定高旁压力定值为1MPa,随着锅炉燃料量的增加,高旁定压控制使得调节阀指令逐渐开大。
升温升压过程中,安全、经济启动及控制冲转参数至需求值,是旁路系统自动控制的目标,期间旁路控制策略从锅炉金属安全性方面也做了相应的考虑及超弛保护。
3、汽机冲转过程旁路控制:
在汽机冲转阶段,高旁采用定压方式,维持冲转压力,而低旁有一个降压过程,主要目的是保证2 900 r /min TV/GV 切换成功和并网后高排逆止门顺利打开。
若在此种方式下发生汽机跳闸,重新挂闸后,根据当时机组转速判断自动控制方式,在0 ~600 r /min 之间挂
闸时,进入中压缸启动方式; 在600 ~2 900 r /min 挂闸时,自动进入高中压联合启动方式,由TV -IV 联合控制;在2 900 r /min 以上不进行挂闸。
当汽轮机达到同步转速时,ATC 转速控制阶段到此结束,A TC 方式自动切至监视状态。
4、并网后旁路控制:
在机组并网后,APS 调用旁路退出功能组,完成下列任务:锅炉增加燃料、DEH 增负荷指令促使中调门( IV) 全开、按一定速率将高旁压力控制阀关闭、检查高排逆止门脱离关位且冷再压力低于0. 5MPa 时自动联关VV 阀、关闭高旁隔绝门、按一定速率关闭低旁压力控制阀及截止阀。
机组安全、经济、快速启动一定程度上反映了运行人员操作能力和机组控制系统自动化水平,实现旁路全程自动控制和优化机组启动方式,可以缓解运行人员启动时刻的劳动强度,提高了自动化控制水平,节能降噪,是个非常不错的运行方式。
另外介绍FCB工况下的汽机旁路控制系统。
FCB是Fast Cut Back的简称,也叫孤岛运行,指发电厂的机组快速切负荷。
近年来,世界各国都加强了对电力系统可靠性的研究,加紧制定应对大面积停电的各种措施。
除加强电网建设外,发电厂的FCB功能建设已越来越受到重视。
机组正常运行过程中,旁路阀应当关闭,若旁路投用热备用时,一旦主汽、再热汽压力超过设计的定值时,旁路阀会自动开启,旁路掉部分蒸汽流量。
高旁压力控制。
高旁压力控制系统包括两个方面的内容:即压力自动调节和压力定值形成回路。
低压旁路控制。
低旁压力控制的设定值是根据速度级压力折算出来的一根曲线经大选再经加法器,当高旁全关后加上0.49MPa得到。
并且低旁压力设定值最低为1.2MPa,这就是冲转时低旁要求的压力。
FCB功能(孤岛运行)是对机组设备、运行技术和控制性能的重大挑战,是火电机组最难实现的功能之一。
汽机旁路系统作为锅炉、汽机的减温减压器,其控制功能和性能是FCB成功的关键。
结语:
汽机运行是一个非常复杂的过程,但是将汽机各个系统了解清楚,就可以很好地清楚汽机的整个运行过程。
旁路系统虽小,但作用巨大。
对汽轮机安全有效运行有很好的辅助作用,而且还有很多功能并未开发,通过与控制系统联合操作可以达到自动控制效果,减轻从业人员的负担,也有利于汽轮机正常运行。
【1】《370MW汽轮机组和旁路全程自启动方案及应用》陆相东、董林《电子科学与工程》2012-03-28期刊70、71、72、73、74、75页
【2】《基于FCB工况的中容量汽机旁路控制系统》章振云、黄卫剑《信息系统工程》2012-07-20期刊42、43、69页
【3】《超临界机组汽轮机旁路控制技术》武志玲、李富云、崔海波《云南电力技术》2012-02-15期刊68、69页
【4】《300MW直流炉机组高低压旁路控制系统优化和改进》郑伟《电力建设》2012-06-01期刊71、72、73、74页。