产品尺寸表格大全(17个doc)14
- 格式:doc
- 大小:211.00 KB
- 文档页数:2
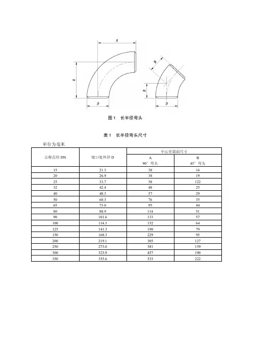
图1长半径弯头表1长半径弯头尺寸单位为毫米公称直径DN坡口处外径D中心至端面尺寸A90°弯头B45°弯头1521.33816 2026.93819 2533.738122 3242.44825 4048.35729 5060.37635 6573.09544 8088.911451 90101.613357 100114.315264 125141.319079 150168.322995 200219.1305127 250273.0381159 300323.9457190 350355.6533222公称直径DN端部外径D中心至端面尺寸A90°弯头B45°弯头400406.4610254 450457686286 500508762318 550559838343 600610914381 650660991406 7007111067442 7507621143470 8008131219505 8508641295533 9009141372565 9509651448600 100010161524632 105010671600660 110011181676695 115011681753727 120012191829759图2短半径弯头表2短半径弯头尺寸单位为毫米公称直径DN坡口处外径D中心至端面尺寸A 2533.7253242.4324048.3385060.3516573.0648088.97690101.689100114.3102125141.3127150168.3152200219.1203250273.0254300323.9305350355.6356公称直径DN端部外径D中心至端面尺寸A90°弯头B45°弯头400406.4406168 450457457189 500508508210 550559559232 600610610253 650660660274 700711711295 750762762316 800813813378 850864864358 900914914379 950965--100010161016421 105010671067442 110011********* 11501168--120012*********图3R=3D弯头表3R=3D弯头尺寸单位为毫米公称直径DN端部外径D中心至端面尺寸A90°弯头60°弯头45°弯头30°弯头400406.41219703505327 450457137279256836750050815248796324085505591676968694449600610182910577574906506601981114382153070071121341232884572750762228613219466118008132438140810106548508642591149710736959009142743158611357359509652896167312007761000101630481759126481810501067320018481326857110011183353193713898991150116835052024145394012001219365821131516981图4等径三通表4等径三通尺寸单位为毫米公称直径DN坡口处外径D1、D2中心至端面尺寸C M1521.32525 2026.92929 2533.73838 3242.44848 4048.35757 5060.36464 6573.07676 8088.98686 90101.69595 100114.3105105 125141.3124124 150168.3143143 200219.1178178 250273.0216216 300323.9254254 350355.6279279公称直径DN端部外径D1、D2中心至端面尺寸C M400406.4305305 450457343343 500508381381 550559419419 600610432432 650660495495700711521521 750762559559 800813597597 850864635635 900914673673 950965711711 10001016749749 10501067762711 11001118813762 11501168851800 12001219889838图5异径三通表5异径三通尺寸单位为毫米公称直径DN坡口处外径中心至端面尺寸D1D2管程C出口M15×15×1021.317.32525 15×15×821.313.72525 20×20×1526.921.32929 20×20×1026.917.32929 25×25×2033.726.93838 25×25×1533.721.33838 32×32×2542.433.74848 32×32×2042.426.94848 32×32×1542.421.34848 40×40×3248.342.45757 40×40×2548.333.75757 40×40×2048.326.95757 40×40×1548.321.35757 50×50×4060.348.36460 50×50×3260.342.46457 50×50×2560.333.76451 50×50×2060.326.96444 65×65×5073.060.37670 65×65×4073.048.37667 65×65×3273.042.47664 65×65×2573.033.77657 80×80×6588.973.08683 80×80×5088.960.38676 80×80×4088.948.38673 80×80×3288.942.48670 90×90×80101.688.99592公称直径DN坡口处外径中心至端面尺寸D1D2管程C出口M90×90×65101.673.09589 90×90×50101.660.39583 90×90×40101.648.39579 100×100×90114.3101.6105102 100×100×80114.388.910598 100×100×65114.373.010595 100×100×50114.360.310589 100×100×40114.348.310586 125×125×100141.3114.3124117 125×125×90141.3101.6124114 125×125×80141.388.9124111 125×125×65141.373.0124108 125×125×50141.360.3124105 150×150×125168.3141.3143137 150×150×100168.3114.3143130 150×150×90168.3101.6143127 150×150×80168.388.9143124 150×150×65168.373.0143121 200×200×150219.1168.3178168 200×200×125219.1141.3178162 200×200×100219.1114.3178156 200×200×90219.1101.6178152 250×250×200273.0219.1216203 250×250×150273.0168.3216194 250×250×125273.0141.3216191 250×250×100273.0114.3216184 300×300×250323.9273.0254241 300×300×200323.9219.1254229 300×300×150323.9168.3254219 300×300×125323.9141.3254216 350×350×300355.6323.9279270 350×350×250355.6273.0279257 350×350×200355.6219.1279248 350×350×150355.6168.3279238公称直径DN端部外径中心至端面尺寸D1D2C M400×400×350406.4355.6305305 400×400×300406.4323.9305295 400×400×250406.4273305283 400×400×200406.4219.1305273 400×400×150406.4168.3305264450×450×400457406.4343330 450×450×350457355.6343330 450×450×300457323.9343321 450×450×250457273343308 450×450×200457219.1343298 500×500×450508457381368 500×500×400508406.4381356 500×500×350508355.6381356 500×500×300508323.9381346 500×500×250508273381333 500×500×200508219.1381324 550×550×500559508419406 550×550×450559457419394 550×550×400559406.4419381 550×550×350559355.6419381 550×550×300559323.9419371 550×550×250559273419359 600×600×550610559432432 600×600×500610508432432 600×600×450610457432419 600×600×400610406.4432406公称直径DN端部外径中心至端面尺寸D1D2C M600×600×350610355.6432406 600×600×300610323.9432397 600×600×250610273432384 650×650×600660610495483 650×650×550660559495470 650×650×500660508495457 650×650×450660457495445 650×650×400660406.4495432 650×650×350660355.6495432 650×650×300660323.9495422 700×700×650711********* 700×700×600711610521508 700×700×550711559521495 700×700×500711508521483 700×700×450711457521470 700×700×400711406.4521457 700×700×350711355.6521457700×700×300711323.9521448 750×750×700762711559546 750×750×650762660559546 750×750×600762610559533 750×750×550762559559521 750×750×500762508559508 750×750×450762457559495 750×750×400762406.4559483 750×750×350762355.6559483 750×750×300762323.9559473 750×750×250762273559460 800×800×750813762597584 800×800×700813711597572 800×800×650813660597572 800×800×600813610597559 800×800×550813559597546 800×800×500813508597533 800×800×450813457597521 800×800×400813406.4597508 800×800×350813355.6597508 850×850×800864813635622 850×850×750864762635610 850×850×650864660635597公称直径DN端部外径中心至端面尺寸D1D2C M850×850×600864610635584 850×850×550864559635572 850×850×500864508635559 850×850×450864457635546 850×850×400864406.4635533 900×900×850914864673660 900×900×800914813673645 900×900×750914762673635 900×900×700914711673622 900×900×650914660673622 900×900×600914610673610 900×900×550914559673597 900×900×500914508673584 900×900×450914457673572 900×900×400914406.4673559950×950×900965914711711 950×950×850965864711699 950×950×800965813711686 950×950×750965762711673 950×950×700965711711648 950×950×650965********* 950×950×600965610711635 950×950×550965559711622 950×950×500965508711610 950×950×450965457711597 1000×1000×9501016965749749 1000×1000×9001016914749737 1000×1000×8501016864749724 1000×1000×8001016813749711 1000×1000×7501016762749699 1000×1000×7001016711749693 1000×1000×6501016660749673 1000×1000×6001016610749660 1000×1000×5501016559749648 1000×1000×5001016508749635 1000×1000×4501016457749622 1050×1050×100010671016762711 1050×1050×9501067965762711 1050×1050×9001067914762711 1050×1050×8501067864762711公称直径DN端部外径中心至端面尺寸D1D2C M1050×1050×8001067813762711 1050×1050×7501067762762711 1050×1050×7001067711762699 1050×1050×6501067660762699 1050×1050×6001067610762660 1050×1050×5501067559762660 1050×1050×5001067508762660 1050×1050×4501067457762648 1050×1050×4001067406.4762635 1100×1100×105011181067813762 1100×1100×100011181016813749 1100×1100×9501118965813737 1100×1100×90011189148137241100×1100×8501118864813724 1100×1100×8001118813813711 1100×1100×7501118762813711 1100×1100×7001118711813699 1100×1100×6501118660813699 1100×1100×6001118610813699 1100×1100×5501118559813686 1100×1100×5001118508813686 1150×1150×110011681118851800 1150×1150×105011681067851787 1150×1150×100011681016851775 1150×1150×9501168965851762 1150×1150×9001168914851762 1150×1150×8501168864851749 1150×1150×8001168813851749 1150×1150×7501168762851737 1150×1150×7001168711851737 1150×1150×6501168660851737 1150×1150×6001168610851724 1150×1150×5501168559851724 1200×1200×115012191168889838 1200×1200×110012191118889838 1200×1200×105012191067889813 1200×1200×100012191016889813 1200×1200×9501219965889813 1200×1200×9001219914889787 1200×1200×8501219864889787公称直径DN端部外径中心至端面尺寸D1D2C M1200×1200×8001219813889787 1200×1200×7501219762889762 1200×1200×7001219711889762 1200×1200×6501219660889762 1200×1200×6001219610889737 1200×1200×5501219559889737图6管帽表6管帽尺寸a 单位为毫米公称直径DN坡口处外径D背面至端面尺寸E E1b1521.325252026.925252533.738383242.438384048.338385060.338446573.038518088.9516490101.66476100114.36476125141.37689150168.389102200219.1102127250273.0127152300323.9152178350355.6165191 a管帽应为椭圆形,椭圆内短半轴的长度不应小于管帽内径的1/4。
图1长半径弯头表1长半径弯头尺寸单位为毫米公称直径DN坡口处外径D中心至端面尺寸A90°弯头B45°弯头1521.33816 2026.93819 2533.738122 3242.44825 4048.35729 5060.37635 6573.09544 8088.911451 90101.613357 100114.315264 125141.319079 150168.322995 200219.1305127 250273.0381159 300323.9457190 350355.6533222公称直径DN端部外径D中心至端面尺寸A90°弯头B45°弯头400406.4610254 450457686286 500508762318 550559838343 600610914381 650660991406 7007111067442 7507621143470 8008131219505 8508641295533 9009141372565 9509651448600 100010161524632 105010671600660 110011181676695 115011681753727 120012191829759图2短半径弯头表2短半径弯头尺寸单位为毫米公称直径DN坡口处外径D中心至端面尺寸A 2533.7253242.4324048.3385060.3516573.0648088.97690101.689100114.3102125141.3127150168.3152200219.1203250273.0254300323.9305350355.6356公称直径DN端部外径D中心至端面尺寸A90°弯头B45°弯头400406.4406168 450457457189 500508508210 550559559232 600610610253 650660660274 700711711295 750762762316 800813813378 850864864358 900914914379 950965--100010161016421 105010671067442 110011********* 11501168--120012*********图3R=3D弯头表3R=3D弯头尺寸单位为毫米公称直径DN端部外径D中心至端面尺寸A90°弯头60°弯头45°弯头30°弯头400406.41219703505327 450457137279256836750050815248796324085505591676968694449600610182910577574906506601981114382153070071121341232884572750762228613219466118008132438140810106548508642591149710736959009142743158611357359509652896167312007761000101630481759126481810501067320018481326857110011183353193713898991150116835052024145394012001219365821131516981图4等径三通表4等径三通尺寸单位为毫米公称直径DN坡口处外径D1、D2中心至端面尺寸C M1521.32525 2026.92929 2533.73838 3242.44848 4048.35757 5060.36464 6573.07676 8088.98686 90101.69595 100114.3105105 125141.3124124 150168.3143143 200219.1178178 250273.0216216 300323.9254254 350355.6279279公称直径DN端部外径D1、D2中心至端面尺寸C M400406.4305305 450457343343 500508381381 550559419419 600610432432 650660495495700711521521 750762559559 800813597597 850864635635 900914673673 950965711711 10001016749749 10501067762711 11001118813762 11501168851800 12001219889838图5异径三通表5异径三通尺寸单位为毫米公称直径DN坡口处外径中心至端面尺寸D1D2管程C出口M15×15×1021.317.32525 15×15×821.313.72525 20×20×1526.921.32929 20×20×1026.917.32929 25×25×2033.726.93838 25×25×1533.721.33838 32×32×2542.433.74848 32×32×2042.426.94848 32×32×1542.421.34848 40×40×3248.342.45757 40×40×2548.333.75757 40×40×2048.326.95757 40×40×1548.321.35757 50×50×4060.348.36460 50×50×3260.342.46457 50×50×2560.333.76451 50×50×2060.326.96444 65×65×5073.060.37670 65×65×4073.048.37667 65×65×3273.042.47664 65×65×2573.033.77657 80×80×6588.973.08683 80×80×5088.960.38676 80×80×4088.948.38673 80×80×3288.942.48670 90×90×80101.688.99592公称直径DN坡口处外径中心至端面尺寸D1D2管程C出口M90×90×65101.673.09589 90×90×50101.660.39583 90×90×40101.648.39579 100×100×90114.3101.6105102 100×100×80114.388.910598 100×100×65114.373.010595 100×100×50114.360.310589 100×100×40114.348.310586 125×125×100141.3114.3124117 125×125×90141.3101.6124114 125×125×80141.388.9124111 125×125×65141.373.0124108 125×125×50141.360.3124105 150×150×125168.3141.3143137 150×150×100168.3114.3143130 150×150×90168.3101.6143127 150×150×80168.388.9143124 150×150×65168.373.0143121 200×200×150219.1168.3178168 200×200×125219.1141.3178162 200×200×100219.1114.3178156 200×200×90219.1101.6178152 250×250×200273.0219.1216203 250×250×150273.0168.3216194 250×250×125273.0141.3216191 250×250×100273.0114.3216184 300×300×250323.9273.0254241 300×300×200323.9219.1254229 300×300×150323.9168.3254219 300×300×125323.9141.3254216 350×350×300355.6323.9279270 350×350×250355.6273.0279257 350×350×200355.6219.1279248 350×350×150355.6168.3279238公称直径DN端部外径中心至端面尺寸D1D2C M400×400×350406.4355.6305305 400×400×300406.4323.9305295 400×400×250406.4273305283 400×400×200406.4219.1305273 400×400×150406.4168.3305264450×450×400457406.4343330 450×450×350457355.6343330 450×450×300457323.9343321 450×450×250457273343308 450×450×200457219.1343298 500×500×450508457381368 500×500×400508406.4381356 500×500×350508355.6381356 500×500×300508323.9381346 500×500×250508273381333 500×500×200508219.1381324 550×550×500559508419406 550×550×450559457419394 550×550×400559406.4419381 550×550×350559355.6419381 550×550×300559323.9419371 550×550×250559273419359 600×600×550610559432432 600×600×500610508432432 600×600×450610457432419 600×600×400610406.4432406公称直径DN端部外径中心至端面尺寸D1D2C M600×600×350610355.6432406 600×600×300610323.9432397 600×600×250610273432384 650×650×600660610495483 650×650×550660559495470 650×650×500660508495457 650×650×450660457495445 650×650×400660406.4495432 650×650×350660355.6495432 650×650×300660323.9495422 700×700×650711********* 700×700×600711610521508 700×700×550711559521495 700×700×500711508521483 700×700×450711457521470 700×700×400711406.4521457 700×700×350711355.6521457700×700×300711323.9521448 750×750×700762711559546 750×750×650762660559546 750×750×600762610559533 750×750×550762559559521 750×750×500762508559508 750×750×450762457559495 750×750×400762406.4559483 750×750×350762355.6559483 750×750×300762323.9559473 750×750×250762273559460 800×800×750813762597584 800×800×700813711597572 800×800×650813660597572 800×800×600813610597559 800×800×550813559597546 800×800×500813508597533 800×800×450813457597521 800×800×400813406.4597508 800×800×350813355.6597508 850×850×800864813635622 850×850×750864762635610 850×850×650864660635597公称直径DN端部外径中心至端面尺寸D1D2C M850×850×600864610635584 850×850×550864559635572 850×850×500864508635559 850×850×450864457635546 850×850×400864406.4635533 900×900×850914864673660 900×900×800914813673645 900×900×750914762673635 900×900×700914711673622 900×900×650914660673622 900×900×600914610673610 900×900×550914559673597 900×900×500914508673584 900×900×450914457673572 900×900×400914406.4673559950×950×900965914711711 950×950×850965864711699 950×950×800965813711686 950×950×750965762711673 950×950×700965711711648 950×950×650965********* 950×950×600965610711635 950×950×550965559711622 950×950×500965508711610 950×950×450965457711597 1000×1000×9501016965749749 1000×1000×9001016914749737 1000×1000×8501016864749724 1000×1000×8001016813749711 1000×1000×7501016762749699 1000×1000×7001016711749693 1000×1000×6501016660749673 1000×1000×6001016610749660 1000×1000×5501016559749648 1000×1000×5001016508749635 1000×1000×4501016457749622 1050×1050×100010671016762711 1050×1050×9501067965762711 1050×1050×9001067914762711 1050×1050×8501067864762711公称直径DN端部外径中心至端面尺寸D1D2C M1050×1050×8001067813762711 1050×1050×7501067762762711 1050×1050×7001067711762699 1050×1050×6501067660762699 1050×1050×6001067610762660 1050×1050×5501067559762660 1050×1050×5001067508762660 1050×1050×4501067457762648 1050×1050×4001067406.4762635 1100×1100×105011181067813762 1100×1100×100011181016813749 1100×1100×9501118965813737 1100×1100×90011189148137241100×1100×8501118864813724 1100×1100×8001118813813711 1100×1100×7501118762813711 1100×1100×7001118711813699 1100×1100×6501118660813699 1100×1100×6001118610813699 1100×1100×5501118559813686 1100×1100×5001118508813686 1150×1150×110011681118851800 1150×1150×105011681067851787 1150×1150×100011681016851775 1150×1150×9501168965851762 1150×1150×9001168914851762 1150×1150×8501168864851749 1150×1150×8001168813851749 1150×1150×7501168762851737 1150×1150×7001168711851737 1150×1150×6501168660851737 1150×1150×6001168610851724 1150×1150×5501168559851724 1200×1200×115012191168889838 1200×1200×110012191118889838 1200×1200×105012191067889813 1200×1200×100012191016889813 1200×1200×9501219965889813 1200×1200×9001219914889787 1200×1200×8501219864889787公称直径DN端部外径中心至端面尺寸D1D2C M1200×1200×8001219813889787 1200×1200×7501219762889762 1200×1200×7001219711889762 1200×1200×6501219660889762 1200×1200×6001219610889737 1200×1200×5501219559889737图6管帽表6管帽尺寸a 单位为毫米公称直径DN坡口处外径D背面至端面尺寸E E1b1521.325252026.925252533.738383242.438384048.338385060.338446573.038518088.9516490101.66476100114.36476125141.37689150168.389102200219.1102127250273.0127152300323.9152178350355.6165191 a管帽应为椭圆形,椭圆内短半轴的长度不应小于管帽内径的1/4。
8x8相册花边水晶册:内页40.6x20.3 封面是22x22
8x8简艺皮册内页40.6x20.3 封面:9*9
8x8迪奥相册内页40.6x20.3 封面是12x12
10x10迪奥相册50.8x 25.4 封面是17x17
10x10花边水晶内页25*25 封面是26*26 米娜相册50.8x 25.4 封面:25.5x25.5
卡哇伊内页50x25 封面12x22
8x8贝壳册40..6x20.3 封面大8x8厘米小6x6 2个
24寸片:50.8x60.9 10寸片:20.3x25.4
7寸12.7x17.8
7寸黄色小熊欧式木画架横片(统一7寸横片)3+1组合框3+1大竖片30*40
3+1小竖片12x14
6+1组合框6+1大横片:30.5x40.5
6+1竖:12x13.5
8+1组合框8+1大25 *30
8+1小12x12
4+1组合4+1大竖30.5x40.5
4+1 方12x12
韩粉3+1 3+1大方49*49
3+1小竖片12x14
六圆: 六圆大:23x23
六圆中18x18
六圆小13x13 双联大韩竖版14*19
双面摆台、:12.7*17.8
六孔大韩:24x37
六孔大韩小:15.5x15.5
16寸30x40
12寸25.4x30.5
10寸太阳花花蝶版画20.3x25.4
10寸木画架横片20.3x25.4
10寸木纹都是竖片
双联大韩14x19 2个
木纹3+1大44.6x30
木纹小:14*14
钥匙扣:3.5*2.7。
各种产品印刷尺寸+各种印刷尺寸一览表印刷纸张尺寸列表印刷纸张尺寸对比表大度正度大全张1000mm×1400mm小全张890mm×1260mm大对开720mm×1020mm全开1193×889mm 870x1100 1092×787mm 对开863×584mm760×520mm 3开863×384mm760×358mm 丁三开443×745mm390×700mm 4开584×430mm520×380mm 6开430×380mm380×350mm 8开430×285mm380×260mm 12开290×275mm260×250mm 16开285×210mm260×185mm 24开180×205cm170×180mm 32开210×136mm184×127mm 36开130×180mm115×170mm 48开95×180mm85×260mm64开136×98mm85×125mm名片90*54mm折卡90*95/90*108MM成品尺寸=纸张尺寸-修边尺寸德国罗兰四色机,它的规格、型号、印刷尺寸是:大对开 720mm×1020mm小全张 890mm×1260mm大全张 1000mm×1400mm常用印刷纸张的开法虽然ISO的标准是将纸张划分为A、B、C三种开本,但是目前国内基本上还是采用787mm×1092 mm的老规格(正度纸张)。
由于要除去印刷机咬口,所以实际的可印刷幅面是780mm×1080mm左右。
常用印刷纸张的开法和可印刷面积表:开法可印刷面积实际纸张大小全开 780x1080mm 787x1092mm2开 540x780mm 546x787mm3开 360x780mm 364x787mm4开 390x540mm 393x546mm6开 360x390mm 364x393mm8开 260x390mm 273x393mm9开 260x360mm 262x364mm12开 360x195mm 364x196mm16开 195x270mm 196x273mm18开 180x260mm 182x262mm24开 180x195mm 182x196mm32开 195x135mm 196x136mm48开 95x195mm 98x196mm64开 135x95mm 136x98mm这里要注意一下,纸张一般有两种开法——两开法和三开法。
家具基本尺寸查询表一、家具的基本尺寸(单位:厘米)(1)衣橱:深度:一般60~65;推拉门:70,衣橱门宽度:40~65(2)推拉门:75~150,高度:190~240(3)矮柜:深度:35~45,柜门宽度:30-60(4)电视柜:深度:45-60,高度:60-70(5)单人床:宽度:90,105,120;长度:180,186,200,210(6)双人床:宽度:135,150,180;长度180,186,200,210(7)圆床:直径:186,212.5,242.4(常用)(8)室内门:宽度:80-95,医院120;高度:190,200,210,220,240(9)厕所、厨房门:宽度:80,90;高度:190,200,210(10)窗帘盒:高度:12-18;深度:单层布12;双层布16-18(实际尺寸)(11)沙发:单人式:长度:80-95,深度:85-90;坐垫高:35-42;背高:70-90(12)双人式:长度:126-150;深度:80-90(13)三人式:长度:175-196;深度:80-90(14)四人式:长度:232-252;深度80-90(15)茶几:小型,长方形:长度60-75,宽度45-60,高度38-50(38最佳)中型,长方形:长度120-135;宽度38-50或者60-75正方形:长度75-90,高度43-50大型,长方形:长度150-180,宽度60-80,高度33-42(33最佳)圆形:直径75,90,105,120;高度:33-42方形:宽度90,105,120,135,150;高度33-42(16)书桌:固定式:深度45-70(60最佳),高度75活动式:深度65-80,高度75-78书桌下缘离地至少58;长度:最少90(150-180最佳)(17)餐桌:高度75-78(一般),西式高度68-72,一般方桌宽度120,90,75;长方桌宽度80,90,105,120;长度150,165,180,210,240圆桌:直径90,120,135,150,180(18)书架:深度25-40(每一格),长度:60-120;下大上小型下方深度35-45,高度80-90(19)活动未及顶高柜:深度45,高度180-200(20)高隔间墙厚:6-10;内角材排距:长度(45-60)*90二、室内常用尺寸:1、墙面尺寸(1)踢脚板高;80—200mm。
产品尺寸表
本厂型号客户
客户型号
审核制表
制度是以执行力为保障的。
“制度”之所以可以对个人行为起到约束的作用,是以有效的执行力为前提的,即有强制力保证其执行和实施,否则制度的约束力将无从实现,对人们的行为也将起不到任何的规范作用。
只有通过执行的过程制度才成为现实的制度,就像是一把标尺,如果没有被用来划
线、测量,它将无异于普通的木条或钢板,只能是可能性的标尺,而不是现实的标尺。
制度亦并非单纯的规则条文,规则条文是死板的,静态的,而制度是对人们的行为发生作用的,动态的,而且是操作灵活,时常变化的。
是执行力将规则条文由静态转变为了动态,赋予了其能动性,使其在执行中得以实现其约束作用,证明了自己的规范、调节能力,从而得以被人们遵守,才真正成为了制度。
“制度”。
是在通过其执行力对人们的行为起到规范作用的时候才成为制度的,使其从纸面、文字或是人们的语言中升腾出来,成为社会生活中人们身边不停发生作用的无形锁链,约束、指引着我们的行为和尺度。
无论是正式制度还是非正式制度都须有其执行力,只不过差别在于正式制度的执行力由国家、法庭、军队等来保障,而非正式制度的执行力则是由社会舆论、意识形态等来保障的。
在笔者看来,认清制度所具有的执行力是剖析制度本质的首要条件。
产品规格表格word模板产品规格表格Word模板
1. 简介
本文档旨在为您提供一个产品规格表格的Word模板,以便您能够方便地记录和组织产品的详细规格信息。
2. 使用说明
为了使用这个Word模板,您只需要按照以下步骤操作:
2. 打开Word文档,并导入模板文件。
3. 在模板中填写产品的规格信息。
4. 保存并打印表格,或者将其导出为PDF格式。
3. 表格结构
该模板表格包含以下列,您可以根据实际情况自行调整或添加列:
- 产品名称:填写产品的名称或型号。
- 规格:记录产品的详细规格信息,如尺寸、重量、颜色等。
- 功能:描述产品的功能特点。
- 用途:说明产品的使用场景或目的。
- 价格:填写产品的价格信息。
- 库存:记录产品的库存数量。
4. 注意事项
在使用该模板时,请注意以下几点:
- 请确保填写的信息准确无误,并及时更新。
- 如有需要,可以根据实际情况进行扩展和调整。
- 请勿删除或修改模板中的格式和样式。
5. 总结
使用这个产品规格表格的Word模板,您可以方便地记录和管
理产品的详细规格信息,有助于提高工作效率和组织管理的便捷性。
如果您有任何问题或建议,请随时与我们联系。