库房标牌样式
- 格式:doc
- 大小:36.50 KB
- 文档页数:2
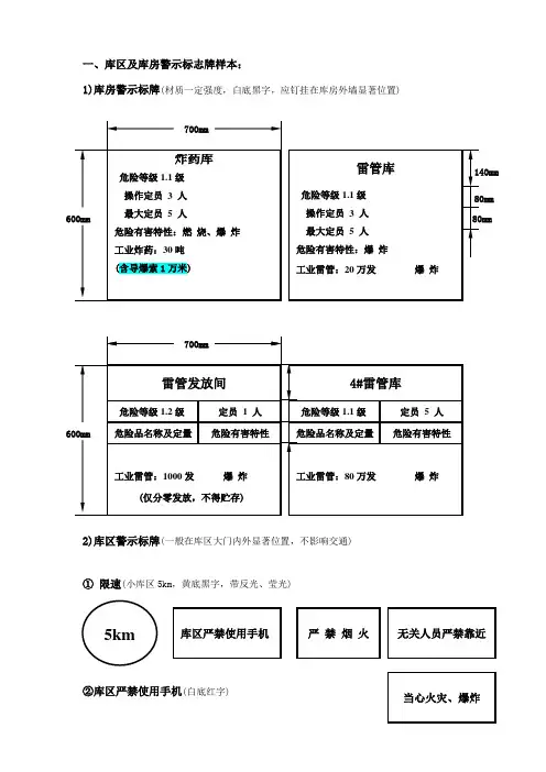
一、库区及库房警示标志牌样本:
1)库房警示标牌(材质一定强度,白底黑字,应钉挂在库房外墙显著位置)
2)库区警示标牌(一般在库区大门内外显著位置,不影响交通)
① 限速(小库区5km ,黄底黑字,带反光、莹光) ②库区严禁使用手机(白底红字)
③严禁烟火(白底红字,库区大门口,各库房外墙) ④无关人员严禁进入
⑤当心火灾、爆炸(白底红字,库区四面围墙上
⑥当心溺水(白底红字,消防水池附近)
⑦雷雨时严禁靠近(白底红字,避雷塔上) ⑧岗哨(白底红字,门岗外墙) ⑨值班室(白底红字,值班室外墙)
二、库房定置管理
(可用塑胶纸喷涂或打印装镜框,大小以A3版面,贴挂在库房内墙显著位置,地面按图划黄色/红色油漆线或粘贴线,危险品按定置摆放,另四面内墙划堆码限高线):
1)库房定置图(样本)
1#工业炸药库定置管理图
2)库房定置限高线(样本) 3)温湿度计及检测记录(钉挂库房内墙)
1.8m 1.6m (炸药类) (雷管类
)。
仓库管理制度标牌第一章总则第一条为了规范仓库管理工作,加强对仓库管理人员的管理,提高仓库管理效率,保障仓库物资的安全和完整,特制定本标牌。
第二条本标牌适用于所有仓库,涉及仓储管理的部门和人员必须遵守。
第三条仓库管理人员应当认真学习并遵守本标牌规定,做到守法、守规、守纪律、守秩序,加强对仓库物资的保管和管理。
第二章仓库管理规定第四条仓库管理人员应当按照规定穿着工作服,佩戴工作牌。
第五条仓库管理人员应当经过专门的培训并取得相关资格证书方可从事仓库管理工作。
第六条仓库管理人员应当认真履行职责,做好仓库出入库登记、清点、统计等工作。
第七条仓库管理人员应当严格按照工作要求进行货物装卸、搬运、堆放等作业,保证货物不受损坏。
第八条仓库管理人员应当对库房进行定期巡检,及时发现并解决问题,确保仓库环境整洁、安全。
第九条仓库管理人员应当定期清点库存,做好物资的整理和分类,确保库存信息真实准确。
第十条仓库管理人员在处理仓库物资时,应当细心、谨慎、勤奋,杜绝违规操作、浪费、损坏等行为。
第十一条仓库管理人员应当严格遵守规章制度,不得私自调拨、挪用、盗窃仓库物资。
第十二条仓库管理人员应当确保仓库设施设备的正常运转和维护,及时报修处理故障。
第十三条仓库管理人员应当保密工作信息,不得泄露仓库物资的相关信息。
第三章仓库安全管理规定第十四条仓库管理人员应当熟悉并严格执行《仓库安全操作规程》,做好仓库安全管理工作。
第十五条仓库管理人员应当认真学习和掌握防火、防盗、防爆等安全知识,加强安全防范意识,做到防患于未然。
第十六条仓库管理人员应当定期检查仓库的消防设施、报警器材等安全设施的完好性,发现问题及时处理。
第十七条仓库管理人员应当加强对危险品、易燃易爆品等特种物资的管理,严格遵守相关规定,确保安全生产。
第十八条仓库管理人员应当认真履行值班交接,做好交接班记录,并向下一班次传达必要信息,确保安全生产。
第四章仓库日常管理规定第十九条仓库管理人员应当遵守工作纪律,不得在工作时间内打瞌睡、聊天打闹等影响工作效率的行为。
应急库房标识牌是指在应急物资库房中,用于标识库房名称、存放物资种类、数量、位置及相关安全警示信息等的标识牌。
应急库房标识牌是应急物资管理工作中不可缺少的一部分,它具有重要的意义和价值。
一、应急库房标识牌的重要性1. 库房名称标识应急库房标识牌可以标识库房的名称,方便工作人员和管理人员进行辨识和使用。
库房名称标识牌应该简洁明了,易于识别,避免出现混淆的情况。
2. 物资种类及数量标识应急库房标识牌可以标识库房存放的物资种类和数量,以便于工作人员和管理人员快速查找所需物品,并在使用前进行检查和核对。
同时,物资种类及数量标识牌也能够帮助库房管理人员及时补充不足的物资,确保物资储备的充足性。
3. 库房位置标识应急库房标识牌可以标识库房的位置,方便工作人员和管理人员快速找到库房。
同时,库房位置标识牌还可以帮助相关部门制定应急救援计划时快速定位库房位置,提高应急管理效率。
4. 相关安全警示信息标识应急库房标识牌还可以标识库房内的相关安全警示信息,如物资储存要求、操作规程等,以确保工作人员和管理人员在使用物资时能够遵循相关的安全操作规程,避免发生意外事故。
二、应急库房标识牌的设计与制作1. 标识牌尺寸应急库房标识牌应根据库房大小及物资种类数量来确定标识牌尺寸。
一般而言,标识牌尺寸应该越大越好,以便于工作人员和管理人员远距离识别。
2. 标识牌颜色应急库房标识牌的颜色应该醒目、明亮、易于识别。
一般而言,应该选用红色、黄色等明亮的颜色,以提高标识牌的可见性。
3. 标识牌内容应急库房标识牌的内容应包括库房名称、物资种类及数量、库房位置等信息,并标注相关的安全警示信息。
同时,标识牌内容应简洁明了、易于理解,避免出现混淆或误解。
4. 标识牌制作应急库房标识牌可以采用印刷、喷绘、丝网印刷等多种方式进行制作。
制作材料应该选用高质量、耐久性强的材料,以确保标识牌的使用寿命和效果。
三、应急库房标识牌的使用与管理1. 标识牌安装位置应急库房标识牌应该在库房入口处或者显眼位置进行设置,以便于工作人员和管理人员能够迅速找到所需物资。
炸药库门口警示标志牌图例
雷管库门口警示标志牌图例
储存库内标识牌图例
注: “储存库警示标志牌〞尺寸宜为700 mm ×600mm, 不易变形;标识牌底色宜为白色, 字体宜为黑色。
担忧爆炸
警示牌宽0.4~0.5米, 高0.5~0.6米, 安装在大门旁外围墙上
严禁烟火
警示牌宽0.4~0.5米, 高0.5~0.6米, 安装在大门旁外围墙上
严禁带
入手机
警示牌宽0.4~0.5米, 高0.5~0.6米, 安装在大门旁外围墙上
仓库重地
闲人莫进
警示牌宽0.4~0.5米, 高0.5~0.6米, 安装在大门旁外围墙上
5
限速行驶
警示牌宽0.4~0.5米, 高0.5~0.6米, 安装在大门旁外围墙上
值班室
闲人莫进
警示牌宽0.4~0.5米, 高0.5~0.6米, 安装在值班室门外墙上
报警值班
匪警:110 火警:119
派出所:
治安大队:
单位主管领导:
标志牌长0.4~0.5米, 高0.3~0.4米, 白底黑字, 安装在报警值班室内墙上
值班室、炸药库、雷管库、发房间。
〔以上为门牌标识〕
1、灭火器5公斤4只。
2、橡胶辊4根。
3、消防水泵。
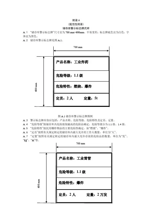
附录A
(规范性附录)
储存库警示标志牌式样
A .1 “储存库警示标志牌”尺寸宜为700 mm×600mm ,不易变形;标志牌底色宜为白色,字体宜为黑色。
A .2 储存库警示标志牌见图A.1。
图A.1储存库警示标志牌图例
A .3 警示标志牌内容应包括:产品名称、危险等级、危险特性及定员、定量。
A .4 “危险等级”按储存库内危险级别最高的危险品确定,危险等级分为1.1级、1.4级。
A .5 “危险特性”按民用爆炸物品的主要危险性确定,如“燃烧”、“爆炸”。
A .6 “定员”按照有关规定核定的储存库内最大允许的工作人数量,单位为“人”。
A .7 “定量”按照有关规定核定的储存库内最大允许存放的危险品的数量,单位为“发”、“kg”、
雷管发放间。
序号标志牌名称(内容)规格尺寸材质安装地点安装方式数量参考图片
1必须穿工作服
400*300铝板厂房入口处墙面铆钉2
2必须穿劳保鞋400*300铝板厂房入口处墙面铆钉2 3当心车辆400*300不干胶货车卸货区域5
4当心叉车400*300不干胶有叉车作业区域厂房立柱表面
粘贴
10
5当心跌落400*300PVC板卸货平台可能人
员跌落部位附近
2
6禁止烟火400*300不干胶库区墙面粘贴5
备件库新厂房安全标牌设置参考标准
7反光镜Ф600在4处新老库区
间通道处
8
8叉车限速5km/h400*300不干胶库区分散布置厂房立柱表面
粘贴
20文本
9注意行人400*300在办公室、现场
作业点附近
50
10当心触电100*100不干胶配电柜面板粘贴50
11容器堆放要稳准400*300不干胶堆放区附近粘贴4文本12活动层顶严禁踩踏800*200不干胶活动板房墙面粘贴10文本13严禁违章作业400*300不干胶叉车作业区粘贴10文本
14请走人行通道400*300铝板安全门旁墙面铆钉5
15禁止无证驾驶叉车800*200不干胶在有相关方接触
叉车的区域
文本
16注意安全400*300铝板库内显著位置5。
公司名称危化品四牌一图安全责任牌安全操作牌危险告知牌安全责任人:危化平面图油漆储存:储存于阴凉、通风库房。
远离火种、热源。
仓温不宜超过30℃。
保持容器密封。
采用防爆型照明、通风设施。
禁止使用易生产火花的机械设备和工具。
储区应备有泄漏应急处理设备和合适的收容材料。
操作:密闭操作,加强通风。
操作人员必须经过专门培训,严格遵守操作规程。
远离火种、热源、工作场所严禁吸烟。
使用防爆型的通风系统和设备。
防止蒸气泄漏到工作场所空气中。
避免与氧化剂接触。
搬运时要轻装轻卸,防止包装及容器损坏。
配备相应品种和数量的消防器材及泄漏应急处理设备。
倒空的容器可能残留有害物。
稀释剂储存:储存于阴凉、通风仓内。
禁止明火、热源、库温不超过30℃。
防止太阳光直射。
保持容器密封。
应与氧化剂分开存放。
采用防爆型照明,配制相应品种和数量的消防器材,滤装流速不超过3m/s,且有接地。
操作:作业场所应具有良好的通风,除具备良好的有组织的自然通风外,并在操作工位上设置局部排风。
作业现场严禁烟火,电气设备应采用防爆型,并有防静电设备。
制订安全操作规程,作业人员经过专业培训,在稀释配置过程中防止溶剂蒸发散漫,控制作业场所溶剂蒸气浓度。
固化剂储存:储存温度不宜超过30℃,分开存放,搬运时要轻装轻放,防止包装及容器损坏。
操作:采用合理的通风,避免眼和皮肤接触。
空容器禁止动火切割。
远离热源、火种、防止阳光直射。
避免与强酸、强碱和氧化剂接触。
洗枪液储存:储存于阴凉通风的库房。
远离火种、热源的地方;储存时密封防火、防水、避免日光直照;铁桶装、汽车、火车运输;装卸、储存是温度要低于45℃;存储运输压力为一个大气压,在运输中避免剧烈的碰撞;储区应备有泄漏应急处理设备和合适的收容材料,仓库内的电路系统应采取防爆措施,开关设在仓库外。
操作:密闭操作,全面通风。
操作人员穿戴好劳动防护用品,工作场所严禁吸烟,远离火种、热源,使用防爆型的通风系统和设备,配备相应品种和数量的消防器材及泄油漆眼接触:可引起眼睛刺激、发红、流泪、视力模糊。
建筑工程仓库制度标牌【总则】1. 本仓库制度为确保建筑工地物资安全、高效、有序管理而设立。
2. 所有进入仓库的人员必须遵守本制度规定。
3. 仓库管理人员应负责监督执行本制度,并对违反者进行记录和处理。
【入库管理】1. 所有材料入库前需经过质量检验,合格后方可入库。
2. 入库材料需由专人负责登记,包括材料名称、规格、数量、供应商信息及入库时间等。
3. 对于特殊或价值较高的材料,应当单独存放并加锁保管。
【存储管理】1. 材料应按类别分区存放,并设置明显的标识牌。
2. 保持仓库内部清洁,定期进行清理和维护。
3. 易燃易爆物品应妥善隔离存放,并配备相应的安全防护设施。
4. 定期检查库存材料的保质期,防止过期材料占用空间。
【出库管理】1. 出库材料需有相关领用单据,并由授权人员签字确认。
2. 出库时需核对材料名称、规格和数量,确保发放正确。
3. 出库后应及时更新库存记录,保持数据的准确性。
【安全管理】1. 严格执行防火、防盗等安全措施,确保仓库安全。
2. 定期对仓库员工进行安全教育和应急演练。
3. 安装足够的照明和监控设备,提高仓库的安全防范能力。
【盘点管理】1. 定期对仓库进行盘点,核对实物与账目是否相符。
2. 发现盘盈或盘亏情况应立即报告,并查明原因进行处理。
3. 盘点结果应详细记录,并作为调整库存的依据。
【违规处理】1. 对于违反仓库管理制度的行为,将根据情节轻重给予警告或处罚。
2. 严重违规行为将上报至项目负责人,并可能涉及法律责任。
3. 鼓励员工相互监督,共同维护仓库管理的秩序。
仓库管理制度标牌仓库管理制度是企业内部管理的重要一环,为确保仓库工作的有序进行,标牌的设置和使用是必不可少的。
标牌的设计内容要简洁明了,便于仓库工作人员理解和遵守。
以下是一些可以参考的仓库管理制度标牌内容。
1. 入库标牌:a. 入库标识:标明仓库入库口,仓库编号等信息。
例如:“入库区”、“仓库A”。
b. 入库要求:提示入库人员需要遵守的规定,例如“请注意入库顺序”、“入库前请清洁货物”。
2. 出库标牌:a. 出库标识:标明仓库出库口,仓库编号等信息。
例如:“出库区”、“仓库B”。
b. 出库要求:提示出库人员需要遵守的规定,例如“请携带完整的出库单据”、“出库后请确认关门”。
3. 仓库存货管理标牌:a. 存货分类:标明不同存货的分类,例如“原材料”、“成品”、“备件”等。
b. 存货标识:为每个存货设置标识,包括存货名称和编号。
例如:“原材料A001”。
4. 库位标牌:a. 库位编号:标明每个库位的对应编号,便于存储和查找。
例如:“A01”、“B02”。
b. 重量限制:标明每个库位的最大承载重量,以确保安全存储。
5. 安全提示标牌:a. 紧急通道:标明仓库的紧急通道和应急出口,以便遇到紧急情况时的疏散和救援。
b. 灭火设备:提醒仓库工作人员熟悉和使用灭火设备,并标明灭火器的位置。
6. 操作规程标牌:a. 提醒操作人员按照操作规程进行操作,例如“操作前请确认设备电源已关闭”、“操作后请清理工作区”。
7. 图表标牌:a. 仓库布局图:标明仓库的具体布局,包括仓库区域、库位分布等。
b. 存货管理流程图:标明存货的管理流程,从入库到出库的各个环节。
8. 员工管理标牌:a. 员工通知:提醒仓库工作人员关注通知事项,例如“请勿随意更换工作岗位”、“请按时提交考勤记录”。
以上是一些可以参考的仓库管理制度标牌内容,企业可以根据实际情况进行修改和补充。
标牌的设置要满足信息简明扼要、易于理解和遵守的原则,以提高仓库管理的效率和安全性。
仓库区域标识牌标准仓库配送业务的重要性,使得仓库环境及其管理分布更加复杂,以备应急。
此时,仓库区域标识牌的引入,是有助于更有效地进行仓库管理的必备环节。
为此,我们制定本《仓库区域标识牌标准》,统一仓库区域标识牌的样式、大小、字体等要求,以期更好地管理仓库环境。
一、仓库区域标识牌的样式仓库区域标识牌的样式应当简洁、大方。
其设计有别于一般的标识牌,不仅可以体现出仓库的特色,而且还要考虑可读性和安全性。
仓库标识牌的设计大小不便宜过大,以免影响仓库安全可读性;同时,根据仓库不同区域的功能,要有相应的不同颜色和图案,以便更好地标识区域的功能。
二、仓库区域标识牌的大小仓库区域标识牌的大小应根据仓库空间布局、仓库紧凑度,综合考虑仓库安全及可视度等因素,确定大小。
一般情况下,仓库区域标识牌的厚度应不小于4mm,以保证标识牌的稳定性和耐用性;长度一般为200cm-250cm左右;宽度一般为90cm-120cm左右,这取决于具体仓库布局。
三、仓库区域标识牌的字体仓库区域标识牌的字体要清晰、大方、易读,大小一般为72号字体,颜色要有分辨性,字体也要与标识牌的整体设计相协调。
字体的选择不宜过于婉转复杂,尽量以普通字体为主,以减少仓库管理人员的辨认难度。
四、仓库区域标识牌的安装仓库区域标识牌要安装在仓库空间视野范围内,以便于仓库管理人员快速识别。
具体安装方式,要综合考虑仓库内的空间限制,采取相应措施,确保标识牌安装牢固,避免被撞坏或者拉坏。
五、仓库区域标识牌的使用仓库区域标识牌的使用,要求仓库管理人员要熟记每一个标识牌的功能,在做出相应的仓库分区规划时,要综合考虑仓库内的商品种类、出入口位置、仓库人员操作流程以及安全措施等因素,以保障仓库内商品出入口操作管理的安全性和正常运行。
完。
仓储管理制度标牌一、货物分类与标识1.仓库对进货物品进行分类,按照不同的货物属性、尺寸、重量等进行分类,确保货物的安全存放和取出。
2.每种货物都应标识清楚,包括货物的名称、规格、重量、存放位置等信息,以便仓库管理人员能够快速找到货物,避免搬运错货。
3.对于易燃、易爆、易腐蚀等危险货物,应当单独进行标识,并按照相关规定进行存放和管理。
4.对于特殊要求的货物,如需要保持温度、湿度等条件的货物,也应进行专门标识,并按照要求进行存放和管理。
二、入库和出库标牌1.入库标牌应包括货物名称、数量、规格、生产日期等信息,以及入库时间、入库人员等信息,确保入库信息的完整和准确。
2.出库标牌应包括货物名称、数量、规格等信息,以及出库时间、出库人员等信息,确保出库信息的准确和追溯。
3.对于特殊要求的货物,如需提前通知或特殊操作时,也应在出库标牌上进行标注,以便仓库管理人员能够及时处理。
4.出库标牌应与库存管理系统进行对接,确保信息同步和准确性,避免出库错误或丢失。
三、排列标牌1.对于货物的排列顺序也应进行标牌,包括货物的名称、存放位置、货架号等信息,确保货物的顺畅存放和取出。
2.对于货架、货位等设施也应进行标牌,包括货架号、层号、货位号等信息,确保设施的清晰和可查性。
3.对于货物的堆叠、码放等情况,也应进行标牌,包括货物的堆叠高度、码放方式等信息,确保堆叠稳固和安全。
四、安全警示标牌1.对于仓库内的危险区域、危险设施等,应进行安全警示标牌,包括禁止通行、搬运注意、火灾警示等信息,确保危险区域和设施的安全。
2.对于特殊货物、器材等,也应进行安全警示标牌,包括易燃、易爆、易腐蚀、高压等信息,确保人员的安全和设备的稳定。
3.对于作业人员的安全要求,也应进行安全警示标牌,包括穿戴防护用具、正确操作等信息,确保人员的安全和作业的顺利进行。
五、废弃物处理标牌1.对于废弃物的分类、存放和处理,应进行标牌,包括废弃物的类别、存放位置、处理方式等信息,确保废弃物的合理处理和回收利用。
一、库区及库房警示标志牌样本:
1)
2)库区警示标牌(一般在库区大门内外显著位置,不影响交通) ① 限速(小库区5km ,黄底黑字,带反光、莹光)
②库区严禁使用手机(白底红字)
③严禁烟火(白底红字,库区大门口,各库房外墙) ④无关人员严禁进入
⑤当心火灾、爆炸(白底红字,库区四面围墙上) ⑥雷雨时严禁靠近(黄底黑字,避雷针上) ⑦停车装卸处(黄底黑字,仓库前2.5m 处) ⑧当心溺水(黄底黑字,库区内消防水池旁醒目位置)
二、库房定置管理
(可用塑胶纸喷涂或打印装镜框,大小以A3版面,贴挂在库房内墙显著位置,地面按图划黄色/红色油漆线或粘贴线,危险品按定置摆放,另四面内墙划堆码限高线):
1)库房定置图(样本)
上林县祥龙矿业实业有限公司
工业炸药库定置管理图
编制: 审批: 实施时间: 年
月 日
2)库房定置限高线(样本) 3)温湿度计及检测记录(钉挂库房内墙)
1.8m 1.6m
(炸药类) (雷管类)。
仓库管理制度标牌仓库管理制度标牌是为了规范仓库管理,方便员工了解和遵守仓库管理制度而设计的标识。
以下是仓库管理制度标牌的相关参考内容:1. 标牌名称:仓库管理制度2. 标牌编号:WP-0013. 标牌设计:采用黑底白字的设计,突出标识的清晰可见性4. 标牌尺寸:根据仓库实际情况,可以设计成合适的大小,一般不小于30*60cm5. 标牌位置:应当在仓库入口处、出口处和重要区域进行设置,确保员工容易看到和阅读6. 内容要点:- 仓库管理目的:提高仓库管理水平,规范操作行为,确保物品安全和运营高效。
- 仓库管理责任:明确仓库管理责任人和各部门的职责和权限。
- 仓库进出规定:规定进出仓库的流程和标准,确保物品的准确出入库。
- 物品存储规定:包括不同类型物品存放位置、堆放高度、堆放方式等。
- 物品清点规定:要求经常对库存进行盘点,保证库存准确性和及时性。
- 物品保管规定:明确物品保管责任和要求,以防止物品损毁或遗失。
- 设备维护规定:保证仓库设备的正常运转,确保产品存储环境符合规范要求。
- 安全防范规定:包括防火、防盗、防潮等安全管理规定,确保员工人身安全和物品安全。
- 废品处理规定:规定废弃物品的处理方式,确保环境的健康和安全。
- 违规处理:明确违反仓库管理制度的处理措施和责任追究。
7. 图示说明:可以在标牌上添加仓库平面图和相关物品的图示,比文字更直观易懂。
通过仓库管理制度标牌的设置,可以使员工能够充分了解仓库管理制度的要求和规范,做到规范操作,提高工作效率,保障物品安全。
标牌的内容要简明扼要,注重文字的精炼和规范化,确保员工能够一目了然地理解标牌内容,并能够根据标牌上的规定进行工作。
同时,定期检查和维护标牌的完整性和清晰度,确保标牌的可用性和有效性。
附录A
(规范性附录)
储存库警示标志牌式样
A .1 “储存库警示标志牌”尺寸宜为700 mm×600mm ,不易变形;标志牌底色宜为白色,字体宜为黑色。
A .2 储存库警示标志牌见图A.1。
图A.1储存库警示标志牌图例
A .3 警示标志牌内容应包括:产品名称、危险等级、危险特性及定员、定量。
A .4 “危险等级”按储存库内危险级别最高的危险品确定,危险等级分为1.1级、1.4级。
A .5 “危险特性”按民用爆炸物品的主要危险性确定,如“燃烧”、“爆炸”。
A .6 “定员”按照有关规定核定的储存库内最大允许的工作人数量,单位为“人”。
A .7 “定量”按照有关规定核定的储存库内最大允许存放的危险品的数量,单位为“发”、“kg”、
雷管发放间。