Q690高强钢的开发
- 格式:doc
- 大小:108.50 KB
- 文档页数:6
不同使用状态下Q690CFD高强钢的焊接接头性能屈朝霞许磊王海涛(宝钢研究院焊接与表面研究所,上海201900)摘要针对煤矿机械、港口机械等对低成本焊接结构用高强钢的需求,宝钢开发了低成本TMCP.HJ强钢Q690CFD,具有优异的综合力学性能和抗冷裂纹性能。
但是该钢具有一定的淬硬倾向,焊后进行热处理对其接头的力学和使用性能至关重要。
在制造过程中,根据用户不同的服役条件,焊接结构要求不同的使用状态, 比如焊态、消氢处理态和消应力处理态。
本文按照相关的国家标准,采用宝钢开发的配套气体保护焊丝BH700-IL分析了不同使用状态,包括焊态、300°C消氢和580°C消应力处理下Q690CFD 接头的性能。
结果表明,焊态、消氢态和消应力态下,接头的力学性能均满足相关国家标准;相比起来,按接头性能优劣来分,从好到差的顺序为:消氢态、焊态、消应力态。
消氢态可以一定程度上增加接头的冲击性能,但消应力处理使接头的冲击性能变差。
关键词焊态,消氢处理,消应力处理,Q690CFD,接头性能引言随着机械工业生产迅猛发展,现代工程机械和煤矿机械等的焊接结构向着日益大型化、轻量化的趋势发展。
钢材的强度级别越来越高。
不仅要有良好的综合力学性能,而且要有良好的加工工艺性能,比如良好的焊接性⑴2】,应对这种需求宝钢开发了80kg级超低碳贝氏体钢Q690CFDo该钢碳当量低、强度高并且具有良好的塑韧性。
在高强钢用板的制造加工过程中,根据用户不同的服役条件,焊接结构要求不同的使用状态,比如焊态、消氢处理态和消应力处理态。
消氢可促进扩散氢溢出,防止冷裂纹;消应力处理可以消除焊接内应力,提高构件的尺寸稳定性,增强抗应力腐蚀性能,改善接头组织及力学性能,提高结构件长期使用的质量稳定性和工作安全性等⑶。
但是消应力处理有可能引起接头强度下降、晶粒长大,韧性下降等问题同。
因此焊后不同的使用状态下接头性能是否满足要求,需要进行探讨并给用户以指导。
Q690 高强钢结构设计标准一、总则1. 本标准规定了Q690高强钢结构设计的基本原则和要求,适用于桥梁、建筑、电力、水利等行业的钢结构设计。
2. Q690高强钢结构设计应综合考虑结构的安全性、适用性、耐久性和经济性,并满足相关规范和标准的要求。
二、术语和符号1. 本标准采用国家现行有关标准规定的术语和符号。
2. 为了便于使用,本标准还对一些常用的术语和符号进行了统一规定。
三、材料1. Q690高强钢结构采用的材料应符合国家现行有关标准的规定。
2. 材料应具有质量证明文件,并符合设计要求。
3. 材料进场时应进行检验,确保符合设计要求。
四、荷载与荷载效应1. 荷载应按照国家现行有关标准的规定进行分类和取值。
2. 荷载效应组合应按照国家现行有关标准的规定进行计算。
五、结构设计的基本规定1. 结构设计应符合国家现行有关标准的规定。
2. 结构设计应根据使用要求和地质条件进行结构选型和布置。
3. 结构设计应考虑结构的使用环境因素,采取相应的防腐、防火等措施。
六、受弯构件设计1. 受弯构件应进行强度、刚度和稳定性计算。
2. 受弯构件的截面形式和尺寸应按照国家现行有关标准的规定进行选择和设计。
3. 受弯构件的构造要求应按照国家现行有关标准的规定进行设计。
七、轴心受力构件和拉弯、压弯构件设计1. 轴心受力构件应进行强度、刚度和稳定性计算。
2. 拉弯和压弯构件应进行强度和稳定性计算。
3. 轴心受力构件和拉弯、压弯构件的截面形式和尺寸应按照国家现行有关标准的规定进行选择和设计。
4. 轴心受力构件和拉弯、压弯构件的构造要求应按照国家现行有关标准的规定进行设计。
八、疲劳计算按国家现行有关标准的规定进行。
九、构造要求1. 构造要求应符合国家现行有关标准的规定。
2. 在不影响结构性能的前提下,允许对构造要求进行优化。
3. 结构用钢材的连接和节点设计应符合国家现行有关标准的规定。
十、桥梁用钢结构人行道和梯道1. 桥梁用钢结构人行道和梯道应按照相关规范进行设计。
实验条件与方法2.1 引言在生产实践中,人们通常采用焊接方式来获得高质量的链接[56]。
但作为生产工艺的一种手段,复杂的焊接过程和众多的影响因子,如非线性问题、瞬时作用以及温度的相关性效应等,要使得获得具有优秀使用性能的焊接接头产品非常困难。
尤其是焊接过程中的残余应力和焊接形变,严重影响了焊接的质量。
在实际工作中,焊接时必须考虑残余应力和焊接形变的综合作用[57]。
为了更好的分析焊接过程中应力与应变的关系,现代科学分类把焊接分解为多个学科内容,如力学、热学等,从而方便了人们对焊接性能的研究与探讨。
2.2 实验材料2.2.1 实验母材(Q690)作为调质钢的一种,低合金高强钢Q690具有优秀的综合性能。
实验采用Q690试样尺寸为300*150*12mm。
在试样中截取金相试样,并在光学显微镜下进行观测,如图2-1所示分别为Q690高强钢200倍、500倍和1000倍下的显微结构,从图中可大致看出母材主要组成组织为马氏体和贝氏体,同时还含有块状铁素体。
(a )200倍下母材组织(b )500倍下母材组织(c )1000倍下母材组织图2-1 母材的显微组织然而,高强钢Q690在焊接时会存在一些焊接缺欠,主要表现为两点。
首先焊接过程中易引入杂质,焊接接头在遇到温度降低时,会出现裂纹敏感问题;其次是热影响区(HAZ )和焊缝金属在焊接过程中因受到焊接热循环的影响,会产生组织粗化及魏氏组织等组织恶化现象,焊接接头的力学性能降低。
这也是文本主要研究的内容。
所以,在试验焊接前,必须对母材的化学成分有一定的了解,然后再确定焊接工艺。
本文研究的Q690的化学成分如下表所示。
表2.1 Q690高强钢的化学成分%(C)w (Si)w ()w Mn ()w P ()w S (Cr)w ()w Al 0.1500.350 1.310 0.0120.002 0.270 0.034 ()w Mo ()w Ti (Cu)w ()w Nb (Ni)w (V)w 0.160 0.0160.090 0.001 0.030 0.045 采用两种碳当量计算公式:(JIS)C 624405414eq Mn Si Ni Cr Mo V C =+++++ (2-1)()(Cu Ni)(IIW)C 6515eq Mn Mo Cr V C +++=+++ (2-2) 公式2-1是根据日本工业标准推荐的调质钢碳当量计算公式,而公式(2)是国际焊接学会推荐的碳当量计算公式。
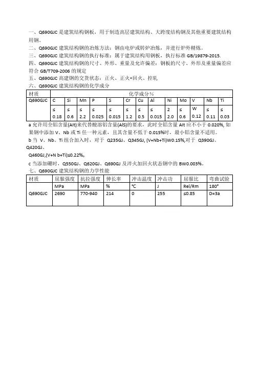
一、Q690GJC是建筑结构钢板,用于制造高层建筑结构、大跨度结构钢及其他重要建筑结构用钢。
二、Q690GJC建筑结构钢的冶炼方法:钢由电炉或转炉冶炼,并进行炉外精炼。
三、Q690GJC建筑结构钢的执行标准:属于建筑结构用钢板,执行标准GB/19879-2015.
四、Q690GJC建筑结构钢的尺寸、外形、重量及允许偏差:钢板的尺寸、外形及重量偏差应符合GB/T709-2006的规定
五、Q690GJC高建钢的交货状态:正火、正火+回火、控轧
六、Q690GJC建筑结构钢的化学成分
a允许用全铝含量(AIt)来代替酸溶铝含量(AlS)的要求,此时全铝含量AIt应不小于0.020%, 如果钢中添加V、Nb或Ti任一种元素,且其含量不低于0.015%时,最小铝含量不适用。
b 当V、Nb、Ti 组合加入时,对于Q235GJ、Q345GJ, (V+Nb+Ti)W0.15%,对于Q390GJ、
Q420GJ、
Q460GJ,(V+N b+Ti)≤0.22%o
c当添加硼时,Q550GJ、Q620GJ、Q690GJ及淬火加回火状态钢中的BW0.003%。
七、Q690GJC建筑结构钢的力学性能。
合金减量化调质高强结构用钢Q690D的开发摘要:为降低高强工程机械用钢的合金资源消耗,本文针对高强工程机械用钢Q690D,通过采用可以强力提高淬透性的B元素和多种微量合金元素复合强化的成分机制成功开发出了各项性能优异的合金减量化高强工程机械用钢Q690D。
关键词:合金减量化、调质高强钢、Q690D背景:近年来随着我国经济和社会的发展,工程结构用钢日益向高参数和大型化、减量化方向发展,高强工程机械用钢得到了越来越广泛的应用,需求也越来越大。
但是对于高强钢的生产,大多数生产厂的合金添加量很大,对合金资源消耗大,不利于资源节约型社会的建设。
为了降低合金资源的消耗,节约资源,本文借助Q690D的试制开发合金减量化调质高强结构用钢。
1.Q690D成分及性能要求技术成分及机械性能要求见表1和表2。
表1 Q690 熔炼成分要求元素 C Mn P SNB V Ti Cr MoB含量≤0.18≤0.18≤0.03≤0.02≤0.07≤0.08≤0.06 ≤2.0≤1.5≤0.0025表2 Q690 力学性能要求板厚mm屈服强度ReH/MPa抗拉强度Rm/MPa伸长率A /%180°弯曲D=3a(a试样厚度)冲击功(纵向)Akv/J温度℃纵向冲击功横向冲击功10~100≥690770~940≥14合格-20℃≥47≥272.成分及工艺设计2.1 成分设计结合用户端成分设计要求,本次成分设计取消NI、V合金元素的加入,采用具有强力淬透性的B元素和多种微量合金元素进行复合强化的机制保证钢板强韧性的实现。
采用更加优异的合金元素配比,发挥合金元素的最大性价比。
具体成分设计见表3。
表3 成分设计成分 C SI MN CR MO NI V NBTI B某钢厂[1] 0.17 0.25 1.48 0.26 0.250.34 0.05 0.05 0.016 -成分1 0.153 0.247 1.41 0.36 0.115- -0.018 0.015 0.0013差值 0.08 -0.1 0.135 0.34 0.05 0.0320.1 -0.0013由上表可见成分1相比于某钢厂取消了NI、V合金,MN、MO、NB、Ti的用量都减少了,只是CR增加了0.1和B增加0.0013,所以成分1达到了合金的减量化。
Q690高强钢的开发
性能指标
Q690属于低合金高强钢,表1为国标与日本欧美同等级钢种化学成分对照表。
表1
牌号
质量等级
化学成分(质量分数)% Q690 C S i M n S P Nb V T i C r N i C u N M o B Al s
不大于 不小于 C
0.18 0.60 2.00 0.030 0.030 0.11 0.12 0.20 1.00 0.80 0.80 0.015 0.30 0.004 0.015 D
0.030 0.025 E
0.025 0.020 S700MC
0.12 0.60 2.10 0.015 0.025 0.09 0.20 0.22 0.50 0.005 0.015 WEL-T
EN780 0.05 0.44 1.35 0.18 2.52 0.54
表2为国标与日本欧美同等级钢种力学性能对照表。
表2
牌号 屈服强度
(MPa)(<16mm) 抗拉强度(MPa)(<40mm) 延伸率%(<40mm) 冲击吸收能量
(Kv/J)(-20C O )
Q690 >690 770~940 >14 >47 S700MC >700 750~950 >12 WEL-TEN780 740 830 24 96
根据表2,确定研发Q690的性能指标参照GB\T1591-2008。
即:
屈服强度(MPa) 抗拉强度(MPa) 延伸率(%) 冲击吸收能量(Kv/J
-20C O )
>690 770~940 >14 >47
Q690在其它钢厂的开发情况
Q690屈服强度高,轧制难度大,目前国内能够生产且生产规模比较大的钢厂有济钢、武钢、南钢、宝钢、舞钢。
低合金高强钢板市场济钢市场占有率最高。
目前Q690产品绝大部分属于宽厚板,传统生产工艺为离线调质,直接淬火一回火工艺与离线调质工艺比较, 前者具有降低生产和资金成本和有利于板材性能提高的优点, 已成为国内外钢铁企业开发高强度中厚板产品广为关注的重要技术领域,下表为各大钢厂采用进口的中厚板轧线所配备的高水平直接淬火设备生产的产品级别
宝钢、舞钢、南钢、济钢均采用直接淬火—回火工艺生产Q690级别以上宽厚板产品。
宝钢采用低温大压下+DQ工艺开发出具有良好低温韧性的Q690高强钢厚板,板厚可达80mm,且具有良好的焊接性能,40mm以下Q690CF可实现不预热焊接。
低温大压下技术是在较低温度下, 采用较大变形率轧制钢板。
采用此方法轧制后的钢板具有稳定的拉伸性能和较高的低温冲击功
济钢生产的Q690在郑煤机、平顶山煤机、北方重工、内蒙一机厂、重庆庆江、淮北矿物局、大同煤矿等多家煤机厂的液压支架制造上进行了成功的实际应用,并在哈焊所进行了焊接工艺评定。
南京钢铁联合有限公司采用C-Mn微合金化的方法生产出高强度低碳贝氏体Q690D(E),为国内首创低碳贝氏体钢宽中厚板(卷)连铸—卷轧短工艺流程技术。
合金元素配置要点
热连轧钢板要想得到屈服强度700MPa以上的强度,必须在热轧及随后冷却过程中实现细晶强化、析出强化、相变强化和固溶强化等最大限度的综合控制。
考虑到轧机能力,Q690的强化主要以轧后冷却过程的相变强化和析出强化为主,为减少轧机的负荷和提高钢的强韧性,在钢中加入微合金元素Nb,以提高钢的再结晶温度,使得Q690在较高的温度下完成轧制也可以得到储存大变形能的变形奥氏体组织,进而得到细小的相变组织。
同时,成分设计时还要考虑690必须具备良好的成形性能、低温冲击性能和焊接性能。
呈于这样的考虑和以往的经验,成份体系设计如下:
C:0.060~0.084%,较低的碳含量可使钢具有良好的焊接性和冷成形性,强度的不足可通过微合金化和控轧控冷工艺来弥补。
Mn:1.65~1.85%,通过固溶强化提高钢的强度。
Mn促进碳氮化物析出相在加热时候的溶解,抑制析出相在轧制时候的析出,有利于保持较多的析出元素于轧后的冷却过程中在铁素体中析出,加强了析出强化。
此外Mn可扩大奥氏体相区,降低过冷奥氏体相的转变温度,有利于相变组织的细化。
P: 15ppm以下,低的磷含量可使钢具有良好的韧性、冷成形性和焊接性。
S:530ppm以下,低的硫含量使钢具有较好的韧性和冷成形性。
Nb:0.050~0.065%,通过细晶强化和析出强化提高钢的强度。
Nb可提高奥氏体的再结晶温度,即在较高的温度下实现奥氏体非再结晶区轧制,从而可使轧件在较高的温度下完成轧制变形,同时得到细小的相变组织。
此外部分Nb在铁素体区析出,强化铁素体基体。
Ti:0.10~0.12%,通过析出强化提高钢的强度。
轧制工艺要点
一、加热温度
Q690是以析出强化为主的高强度钢材,它的强度很大部分来自轧制及轧后冷却过程产生的析出,这些析出主要是:TIN、TIC、NbN和NbC等。
它们的晶体结构相同,可以完全互溶,形成Mx(CN),其具体组成决定于成分和温度。
连铸生产完成后,板坯中已经存在了大量的碳、氮化物析出,如果这些析出物没有在板坯加热过程中固溶的话,在整个热轧生产过程中这些析出物对材料的组织变化就不产生任何作用,它们不仅不能对析出强化和细晶强化做贡献,甚至可能因有较大颗粒的析出物存在而对材料的塑性和韧性不利。
这时,这类析出物所占用的微合金化元素没有起到预期的强化作用。
因此,选择较高的加热温度是析出强化钢所必需的。
在这一温度下,必须使得已经存在的大部分Nb和Ti的C、N化物再度固溶,然后在轧制和卷取过程中析出,起到晶粒细化和析出强化等。
二、轧制温度
Q690采用两阶段轧制,在奥氏体再结晶区完成一阶段轧制,在奥氏体未再结晶区完成二阶段轧制。
从理论上分析,如果采用较低的轧制温度,将加大材料在非再结晶奥氏体区的变形,增加变形奥氏体中的位错,促进得到细晶粒转变组织,加强了细晶强化。
但薄规格Q690高强度钢板的轧制,为了减轻轧机的载荷,需要采用较高的终轧温度。
Nb能提高奥氏体的再结晶温度,使奥氏体在比较高的温度下仍处于未再结晶区,因而
可以实现在非再结晶区多道次累积大变形量,使奥氏体内部晶粒产生大量位错和变形带,促进细晶转变。
三、轧后冷速
采用较大的冷速对提高材料的强度非常有利,可以抑制等轴铁素体和珠光体的产生,增大晶界不规则铁素体和贝氏体分数,这种组织因有晶内位错的存在而有较大的强度,且由于晶内位错的存在有利于铁素体区内的Nb和Ti的碳氮化物析出。
且增大相变过冷度,有利于晶粒细化。
轧制完成后应立即开始水冷,Q690终轧温度高,容易产生回复和再结晶,影响非再结晶区控轧效果。
四、卷取温度
卷取温度影响析出强化和位错强化这两种既互相促进、又相互制约的强化机制。
卷取温度高,析出增多,但由于非多边形铁素体业少,对材料强化效果最好的晶粒内的析出不多,位错强化也弱。
卷取温度太低,非多边形铁素体增加,位错强化加强,但由于动力学的原因析出被抑制,也不能达到最佳强化效果。
所以,选取的卷取温度必须兼顾以上两个方面。
国外研究表明,Nb和Ti的碳化物在铁素体的最佳析出温度为600C O左右
五、市场需求
目前国内重型汽车年产量约50万辆,年需求高强度大梁钢50~55万吨。
六、研发计划制度。