变电所电气部分设计
- 格式:docx
- 大小:494.54 KB
- 文档页数:51
发电厂变电所电气部分课程设计1. 引言本文档旨在对发电厂变电所电气部分课程设计进行详细介绍和说明。
本课程设计旨在培养学生对发电厂变电所电气部分的了解与掌握,为学生将来的工作打下坚实的基础。
2. 设计目标本课程设计的目标是:通过对发电厂变电所电气系统的详细了解,掌握变电站的运行、维护、故障排除等实际操作技能,培养专业电气工程技术人才。
3. 设计具体内容3.1 课程设置本课程的设置应包括课程开设的时间、地点、方案、教学目标、教学形式、学习方法等方面。
应该考虑到学生的特点和实际需要,制定科学、合理的课程设计方案。
3.2 课程教学计划本课程的教学计划应该明确教学目标和内容,安排教学时间和教学方法,合理安排实验和实践环节。
同时,也应该考虑到学生的学习特点和实际情况,避免过于繁琐和枯燥。
3.3 实践环节的设计本课程设计必须包括实践环节的设计和实践教学计划。
应该安排一定的时间进行实践训练,让学生能够通过实践操作来掌握电气知识和技能。
3.4 课程评估方式本课程的评估方式应该考虑到学生的实际情况,采取多种形式进行评估,如考试、实验报告、作业等方式,以全面了解学生的学习情况。
4. 教学方法通过多种教学方法,如理论教学、案例教学、实验教学、模拟教学等来进行教学。
应着重注重讲解实际应用中的知识和技能,使学生更好的掌握发电厂变电所电气系统的实际运行情况。
5. 课程总结本课程设计旨在培养学生对发电厂变电所电气部分的了解和掌握,为学生将来走向职场的道路打下坚实的基础。
教师要注重理论知识和实际应用的结合,提高学生的综合素质和实际操作技能。
6. 参考文献•《电气工程基础》张广泰等著,电力出版社,2008年版•《模拟与数字电路》朱鹏,电子工业出版社,2004年版•《电气工程基础实验》张广泰等著,电力出版社,2010年版。
发电厂电气部分课程设计题目110/10KV变电所电气部分设计 ________日期:2015.9.21目录•课程设计任务书• 110/10KV变电所设计说明书--------------------------------------❖1、简要说明所设计变电所在电力系统中的地位(终端);❖❖2、变电所主变压器的台数、容量、具体的型号;❖❖3、采用的主接线的形式[单母线分段(B所);❖❖4、其他高压电器:断路器、隔离开关、电流互感器、电压互感器的规格型号; •110/10KV变电所设计计算书------------------------------------ 变电所选取110kv、10kv两个短路点,计算短路电流•110/10KV变电所设计主接线图•参考文献•感谢课程设计任务书1.课程设计应达到的目的通过本次课程设计,对所学课程的知识进行强化,提高学生分析问题和解决问题的能力,拉近课堂与工程设计的距离,使学生完全掌握变电所一次部分的设计过程、主接线和配电装置的初步设计、变电所主设备的选择方法等。
2.课程设计题目及要求110/10kV变电所电气部分设计一、设计内容1.对待设计变电所在系统中的地位和作用及所供用户的分析。
2.选择待设计变电所主变的台数、容量及型式。
3.分析确定高低压主接线及配电装置型式4.分析确定所用电接线型式。
5. 进行互感器的配置。
6.进行选择设备和导体所必须的短路电流计算。
7.选择变电所高、低压侧的断路器、隔离开关。
8. 设计10kV硬母线系统。
二、有关原始数据1.变电所有关资料(110/10kV)L1 20 km, L2 22 km, L3 19 km, L4 15 km。
2.环境温度年最高温度40℃,最热月最高平均气温32℃3.变电所10kV侧过电流保护动作时间为1秒4. 110kV输电线路电抗按0.4Q /km计5.发电厂变电所地理位置图(附图一)6.典型日负荷曲线(附图二)附图一发电厂变电所地理位置图G:汽轮机 QFQ — 50 — 2,50MW COS@=0.8,附图二典型日负荷曲线X〃=0.124T:变压器SF7 —40000/121±2X2.5%P = 46kW P = 174kW I% = 0.8U% = 10.5 °K3、课程设计任务及工作量的要求(包括课程设计计算说明书、图纸、实物样品等要求)成品提交的设计文件和图纸要求:1.设计说明书1份2.设计计算书1份3.图纸1张:变电所主接线图110/10KV变电所设计说明书(1B)第一章所设计变电所在电力系统中的地位电力系统是由发电机、变压器、输电线路和用电设备(负荷)组成的网络,它包括通过电的或机械的方式连接在网络中的所有设备。
某工厂10kV车间变电所电气部分设计10kV车间变电所电气部分设计一、概述10kV车间变电所作为一座工厂的重要电气设施,负责将供电局提供的高压电力通过变压器降压,将电能供应给车间的各个电气设备。
本文将对10kV车间变电所的电气部分设计进行详细的叙述。
二、所需设备1. 10kV高压开关柜:用于控制和保护高压线路,包括主要开关、保险丝、断路器等。
2. 变压器:将10kV高压电力变压为车间所需要的低压电力。
3. 低压开关柜:包括主供电开关柜、柜式配电装置等,用于控制和保护低压线路。
4. 电能计量装置:用于对供电情况、电能消耗等进行监测和计量。
5. 接地装置:用于将设备和设施的金属外壳和地面接地,保证人员和设备的安全。
6. 照明设备:为车间提供足够的照明。
三、电气系统设计1. 高压侧设计高压侧主要由供电局提供的10kV高压线路、高压开关柜和变压器组成。
高压开关柜具备主开关和断路器等功能,对高压线路进行控制和保护。
变压器通过调整变比,将10kV高压电力变压为车间所需的低压电力。
2. 低压侧设计低压侧由变压器、低压开关柜和柜式配电装置等组成。
低压开关柜通过控制和保护低压线路,将低压电力供应给车间内各个设备。
柜式配电装置对电能进行分配和监测,确保各个设备正常供电。
3. 配电设计根据车间的用电情况和设备功率需求,制定合理的配电方案。
主供电开关柜通过断路器和熔断器对电路进行控制,确保各个设备的正常运行。
柜式配电装置对电能进行计量和监测,实时了解车间的用电情况。
四、安全设计1. 接地设计为保证车间变电所的安全运行,需要对设备和设施进行接地。
通过接地装置,将设备和设施的金属外壳和地面接地,防止电气设备进行漏电或感应电,保证人员和设备的安全。
2. 避雷设计为保证车间变电所在雷电天气下的安全运行,需要进行合理的避雷设计。
采取避雷针和避雷网的形式,将雷击电流引导到大地,保护设备和设施的安全。
3. 灭弧设计高压开关柜的灭弧设计是车间变电所电气部分设计中至关重要的一环。
220kv降压变电所电⽓⼀次部分设计1设计任务及原始资料根据电⼒系统规划需新建⼀座220KV区域变电所。
该所建成后与110KV和220KV电⽹相连,并供给近区⽤户供电。
1. 设计变电所在城市近郊,向开发区的炼钢⼚供电,在变电所附近还有区域负荷。
2. 确定本变电所的电压等级为220/110/10KV,220KV是本变电所的电源电压,110KV和10KV是⼆次电压。
3. 待建变电所的电源,由双回220KV线路送到本变电所;在中压侧110KV母线,送出2回线路;在低压侧10KV母线,送出12回线路;在本所220KV母线有三回输出线路,送向负荷。
该变电所的所址,地势平坦,交通⽅便。
4. 110KV和10KV⽤户负荷统计资料见表1-1和表1-2。
最⼤负荷利⽤⼩时Tmax=5500h,同时率取0.9,线路损耗取5%。
表1-1 110KV⽤户负荷统计资料⽤户名称最⼤负荷(KW)cos回路数重要负荷百分数(%)炼钢⼚42000 0.95 2 65表1-2 10KV ⽤户负荷统计资料⽤户名称最⼤负荷(KW )cos 回路数重要负荷百分数(%)矿机⼚机械⼚汽车⼚电机⼚炼油⼚饲料⼚1800 900 2100 2400 2000 6000.95 0.95 0.95 0.95 0.95 0.952 2 2 2 2 262 62 62 62 62 625. 待建变电所与电⼒系统的连接情况如图 1-1所⽰。
1.2 变电所的设计内容1. 选择本变电所主变的台数、容量和类型。
2. 设计本变电所的电⽓主接线,选出数个电⽓主接线⽅案进⾏技术经济综合⽐较,确定⼀个较佳⽅案。
3. 进⾏必要的短路电流计算。
4. 选择和校验所需的电⽓设备。
5. 设计和校验母线系统。
1.3 设计成果1. 编制设计说明书。
2. 编制设计计算书。
3. 绘图若⼲张。
(1)绘制变电所电⽓主接线图。
(2)绘制220kV或110kV⾼压配电装置平⾯布置图。
(3)绘制220kV或110kV⾼压配电装置断⾯图(进线或出线)。
引言变电所是电力系统的重要组成部分,它直接影响整个电力系统的安全与经济运行,是联系发电厂和用户的中间环节,起着变换和分配电能的作用。
电气主接线是发电厂变电所的主要环节,电气主接线的拟定直接关系着全厂(所)电气设备的选择、配电装置的布置、继电保护和自动装置的确定,是变电站电气部分投资大小的决定性因素。
一个典型的变电站要求变电设备运行可靠、操作灵活、经济合理、扩建方便。
出于这几方面的考虑,本论文设计了一个35kV降压变电站,此变电站有两个电压等级,一个是35kV,一个是10kV。
同时对于变电站内的主设备进行合理的选型。
本设计选择选择两台主变压器,其他设备如断路器,隔离开关,电流互感器,电压互感器,无功补偿装置和继电保护装置等等也按照具体要求进行选型、设计和配置,力求做到运行可靠,操作简单、方便,经济合理,具有扩建的可能性和改变运行方式时的灵活性。
使其更加贴1 设计任务书1.1 设计内容要求设计一35KV/10KV降压变电所的电气部分1.2 原始资料1、所设计的35KV/10KV降压变电所为企业变电所,一次设计并建成。
2、距本变电所6.17KM 处有一系统变电所,该所与本所以双回线路相连接,该系统变电所在该所高压母线上的短路容量为600MVA。
3、待设计的变电所10KV无电源,4、负荷情况:本变电所10KV侧共向8个车间的负荷供电,其中一类负荷占25%,其余为二类负荷。
一、二类负荷共计6000KW。
5、本变电所的自用负荷约78KVA。
6、环境条件年最高气温:40℃最高月平均气温:34℃年最低气温:-4℃地震烈度:7度以上年平均雷电日:90天海拔高度:75M7、一些负荷参数的取值:a.负荷功率因数均取cosφ=0.85b.负荷同期率 Kt=0.9c.年最大负荷利用小时数Tmax=4000小时/年d.各电压等级的出线回路数在设计中根据实际需要来决定。
各电压等级是否预备用线路请自行考虑决定。
1.3 设计任务1、设计本变电所的主电路,论证设计方案是最佳方案,选址主变压器的容量和台数。
. . ..毕业论文系(部):水利水电工程系专业班级:10秋姓名:小龙学号:54目录毕业设计计算书2第一篇 110KV变电所电气一次部分设计2第一章负荷资料21.1、工程概况:21.2、气候条件2第二章变电站主变压器的选择32.1设计原则32.2主变容量与台数选择32.2.1 选择计算32.2.2.相数选择4绕组数量和连接方式的选择42.2.4 主变阻抗和调压方式选择42.2.5 容量比52.2.6 冷却方式52.2.7 电压级选择5全绝缘,半绝缘问题5. 资第三章电气主接线设计53.1电气主接线5电气主接线设计的基本要求5各电压级主接线型式选择63.2所用电设计7所用变电源数量及容量的确定73.2.2 所用电源引接方式83.3变压器中性点接地方式和中性点设计[4]83.4无功补偿设计8无功补偿的意义8无功补偿装置的容量确定8并联电容器装置的分组与接线9单台电容器容量与台数的确定9计算9第四章线路及变压器回路电流IFma*第五章短路电流计算95.1短路计算目的95.2短路电流计算的一般规定95.3短路电流的计算方法10第六章电气设备的选择与校验116.1本次设计中电器选择的主要任务11导体和绝缘子11电器设备116.2选择导体和电器的一般原则116.3 开关电器选择116.3.1 断路器型式选择116.3.2 隔离开关的选择原则126.3.3 电压互感器的选择原则12电流互感器选择原则126.4电气设备的选择12第二篇**巴楚县110kV变电所二次设计部分设计21第七章概述217.1 继电保护装置的作用[9]217.2电力系统对继电保护的基本要求[10]217.3 保护整定时应考虑的问题22选择保护配置及构成方案时的基本原则227.3.2 系统运行方式的确定227.3.3 短路点的确定22第八章**巴楚县110kV变电所保护配置方案设计238.1主变压器保护配置方案的设计23第九章变压器差动保护整定与计算239.1差动保护保护围239.2 变压器保护的整定计算[11]239.2.1确定保护的动作电流239.2.2 确定保护的二动作电流和差动线圈匝数249.2.3非基本侧工作线圈和平衡线圈匝数选择24 总结24参考文献25致25毕业设计计算书第一篇 110KV变电所电气一次部分设计第一章负荷资料1.1、工程概况:随着改革开放政策的深放,城市化发展,各工商业用电也在不断的增长。
任务书一、设计内容要求设计一35KV变电所的电气部分二、原始资料1、某企业为保证供电需求,要求设计一座35KV降压变电所,以10KV电缆给各车间供电,一次设计并建成。
2、距本变电所7Km处有一系统变电所,由该变电所用35KV双回路架空线路向待定设计的变电所供电,在最大运行方式下,待设计的变电所高压母线上的短路功率为1080MVA 。
3、待设计的变电所10KV无电源。
4、本变电所10KV母线到各个车间(共有8个车间)均用电缆供电,其中一车间和二车间为一类负荷,其余为三类负荷,Tmax=400h ,各馈线负荷如表1—1(表1—1)5、所用电的主要负荷见表1—2(表1—2)6、环境条件(1)当地最热月平均最高温度29.9°c,极端最低温度-5.9°c,最热月地面0.8m处土壤平均26.7°c ,电缆出线净距100mm。
(2)当地海拔高度507.4m。
雷暴日数36.9日/年:无空气污染,变电所地处在P≤500m·Ω的黄土上。
三、设计任务1 、设计本变电所的主电路,论证设计方案是最佳方案,选择主变压器的容量和台数;2 、设计本变电所的自用电路,选择自用变压器的容量和台数;3 、计算短路电流;4、选择导体及电气设备。
四、设计成果1 、设计说明书和计算书各一份2 、主电路图一份五、主要参考资料1、水利电力部西北电力设计院编。
电力工程电气设计手册(第一册)。
北京:中国水利电力出版社。
1989.122、周问俊主编。
电气设备实用手册。
北京:中国水利水电出版社,19993、陈化钢主编。
企业供配电。
北京:中国水利水电出版社,2003.94、电力专业相关教材和其它相关电气手册和规定1电气主接线设计方案1.1电气主接线概述为满足生产需要,变电站中安装有各种电气设备,并依照相应的技术要求连接起来。
把变电站、断路器等按预期生产流程连成的电路,称为电气主接线。
电气主接线是由高压电器通过连接线,按其功能要求组成接受和分配电能的电路,成为传输强电流、高电压的网络,故又称为一次接线或电气主系统。
110KV变电站电⽓部分设计⼀、毕业设计的⽬的毕业设计是本专业教学计划中的重要环节。
此次毕业设计的⽬的是通过变电站设计实践,综合运⽤所学知识,贯彻执⾏我国电⼒⼯业有关⽅针政策,理论联系实际,锻炼独⽴分析和解决电⼒⼯程设计问题的能⼒,为未来的实际⼯作奠定必要的基础。
⼆、主要设计内容设计内容为变电站电⽓⼀次部分和⼆次部分。
电⽓⼀次设计包括主变的选择,电⽓主接线设计,短路电流计算,电⽓设备选择等。
主接线设计中,初选两个可⾏⽅案中必须包含有最佳⽅案,并通过技术经济⽐较,主要是技术⽅⾯的论证,将其选出使⽤。
在短路计算中,要求计算三相短路和各种不对称短路(单相短路接地,两相短路,两相短路接地)。
短路计算点不宜选得过多,如不同电压等级的母线上,出线电抗器后等。
变电站电⽓设备种类很多,这⾥只对⼏种主要设备进⾏选择:要求选择断路器,隔离开关,母线,绝缘⼦,电压互感器,电流互感器,避雷器,熔断器,消弧线圈等,如根据具体题⽬需配置其它设备可再进⼀步选择。
电⽓⼆次设计主要进⾏变压器保护的整定计算,以及其他保护的规划配置,⽆需整定计算。
设计中使⽤的有关数据,有些在后⾯已给出,若没有给出的请参照规程,⼿册⾃⾏选⽤合理的数值,或向指导⽼师请教。
三、重点研究问题1. 选择本变电所主变的台数、容量和类型。
2. 设计本变电所的电⽓主接线,选出两个电⽓主接线⽅案进⾏技术经济综合⽐较,确定⼀个较佳⽅案。
3. 进⾏短路电流计算。
4. 选择和校验所需的电⽓设备。
5. 变压器保护的整定计算。
四、主要技术指标或主要设计参数1`变电所建设规模:1)变电所电压等级:110/35/6 Kv2)与系统连接情况:3)该变电站通过双回65Km的110Kv线路(线路电位长度电抗0.4Ω/Km)与⼀电⼚相连,电⼚机组参数:2×25MW,x”d=0.13,x2=0.160,cos =0.8;发电机出⼝变压器参数:2×31.5MVA,Us(%)=10.5。
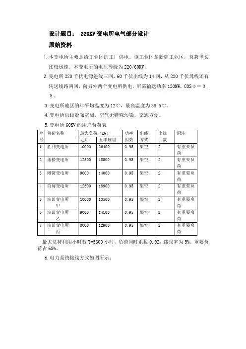
设计题目:220KV变电所电气部分设计
原始资料
1.本变电所主要是给工业区的工厂供电。
该工业区是新建工业区,负荷增长
比较迅速。
本变电所的电压等级为220/60KV。
2.变电所220千伏电源进线三回,60千伏出线为14回,从220千伏母线还有
转送线路两回,向另外两个变电所供电,所需输送功率120MW,COSφ=0.
8。
3.变电所地区的年平均温度为12℃,最高温度为38.5℃。
4.变电所出线走廊宽阔,空气无特殊污染,交通方便。
5.变电所60KV的用户负荷表
最大负荷利用小时数T=5600小时,负荷同时系数0.92,线损率为5%。
重要负荷占68%。
6.电力系统接线方式如图所示:
设计任务
1、设计本变电所电气主接线的基本形式。
2、选择本变电所主变压器的型号、容量和台数。
3、进行短路电流计算。
4、进行主要电气设备的选择。
5、进行本变电所高压配电装置的规划设计。
6、进行本变电所防雷保护的规划设计。
7、进行本变电所继电保护和自动装置的规划设计
设计成果
说明书:电气主接线,所用电、电气设备的选择,继电保护的配置,变电所防雷保护及接地装置、变电所配电装置。
计算书:短路电流,负荷电流计算,主要设备选择。
图纸:电气主接线图、防雷保护范围和总平面布置图各1张。
10kV变电站电气部分设计概述:本文档旨在介绍10kV变电站电气部分的设计要点和流程。
设计要点:1. 变电站布置:根据实际需求和空地情况,确定变电站的布置方案,包括输电、配电、控制等设备的位置和排布方式。
2. 主变压器选型:根据负荷需求和功率因数等因素,选择适当容量和额定电压的主变压器,并进行设计计算。
3. 母线系统设计:设计合理的母线系统,包括输入、输出和联络开关的安装和连接方式。
4. 单元电源设计:根据设备需求,设计稳定可靠的单元电源系统,包括电池组、充电设备和监控系统等。
5. 自动化系统:设计自动化系统,实现对电力设备的监控、测量和保护,包括远动、遥控、遥信等功能。
6. 输电线路设计:根据负荷需求和供电线路条件,设计输电线路的参数和排布。
7. 配电系统设计:根据负荷需求和供电条件,设计配电系统的参数和布置,包括开关设备、保护设备和配电盘等。
8. 接地系统设计:设计合理的接地系统,确保安全可靠的接地电阻。
设计流程:1. 方案设计:根据需求和规范要求,确定变电站的整体设计方案。
2. 详细设计:对各项电气设备进行详细设计,包括选型、布置和接线等。
3. 设备采购:根据设计要求,进行电气设备的采购和交付。
4. 设备安装:按照设计要求,进行电气设备的安装和调试。
5. 系统调试:对整个电气系统进行综合测试和调试,确保各项功能正常。
6. 运行维护:定期进行设备巡检、维护和保养,确保设备的安全可靠运行。
总结:本文档介绍了10kV变电站电气部分设计的要点和流程,包括布置、选型、接线、安装、调试和维护等方面。
通过合理的设计和严格的实施,可以确保变电站的电气系统安全、稳定和可靠运行。
500kV变电站电气部分设计毕业设计说明书题目:500kV变电站电气部分设计院系名称:___学生姓名:指导教师:目录1.绪论1.1 课题研究意义本文的研究意义在于对500kV变电站电气部分的设计进行详细的探讨,为电力行业的发展提供技术支持。
1.2 国内外发展现状目前,我国电力行业正处于快速发展的阶段,对于500kV 变电站电气部分的设计要求日益提高。
同时,国外也在不断推进电力技术的发展,为我国电力行业的发展提供了借鉴和启示。
2.电气主接线的确定2.1 主接线的选取原则与设计依据在确定主接线时,需要考虑电流负荷和安全等因素,同时也要遵循相关的设计规范和标准。
2.2 各电压等级侧接线选择在选择各电压等级侧接线时,需要考虑电压等级和电流负荷等因素,同时也要遵循相关的设计规范和标准。
3.负荷计算与变压器选择3.1 主变压器选择在选择主变压器时,需要考虑负荷情况和电压等级等因素,同时也要遵循相关的设计规范和标准。
3.2 站用变压器的选择在选择站用变压器时,需要考虑负荷情况和电压等级等因素,同时也要遵循相关的设计规范和标准。
4.最大持续工作电流以及相关短路电流计算4.1 最大持续电流计算在计算最大持续电流时,需要考虑负荷情况和电气设备的额定电流等因素。
4.2 确定短路电流点以及短路电流的计算在确定短路电流点和计算短路电流时,需要考虑电气设备的额定电流和短路电流等因素。
5.主要电气设备的选择与校验5.1 方案设计设备的选取依据在选择方案设计设备时,需要考虑设备的技术指标和性能等因素,同时也要遵循相关的设计规范和标准。
5.2 断路器选择在选择断路器时,需要考虑额定电流和短路电流等因素,同时也要遵循相关的设计规范和标准。
本文主要研究的是变电站的设计和建设,这是电力行业中非常重要的一环。
随着电力需求的不断增长,变电站的建设变得越来越紧迫。
因此,对于变电站的设计和建设进行深入研究,可以提高电力行业的效率和可靠性。
2.变电站的设计原理2.1变电站的基本原理变电站是电力系统中的重要组成部分,主要用于将高压电能转换成低压电能,以满足用户的需求。
某厂降压变电所电气部分设计电气部分设计是降压变电所的重要组成部分,主要负责变电所内电力系统的安全、可靠运行。
下面是厂降压变电所电气部分设计的1200字以上的相关信息。
1.项目背景厂降压变电所是为了满足厂区用电需求而建设的,主要包括降压变电设备、开关设备、保护设备等。
通过合理的电气部分设计,可实现稳定供电、安全运行。
2.设计原则在电气部分设计中,首先要遵循以下原则:(1)符合国家电气设计规范和标准,保证安全可靠;(2)合理配置设备容量,满足厂区用电需求;(3)考虑未来扩容和升级的需求;(4)充分考虑节能和环保要求。
3.设计内容(1)变电所布置设计:根据厂区的地形、用电负荷分布等情况,确定变电所的布置位置和朝向;(2)供电方案设计:确定供电方式和供电站点,设计供电线路和接地装置;(3)变压器选择和配置:根据用电负荷需求,选择合适的变压器,并设计变压器的容量、绝缘等级等参数;(4)开关设备设计:根据供电方案,设计开关设备的类型、数量和分布,确保供电系统的可靠性和灵活性;(5)保护设备设计:根据供电设备和负荷特性,设计保护装置的类型、参数和配置;(6)配电系统设计:设计配电系统的布置、线路、电缆等,确保供电可靠性和安全性;(7)接地设计:设计接地系统的类型和参数,确保电气设备和人员的安全;(8)照明设计:根据厂区的照明需求,设计照明系统的类型、布局和控制方式;(9)监控与报警设计:设计监控系统和报警系统,实时监测电气设备状态,及时发现和处理故障。
4.设计要求(1)供电系统要能满足厂区的用电需求,保证电力供应的可靠性和稳定性;(2)各种设备和线路要符合国家标准和规范,相关设备和材料要具备合格证明;(3)设备和线路要具备良好的绝缘性能和耐久性能,确保长期安全运行;(4)供电系统要具备远程监控和自动化控制能力,减少人为操作的风险;(5)设计要考虑设备运行的灵活性和扩容的可能性,为未来的发展和升级留下余地。
以上是厂降压变电所电气部分设计的相关信息,通过合理的设计和配置,可使变电所的电气设备安全可靠运行,并满足厂区的用电需求。
某工厂10kV车间变电所电气部分设计摘要本设计的题目为“某工厂10kV车间变电所电气部分设计"。
设计的主要内容包括:10/0。
4kV变电所主变压器选择;变电所电气主接线设计;短路电流计算;负荷计算;无功功率补偿;电气设备选择(母线、高压断路器、隔离开关、电流互感器、电压互感器、避雷器和补偿电容器);配电装置设计;继电保护规划设计;防雷保护设计等。
其中还对变电所的主接线通过CAD制图直观的展现出来。
本次设计的内容紧密结合实际,通过查找大量相关资料,设计出符合当前要求的变电所。
本变电所对低压侧负荷的统计计算采用需要系数法;为减少无功损耗,提高电能的利用率,本设计进行了无功功率补偿设计,使功率因数从0.74提高到0.96;短路电流的计算包括短路点的选择及其具体数值计算;而电气设备选择采用了按额定电流选择,按短路电流计算的结果进行校验的方法;继电保护设计主要是对变压器进行电流速断保护和过电流保护的设计计算;配电装置采用成套配电装置;本变电所采用避雷针防直击雷保护。
关键词:短路电流计算,继电保护,接地装置,变压器目录前言 (III)第1章任务说明 (IV)1。
1 设计要求 (IV)1.2 负荷情况 (IV)第2章机加工车间的负荷计算 (V)2。
1 负荷计算 (V)2.2 无功功率补偿 .................................................................................................................... V II 第3章工厂变电所的设备选择及主接线设计.. (IX)3.1 变电所主结线的选择............................................................................... 错误!未定义书签。
3。
1.1 变电所主接线的选择原则........................................................ 错误!未定义书签。
目录第 1 章变电所概况 (1)1.1 工程概况 (1)1.2 变电所位置分 (1)第 2 章电气主接线设计 (1)2.1 设计原则 (1)2.2 方案论证 (2)2.3负荷的计算 (3)2.4主变压器的选择 (4)第3 章短路电流计算 (5)3.1 计算目的 (5)3.2计算过程 (6)第4 章母线及电气设备的选择..................................................................... .................... .7 4.1断路器和隔离开关的选择 (8)4.2母线的选择............................................................................................ .11 结论及心得体会.......................................................................................... . (15)参考文献 (16).第一章.变电所概况1.1工程概况根据任务书上所给系统与线路及所有负荷的参数,分析负荷发展趋势。
从负荷增长方面阐明了建站的必要性,然后通过对拟建变电所的概括以及出线方向来考虑,并通过对负荷资料的分析,安全,经济及可靠性方面考虑,确定了110KV,10KV以及站用电的主接线,然后又通过负荷计算及供电范围确定了主变压器台数,容量及型号,同时也确定了站用变压器的容量及型号,最后,根据最大持续工作电流及短路计算的计算结果,对高压断路器,隔离开关,母线进行了选型,然后根据短路电流及冲击电流进行相关的校验,从而完成了110KV电气一次部分的设计,并力求在可靠性的前提下,做到运行操作简便,运行灵活,经济合理。
1.2变电所位置分待建的城中110KV降压变电所在城市近郊并向造纸厂、硅铁厂、电视机厂、毛纺厂、缝纫机厂、医院、自行车厂、学校供电。
目录第一章绪论 (2)第二章电气主接线的方按及论证 (4)第一节6~220KV主接线 (4)第二节主接线的选择与设计 (11)第三节变压器接地方式 (14)第三章变电所电力变压器的选择 (15)第一节电力变压器的选择 (15)第二节功率因数和无功功率补偿 (16)第四章短路电流计算 (19)第一节短路电流计算的概述 (19)第二节短路电流的计算 (21)第五章变电所一次设备的选择 (24)第一节电气一次设备的选择原则 (24)第二节一次设备的选择与检验 (29)第三节导体的设计 (37)第四节高压熔断器的选择 (42)第六章高压配电装置 (44)第一节设计原则与要求 (44)第二节6---110KV配电装置 (47)第七章变电所防雷与接地规划 (49)第八章继电保护 (53)第一节概述 (53)第二节变压器的保护 (56)第三节母线的继电器保护 (57)第九章仪表规划 (58)设计总结................................................. 错误!未定义书签。
参考文献 (61)英文翻译 (61)致谢 (72)第一章绪论一、110KV变电所的技术背景近年来,我国的电力工业在持续迅速的发展,而电力工业是我国国民经济的一个重要组成部分,其使命包括发电、输电及向用户的配电的全部过程。
完成这些任务的实体是电力系统,电力系统相应的有发电厂、输电系统、配电系统及电力用户组成。
110KV变电所一次部分的设计,是主要研究一个地方降压变电所是如何保证运行的可靠性、灵活性、经济性。
而变电所是作为电力系统的一部分,在连接输电系统和配点系统中起着重要作用。
我们这次选题的目的是将大学四年所学过的《电力工程》、《电力系统自动化》、《电机学》、《电路》等有关电力工业知识的课程,通过这次毕业设计将理论知识得以应用。
二、设计依据这次设计的基本原则是以设计任务书为依据,以所学知识为基础,以国家经济建设的方针政策,技术规范为标准,结合工程的实际情况,在保证供电可靠性、高度灵活,满足各项技术要求的前提下。
某工厂车间变电所电气部分设计1. 引言本文档旨在对某工厂车间变电所的电气部分进行设计,并详细说明其设计方案和相关要求。
电气部分的设计是变电所建设中非常重要的一环,它关系到工厂的电力供应稳定性和安全性。
因此,在设计过程中需要充分考虑各种因素,确保方案的合理性和可行性。
2. 设计概述2.1 设计背景某工厂车间变电所的建设是为了满足工厂对电力需求的提供和分配。
车间变电所负责将输送来的高电压电能变压降至工厂所需的低电压,并通过配电系统将电能供应给各个车间。
2.2 设计目标•确保电气部分的安全性和稳定性•提供稳定、可靠的电力供应•尽量降低能源损耗•具备一定的扩展能力,以适应未来的工厂扩建或改造2.3 设计范围本设计主要涉及以下几个方面的内容:•变电所的布置和容量选择•主变压器和配电变压器的选择和设置•低压配电系统的设计•控制系统的设计3. 设计详述3.1 变电所的布置和容量选择根据工厂的用电负荷和布置要求,变电所应位于离主厂房较近的位置,便于输电线路的接入和维护。
根据工厂用电负荷的需求,变电所的容量应足够满足最大负荷的需求,并预留一定的容量用于未来的扩建。
3.2 主变压器和配电变压器选择和设置主变压器的选型应根据工厂的用电需求来确定,主要考虑额定容量、额定电压、短路阻抗等因素。
配电变压器的选择和设置应根据各个车间的用电负荷需求确定,确保电能的稳定供应。
3.3 低压配电系统的设计低压配电系统包括配电柜、电缆、开关设备等。
在设计过程中,应根据车间的用电负荷和分布情况,合理设置配电柜和选择适当容量的电缆和开关设备。
同时,还应考虑安全因素,采取相应的保护措施,如短路保护、过载保护等。
3.4 控制系统的设计控制系统主要包括自动化控制和监控设备。
根据工厂的需求,配备相应的控制设备和监控系统,实现对变电所的远程监控和自动化控制。
同时,还应设置相应的报警和故障诊断系统,以便及时发现并处理潜在的问题,确保电力供应的可靠性。
变电所电气部分设计公司标准化编码 [QQX96QT-XQQB89Q8-NQQJ6Q8-MQM9N]目录引言 (3)第一篇任务说明书 (4)第二篇设计说明书 (6)1.概述 (6)2. 电气主接线设计 (7)电气主接线概述 (7)主接线设计 (7)35KV侧主接线设计 (7)10KV侧主接线设计 (11)3. 主变压器数量、台数和型号的选择 (12)4.所用变的选择与设计 (14)5.短路电流的计算 (15)6.202023 (23)27 (31)31 (33)34 (37) (37).........38 7. 无功补偿 (39)第三篇计算书 (44)1. 主变压器的容量计算 (44)2. 所用变的容量计算 (44)3. 短路电流的计算 (45)结论 (48)参考文献 (49)附录 (50)电气主接线图 (50)引言随着电力行业的不断发展,人们对电力供应的要求越来越高,特别是供稳固性、可靠性和持续性。
然而电网的稳固性、可靠性和持续性往往取决于变电所的合理设计和配置。
变电所是电力系统的重要组成部分,它直接影响整个电力系统的安全与经济运行,是联系发电厂和用户的中间环节,起着变换和分配电能的作用。
电气主接线是发电厂变电所的主要环节,电气主接线的拟定直接关系着全厂(所)电气设备的选择、配电装置的布置、继电保护和自动装置的确定,是变电站电气部分投资大小的决定性因素。
一个典型的变电站要求变电设备运行可靠、操作灵活、经济合理、扩建方便。
出于这几方面的考虑,本论文设计了一个35kV降压变电站,此变电站有两个电压等级,一个是35kV,一个是10kV。
同时对于变电站内的主设备进行合理的选型。
本设计选择选择两台主变压器,其他设备如断路器,隔离开关,电流互感器,电压互感器,无功补偿装置和继电保护装置等等也按照具体要求进行选型、设计和配置,力求做到运行可靠,操作简单、方便,经济合理,具有扩建的可能性和改变运行方式时的灵活性。
使其更加贴合实际,更具现实意义。
第一篇电气工程基础设计任务书一、设计内容要求设计一35kv变电所的电气部分。
二、原始资料1、某企业为保证供电需求,要求设计一座35KV降压变电所,以10KV电缆给各车间供电,一次设计并建成。
2、距本变电所7Km处有一系统变电所,由该变电所用35KV双回路架空线路向待定设计的变电所供电,在最大运行方式下,待设计的变电所高压母线上的短路功率为1080MVA 。
3、待设计的变电所10KV无电源,4、本变电所10KV母线到各个车间(共8个车间)均用电缆供电,其中一车间和二车6、环境条件(1)当地最热月平均最高温度°c,极端最低温度°c,最热月地面处土壤平均°c ,电缆出线净距100mm。
(2)当地海拔高度507.4m。
雷暴日数日/年:无空气污染,变电所地处在P≤500m·Ω的黄土上。
三、设计任务1 、设计本变电所的主电路,论证设计方案是最佳方案,选择主变压器的容量和台数;2 、设计本变电所的自用电路,选择自用变压器的容量和台数;3 、计算短路电流;4、选择断路器和隔离开关;四、设计成果1 、设计说明书和计算书各一份2 、主电路和所用电路图各一份五、主要参考资料1 水利电力部西北电力设计院编电力工程电气设计手册(第一册)[M] 北京:中国水利电力出版社.1989 .122 周问俊主编电气设备使用手册[M].北京:中国水利水电出版社,19993 陈化钢主编企业供配电[M].北京: 中国水利水电出版社,4 电力专业相关教材和其它相关电气手册和规定第二篇 35/10KV降压变压所初步设计说明书1 概述设计依据根据设计任务书给出的条件。
设计原则1、要遵守国家的法律、法规,贯彻执行国家经济建设的方针、政策和基本建设程序,特别是应贯彻执行提高综合经济效益和促进技术进步的方针。
2、要根据国家规范、标准与有关规定,结合工程的不同性质不同要求,要实行资源的综合利用,要节约能源、水源,要保护环境,要节约用地并合理使用劳动力,要立足于自力更生。
变电站建设的必要性及规模1、变电站建设的必要性为了加强企业供电可靠性,减少线路损耗,适应日益增长的负荷发展需要,35KV 变电所的选址于距离一电力系统变电所6KV处,其近邻工厂,其主要供电对象是企业的各个车间,这样设计减小了供电半径,供电线损大幅下降,供电量增加,适应现代化建设与发展的需要,有利于企业的经济发展。
2、本工程建设规模(1)、企业变电站为35kV/10kv降压变电站,该类变电站一般为无人职守的综合自动化站,容量为2*6300千伏安,企业变电站安装两台SZ9-6300/35主变压器,35kV为内桥接线。
(2)、企业变电站选址在企业附近,地势平缓,海拔高度,气象条件见《任务书》的环境条件。
10kV采用屋内配电装置,电缆出线,10kV电空器室外布置。
2. 电气主接线设计电气主接线概述发电厂和变电所中的一次设备、按一定要求和顺序连接成的电路,称为电气主接线,也成主电路。
它把各电源送来的电能汇集起来,并分给各用户。
它表明各种一次设备的数量和作用,设备间的连接方式,以及与电力系统的连接情况。
所以电气主接线是电力系统接线组成中的一个重要组成部分。
主接线的确定,对电力系统得安全、稳定、灵活、经济运行以及变电所电气设备的选择、配电装置的布置、继电保护和控制方法的拟定将会长生直接的影响。
(1)主接线的原则1发电厂、变电所在电力系统中的地位和作用;2发电厂、变电所的分期和最终建设规模;3负荷大小和重要性;4系统备用容量大小;5系统专业对电气主接线提供的具体资料。
(2)主接线设计的基本要求根据我国能源部关于《220~500kV变电所设计技术规程》SDJ 2-88规定:“变电所的电气主接线应根据该变电所在电力系统中地位,变电所的规划容量、负荷性质、线路、变压器连接元件总数、设备特点等条件确定。
并应综合考虑供电可靠、运行灵活、操作检修方便、投资节约和便于过渡或扩建等要求。
”因此对主接线的设计要求可以归纳为以下三点。
1可靠性;2灵活性;3经济性。
主接线设计2.2.1 35Kv侧主接线设计通过阅读各类相关资料可知,为了降低电能损耗,应选用低损耗节能变压器。
在电压偏差不能满足要求时,35kV降压变电所的主变压器应首先采用有载调压变压器。
35kV变电所主接线应根据变电所在电力网中的地位、进出线回路数、设备特点及负荷性质等条件确定。
并应满足供电可靠、运行灵活、操作检修方便、节约投资和便于扩建等要求。
变电所主接线要满足安全、可靠、灵活、经济的基本要求。
其中,安全包括设备安全及人身安全;可靠应满足一次接线应符合一、二级负荷对供电可靠性的要求;灵活即用最少的切换来适应各种不同的运行方式,检修时操作简便,另外,还应能适应负荷的发展,便于扩建。
;经济尽量做到接线简化、投资省、占地少、运行费用低。
在我们这组设计中35kV变电所主接线一般有单母线、单母线分段、双母线接线、单元接线、内桥式、外桥式方式可以考虑其可行性。
具体分析如下:单母线优点是简单、清晰、设备少,但可靠性与灵活性不高。
(见下图1、2)一般供三级负荷,两路电源进线的单母线可供二级负荷。
由于在该设计中用户不仅有二级负荷而且还有一级负荷,同时可靠性和灵活性也尤为重要,鉴于这些方面的原因,单母线的优点显然不足以使用户满意,也有背于我们设计无人值班变电所的基本思想和初衷,因此我们这里不考虑单母线的方式。
图单母线分段从上图可以看出单母线分段虽然也能供给一级负荷,并且由于采用分段形式,变压器一用一备,较之单母线确实也在一定程度上大大提高了供电的可靠性和灵活性,与我们的设计似乎有些相投,但我们也可以看到母线分段后带来的问题,比如母线分段后,我们需要在母线分段部位采用联络柜,这样就增加了投资经费,而且也会增加选择时的计算,并且还要考虑到和母线之间的匹配问题。
因此我们再将其它几种接线方式做一翻讨论,看看有没有那一种接线方式能比单母线分段更出色,既能提高供电的可靠性和灵活性又能使投资建设经费降到最低,使变电所的接线方式尽量在最大程度上满足设计要求。
双母线接线方式能保证所有出线的供电可靠性,用于有大量一、二级负荷的大型变配电所。
但我们也知道,我们设计的变电所并非大型变配电所,而是中小型变配电所,而且双母线在形式上多了一根母线,这样也增加了投资成本,这也是用户所不愿意看到的。
因此,即使双母线能保证可靠性,并且适用于一、二级负荷,这里也不考虑采用。
单元接线,当有两路电源进线和两台主变压器时,可采用双回线路-变压器组单元接线,再配以变压器二次侧的单母线分段接线,则可靠性大大提高,见图2.4.4所示。
这种接线方式同样也与单母线分段方式相同的是投资成本并不会随着没有母线的存在而减少,因此我们还有必要继续讨论桥式接线。
桥式接线,分内桥式和外桥式两种:能实现电源线路和变压器的充分利用,如变压器T1故障,可以将T1切除,由电源1和电源2并列给T2供电以减少电源线路中的能耗和电压损失。
(接线方式见图)但我们也可以从接线图中看出两者之间的区别:内桥式,当变压器发生故障时,倒闸操作多,恢复时间长,而当线路发生故障时,倒闸操作少,恢复时间短。
而外桥式的操作特点则恰恰与内桥式相反。
因此内桥式接线适用于线路较长或不需要经常切换变压器的情况。
由本次设计的基本思想可以看到,变压器不会有多次的切换操作,而且我们这里35kV总降压变电所是由供电部门提供的,因此线路长是在所难免的,加上内桥式接线是无母线制,这样可以省去母线的投资费用,在形式上,它比单母线分段又少了分段部分的联络部分,这样又可以省去联络柜,同时桥形接线具有接线简单清晰、设备少、造价低、易于发展成为单母线分段或双母线接线,为节省投资,在发电厂或变电站建设初期,可先采用桥形接线,并预留位置,随着发展逐步建成单母线分段或双母线接线。
发生故障,分段断路器自动将故障切除,保证正常母线供电不间断,所以此种接线方式同时兼顾了可靠性,灵活性,经济性的要求。
结论通过分析比较, 35KV侧接线方式为内桥式为最佳,考虑到供电可靠性和经济性的需要,在10kV侧采用单母线分段的接线方式。
主接线图如图所示为3. 主变压器的选择(1)、主变台数的选择在变电站中,用来向电力系统或用户输送功率的变压器,称为主变压器。
《35~110KV变电所设计规范》规定,主变压器的台数和容量,应根据地区供电条件、负荷性质、用电容量和运行方式等条件综合考虑确定。
在有一、二级负荷的变电所中宜装设两台主变压器,当技术经济比较合理时,可装设两台以上主变压器。
装有两台及以上主变压器的变电所,当断开一台时,其余主变压器的容量不应小于 60%的全部负荷,并应保证用户的一、二级负荷。
主变压器台数和容量直接影响主接线的形式和配电装置的结构。