沥青混合料马歇尔稳定度试验
- 格式:doc
- 大小:34.50 KB
- 文档页数:6
沥青混合料马歇尔试验一、马歇尔实验简介沥青混凝土配合比设计采用马歇尔实验配合比设计法。
该法是首先按配合比设计拌制沥青混合料,然后击实制成规定尺寸试件,12h 之后测定其物理指标(包括表观密度、空隙率、沥青饱和度、矿料间隙率等),然后测定稳定度和流值。
马歇尔实验分为稳定度实验和浸水马歇尔稳定度实验;马歇尔稳定度实验是对标准击实的试件在规定的温度和速度等条件下受压,测定沥青混合料的稳定度和流值等指示所进行的实验吗,这种方法适用于马歇尔稳定度实验和浸水马歇尔稳定度实验。
马歇尔稳定度实验主要用于沥青混合料的配合比设计及沥青路面施工质量的检验。
浸水马歇尔稳定度实验主要是检验沥青混合料受水损害时抵抗剥落的能力,通过测试其水稳定性检验配合比设计的可行性。
二、具体实验操作方法1)仪具与材料①马歇尔实验仪。
对于标准马歇尔试件,实验仪最大荷载不小于25kN,加载速率应能保持(50±5)mm/min;对于大型马歇尔试件,实验仪最大荷载不得小于50kN。
②恒温水槽:控温准确度为1℃,深度不小于150mm。
③真空饱水容器:包括真空泵及真空干燥器。
④烘箱。
⑤其他:温度计,卡尺等。
2)准备工作①击实成型马歇尔试件,每组试件的数量不得小于4个。
②量测试件尺寸。
用卡尺测量试件中部的直径,在“十”字对称的4个方向量测离边缘10mm处的试件高度并以其平均值作为试件高度。
如试件高度不符合(63.5±1.3)mm或(95.3±2.5)mm要求,或两侧高度差大于2mm时,试件作废。
③测量试件的密度、孔隙率、沥青体积百分率等体积指标。
④将恒温水槽调节至要求的试验温度。
对黏稠石油沥青或烘箱养生过的乳化沥青混合料试验温度为(60±1)℃.对煤沥青混合料试验温度为(33.8±1)℃,对空气养生的乳化沥青或液体沥青混合料试验温度为(25±1)℃。
3)标准马歇尔试验①将试件置于已达到规定温度的恒温水温槽中,保温时间标准马歇尔试件30~40min,大型马歇尔试件为45~60min。
1. 引用标准:1.1《沥青路面施工及验收规范》GB50092-961.2《公路沥青路面施工技术规范》JTG F40-20041.3《公路工程沥青及沥青混合料试验规程》JTG E20-20111.4《公路路基路面现场测试规程》JTG E60-20081.5《公路工程质量检验评定标准》JTG F80/1-20041.6《公路工程施工质量验收规范》DGJ08-119-20052. 抽样方法及样本的大小:2.1 抽样方法:2.1.1抽样:2.1.1.1取样应随机并具代表性。
以检查拌和质量(如油石比、矿料级配)为目的时应从拌和机一次放料的下方或提升斗中取样,不得多次取样混合后使用,以评定混合料质量为目的时,必须分几次取样,拌和均匀后作为代表性试样。
2.1.1.2在沥青混合料拌和厂(场)取样:2.1.1.2.1在拌和场(厂)取样,宜用专用容器在拌和机卸料斗下方,每放一次取一次样,并倒在干净平板上,连续几次,混合均匀,用四分法取足够数量。
2.1.1.2.2在运输车上取样时,在运料汽车上取沥青混合料样品时,宜在汽车装料一半后,分别用铁锹从不同方向的3个不同高度处取样,然后混在一起用手铲适当拌和均匀,取出规定数量,这种车到达施工现场后取样时,应在卸料一半后,从不同方向取样,宜在3辆不同的车上取样混合使用。
注:在运料车上取样时不得仅从满载的运料车车顶上取样,且不允许只在一辆车上取样。
2.1.1.3道路现场取样:应在摊铺后未碾压前,于摊铺宽度两侧的1/2——1/3位置,用铁锹将摊铺层的全厚铲出取样。
每车取一次样,连续3车,混匀后四分法取足够的数量。
2.1.1.4对热拌沥青混合料每次取样时,都必须用温度计测量温度,精确至1℃。
2.1.1.5乳化沥青取样方法同上,只是对袋装常温沥青混合料,可在储存的料中随机取不少于3袋样,使用时将3袋拌和四分法至需要的样。
2.1.1.6液体沥青常温沥青混料的取样方法同上,如用汽油稀释时,必须在溶剂挥发后,方可封袋保存,用柴油稀释时,可在取样后即装袋保存。
沥青混合料马歇尔试验稳定度1. 马歇尔试验的基本概念大家好!今天咱们聊聊一个挺有趣的东西,叫“沥青混合料马歇尔试验稳定度”。
别被这个长长的名字吓到,实际上它就是一种用来检查沥青路面质量的方法。
简单来说,它告诉我们沥青路面到底耐不耐用。
想象一下,咱们修了一条新的马路,如果用的沥青混合料质量不好,过不了多久这马路就会坑坑洼洼的,开车的时候得小心翼翼,生怕掉进一个大坑里。
这可不是小事儿,所以在修路之前,我们得先做这个马歇尔试验,确保沥青混合料的质量过关。
2. 马歇尔试验的步骤和意义2.1 准备工作首先,咱们得准备好一堆沥青混合料,这些混合料里不仅有沥青,还有各种石子和矿料。
别看这些材料在一起就是一大堆,它们的搭配可有讲究。
要是搭配得当,路面就结实耐用;要是不合适,那就容易出问题了。
准备好这些材料后,我们要把它们放进一个叫“马歇尔模具”的东西里,这个模具看起来像个小桶,里头放满了材料,然后加热到一定的温度,让这些材料混合得更均匀。
2.2 压实和测试接下来,就是要把这些混合料压实了。
这里的“压实”可不是随便使劲压压就行,它有一定的标准。
我们用一个叫“马歇尔稳定度试验机”的设备,按照一定的压力把混合料压成标准的样子。
压实完了后,就要进行测试了。
测试时,我们会用专门的设备来测量它的稳定性,也就是看看这块沥青混合料在外力作用下能撑多久,不会变形或者崩裂。
3. 测试结果的解读3.1 稳定度的含义好了,测试结果出来后,我们要看看“稳定度”这个数字。
稳定度高,说明这块沥青混合料非常靠谱,能承受较大的压力,适合用在路面上;稳定度低,就说明这块材料不够坚固,可能不适合用在经常受压的路面上。
简单来说,高稳定度就像是用了一块超级坚固的砖,低稳定度就像是用了一块容易碎的砖。
3.2 路面的长期表现当然,稳定度只是一个方面,实际的路面表现还跟其他因素有关。
比如说,天气变化、交通流量、车轮的压力等等。
即使沥青混合料的稳定度很高,如果其他方面没做好,也可能出现问题。
沥青混合料马歇尔稳定度试验(2007-08-21 13:54:57)转载沥青混合料马歇尔稳定度试验――表干法一、目的与适用范围本方法适用于进行沥青混合料的配合比和沥青路面施工质量检验。
本方法适用于按击实法制作沥青混合料成型的标准马歇尔试件圆柱体和大型马歇尔试件圆柱体。
二、主要试验步骤1、用表干法测出沥青混合料的密度、空隙率、沥青体积百分率、沥青饱和度、矿料间隙率等物理指标。
(1)、方法:称取干燥试件的空中质量(ma),置于网篮称取试件的水中质量(mw),取出试件擦去表面水称取试件的表干质量(mf)。
(2)、计算公式:吸水率Sa=(mf-ma)*100/(mf-mw)毛体积相对密度γf=ma/(mf-mw)毛体积密度ρf=γf×ρwρw--常温水的密度,g/cm3理论最大相对密度γt=100/(P'1/γ1+P'2/γ2+……+P'n/γn+Pb/γa)P'1……P'n--各种矿料占沥青混合料总质量的百分率,%γ1……γn--各种矿料对水的相对密度。
Pb--沥青含量,%空隙率VV=(1-γf/γt)*100理论最大密度ρt=γt×ρw体积百分率VA=Pb×γf/γa矿料间隙率VMA=VA+VV沥青饱和度VFA=VA×100/(VA+VV)2、把恒温后的试件放在加载设备上。
3、当采用自动马歇尔试验仪时,把仪器的压力传感器、位移传感器与计算机正确连接,调整好程序;当采用压力环和流值计时,将流值计安装好,调整压力环。
4、启动加载设备。
当试验荷载达到最大值时,取下流值计,读取相应数据。
5、从恒温槽中取出试件至测出最大荷载值的时间,不得超过30s。
三、计算1、当采用自动马歇尔试验仪时,画出荷载变形曲线,最大荷载即为稳定度MS(kN),荷载最大值至修正原点的变形作为流值FL(mm)。
2、当采用压力环和流值计时,根据压力环标定曲线,将压力环百分表的度数换算成荷载值,即为试样稳定度MS(kN),由流值计及位移传感器测定装置读取的试件垂直变形即为流值FL(mm)。
第1篇一、实验目的本次实验旨在了解马歇尔稳定度试验的基本原理和操作方法,通过对沥青混合料进行马歇尔稳定度试验,掌握沥青混合料的力学性能,为道路工程的设计和施工提供科学依据。
二、实验原理马歇尔稳定度试验是一种常用的沥青混合料力学性能试验方法,通过测定沥青混合料在标准条件下加载时的稳定度和流值,来评价沥青混合料的抗变形能力和密实度。
稳定度是指试件在标准条件下受到垂直荷载作用时,抵抗变形的能力;流值是指试件在达到最大荷载时产生的垂直变形。
三、实验仪器与材料1. 仪器:- 马歇尔稳定度仪- 水浴箱- 烘箱- 天平(精度为0.01g)- 刮刀- 标准筛(2.36mm、4.75mm、9.5mm)2. 材料:- 沥青混合料- 沥青- 粗集料- 细集料- 矿粉- 水或水溶液四、实验步骤1. 试样制备:- 将沥青混合料按比例称取,加入适量的沥青和矿粉,搅拌均匀。
- 将搅拌均匀的沥青混合料过筛,筛除大于2.36mm和小于9.5mm的颗粒。
- 将过筛后的沥青混合料放入烘箱中,加热至沥青完全熔化,保温至规定温度。
- 将加热后的沥青混合料倒入试模中,用刮刀刮平,并确保试模中沥青混合料的厚度一致。
2. 试样养护:- 将试模置于水浴箱中,保持水温为60±1℃,养护时间不少于48小时。
3. 试验步骤:- 将养护好的试样从试模中取出,擦去表面的水珠,并确保试样表面平整。
- 将试样置于马歇尔稳定度仪的试验台上,调整试验仪的荷载速度为50±5mm/min。
- 开始加载,直至试样破坏,记录破坏时的荷载值和流值。
五、实验结果与分析1. 稳定度试验结果:- 记录每个试样的稳定度值,计算平均值。
2. 流值试验结果:- 记录每个试样的流值,计算平均值。
3. 结果分析:- 分析沥青混合料的稳定度和流值,评价其抗变形能力和密实度。
- 比较不同沥青混合料的性能,为道路工程设计提供参考。
六、实验结论通过本次马歇尔稳定度试验,我们掌握了沥青混合料的力学性能评价方法,了解了沥青混合料的抗变形能力和密实度。
沥青混合料马歇尔稳定度原始记录全文共四篇示例,供读者参考第一篇示例:沥青混合料马歇尔稳定度是评定沥青混合料抗变形能力的重要指标之一,也是衡量沥青混合料质量优劣的重要标准之一。
通过对沥青混合料马歇尔稳定度的测试,可以及时发现沥青混合料的质量问题,确保道路工程的施工质量和交通安全。
一、测试日期:2020年10月10日二、测试单位:某某实验室三、测试方法:按照《公路工程沥青混合料马歇尔设计方法(JTG E20-2011)》的规定进行测试四、测试设备:马歇尔稳定度试验机、压实模具、摆锤、振动器等五、测试样品:取自某某路段沥青混合料施工现场的样品六、测试环境:室内温度25℃,相对湿度50%七、测试步骤:1. 将取样的沥青混合料加热到约160℃的温度,然后与玻璃珠混合均匀。
2. 将混合料装入预热好的压实模具中,分层压实,在每一层压实过程中使用摆锤敲击模具,以充分密实混合料。
3. 将压实好的样品放入马歇尔稳定度试验机中,进行稳定度测试,记录每次加载的应变和应力。
4. 稳定度测试完成后,根据测试结果计算出样品的稳定度值,并进行数据分析。
八、测试结果:经过稳定度测试,得到的沥青混合料的稳定度值为1200N。
根据JTG E20-2011的规定,该稳定度值属于优秀等级,符合道路工程使用的要求。
通过本次沥青混合料马歇尔稳定度测试,证明该批沥青混合料的质量良好,适合用于道路工程的施工。
也验证了实验室测试设备的准确性和稳定性,为后续的道路工程施工提供了可靠的数据支持。
沥青混合料马歇尔稳定度测试是一个重要的质量控制环节,可以有效评估沥青混合料的抗变形能力,为道路工程的质量和安全提供保障。
希望各相关单位在工程施工中能够加强对沥青混合料的质量检测和监控,确保道路工程的长久稳定和安全运行。
【写作完成,如需帮助,可以继续咨询哟~】第二篇示例:沥青混合料马歇尔稳定度原始记录是对沥青混合料的性能进行评估的重要指标之一,能够直观地反映出沥青混合料的抗变形性能和耐久性能,对于道路施工质量的保障具有重要意义。
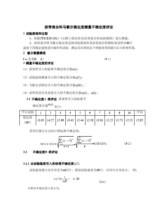
沥青混合料马歇尔稳定度测量不确定度评定1 试验原理和过程1、依据 J TG E20-2011《公路工程沥青及沥青混合料试验规程》进行测量。
2、沥青混合料马歇尔稳定度是指对标准制作的沥青混合料圆柱体试件在 60℃ 温度下用规定速度进行破坏性试验,测定其在热状态下所能承受的最大压力和变 形量。
2 建立测量模型Y = f ( T ,M , d ,) (F-1) 3 测量不确定度的评定(1)重复性引入的标准不确定度分量 u (x )(2)试验温度测量引入的不确定度分量 u (T ) ;(3)马歇尔试验仪引入的不确定度分量 u (M ) ;(4)试件的直径及高度引入的不确定度分量 u (d ) 、 u (h ) 。
3.1 不确定度 A 类评定 重复性引入的标准不确定度分量 u (x ) 如下:采用贝塞尔公式法计算标准不确定度:n10∑(x i - x )∑(x i - x )u (x ) = s (x ) =i =1=i =1=0.587(kN ) (F-2)3.2 不确定度 B 类评定n -193.2.1 由试验温度引入的标准不确定度 u (T )试验温度最大允许误差为±0.5℃,假设试验温度为 60℃,以均匀分布估计, 则:以相对不确定度计表示为:平行试验 12345678910平均稳定度 (kN )13.0514.2712.8613.4512.4412.5813.0112.2512.7312.5512.9222(0.623)2 + (2.89 ⨯10-3 )2 + (0.0258)2 +(0.587)2假设马歇尔稳定度为 12.92kN ,则由试验温度引入的马歇尔稳定度的不确 定度为:u (T ) = 4.82⨯10-3 ⨯12.92 = 0.623(kN) (F-5)3.2.2 马歇尔稳定度测定仪分辨力引入的不确定度 u (M 1) 马歇尔稳定度仪分辨力 0.01kN ,则马歇尔稳定度测定仪校准带来的不确定度 u (M 2)查马歇尔稳定度测定仪的校准证书,测量结果的不确定度:U rel = 0.4% k =2, 则 u rel (M 2)=0.2% , u (M 2)= 0.2%⨯12.92 = 0.0258(kN)3.2.3 试件的直径及高度引入的不确定度分量 u rel (d ) 和 u rel (h )严格按照试验规程操作,室内制作的试件必须符合高度及直径的要求,否则 应予废弃,因此,假定试件的直径及高度引入的不确定度可忽略不计。
沥青混合料马歇尔稳定度试验检验细则编制:刘飞审核:张方批准:梅静实施日期:2016年06月20日1、目的为了更好的学习和掌握标准规定与试验方法,熟练操作仪器设备;确保试验的熟练性、准确性。
2、范围2.1本方法适用于马歇尔稳定度试验和浸水马歇尔稳定度试验,以进行沥青混合料的配合比设计或沥青路面施工质量检验。
浸水马歇尔稳定度试验(根据需要,也可进真空饱水马歇尔试验)供检验沥青混合料受水损害时抵抗剥落的能力时使用,通过测试其水稳定性检验配合比设计的可行性。
2.2本方法适用于按本规程T 0702成型的标准马歇尔试件圆柱体和大型马歇尔试件圆柱体。
3、依据标准JTG E20—2011 公路工程沥青及沥青混合料试验规程T 0709—2011 沥青混合料马歇尔稳定度试验4、仪具与材料技术要求4.1沥青混合料马歇尔试验仪分为自动式和手动式。
自动马歇尔试验仪应具备控制装置、记录荷载一位移曲线、自动测定荷载与试件的垂直变形,能自动显示和存储或打印试验结果等功能。
手动式由人工操作,试验数据通过操作者目测后读取数据。
对用于高速公路和一级公路的沥青混合料宜采用自动马歇尔试验仪。
4.1.1当集料公称最大粒径小于或等于26.5mm时,宜采用ø101.6mm×63. 5mm 的标准马歇尔试件,试验仪最大荷载不得小于25kN,读数准确至O.lkN,加载速率应能保持 50mm/min ±5mm/min。
钢球直径16mm±0.05mm,上下压头曲率半径为50.8mm±0.08mm。
4.1.2当集料公称最大粒径大于26.5mm 时,宜采用ø152.4mm×95.3mm大型马歇尔试件,试验仪最大荷载不得小50kN,读数准确至 O.lkN。
上下压头的曲率内径为ø152.4mm ±0.2mm,上下压头间距19.05mm±0.1mm。
大型马歇尔试件的压头尺寸如图T 0709-1所示。
T 0709-2000沥青混合料马歇尔稳定度试验1目的与适用范围1.1本方法适用于马歇尔稳定度试验和浸水马歇尔稳定度试验,以进行沥青混合料的配合比设计或沥青路面施工质量检验。
浸水马歇尔稳定度试验(根据需要,也可进行真空饱水马歇尔试验)供检验沥青混合料受水损害时抵抗剥落的能力时使用,通过测试其水稳定性检验配合比设计的可行性。
1.2本方法适用于按本规程T 0702成型的标准马歇尔试件圆柱体和大型马歇尔试件圆柱体。
2仪具与材料2.1沥青混合料马歇尔试验仪:符合国家标准《沥青混合料马歇尔试验仪》(GB/T 11823)技术要求的产品,对用于高速公路和一级公路的沥青混合料宜采用自动马歇尔试验仪,用计算机或X-Y记录仪记录荷载一位移曲线,并具有自动测定荷载与试件垂直变形的传感器、位移计,能自动显示或打印试验结果。
对φ63. 5mm的标准马歇尔试件,试验仪最大荷载不小于25kN,读数准确度100N,加载速率应能保持50mm/min±5mm/min。
钢球直径16mm,上下压头曲率半径为50.8mm。
当采用φ152. 4 mm大型马歇尔试件时,试验仪最大荷载不得小于50kN,读数准确度为lOON。
上下压头的曲率内径为152.4mm ±0.2M,上下压头间距19.05mm±0.lmm。
大型马歇尔试件的压头尺寸如图1所示。
2. 2恒温水槽:控温准确度为1℃,深度不小于150mm。
2. 3真空饱水容器:包括真空泵及真空干燥器。
2.4烘箱。
2.5天平:感量不大于0.lg2. 6温度计:分度为1℃。
2. 7卡尺。
2. 8其它:棉纱,黄油。
3标准马歇尔试验方法3. 1准备工作3.1.1按T 0702标准击实法成型马歇尔试件,标准马歇尔尺寸应符合直径101.6mm±0.2mm、高 63. 5mm±1. 3mm的要求。
对大型马歇尔试件,尺寸应符合直径152. 4mm±0. 2mm,高95. 3mm±2. 5mm 的要求。
沥青混合料马歇尔稳定度试验1目的与适用范围1.1本方法适用于马歇尔稳定度试验和浸水马歇尔稳定度试验,以进行沥青混合料的配合比设计或沥青路面施工质量检验。
浸水马歇尔稳定度试验(根据需要,也可进行真空饱水马歇尔试验)供检验沥青混合料受水损害时抵抗剥落的能力时使用,通过测试其水稳定性检验配合比设计的可行性。
1.2本方法适用于按本规程T0702成型的标准马歇尔试件圆柱体和大型马歇尔试件圆柱体。
2仪具与材料技术要求2.1沥青混合料马歇尔试验仪:分为自动式和手动式。
自动马歇尔试验仪应具备控制装置、记录荷载一位移曲线、自动测定荷载与试件的垂直变形,能自动显示和存储或打印试验结果等功能。
手动式由人工操作,试验数据通过操作者目测后读取数据。
对用于髙速公路和一级公路的沥青混合料宜采用自动马歇尔试验仪。
2.1.1当集料公称最大粒径小于或等于26.5mm时,宜采用Ф101.66m m×63.5mm的标准马歇尔试件,试验仪最大荷载不得小于251kN,读数准确至0.1kN,加载速率应能保持50mm/min±5 mm/min。
钢球直径16mm±0.05mm,上下压头曲率半径为50.8mm±0.08mm。
2.1.2当集料公称最大粒径大于26.5mm时,宜采用Ф152. 4m m×95.3mm大型马歇尔件,试验仪最大荷载不得小于50kN,读数准确至0.1kn。
上下压头的曲率内径为Ф152.4mm ±0.2mm,上下压头间距19.05mm±0.1mm。
2.2恒温水槽:控温准确至1℃,深度不小于150mm。
2.3 真空饱水容器:包括真空泵及真空干燥器。
2.4烘箱。
2.5天平:感量不大于0.1g。
2.6温度计:分度值1℃。
2.7卡尺。
2.8其他:棉纱、黄油。
3标准马歇尔试验方法3.1准备工作3.1.1按T0702标准击实法成型马歇尔试件,标准马歇尔试件尺寸应符合直径101.6mm±0.2mm、高63.5mm±1.3mm 的要求。
沥青混合料马歇尔稳定度试验
沥青混合料马歇尔稳定度试验,简称MST试验,是用来评价沥青混合料的份量稳定性
的一种试验。
MST试验的数据可以为沥青路面施工提供可靠的设计与施工方案、配方调整、合理使用设备、识别质量异常、保证施工质量等工作提供准确的依据。
MST试验的实施,是在样品搅拌干燥后,将试样视为一个均匀的混合物,采用一个钩
形搅拌器,将其搅拌成更均匀的混合物,经过回力作用,可知道该混合料在搅拌中具有多
少能量。
从搅拌的能量尺度可知,该混合料的抗搅拌力。
根据抗搅拌力的大小和特性,可
以得到该混合料的稳定性。
MST试验样品的直径和厚度应选用,以便能把拌合物完全与环境接触,以确保在作用
下形成稳定物料力学性能,并做出准确客观的判断,一般选用直径100-150mm高65-75mm
的钢板制作。
MST试验设备需要一定功率的电动机驱动,传动装置,应为钩形搅拌器,钩臂抖动支架,搅拌能量显示指示器,应具备体积可调、叶片大小可调的性能,可根据实际需要调节
搅拌强度。
MST试验仪的操作应精确、规范,并应按照一定节拍、频率和规定转速进行,未经调
整改变,以便精确测试试样所承受强度。
MST试验完成后,应清理搅拌设备,恢复设备原状,记录实验数据和曲线,算出搅拌能量值等。
MST试验的准确可靠,不仅可以精准检测试件的稳定性,还可用来调整拌合物配方,
优化拌合物配置,有效解决拌合料稳定性的问题,为拌合料的合理应用与施工提供技术支持。
沥青混凝土混合料马歇尔试验配合设计技术标准一、引言在道路建设和交通运输领域,沥青混凝土混合料是一种常见的材料,而其配合设计技术标准对于混合料的质量和性能至关重要。
本文将从深度和广度的角度出发,全面评估沥青混凝土混合料马歇尔试验配合设计技术标准,以期为读者提供有价值的内容。
二、沥青混凝土混合料马歇尔试验简介1. 沥青混凝土混合料马歇尔试验的定义与意义沥青混凝土混合料马歇尔试验是评定混凝土抗压性能和耐久性能的重要手段之一,通过对混合料中的沥青含量、骨料的级配和体积的分析,来评判混合料的优劣程度,并进而指导实际工程中的使用。
2. 沥青混凝土混合料马歇尔试验的基本原理马歇尔试验是指通过对沥青混凝土试件在一定温度下受压力作用时的变形性能进行研究,以确定混合料在使用条件下的抗变形能力和稳定性。
该试验通过测定马歇尔配比参数,如稳定度、流值、空隙率等,来评价混合料的性能。
三、沥青混凝土混合料马歇尔试验配合设计技术标准1. 国内外常见的沥青混凝土混合料马歇尔试验标准国内常见的沥青混凝土混合料马歇尔试验配合设计技术标准主要包括《公路沥青混凝土及沥青混合料工程技术规范》和《沥青混凝土试验方法标准》等。
而国外则多参考美国材料试验协会(ASTM)所制定的相关标准规范。
2. 沥青混凝土混合料马歇尔试验配合设计技术标准的内涵与关联配合设计技术标准是指在进行混合料配合设计时,需要根据一定的试验方法和标准规范,来确定最佳的混合比例,以满足路面使用的性能要求。
这些标准不仅包括了试验方法,还涉及到对混合料的物理性能、工程性能、持久性能等方面的要求。
四、沥青混凝土混合料马歇尔试验配合设计技术标准的应用与展望1. 沥青混凝土混合料马歇尔试验配合设计技术标准在实际工程中的应用在道路建设领域,沥青混凝土混合料马歇尔试验配合设计技术标准的应用对于确保混合料的质量和性能至关重要。
通过合理地运用这些标准,可以有效地指导实际工程中的混合料配合设计。
马歇尔试验1、马歇尔实验,全称“沥青混合料马歇尔稳定度及浸水马歇尔试验”,是确定沥青混合料最佳油石比的试验,其试验过程是对标准击实的试件在规定的温度和湿度等条件下受压,测定沥青混合料的稳定度和流值等指标,经一系列计算后,分别绘制出油石比与稳定度、流值、密度、空隙率、饱和度的关系曲线,最后确定出沥青混合料的最佳油石比。
2、过程:马歇尔试验是确定沥青混合料油石比的试验。
其试验过程是对标准击实的试件在规定的温度和湿度等条件下受压,测定沥青混合料的稳定度和流值等指标,经一系列计算后,分别绘制出油石比与稳定度、流值、密度、空隙率、饱和度的关系曲线,最后确定出沥青混合料的最佳油石比。
3、试验目的:以进行沥青混合料的配合比设计或沥青路面施工质量检验。
浸水马歇尔稳定试验供检验沥青混合料受水损害时抵抗剥落的能力时使用,通过测试其水稳定性检验配合比设计的可行性。
4、仪器设备:沥青混合料马歇尔试验仪、恒温水槽等。
5、试验步骤(1) 按标准击实法成型马歇尔试件,其尺寸应符合规范规定,一组试件的数量最少不得少于4个。
(2) 量测试件的直径及高度。
(3) 按规范规定的方法测定试件的密度、计算有关物理指标。
(4) 将恒温水槽调节至要求的试验温度。
6、标准马歇尔试验方法(1)、将试件置于已达规定温度的恒温水槽中保温。
(2)、将马歇尔试验仪的上下压头放入水槽或烘箱中达到同样温度。
(3)、当采用自动马歇尔试验仪时,连接好接线。
(4)、启动加载设备,使试件承受荷载,加载速度为50±5mm/min。
(5)、记录或打印试件的稳定度和流值。
7、浸水马歇尔试验方法:与标准马歇尔试验方法的不同之处在于,试件在已达规定温度恒温水槽中的保温时间为48h,其余均与标准马歇尔试验方法相同。
8、作用我国现行《公路沥青路面施工技术规范》(JTJ032-94)中规定的设计方法是马歇尔设计方法。
在“十五”初期,针对江苏省高速公路沥青路面使用的所有石料进行了马歇尔设计方法和Superpave设计方法比较,探讨了Superpave设计方法和马歇尔设计方法的内在联系和区别。
沥青混合料马歇尔试验一、马歇尔实验简介沥青混凝土配合比设计采用马歇尔实验配合比设计法。
该法是首先按配合比设计拌制沥青混合料,然后击实制成规定尺寸试件,12h 之后测定其物理指标(包括表观密度、空隙率、沥青饱和度、矿料间隙率等),然后测定稳定度和流值。
马歇尔实验分为稳定度实验和浸水马歇尔稳定度实验;马歇尔稳定度实验是对标准击实的试件在规定的温度和速度等条件下受压,测定沥青混合料的稳定度和流值等指示所进行的实验吗,这种方法适用于马歇尔稳定度实验和浸水马歇尔稳定度实验。
马歇尔稳定度实验主要用于沥青混合料的配合比设计及沥青路面施工质量的检验。
浸水马歇尔稳定度实验主要是检验沥青混合料受水损害时抵抗剥落的能力,通过测试其水稳定性检验配合比设计的可行性。
二、具体实验操作方法1)仪具与材料①马歇尔实验仪。
对于标准马歇尔试件,实验仪最大荷载不小于25kN,加载速率应能保持(50±5)mm/min;对于大型马歇尔试件,实验仪最大荷载不得小于50kN。
②恒温水槽:控温准确度为1℃,深度不小于150mm。
③真空饱水容器:包括真空泵及真空干燥器。
④烘箱。
⑤其他:温度计,卡尺等。
2)准备工作①击实成型马歇尔试件,每组试件的数量不得小于4个。
②量测试件尺寸。
用卡尺测量试件中部的直径,在“十”字对称的4个方向量测离边缘10mm处的试件高度并以其平均值作为试件高度。
如试件高度不符合(63.5±1.3)mm或(95.3±2.5)mm要求,或两侧高度差大于2mm时,试件作废。
③测量试件的密度、孔隙率、沥青体积百分率等体积指标。
④将恒温水槽调节至要求的试验温度。
对黏稠石油沥青或烘箱养生过的乳化沥青混合料试验温度为(60±1)℃.对煤沥青混合料试验温度为(33.8±1)℃,对空气养生的乳化沥青或液体沥青混合料试验温度为(25±1)℃。
3)标准马歇尔试验①将试件置于已达到规定温度的恒温水温槽中,保温时间标准马歇尔试件30~40min,大型马歇尔试件为45~60min。
马歇尔试验全称沥青混合料马歇尔稳定度及浸水马歇尔试验过程马歇尔试验是确定沥青混合料油石比的试验。
其试验过程是对标准击实的试件在规定的温度和湿度等条件下受压,测定沥青混合料的稳定度和流值等指标,经一系列计算后,分别绘制出油石比与稳定度、流值、密度、空隙率、饱和度的关系曲线,最后确定出沥青混合料的最佳油石比。
具体操作(一)试验目的以进行沥青混合料的配合比设计或沥青路面施工质量检验。
浸水马歇尔稳定试验供检验沥青混合料受水损害时抵抗剥落的能力时使用,通过测试其水稳定性检验配合比设计的可行性。
(二)仪器设备沥青混合料马歇尔试验仪、恒温水槽等。
(三)试验步骤1、准备工作(1) 按标准击实法成型马歇尔试件,其尺寸应符合规范规定,一组试件的数量最少不得少于4个。
(2) 量测试件的直径及高度。
(3) 按规范规定的方法测定试件的密度、计算有关物理指标。
(4) 将恒温水槽调节至要求的试验温度。
(一) 标准马歇尔试验方法1、将试件置于已达规定温度的恒温水槽中保温。
2、将马歇尔试验仪的上下压头放入水槽或烘箱中达到同样温度。
3、当采用自动马歇尔试验仪时,连接好接线。
4、启动加载设备,使试件承受荷载,加载速度为50±5mm/min。
5、记录或打印试件的稳定度和流值。
(二) 浸水马歇尔试验方法:与标准马歇尔试验方法的不同之处在于,试件在已达规定温度恒温水槽中的保温时间为48h,其余均与标准马歇尔试验方法相同。
马歇尔试验仪(四)注意事项1、如标准马歇尔试件高度不符合63.5mm±1.3mm的要求或两侧高度差大于2mm时,此试件应作废。
2、从恒温水槽中取出试件至测出最大荷载值的时间,不得超过30s。
3、当一组测定值中某个测定值与平均值之差大于标准差的k倍时,该测定值应予舍弃,并以其余测定值的平均值作为试验结果。
当试件数目n 为3、4、5、6个时,k值分别为1.15、1.46、1.67、1.82。
试验技术指标1、高温稳定性检验2、浸水马歇尔试验3、冻融劈裂试验4、水稳定检验5、低温抗裂性检验以及渗水系数检验作用对国际作用当今国际上最广泛应用的设计方法是马歇尔设计方法和Superpave设计方法。
沥青混合料马歇尔稳定度试验目的下载提示:该文档是本店铺精心编制而成的,希望大家下载后,能够帮助大家解决实际问题。
文档下载后可定制修改,请根据实际需要进行调整和使用,谢谢!本店铺为大家提供各种类型的实用资料,如教育随笔、日记赏析、句子摘抄、古诗大全、经典美文、话题作文、工作总结、词语解析、文案摘录、其他资料等等,想了解不同资料格式和写法,敬请关注!Download tips: This document is carefully compiled by this editor. I hope that after you download it, it can help you solve practical problems. The document can be customized and modified after downloading, please adjust and use it according to actual needs, thank you! In addition, this shop provides you with various types of practical materials, such as educational essays, diary appreciation, sentence excerpts, ancient poems, classic articles, topic composition, work summary, word parsing, copy excerpts, other materials and so on, want to know different data formats and writing methods, please pay attention!引言在道路建设和维护过程中,沥青混合料的质量对于道路的使用寿命和安全性起着至关重要的作用。
沥青混合料马歇尔稳定度试验
(T 0709-2000)
一、目的与适用范围
1、本方法适用于马歇尔稳定度试验和浸水马歇尔稳定度试验,以进行沥青混合料的配合比设计或沥青路面施工质量检验。
浸水马歇尔稳定度试验(根据需要,也可进行真空饱水马歇尔试验)供检验沥青混合料受水损害时抵抗剥落的能力时使用,通过测试其水稳定性检验配合比设计的可行性。
2、本方法适用于按本规程T 0702成型的标准马歇尔试件圆柱体和大型马歇尔试件圆柱体。
二、仪具与材料
1、沥青混合料马歇尔试验仪:符合国家标准《沥青混合料马歇尔试验仪》(GB/T 11823)技术要求的产品,对用于高速公路和一级公路的沥青混合料宜采用自动马歇尔试验仪,用计算机或X-Y记录仪记录荷载一位移曲线,并具有自动测定荷载与试件垂直变形的传感器、位移计,能自动显示或打印试验结果。
对φ63. 5mm的标准马歇尔试件,试验仪最大荷载不小于25kN,读数准确度100N,加载速率应能保持50mm/min±5mm/min。
钢球直径16mm,上下压头曲率半径为50.8mm。
当采用φ152. 4 mm大型马歇尔试件时,试验仪最大荷载不得小于50kN,读数准确度为lOON。
上下压头的曲率内径为152.4mm ±0.2M,上下压头间距19.05mm±0.lmm。
2、恒温水槽:控温准确度为1℃,深度不小于150mm。
3、真空饱水容器:包括真空泵及真空干燥器。
4、烘箱。
5、天平:感量不大于0.lg 。
6、温度计:分度为1℃。
7、卡尺。
8、其它:棉纱,黄油。
三、标准马歇尔试验方法
1、准备工作
(1)按标准击实法成型马歇尔试件,标准马歇尔尺寸应符合直径φ101.6mm±0.2mm、高 63. 5mm±1. 3mm的要求。
对大型马歇尔试件,尺寸应符合直径152. 4mm±0. 2mm,高95. 3mm±2. 5mm的要求。
一组试件的数量最少不得少于4个,并符合T 0702的规定。
(2)量测试件的直径及高度:用卡尺测量试件中部的直径,用马歇尔试件高度测定器或用卡尺在十字对称的4个方向量测离试件边缘lOmm处的高度,准确至0.lmm,并以其平均值作为试件的高度。
如试件高度不符合63. 5mm±1. 3mm或95. 3mm士2. 5mm要求或两侧高度差大于2mm时,此试件应作废。
(3)按本规程规定的方法测定试件的密度、空隙率、沥青体积百分率、沥青饱和度、矿料间隙率等物理指标。
(4)将恒温水槽调节至要求的试验温度,对粘稠石油沥青或烘箱
养生过的乳化沥青混合料为60℃±1℃,对煤沥青混合料为33.3℃±1℃,对空气养生的乳化沥青或液体沥青混合料为2 5℃±1℃。
2试验步骤
(1)将试件置于己达规定温度的恒温水槽中保温,保温时间对标准马歇尔试件需30min ~ 40min,对大型马歇尔试件需45min~
60min。
试件之间应有间隔,底下应垫起,离容器底部不小于5cm。
(2)将马歇尔试验仪的上下压头放人水槽或烘箱中达到同样温度。
将上下压头从水槽或烘箱中取出擦拭干净内面。
为使上下压头滑动自如,可在下压头的导棒上涂少量黄油。
再将试件取出置于下压头上,盖上上压头,然后装在加载设备上。
(3)在上压头的球座上放妥钢球,并对准荷载测定装置的压头。
(4)当采用自动马歇尔试验仪时,将自动马歇尔试验仪的压力传感器、位移传感器与计算机或X-Y记录仪正确连接,调整好适宜的放大比例。
调整好计算机程序或将X-Y记录仪的记录笔对准原点。
(5)当采用压力环和流值计时,将流值计安装在导棒上使导向套管轻轻地压住上压头,同时将流值计读数调零。
调整压力环中百分表,对零。
(6)启动加载设备,使试件承受荷载,加载速度为50±5mm/min。
计算机或X-Y记录仪自动记录传感器压力和试件变形曲线并将数据自动存人计算机。
(7)当试验荷载达到最大值的瞬间,取下流值计,同时读取压力环中百分表读数及流值计的流值读数。
(8)从恒温水槽中取出试件至测出最大荷载值的时间,不得超过30s。
四、浸水马歇尔试验方法
浸水马歇尔试验方法与标准马歇尔试验方法的不同之处在于,试件在已达规定温度恒温水槽中的保温时间为48h,其余均与标准马歇尔试验方法相同。
五、真空饱水马歇尔试验方法
试件先放入真空干燥器中,关闭进水胶管,开动真空泵,使干燥器的真空度达到98.3kPa ( 730mmHg)以上,维持15min,然后打开进水胶管,靠负压进入冷水流使试件全部浸入水中,浸水15 min后恢复常压,取出试件再放入已达规定温度的恒温水槽中保温48h,其余均与标准马歇尔试验方法相同。
六、计算
1、试件的稳定度及流值
(1)当采用自动马歇尔试验仪时,将计算机采集的数据绘制成压力和试件变形曲线,或由X一Y记录仪自动记录的荷载一变形曲线。
取相应于荷载最大值时的变形作为流值(FL),以mm计,准确至0. lmm。
最大荷载即为稳定度(MS),以kN计,准确至0.O1KN。
(2)采用压力环和流值计测定时,根据压力环标定曲线,将压力
环中百分表的读数换算为荷载值,或者由荷载测定装置读取的最大值即为试样的稳定度(MS),以kN计,准确至0.O1kN 。
由流值计及位移传感器测定装置读取的试件垂直变形,即为试件的流值(FL),以mm计,准确至0.lmm。
2、试件的马歇尔模数按式(1)计算。
T=MS/FL (1)
式中:T—试件的马歇尔模数,kN/mm;
MS—试件的稳定度,kN;
FL—试件的流值,mm。
3、试件的浸水残留稳定度按式(2)计算。
MS0=MS1/MS×100 (2)
式中:MS0——试件的浸水残留稳定度,%;
MS1——试件浸水48h后的稳定度,Kn。
4、试件的真空饱水残留稳定度按式(3)计算。
MS'0=MS2/MS×100 (3)
式中:MS'0——试件的真空饱水残留稳定度,%;
MS2——试件真空饱水后浸水48h后的稳定度,kN。
七、报告
1、当一组测定值中某个测定值与平均值之差大于标准差的k倍时,该测定值应予舍弃,并以其余测定值的平均值作为试验结果。
当试件数目n为3,4,5,6个时,k值分别为1.15,1. 46,1.67,1.82。
2、采用自动马歇尔试验时,试验结果应附上荷载~变形曲线原
件或自动打印结果,并报告马歇尔稳定度、流值、马歇尔模数,以及试件尺寸、试件的密度、空隙率、沥青用量、沥青体积百分率、沥青饱和度、矿料间隙率等各项物理指标。