钢管桩施工记录
- 格式:doc
- 大小:163.03 KB
- 文档页数:2
锤击混凝土预制桩钢桩施工记录表(说明)
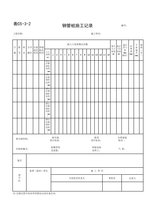
锤击混凝土预制桩、钢桩施工记录表
GD2301013□□
说明
1、施工质量必须符合设计和GB50202-2002等有关标准要求。
2、预制混凝土(钢)桩进场后进行检验批质量验收,确认合格才能使用。
3、施工前应对机械设备进行全面检查,确认其机械能力满足施工要求后才能施工。
4、施工前应进行工艺试验,确认有关参数,据以指导施工。
5、本表有关栏目数据应及时测量填写,监理见证人员应及时见证(在备注栏中注明“有关
数据属实”)签证。
6、本表“垂直度(倾斜度)偏差”设计栏;对斜桩填写设计要求的倾斜度,对垂直受压桩
填0;
7、桩型级规格栏按实际情况填写。
如:
钢管桩Φ800*20(直径800mm,壁厚20mm,I级钢);
预应力管桩Φ500×125(直径500mm、壁厚125mm;
预制方桩350×350(边长350方桩)。
8、预制混凝土桩和钢桩焊接停歇时间均按8min控制。
9、焊接质量探伤检验按设计要求进行。
施管表5
监理单位:郴州市云盛建设工程监理有限公司合同号:
承包单位:郴建集团一分公司编号:
施管表5
监理单位:郴州市云盛建设工程监理有限公司合同号: 承包单位:郴建集团一分公司编号:
施管表5
监理单位:郴州市云盛建设工程监理有限公司合同号:承包单位:郴建集团一分公司编号:
安仁县环城东路、七一大道延伸段道路工程
施工技术交底记录
施管表5
监理单位:郴州市云盛建设工程监理有限公司合同号:
承包单位:郴建集团一分公司编号:
ﻬ安仁县环城东路、七一大道延伸段道路工程
施工技术交底记录
施管表5
监理单位:郴州市云盛建设工程监理有限公司合同号:
承包单位:郴建集团一分公司编号:
安仁县环城东路、七一大道延伸段道路工程
施工技术交底记录
施管表5
监理单位:郴州市云盛建设工程监理有限公司合同号: 承包单位:郴建集团一分公司编号:。
打桩施工记录
工程名称总包单位施工单位图号桩规格桩设计标高设计贯入度自然标高气候桩机类型吊锤重量平均落距
桩号打桩日期
桩入土每米锤击次数入土
深度
最后
贯
入度
桩顶
高差
桩位偏差1m2m3m4m5m6m7m8m9m10m水平垂直
1 月日
2 月日
3 月日
4 月日
5 月日
6 月日
7 月日
8 月日
总包单位检查数据检查人:(签字) 月日
建设或监理单位检查数据抽检人:(签字) 月日
打桩单位技术负责人:(签字) 质量检查员:(签字) 记录员:(签字)
注:本表一式三份,建设单位、施工单位、城建档案馆各一份。
四川省建设厅制
SG—T108。
技术交底记录
一、施工准备
施工机具:提升抓斗、电焊机、干喷机、空压机、自动计量设备、风镐等。
二、隔离桩技术参数
1、钢管桩采用Ф219,壁厚t=10mm钢管,双排打设,梅花形布置。
2、布置范围LK0+134~LK0+160、LK0+215~LK0+275,桩底需深入暗挖区间结构底1m。
3、钢管桩桩身采用水泥浆灌注密实,水泥浆水灰比不超过0.45~0.5。
三、施工方法
1、桩位布置:根据设计图纸布置桩位,在现场用全站仪定出每根桩的桩位并埋设孔位护桩,采用“十”字定位,随时校核桩位坐标。
2、就位钻孔:确定钻机位置,钻机摆放就位后对机具及机座稳固性等进行全面检查,用水平尺检查钻机摆放是否水平,吊线检查钻机摆放是否正确,防止倾斜,钻至设计有效深度。
要求成孔直径不小于350mm,桩身中心偏差不大于50mm,垂直度偏差不大于1%,孔口上方无泥浆堆积,以保证清孔彻底。
技术交底记录
技术交底记录。
钢(管)桩施工记录C 2.5.1.25 编号:专业技术负责人:质检员:专业工长:建筑施工技术,建筑施工组织,建筑工程计量与计价,建筑工程经济,混凝土结构,建筑构造与识图,钢结构,砌体结构,高层建筑施工,工程测量,工程结构抗震,装配化施工技术,建筑工程资料管理,建筑工程质量与安全管理,建筑CAD,天正建筑,BIM。
建筑工程技术专业主要包括土建、采暖卫生与煤气工程、电梯和消防,给排水工程五个方面,专业应具备建筑工程技术人员从业必须的文化基础与专业理论知识,从事建筑工程施工一线技术与管理等工作的高等技术应用型人才。
技术交底的作用与分类1什么是施工技术交底技术交底是施工企业极为重要的一项技术管理工作,是施工方案的延续和完善,也是工程质量预控的最后一道关口。
其目的是使参与建筑工程施工的技术人员与工人熟悉和了解所承担的工程项目的特点、设计意图、技术要求、施工工艺及应注意的问题。
2技术交底的作用使参与施工活动的每一个技术人员,明确本工程的特定施工条件、施工组织、具体技术要求和有针对性的关键技术措施,系统掌握工程施工过程全貌和施工的关键都位。
使参与工程施工操作每一个工人,通过技术交底,了解自己所要完成的分部分项工程的具体工作内容,操作方法、施工工艺、质量标准和安全注意事项等,做到施工操作人员任务明确,心中有数达到有序地施工,以减少各种质量通病,提高施工质量的目的。
3施工技术交底的分类(1)施工组织设计交底①重点和大型工程施工组织设计交底:由施工企业的技术负责人把主要设计要求、施工措施以及重要事项对项目主要管理人员进行交底。
其他工程施工组织设计交底由项目技术负责人进行交底。
②专项施工方案技术交底:由项目专业技术负责人负责,根据专项施工方案对专业工长进行交底。
(2)分项工程施工技术交底由专业工长对专业施工班组(或专业分包)进行交底。
“四新”技术交底:由项目技术负责人组织有关专业人员编制并交底。
(3)设计变更技术交底设计变更技术交底:由项目技术部门根据变更要求,并结合具体施工步骤、措施及注意事项等对专业工长进行交底。
工程名称:2层(部分3层)设计旧白云机场临时改造为商业楼工程1幢(5号停机坪商业项目)编号:GGZ018工程名称:2层(部分3层)设计旧白云机场临时改造为商业楼工程1幢(5号停机坪商业项目)编号:GGZ017工程名称:2层(部分3层)设计旧白云机场临时改造为商业楼工程1幢(5号停机坪商业项目)编号:GGZ016工程名称:2层(部分3层)设计旧白云机场临时改造为商业楼工程1幢(5号停机坪商业项目)编号:GGZ015工程名称:2层(部分3层)设计旧白云机场临时改造为商业楼工程1幢(5号停机坪商业项目)编号:GGZ014工程名称:2层(部分3层)设计旧白云机场临时改造为商业楼工程1幢(5号停机坪商业项目)编号:GGZ013工程名称:2层(部分3层)设计旧白云机场临时改造为商业楼工程1幢(5号停机坪商业项目)编号:GGZ012工程名称:2层(部分3层)设计旧白云机场临时改造为商业楼工程1幢(5号停机坪商业项目)编号:GGZ011工程名称:2层(部分3层)设计旧白云机场临时改造为商业楼工程1幢(5号停机坪商业项目)编号:GGZ010工程名称:2层(部分3层)设计旧白云机场临时改造为商业楼工程1幢(5号停机坪商业项目)编号:GGZ009工程名称:2层(部分3层)设计旧白云机场临时改造为商业楼工程1幢(5号停机坪商业项目)编号:GGZ008工程名称:2层(部分3层)设计旧白云机场临时改造为商业楼工程1幢(5号停机坪商业项目)编号:GGZ007工程名称:2层(部分3层)设计旧白云机场临时改造为商业楼工程1幢(5号停机坪商业项目)编号:GGZ006工程名称:2层(部分3层)设计旧白云机场临时改造为商业楼工程1幢(5号停机坪商业项目)编号:GGZ005工程名称:2层(部分3层)设计旧白云机场临时改造为商业楼工程1幢(5号停机坪商业项目)编号:GGZ004工程名称:2层(部分3层)设计旧白云机场临时改造为商业楼工程1幢(5号停机坪商业项目)编号:GGZ003工程名称:2层(部分3层)设计旧白云机场临时改造为商业楼工程1幢(5号停机坪商业项目)编号:GGZ002工程名称:2层(部分3层)设计旧白云机场临时改造为商业楼工程1幢(5号停机坪商业项目)编号:GGZ001。