钢管桩施工规范
- 格式:doc
- 大小:285.00 KB
- 文档页数:9
钢桩施工工艺标准H 型钢桩基础工程。
1适用范围本工艺标准适用于一般钢管桩或 2施工准备 2. 1 原材料要求2.1.1钢桩的材料(含其它半成品)进场后,应按规格、品种、牌号堆放,抽样检验,检验结果与合格证相符者方可使用,未经进货检验或未经检验合格的物资不得投入使用。
2.1.2钢管质量验收:按设计图纸规格尺寸及有关规范,允许误差,实测实量及外观全数检查验货,特别是钢管的垂直度和内外径是否达到要求, 方能进货安装。
作为重点检查,经检查验收合格后,2.1.3螺旋焊管钢桩钢管:壁厚为 6 19mm 长度不限,卷板焊管钢桩钢管:壁厚为 6 47mm~ ~长度不超过 6m 。
型号为 STK 、SKK 号钢卷制。
2.1.4 H 型钢,为标准型钢,材质为普通碳素钢、 16Mn 钢或海港工程用防氯盐钢材。
钢管桩顶部抗锤击和底部为减少摩擦抗变形的加强箍, 用宽 200 300mm 、厚 6 12mm2.1.5~ ~和钢管桩材质相同的钢板制作,用电焊满焊,焊接时箍板的纵缝要和卷焊桩管的纵缝错开 90度。
2.1.6钢桩应按规格分别堆放(即上节桩、中节桩、下节桩)一般堆叠层数为三层(高度控制在 2m 以内)。
支点用枕木两侧用木楔塞牢,防止变形。
2.1.7成品钢桩的质量检验标准成品钢桩的质量检验标准允许偏差或允许值 检查方法项序检查项目单位数值钢桩外径或断面尺寸:桩端 桩身0.5%D 1D用钢尺量, D 为 1外径或边长主 控 项 目2矢高 < 1/1000L用钢尺量, L 为 桩长3 4长度 mm mm+10 用钢尺量 端部平整度≤ 2用水平尺量H钢桩的方正度h >h mm T+T′≤ 8 用钢尺量, h、T、300 T+T′≤ 8 T′见图示5 6300hT′端部平面与桩中心线的倾斜值mm ≤ 2 用水平尺量2.2 主要工机具2.2.1 机械设备三点支撑式履带打桩机、轨道式柴油打桩机、轮胎式起重机、运输载重汽车、电焊机、切管机柴油桩锤规格KB80 KB72B KB60 KB45 KB35 KB25 IDH-45 锤别外形尺寸(mm)ΦΦΦΦΦΦΦ985*4689 980*6100 1250*5905 1400*5770 1009*4825 889*4550 789*4550总重( t)20..58.0 18..37.215 10..54.57.53.55.22.511.04.5活塞重( t)锤击次数6.035 60~42 60~35 55 35 55~35 55~35 55~42 60~~(次 /min)锤击能量24000 300 21600280160002461350019110500150750010813500191(kg· .m)爆发力( t)2.2.2 主要工具钢丝绳吊索、卡环、撬杠、气焊工具、扁铲。
钢管桩施工规范
本文档旨在提供钢管桩施工的规范指导,以确保工程质量和施工安全。
以下是一些基本的规范要求:
1. 基本要求
- 钢管选择应符合设计要求,并严格按照规范要求进行验收。
- 钢管桩施工前应进行地质勘察,了解地下情况,避免施工过程中出现危险情况。
- 施工现场应符合相关工程安全要求,严禁闲杂人员进入施工区域。
2. 桩基施工
- 钢管桩施工应按照设计要求的位置、高程进行设置。
- 钢管安装前应进行清洗和除锈处理,确保桩身表面光洁。
- 施工过程中应严格按照施工图纸和技术规范要求进行操作,确保桩基的垂直度和位置精度。
3. 桩基检测与验收
- 钢管桩安装完成后,应进行钢管桩的垂直度和位置精度测量,以确保符合设计要求。
- 钢管桩的混凝土灌注应满足相应的规范要求,确保浇筑质量
和强度。
4. 安全防护
- 施工现场应设置明显的安全警示标志,以提醒工人和其他人
员注意安全。
- 工人在施工现场应佩戴必要的安全装备,并接受相关安全培训。
以上是钢管桩施工规范的基本要求,施工单位应按照规范进行
施工,并对施工过程进行监督和检验,以保证工程的质量和安全。
(完整)钢管桩施工规范.pdf文档一:钢管桩施工细则一:引言钢管桩是一种常用的基础工程方法,广泛应用于建筑、交通、水利等领域。
本文档为钢管桩施工规范的详细说明,包含了施工前的准备工作、施工过程中的技术要求以及施工后的验收标准。
二:施工前准备1. 建立施工组织机构1.1 施工单位应设立专门的施工组织机构,明确责任分工和工作流程。
1.2 施工组织机构应包括项目经理、技术人员、安全人员等。
2. 设计校审2.1 进行施工前的设计校审,确保设计方案符合规范要求。
2.2 需要对施工方案进行修订或调整时,应及时协调设计单位进行修改。
3. 项目准备3.1 设立项目工程部,负责项目的统筹、协调工作。
3.2 确定施工时间和进度计划,制定施工方案。
3.3 进行场地勘察和地质勘察,了解施工地的地质情况。
三:施工过程1. 钢管桩的安装1.1 清理施工场地,清除杂物和障碍物。
1.2 根据设计要求进行标定,确定钢管桩的位置和高程。
1.3 进行预埋件的安装,确保固定性。
1.4 进行钢管桩的打桩,采用合适的设备和工艺。
2. 钢管桩的质量控制2.1 进行施工过程中的质量控制,包括打桩质量、钢管质量等。
2.2 对桩身进行检查,确保桩身的完整性和质量。
2.3 进行桩端承载力的试验,满足设计要求。
3. 施工安全3.1 制定施工安全措施,并进行具体实施。
3.2 定期进行施工现场的安全巡检和隐患排查。
四:施工后验收1. 钢管桩的质量验收1.1 对钢管桩的外观质量进行检查,包括表面平整度、表面缺陷等。
1.2 进行桩身的无损检测,查看是否存在缺陷。
1.3 进行桩端承载力的试验,满足设计要求。
2. 档案管理2.1 建立档案管理制度,对钢管桩的施工过程和验收结果进行归档。
2.2 档案中应包括相关设计文件、施工记录、验收报告等。
注释:1. 钢管桩:由钢管制成的桩,具有极高的承载能力和稳定性。
2. 钢管桩施工规范:用于指导钢管桩施工过程中的技术要求和验收标准的文件。
钢管桩施工规范钢管桩施工规范是指钢管桩在施工过程中应遵循的一系列操作规程,包括桩身的制作、安装过程的控制和施工现场的管理等内容。
以下是钢管桩施工规范的主要内容:一、钢管桩的制作要求:1. 钢管桩的选择应符合设计要求,且桩身应无明显缺陷如裂纹、破损、折断等。
2. 桩身应采用热轧或冷拔工艺制作,表面应光滑平整,无明显脱漆或锈蚀。
3. 桩身的尺寸、长度和直径应符合设计要求,并进行必要的检测。
4. 钢管桩可采用焊接或螺纹连接方式固定桩帽,连接处应牢固可靠,无松动现象。
二、钢管桩的安装过程控制:1. 施工前应对施工现场进行认真勘测,确认地基土壤类型、含水层深度等关键参数,以便合理确定桩长和桩径。
2. 桩顶应采用合适的施工设备,如振动锤、打靶机等,根据设计要求进行逐段插入或冲压桩入地。
3. 桩的垂直度和偏度应符合设计要求,在施工过程中必要时进行调整。
4. 安装桩帽时,应保证平整度和水平度,且桩帽与桩身之间应进行必要的密封处理。
5. 在施工过程中要进行现场记录和监控,包括桩长、桩径、桩顶标高等参数,以便对施工质量进行评估和验证。
三、现场安全和环境保护:1. 施工现场应设立明显的警示标识,以警示行人和车辆注意安全。
2. 施工现场应保持整洁有序,杂物应及时清理,避免对周围环境造成污染。
3. 施工过程中产生的土方、砂石等废弃物应按照相关规定进行处理,严禁随意倾倒。
4. 施工现场应配备必要的消防设施和安全防护用具,确保施工人员的安全。
5. 施工过程中需遵守相关的环保法规,对施工产生的噪音、粉尘等污染进行有效控制。
以上是钢管桩施工规范的基本内容,针对不同的施工情况和工程要求,还需要根据实际情况进行具体的补充和调整。
施工人员在进行钢管桩施工时,应严格按照规范要求操作,并督促其他工作人员严格执行相关规章制度,以确保施工质量和安全。
钢管桩施工规范编辑整理:尊敬的读者朋友们:这里是精品文档编辑中心,本文档内容是由我和我的同事精心编辑整理后发布的,发布之前我们对文中内容进行仔细校对,但是难免会有疏漏的地方,但是任然希望(钢管桩施工规范)的内容能够给您的工作和学习带来便利。
同时也真诚的希望收到您的建议和反馈,这将是我们进步的源泉,前进的动力。
本文可编辑可修改,如果觉得对您有帮助请收藏以便随时查阅,最后祝您生活愉快业绩进步,以下为钢管桩施工规范的全部内容。
钢桩施工工艺标准1 适用范围本工艺标准适用于一般钢管桩或H型钢桩基础工程.2 施工准备2。
1原材料要求2.1.1 钢桩的材料(含其它半成品)进场后,应按规格、品种、牌号堆放,抽样检验,检验结果与合格证相符者方可使用,未经进货检验或未经检验合格的物资不得投入使用。
2。
1.2 钢管质量验收:按设计图纸规格尺寸及有关规范,允许误差,实测实量及外观全数检查验货,特别是钢管的垂直度和内外径是否达到要求,作为重点检查,经检查验收合格后,方能进货安装。
2.1。
3 螺旋焊管钢桩钢管:壁厚为6~19mm长度不限,卷板焊管钢桩钢管:壁厚为6~47mm 长度不超过6m。
型号为STK、SKK号钢卷制。
2.1.4 H型钢,为标准型钢,材质为普通碳素钢、16Mn钢或海港工程用防氯盐钢材。
2.1。
5 钢管桩顶部抗锤击和底部为减少摩擦抗变形的加强箍,用宽200~300mm、厚6~12mm 和钢管桩材质相同的钢板制作,用电焊满焊,焊接时箍板的纵缝要和卷焊桩管的纵缝错开90度。
2.1.6 钢桩应按规格分别堆放(即上节桩、中节桩、下节桩)一般堆叠层数为三层(高度控制在2m以内)。
支点用枕木两侧用木楔塞牢,防止变形.2.1.7 成品钢桩的质量检验标准2。
2 主要工机具2。
2。
1机械设备三点支撑式履带打桩机、轨道式柴油打桩机、轮胎式起重机、运输载重汽车、电焊机、切管机2.2。
2 主要工具钢丝绳吊索、卡环、撬杠、气焊工具、扁铲.2.3 作业条件2.3。
钢管桩施工规范1. 引言本文档旨在规范钢管桩的施工过程,以确保施工质量和安全。
钢管桩是一种常用于工程建设中的承重结构,因此施工过程需要严格遵循规范要求。
2. 施工前准备在进行钢管桩施工之前,应做好以下准备工作:- 编制详细的施工方案,包括桩的材质、尺寸和施工方法等;- 对施工现场进行安全评估,确保施工过程中安全无隐患;- 准备必要的施工设备和工具,包括起重机械、振动锤等。
3. 施工过程3.1 钢管桩的安装钢管桩的安装应按照以下步骤进行:1. 选择合适的钢管桩,确保其材质和尺寸符合设计要求;2. 在施工现场进行桩位标定,并按照设计要求进行桩基定位;3. 使用起重机械将钢管桩逐节吊装到预定位,并在下沉过程中进行测量和调整,确保桩的垂直度和位置准确;4. 在钢管桩内灌注混凝土,以增加桩的承载能力和稳定性。
3.2 施工质量控制为保证施工质量,应进行以下控制措施:- 定期检测和测量桩的垂直度、位置偏差和承载能力,确保符合设计要求;- 监测桩周土体的沉降情况,及时采取必要的补充措施;- 对施工过程中的关键节点进行现场质量检验,如钢管桩的尺寸、混凝土强度等。
4. 安全注意事项在钢管桩施工过程中,应注意以下安全事项:- 严格遵守安全操作规程,确保作业人员的人身安全;- 建立安全警示标识和安全防护设施,提供必要的个人防护装备;- 定期检查施工设备和工具的安全状况,避免使用损坏或不合格的设备。
5. 施工验收与记录完成钢管桩施工后,应进行验收和记录:- 对施工质量和安全情况进行全面检查和评估;- 编制详细的施工记录,包括施工过程中的关键数据、检测结果和异常情况的处理措施等。
6. 结束语本文档提供了钢管桩施工的规范要求,旨在保证施工质量和安全。
希望施工人员能严格按照规范执行,确保钢管桩的正常使用和长期稳定性。
钢桩施工工艺标准1 适用范围本工艺标准适用于一般钢管桩或H型钢桩基础工程。
2 施工准备2. 1原材料要求2.1.1 钢桩的材料(含其它半成品)进场后,应按规格、品种、牌号堆放,抽样检验,检验结果与合格证相符者方可使用,未经进货检验或未经检验合格的物资不得投入使用。
2.1.2 钢管质量验收:按设计图纸规格尺寸及有关规范,允许误差,实测实量及外观全数检查验货,特别是钢管的垂直度和内外径是否达到要求,作为重点检查,经检查验收合格后,方能进货安装。
2.1.3 螺旋焊管钢桩钢管:壁厚为6~19mm长度不限,卷板焊管钢桩钢管:壁厚为6~47mm 长度不超过6m。
型号为STK、SKK号钢卷制。
2.1.4 H型钢,为标准型钢,材质为普通碳素钢、16Mn钢或海港工程用防氯盐钢材。
2.1.5 钢管桩顶部抗锤击和底部为减少摩擦抗变形的加强箍,用宽200~300mm、厚6~12mm 和钢管桩材质相同的钢板制作,用电焊满焊,焊接时箍板的纵缝要和卷焊桩管的纵缝错开90度。
2.1.6 钢桩应按规格分别堆放(即上节桩、中节桩、下节桩)一般堆叠层数为三层(高度控制在2m以内)。
支点用枕木两侧用木楔塞牢,防止变形。
2.1.7 成品钢桩的质量检验标准2.2 主要工机具2.2.1机械设备三点支撑式履带打桩机、轨道式柴油打桩机、轮胎式起重机、运输载重汽车、电焊机、切管机2.2.2 主要工具钢丝绳吊索、卡环、撬杠、气焊工具、扁铲。
2.3 作业条件2.3.1 打桩现场三通一平,处理打桩地基上面障碍物,清理、整平时要设雨水排出沟渠,附近有建筑物的要挖隔震沟,预先充分了解打桩场地,清理妨碍打桩的高空和地下障碍物。
2.3.2 打桩场地整平用压路机碾压平整,并在地表铺10~20cm 厚石子使地基承载力达到0.2 Mpa ~0.3Mpa 。
2.3.3 控制点的设置应尽可能远离施工现场,以减少施工土体扰动对基准点的影响。
2.3.4 施工现场的轴线、水准控制点、桩基布点必须经常检查,妥善保护,设控制点和水准点的数量不应少于2个。
钢桩施工工艺标准1 适用范围本工艺标准适用于一般钢管桩或H型钢桩基础工程。
2 施工准备2. 1原材料要求2.1.1 钢桩的材料(含其它半成品)进场后,应按规格、品种、牌号堆放,抽样检验,检验结果与合格证相符者方可使用,未经进货检验或未经检验合格的物资不得投入使用。
2.1.2 钢管质量验收:按设计图纸规格尺寸及有关规范,允许误差,实测实量及外观全数检查验货,特别是钢管的垂直度和内外径是否达到要求,作为重点检查,经检查验收合格后,方能进货安装。
2.1.3 螺旋焊管钢桩钢管:壁厚为6~19mm长度不限,卷板焊管钢桩钢管:壁厚为6~47mm 长度不超过6m。
型号为STK、SKK号钢卷制。
2.1.4 H型钢,为标准型钢,材质为普通碳素钢、16Mn钢或海港工程用防氯盐钢材。
2.1.5 钢管桩顶部抗锤击和底部为减少摩擦抗变形的加强箍,用宽200~300mm、厚6~12mm 和钢管桩材质相同的钢板制作,用电焊满焊,焊接时箍板的纵缝要和卷焊桩管的纵缝错开90度。
2.1.6 钢桩应按规格分别堆放(即上节桩、中节桩、下节桩)一般堆叠层数为三层(高度控制在2m以内)。
支点用枕木两侧用木楔塞牢,防止变形。
2.1.7 成品钢桩的质量检验标准2.2 主要工机具2.2.1机械设备三点支撑式履带打桩机、轨道式柴油打桩机、轮胎式起重机、运输载重汽车、电焊机、切管机2.2.2 主要工具钢丝绳吊索、卡环、撬杠、气焊工具、扁铲。
2.3 作业条件2.3.1 打桩现场三通一平,处理打桩地基上面障碍物,清理、整平时要设雨水排出沟渠,附近有建筑物的要挖隔震沟,预先充分了解打桩场地,清理妨碍打桩的高空和地下障碍物。
2.3.2 打桩场地整平用压路机碾压平整,并在地表铺10~20cm 厚石子使地基承载力达到0.2 Mpa ~0.3Mpa 。
2.3.3 控制点的设置应尽可能远离施工现场,以减少施工土体扰动对基准点的影响。
2.3.4 施工现场的轴线、水准控制点、桩基布点必须经常检查,妥善保护,设控制点和水准点的数量不应少于2个。
钢桩施工工艺标准1适用范围本工艺标准适用于一般钢管桩或H型钢桩基础工程。
2 施工准备2. 1原材料要求2.1.1钢桩的材料(含其它半成品)进场后,应按规格、品种、牌号堆放,抽样检验,检验结果与合格证相符者方可使用,未经进货检验或未经检验合格的物资不得投入使用。
2.1.2钢管质量验收:按设计图纸规格尺寸及有关规范,允许误差,实测实量及外观全数检查验货,特别是钢管的垂直度和内外径是否达到要求,作为重点检查,经检查验收合格后,方能进货安装。
2.1.3螺旋焊管钢桩钢管:壁厚为6〜19mm长度不限,卷板焊管钢桩钢管:壁厚为6〜47mm 长度不超过6m。
型号为STK SKK号钢卷制。
2.1.4H型钢,为标准型钢,材质为普通碳素钢、16Mn钢或海港工程用防氯盐钢材。
2.1.5钢管桩顶部抗锤击和底部为减少摩擦抗变形的加强箍,用宽200〜300mm、厚6〜12mm和钢管桩材质相同的钢板制作,用电焊满焊,焊接时箍板的纵缝要和卷焊桩管的纵缝错开90度。
2.1.6钢桩应按规格分别堆放(即上节桩、中节桩、下节桩)一般堆叠层数为三层(高度控制在2m以内)。
支点用枕木两侧用木楔塞牢,防止变形。
2.1.7成品钢桩的质量检验标准主要工机具2.2.1 机械设备三点支撑式履带打桩机、轨道式柴油打桩机、轮胎式起重机、运输载重汽车、电焊机、切管机钢丝绳吊索、卡环、撬杠、气焊工具、扁铲。
作业条件2.3.1打桩现场三通一平,处理打桩地基上面障碍物,清理、整平时要设雨水排出沟渠, 附近有建筑物的要挖隔震沟,预先充分了解打桩场地,清理妨碍打桩的高空和地下障碍物。
232 打桩场地整平用压路机碾压平整,并在地表铺10〜20cm厚石子使地基承载力达到Mpa 〜。
2.3.3控制点的设置应尽可能远离施工现场,以减少施工土体扰动对基准点的影响。
2.3.4施工现场的轴线、水准控制点、桩基布点必须经常检查,妥善保护,设控制点和水准点的数量不应少于2个。
2.3.5测量放线使用的全站仪、经纬仪、水准仪、钢盘尺、线锤应计量检查合格,多次使用应为同一计量器具。
钢桩施工工艺标准1适用范围本工艺标准适用于一般钢管桩或H 型钢桩基础工程。
2施工准备2. 1原材料要求2.1.1钢桩的材料(含其它半成品)进场后,应按规格、品种、牌号堆放,抽样检验,检验结果与合格证相符者方可使用,未经进货检验或未经检验合格的物资不得投入使用。
2.1.2钢管质量验收:按设计图纸规格尺寸及有关规范,允许误差,实测实量及外观全数检查验货,特别是钢管的垂直度和内外径是否达到要求,作为重点检查,经检查验收合格后,方能进货安装。
2.1.3螺旋焊管钢桩钢管:壁厚为6~19mm长度不限,卷板焊管钢桩钢管:壁厚为长度不超过6m。
型号为STK、SKK号钢卷制。
6~ 47mm2.1.4 H 2.1.5型钢,为标准型钢,材质为普通碳素钢、 16Mn钢或海港工程用防氯盐钢材。
钢管桩顶部抗锤击和底部为减少摩擦抗变形的加强箍,用宽 200~300mm、厚6~ 12mm和钢管桩材质相同的钢板制作,用电焊满焊,焊接时箍板的纵缝要和卷焊桩管的纵缝错开90度。
2.1.6钢桩应按规格分别堆放(即上节桩、中节桩、下节桩)一般堆叠层数为三层(高度控制在 2m以内)。
支点用枕木两侧用木楔塞牢,防止变形。
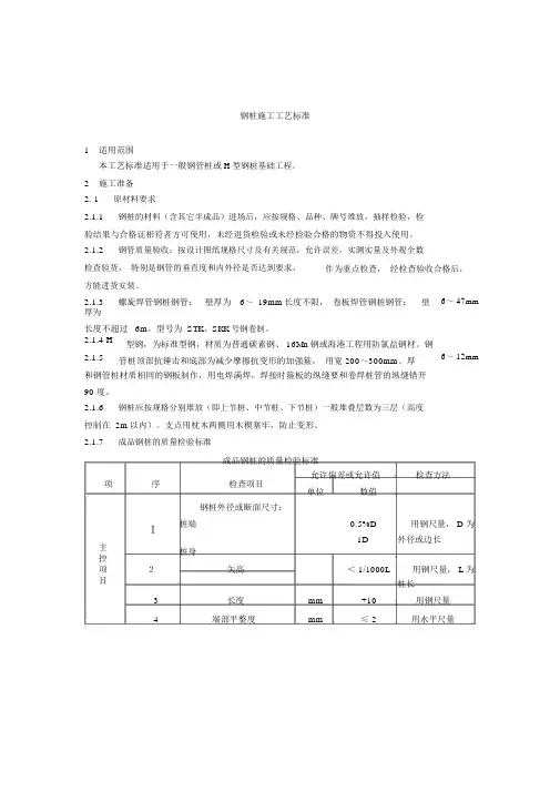
2.1.7成品钢桩的质量检验标准成品钢桩的质量检验标准项序检查项目允许偏差或允许值检查方法单位数值钢桩外径或断面尺寸:1桩端0.5%D用钢尺量, D 为1D外径或边长主桩身控< 1/1000L用钢尺量, L 为项2矢高目桩长3长度mm+10用钢尺量4端部平整度mm≤ 2用水平尺量H 钢桩的方正度h> mm T+T′≤ 8用钢尺量, h、 T、300T+T′≤ 8T′见图示h5300hT′6端部平面与桩中心线的倾mm≤ 2用水平尺量斜值2.2主要工机具2.2.1机械设备三点支撑式履带打桩机、轨道式柴油打桩机、轮胎式起重机、运输载重汽车、电焊机、切管机柴油桩锤规格锤别KB80KB72B KB60KB45KB35KB25IDH-45外形尺ΦΦΦΦΦΦΦ 985*4689寸(mm)980*61001250*5905 1400*5770 1009*4825889*4550 789*4550总重( t )20..518..31510..57.5 5.211.0活塞重( t )8.07.2 6.0 4.5 3.5 2.5 4.5锤击次数35~6042~ 6035~ 5535~ 5535~ 5535~ 5542~60(次 /min )锤击能量2400021600160001350010500750013500(k g · .m)爆发力( t )3002802461911501081912.2.2主要工具钢丝绳吊索、卡环、撬杠、气焊工具、扁铲。
#+钢桩施工工艺标准1适用范围本工艺标准适用于一般钢管桩或H 型钢桩基础工程。
2施工准备2. 1原材料要求2.1.1钢桩的材料(含其它半成品)进场后,应按规格、品种、牌号堆放,抽样检验,检验结果与合格证相符者方可使用,未经进货检验或未经检验合格的物资不得投入使用。
2.1.2钢管质量验收:按设计图纸规格尺寸及有关规范,允许误差,实测实量及外观全数检查验货,特别是钢管的垂直度和内外径是否达到要求,作为重点检查,经检查验收合格后,方能进货安装。
2.1.3螺旋焊管钢桩钢管:壁厚为6~19mm长度不限,卷板焊管钢桩钢管:壁厚为长度不超过6m。
型号为STK、SKK号钢卷制。
6~ 47mm2.1.4 H 2.1.5型钢,为标准型钢,材质为普通碳素钢、 16Mn钢或海港工程用防氯盐钢材。
钢管桩顶部抗锤击和底部为减少摩擦抗变形的加强箍,用宽 200~300mm、厚6~ 12mm和钢管桩材质相同的钢板制作,用电焊满焊,焊接时箍板的纵缝要和卷焊桩管的纵缝错开90度。
2.1.6钢桩应按规格分别堆放(即上节桩、中节桩、下节桩)一般堆叠层数为三层(高度控制在 2m以内)。
支点用枕木两侧用木楔塞牢,防止变形。
2.1.7成品钢桩的质量检验标准成品钢桩的质量检验标准项序检查项目允许偏差或允许值检查方法单位数值钢桩外径或断面尺寸:1桩端0.5%D用钢尺量, D 为1D外径或边长主桩身控< 1/1000L用钢尺量, L 为项2矢高目桩长3长度mm+10用钢尺量4端部平整度mm≤ 2用水平尺量#+H 钢桩的方正度h> mm T+T′≤ 8用钢尺量, h、 T、300T+T′≤ 8T′见图示h5300hT′6端部平面与桩中心线的倾mm≤ 2用水平尺量斜值2.2主要工机具2.2.1机械设备三点支撑式履带打桩机、轨道式柴油打桩机、轮胎式起重机、运输载重汽车、电焊机、切管机柴油桩锤规格锤别KB80KB72B KB60KB45KB35KB25IDH-45外形尺ΦΦΦΦΦΦΦ 985*4689寸(mm)980*61001250*5905 1400*5770 1009*4825889*4550 789*4550总重( t )20..518..31510..57.5 5.211.0活塞重( t )8.07.2 6.0 4.5 3.5 2.5 4.5锤击次数35~6042~ 6035~ 5535~ 5535~ 5535~ 5542~60(次 /min )锤击能量2400021600160001350010500750013500(k g · .m)爆发力( t )3002802461911501081912.2.2主要工具钢丝绳吊索、卡环、撬杠、气焊工具、扁铲。
6.2.1钢管桩施工
1、定位:由测量人员按施工图纸给定桩位,用全站仪根据基准点配合钢尺给定。
2、机械成孔:钢管桩成孔直径为130mm,间距为500mm,嵌固深度为2000mm。
机械成孔采用跳跃式成孔,跳跃间距为1.50m,待钢管桩水泥浆浇注后方可进行两侧钢管桩成孔施工,成孔过程中要严格控制垂直度,保证垂直度控制在3%以内。
3、钢管制作安装
1)制作:直径89mm壁厚4mm的钢管,在钢管底部1000mm范围内梅花型布置直径为10mm间距为200mm的小孔,钢管的接头部位内嵌直径83mm长150mm 的钢管,满焊。
2)安装:利用汽车吊(或挖掘机)平稳缓缓的放入孔内(防止钢管变形,撞坏孔壁造成的塌孔)
4、注浆:采用M30纯水泥浆、注浆方式:注浆时利用注浆管进行孔底注浆,注浆管距离孔底200-300mm,边灌注边拔注浆注浆导管,采用常压注浆,待孔口溢出纯水泥浆为止,保证钢管内水泥浆饱满,若发现钢管内缺浆现象应进行补浆。
ybj233-1991钢管桩施工技术规程一、范围本规程规定了钢管桩施工技术的相关要求,适用于建筑工程中钢管桩的施工、制作、运输、堆放、沉桩、连接、质量控制与验收以及安全、环境保护等方面的技术指导。
二、规范性引用文件本规程规范性引用了以下文件:1.《建筑地基基础工程施工质量验收规范》GB50202-20132.《建筑桩基技术规范》JGJ94-2010三、术语和定义钢管桩是指采用钢管材质制成的桩体,分为直钢管桩和弯曲钢管桩两种类型。
本规程涉及的钢管桩为直钢管桩。
四、总则1. 钢管桩施工应遵循安全、可靠、经济、合理的原则,并符合相关规范和设计要求。
2. 钢管桩施工前应进行现场勘查,了解场地条件、地质情况、设计要求等,并根据实际情况制定施工方案。
3. 钢管桩施工过程中应采取必要的安全措施和环境保护措施,确保人员安全和环境质量。
4. 钢管桩施工完成后,应进行质量控制与验收,确保施工质量符合要求。
五、施工准备1. 现场勘查:了解场地条件、地质情况、设计要求等,确定施工方案。
2. 材料准备:根据设计要求选购钢管、焊条、螺栓等材料,并确保材料质量符合要求。
3. 机械设备准备:检查沉桩设备、焊接设备等机械设备的运行状况,确保设备性能良好。
4. 技术准备:熟悉施工图纸和技术要求,编制施工组织方案,进行技术交底等工作。
5. 安全准备:制定安全措施,设置警示标志,配备安全员等。
6. 环境保护准备:制定环境保护措施,减少噪音、尘土等对环境的影响。
六、钢管桩制作1. 钢管材质应符合设计要求,外观质量应符合相关标准。
2. 钢管桩制作应按照设计图纸进行,确保尺寸、形状、强度等参数符合要求。
3. 焊接工艺应符合相关规定,焊接质量应进行检验和控制。
钢管桩工程施工规范要求第一章总则1.1 规范适用范围本规范适用于钢管桩工程的施工过程中所涉及的各项工作。
包括但不限于桩基建设、桩基施工方案制定、桩基施工单位资质等级等。
1.2 规范引用标准本规范引用标准采用国家相关标准或行业规范。
1.3 施工管理原则钢管桩工程的施工需要遵循"安全第一、质量为本、科学施工、绿色环保"的原则。
第二章施工前准备2.1 钢管桩工程施工前一定要制定合理、科学的施工方案,方案中应包括桩基类型、桩轴力、桩轴心偏位、桩身受力分析等内容。
2.2 安全防护施工前应做好安全防护措施,包括但不限于施工现场的标识、施工人员的培训和安全知识普及。
2.3 环境保护在施工前,需要做好环境保护工作,包括对施工现场周边环境进行评估,制定相应的环保措施。
2.4 施工设备和机具的准备施工前要检查和保养好施工设备和机具,确保其正常、可靠。
第三章施工过程3.1 施工队伍施工队伍应具备相应的资质和证书,施工人员应经过培训并持证上岗。
3.2 施工方法根据工程实际情况,选择合适的施工方法,确保施工质量。
3.3 桩基挖孔钢管桩基础需要进行挖孔,挖孔的尺寸和深度需符合设计要求。
在挖孔过程中,要严格控制孔壁稳定,避免塌方和滑坡。
3.4 钢管桩的安装施工时需要保证桩身的垂直度和轴线偏位符合设计要求,安装时在确保垂直度的前提下,避免造成桩身弯曲、变形等问题。
3.5 桩基灌浆灌浆作业需要根据设计要求选择合适的灌浆材料,确保灌浆过程中材料充实、均匀、无空洞。
3.6 桩基验收施工完毕后,需要对桩基进行验收,检查桩基质量及各项参数是否符合设计要求。
第四章施工后收尾4.1 施工档案施工结束后,要及时整理和归档施工资料,包括但不限于施工日志、验收报告、工程进度计划等。
4.2 环境保护施工结束后,要对施工现场进行清理,保证环境整洁,并进行环保治理。
4.3 安全检查施工结束后,要对设备和施工现场进行安全检查,确保施工结束后不存在安全隐患。
钢桩施工工艺标准1 适用范围本工艺标准适用于一般钢管桩或H型钢桩基础工程。
2 施工准备2. 1原材料要求2.1.1 钢桩的材料(含其它半成品)进场后,应按规格、品种、牌号堆放,抽样检验,检验结果与合格证相符者方可使用,未经进货检验或未经检验合格的物资不得投入使用。
2.1.2 钢管质量验收:按设计图纸规格尺寸及有关规范,允许误差,实测实量及外观全数检查验货,特别是钢管的垂直度和内外径是否达到要求,作为重点检查,经检查验收合格后,方能进货安装。
2.1.3 螺旋焊管钢桩钢管:壁厚为6~19mm长度不限,卷板焊管钢桩钢管:壁厚为6~47mm 长度不超过6m。
型号为STK、SKK号钢卷制。
2.1.4 H型钢,为标准型钢,材质为普通碳素钢、16Mn钢或海港工程用防氯盐钢材。
2.1.5 钢管桩顶部抗锤击和底部为减少摩擦抗变形的加强箍,用宽200~300mm、厚6~12mm 和钢管桩材质相同的钢板制作,用电焊满焊,焊接时箍板的纵缝要和卷焊桩管的纵缝错开90度。
2.1.6 钢桩应按规格分别堆放(即上节桩、中节桩、下节桩)一般堆叠层数为三层(高度控制在2m以内)。
支点用枕木两侧用木楔塞牢,防止变形。
2.1.7 成品钢桩的质量检验标准2.2 主要工机具2.2.1机械设备三点支撑式履带打桩机、轨道式柴油打桩机、轮胎式起重机、运输载重汽车、电焊机、切管机2.2.2 主要工具钢丝绳吊索、卡环、撬杠、气焊工具、扁铲。
2.3 作业条件2.3.1 打桩现场三通一平,处理打桩地基上面障碍物,清理、整平时要设雨水排出沟渠,附近有建筑物的要挖隔震沟,预先充分了解打桩场地,清理妨碍打桩的高空和地下障碍物。
2.3.2 打桩场地整平用压路机碾压平整,并在地表铺10~20cm 厚石子使地基承载力达到0.2 Mpa ~0.3Mpa 。
2.3.3 控制点的设置应尽可能远离施工现场,以减少施工土体扰动对基准点的影响。
2.3.4 施工现场的轴线、水准控制点、桩基布点必须经常检查,妥善保护,设控制点和水准点的数量不应少于2个。
钢管桩规范1 适用范围本工艺标准适用于一般钢管桩或H型钢桩基础工程。
2 施工准备2. 1原材料要求2.1.1 钢桩的材料(含其它半成品)进场后,应按规格、品种、牌号堆放,抽样检验,检验结果与合格证相符者方可使用,未经进货检验或未经检验合格的物资不得投入使用。
2.1.2 钢管质量验收:按设计图纸规格尺寸及有关规范,允许误差,实测实量及外观全数检查验货,特别是钢管的垂直度和内外径是否达到要求,作为重点检查,经检查验收合格后,方能进货安装。
2.1.3 螺旋焊管钢桩钢管:壁厚为6~19mm长度不限,卷板焊管钢桩钢管:壁厚为6~47mm长度不超过6m。
型号为STK、SKK号钢卷制。
2.1.4 H型钢,为标准型钢,材质为普通碳素钢、16Mn钢或海港工程用防氯盐钢材。
2.1.5 钢管桩顶部抗锤击和底部为减少摩擦抗变形的加强箍,用宽200~300mm、厚6~12mm和钢管桩材质相同的钢板制作,用电焊满焊,焊接时箍板的纵缝要和卷焊桩管的纵缝错开90度。
2.1.6 钢桩应按规格分别堆放(即上节桩、中节桩、下节桩)一般堆叠层数为三层(高度控制在2m以内)。
支点用枕木两侧用木楔塞牢,防止变形。
2.1.7 成品钢桩的质量检验标准2.2 主要工机具2.2.1机械设备三点支撑式履带打桩机、轨道式柴油打桩机、轮胎式起重机、运输载重汽车、电焊机、切管机2.2.2 主要工具钢丝绳吊索、卡环、撬杠、气焊工具、扁铲。
2.3 作业条件2.3.1 打桩现场三通一平,处理打桩地基上面障碍物,清理、整平时要设雨水排出沟渠,附近有建筑物的要挖隔震沟,预先充分了解打桩场地,清理妨碍打桩的高空和地下障碍物。
2.3.2 打桩场地整平用压路机碾压平整,并在地表铺10~20cm厚石子使地基承载力达到0.2 Mpa ~0.3Mpa。
2.3.3 控制点的设置应尽可能远离施工现场,以减少施工土体扰动对基准点的影响。
2.3.4 施工现场的轴线、水准控制点、桩基布点必须经常检查,妥善保护,设控制点和水准点的数量不应少于2个。
钢桩施工工艺标准1 适用范围本工艺标准适用于一般钢管桩或H型钢桩基础工程。
2 施工准备2. 1原材料要求2.1.1 钢桩的材料(含其它半成品)进场后,应按规格、品种、牌号堆放,抽样检验,检验结果与合格证相符者方可使用,未经进货检验或未经检验合格的物资不得投入使用。
2.1.2 钢管质量验收:按设计图纸规格尺寸及有关规范,允许误差,实测实量及外观全数检查验货,特别是钢管的垂直度和内外径是否达到要求,作为重点检查,经检查验收合格后,方能进货安装。
2.1.3 螺旋焊管钢桩钢管:壁厚为6~19mm长度不限,卷板焊管钢桩钢管:壁厚为6~47mm 长度不超过6m。
型号为STK、SKK号钢卷制。
2.1.4 H型钢,为标准型钢,材质为普通碳素钢、16Mn钢或海港工程用防氯盐钢材。
2.1.5 钢管桩顶部抗锤击和底部为减少摩擦抗变形的加强箍,用宽200~300mm、厚6~12mm 和钢管桩材质相同的钢板制作,用电焊满焊,焊接时箍板的纵缝要和卷焊桩管的纵缝错开90度。
2.1.6 钢桩应按规格分别堆放(即上节桩、中节桩、下节桩)一般堆叠层数为三层(高度控制在2m以内)。
支点用枕木两侧用木楔塞牢,防止变形。
2.1.7 成品钢桩的质量检验标准2.2 主要工机具2.2.1机械设备三点支撑式履带打桩机、轨道式柴油打桩机、轮胎式起重机、运输载重汽车、电焊机、切管机2.2.2 主要工具钢丝绳吊索、卡环、撬杠、气焊工具、扁铲。
2.3 作业条件2.3.1 打桩现场三通一平,处理打桩地基上面障碍物,清理、整平时要设雨水排出沟渠,附近有建筑物的要挖隔震沟,预先充分了解打桩场地,清理妨碍打桩的高空和地下障碍物。
2.3.2 打桩场地整平用压路机碾压平整,并在地表铺10~20cm厚石子使地基承载力达到0.2 Mpa ~0.3Mpa。
2.3.3 控制点的设置应尽可能远离施工现场,以减少施工土体扰动对基准点的影响。
2.3.4 施工现场的轴线、水准控制点、桩基布点必须经常检查,妥善保护,设控制点和水准点的数量不应少于2个。
钢桩施工工艺标准1 适用范围本工艺标准适用于一般钢管桩或H型钢桩基础工程。
2 施工准备2. 1原材料要求2.1.1 钢桩的材料(含其它半成品)进场后,应按规格、品种、牌号堆放,抽样检验,检验结果与合格证相符者方可使用,未经进货检验或未经检验合格的物资不得投入使用。
2.1.2 钢管质量验收:按设计图纸规格尺寸及有关规范,允许误差,实测实量及外观全数检查验货,特别是钢管的垂直度和内外径是否达到要求,作为重点检查,经检查验收合格后,方能进货安装。
2.1.3 螺旋焊管钢桩钢管:壁厚为6~19mm长度不限,卷板焊管钢桩钢管:壁厚为6~47mm 长度不超过6m。
型号为STK、SKK号钢卷制。
2.1.4 H型钢,为标准型钢,材质为普通碳素钢、16Mn钢或海港工程用防氯盐钢材。
2.1.5 钢管桩顶部抗锤击和底部为减少摩擦抗变形的加强箍,用宽200~300mm、厚6~12mm 和钢管桩材质相同的钢板制作,用电焊满焊,焊接时箍板的纵缝要和卷焊桩管的纵缝错开90度。
2.1.6 钢桩应按规格分别堆放(即上节桩、中节桩、下节桩)一般堆叠层数为三层(高度控制在2m以内)。
支点用枕木两侧用木楔塞牢,防止变形。
2.1.7 成品钢桩的质量检验标准2.2 主要工机具2.2.1机械设备三点支撑式履带打桩机、轨道式柴油打桩机、轮胎式起重机、运输载重汽车、电焊机、切管机2.2.2 主要工具钢丝绳吊索、卡环、撬杠、气焊工具、扁铲。
2.3 作业条件2.3.1 打桩现场三通一平,处理打桩地基上面障碍物,清理、整平时要设雨水排出沟渠,附近有建筑物的要挖隔震沟,预先充分了解打桩场地,清理妨碍打桩的高空和地下障碍物。
2.3.2 打桩场地整平用压路机碾压平整,并在地表铺10~20cm 厚石子使地基承载力达到0.2 Mpa ~0.3Mpa 。
2.3.3 控制点的设置应尽可能远离施工现场,以减少施工土体扰动对基准点的影响。
2.3.4 施工现场的轴线、水准控制点、桩基布点必须经常检查,妥善保护,设控制点和水准点的数量不应少于2个。
2.3.5 测量放线使用的全站仪、经纬仪、水准仪、钢盘尺、线锤应计量检查合格,多次使用应为同一计量器具。
2.3.6 桩位布点与验收:按基础纵横交点和设计图的尺寸确定桩位,用小方木桩打入并在上面用小圆钉做中心套样桩箍,然后在样箍的外侧撒石灰,以示桩位标记。
测量误差 10mm 。
2.3.7 按总图设置的水、电、汽管线不应与打桩相互影响,特别是供水、汽管线和地下电缆要防止打桩土体隆起的破坏作用。
2.4 作业人员2.4.1 施工作业人员必须在上岗前进行岗位培训考核合格,持证上岗。
按设计施工不得任意改变设计,应遵守其中有关安全的规定。
2.4.2 施工作业人员施工前,必须充分了解地质资料、施工图纸和设计说明以及有关资料。
必须熟知打桩规范、质量评定标准、施工程序、验收标准以及劳动组织分工等。
2.4.3 施工作业人员应按国家规定的时间内容进行体格检查,必须持有健康检查合格证、高血压、心脏病、癫痫病患者不得参加打桩作业。
3 施工工艺3.1 工艺流程3.1.1 钢管桩的工艺流程:3.1.2 H 型钢桩的工艺流程:3.2 操作工艺: 3.2.1 打桩方式3.2.1.1 钢桩施工工艺主要依据工程特点、地质水文条件、施工机具的机械性能以及设计要求等决定。
钢桩打桩有三种通用方式:a )自然地面打桩,采用送桩至设计标高施工;b) 地面打桩,但不送桩,待基坑开挖后切割至设计标高; c) 挖坑打桩施工;3.2.1.2 打桩施工流水作业,通常还可以分为:单流水、双流水、三流水、四流水及多流水等五类方法,桩机运行路线尽量短,移动次数少。
3.2.2 钢桩贯入3.2.2.1 施工前,样桩的控制应按设计原图,并以轴线为基准对样桩逐根复核,作好测量记录,复核无误后方可试桩、打桩施工。
3.2.2.2吊钢管桩多采用一点绑扎起吊,待吊到桩位进行插桩,将钢管桩对准事先用石灰放出的桩位,作到桩位准确垂直。
3.2.2.3 打桩前,必须在桩头放置特制的桩帽,桩帽上放置用硬木制的减震垫。
3.2.2.4 钢管桩吊到桩位进行插桩时,由于桩身及桩帽总自重和桩锤放置在桩顶会自沉,大量贯入土中,待沉至稳定后再行锤击。
3.2.2.5 开始打桩时,打桩机会因贯入量大而空打,开始锤击作业时应缓慢地间断试打,直至桩进入地层一定深度为止,不得连续击打。
3.2.2.6 打桩时,必须用两台经纬仪,架设在打桩机的正面和侧面,校正桩机导向杆及桩的垂直度,并保持桩锤、桩帽与桩在同一纵轴线上。
3.2.2.7 钢管桩打入1~2m后,应重新用经纬仪校正垂直度,当打至一定深度并经复核打桩质量良好时,再连续进行击打,直至高出地面60cm~80cm停止锤击,进行接桩,再重复上述步骤直至达到设计标高。
3.2.2.8 在打入阶段发现桩位不正或倾斜,应调整或拔出钢管桩重新插入打。
3.2.2.9钢管桩打入贯入度小于1~2mm时,应停打分析原因,确定解决办法后,再继续施工。
3.2.2.10 因土体贯入量大而出现空打,需要采用两种重量不同型号的锤进行打桩,即第一节桩用重量轻的桩锤,第二节及以后的桩节用重量大的桩锤。
3.2.3 接桩3.2.3.1 钢管桩桩身接头采用桩身内衬套上下对接焊接,H形钢采用坡口对接或连接板贴角焊接,严格按焊接工艺评定指标操作,严禁在没有焊接工艺评定指标情况下操作。
3.2.3.2 焊接宜采用二氧化碳气体保护自动焊或半自动二氧化碳气体保护焊,也可以用手工电弧焊,质量要求见前表,当气温低于0℃度时焊口两侧各100mm应预热,焊接完毕后必须冷却大于5min,再进行锤击打桩。
(焊接具体要求,见焊接规范)3.2.3.3 接桩的焊接必须作横焊、立焊及平焊加仰焊位置的焊接试板各一块,试板要由现场施焊的焊工在同样工艺条件下进行焊接。
3.2.3.4 焊接前,必须将下节桩管变形损坏部分修整,上部桩管端部的锈蚀\水或油污泥砂清除,打磨好焊接坡口,并将内衬箍放置在下节桩内侧的挡块上,紧贴桩管内壁并分段点焊,然后吊接上节桩,使其坡口搁在焊道上,使上下桩对口间隙为2~4mm,用经纬仪校正垂直度合格后,再进行电焊焊接。
3.2.3.5 钢管桩的探伤要根据设计要求进行,评片标准按二级。
3.2.4 送桩3.2.4.1 送桩架长度必须符合送桩设计要求,抗锤击打端面要加减震垫,竖立在桩上要与桩垂直。
3.2.4.2 送桩必须用两台经纬仪,架设在打桩机的正面和侧面,校正桩机导杆及送桩架和桩的垂直度,并保持桩锤、桩帽与桩在同一纵轴线上。
3.2.4.3 根据地平标高,用水平仪给出送桩标高。
3.2.5 打斜桩3.2.5.1 打桩机本身能打斜桩,则只须将桩架按设计要求倾斜即可。
3.2.5.2 如无倾斜装置应进行改装,使打桩机桩架倾斜一定角度,并在下部将顶升架加长,对桩帽加滑槽并支撑于桩架与滑杆上,与桩架平行在桩架的底部增加一个活动卡桩器,保持桩位正确倾斜。
3.2.5.3桩的吊装喂桩用一台吊车,就位配合。
3.2.5.4 经纬仪应设在不受打桩机移动影响的位置,并经常与打桩机成直角移动。
3.2.6 钢管桩的切割3.2.6.1 切割设备有等离子提体切桩机、半制动氧气乙炔切桩机、悬吊式全回转氧气乙炔自动切割机和氧气乙炔手把切桩机,割桩时,先将切桩机吊入钢管桩设计切割深度,采用气动(液压)顶针装置固定在切割部位割嘴按预先调整好的间隙进行回转切割。
3.2.6.2钢管桩的切割操作程序:测量标高——抽水——架设地下切割机——点火切割——拔出钢管——放混凝土临时桩盖——回填砂。
3.2.6.3 钢管桩割出的短桩头,用内胀式拔桩装置拔出,拔出的钢管焊接接长后可以再用。
3.2.7 降水挖土3.2.7.1 降水深度一般比桩设计标高低1m,降水时间7~10天,即可以土方开挖施工。
3.2.7.2 机械挖土施工,宜采用分层开挖、运土。
人工开挖采用分多层开挖,机械运土。
3.2.8 焊桩盖3.2.8.1 在每个钢管桩上部加焊一个桩盖,并在外壁加焊8~12根20mm的锚固钢筋,桩盖有平盖形和凹盖形两种。
3.2.8.2 挖土至设计标高,使钢管桩外露,取下临时盖板,用水平仪在每根钢管桩的外壁按设计标高标出三点,然后按此标高固定一个环形作为割框的支撑点,用气焊切割平整,打磨坡口放上配套的桩盖用电焊焊接。
3.2.8.3 钢管桩顶端与承台的连接采用刚性接头,桩头嵌入承台内长度不小于1d(d—钢管桩的外径)长度或仅嵌于承台100mm左右,再利用钢筋予以补强或在钢管桩顶端焊以基础锚固钢筋。
3.2.9施工注意事项3.2.9.1 桩内灌混凝土,宜用抓斗进行钢管桩内抓土作业,用高压水枪冲洗钢管桩内壁,用泥浆泵抽干钢管桩内泥浆,放入钢筋笼,浇灌混凝土。
3.2.9.2 钢管桩的防腐蚀和腐蚀控制,对钢管桩有阴极保护的,按设计及有关规程施工。
3.2.9.3在沿海饱和软土地基打大面积超长型密集群桩,必须通过试桩合理安排施工流程,增设排水板(每根周围近打入4~6根,长度视饱和软土情况定),控制打桩速度、桩机打桩流水作业行走路线并制定土方开挖措施。
3.2.9.4 打桩施工区域附近有建筑物的,应挖隔振沟,隔振沟深度要能使震动的水平、垂直加速度小于有感地震等级(小于三级)。
4. 质量标准4.1主控项目及一般项目4.1.2 钢桩施工允许倾斜4.2 特殊工艺或关键控制点的控制4.4 质量记录4.4.1 原材料出场合格证、产品质量检验报告、材料抽检试验报告4.4.2 桩位测量放线记录4.4.3 中间检查记录4.4.4 分项工程质量验收记录4.4.5 隐蔽工程检查验收记录4.4.6 接桩焊接报告(焊接工艺评定、焊接试验报告、X射线探伤报告)4.4.7 沉桩质量检查报告、单桩承载力报告5 应注意的质量问题(质量通病及防治措施)5.0.1 桩体开裂制作桩的螺旋焊管或直缝钢管焊接质量不好、遇障碍物、桩锤与桩不垂直、两节桩不同心、焊接强度不够、桩身有裂纹。
查验材质合格证、抽检桩管材质和焊接质量、清理地下障碍物、校正桩架、接桩时保持上下桩节同心、检验焊接强度。
5.0.2 打桩达不到设计要求深度地质资料不明确至使设计选择桩长有误,进行地质详探或部勘、正确选择持力层或标高。
5.0.3 桩身倾斜及时纠正桩的垂直度、清理地下障碍物、调整压桩顺序。
5.0.4 接桩处松脱开裂。
焊接质量不合格、焊条选用不合理、焊条保管不当、两节桩不在同一轴线上,桩端面不圆至使桩管壁对口超差,作好焊接工艺评定、按设计选择合理的焊接材料、焊条保管烘干按规范要求、焊缝应连续饱满、两节桩在同轴线上。
6 成品保护6.0.1 钢管桩打完后应测量复核,在每根桩顶至少投三个标高点。
加盖混凝土临时桩帽,桩坑回填砂,清理现场施工用料。
6.0.2 对打桩后的休止期实施定期观测,特别是超静孔隙水压力对深层土体的位移的影响,应制定有效的预控措施,钢管桩出现3cm位移时,应会同设计采取有效治理措施。