【工程常用表格】钢管桩制作检验批质量验收记录
- 格式:xlsx
- 大小:14.25 KB
- 文档页数:1
宁安铁路工程报验申请表(TA8)工程项目名称:宁安铁路工程施工合同段:NASZ-5标编号:致:北京铁城建设监理有限责任公司宁安铁路监理站(项目监理机构):根据施工承包合同和设计文件的要求,我单位已完成芜湖站存车场给水钢管铺设工程工程并自检合格,报请检查。
附件:钢管检验批质量验收记录表承包单位:中国路桥工程有限责任公司宁安铁路工程第一项目分部质量检查工程师:日期:年月日监理审核意见:专业监理工程师:日期:年月日注:本表一式3份,承包单位2份,监理单位1份。
钢管检验批质量验收记录表[管道铺设] 05010602□□□□单位工程名称芜湖站存车场室外给水工程分部工程名称管道铺设分项工程名称钢管验收部位消火栓S3—S4之间施工单位中国路桥工程有限责任公司宁安铁路工程第一项目分部项目负责人王金满施工质量验收标准名称及编号《铁路给水排水工程施工质量验收标准》(TB10422-2011)施工质量验收标准的规定施工单位检查评定记录监理单位验收记录主控项目1钢管、管件、焊条的规格、型号、质量第9.3.1条符合规范要求2 焊接工艺试验第9.3.2条符合要求3 焊缝质量第9.3.3条焊缝符合设计要求4 焊条化学成分、机械强度第9.3.4条符合要求5 焊条使用前的干燥处理第9.3.5条焊条干燥、符合设计要求6采用螺纹连接时,管节切口断面及丝扣第9.3.6条符合要求一般项目1管道铺设允许偏差轴线位置第9.3.7条18 26 12 14 16 2123 15 13高程第9.3.7条-12 +9 +8 -6 -13 +10+14 +9 +122法兰连接允许偏差螺孔中心5%孔径符合要求螺栓规格及安装方向相同符合要求橡胶螺栓紧固后外露丝扣数2~3个符合要求法兰之间平行1.5‰外径且不大于2mm符合要求3法兰中轴线与管道中轴线允许偏差内径≤300mm 1mm0.4 0 0.6 0.6 0.7 0.9内径>300mm 2mm施工作业人员质量责任等级施工单位检查评定结果专职质量检查员:年月日分项工程技术负责人:年月日分项工程负责人:年月日监理单位验收结论监理工程师:年月日钢管检验批质量验收记录表[管道铺设] 05010602□□□□单位工程名称芜湖站存车场室外给水工程分部工程名称管道铺设分项工程名称钢管验收部位消火栓S18—S19之间施工单位中国路桥工程有限责任公司宁安铁路工程第一项目分部项目负责人王金满施工质量验收标准名称及编号《铁路给水排水工程施工质量验收标准》(TB10422-2011)施工质量验收标准的规定施工单位检查评定记录监理单位验收记录主控项目1钢管、管件、焊条的规格、型号、质量第9.3.1条符合规范要求2 焊接工艺试验第9.3.2条符合要求3 焊缝质量第9.3.3条焊缝符合设计要求4 焊条化学成分、机械强度第9.3.4条符合要求5 焊条使用前的干燥处理第9.3.5条焊条干燥、符合设计要求6采用螺纹连接时,管节切口断面及丝扣第9.3.6条符合要求一般项目1管道铺设允许偏差轴线位置第9.3.7条18 13 22 14 20 2115 15 21高程第9.3.7条-9 +9 +11 -6 -13 +10+14 +13 +112法兰连接允许偏差螺孔中心5%孔径符合要求螺栓规格及安装方向相同符合要求橡胶螺栓紧固后外露丝扣数2~3个符合要求法兰之间平行1.5‰外径且不大于2mm符合要求3法兰中轴线与管道中轴线允许偏差内径≤300mm 1mm0.5 0 0.6 0.3 0.7 0.9内径>300mm 2mm施工作业人员质量责任等级施工单位检查评定结果专职质量检查员:年月日分项工程技术负责人:年月日分项工程负责人:年月日监理单位验收结论监理工程师:年月日。
钢管柱与梁板间节点检验批质量验收记录检验规定和说明适用范围:本表适用于地铁施工采用钢管混凝土结构时,对钢管柱与梁板间节点焊接质量检验。
检验批的划分:每10根为一个检验批,不足10根也按一批计。
检验数量:主控项目中的第1-6项均全数检查;第7项资料全数检查;同类焊缝抽查10%,且不应小于3条。
一般项目第1~4项:每批同类构件抽查10%,且不应少于3件,被抽检构件中,每一类型焊缝按条数抽查5%,且不应少于1条;每条检查 1处,总抽检数不应少于10处;第5项:每批同类构件抽查10%,且不应少于3件,被抽检构件中,每一类型焊缝按条数抽查5%,且不应少于1条;每条检查 1处,总抽检数不应少于10处;第6项:每批同类构件抽查10%,且不应少于3件;第7~9项:每批同类构件抽查10%,且不少于3件。
主控项目:必须符合本办法合格质量标准的要求。
1. 焊接材料的品种、规格、性能等应符合现行国家产品标准和设计要求。
检验方法:检验焊接材料的质量合格证明文件、中文标志及检验报告。
2. 重要钢结构采用的焊接材料必须进行复检,复检结果应符合现行国家产品标准和设计要求。
检验方法:检查复检报告。
3. 焊条、焊丝、焊剂、电渣焊熔嘴等焊接材料与母材匹配并符合设计要求及国家现行行业标准《建筑钢结构焊接技术规程》JGJ81的规定。
焊条、焊剂、药芯焊丝熔嘴等在使用前,按其产品说明书及焊接工艺文件的规定进行烘焙和存放。
检查方法:检查质量证明书和烘焙记录。
4. 焊工必须经考试合格并取得合格证书。
持证焊工必须在其考试合格项目及其认可范围内施焊。
检查方法:检查焊工合格证及其认可范围、有效期。
5. 施工单位对其首次采用的钢材、焊接材料、焊接方法、焊后热处理等,进行焊接工艺评定。
并根据评定报告确定焊接工艺。
检验方法:检查焊接工艺评定报告6. T型接头、十字接头、角接接头等要求熔透的对接和角接组合焊缝,其焊脚尺寸不小于t/4(t为被焊钢板厚度):设计有疲劳验算要求的构件的腹板与上翼缘连接焊缝的焊脚尺寸为t/2,且不大于10mm,焊脚尺寸的允许偏差为0-4mm。
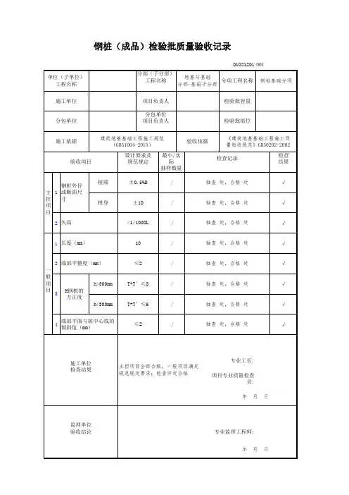
钢桩(成品)工程检验批质量验收记录表
GB50202-2002
(Ⅰ)
010404 单位(子单位)工程名称
分部(子分部)工程名称验收部位施工单位项目经理分包单位分包项目经理施工执行标准名称及编号
施工质量验收规X的规定施工单位检查评定记录监理(建设)单位验收记录
主控项目1
钢桩外径或断面尺寸:桩端
桩身
±0.5%D
±1D 2 矢高<1/1000L
一般项目1 长度(mm)+10
2 端部平整度(mm)≤2
3
H钢桩的方正度h>300
h<300
T+T´≤8
T+T´≤6 4 端部平面与桩中心线的倾斜值(mm)≤2
施工单位检查评定结果
专业工长(施工员)施工班组长
项目专业质量检查员:年月日监理(建设)单位验收结论
73 / 2。