基坑降水计算小软件教学内容
- 格式:xls
- 大小:33.50 KB
- 文档页数:2
欢迎下载支持,谢谢!同济启明星软件深基坑支护工程结构分析计算软件系列之一深基坑支挡结构分析计算软件FRWS v7.1用户手册上海济博土木工程科技有限公司二0一一年九月第二章用户界面说明在FRWS软件日常工作中,整个软件的主界面由六个分区组成:标题栏:显示软件的名称。
菜单栏:与当前编辑器可用的功能对应。
工具栏:列出菜单栏内的一些常用功能,方便用户调用。
状态栏:显示提示信息。
编辑区:所有打开文件的编辑器都分布在这个区,可以同时打开多个文件,通过点击其编辑器的标签进行切换。
只有一个编辑器是活动的,菜单栏、工具栏的显示项是依据活动编辑器可用的功能而变化的,视图中显示的内容也是和当前编辑器对应的。
视图区:视图区显示打开的视图,视图从某个视角显示当前编辑器的数据,目前有三种视图:大纲视图:显示围护设计的剖面图,编辑区的数据改变,剖面图的图形自动作出相应的变化。
输出视图:执行计算后,显示计算结果。
帮助视图:对当前输入焦点的上下文帮助,可按“F1”键、工具栏或编辑器中的“”按钮激活帮助视图。
第三章软件使用流程第1步:开始工作从window“开始”菜单点击“同济启明星”程序组启动软件FRWS7。
第2步:新建、导入或打开已有的桩墙式支护结构工程文件若第一次使用本软件,将显示欢迎页面。
关闭欢迎页面后,软件自动新建“桩墙式支护结构工程”。
可从工具栏点击“新建桩墙式支护结构工程”按钮,也可从菜单“文件/新建/墙式支护结构”来重新建立一个桩墙式支护结构工程文件。
如果需要在FRWS4.0或FRWS2006/2008的数据文件基础上采用FRWS7.1进行设计计算工作,可从菜单项“文件/导入/frws2006/2008”和“文件/导入/frws4.0”进行。
对已有的frws7桩墙式支护结构工程文件,有四种方式打开:1)上次打开,退出软件前没有关闭的,本次启动后自动打开;2)选择“文件/打开”菜单项,弹出打开文件对话框,选择要打开的文件;3)从“文件”菜单中直接打开,最近打开文件列在“文件”菜单中;4)直接将文件拖至软件的编辑区。
第五章基本数据输入桩墙式支护结构工程包含五页数据,见下图:基本数据:在支护方案设计前应该收集到的信息,有基本信息(开挖深度、等级等)、土层数据和周边荷载情况。
设计数据:包含支护设计方案的所有方面:围护墙设计、放坡设计、支撑和换撑设计、加固设计。
规范设计:依据规范规定的设计计算方法对支护方案的各项计算指标进行评价,此时可根据规范要求对相关计算参数进行设定和调整;或者规范没有规定的,可根据实际情况合理取值。
专家设计:可根据当地经验、基坑工程现场情况等对基坑设计方案的所有计算分析选择合适的方法,并调整相关的计算参数。
专家设计提供基坑工程专业的分析设计手段,具有很强的专业性。
一、基本信息工程名称:工程名称,输出计算书时使用。
计算断面编号:计算断面编号,输出计算书时使用。
基坑深度(m):基坑计算断面处的开挖深度。
地面标高(m):天然地面的标高,可以取0,也可以输入相对标高(一般室内地坪为00标高),也可输入绝对标高。
图中支撑位置将显示对应的标高。
基坑等级:基坑工程的重要性等级,应结合各地方的具体规定选取。
二、土层数据地下水位埋深(m):地下水相对于地表的埋藏深度。
水土分算使用总应力强度指标:如果选中时,在水土分算中抗剪强度指标仍然采用总应力抗剪强度指标,此时在土层表格中有效应力强度指标隐藏。
土层表格:土层名称:土层名称,可以是土层编号、土层名称或者二者的合并。
厚度(m):土层厚度。
重度(KN/m3):土层的天然重度,水下为饱和重度。
c、c’:土层的内聚力,分别为总应力和有效应力抗剪强度指标。
φ、φ’:土层的内摩擦角,分别为总应力和有效应力抗剪强度指标。
m、Kmax:土层水平基床系数的比例系数和水平基床系数的最大限值(0则不限制),m 法时显示此列。
k、C:土层水平向基床系数以及C法的C值,k法和C法时显示相应列。
qs:土钉/锚杆锚固体和土层之间的极限粘结强度,在基坑方案中有土钉或锚杆才显示。
比重:土层的土颗粒比重。
理正深基坑第一部分单元计算操作说明1操作流程图1-1 单元计算操作流程图1.1进入单元计算点击“”按钮,进入单元计算模块。
1.2增加计算项目⑴第一次进入单元模块时,计算项目为空,如图1.2-1所示。
图1.2-1 单元计算输出界面⑵必须点“增”按钮,弹出图1.2-2所示模板,并从中选取计算项目。
确认后进入设计数据录入界面。
图1.2-2 项目选用模板注意:1. 已经进行过单元计算的项目,进入单元计算后,既可以点“增”按钮,从模板中增加新项目,也可从项目列表中选择已有项目(如图1.2-3所示),再点“算”直接进入数据录入界面;图1.2-3 项目选用列表2. 点“删”按钮,可删除列表中的计算项目,存放于工作路径中的该项目的工程数据将全部被删除,且无法恢复;3. “工程操作”菜单(如图1.2-4)功能同“增”、“删”和“算”按钮。
图1.2-4 工程操作菜单1.3数据录入1.3.1 数据录入界面数据录入界面如图1.3-1所示,包括图形显示窗口和数据录入窗口。
图1.3-1 数据录入界面图形显示窗口:显示支护结构、土层、支锚及工况等信息。
数据录入窗口:分为基本信息、土层信息和支锚信息。
不同支护类型的录入数据有较大区别,具体参见第一部分的第2.1.2.1、2.2.2.1、2.3.2.1、2.4.2.1及2.5.2.1节。
注意:对新增的项目,需要录入设计数据,也可读入旧数据并可修改数据。
1.3.2 菜单1. 辅助功能图1.3-2 辅助功能注意:系统为用户提供了新旧版本的数据文件接口。
通过“读入深基坑4.3版数据”可打开4.3版以前建立的*.dyd工程文件。
2. 选项图1.3-3 选项菜单“图形显示选项”:系统默认显示如图1.3-4。
不选择“显示土层填充”可以提高图形显示速度。
图1.3-4 显示选项“安全系数配置”:参见第一部分的1.4.3节。
“土压力调整”:参见第一部分的1.4.3节。
“关闭(打开)计算信息窗口”:当系统不能自动关闭窗口时,选择此菜单。
Qimstar同济启明星基坑支护结构专用软件FRWS水下基坑计算说明1 工程概况该基坑设计总深5.1m,按一级基坑、选用《上海市标准—基坑工程技术规范(DG/TJ08-61-2010)》进行设计计算,计算断面编号:1。
1.1 土层参数续表地下水位埋深:1.20m。
1.2 基坑周边荷载地面超载:20.0kPa2 开挖与支护设计基坑支护方案如图:XX基坑工程基坑支护方案图2.1 挡墙设计·挡墙类型:钢板桩;·嵌入深度:5.500m;·露出长度:0.500m;·型钢型号:Q390bz-400×100;·桩间距:800mm;2.2 放坡设计2.2.1 第1级放坡设计坡面尺寸:坡高1.00m;坡宽1.00m;台宽2.00m。
放坡影响方式为:二。
2.3 支撑(锚)结构设计本方案设置1道支撑(锚),各层数据如下:第1道支撑(锚)为平面内支撑,距墙顶深度0.000m,工作面超过深度0.300m,预加轴力0.00kN/m。
该道平面内支撑具体数据如下:·支撑材料:钢支撑;·支撑长度:20.000m;·支撑间距:5.000m;·与围檩之间的夹角:90.000°;·不动点调整系数:0.500;·型钢型号:200*200*8*12;·根数:1;·松弛系数:1.000。
计算点位置系数:0.000。
2.4 工况顺序该基坑的施工工况顺序如下图所示:3 内力变形计算3.1 计算参数水土计算(分算/合算)方法:分算;水压力计算方法:静止水压力,修正系数:1.0;主动侧土压力计算方法:朗肯主动土压力,分布模式:矩形,调整系数:1.0,负位移不考虑土压力增加;被动侧基床系数计算方法: "m"法,土体抗力不考虑极限土压力限值;墙体抗弯刚度折减系数:1.0。
3.2 计算结果3.2.1 内力变形结果每根桩抗弯刚度EI=14683kN.m2。
计算机控制基坑降水技术的应用计算机控制基坑降水技术的应用计算机控制基坑降水技术的应用【摘要】高层建筑和地下工程的构筑物中,几乎都需要在基坑工程中降低地下水水位,以保证工程施工的顺利进行,而基坑降水工程除需需要一个好的降水设计以外,施工方法和施工手段就显得十分重要了,传统的降水电气控制方法是通过在降水井内设置一根两芯控制线,检测水位的高度,从而控制水泵的起停,本文探讨了应用计算机控制建筑工程基坑降水技术。
【关键词】基坑;降水;计算机控制;动力载波通讯城市中深基坑工程常处于密集的既有建筑物.道路桥梁.地下管线.地铁隧道或人防工程的近旁,虽属临时性工程,但其技术复杂性却远大于永久性的基础结构或上部结构,稍有不慎,不仅将危及基坑本身安全,而且会殃及临近的建(构)筑物.道路桥梁和各种地下设施,造成巨大损失。
因此,深基坑的设计,在设计时也应进行方案比较,设计出既安全可靠,又具有相对合理造价的深基坑。
一、基坑降水的作用1.有效防止基坑坡面和基底的渗水,使基坑在开挖期间保持干燥状态,从而有利于机械化施工;2.增加基坑边坡的稳定性和基坑底板的稳定性,防止边坡上或基底土层的流失。
这是因为基坑开挖至地下水以下时,周围的地下水向坑内渗流,从而产生渗透力,对边坡和基底产生了不利影响。
降低基坑周围地下水位至开挖面以下时,不仅保持了基底的干燥,而且消除了渗透力的影响,防止流沙的产生,从而增加了边坡和基底的稳定性;3.减少土体含量,有效提高物理力学性能指标,减少支护体系的变形,提高土体固节强度,增加土中有效应力。
对于放坡开挖而言可提高边坡的稳定性;对于支护开挖可增加被动区土抗力,减少主动区土体侧压力,从而提高支护体系的稳定度和强度保证,减少支护体系的变形。
降低地下水位,减少土体含水量,提高土体固结程度,减少土中孔隙水压力,增加土中有效应力。
4.保护降水基坑周围环境,如保护周边建筑物和地下管道等的安全。
二、传统基坑降水的控制方法传统基坑降水系统的组成;系统由潜水泵,水位控制器、交流接触器、空气开关等设备组成,潜水泵一般采用1.5~2.2KW,三相380V,水位控制器采用强电控制方式,由中间继电器和探测水位的导线组成,导线插入井中,遇到水导通,接通中间继电器的控制回路,中间继电器吸合,控制交流接触器启动潜水泵工作,水位下降后,中间继电器断开,使交流接触器断开,潜水泵停止工作。
第七章规范设计计算软件提供了近20项的计算分析,以便从各个方面对您的围护设计进行评价。
软件为每项计算分析提供了丰富的计算参数,您可以根据实际情况配置这些计算参数。
为了减少你的配置工作量,软件按照配置的方法分为两类:规范设计和专家设计。
专家设计提供了所有的计算参数供您调整,可以最大限度地发挥您的主观能动性和地区经验;规范设计只提供在规范中没有规定或规定了可以调整的计算参数,而规范已经确定的计算参数,软件自动取值,从而减少了你的配置工作量。
“规范设计”页面如下图所示,页面的上部为“选择规范”组,可以选择规范,选择好规范,下部出现和选好的规范对应的可配置计算参数,并且对应于您的围护设计,无用的计算参数变灰,您只需注意亮显的计算参数。
下面是每种规范的可配置计算参数页:一、国家行业标准—建筑基坑规程JGJ120-99放坡影响方式:各种放坡影响方式的计算方法见“技术手册”。
水泥土墙顶位移估算:基坑最大边长(m):开挖基坑的最大边长,超过100时取100m。
施工质量影响系数:取0.8~1.5。
坑底抗隆起计算:计算原理见“技术手册”。
滑弧中心:圆弧段中心的位置,可选择“坑底”或“最下道支撑点”处。
滑弧大小:圆弧半径,可选择“自动搜索”,软件自动搜索安全系数最小的滑弧;也可选择“通过桩底”,即固定滑弧计算安全系数。
应力状态计算方法:计算抗滑力时滑弧上的应力是否要扣除水压力,不扣除为“总应力法”,扣除是“有效应力法”。
也可对合算土层使用“总应力法”,对分算土层使用“有效应力法”,这种情况,选中“孔压考虑土性”。
考虑桩墙弯曲阻力:选中,抗滑力中包含桩墙弯矩承载力项。
考虑水平力:选中,抗滑力中包含水平主动土压力项。
忽略垂直滑面阻力:选中,不包换直线的积分项。
地表沉降计算:可选择“peck法”、“同济三角形”、“同济抛物线”。
搅拌桩格栅验算:计算系数:见“技术手册”。
内力变形计算:坑内土影响范围系数:考虑盆式开挖中预留土台的影响,意义见“技术手册”。
基坑降水的课程设计一、课程目标知识目标:1. 让学生掌握基坑降水的基本概念、原理及方法;2. 使学生了解降水工程在土木工程中的应用,以及不同降水方式的优缺点;3. 培养学生分析降水工程案例,具备解决实际问题的能力。
技能目标:1. 培养学生运用所学知识,设计简单的基坑降水方案;2. 提高学生运用降水计算公式进行计算,并对结果进行分析的能力;3. 培养学生通过文献查阅、资料搜集等方式,获取与降水工程相关的信息。
情感态度价值观目标:1. 培养学生对土木工程领域的兴趣,激发他们探索科学技术的热情;2. 培养学生具备良好的团队合作精神,学会倾听、沟通、协作;3. 增强学生的环保意识,使他们认识到降水工程在保护水资源、防止水污染方面的重要性。
课程性质:本课程为土木工程专业课程,旨在让学生了解并掌握基坑降水技术,为将来从事相关领域工作奠定基础。
学生特点:学生已具备一定的土木工程专业基础知识,具有较强的学习能力和实践操作能力。
教学要求:结合课程性质、学生特点,注重理论与实践相结合,强调学生动手能力和创新思维的培养。
通过本课程的学习,使学生能够达到上述课程目标,为我国土木工程建设贡献力量。
二、教学内容1. 基坑降水基本概念:降水原理、降水方式、降水工程的应用领域。
教材章节:第一章第一节进度安排:2课时2. 基坑降水方法及其优缺点:明排法、井点降水法、喷射井点降水法等。
教材章节:第一章第二节进度安排:4课时3. 基坑降水设计:降水方案设计、降水系统设计、降水设备选型。
教材章节:第二章进度安排:6课时4. 基坑降水计算:降水量的计算、降水影响半径的计算、降水过程中地下水位的变化分析。
教材章节:第三章进度安排:4课时5. 基坑降水案例分析:分析成功案例和失败案例,总结经验教训。
教材章节:第四章进度安排:4课时6. 基坑降水工程实践:参观降水工程现场,了解实际工程中的降水操作。
教材章节:第五章进度安排:2课时7. 课程总结与评价:对本章所学内容进行总结,评估学生的学习成果。
基坑降水示例一:引言基坑降水方案设计首先要确保降水效果能达到预期目的,其次还要考虑降水工程的经济性。
因此,采用合理的降水方案是基坑降水工程中的关键。
考虑到有限元方法既可以模拟基坑内外渗流场的变化过程,也可以考虑抽灌条件下水位的变化过程。
本文采用该方法,并利用非饱和土非稳定渗流理论以某深基坑工程为背景,对其进行了降水和回灌的数值模拟,分析了降水过程中基坑内外渗流场的变化,为降水方案的优化设计提供了参考依据。
二:计算模型及计算方案2.1物理模型及土层参数工程场地土层由上至下为填土,层厚2.0m;粘性土,层厚2.0m;粉质粘土,层厚6.0m;粉质粘土,层厚4.0m;细砂,层厚16.0m;粉质粘土,层厚20.0m。
模型尺寸为230.0m×50.0m,基坑为40m宽,13m深(图1)。
本次降水回灌方案设计的目的是:保证10m基坑的开挖与施工,降水至基坑底下1.0m为止,即36m 高度处。
本次计算利用了非饱和土非稳定渗流理论, 假定各土层的非饱和特性曲线是一样的见图2。
场地范围内各土层计算所用的饱和渗透系数值见表1。
图1 模型简图图2 非饱和特性函数2.2 计算方案物理模型两侧施加初始水头边界(水头值50.0m),对于降水井的模拟用节点总水头随时间变化的函数模拟,井中水头随时间变化0.0~0.5天从50.0降到42.0m;0.5~1.0天从42.0将到36.0m;其后水头一直保持在井底,见图3。
这与实际降水中开始泵位保持在一定高度是一个道理。
图3 水头随时间变化图三:计算结果3.1孔隙水压力图图4 第0.5天孔隙水压图图5 第5天孔隙水压图图6 第30天孔隙水压图3.2总水头图3.3 井间总水头随时间变化图。
基坑软件说明书第二部分第五章基本数据输入桩墙式支护结构工程包含五页数据,见下图:基本数据:在支护方案设计前应该收集到的信息,有基本信息(开挖深度、等级等)、土层数据和周边荷载情况。
设计数据:包含支护设计方案的所有方面:围护墙设计、放坡设计、支撑和换撑设计、加固设计。
规范设计:依据规范规定的设计计算方法对支护方案的各项计算指标进行评价,此时可根据规范要求对相关计算参数进行设定和调整;或者规范没有规定的,可根据实际情况合理取值。
专家设计:可根据当地经验、基坑工程现场情况等对基坑设计方案的所有计算分析选择合适的方法,并调整相关的计算参数。
专家设计提供基坑工程专业的分析设计手段,具有很强的专业性。
一、基本信息工程名称:工程名称,输出计算书时使用。
计算断面编号:计算断面编号,输出计算书时使用。
基坑深度(m):基坑计算断面处的开挖深度。
地面标高(m):天然地面的标高,可以取0,也可以输入相对标高(一般室内地坪为00标高),也可输入绝对标高。
图中支撑位置将显示对应的标高。
基坑等级:基坑工程的重要性等级,应结合各地方的具体规定选取。
二、土层数据地下水位埋深(m):地下水相对于地表的埋藏深度。
水土分算使用总应力强度指标:如果选中时,在水土分算中抗剪强度指标仍然采用总应力抗剪强度指标,此时在土层表格中有效应力强度指标隐藏。
土层表格:土层名称:土层名称,可以是土层编号、土层名称或者二者的合并。
厚度(m):土层厚度。
重度(KN/m3):土层的天然重度,水下为饱和重度。
c、c’:土层的内聚力,分别为总应力和有效应力抗剪强度指标。
φ、φ’:土层的内摩擦角,分别为总应力和有效应力抗剪强度指标。
m、Kmax:土层水平基床系数的比例系数和水平基床系数的最大限值(0则不限制),m 法时显示此列。
k、C:土层水平向基床系数以及C法的C值,k法和C法时显示相应列。
qs:土钉/锚杆锚固体和土层之间的极限粘结强度,在基坑方案中有土钉或锚杆才显示。
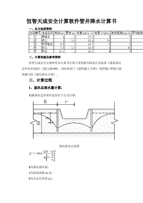
恒智天成安全计算软件管井降水计算书
一、水文地质资料
二、计算依据及参考资料
恒智天成安全计算软件该计算书计算主要依据为国家行业标准《建筑基坑支护技术规范》(JGJ 120-99),同时参阅了《建筑施工手册》(第四版)和姚天强等编写的《基坑降水手册》。
三、计算过程
1、基坑总涌水量计算:
根据基坑边界条件选用以下公式计算:
基坑降水示意图
Q为基坑涌水量;
k为渗透系数(m/d);
H为含水层厚度(m);
R为降水井影响半径(m);
r0为基坑等效半径(m);
S为基坑水位降深(m);
D为基坑开挖深度(m);
d w为地下静水位埋深(m);
sw为基坑中心处水位与基坑设计开挖面的距离(m);
通过以上计算可得基坑总涌水量为1237.943m3。
2、降水井数量确定:
单井出水量计算:
降水井数量计算:
q为单井允许最大进水量(m3/d);
r s为过滤器半径(m);
l为过滤器进水部分长度(m);
k为含水层渗透系数(m/d)。
通过计算得井点管数量为8个。
3、过滤器长度计算
群井抽水时,各井点单井过滤器进水长度按下式验算:
l为过滤器进水长度;
r0为基坑等效半径;
r w为管井半径;
H为潜水含水层厚度;
R0为基坑等效半径与降水井影响半径之和;
R为降水井影响半径;
通过以上计算,取过滤器长度为2.5m。
4、基坑中心水位降深计算:
S1为基坑中心处地下水位降深;
r i为各井距离基坑中心的距离。
根据计算得S1=7.00m >= S=7m,故该井点布置方案满足施工降水要求!。
理正深基坑软件应用参数说明教学教材理正深基坑软件应用参数说明1.各种支护结构计算内容排桩、连续墙单元计算包括以下内容:⑴土压力计算;⑵嵌固深度计算;⑶内力及变形计算;⑷截面配筋计算;⑸锚杆计算;⑹稳定计算:整体稳定、抗倾覆、抗隆起、抗管涌承压水验算。
其中内力变形计算、截面配筋计算及整体稳定计算与规范无关,其他计算按选择的规范采用相应计算方法。
水泥土墙单元计算包括以下内容:⑴土压力计算;⑵嵌固深度计算;⑶内力及变形计算;⑷截面承载力验算;⑸锚杆计算;⑹稳定验算:整体稳定、抗倾覆、抗滑移、抗隆起、抗管涌承压水验算。
其中内力变形计算、截面配筋计算及整体稳定计算与规范无关,其他计算按选择的规范采用相应计算方法。
土钉墙单元计算包括以下内容:⑴主动土压力计算;⑵土钉抗拉承载力计算;⑶整体稳定验算;⑷土钉选筋计算。
系统仅提供《建筑基坑支护技术规程》(JGJ 120-99)及《石家庄地区王长科法》计算方法,放坡单元计算包括以下内容:系统仅提供整体稳定验算.2.增量法和全量法?(1)全量法是4.3版本以前采用多计算方法,采用这种计算时不能任意指定工况顺序。
(注意:采用该方法会使5.0版本某些新增数据丢失。
)所谓总量法,就是在施工的各个阶段,外力是实际作用在围护结构上的有效土压力或其它荷载,在支承处应考虑设置支承前该点墙体已产生的位移。
由此就可直接求得当前施工阶段完成后围护结构的实际位移和内力。
(2)增量法:采用这种方法,可以更灵活地指定工况顺序。
所谓增量法计算,就是在各个施工阶段,对各阶段形成的结构体系施加相应的荷载增量,该增量荷载对该体系内各构件产生的内力与结构在以前各阶段中产生的内力叠加,作为构件在该施工阶段的内力,这样就能基本上真实地模拟基坑开挖的全过程。
因此,在增量法中,外力是相对于前一个施工阶段完成后的荷载增量,所求得的围护结构的位移和内力也是相对于前一个施工阶段完成后的增量,当墙体刚度不发生变化时.与前一个施工阶段完成后已产生的位移和内力叠加,可得到当前施工阶段完成后体系的实际位移和内力。
基坑降水计算指南1.降水影响半径确定影响半径的方法很多,在矿坑涌水量计算中常用库萨金和吉哈尔特经验公式作近似计算。
当设计的矿山进行了大降深群孔抽水试验或坑道放水试验时,为了推求较为准确的影响半径,可利用观测孔网资料为基础的图解法进行推求。
1.1、经验公式法计算影响半径的主要经验公式见表1。
表1 计算影响半径的经验公式1.2、图解法当设计矿山做了大降深群孔抽水或坑道放水试验时,为了推求较为准确的影响半径,可利用观测孔实测资料,用图解法确定影响半径。
(一)自然数直角座标图解法在直角座标上,将抽水孔与分布在同一直线上的各观测孔的同一时刻所测得的水位连结起来,尚曲线趋势延长,与抽水前的静止水位线相交,该交点至抽水孔的距离即为影响半径(见图1)。
观测孔较多时,用图解法确定的影响半径较为准确。
(二)半对数座标图解法在横座标用对数表示观测孔至抽水孔的距离,纵座标用自然数表示抽水主孔及观测孔水位降深的直角座标系中,将抽水主孔的稳定水位降深及同时刻的观测孔水位降低标绘在相应位置,连结这两点并延长与横座标的交点即为影响半径(见图2)。
当有两个或两个以上观测孔时,以观测孔稳定水位降深绘图更准些。
1.3、影响半径经验数值根据岩层性质、颗粒粒径及单位涌水量与影响半径的关系来确定影响半径,见表2与表3。
表2 松散岩土影响半径(R)经验数值表3 单位涌水量与影响半径关系2 计算模型及公式2.1.潜水完整井计算模型()⎪⎭⎫ ⎝⎛+-=01log 2366.1r R S S H kQ …………………………………………公式1式中:Q 基坑涌水量(m 3/d );k :渗透系数(m/d ); H :潜水含水层厚度(m ): S :基坑水位降深(m ); R :降水影响半径(m ); r 0:基坑等效半径(m )。
2.2.承压水完整井计算模型⎪⎪⎭⎫⎝⎛+=01lg 73.2r R MS kQ式中:Q :K R :r 0:基坑(m );M :承压含水层厚度(m )2.3.承压水非完整井计算模型⎪⎪⎭⎫ ⎝⎛+-+⎪⎪⎭⎫ ⎝⎛+=002.01lg 1lg 73.2r M l l M r R MSkQ ……………………………公式式中:Q :基坑涌水量(m 3/d );K :渗透系数(m/d ); R :降水影响半径(m ); r 0:基坑等效半径(m ); M :承压含水层厚度(m ); S :基坑水位降深(m );l :基坑降水井过滤器工作部分长度(m )()⎪⎪⎭⎫⎝⎛+--=021lg 2366.1r R h M M H kQ 式中:Q :基坑涌水量(m 3/d );K :渗透系数(m/d ); R :降水影响半径(m ); r 0:基坑等效半径(m ); M :承压含水层厚度(m );h2.5.线形工程潜水完整井计算模型Rh H kL Q 22-=…………………………………………………公式5()222h H Rx h y -+=……………………………………………公式6 ()dR r d SS H k q w 2ln 2πππ+-=…………………………………………………公式7双直线井排,条件同上,适用条件:①均质潜水含水层; ②完整井点; ③位于无界含水层中; ④直线井点排,两侧进水; ⑤L>50m 。
基坑设计软件教学导言:基坑设计是在建筑工程中不可或缺的一部分,它涉及到地下空间的规划和施工。
随着科技的迅猛发展,基坑设计软件的出现极大地提高了基坑设计的效率和精度。
本文将介绍几款常用的基坑设计软件,并对其进行详细的教学。
一、软件一:XXX软件一是一款功能强大的基坑设计软件。
它提供了丰富的工程设计和分析工具,帮助工程师更好地规划基坑结构。
以下是它的主要功能:1. 地质勘探分析:该软件可以根据地质勘探数据进行分析,预测基坑在不同地质条件下的变形和稳定性。
2. 基坑模拟:利用三维建模技术,该软件可以模拟基坑开挖的过程,并根据不同的施工条件进行优化设计。
3. 地下水模拟:考虑到地下水对基坑施工的影响,该软件能够模拟地下水的流动和水平变化,提供合理的排水方案。
4. 结构设计:软件一内置了丰富的结构设计工具,可以根据基坑的大小和深度,自动计算不同部位的承载能力和稳定性。
五、软件二:XXX软件二是另一款常用的基坑设计软件。
它具有以下主要特点:1. 自动化设计:软件二采用智能化的设计算法,能够快速、自动地进行基坑设计,减少了繁琐的手工计算过程。
2. 工程优化:该软件能够根据用户设定的参数,实现自动化的工程优化,提供最佳的基坑设计方案。
3. 施工监测:软件二支持实时施工监测功能,可以通过传感器和数据采集设备获取基坑开挖过程中的数据,并进行实时监控和分析。
4. 风险评估:通过对基坑开挖过程中可能出现的风险进行全面的评估,软件二能够提前预警并采取相应的措施,确保工程的安全性。
教学步骤:1. 安装软件:首先,下载并安装软件一或软件二,根据安装向导进行操作。
2. 基本设置:进入软件后,进行基本设置,如单位选择、工程参数设置等。
3. 地质勘探分析:根据地质勘探数据,进行地质勘探分析,并将结果导入到软件中进行后续设计。
4. 基坑模拟:通过三维建模工具,创建基坑模型,并设置相应的施工条件和参数。
5. 地下水模拟:根据地下水位和水平变化,进行地下水模拟,并设计合理的排水方案。