基坑降水计算
- 格式:doc
- 大小:350.00 KB
- 文档页数:6
深基坑工程降水沉降分析计算1. 引言1.1 深基坑工程降水沉降分析计算概述深基坑工程是指在城市中心或繁华商业区建设的高度超过一定数值的基坑,通常用于建造高层建筑或地下商业空间。
由于基坑深度较大,土层承受的压力也会增加,因此在施工过程中需要考虑降水沉降分析计算。
降水是指由于人工挖土、降雨等原因导致基坑内水位升高的情况,如果不及时排水处理,可能会导致基坑失稳甚至发生塌陷。
降水量的计算与分析对于深基坑工程至关重要。
除了降水量,还需要考虑降水对工程的影响,包括地基土壤的稳定性、土壤压力分布等方面。
地下水位的变化也会影响沉降情况。
当地下水位下降时,可能导致土层产生松动而引起沉降,而地下水位上升则可能导致土层变得密实而减缓沉降速度。
在进行沉降计算时,需要考虑地下水位变化对沉降的影响。
为了准确地进行深基坑工程降水沉降分析计算,需要建立相应的计算方法与模型。
通过实例分析不同工程条件下的降水沉降情况,可以验证计算方法的准确性,为实际工程建设提供参考依据。
深基坑工程降水沉降分析计算是一个综合性的工程问题,需要系统地分析各种因素的影响,以确保工程的安全与稳定。
2. 正文2.1 降水量计算与分析降水量的计算与分析在深基坑工程中起着至关重要的作用。
深基坑工程施工过程中,需要考虑地下水的影响,尤其是降水对工程的影响。
降水量的计算是确定降水对工程的影响程度的关键步骤。
降水量计算通常基于降水量的统计数据和气象学原理进行。
常用的降水量计算方法包括传统统计方法、数值预报方法和概率预测方法。
传统统计方法主要基于历史气象数据和统计分析,通过对历史降水量数据的分析来推测未来降水量。
数值预报方法则是基于数值模型进行降水量预测,利用大气环流动力学原理推算未来一段时间内的降水量。
概率预测方法则是将降水量视为一个随机过程,通过概率统计分析来推测未来降水量的可能范围。
在深基坑工程中,降水量的计算与分析需要考虑多种因素,如地形地貌、气象条件、工程施工方式等。
基坑开挖降水引起的地面下沉计算公式地面下沉量的计算公式如下:
ΔG=ΔH×γ
其中,ΔG表示地面下沉量,ΔH表示地下水位上升量,γ表示土体
压缩系数。
地下水位上升量的计算公式如下:
ΔH=Σ(Δh)
其中,ΔH表示地下水位上升量,Δh表示每个降水期间的地下水位
上升量。
每个降水期间的地下水位上升量的计算公式如下:
Δh=A×(1-S_s)/(S_w×(1+e))
其中,Δh表示每个降水期间的地下水位上升量,A表示降水量,S_s
表示地下水位下方土层的饱和度,在无降水条件下,该土层的饱和度为1;S_w表示吸力饱和饱和度,表示地下水位上方土层的饱和度,在无降水条
件下为0;e表示地下水位下的土层的孔隙比。
土体压缩系数的计算公式如下:
γ=e/(1+e)
其中,γ表示土体压缩系数,e表示地下水位下的土层的孔隙比。
综上所述,通过以上公式可以计算出基坑开挖降水引起的地面下沉量。
然而,需要注意的是,这些公式是根据土体力学和水文地质方面的理论推
导得出的,实际应用时还需要进行现场监测和实测数据的验证,以提高计算结果的准确性和可靠性。
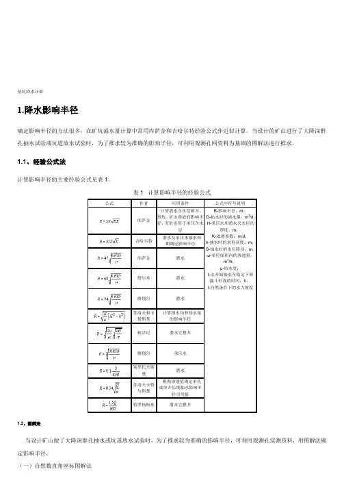
基坑降水计算1.降水影响半径确定影响半径的方法很多,在矿坑涌水量计算中常用库萨金和吉哈尔特经验公式作近似计算。
当设计的矿山进行了大降深群孔抽水试验或坑道放水试验时,为了推求较为准确的影响半径,可利用观测孔网资料为基础的图解法进行推求。
1.1、经验公式法计算影响半径的主要经验公式见表1。
表1 计算影响半径的经验公式1.2、图解法当设计矿山做了大降深群孔抽水或坑道放水试验时,为了推求较为准确的影响半径,可利用观测孔实测资料,用图解法确定影响半径。
(一)自然数直角座标图解法在直角座标上,将抽水孔与分布在同一直线上的各观测孔的同一时刻所测得的水位连结起来,尚曲线趋势延长,与抽水前的静止水位线相交,该交点至抽水孔的距离即为影响半径(见图1)。
观测孔较多时,用图解法确定的影响半径较为准确。
(二)半对数座标图解法在横座标用对数表示观测孔至抽水孔的距离,纵座标用自然数表示抽水主孔及观测孔水位降深的直角座标系中,将抽水主孔的稳定水位降深及同时刻的观测孔水位降低标绘在相应位置,连结这两点并延长与横座标的交点即为影响半径(见图2)。
当有两个或两个以上观测孔时,以观测孔稳定水位降深绘图更准些。
1.3、影响半径经验数值根据岩层性质、颗粒粒径及单位涌水量与影响半径的关系来确定影响半径,见表2与表3。
表2 松散岩土影响半径(R)经验数值表3 单位涌水量与影响半径关系2 计算模型及公式2.1.潜水完整井计算模型()⎪⎭⎫ ⎝⎛+-=01log 2366.1r R S S H kQ …………………………………………公式1式中:Q 基坑涌水量(m 3/d );k :渗透系数(m/d ); H :潜水含水层厚度(m ): S :基坑水位降深(m ); R :降水影响半径(m ); r 0:基坑等效半径(m )。
2.2.承压水完整井计算模型⎪⎪⎭⎫⎝⎛+=01lg 73.2r R MS kQ式中:Q :K R :r 0:基坑(m );M :承压含水层厚度(m )2.3.承压水非完整井计算模型⎪⎪⎭⎫⎝⎛+-+⎪⎪⎭⎫ ⎝⎛+=002.01lg 1lg 73.2r M l l M r R MSkQ ……………………………公式式中:Q :基坑涌水量(m 3/d );K :渗透系数(m/d ); R :降水影响半径(m ); r 0:基坑等效半径(m ); M :承压含水层厚度(m ); S :基坑水位降深(m );l :基坑降水井过滤器工作部分长度(m )2.4.承压—潜水完整井计算模型()⎪⎪⎭⎫⎝⎛+--=021lg 2366.1r R h M M H k Q 式中:Q :基坑涌水量(m 3/d );K :渗透系数(m/d ); R :降水影响半径(m ); r 0:基坑等效半径(m ); M :承压含水层厚度(m );h2.5.线形工程潜水完整井计算模型R h H kL Q 22-=…………………………………………………公式5()222h H Rxh y -+=……………………………………………公式6 ()dR r d SS H k q w 2ln 2πππ+-=…………………………………………………公式7双直线井排,条件同上,适用条件:①均质潜水含水层; ②完整井点; ③位于无界含水层中; ④直线井点排,两侧进水; ⑤L>50m 。
一、潜水计算公式1、公式1Q kH S SR r r =-+-1366200.()lg()lg()式中: Q 为基坑涌水量(m 3/d);k 为渗透系数(m/d);H 为潜水含水层厚度(m); S 为水位降深(m);R 为引用影响半径(m);r 0为基坑半径(m)。
2、公式2Q kH S Sb r =--1366220.()lg()lg()式中: Q 为基坑涌水量(m 3/d); k 为渗透系数(m/d); H 为潜水含水层厚度(m);S 为水位降深(m);b 为基坑中心距岸边的距离(m); r 0为基坑半径(m)。
3、公式3Q kH S Sb r b b b =--⎡⎣⎢⎢⎤⎦⎥⎥1366222012.()lg 'cos ()'ππ式中:Q 为基坑涌水量(m 3/d);k 为渗透系数(m/d);H 为潜水含水层厚度(m); S 为水位降深(m);b 1为基坑中心距A 河岸边的距离(m);b 2为基坑中心距B 河岸边的距离(m);b '=b 1+b 2; r 0为基坑半径(m)。
4、公式4Q kH S SR r r b r =-+-+1366220200.()lg()lg ('')式中: Q 为基坑涌水量(m 3/d);k 为渗透系数(m/d);H 为潜水含水层厚度(m); S 为水位降深(m);R 为引用影响半径(m);r 0为基坑半径(m);b ''为基坑中心至隔水边界的距离。
5、公式5Q kh h R r r h l l h r =-++--+--136610222000.lg lg(.)h H h -=+2式中:Q 为基坑涌水量(m 3/d); k 为渗透系数(m/d);H 为潜水含水层厚度(m);R 为引用影响半径(m); r 0为基坑半径(m);l 为过滤器有效工作长度(m); h 为基坑动水位至含水层底板深度(m);h -为潜水层厚与动水位以下的含水层厚度的平均值(m)。
一、潜水计算公式1、公式1Q kH S SR r r =-+-1366200.()lg()lg()式中: Q 为基坑涌水量(m 3/d);k 为渗透系数(m/d);H 为潜水含水层厚度(m); S 为水位降深(m);R 为引用影响半径(m);r 0为基坑半径(m)。
2、公式2Q kH S Sb r =--1366220.()lg()lg()式中: Q 为基坑涌水量(m 3/d); k 为渗透系数(m/d); H 为潜水含水层厚度(m);S 为水位降深(m);b 为基坑中心距岸边的距离(m); r 0为基坑半径(m)。
3、公式3Q kH S Sb r b b b =--⎡⎣⎢⎢⎤⎦⎥⎥1366222012.()lg 'cos ()'ππ式中:Q 为基坑涌水量(m 3/d);k 为渗透系数(m/d);H 为潜水含水层厚度(m); S 为水位降深(m);b 1为基坑中心距A 河岸边的距离(m);b 2为基坑中心距B 河岸边的距离(m);b '=b 1+b 2; r 0为基坑半径(m)。
4、公式4Q kH S SR r r b r =-+-+1366220200.()lg()lg ('')式中: Q 为基坑涌水量(m 3/d);k 为渗透系数(m/d);H 为潜水含水层厚度(m); S 为水位降深(m);R 为引用影响半径(m);r 0为基坑半径(m);b ''为基坑中心至隔水边界的距离。
5、公式5Q kh h R r r h l l h r =-++--+--136610222000.lg lg(.)h H h -=+2式中:Q 为基坑涌水量(m 3/d); k 为渗透系数(m/d);H 为潜水含水层厚度(m);R 为引用影响半径(m); r 0为基坑半径(m);l 为过滤器有效工作长度(m);h 为基坑动水位至含水层底板深度(m);h -为潜水层厚与动水位以下的含水层厚度的平均值(m)。
(二)基坑降水计算根据本工程《岩土工程勘察报告》可知,因场地水位较浅,旱季施工,涌水量不大,在基坑施工时降水措施可采取坑内挖沟设降水井明排方式进行基坑排水。
井深从基坑底标高向下2.0米。
井内径0.9米。
在师大世博学院和祭天山两侧水量较大,在这两侧各设5个和4个降水井。
基坑底四周设300×300排水盲沟,连接降水井进行降排水。
其它两侧降水井按间距25~30设置一口,可满足基坑降水要求。
地下水位降至基底下1m.采用14台管径为¢70的污水水泵进行抽排至沉淀池,沉淀处理后,由14台管径为¢70清水水泵抽排至市政雨水管网或河道。
降水Q计算:Q=5井×12m3井*小时×24小时+9井×12m3/井*小时×16小时=3168m3排水量Q计算:污水水泵(清水水泵):Q1=5台×12m3/台*小时×24小时+9台×12m3/台*小时×16小时=3168m3六、施工组织管理1、施工管理目标(1)质量目标:优良。
(2)工期目标:工期30天。
确保在30天内完成基坑支护、降水、挖土外运工作,其余项目确保在业主规定的时间内完成。
(3)安全目标:创“无事故工程”。
2、项目施工组织机构设置(1)我公司把本工程列为重点项目工程,在全公司范围内抽调年富力强、管理水平高、具有丰富施工经验的人员组成本工程项目经理部,严格按项目法组织施工。
(2)成立云南长机房地产开发有限公司都市名典苑工程基坑开挖及支护施工项目经理部。
推行项目法施工,减少管理层次,提高办事效率,项目部对本工程的施工全权负责。
(3)施工现场项目经理受公司法定代表人的委托,组成项目经理部,负责工程的全面实施。
项目经理部设置项目经理1人;项目副经理1人;项目技术负责人1人;工长6人;质量检查员1人;安全检查员1人;内页技术员1人;测量员2人;试验、计量员2人;机务员2人;材料员2人;项目经理部实行矩阵式的施工管理体系,全面履行施工承包合同。
深基坑工程降水沉降分析计算深基坑工程是指深度超过一定限度的基坑工程,通常指深度超过15米的基坑。
在进行深基坑工程时,由于地下水和土壤的作用,会对基坑周围的土体和地下水系统产生一定的影响,其中最主要的问题就是降水和沉降。
降水是指在基坑建设过程中,为了保证基坑工地的干燥和安全,需要对地下水进行处理和管理。
而沉降则是指由于基坑开挖、土体变形等因素引起的地面或建筑物的下沉情况。
进行深基坑工程降水沉降分析计算就显得尤为重要。
1. 深基坑工程降水分析计算在深基坑工程中,降水是为了减小地下水位,达到降低地下水水位,以确保基坑周边地下水位的稳定和安全而进行的处理。
降水的计算主要包括以下几个方面:(1)地下水位分析:通过对工程地点周边的地下水位进行测定和分析,可以了解到工程地点的地下水位情况,从而判定是否需要进行降水处理。
(2)降水量计算:根据地下水位分析结果,结合基坑工程的具体情况,计算出需要降水的地下水位差和总降水量。
通常采用数学模型和地下水力学原理进行计算。
(3)降水方法选择:根据降水量计算结果,选择适合的降水方法和设备。
常见的降水方法包括井点降水、外排水法、管道排泥法等。
在深基坑工程中,沉降是由于地下土体受到开挖和荷载作用后引起的变形,从而导致地面或建筑物的下沉情况。
沉降的计算主要包括以下几个方面:(1)土体力学参数分析:通过对周边土体的物理力学性质进行测试和分析,获取土体的力学参数,为后续计算提供数据支持。
(2)开挖影响分析:通过数学模型和现场观测,分析基坑开挖对周边土体的影响范围和程度,从而判定可能产生沉降的地区和建筑物。
(4)沉降控制方案:根据沉降计算结果,采取相应的控制措施,包括加固地基、采取合理的开挖方式等,以减小沉降影响。
3. 实例分析以某地某深基坑工程为例,进行降水和沉降分析计算。
首先进行地质勘察和地下水位测定,得知地下水位为7米,需要降低到5米。
计算出降水量需要1000立方米/小时。
然后根据周边土体的力学参数和开挖影响分析,得出可能产生沉降的地区和建筑物。
深基坑工程降水沉降分析计算深基坑工程是指在城市建设或者地铁、地下车库等地下工程中,需要对地下进行大幅度开挖的工程。
由于其特殊性质,深基坑工程中会出现降水和沉降的问题。
降水是指地下水位因为开挖动土而发生变化,需要进行排水处理;而沉降则是指土壤在开挖后会出现的变形和沉降现象,需要进行沉降分析计算来预测并控制。
本文将针对深基坑工程中的降水和沉降问题展开分析,通过计算和分析,探讨深基坑工程中降水和沉降的分析计算方法,以期能为相关工程提供科学的支持和指导。
1.1 地下水文地质调查在进行深基坑工程降水分析计算之前,首先需要对工程所在地进行地下水文地质调查。
这项工作的主要目的是了解工程所在地的地下水情况,包括地下水位、水质、水情及水文地质等情况。
通过地下水文地质调查,可以为后续的降水分析计算提供重要的依据和数据支持,为工程设计提供科学依据。
1.2 降水计算在初步了解了地下水情况后,接下来是进行降水计算。
降水计算的目的是根据工程的具体情况,对降水量、降水速率等参数进行估算和计算,从而确定降水处理的措施和方法。
一般情况下,降水计算需要考虑以下几个方面的因素:首先是地下水位的变化情况,其次是开挖的深度和范围,再次是周边环境的影响等因素。
通过综合考虑这些因素,可以确定出合理的降水计算参数,为工程降水处理提供科学的依据。
1.3 降水处理措施通过降水计算,可以确定出合理的降水处理措施。
降水处理措施一般包括抽水、分层排水、加固处理等方法。
在具体的工程中,需要根据实际情况选择合适的降水处理措施,并进行具体的设计和施工。
二、深基坑工程沉降分析计算2.1 土壤力学参数测试进行深基坑工程沉降分析计算之前,首先需要对工程所在地的土壤力学参数进行测试。
土壤力学参数是进行沉降分析计算的基础,包括土壤的密度、孔隙比、固结指数等参数。
通过土壤力学参数测试,可以为后续的沉降分析计算提供准确的数据支持。
2.2 沉降计算模型建立在对土壤力学参数进行测试后,接下来是建立沉降计算模型。
基坑降水计算1、降水影响半径确定影响半径得方法很多,在矿坑涌水量计算中常用库萨金与吉哈尔特经验公式作近似计算。
当设计得矿山进行了大降深群孔抽水试验或坑道放水试验时,为了推求较为准确得影响半径,可利用观测孔网资料为基础得图解法进行推求。
1、1、经验公式法计算影响半径得主要经验公式见表1。
表1 计算影响半径得经验公式1、2、图解法当设计矿山做了大降深群孔抽水或坑道放水试验时,为了推求较为准确得影响半径,可利用观测孔实测资料,用图解法确定影响半径。
(一)自然数直角座标图解法在直角座标上,将抽水孔与分布在同一直线上得各观测孔得同一时刻所测得得水位连结起来,尚曲线趋势延长,与抽水前得静止水位线相交,该交点至抽水孔得距离即为影响半径(见图1)。
观测孔较多时,用图解法确定得影响半径较为准确。
(二)半对数座标图解法在横座标用对数表示观测孔至抽水孔得距离,纵座标用自然数表示抽水主孔及观测孔水位降深得直角座标系中,将抽水主孔得稳定水位降深及同时刻得观测孔水位降低标绘在相应位置,连结这两点并延长与横座标得交点即为影响半径(见图2)。
当有两个或两个以上观测孔时,以观测孔稳定水位降深绘图更准些。
1、3、影响半径经验数值根据岩层性质、颗粒粒径及单位涌水量与影响半径得关系来确定影响半径,见表2与表3。
表2 松散岩土影响半径(R)经验数值岩土名称主要颗粒粒径(mm) 影响半径(m)粉砂细砂中砂粗砂板粗砂小砾中砾大砾0、05~0、10、1~0、250、25~0、50、5~1、01、0~2、02、0~3、03、0~5、05、0~10、025~5050~100100~200300~400400~500500~600600~15001500~3000 表3 单位涌水量与影响半径关系单位涌水量(L/S·m)影响半径(m)单位涌水量(L/S·m)影响半径(m)>2、0 2、0~1、0 1、0~0、5 >300~500100~30050~1000、5~0、330、33~0、2<0、225~5010~25<102 计算模型及公式2、1、潜水完整井计算模型…………………………………………公式1式中:Q基坑涌水量(m3/d);k:渗透系数(m/d);H:潜水含水层厚度(m):S:基坑水位降深(m);R:降水影响半径(m);r0:基坑等效半径(m)。
降水计算书根据《建筑基坑支护技术规程》和本工程的特点以及类似工程的实际经验来进行本工程的轻型井点降水计算和布置(如附图)。
水位降深为基坑底0.5m以下。
1、水位降低值水位降低值S=5.55-0.5+0.5=5.55(m)2、基坑涌水量计算根据本工程特点和《建筑基坑支护技术规程》按均质含水层潜水非完整井基坑涌水量计算公式进行计算,其公式如下:Q=1.366×k×(H2-h m2) /[lg(1+R/r0) +(h m-l)/l×lg(1+0.2×h m/r0)]式中Q:基坑涌水量;m3K:渗透系数,K=0.173(m/d)H:潜水含水层厚度,H=14.0(m)h:坑内最高水位至潜水含水层层底厚度, h = H – S=14.0-5.55=8.45(m)h m h m=(H+h)/2,11.225(m)S:基坑水位降深,S=5.55 (m)R:降水影响半径,R =1.95×5.55×√(K×H)=1.95*5.55√(0.173×5.55)=10.6(m)r0:基坑等效半径,r0=√(A/π)=√(9785/π)=55.8(m)l:滤管长度,l =0.8(m)将以上数值代入上式,得基坑涌水量Q:Q=178.5(m3/d)3、计算井点管数量及间距(1)单根井点管出水量:q=ξ65πdl=0.876(m3/d)d:滤管内径,d = 0.032(m)l:滤管长度,l =0.8(m)K:渗透系数,K=0.173 (m/d)ξ:经验系数,ξ=0.3(2)井点管数量:n=1.1×Q/q=1.1×178.5/0.876=225(根)井距:D=L/n=403/225≈1.79(m)取井距为1.7m,实际总根数237根(403÷1.7=237)。
4、抽水设备选用所需的最低真空度为:h k = 10×(6+0.8)=68(KPa)所需水泵流量:Q1 =1.2Q/10=1.2×11.3=13.56(m3/d)所需水泵的吸水扬程:H s ≥6+0.8=6.8(m)根据上述参数选用相应的离心泵。
6.3 基坑降水方案设计
6.3.1 降水井型
选6型喷射井点:外管直径为200mm ,采用环形布置方案。
6.3.2 井点埋深
埋置深度须保证使地下水降到基坑底面以下,本工程案例取降到基坑面以下
1.0m 处。
埋置深度可由下式确定:
()01x L H h h l
i r h =++∆+⋅++
(6.2) 式中:
L —— 井点管的埋置深度()m ; H —— 基坑开挖深度()m ;这里12H m =
h —— 井点管露出地面高度()m ,这里可取一般值
0.2m ;
h ∆—— 降水后地下水位至基坑底面的安全距离()m ,本次可取1.0m ;
x i —— 降水漏斗曲线水力坡度,本次为环状,取0.1; 1h —— 井点管至基坑边线距离()m ,本次取1.0m ; 0r —— 基坑中心至基坑边线的距离()m ,本次工程案例去最近值宽边的一半,即40m ;
l —— 滤管长度()m ,本次取1.0m 。
故带入公式可得埋置深度L 为:
()01120.2 1.00.1(1.040) 1.018.3x L H h h l m
r i h =++∆+⋅++=+++⨯++=
6.3.3 环形井点引用半径
采用“大井法”,参考规范,将矩形(本案例长宽比为2.5,小于10)基坑折算成半径为x 0的理想大圆井,按“大井法”计算涌水量,故本次基坑的引用半径:
4
0b
a x +⋅
=η
(6.3) 式中:
,a b —— 基坑的长度和宽度()m ,200,80a m b m ==
η —— 系数,可参照下表格选取:
表6.1 系数η表
800.40200
b a == ,则 1.16η= 故带入公式可得本次基坑的引用半径0x 为:
020080
1.1681.244
a b m x η++=⋅
=⨯= 6.3.4 井点抽水影响半径 由下列公式可求得抽水影响半径:
m
kt R H x
w
220
+
=
(6.4) 式中:
t —— 时间,自抽水时间算起(2-5昼夜) ()d ,本案例取5d ;
k —— 土的渗透系数 (/)m d ,这里取平均值
2.7/k m d =;
w H —— 含水层厚度()m ,本次取承压含水层厚度含水
层厚度④,⑤土层厚度的总和,即为 5.2611.2w H m =+=,
m —— 土的给水度,按表 3.2确定,本次取圆砾
0.2m =,另外由上述计算可得073.7m x =。
表6.2 土的给水度m 表
故带入公式可得抽水影响半径R 为:
90.0R m =
=
6.3.5 基坑涌水量计算 (1) 基坑稳定渗流涌水量 用下列公式来进行计算: 100
2.73lg()lg MS
k R Q x x =+- (6.5) 式中:
k —— 土的渗透系数 (/)m d ,这里取平均值
2.7/k m d =;
M —— 总含水层厚度()m ,
这里 12 1.210.8M m =-=; S —— 地下水水位降深()m ,本次取13m ;另外由上述计算可得 090.0,81.2R m m x ==。
故带入公式可得基坑稳定渗流涌水量1Q 为:
3110.8132.73 2.73194.6/lg(81.290.0)lg81.2
Q m d ⨯=⨯⨯
=+-
(2) 基坑静储水量计算
取基坑土体给水度0.20m =,故基坑总静储水量V(m3)可由下式计算:
w V ab m
H =⋅
(6.6)
由上述计算可得: 11.2,200,80,0.2w H m a m b m m ==== 故带入公式可得基坑静储水量V 为:
311.2200800.235840V m =⨯⨯⨯=
按预降水10d 算,则平均日出水量2Q 为: 3235840
3584.0/1010
V Q m d === (6.7)
(3) 基坑总涌水量计算
则基坑的总涌水量为:
3123194.63584.06778.6/Q Q Q m d
=+=+=
(6.8)
6.3.6 基坑单井出水量计算
可采用完整承压井来计算单井出水量,公式如下:
2.73lg lg w w
kM H q R r ⋅=
-
(6.9) 式中:
r
w
—— 水井半径()m ,可取外管半径200mm ;
由上述计算可得: 2.7/,10.8,11.2,83.3w k m d M m H m R m ====。
故带
入公式可得基坑单井出水量q 为:
32.73 2.73 2.711.210.8337.2/lg lg lg90.0lg0.2
w w kM H q m d R r ⋅⨯⨯⨯===--
6.3.7 基坑单井数量和井间距的确定 (1) 基坑井点数量计算 管井数量为: 1.2 1.26778.633
7.223.9n Q q =⨯÷=⨯÷= (个)
(6.10)
实取24根井点管。
(2) 基坑井点间距计算 井点间距:
()22008023.324z L S m n ⨯+==
= (6.11)
6.3.8 基坑单井数量复核验算 用下式计算:
0 1.1Q y n ψ> (6.12) q l
ψ= (6.13) 式中:
n 取外围井的数量24, 36778.6/Q m d =,0y 对于承压完整井,可按下式计算:
()1
'000.3661lg lg()n w w Q R r n y x H r kM n -⎡⎤=-
+-⋅⋅⎢⎥⎣⎦
(6.14) 式中:
'
H
—— 承压水头至该含水层底板的距离,本次案例的
综合承压稳定水头相对标高为 1.2m -,故参照工勘报告中的土层特性参数表,取其值为14.27m -,其他所有参数均同前述,不再重复。
则:
()23
00.3666778.6114.27lg 90.00.20lg(240.20) 6.081.22.710.824m y ⎡⎤⎢⎥⎣⎦
⨯=-
+-⨯⨯=⨯故:
01.1 1.16511.00.9( 6.0)24324.8 1.0
Q y n ψ⨯==<=⨯÷
所以满足要求。
6.3.9 基坑井降水深度验算 对于承压含水层:
()01230.3661
lg lg()w n Q S R x x x x r kM n ⎡⎤⎢⎥⎣⎦
=+-⋅⋅⋅ (6.15) 式中:
S —— 基坑中心处地下水位降深值()m ;
0Q —— 由n 、0y 、ψ的乘积得出的基坑抽水总流量
3
(/)m d ;
123
,,,n x x x x —— 基坑中心距各井点中心的距离()m 。
由上小节可分配井点分布方案:在基坑角点想外扩展1m ,形成井点轮廓,在轮廓的角点处设置四口井,其余在宽边各设置3口井:中点处一口,两边对称设置1口;长边设置7口:中点处设置一口,其余在两旁各设置3口,对称布置,则基坑井点轮廓宽边处的井点距离为20.5m ,长边为25.3m 。
各井点中心距离基坑中心的距离可参照此方案按几何勾股定理方法确定,如下图3.3所示,在此不再累赘。
故可得出如下结论:
2444442
0.36624 6.0337.2 1.0
2.710.8
1lg(90.00.20)lg()101103.1109.086.165.048.2412444.8 1.0S m ⎡⎤⎢⎥⎣⎦⨯⨯⨯÷=
⨯
⨯+-⨯⨯⨯⨯⨯⨯=> 故满足要求。
其各井点中心到基坑中心的距离理想示意图,如下图所示:
图6.2 各井点中心到基坑中心的距离理想示意图。