高压隔离开关的安装方法.
- 格式:doc
- 大小:14.50 KB
- 文档页数:1
隔离开关安装作业指导书交流高压隔离开关是三相交流50HZ的高压电器,供高压线路有电压无负载时分合线路之用。
交流高压隔离开关型号种类繁多,根据交流高压隔离开关的安装施工要求和工艺标准规范,制定出以GW4系列、GW5系列和GW1-10系列为主的交流高压隔离开关安装作业指导书,本作业指导书适用于110kv及以下等级的交流高压隔离开关安装作业。
在安装作业中根据交流高压隔离开关形式,按照所需条款进行施工。
(一)开箱验收1、检查隔离开关的名牌、型号等技术参数,是否与设计施工安装图纸相符;2、安装使用说明书、出厂合格证、出厂试验报告及备品配件、专用工具等是否齐全。
3、外部检查无损伤,支柱绝缘子不得有操作及裂纹现象。
4、轴承转动灵活,底座各转动部分灵活,紧固件应紧固无松动。
5、检查油漆完整无锈蚀,无脱焊现象。
(二)安装前的准备工作1、根据施工安装图纸的要求,对安装固定隔离开关的基架基础应找平,并根据中心距离,按隔离开关地脚螺孔的距离,在基架上打孔。
2、检查起吊绳索及用具,应符合隔离开关荷重量的起吊要求。
3、准备好必要的工具,接线端子(设备线夹),接线端子的连接孔应与隔离开关接线桩柱相配套,严禁使用桩柱小而孔大的接线端子。
(三)安装调整:10kv隔离开关安装:1、隔离开关允许立装或水平安装于铁架或其他支持物上。
操作机构装于隔离开关之下方。
2、在安装前应根据隔离开关及操作机构的相对位置,作出联动图解,以决定联接钢管的长度及联动臂的适当方位。
3、安装时可先装隔离开关及操作机构,然后以预定之连接管接于两者间,隔离开关极间连接可用1″钢管,转轴与钢管的连接处可用销子铆牢和电焊焊牢。
传动臂应预先架于钢管之中,将定位螺栓旋紧以定位。
待连接管已接上,调节妥当后,传动臂与操纵构构上拐臂均分别钻贯通于轴之Φ8孔,并用肖子铆牢。
4、在安装隔离开关时应注意以下各项:⑴操作机构手柄向上之最终点,隔离开关必须到达闭合位置之最终点,手柄向下之最终点,隔离开关闸刀必须到达打开位置最终点。
GW22B-550/420/363型户外高压交流隔离开关安装使用说明书0SR.412.210.5江苏省如高高压电器有限公司2014年07月目录1 概述1.1产品型号和含义…………………………………………………………………………………………1.2产品用途和适用范围……………………………………………………………………………………1.3本设备依据以下标准制造………………………………………………………………………………1.4适用工作环境条件………………………………………………………………………………………2主要技术参数………………………………………………………………………………………………3结构特征与工作原理………………………………………………………………………………………3.1隔离开关…………………………………………………………………………………………………3.1.1产品结构………………………………………………………………………………………………3.1.1.1底座…………………………………………………………………………………………………3.1.1.2绝缘子………………………………………………………………………………………………3.1.1.3导电部分……………………………………………………………………………………………3.1.2工作原理………………………………………………………………………………………………3.2接地开关…………………………………………………………………………………………………3.2.1产品结构………………………………………………………………………………………………3.2.2工作原理………………………………………………………………………………………………3.3操动机构…………………………………………………………………………………………………4安装与调试…………………………………………………………………………………………………4.1安装前检查………………………………………………………………………………………………4.2产品的安装………………………………………………………………………………………………4.2.1底座的安装……………………………………………………………………………………………4.2.2支柱绝缘子的安装……………………………………………………………………………………4.2.3操作绝缘子的安装……………………………………………………………………………………4.2.4主导电部分的安装……………………………………………………………………………………4.2.5悬挂式静触头的安装…………………………………………………………………………………4.2.6均压环的安装…………………………………………………………………………………………4.2.7电动机操动机构的安装……………………………………………………………………………4.3产品的调试………………………………………………………………………………………………4.3.1隔离开关的调试………………………………………………………………………………………4.3.2接地开关的调试………………………………………………………………………………………4.4安装调整后的检查与验收………………………………………………………………………………5保养、维修…………………………………………………………………………………………………6工具表………………………………………………………………………………………………………7验收、储存…………………………………………………………………………………………………8随机文件及随机附件、备件………………………………………………………………………………9订货须知……………………………………………………………………………………………………10常用各种规格钢制普通螺纹连接螺纹的力矩值要求……………………………………………………11.附录1……………………………………………………………………………………………………GW22B-550/420/363型户外高压交流隔离开关安装使用说明书1 概述1.1 产品型号和含义额定短时耐受电流,kA额定电流,A配用电动机操动机构防污型附接地开关额定电压,kV设计序号户外隔离开关额定短时耐受电流,kA额定电流,A配用电动机操动机构防污高海拔型附接地开关额定电压,kV设计序号户外隔离开关额定短时耐受电流,kA额定电流,A配用电动机操动机构防污高海拔型附接地开关额定电压,kV设计序号户外隔离开关1.2产品用途和适用范围GW22B-550D(W)、GW22B-400D(W)、GW22B-363D(G²W)单柱垂直伸缩式户外高压交流隔离开关(以下简称隔离开关)是用于三相交流额定电压分别为500kV、400kV 、330kV,额定频率为50Hz电力系统的一种户外高压电器。
扎兰屯市北疆水泥厂10kV电源工程隔离开关更换作业指导书扎兰屯岭东电力建设有限责任公司2012年2月1.标准化作业流程图变电检修标准化作业流程图22.范围本作业指导书针对10KV原微波线、原冶炼线2121、2119甲、乙隔离开关更换工作。
3.引用文件《电业安全工作规程(热力和机械部分)》国家电网公司颁发《电业安全工作规程(发电厂和变电所电气部分)》国家电网公司颁发《变电所管理规范(试行)》呼伦贝尔电业局《GN19-10型隔离开关使用说明书》《电气装置安装工程高压电器施工及验收规范》国家电网公司颁发4.准备阶段4.1准备工作安排4.2作业人员要求4.3工器具南郊变10KV原微波线、原冶炼线2121、2119甲、乙隔离开关更换作业工器具责任人:4.4备品备件及材料南郊变10KV原微波线、原冶炼线2121、2119甲、乙隔离开关更换备品备件及材料责任人:4.5定置图及围栏图南郊变10KV原微波线、原冶炼线2121、2119甲、乙隔离开关更换定置图及围栏图作业间隔4.6危险点分析及安全控制措施南郊变10KV原微波线、原冶炼线2121、2119甲、乙隔离开关更换危险点分析及安全控制措施4.7人员分工南郊变10KV原微波线、原冶炼线2121、2119甲、乙隔离开关更换人员分工5.设备检修流程图南郊变10KV原微波线、原冶炼线2121、2119甲、乙隔离开关更换检修流程图6.作业程序及作业标准6.1开工南郊变10KV原微波线、原冶炼线2121、2119甲、乙隔离开关更换开工6.2检修电源的使用南郊变10KV原微波线、原冶炼线2121、2119甲、乙隔离开关更换检修电源的使用6.3动火南郊变10KV原微波线、原冶炼线2121、2119甲、乙隔离开关更换动火6.4检修内容及工艺标准6.5竣工南郊变10KV原微波线、原冶炼线2121、2119甲、乙隔离开关更换竣工7.验收10KV原微波线、原冶炼线2121、2119甲、乙隔离开关更换验收南郊变8.作业指导书执行情况评估。
高压开关安装
简介
本文档介绍了高压开关的安装步骤和注意事项。
步骤
1. 安装位置选择
选择合适的安装位置,确保能够方便操作和维修。
同时要避免高温、潮湿和易受外界物体冲击的位置。
2. 安装支架和底座
根据开关的尺寸,选择合适的支架和底座,确保能够牢固地固定在地面或墙壁上。
3. 连接线路
根据相关电气图纸,正确连接开关与电源和其他设备之间的线路。
确保接线牢固、无短路和漏电情况。
4. 调试和测试
在安装完成后,进行开关的调试和测试。
确保开关能够正常开关、断电,并且没有异常噪音或异味。
5. 安全操作教育
在安装完成后,向相关人员进行开关的安全操作教育,包括开
关的正确使用方法、注意事项和紧急处理措施。
6. 定期维护和检查
定期进行开关的维护和检查,保持开关的正常运行和安全性能。
注意事项
- 安装前请确保断电,并在安装过程中避免触摸暴露电源线或
裸露的电器部件。
- 在安装位置附近,避免堆放易燃和易爆物品。
确保开关周围
有足够的空间进行烟雾排放和散热。
- 在进行连接线路时,请使用合适的工具和设备,并遵守相关
安全操作规程。
- 若发现开关有异常情况(如过热、漏电等),请立即停止使用,并联系专业技术人员进行维修。
以上是高压开关安装的基本步骤和注意事项,希望对您有所帮助。
高压隔离开关一、民熔10kV高压隔离开关概述民熔10kV高压隔离开关是一种主要用于“隔离电源、倒闸操作、用以连通和切断小电流电路”,无灭弧功能的开关器件。
由于隔离开关的使用量大,工作可靠性要求高,所以对变电所、电厂的设计、建立和安全运行的影响均较大。
民熔10kV高压隔离开关采用陶瓷绝缘子铸造,不易老化、耐用。
隔离开关表面具有抗氧化能力,可增强零件的防腐能力。
民荣隔离开关为一体式闭锁装置,安全可靠,选配方便。
二、10kV高压隔离开关安装的一般要求:1隔离开关的刀片应与固定触点对齐,接触良好。
接触面应涂凡士林油;2隔离开关每相的叶片应同时与固定触头接触。
前后差不大于3mm;三。
隔离开关分闸时,闸刀与固定触头的垂直距离室外应大于180mm,室内应大于160mm;4隔离开关分闸时,闸刀分闸角室外不小于35度,户内不小于65度;5固定接点端一般接电源,除主进线柜“逆火”外,下隔离开关与负荷连接。
垂直安装时,固定触头在上方;6隔离开关传动部分无破损、裂纹,动作灵活;7单极隔离开关的相间距离不应小于:室内≮450mm;室外≮600mm;8单极隔离开关背板应采用不小于50×50×5mm的角钢,钉子直径不小于12mm;9隔离开关的延伸轴、轴承、联轴节、曲柄等传动部件应有足够的机械强度,连杆轴销不得焊死;10隔离开关拉杆应有保护环;11带接地开关的隔离开关,接地刀与主触头之间应有可靠的闭锁装置;3、民熔10kv高压隔离开关操动机构的安装位置应符合下列要求:1操作机构的固定轴距高度不小于1m;2按墙安装时,手柄中心距边墙不小于0.4m;三。
安装侧墙时,手柄中心距侧墙不小于0.3m;4手柄中心距带电部分不小于1.2m。
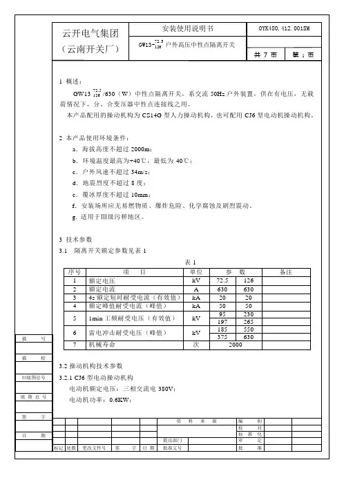
GW4(A)-40.5D(G²W)型户外高压交流隔离开关安装使用说明书0SR.412.084江苏省如高高压电器有限公司2010年05月GW4(A)-40.5D(G·W)型户外高压交流隔离开关安装使用说明书1 概述1.1 GW4A-40.5D(G²W)型户外高压交流隔离开关系三相交流额定频率50Hz、额定电压35kV 的户外高压输电设备,用以在无负载情况下断开或接通高压线路,以便对高压线路进行转换,改变运行方式,以及对检修的母线与断路器等高压电器设备实行安全的电气隔离。
1.2 隔离开关配用CS11、CS14G型人力操动机构(以下简称手动机构)或CJ2型电动操动机构。
接地开关配CS11、CS14G手动机构。
1.3 本设备依据以下标准制造:a) GB1985-2004 高压交流隔离开关和接地开关b) GB/T11022 高压开关设备和控制设备标准的共用技术条件c) DL/T486 交流高压隔离开关和接地开关订货技术条件d) DL/T593 高压开关设备和控制设备标准的共用技术条件2使用环境条件2.1 使用环境条件:a﹚海拔高度不超过2000m;b﹚环境温度-50℃~+50℃;c﹚风速不大于34m/s;d﹚地震强度不超过9度;e﹚覆冰厚度不大于10mm;f﹚安装场所无严重灰尘、污垢、易燃物质、爆炸危险、化学腐蚀及剧烈震动;g﹚安装基础应水平;h﹚本隔离开关爬电比:不小于GB/T5582规定的Ⅲ级(按用户要求)。
2.2 用户使用周围环境超出2.1条的要求,可与我公司协商解决。
3 技术参数3.1 GW4(A)-40.5 D(G²W)系列隔离开关和接地开关的主要技术数据如表1所示:表1表1(续)3.2 操动机构中辅助开关型号与触点对数如表2所示表24 主要结构4.1 GW4(A)-40.5系双柱水平断口中央开断式隔离开关, 可增设接地开关, GW4(A)-40.5D (G²W)为带有接地开关。
工程编号:22-F212S国电吉林江南热电厂2X300MW机组新建工程220kV交流高压隔离开关技术规范书编制单位:吉林省电力勘测设计院2 0 0 8 年 5月长春目次1. 总则2. 技术要求3. 设备规范4. 供货范围5. 技术服务6. 买方工作7. 工作安排8. 备品备件及专用工具9. 质量保证和试验10. 包装、运输和储存1 总则1.0.1 本设备技术规范书适用于国电吉林江南热电厂2X300MW机组新建工程220kV交流高压隔离开关设备。
它提出了该设备的功能设计、结构、性能、安装和试验等方面的技术要求。
1.0.2 本设备技术规范书提出的是最低限度的技术要求,并未对一切技术细节做出规定,也未充分引述有关标准和规范的条文,卖方应提供符合本规范书和工业标准的优质产品。
1.0.3 如果卖方没有以书面形式对本规范书的条文提出异议,则意味着卖方提供的设备完全符合本规范书的要求。
如有异议,不管是多么微小,都应在报价书中以“对规范书的意见和同规范书的差异”为标题的专门章节中加以详细描述。
1.0.4 本设备技术规范书所使用的标准如遇与卖方所执行的标准不一致时,按较高标准执行。
1.0.5 本设备技术规范书经买、卖双方确认后作为订货合同的技术附件,与合同正文具有同等的法律效力。
1.0.6本工程采用KKS标识系统。
中标后,买方将向卖方提供电厂KKS功能标识系统的编码原则和要求,卖方应据此对其所提供的系统和设备进行编码,并编制在提供的技术文件(包括图纸及说明书)中。
1.0.7 本设备技术规范书未尽事宜,由买、卖双方协商确定。
2 技术要求2.1 应遵循的主要现行标准GB11022 《高压开关设备通用技术条件》GB1985 《交流电压隔离开关和接地开关》GB311 《高压输变电设备的绝缘配合》GB763 《交流高压电器在长期工作时的发热》GB11604 《高压电器设备无线电干扰测试方法》GB8287.1 《高压支柱瓷绝缘子技术条件》GB8287.2 《高压支柱瓷绝缘子尺寸和特性》GB3309 《高压开关设备常温下的机械试验》GB2706 《交流高压电器动热稳定试验方法》GB/T13601 《高压开关设备严重冰冻条件下的操作》2.2 环境条件2.2.1 环境温度:历年极限最高温度: +36.2℃历年极限最低温度: -40.3 ℃2.2.2 海拔高度:≤1000m2.2.3 地震裂度: 7度(a=0.10g)2.2.4 环境相对湿度: 年平均值 68%2.2.5 最大风速: 30.0 m/s2.2.6 冻土厚度: 190 cm2.2.7 污秽等级: III级2.2.8 覆冰厚度: 10 mm2.3 工程条件2.3.1 系统概况系统概况见表2.1。
10KV高压隔离开关安装要求及工艺首先,对于10KV高压隔离开关的安装要求,需要满足以下几点。
首先是选择合适的安装位置,通常应选择在电力系统的开关电源附近,以便于操作和维护。
同时,还要保证安装位置的空间足够,便于设备的放置和接线。
其次,还需要充分考虑设备的安全性,例如需要考虑设备的防雷防爆措施,确保设备能够正常运行且不易受到外界环境的干扰。
此外,还需要考虑设备的接地和接地电阻,确保设备的接地质量符合相关标准。
最后,还需要根据设备的具体要求选择合适的安装方式,例如室内或室外安装以及固定式或可移动式安装。
其次,对于10KV高压隔离开关的安装工艺,需要按照以下步骤进行。
首先是安装前的准备工作,包括设备的验收和检查,确保设备的完好无损和符合相关标准。
其次是设备的放置和固定,需要将设备放置在已经准备好的安装位置上,并使用合适的固定装置进行固定。
在放置和固定设备时,还需要考虑设备的重心平衡和防止设备移动的措施。
接下来是设备的接线和引线的安装,需要根据设备的接线要求进行正确的接线和引线安装,并严格遵守相关的安全规定。
在接线和引线安装时,还需要保证接触面的清洁和良好的接触质量。
最后是设备的调试和运行试验,需要进行设备的功能性测试和检查,确保设备能够正常运行并符合相关的技术要求。
在进行10KV高压隔离开关的安装时,还需要注意以下几点。
首先是安装人员需要具备相关的专业知识和技能,熟悉相关的安装要求和工艺,并且要具备安全意识和操作技巧。
其次是需要使用符合标准的工具和设备进行安装,确保安装的质量和效果。
此外,还需要注意设备的维护和保养,定期进行检查和保养,确保设备的正常运行和安全性。
综上所述,10KV高压隔离开关的安装要求和工艺是非常重要的,它直接关系到设备的安全运行和电力系统的稳定性。
因此,在进行安装时,需要严格按照相关要求进行操作,并且保证安装过程的质量和安全性。
高压隔离开关的安装与操作1.使用条件主要用途是断开无负荷电路,造成可见的空气间隙。
隔离开关没有灭弧装置,不能切断负荷电流和短路电流,但可通断小电流电路,如通断电压互感器和避雷器;通断35kV、长度10km以内的空载输电线路;通断10kV、长度5km以内的空载输电线路;通断变压器中性点的接地线,但当中性点有灭弧线圈时,只有在系统没有故障时才能通断;通断断路器的旁路电流;通断励磁电流不大于60A的空载变压器,包括油10kV、容量不大于320kV·A,35kV、容量不大于1000kV·A,10kV、容量不大于3200kV·A的变压器。
2.安装1)高压隔离开关相间距离与设计要求之差不大于5mm,相间连杆在同一条水平线上。
2)支柱绝缘子应垂直于底座,连接牢固;同一绝缘子柱各绝缘子中心线在同一垂直线;同相各绝缘子柱的中心线在同一平面内。
3)各支柱绝缘子间应连接牢固,触头相互对准,接触良好;均压环安装牢固;操作机构安装位置正确,固定牢固,操作灵活;定位螺钉调整适当并固定,所有转动部分涂润滑油。
4)慢慢合上高压隔离开关,观察触刀对准中心落下。
室内高压隔离开关合闸后,有3~5mm备用行程,三相同步。
合上开关,用0.05mm 塞尺检查接触紧密程度,线接触不应塞进;面接触可塞入4~6mm。
3.操作1)手动合闸时应迅速果断,在合闸行程结束时不能用力太猛。
2)使用隔离开关切断小容量变压器空载电流,切断一定长度的架空线、电缆线的充电电流,解环操作时,会产生电弧,应迅速拉开隔离开关。
3)禁止带负荷操作,操作隔离开关前应检查断路器的合分位置;合闸后应保证接触紧密;拉闸时应保证每相已断开;操作后应将隔离开关的操作把手锁牢。
4)如发现在操作时带负荷误合隔离开关,即使合错或在合闸时发生电弧,也不要拉开隔离开关,如拉开隔离开关将造成三相电弧短路。
如发生错拉开隔离开关时,在触刀刚离开固定触头时,应立即合上可消除电弧。
GW4-110户外隔离开关安装使用说明书1.概述GW4-110型户外交流高压隔离开关(以下简称隔离开关)是额定频率为50Hz、额定电压为110kV的三相交流户外高压开关设备,供额定电压为110kV的高压线路有电压无负荷时分合线路之用。
隔离开关符合GB1985-2004《交流高压隔离开关和接地开关》的要求。
1.1产品使用环境条件1.1.1海拔高度:一般型不超过2500m,特殊型不超过4700m。
1.1.2环境温度:最高温度不高于+40℃,最低温度不低于-40℃。
1.1.3最大风速34m/s。
1.1.4地震烈度不超过9度。
1.1.5覆冰厚度不超过20mm。
1.1.6耐污型产品适用中等污秽地区。
1.1.7不适用于有易燃物质、爆炸危险、化学腐蚀及剧烈震动的场所。
1.2 产品型号含义如下:G W 4 —110 / 1250 T D (G、W)高原型(W为耐污型)接地统一设计额定电流A(630)额定电压kV设计序号户外隔离开关1.3主要规格和技术参数。
1.3.1隔离开关主要规格和技术参数见表1。
2.结构和工作原理2.1隔离开关本体隔离开关为双柱水平旋转式,由底架、支柱绝缘子、导电系统、接地开关(不接地除外)及传动系统组成。
2.1.1底架:为一根槽钢,底架两端各安装有轴承座,轴承座内有两个圆锥滚子轴承,保证轴承座上的杠杆转动灵活。
底架之一端或两端焊有接地开关支座,装有接地开关。
隔离开关有不接地、单接地及双接地三种形式。
2.1.2支柱绝缘子:每极有两柱,按使用条件分为普通型与耐污型及高原型三种,支柱绝缘子下端固定在轴承座上端的转动板上,支柱绝缘子上端与主导电部分连接。
根据用户要求支柱绝缘子亦可采用硅橡胶绝缘子。
2.1.3导电系统:导电部分固定在支柱绝缘子的上端,主闸刀分为两半,接触部分在中间,接触部分触头合闸时圆柱型触头嵌入两排触指内。
630A,1250A、1600A 结构型式完全相同,仅导电杆截面及表面处理有所区别。
高压隔离开关的安装
户外型的隔离开关露天安装时应水平,使带有瓷裙的支持瓷瓶确实能起到防雨作用:户内型的隔离开关垂直安装时,静触头在上方,带有套管的可以倾斜一定角度安装。
一般情况下,静触头接电源,动触头接负荷,但安装在受电柜里的隔离开关采用电缆进线时,电源在动触头侧,些种接法俗称“倒进火”。
隔离开关两侧与母线及电缆的连接应牢固,如有铜、铝导体,接触时,应采用铜铝过渡接头,以防电化腐蚀。
隔离开关的动、静触头应对准,否则合闸时就会出现旁击现象,合闸后动、静触头接触面压力不均匀,会造成接触不良。
隔离开关的操作机构、传动机械应调整好,使分、合闸操作能正常进行,没有抗劲现象。
还要满足三相同期的要求,即分、合闸时三相动触头同时动作,不同期的偏差应小于3mm。
此外,处于合闸位置时,动触头要有足够的切入深度,以保证接触面积符合要求;但又不能合过头,要求动触头距静触头底座有3mm~5mm的空隙,否则合闸过猛时将敲碎静触头的支持瓷瓶。
处于拉开位置时,动、静触头间要有足够的拉开距离,以便有效地隔离带电部分,这个距离应不小于160mm,或者动触头与静触头之间拉开的角度应小于65°。
户外型的隔离开关,露天安装时应水平安装,使带有瓷裙的支持瓷瓶确实能起到防雨作用;户内型隔离开关,在垂直安装时,静触头在上方,带有套管地可以倾斜一定角度安装。
一般情况下,静触头接电源,动触头接负荷,但安装在受电柜里的隔离开关,采用电缆进线时,则电源在动触头侧,这种接法俗称“倒进火”。
隔离开关两侧与母线及电缆地连接应牢固,遇有铜,铝导体接触时,应采用铜铝过渡接头,以防电化腐蚀。
隔离开关的动静触头应对准,否则合闸时就会出现旁击现象,使合闸后动静触头接触面压力不均匀,造成接触不良。
隔离开关的操作机构,传动机械应调整好,使分合闸操作能正常进行,没有抗劲现象。
还要满足三相同期的要求,即分合闸时三相动触头同时动作,不同期的偏差应小于3MM。
此外,处于合闸位置时,动触头要有足够的切入深度,以保证接触面积符合要求,但又不允许合过头,要求动触头距静触头底座有3至 5MM 的空隙,否则合闸过猛时将敲碎静触头的支持瓷瓶。
处于拉开位置时,动静触头间要有足够的拉开距离,以便有效地隔离带电部分,这个距离应不小于 160MM,或者动触头与静触头之间拉开角度不应小于65度。
艾驰商城是国内最专业的MRO工业品网购平台,正品现货、优势价格、迅捷配送,是一站式采购的工业品商城!具有10年工业用品电子商务领域研究,以强大的信息通道建设的优势,以及依托线下贸易交易市场在工业用品行业上游供应链的整合能力,为广大的用户提供了传感器、图尔克传感器、变频器、断路器、继电器、PLC、工控机、仪器仪表、气缸、五金工具、伺服电机、劳保用品等一系列自动化的工控产品。
如需进一步了解ABB断路器、施耐德断路器的选型,报价,采购,参数,图片,批发等信息,请关注艾驰商城/。