最新项目部安全生产周检查记录表汇编
- 格式:doc
- 大小:50.00 KB
- 文档页数:7
项目部安全检查记录汇总表
安全检查记录
编号:
安全检查记录
编号:
安全检查记录
编号:
安全检查记录
编号:
项目部定期安全检查记录
编号:
安全检查记录
编号:
安全检查记录
编号:
36455 8E67 蹧39581 9A9D 骝31459 7AE3 竣35116 892C 褬x37264 9190 醐30204 75FC 痼
安全检查记录
编号:
y28949 7115 焕24931 6163 慣30566 7766 睦27079 69C7 槇($
安全检查记录
编号:
安全检查记录
^24762 60BA 悺31990 7CF6 糶28056 6D98 涘Y|25655 6437 搷
编号:
安全检查记录
编号:
安全检查记录
编号:
安全检查记录
编号:
安全检查记录
编号:
项目部定期安全检查记录
编号:
项目部定期安全检查记录
编号:
安全检查记录
编号:
项目部定期安全检查记录
编号:
文件发布申请表
.31。
安全生产日常检查表(周检)
一、场所及设备安全检查
1. 检查场所是否清洁整齐、无杂物堆放;设备是否使用正常、无损坏。
2. 检查紧急出口和安全通道是否畅通无阻,安全标志是否清晰明确。
3. 检查电源和电线是否正常使用,是否有漏电、短路等安全隐患。
4. 检查消防设施是否完好有效,灭火器是否处于有效状态。
二、作业过程安全检查
1. 检查作业区域是否设置警示标志,是否存在作业障碍物。
2. 检查工作人员是否佩戴必要的个人防护用具,是否正确使用安全设备。
3. 检查作业操作是否符合安全规范,是否存在违章操作情况。
4. 检查危险品存放、使用是否符合相关规定,是否存在泄漏、违规使用等情况。
三、员工安全培训及管理
1. 检查员工是否按照规定参加必要的安全培训,并记录培训情况。
2. 检查员工是否佩戴工作证、安全帽等身份识别和防护用具。
3. 检查岗位职责是否明确,员工是否了解相关安全操作规程。
四、其他安全问题
1. 检查员工反映的安全问题,及时记录并进行整改。
2. 检查工作区域、设备周边环境的安全隐患,采取相应措施消
除隐患。
五、检查结果记录及整改情况
1. 详细记录检查结果,包括存在的安全隐患和整改建议。
2. 制定整改计划,明确整改的时间节点和责任人。
3. 监督整改进展情况,确保安全隐患得到及时有效解决。
以上为安全生产日常检查表(周检),请根据实际情况进行检查,并做好记录和整改工作。
安全生产是我们的首要任务,希望大家共
同努力,确保工作场所的安全和员工的健康!。
项目安全生产检查记录表项目安全生产检查记录表公司名称:XXX工程有限公司项目名称:XXX项目检查日期:XXXX年XX月XX日检查人员:XXX检查内容:1. 施工场地安全检查2. 作业人员个人防护用品检查3. 施工设备和机械设备安全检查4. 施工工艺及作业程序检查5. 现场消防设施和应急疏散通道检查检查结果:1. 施工场地安全检查:- 施工现场围栏完好,标识清晰,未发现安全隐患。
- 施工材料堆放整齐,无倾倒、滑落等现象。
- 施工道路通畅,无杂物堆积。
- 施工对旁人的影响较小,未发生交通事故。
2. 作业人员个人防护用品检查:- 检查了施工人员的安全帽、安全鞋、安全绳等个人防护用品,均符合要求。
- 作业人员佩戴防护用品情况良好。
- 检查了工地管理人员对作业人员防护用品的督导情况,有专人负责,并做好登记。
3. 施工设备和机械设备安全检查:- 对施工机械设备进行了检查,各设备运转正常,无明显异常。
- 检查了设备操作人员的操作证件和操作规范,符合相关规定。
- 设备的维修和保养情况较好,没有发现存在安全隐患。
4. 施工工艺及作业程序检查:- 检查了施工工艺和作业程序的制定和执行情况,符合项目需求和安全操作规范。
- 施工人员按照流程进行作业,未发现操作不当或超标现象。
- 检查了施工人员的操作证件和证照,均合法有效。
5. 现场消防设施和应急疏散通道检查:- 检查了现场消防设施的火警报警器和灭火器,均处于正常状态。
- 检查了应急疏散通道的畅通情况,未发现堵塞或其他障碍。
综上所述,本次安全生产检查结果良好,施工现场各项安全措施符合要求,没有发现严重安全隐患。
建议继续加强施工现场的安全管理,确保项目的顺利进行。
C5-3-2 类别:平安生产文明施工:编号:001 2021年11 月6日
注:1.将每次工程部平安检查的情况如实填写,并将整改意见填写在表中。
2.将复查结果如实填写在表中。
C5-3-2 类别:平安生产文明施工:编号:002 2021年11 月13日
注:1.将每次工程部平安检查的情况如实填写,并将整改意见填写在表中。
2.将复查结果如实填写在表中。
C5-3-2 类别:平安生产文明施工:编号:003 2021年11 月20日
注:1.将每次工程部平安检查的情况如实填写,并将整改意见填写在表中。
2.将复查结果如实填写在表中。
C5-3-2
2.将复查结果如实填写在表中。
C5-3-2
2.将复查结果如实填写在表中。
C5-3-2
2.将复查结果如实填写在表中。
建筑工程工程平安周检记录表工程名称:工程建设单位:
建筑工程工程平安周检记录表
工程名称:建设单位:监理单位:施工单位:。
附件:1安全报监书编号:重庆市建设工程施工现场实体安全隐患每日检查表项目名称:龙锦星城2-4#楼建设单位:重庆黔龙阳光地产发展有限公司监理单位:重庆渝兴工程监理有限公司施工单位:重庆市乾力建筑工程有限公司重庆市建设工程施工安全管理总站制填表说明一、施工现场实体安全隐患日检记录由项目专职安全管理员填写。
具体填写要求如下:1、“有无隐患”一项中,如检查中未发现安全隐患,在“无”一栏划";如发现存在安全隐患,在“有” 一栏划",并在“隐患情况”一栏中写明具体情况;2、对检查中发现并已消除的安全隐患,在“整改结果”中的“已排除”一栏划";3、对检查中发现但未消除的安全隐患,在“整改结果”中的“未排除”一栏划",并在“备注”栏写明实际处置情况;4、凡是未能及时整改的安全隐患,应及时上报项目部,按照“五定”原则落实整改到位,并记入重大安全隐患整治档案,督办并确保销号。
二、每次安全检查所填写的记录必须真实准确,签字完善,不得随意涂改。
三、所填写的每日安全隐患检查表格,将作为直接责任人履行安全职责的原始凭据,应保存完整,随时备查。
施工现场实体安全隐患日检记录项目名称:龙锦星城2-4号楼年月日附件:2安全报监书编号:重庆市建设工程施工现场每周(月)检查表项目名称:阳光花园龙锦星城2-4#楼建设单位:重庆黔龙阳光地产发展有限公司监理单位:重庆渝兴工程监理有限公司施工单位:重庆市乾力建筑工程有限公司重庆市建设工程施工安全管理总站制填表说明一、每周安全检查记录应由施工单位项目负责人组织填写,具体填写要求如下:1、在“检查结果”一栏中填写检查情况,如有隐患直接填写具体问题;如无隐患,注明无,且无须填写后面两项。
2、对检查中发现存在问题的,应在“整改意见”一栏写明整改要求。
3、“整改结果”一栏应填写实际整改情况,已消除的直接写明;未消除的,应按照“五定”原则落实整改到位,并记入重大安全隐患整治档案,督办并确保销号。
附件:1安全报监书编号:重庆市建设工程施工现场实体安全隐患每日检查表项目名称:龙锦星城2-4#楼建设单位:重庆黔龙阳光地产发展有限公司监理单位:重庆渝兴工程监理有限公司施工单位:重庆市乾力建筑工程有限公司重庆市建设工程施工安全管理总站制填表说明一、施工现场实体安全隐患日检记录由项目专职安全管理员填写。
具体填写要求如下:1、“有无隐患”一项中,如检查中未发现安全隐患,在“无”一栏划√;如发现存在安全隐患,在“有”一栏划√,并在“隐患情况”一栏中写明具体情况;2、对检查中发现并已消除的安全隐患,在“整改结果”中的“已排除”一栏划√;3、对检查中发现但未消除的安全隐患,在“整改结果”中的“未排除”一栏划√,并在“备注”栏写明实际处置情况;4、凡是未能及时整改的安全隐患,应及时上报项目部,按照“五定”原则落实整改到位,并记入重大安全隐患整治档案,督办并确保销号。
二、每次安全检查所填写的记录必须真实准确,签字完善,不得随意涂改。
三、所填写的每日安全隐患检查表格,将作为直接责任人履行安全职责的原始凭据,应保存完整,随时备查。
施工现场实体安全隐患日检记录附件:2安全报监书编号:重庆市建设工程施工现场每周(月)检查表项目名称:阳光花园龙锦星城2-4#楼建设单位:重庆黔龙阳光地产发展有限公司监理单位:重庆渝兴工程监理有限公司施工单位:重庆市乾力建筑工程有限公司重庆市建设工程施工安全管理总站制填表说明一、每周安全检查记录应由施工单位项目负责人组织填写,具体填写要求如下:1、在“检查结果”一栏中填写检查情况,如有隐患直接填写具体问题;如无隐患,注明无,且无须填写后面两项。
2、对检查中发现存在问题的,应在“整改意见”一栏写明整改要求。
3、“整改结果”一栏应填写实际整改情况,已消除的直接写明;未消除的,应按照“五定”原则落实整改到位,并记入重大安全隐患整治档案,督办并确保销号。
二、每月安全检查记录由监理单位和施工单位企业负责人组织填写,具体填写要求同第二项。
注:1.将每次项目部安全检查的情况如实填写,并将整改意见填写在表中。
2.将复查结果如实填写在表中。
注:1.将每次项目部安全检查的情况如实填写,并将整改意见填写在表中。
2.将复查结果如实填写在表中。
注:1.将每次项目部安全检查的情况如实填写,并将整改意见填写在表中。
2.将复查结果如实填写在表中。
注:1.将每次项目部安全检查的情况如实填写,并将整改意见填写在表中。
2.将复查结果如实填写在表中。
注:1.将每次项目部安全检查的情况如实填写,并将整改意见填写在表中。
2.将复查结果如实填写在表中。
注:1.将每次项目部安全检查的情况如实填写,并将整改意见填写在表中。
2.将复查结果如实填写在表中。
注:1.将每次项目部安全检查的情况如实填写,并将整改意见填写在表中。
2.将复查结果如实填写在表中。
注:1.将每次项目部安全检查的情况如实填写,并将整改意见填写在表中。
2.将复查结果如实填写在表中。
注:1.将每次项目部安全检查的情况如实填写,并将整改意见填写在表中。
2.将复查结果如实填写在表中。
注:1.将每次项目部安全检查的情况如实填写,并将整改意见填写在表中。
2.将复查结果如实填写在表中。
注:1.将每次项目部安全检查的情况如实填写,并将整改意见填写在表中。
2.将复查结果如实填写在表中。
注:1.将每次项目部安全检查的情况如实填写,并将整改意见填写在表中。
2.将复查结果如实填写在表中。
注:1.将每次项目部安全检查的情况如实填写,并将整改意见填写在表中。
2.将复查结果如实填写在表中。
注:1.将每次项目部安全检查的情况如实填写,并将整改意见填写在表中。
2.将复查结果如实填写在表中。
注:1.将每次项目部安全检查的情况如实填写,并将整改意见填写在表中。
2.将复查结果如实填写在表中。
注:1.将每次项目部安全检查的情况如实填写,并将整改意见填写在表中。
2.将复查结果如实填写在表中。
注:1.将每次项目部安全检查的情况如实填写,并将整改意见填写在表中。
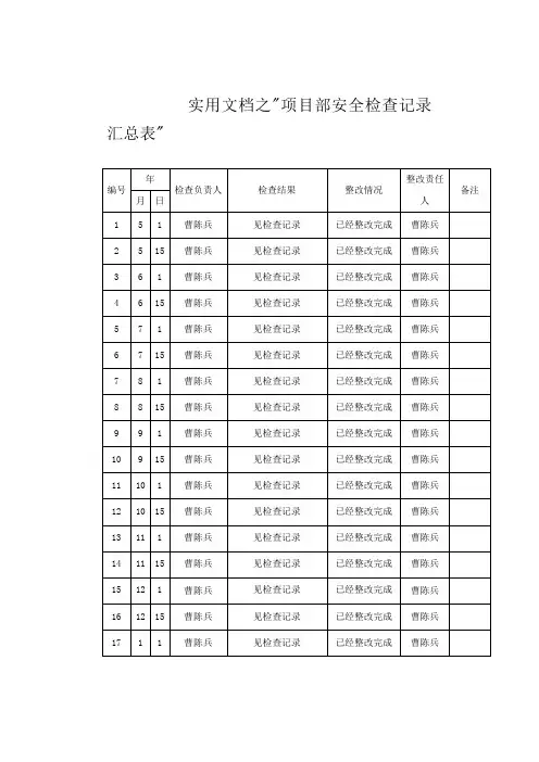
实用文档之"项目部安全检查记录汇总表"
安全检查记录
编号:
安全检查记录
编号:
安全检查记录
编号:
安全检查记录
编
号:
项目部定期安全检查记录
编号:
安全检查记录
编号:
安全检查记录
编号:
安全检查记录
编
号:
安全检查记录
编号:
安全检查记录
编号:
安全检查记录
编号:
安全检查记录
编
号:
安全检查记录
编号:
安全检查记录
编号:
项目部定期安全检查记录
编号:
项目部定期安全检查记录
编
号:
安全检查记录
编号:
项目部定期安全检查记录
编号:。
注:1.将每次项目部安全检查的情况如实填写,并将整改意见填写在表中。
2.将复查结果如实填写在表中。
注:1.将每次项目部安全检查的情况如实填写,并将整改意见填写在表中。
2.将复查结果如实填写在表中。
注:1.将每次项目部安全检查的情况如实填写,并将整改意见填写在表中。
2.将复查结果如实填写在表中。
注:1.将每次项目部安全检查的情况如实填写,并将整改意见填写在表中。
2.将复查结果如实填写在表中。
注:1.将每次项目部安全检查的情况如实填写,并将整改意见填写在表中。
2.将复查结果如实填写在表中。
注:1.将每次项目部安全检查的情况如实填写,并将整改意见填写在表中。
2.将复查结果如实填写在表中。
注:1.将每次项目部安全检查的情况如实填写,并将整改意见填写在表中。
2.将复查结果如实填写在表中。
注:1.将每次项目部安全检查的情况如实填写,并将整改意见填写在表中。
2.将复查结果如实填写在表中。
注:1.将每次项目部安全检查的情况如实填写,并将整改意见填写在表中。
2.将复查结果如实填写在表中。
注:1.将每次项目部安全检查的情况如实填写,并将整改意见填写在表中。
2.将复查结果如实填写在表中。
注:1.将每次项目部安全检查的情况如实填写,并将整改意见填写在表中。
2.将复查结果如实填写在表中。
注:1.将每次项目部安全检查的情况如实填写,并将整改意见填写在表中。
2.将复查结果如实填写在表中。
注:1.将每次项目部安全检查的情况如实填写,并将整改意见填写在表中。
2.将复查结果如实填写在表中。
注:1.将每次项目部安全检查的情况如实填写,并将整改意见填写在表中。
2.将复查结果如实填写在表中。
注:1.将每次项目部安全检查的情况如实填写,并将整改意见填写在表中。
2.将复查结果如实填写在表中。
注:1.将每次项目部安全检查的情况如实填写,并将整改意见填写在表中。
2.将复查结果如实填写在表中。
注:1.将每次项目部安全检查的情况如实填写,并将整改意见填写在表中。
项目部安全生产周检查记录表
C5-3-2 类别:安全生产文明施工:编号:001 2016年11 月6日
注:1.将每次项目部安全检查的情况如实填写,并将整改意见填写在表中。
2.将复查结果如实填写在表中。
项目部安全生产周检查记录表
C5-3-2 类别:安全生产文明施工:编号:001 2016年11 月13日
注:1.将每次项目部安全检查的情况如实填写,并将整改意见填写在表中。
2.将复查结果如实填写在表中。
项目部安全生产周检查记录表
C5-3-2 类别:安全生产文明施工:编号:001 2016年11 月20日
注:1.将每次项目部安全检查的情况如实填写,并将整改意见填写在表中。
2.将复查结果如实填写在表中。
安全检查记录表
C5-3-2
2.将复查结果如实填写在表中。
建筑工程项目安全周检记录表
项目名称:柳林酒城大厦工程建设单位:凤翔县柳林镇城市建设投资有限公司
建筑工程项目安全周检记录表
项目名称:建设单位:监理单位:施工单位:。
项目部安全生产周检查记录表
C5-3-2 类别:安全生产文明施工:编号:001 2016年11 月6日
注:1.将每次项目部安全检查的情况如实填写,并将整改意见填写在表中。
2.将复查结果如实填写在表中。
项目部安全生产周检查记录表
C5-3-2 类别:安全生产文明施工:编号:001 2016年11 月13日
注:1.将每次项目部安全检查的情况如实填写,并将整改意见填写在表中。
2.将复查结果如实填写在表中。
项目部安全生产周检查记录表
C5-3-2 类别:安全生产文明施工:编号:001 2016年11 月20日
注:1.将每次项目部安全检查的情况如实填写,并将整改意见填写在表中。
2.将复查结果如实填写在表中。
安全检查记录表
C5-3-2
2.将复查结果如实填写在表中。
建筑工程项目安全周检记录表
项目名称:柳林酒城大厦工程建设单位:凤翔县柳林镇城市建设投资有限公司
建筑工程项目安全周检记录表
项目名称:建设单位:。